船舶尾轴密封装置分析
- 格式:ppt
- 大小:1.01 MB
- 文档页数:9
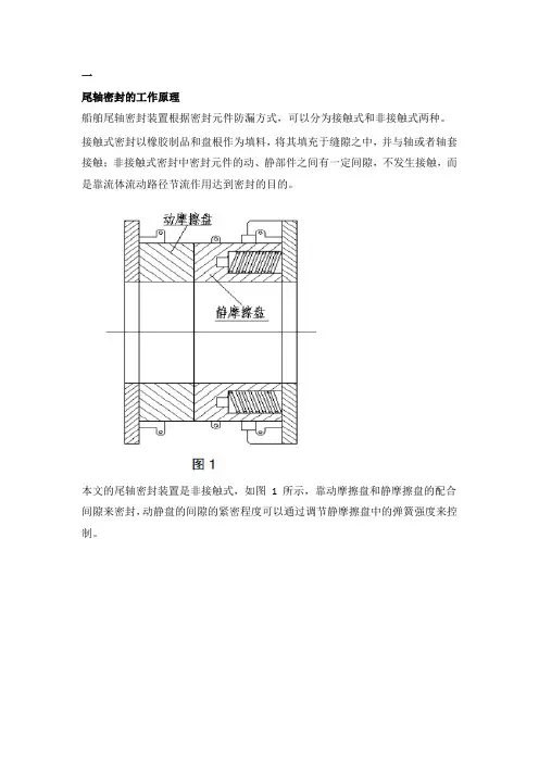
一尾轴密封的工作原理船舶尾轴密封装置根据密封元件防漏方式,可以分为接触式和非接触式两种。
接触式密封以橡胶制品和盘根作为填料,将其填充于缝隙之中,并与轴或者轴套接触;非接触式密封中密封元件的动、静部件之间有一定间隙,不发生接触,而是靠流体流动路径节流作用达到密封的目的。
本文的尾轴密封装置是非接触式,如图 1 所示,靠动摩擦盘和静摩擦盘的配合间隙来密封,动静盘的间隙的紧密程度可以通过调节静摩擦盘中的弹簧强度来控制。
二运行故障该型船长期在南京和上海之间的长江航道段航行,新船运行约九个月时间后发现前尾轴密封有少量泄漏,没有影响轴系的工作;尾轴后密封由于在水里,没法检查是否泄漏;运行一年时间时,船舱内的尾轴前密封泄漏很严重,舱内可以看到大量的润滑油泄漏,而且泄漏的油已经乳化变成乳白色,说明已有大量的江水进入到尾轴管内,尾轴的尾密封泄漏严重,船舶虽然还能正常航行,但尾轴管内的尾轴承和尾轴已经磨损,如果不及时处理会造成严重的后果,影响船舶的行驶安全。
三故障分析本文中的非接触式密封装置对安装的要求比较高,首先要保证动静摩擦盘的相对位置(间隙合适),在安装前需做泵压试验,安装过程中要调整好弹簧的压缩量保证动静环间隙;其次要保证密封装置垂直于轴系中心线,曲折值在规定范围内。
船舶在运行初期,安装的各项指标都能满足要求,尾轴密封装置工作良好,未发现泄漏情况;船舶在运行一段时间后,长江航道水况复杂,船舶需要频繁改变航行工况,由于推力轴承中的推力环和推力块间有轴向间隙,倒车或者顺车时,整个轴系轴向的窜动改变了尾轴密封动静环间的固有间隙,使动静摩擦盘的间隙忽大忽小,随着时间的推移,动静盘之间相对间隙会出现偏差;由于本船采用柴油机驱动,整个轴系在运行过程中会有径向的跳动,螺旋桨尾轴在长江水道复杂工况下也会频繁振动,时间长了尾轴密封装置相对于轴心线的曲折和偏移值都出现偏差;长江水中含有大量的泥沙,较小泥沙颗粒可以随着水流进入动静环之间间隙,造成动静摩擦环的环面损伤(维修时能看到动静盘上有很多明显的划痕),更进一步恶化了动静盘的相对位置,更大的泥沙也能进入到动静环间隙中,动静环彻底失去密封作用,江水大量进入尾轴管中使润滑油乳化,润滑油润滑效果下降。
浅析船舶尾轴密封装置摘要:尾轴管密封装置的工作环境和条件极其恶劣,在工作时除受到轴系高速转动带来剧烈摩擦的作用外,还会受到螺旋桨运转及轴系自然下沉产生的不均匀作用力的影响,轴系运转的纵向和横向振动也会加剧对密封件的局部磨损。
所以船舶尾轴管密封装置的选用、检验和优化,对于船舶的正常航行十分重要。
关键词:尾轴管检验密封装置船舶尾轴管密封装置是保证轴系正常工作,防止尾轴管内润滑油外泄造成水域污染,防止河水及泥砂侵入尾轴管内加剧轴与轴承磨损、破坏润滑油的性能和防止润滑油直接泄漏损失的装置。
一.尾轴密封装置的工作条件船舶尾轴密封装置的工作条件是十分恶劣的,在工作时,它除受到剧烈的磨损及摩擦高温的作用外,尚受到江河含泥沙水的作用。
特别是对吃水比较深的船舶,还要承受较高水压和滑油静压两者压力差的作用。
另外螺旋桨在回转时,还会产生悬臂及不均匀载荷,致使尾轴在尾轴承中所产生的径向跳动及偏心运动幅度较大。
再者,主机常用正倒车工作情况,尾轴在运转时往往还会产生一定的横向和轴向振动,对尾轴密封装置也会造成不良的影响。
这些工作特点,对尾轴的密封是很不利的。
加之尾轴密封装置一旦出现故障,不仅使滑油泄露或产生大量的机舱污水,对水域造成污染,而且换修往往需要船舶进坞或上排,影响船舶的正常营运,所以对尾轴密封装置的研究是及其必要的。
二、常用密封装置形式1、水润滑船舶尾轴管密封装置1.1常用的水润滑尾轴管密封装置为开放式的,即仅有尾轴管的首密封装置,而尾部不设密封装置,直接与舷外水相通闭式水润滑尾轴管密封装置。
特点:1.1.1尾轴管轴承(轴承一般采用橡胶或高分子复合材料制成(采用水作为润滑、冷却剂、对水体不产生任何污染、符合国家的防止水体污染政策要求。
同时获取方便、不需要成本。
1.1.2水作为润滑剂由于粘度较小,因此在轴与轴承之间产生的润滑膜强度也较小,润滑效果较油润滑差。
1.1.3尾轴管后端与舷外水相通,水中的泥砂可直接进入尾管,虽然有泥砂冲洗装置,但是难以冲洗干净,这会造成轴与轴承之间较大的磨损。
尾轴密封装置
尾轴密封装置的种类
1.常见胶圈J型密封型式(使用船舶
和胶圈品牌最多)
2.端面密封型式(使用船舶和胶圈品
牌较多)
3.首部填料函(盘根)密封型式(使
用船舶较少)
4.橡皮环密封型式(使用船舶较少)
5.金属环密封型式(使用船舶较少)
常见胶圈J型密封型式
常见品牌:
1.德国产SIMPLE COMPACT
2.日本产KOBELCO
3.荷兰产LIPS
4.英国产AEGIR
5.日本产DOVER
6.日本产JMT
7.日本产WARSLIA
8.少数船舶的骨架油封
端面密封型式
常见品牌:
1.Cedervall shafting seals
2.Deep Sea seals
3.EVK--KEMEL (KOBELCO EAGLE)
4.EVA--EAGLE
5.EJ seal
6.SM型
一:SIMPLE COMPACT(总图)
白钢套外径允许的光车量
后密封装置-调整垫片
▪
▪“滨海517”轮尾轴端面密封▪(SM型)
“滨海517”轮尾轴端面密封(SM型)
尾轴轴承与尾轴轴封正常的图片
“比达拉”轮尾轴轴承与轴封
损坏的图片
▪
▪谢谢!▪。
船舶尾轴密封的发展展望第一章绪论在采用螺旋桨推进的船舶中,尾轴和尾轴承之间要按一定的规定留有间隙,尾轴又处于水面以下,工作时需要润滑和冷却,因此为了防止海水沿螺旋桨轴流入船内及润滑油泄漏,在尾轴管中必须设置密封装置。
尾轴密封装置的工作环境和条件极其恶劣,其在工作时不仅受到由轴系转动带来的磨损外,轴系自然下沉产生产生的不均匀作用力的影响,主机正倒车时尾轴还会产生一定的横向和轴向震动,这些都会对尾轴密封装置造成不良影响。
尾轴密封装置是船舶轴系的重要部件之一,其性能的好坏直接影响到船舶的正常营运和经济型,同时对防止尾轴滑油污染海洋环境起着十分重要的作用,因此国内外造船界和航运部门对其可靠性和可维修性等提出了更高的要求,所以对尾轴密封装置的研究是及其必要的。
下面笔者就对尾轴密封的发展及其展望做一个粗浅的分析。
第二章船舶尾轴密封的类型、原理及其发展2.1填料函型首密封装置“填料函型密封”俗称“盘根密封”,这种装置是最早出现的尾轴密封形式,多用于铁梨木尾轴承。
2.1.1填料函型首密封装置的工作原理图1为填料函型首密封装置的工作原理简图,此种密封装置主要是靠填料5来阻止舷外水流入机舱,填料5在压盖3的预紧力作用下与螺旋桨轴紧密接触,达到密封的目的。
尾轴承下沉时,可径向调节填料函本体4使与尾轴同心,以保持良好的密封效果。
该密封装置一般都设有进水管1,引入具有压力的舷外水,冷却和冲走积存在填料内的泥沙。
图1填料函型首密封装置的工作原理简图2.1.2填料函型首密封装置的特点填料函型首密封装置具有以下特点:(1)结构简单,易维护管理,当发现密封处漏水过多时,稍加压紧压盖即可;更换填料也很方便。
但由于盘根比较容易磨损,定时的对密封进行调整和填料(盘根)的更换,增加了轮机人员的劳动量,同时也增加了调整的随意性和不安全因素。
(2)造价低廉,使用可靠,现在该种密封装置一般都采用橡胶轴承。
相对来说橡胶轴承价格低廉,且使用可靠。
船用艉轴密封
船用艉轴密封是一种用于船舶尾部轴承密封的装置,主要
用于防止海水进入船舶的机舱。
它通常由以下几个部分组成:
1. 艉轴密封壳体:密封壳体是安装在船舶艉部的一个金属
外壳,通常由高强度和耐腐蚀的材料制成,如不锈钢。
密
封壳体具有良好的密封性能,能够有效防止海水进入机舱。
2. 密封垫片:密封垫片是安装在密封壳体内部的一个重要
部件,通常由弹性材料制成,如橡胶。
密封垫片能够与轴
承紧密接触,并形成密封效果,防止海水渗入。
3. 密封油:密封油是填充在密封壳体内部的润滑油,通常
为高温、高压和耐腐蚀的润滑油。
密封油能够在轴承和密
封垫片之间形成一层润滑膜,减少摩擦和磨损,同时也能
起到密封作用。
4. 密封装置:密封装置包括密封环、密封垫、密封圈等,
用于确保密封的完整性和稳定性。
这些密封装置通常由耐
腐蚀和耐磨损的材料制成,如橡胶和金属。
船用艉轴密封的工作原理是,当轴承转动时,密封垫片与
轴承紧密接触,并形成一层密封效果。
同时,密封油在密
封壳体内形成一层润滑膜,减少摩擦和磨损。
当海水试图
进入机舱时,密封垫片和密封装置会阻止海水的渗入,保
持机舱的干燥和安全。
船用艉轴密封在船舶的设计和制造中起到了至关重要的作用,它能够有效保护船舶的机舱免受海水的侵蚀,提高船舶的安全性和可靠性。
同时,船用艉轴密封还能减少轴承的磨损和故障,延长轴承的使用寿命,降低维修和更换的成本。
船舶尾轴密封装置原理及漏泄处理一、引言船舶尾轴密封装置是船舶轴系的重要部件之一,其性能好坏直接影响到船舶的运行,同时对防止尾轴滑油污染海洋环境也起着十分重要的作用,因此对尾轴密封装置的研究是极其必要的。
笔者所在的船舶,大风浪天气航行时突发机舱尾轴密封油柜高位报警,后经检查发现,是尾轴密封不良导致海水漏泄至密封油腔里,引起密封油柜高位且乳化。
船舶尾轴密封油漏泄有两种情况常见:一是大风浪天气,船舶尾吃水小,由于船体剧烈震动,就会引起密封装置密封不好;二是船舶长时间锚泊,主机启动时有时会引起尾轴密封不好,从而导致漏泄。
尾轴密封不好导致漏泄一般分为:海水进入油腔造成密封油柜油乳化,最终导致尾轴腐蚀,或者密封油柜的油漏泄至船舷外,导致油污染水域。
无论哪种情况,都会造成不良的后果。
因此,必须重视船舶尾轴密封情况,一旦发生漏泄,就要及时采取正确措施。
二、船舶尾轴密封装置1.现代尾轴密封的特点目前海船的尾轴承绝大部分以油润滑的白合金轴承替代铁犁木等传统的水润滑轴承,其油膜承载能力大,油的润滑性能好,尤其是其密封装置能有效地密封,使海水和泥沙不易进入尾轴管,所以磨损很小,主机和轴系的工作相对平稳、可靠。
2.尾轴密封的结构尾轴密封装置分前密封装置(SC2Z)和后密封装置(SC2B)。
前密封装置位于机舱一端,其作用是防止尾轴管内的润滑油泄漏到机舱;后密封装置位于螺旋桨一端,其作用是既防止尾轴管内滑油泄漏到舷外污染海面,又防止海水进入尾轴管内乳化润滑油。
后密封装置一般有三道密封环(1号、2号和3号),后面两道密封环(1号、2号)的作用是防止海水进入尾轴管内,第三道密封环(3号) 的作用是防止尾轴管内滑油泄漏(见图1)。
前密封装置的结构与后密封装置的结构基本相同,不同的是前密封装置只有两道密封环(V1、V2)(见图2)。
密封环是由丁晴橡胶图2前密封装置的两道密封环(NBR)或氟橡胶(VITON)制成的,可根据不同的使用条件选择使用。
第18卷 第6期 中 国 水 运Vol.18 No.6 2018年 6月 China Water Transport June 2018收稿日期:2018-02-22作者简介:齐志远(1972-)男,山东烟台人,交通运输部北海救助局轮机长,主要研究方向为轮机管理与修理。
高速救助船尾轴密封装置漏水原因分析及处置齐志远(交通运输部北海救助局,山东 烟台 264000)摘 要:本文通过对MJP750型尾轴密封装置的结构及工作原理的介绍,分析了该装置泄漏的原因及解决方法,并提出了改进措施及管理要点。
关键词:尾轴密封;工作原理;故障分析;管理中图分类号:U674.31 文献标识码:A 文章编号:1006-7973(2018)06-0073-02引言某高速救助船为全铝质穿浪型双体船,采用双机双轴双喷水泵的推进方式,每个单体内装有一套推进系统。
尾轴密封采用MJP750轴密封装置,该密封装置为水润滑型,密封效果好,结构简单,拆装方便。
某日,航行时,轮机员正常巡视检查,发现尾轴密封出泄漏,导致海水漏入泵舱,且逐渐增大,为防止漏水量进一步增大和船舶安全,不得不靠岸修理。
一、轴密封装置的结构及工作原理 1.尾轴密封装置的结构组成,如下图1图1 尾轴密封装置结构尾轴密封装置主要由密封壳体⑶、压盖环⑸、骨架密封圈⑹、白钢套⑼、锁紧圈⑽、橡胶套管⑿、O 型圈⒀等部件组成。
⑾为两道备用骨架密封圈。
锁紧圈⑽是两个半圆设计,维修时可以拆卸,松开锁紧圈⑽后白钢套⑼可以在尾轴上适当前后移动以找到与骨架密封圈⑹内圈唇边有效的密封面,大大延长白钢套⑼的使用寿命。
如果白钢套⑼密封区磨损严重,可以在上坞抽轴时换新,这样就避免了尾轴的磨损。
2.密封装置的工作原理 (1)白钢套⑼靠锁紧圈⑽与尾轴固定在一起,与尾轴之间的密封,由两道O 型圈⒀来完成,防止舷外水从白钢套⑼与尾轴之间漏入机舱。
(2)密封壳体⑶一端靠橡胶套管⑿与船体弹性连接,使用喉箍进行紧固和密封,防止舷外水进入泵舱。
思舶讲堂船舶艉轴密封装置与防护罩可能出现的问题及其解决办法267-2018船舶艉轴密封因各种原因可能会出现泄漏,海水进人密封腔,使后密封油箱滑油乳化(见图1),严重时滑油向外泄漏至海面,导致港口当局滞留或罚款,或者海水向内泄漏,使得艉管滑油乳化,润滑油膜失效,导致艉轴承高温甚至烧毁等严重事故,给船舶带来严重的安全隐患。
艉轴密封装置设计不当或安装不当是引发艉轴密封泄漏的主要原因。
另外,防护罩结构不合理或安装不当,容易使渔网缠绕。
渔网进人密封腔引发艉轴密封泄漏,或者防护罩碰擦螺旋桨等现象。
某系列散货船共12艘,建造于2012年期间,使用某厂同一型号和尺寸的艉轴密封装置,船舶大多在出厂后3—6个月出现艉轴后密封泄漏和艉轴后密封油箱以及尾管滑油乳化等问题。
1调查与分析船舶艉轴密封泄漏发生后,造船厂于次年初安排第1艘船舶进坞修理,船厂和船舶所有人以及制造商代表都在第一时间赶到现场。
当密封装置拆开后,发现密封圈内滑油已经乳化,不锈钢套也磨出比较深的凹槽,在最后一道密封环的后面,还有一道羊毛毡已经部分脱落(见图2)。
仔细检查乳化的滑油,用手摸感觉有明显的细颗粒物,感觉好像是男士洗面奶(见图3),仔细查看发现还有细小的羊毛在乳化物中(见图4)。
厂家设计的意图是考虑船舶经常进出长江等内河航道,为挡住泥沙,就在密封装置后面增加一道羊毛毡 (见图5)。
羊毛毡上脱落的羊毛在螺旋桨水流的作用下部分进人密封圈,羊毛穿过橡胶密封面时破坏密封,同时使不锈钢套异常磨损(见图6),更加破坏密封,使海水进人密封腔导致滑油乳化,这是艉轴密封泄漏的真正原因。
最明显的证据就是乳化物经过清理后残留的羊毛球(见图7)。
需要说明的是,羊毛毡看起来柔软,其实是具有相当硬度的物体,如轴系的机加工最后就是用羊毛毡抛光。
2对策和改进羊毛毡通过高温挤压成型,经海水浸泡后的羊毛在不镑钢套旋转摩擦作用下会脱落,而橡胶或者高分子材料则不易脱落,因此选用橡胶替换羊毛毡,或者干脆去除这一道多余的密封圈。
艉轴空气型密封装置简介与管理要点中海国际船舶管理有限公司广州分公司—陈建云[内容提要]此文简要介绍船用艉轴空气型密封装置的工作原理、日常管理注意事项及管理要点。
关键词:船用艉轴密封空气型原理管理中海货运公司新造8条57300DWT“嘉”字号超灵便型船的艉轴密封装置,都采用了目前世界上最先进的常流型空气密封装置。
常流型空气艉轴密封,通过设置艉轴密封环气腔,充进压缩空气,完全地分隔油和水,很好地满足了环保要求。
在空载、满载或海面波动较大时,艉轴密封油腔和气腔的工作压力能根据吃水变化而自动地调节艉轴密封油腔和气腔的工作压力,船艉吃水越大,其工作油压与气封压力就越大、反之越小,基本保持密封环唇口与艉轴密封套筒之间的压力差为零,使得艉轴封有良好的密封性能,并且能大大地减小后#1和#2水密封环、#3和#3S油密封环与艉轴套筒之间因摩擦温度升高而加速磨损与硬化,极大地改善了密封环的工作环境,延长了密封环的使用寿命。
常流型空气密封装置主要组成部份:空气控制单元、供油单元、艉管滑油柜单元、密封气腔残油水泄放收集单元、滑油泄放系统、艏密封油系统、艉轴轴承润滑油系统、艉管滑油重力柜、4道紧凑型唇口式密封环、2道紧凑型唇口式前密封环。
空气控制单元主要由MAIN与SUB气路转换阀、两个过滤器、两个减压阀、两个节流阀、有气流指示的单向阀、气腔气流监测装置等组成。
主要功能:向艉轴密封气腔、艉管滑油压力单元、空气密封泄放收集单元提供经过过滤与减压节流的压力空气源;气腔气压测试与监测报警;当密封空气气腔、管路比较脏时提供压力淡水进行冲洗。
空气密封供油单元主要由流量为0.5M3/h的齿轮泵两台、滑油冷却器、安全节流阀、滑油滤器、出口止回阀等组成。
主要功能是冷却滑油、使艉轴润滑油循环流动,但不增加循环滑油压力。
空气密封艉管滑油单元主要由100L 的贮存器、高低油位监测装置等组成。
主要功能是作艉轴滑油压力循环柜之用,并接受从空气控制单元送来的压缩空气,使得艉轴滑油回油压力始终略高于密封气腔的空气压力,即使后密封腔#3与#3S的滑油压力略高于密封气腔#2与#3的气压。
再不搞懂艉轴空气密封装置原理,你就“out”了.......随着港口国对防污染要求越来越严,各大设备生产厂商纷纷投入大量的人力物力对新型设备的研发。
尾轴密封生产商也研发制造了更加可靠的AX型空气式艉轴密封装置。
由于该装置可靠性高,维修管理方便,许多船东在新造船时都选用了该设备。
本文以某公司新造10000TEU系列船舶的空气式尾轴封为例,对该装置的工作原理和管理要点进行探讨。
1空气密封的优点该装置的首部密封结构与以往的CX、DX型密封的结构基本相同,尾部空气式密封装置如下图:尾部密封有4道密封圈,船内的空气源通过管路通到#2/3环之间的腔室,然后以气泡形式从尾部释放到海水中。
根据物理学经典原理可知,液面下任一点的压强与该点至液面的高度成正比,因此该装置利用从尾部以气泡形式释放的空气压力来检测船舶吃水的变化。
任何船舶吃水的变化能够自动地被空气控制单元跟踪并自动调整输出压力和尾轴管内油压,从而防止海水侵入船内和润滑油流出船外。
该装置的优点为:A、可靠性高1)各道密封环所承受的负荷明显减小,延长了密封环及镀铬衬套的使用寿命;2) 各有两道水封环和油封环,提高了装置的可靠性。
一旦密封环损坏,艉轴管内的润滑油或海水会通过#2/3环腔室被回收到船内泄放收集柜内,防止油流出船外或海水进入艉轴管内。
3) 在尾轴管端部平面与密封装置法兰环之间加装了一个厚30mm 调整环,当密封环与镀铬衬套接触处磨损时,取下该调整环以错开密封环与衬套之间的相对位置,从而减少镀铬衬套的光车次数,延长使用寿命。
B、维修保养简单在设定了空气流量后,系该统根据吃水变化自动调整压力,避免根据吃水的变化通过人工来转换轻重载重力油柜。
C、空气消耗量低供入到#2/3腔室内的空气流量设定在45-55Nℓ/min,压缩空气消耗少。
D、可提供多种应急措施1)当#3环故障时,只要关闭通往#3/3S 腔室的进出口阀,就可使#3S环投入工作。
2)如遇空气压力控制单元发生故障,只要备有一个临时重力油柜,就能将空气密封(AX型)装置简单地转变成双重保护的油封(DX型)装置。
船舶尾轴密封装置原理
船舶尾轴密封装置是用于防止船舶尾轴处的润滑油或者润滑脂泄漏,并防止海水进入船舶机舱的重要装置。
其原理主要包括以下几个方面:
1. 紧固密封,船舶尾轴密封装置采用特殊的设计和材料,能够紧密贴合在尾轴和尾轴轴承上,形成有效的密封。
这种紧固密封可以防止润滑油或者润滑脂从尾轴处泄漏。
2. 隔离海水,船舶尾轴密封装置通常包括多级密封结构,能够在尾轴周围形成有效的隔离屏障,阻止海水进入尾轴密封处。
这种隔离海水的设计可以保护尾轴轴承和润滑系统,防止其受到海水侵蚀和腐蚀。
3. 冷却和润滑,部分船舶尾轴密封装置还会配备冷却和润滑系统,通过循环水或者润滑油来降低尾轴密封处的温度,减少摩擦和磨损,从而延长密封件和轴承的使用寿命。
4. 监测和报警,一些高级船舶尾轴密封装置还会集成监测和报警系统,能够实时监测尾轴密封处的压力、温度和泄漏情况,一旦
发现异常,即可及时报警,提醒船员进行检修和维护。
总的来说,船舶尾轴密封装置通过紧固密封、隔离海水、冷却润滑和监测报警等原理,保障船舶尾轴处的密封性能和安全运行,是船舶动力系统中不可或缺的重要部件。
船舶尾轴密封装置的安装和注意事项机务部徐毅山尾轴密封装置是采用油润滑白合金轴承尾轴装置中的一个重要部件,其作用是防止尾轴管内的润滑油泄漏到海面或机舱,同时尾轴密封装置中的后密封装置又要防止海水进入尾轴管内乳化润滑油。
尾轴密封装置的结构简单、拆装方便,但尾轴密封装置的工作条件比较恶劣,除要承受海水压力、滑油压力、海水的腐蚀、连续的磨擦和磨损引起的高温外,还要承受主机运转和换向时的径向跳动和轴向串动。
尾轴密封装置中最常见的故障就是润滑油泄漏到海面或机舱和海水进入尾轴管,尾轴密封装置的漏油不仅是浪费大量的润滑油,造成直接的经济上的损失,更会对海洋环境造成严重的污染。
对于尾轴密封装置来说,在正常情况下一般是随着尾轴检验的周期进行检查和换新,特殊情况下如尾轴密封装置严重漏油时就必须提前进行换新。
尾轴检验的规范要求一般是5年进行一次,也有船级社可申请在实行尾轴状况监控、尾轴润滑油定期取样分析正常、尾轴密封装置不漏油漏水、尾轴润滑油工作温度正常的情况下,10年或15年进行一次尾轴检验。
按尾轴密封装置生产厂家的说明介绍,尾轴密封装置中密封环的正常使用寿命应该在8T0年,但在实际使用中,往往是很难维持使用10年,一般都是在5年就必须进行换新,特殊情况下更会提前甚至是被迫提前进坞换新。
造成尾轴密封装置漏油漏水的主要原因是:1 .渔网缠入尾轴后密封装置,造成密封环或铭钢套损坏或磨损;2 .曾经航行在有大量泥沙的浅水水域、或曾经在该水域搁浅并运转过主机,泥沙的渗入加快密封环或铭钢套的磨损;3 .尾轴装置的润滑油不足、润滑油乳化、变质或长期高温,加快密封环老化和磨损;4 .尾轴管的冷却水量不足或长期高温,加快密封环老化和磨损;5 .安装不正确或安装时未能清洁干净。
注意:因尾轴和尾轴密封装置的安装不正确或安装时未能彻底清洁干净而造成船舶出坞后尾轴密封装置就漏油或漏水、或航行时间不长就漏油或漏水的事例已多次出现报导,必须引起足够的重视。
海上小型舰艇尾轴密封装置故障分析摘要:船舶尾轴管密封装置是保证轴系正常工作,防止尾轴管内润滑油外泄造成水域污染,防止河水及泥砂侵入尾轴管内加剧轴与轴承磨损、破坏润滑油的性能和防止润滑油直接泄漏损失的装置。
因此,尾轴密封装置的可靠运行,对船舶轴系的动力传动有着重要意义。
本文针对当前中国海上小型舰艇主流尾轴密封基本结构和润滑方式现状,归纳舰艇尾轴密封装置常见故障和处理措施,为海上舰艇尾轴故障处理提供参考。
关键词:尾轴密封;基本结构;常见故障;处理措施一绪论1.1 背景及研究故障分析的意义当前我国海上小型舰艇尾轴密封装置在正常航行时会受到多方面因素的影响。
首先尾轴密封装置是舰艇与海水充分接触的装置,其零部件会受到海水的腐蚀以及海水中杂质的影响;其次在航行时,舰艇的尾轴密封装置的零部件会因轴承高速转动产生的高温而被破坏其内部构造;然后在舰艇离靠码头时,主机会进行正倒车的转换,舰艇的尾轴密封装置的轴承也会受到轴向以及横向多方向的振动。
舰艇尾轴这些工作特点影响着尾轴密封装置的密封性能。
1.2 国内外发展状况随着各国对海洋权益的越发重视,其尾轴密封装置也随着科技的进步取得了较大的发展。
如德国HDW公司通过不断研究,在二十世纪五十年代研究成功的一种称为辛泼莱克斯唇形密封。
首次用油润滑方式代替传统的水润滑方式,减少了磨损及解决的散热的问题。
由于该密封装较之前的传统密封装置有了很大的改进及性能上较大的提升,使其在舰艇上得到了普遍的推广使用。
分析我国沿海小型船舶普遍存在的尾轴腐蚀的原因,建议防腐蚀措施和操作注意事项。
结合性能、特点,针对不同的水域环境、安装使用条件、装置性价比等,分别推荐了不同形式的船舶尾轴管密封装置。
我国在舰艇尾轴密封装置的常见故障诊断的研究相对于欧美等发达国家还存在差距。
舰艇尾轴密封装置的常见故障诊断和处理措施的归纳还不够完善,因此很有必要对舰艇尾轴密封装置故障的影响因素进行研究,分析故障机理,总结归纳常见故障的处理措施,为海上舰艇尾轴密封装置的处理提供参考。