常用高速钢介绍
- 格式:doc
- 大小:27.50 KB
- 文档页数:2
常用钢材的参数1.纯碳钢纯碳钢是指含碳量在0.02%-2.11%之间的钢材。
其主要参数有:(1)强度:纯碳钢的强度取决于碳含量的多少,碳含量越高,强度越高。
(2)韧性:纯碳钢的韧性较好,具有良好的延展性和可塑性。
(3)硬度:纯碳钢的硬度较低,大多数无法通过热处理提高硬度。
(4)可焊性:纯碳钢具有良好的可焊性,适合进行各种焊接操作。
(5)成型性:纯碳钢易于成型加工,可以通过锻造、压制等工艺制成各种形状。
2.低合金钢低合金钢是指含有一定量合金元素的钢材,其主要参数有:(1)强度:低合金钢相比于纯碳钢具有更高的强度,合金元素的添加可以提高钢的强度。
(2)韧性:低合金钢的韧性好,具有很好的抗冲击性和抗疲劳性。
(3)硬度:低合金钢具有适中的硬度,可通过热处理进一步提高硬度。
(4)可焊性:低合金钢的可焊性较好,适合进行各种焊接操作。
(5)耐蚀性:低合金钢可通过添加合金元素来提高抗腐蚀性能,增强其在恶劣环境中的使用能力。
3.不锈钢不锈钢是一种含有至少11%铬元素的钢材,通过形成致密的表面氧化物层来抵抗大气、水及其他介质的腐蚀。
其主要参数有:(1)耐腐蚀性:不锈钢具有较好的耐腐蚀性能,具有强大的抗氧化、抗酸碱等能力。
(2)韧性:不锈钢的韧性好,具有较高的强度和延展性。
(3)硬度:不锈钢的硬度适中,可通过冷加工和热处理提高硬度。
(4)可焊性:不锈钢的可焊性较好,适合进行各种焊接操作。
(5)温度特性:不锈钢具有良好的耐高温能力,一些特殊型号的不锈钢甚至可在高温环境下使用。
4.高速钢高速钢是钢中的一类特殊钢,其碳含量较高,可用于切削工具、钻头等高速切削工具。
其主要参数有:(1)强度:高速钢具有较高的强度,能够承受较大的切削力。
(2)韧性:高速钢在高温条件下仍能保持较好的韧性和可塑性。
(3)硬度:高速钢具有很高的硬度,可用于加工硬度较高的材料。
(4)热稳定性:高速钢具有较好的耐高温能力和热稳定性,不易软化和变形。
(5)磨削性:高速钢具有良好的磨削性能,适合进行各种切削操作。
丝锥材料牌号丝锥,作为一种常用的切削工具,在金属加工领域具有广泛的应用。
其性能和使用寿命与材料牌号密切相关。
下面将详细介绍丝锥的材料牌号,包括常见的材料类型、特性、应用以及选择时的注意事项。
一、丝锥材料概述丝锥材料的选择直接影响到丝锥的切削性能、耐磨性、抗冲击性以及使用寿命。
因此,在选择丝锥材料时,需要根据被加工材料的性质、加工要求以及工作环境等因素进行综合考虑。
常见的丝锥材料包括高速钢、硬质合金、陶瓷、立方氮化硼等。
二、高速钢丝锥高速钢(HSS)是一种具有高硬度、高耐磨性、高热稳定性的合金工具钢。
其主要特点是制造工艺简单、成本低、易于磨削和修复。
高速钢丝锥适用于加工低碳钢、不锈钢、铝合金等软质材料。
然而,由于高速钢的硬度和耐磨性相对较低,因此在加工硬质材料时容易出现磨损和崩刃现象。
三、硬质合金丝锥硬质合金(Carbide)是一种由难熔金属的碳化物(如碳化钨、碳化钛等)和粘结金属(如钴、镍等)通过粉末冶金工艺制成的合金材料。
硬质合金丝锥具有高硬度、高耐磨性、高红硬性等优点,适用于加工高硬度、高强度的材料,如铸铁、淬硬钢等。
与高速钢丝锥相比,硬质合金丝锥的使用寿命更长,但制造成本也相对较高。
四、陶瓷丝锥陶瓷丝锥采用高性能陶瓷材料制成,具有极高的硬度和耐磨性。
陶瓷丝锥适用于高速、高精度加工,尤其是在加工高硬度、高韧性的材料时表现出色。
然而,陶瓷丝锥的脆性较大,抗冲击性能较差,因此在使用时需要特别注意避免受到撞击和振动。
五、立方氮化硼丝锥立方氮化硼(CBN)是一种超硬材料,其硬度仅次于金刚石。
立方氮化硼丝锥具有高硬度、高耐磨性、高热稳定性以及良好的化学稳定性等特点。
适用于加工高硬度、高耐磨性的材料,如淬硬钢、高速钢等。
与陶瓷丝锥相比,立方氮化硼丝锥的抗冲击性能更好,使用寿命更长。
但立方氮化硼丝锥的制造成本较高,且在加工过程中需要注意控制切削参数,避免产生过高的切削温度。
六、丝锥材料的选择原则在选择丝锥材料时,需要综合考虑以下几个方面:1.被加工材料的性质:根据被加工材料的硬度、强度、韧性等性质选择合适的丝锥材料。
收稿日期:2013年9月粉末高速钢S690与M35、M42钢组织性能对比凌晓红哈尔滨第一工具制造有限公司1引言M35、M42钢是国内常用的高性能高速钢牌号,其合金含量较高,同时含有Co 元素,因此其红硬性较高。
传统的冶炼方法是采用铸锭—锻轧工艺。
由于钢的合金量高,化学成分复杂,铸锭尺寸大,冷却速度缓慢,在其凝固时不可避免地会产生粗大莱氏体碳化物偏析组织。
偏析的存在不仅给钢的锻、轧等热加工造成困难,而且还损害了钢的各种性能。
本文主要对比了粉末高速钢S690与锻轧高性能高速钢M35、M42的组织和性能,从而掌握S690钢的性能特性。
2试验材料、方法及结果2.1试样尺寸对三种材料分别取相同尺寸的试样,进行试验检测。
化学成分、金相组织的试样为Ф38mm ˑ8mm ˑ1/2ˑ4块。
冲击试验所用试样由Ф38mm 棒料经锻造成12mm ˑ12mm 长条料之后,加工成10mm ˑ10mm ˑ55mm 试样,每种材料5块试样。
抗弯试验所用试样由Ф38mm 棒料经锻造成12mm ˑ12mm 长条料之后,加工成10mm ˑ10mm ˑ120mm 试样,每种材料5块试样。
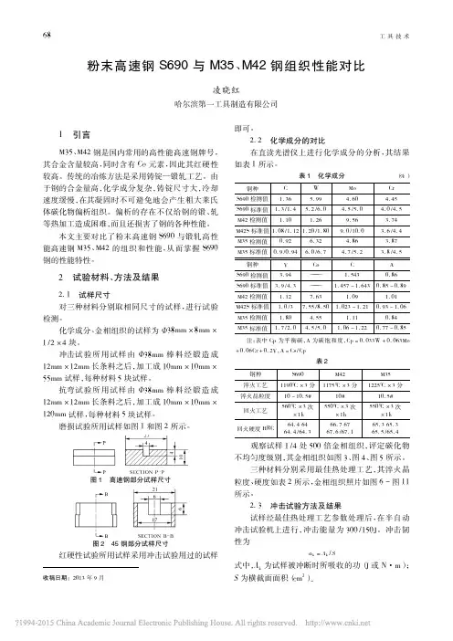
磨损试验所用试样如图1和图2所示。
图1高速钢部分试样尺寸图245钢部分试样尺寸红硬性试验所用试样采用冲击试验用过的试样即可。
2.2化学成分的对比在直读光谱仪上进行化学成分的分析,其结果如表1所示。
表1化学成分(%)钢种C WMo CrS690检测值1.365.994.604.45S690标准值1.3/1.45.2/6.04.5/5.04.0/4.5M42检测值1.101.269.563.74M42S 标准值1.08/1.121.20/1.809.0/10.03.6/4.4M35检测值0.926.324.863.87M35标准值0.9/0.946.0/6.74.7/5.23.8/4.5钢种V Co C A S690检测值3.94———1.5430.86S690标准值3.9/4.3———1.457-1.6430.85-0.89M42检测值1.127.631.091.01M42S 标准值1.0/37.55/8.501.023-1.210.93-1.06M35检测值1.804.551.110.84M35标准值1.7/2.04.5/5.01.06-1.220.77-0.85注:表中Cp 为平衡碳,A 为碳饱和度,Cp =0.033W +0.063Mo +0.06Cr +0.2V ,A =Cs /Cp表2钢种S690M42M35淬火工艺1190ħˑ3分1175ħˑ3分1225ħˑ3分淬火晶粒度10-10.5#10#10.5#回火工艺560ħˑ3次ˑ1h 550ħˑ3次ˑ1h 550ħˑ3次ˑ1h 回火硬度HRC64.46464.4/64.366.76767.6/67.165.365.365.5/65.4观察试样1/4处500倍金相组织,评定碳化物不均匀度级别,其金相组织如图3、图4、图5所示。
简述现代数控刀具材料种类
一、引言
现代数控刀具是工业制造中不可或缺的重要工具。
随着科技的不断发展,数控刀具材料种类也在不断扩展和更新。
本文将对现代数控刀具材料种类进行全面详细的介绍。
二、高速钢
高速钢是一种常用的数控刀具材料,其主要成分为碳素、钨、钼、铬等元素。
高速钢切削性能优良,硬度高,耐磨性强,适用于加工各种金属材料。
三、硬质合金
硬质合金是一种由钨钴粉末和其他金属粉末混合而成的复合材料。
硬质合金硬度高,耐磨性强,适用于加工各种难加工材料。
四、陶瓷
陶瓷是一种新型的数控刀具材料,其主要成分为氧化铝和氮化硅等无机非金属物质。
陶瓷切削性能优良,硬度极高,耐磨性强,并且不易产生毛刺等缺陷。
五、超硬材料
超硬材料是一种由金刚石和立方氮化硼等材料制成的复合材料。
超硬
材料硬度极高,耐磨性强,适用于加工各种难加工材料。
六、晶粒度
晶粒度是指数控刀具中晶体颗粒的大小。
晶粒度越小,数控刀具的硬
度和耐磨性就越高。
晶粒度可以通过控制生产过程中的温度和压力来
调整。
七、表面涂层
表面涂层是指在数控刀具表面覆盖一层特殊涂层以增强其性能。
常见
的表面涂层包括氮化物、碳化物、TiAlN等。
表面涂层可以提高数控
刀具的硬度、耐磨性和抗腐蚀性。
八、总结
现代数控刀具材料种类多样,每种材料都有其特定的优点和适用范围。
在选择数控刀具时,需要根据加工对象和加工要求来选择合适的材料
和制造工艺。
高速钢常用牌号
高速钢是一种具有高硬度、高耐磨性和高耐热性的工具钢,广泛应用于制造切削工具、钻头、铣刀等。
以下是高速钢的常用牌号和详细说明:
1. W6Mo5Cr4V2(6542):这是一种含钴的高速钢,具有良好的刀具硬度和热稳定性,广泛用于制作主削刀、插头、螺纹加工切削工具等。
其中,6542牌号的数字含义为化学成分(以重量百分数计):W(钨)6%、Mo(钼)5%、Cr(铬)4%、V(钒)2%。
2. M2(6542):M2是一种较为通用的高速钢,可用于制造钻头、高速铣刀和大型锯条等。
其中,6542牌号表示的是其化学成分(以重量百分数计):W5%、Mo5%、Cr4%、V2%。
3. M35:这是一种钴合金高速钢,可用于制作大型钎子、金属锯片等高强度、高耐磨的加工工具。
4. M42:这种高速钢含有较高的钴和钨元素,硬度可高达67-69HRC,对于难加工的材料加工具有较好的性能。
此外,还有其他的高速钢牌号如W9、W18等,这些牌号都是经过特定的化学成分和热处理工艺处理的,以满足不同的切削和加工需求。
01高速钢high-speed steel高速钢(HSS)是一种具有高硬度、高耐磨性和高耐热性的工具钢,又名风钢或锋钢,意思是淬火时即使在空气中冷却也能硬化,并且很锋利。
也有称白钢的。
高速钢是一种成分复杂的合金钢,含有钨、钼、铬、钒、钴等碳化物形成元素。
合金元素总量达10%~25%左右。
它在高速切削产生高热情况下(约500℃)仍能保持高的硬度,HRC能在60以上。
这就是高速钢最主要的特性——红硬性。
而碳素工具钢经淬火和低温回火后,在室温下虽有很高的硬度,但当温度高于200℃时,硬度便急剧下降,在500℃硬度已降到与退火状态相似的程度,完全丧失了切削金属的能力,这就限制了碳素工具钢制作切削工具用。
而高速钢由于红硬性好,弥补了碳素工具钢的致命缺点。
高速钢主要用来制造复杂的薄刃和耐冲击的金属切削刀具,也可制造高温轴承和冷挤压模具等,如车刀、钻头、滚刀、机用锯条及要求高的模具等。
02钨钢tungsten steel钨钢(硬质合金)具有硬度高、耐磨、强度和韧性较好、耐热、耐腐蚀等一系列优良性能,特别是它的高硬度和耐磨性,即使在500℃的温度下也基本保持不变,在1000℃时仍有很高的硬度。
钨钢,主要成分为碳化钨和钴,其占所有成分的99%,1%为其他金属,所以称作钨钢,又称为硬质合金,被认为是现代工业的牙齿。
钨钢是至少含有一种金属碳化物组成的烧结复合材料。
碳化钨、碳化钴、碳化铌、碳化钛、碳化钽是钨钢的常见组份。
碳化物组份(或相)的晶粒尺寸通常在0.2~10微米之间,碳化物晶粒使用金属粘结剂结合在一起。
粘结金属一般是铁族金属,常用的是钴、镍。
因此就有了钨钴合金、钨镍合金及钨钛钴合金。
钨钢烧结成型就是将粉末压制成坯料,再进烧结炉加热到一定温度(烧结温度),并保持一定的时间(保温时间),然后冷却下来,从而得到所需性能的钨钢材料。
1)钨钴类硬质合金主要成分是碳化钨(WC)和粘结剂钴(Co)。
其牌号是由“YG”(“硬、钴”两字汉语拼音字首)和平均含钴量的百分数组成。
钢材特性及知识钢材特性及知识2007-12-06 19:37:27| 分类:我的文件|字号订阅钢材特性及知识高速钢是一种含多量碳(C)、钨(W)、钼(Mo)、铬(Cr)、钒(V)等元素的高合金钢,热处理后具有高热硬性。
当切削温度高达600℃以上时,硬度仍无明显下降,用其制造的刀具切削速度可达每分钟60米以上,而得其名。
高速钢按化学成分可分为普通高速钢及高性能高速钢,按制造工艺可分为熔炼高速钢及粉末冶金高速钢。
普通高速钢高速钢是制造形状复杂、磨削困难的刀具的主要材料。
普通高速钢可满足一般需求。
常见的普通高速钢有两种,钨系高速钢和钨钼系高速钢。
钨系高速钢典型牌号为w18Cr4V,热处理硬度可达63-66HRC,抗弯强度可达3500MPa,可磨性好。
• 钨钼系高速钢典型牌号为W6Mo5Cr4V2,目前正在取代钨系高速钢,具有碳化物细小分布均匀,耐磨性高,成本低等一系列优点。
热处理硬度同上,抗弯强度达4700MPa,韧性及热塑性比w18Cr4V提高50%。
常用于制造各种工具,例如钻头、丝锥、铣刀、铰刀、拉刀、齿轮刀具等,可以满足加工一般工程材料的要求。
只是它的脱碳敏感性稍强。
另一牌号的普通高速钢为W9Mo3Cr4V,这是中国近几年发展起来的新品种。
强度及热塑性略高于W6Mo5Cr4V2,硬度为HRC63-64,与韧性相配合,容易轧制、锻造,热处理工艺范围宽,脱碳敏感性小,成本更低。
这三个牌号的普通高速钢在中国市场的比例分别为:W18Cr4V,16.5%;W6Mo5Cr4V2, 69%;W9Mo3Cr4V,11%。
高性能高速钢高性能高速钢具有更好的硬度和热硬性,这是通过改变高速钢的化学成分,提高性能而发展起来的新品种。
它具有更高的硬度、热硬性,切削温度达摄氏650度时,硬度仍可保持在60HRC以上。
耐用性为普通高速钢的1.5-3倍,适用于制造加工高温合金、不锈钢、钛合金、高强度钢等难加工材料的刀具。
一、车刀材料在切削过程中,刀具的切削部分要承受很大的压力、摩擦、冲击和很高的温度。
因此,刀具材料必须具备高硬度、高耐磨性、足够的强度和韧性,还需具有高的耐热性(红硬性),即在高温下仍能保持足够硬度的性能。
常用车刀材料主要有高速钢和硬质合金。
1.高速钢高速钢又称锋钢、是以钨、铬、钒、钼为主要合金元素的高合金工具钢。
高速钢淬火后的硬度为HRC63~67,其红硬温度550℃~600℃,允许的切削速度为25~30m/min。
高速钢有较高的抗弯强度和冲击韧性,可以进行铸造、锻造、焊接、热处理和切削加工,有良好的磨削性能,刃磨质量较高,故多用来制造形状复杂的刀具,如钻头、铰刀、铣刀等,亦常用作低速精加工车刀和成形车刀。
常用的高速钢牌号为W18Cr4V和W6Mo5Cr4V2两种。
2.硬质合金硬质合金是用高耐磨性和高耐热性的WC(碳化钨)、TiC(碳化钛)和Co(钴)的粉末经高压成形后再进行高温烧结而制成的,其中Co起粘结作用,硬质合金的硬度为HRA89~94(约相当于HRC74~82),有很高的红硬温度。
在800~1000℃的高温下仍能保持切削所需的硬度,硬质合金刀具切削一般钢件的切削速度可达100~300m/min,可用这种刀具进行高速切削,其缺点是韧性较差,较脆,不耐冲击,硬质合金一般制成各种形状的刀片,焊接或夹固在刀体上使用。
常用的硬质合金有钨钴和钨钛钴两大类:(1)钨钴类(YG)由碳化钨和钴组成,适用于加工铸铁、青铜等脆性材料。
常用牌号有YG3、YG6、YG8等,后面的数字表示含钴量的百分比,含钴量愈高,其承受冲击的性能就愈好。
因此,YG8常用于粗加工,YG6和YG3常用于半精加工和精加工。
(2)钨钛钴类(YT)由碳化钨、碳化钛和钴组成,加入碳化钛可以增加合金的耐磨性,可以提高合金与塑性材料的粘结温度,减少刀具磨损,也可以提高硬度;但韧性差,更脆、承受冲击的性能也较差,一般用来加工塑性材料,如各种钢材。
高速钢的分类、性能及用途高速钢是含有W、Mo、Cr等合金元素较多的合金工具钢。
热处理后的硬度为62-66HRC,抗弯强度约为3.3GPa,耐热性为600℃左右。
它具有热处理变形小、能锻造、易磨出较锋利的刃口等优点。
高速钢的应用范围很广,使用量约占刀具材料总量的60%-70%,特别适合于制造各种形状复杂的刀具和精加工刀具,如各类孔加工刀具、铣刀、拉刀、螺纹刀具、切齿刀具等。
高速钢按基本化学成分分为钨系和钨钼系两大类;按性能可分为普通高速钢(通用型高速钢)和高性能高速钢;按制造工艺方法的不同可分为熔炉高速钢和粉末冶金高速钢。
下面我们来看下常用高速的分类、性能以及用途:通用高速钢钢号:W18Cr4V(W18)硬度HRC:62-65抗弯强度/GPa:3.0-3.4冲击韧性/(MJm2):0.18-0.32600℃时的硬度HRC:48.5特点:强度较好,可磨性好,可用普通钢玉砂轮磨削,耐热性中等,热塑性差主要用途:通用性强,广泛用于制造钻头、铰刀、丝锥、铣刀、齿轮刀具及拉刀等高性能高速钢钢号:W6Mo5Cr4V2(M2)硬度HRC:63-66抗弯强度/GPa:3.5-4.0冲击韧性/(MJm2):0.30-0.40600℃时的硬度HRC:47-48特点:强度高,热塑性好,耐热性、可磨性稍次于W18Cr4V,可用普通钢玉砂轮磨削主要用途:适用于制作热成形刀具和承受冲击、结构薄弱的刀具钢号:W14Cr4VMnRE硬度HRC:64-66抗弯强度/GPa:约4.0冲击韧性/(MJm2):约0.31600℃时的硬度HRC:50.5特点:强度高,热塑性好,耐热性、可磨性稍次于W18Cr4V,可用普通钢玉砂轮磨削主要用途:切削性能与W18Cr4V相当,适于制作热轧刀具钢号:W9Mo3Cr4V硬度HRC:65-66.5抗弯强度/GPa:4.0-4.5冲击韧性/(MJm2):0.35-0.40600℃时的硬度HRC:无特点:耐热性、热塑性、热处理性能均较好,综合性能优于W18与M2主要用途:刀具寿命较长,用于制作加工普通轻合金、钢和铸铁的刀具钢号:高碳高钒/W12Cr4V4Mo(EV4)、W6Mo5Cr4V3(M3)、W9Cr4V5硬度HRC:65-67、65-67、63-66抗弯强度/GPa:约3.2、约3.2、约3.2冲击韧性/(MJm2):约0.245、约0.25、约0.25600℃时的硬度HRC:51.7、51.7、51特点:硬度及耐磨性高,但强度及韧性较低,耐热性比通用型高速钢高。
常用高速钢牌号和主要用途的简介一、通用型高速钢1、W18Cr4V(W18)综合性能好、通用性强、可磨削性强,主要用于制造轻合金、碳素钢、合金钢、普通铸铁的精加工和复杂刀具,如螺纹车刀、钻头、铰刀、丝锥、铣刀、齿轮刀具、拉刀等。
2、W6Mo5Cr4V2(M2)强度和韧性略高于W18Cr4V,主要用于制造要求热塑性好的刀具和受大冲击载荷的刀具。
3、W14cr4VMnXt切削性能与W18Cr4V相当,热塑性好,适用于制造热轧刀具。
二、特殊用途高速钢1、W12Cr4V4Mo(EV4)和W6Mo5Cr4V3(M3)属于高钒高速钢,耐磨性好,适合切削对刀具磨损极大的材料,如纤维、硬橡胶、塑料等;也可用于加工不锈钢、高强度钢和高温合金等材料。
2、W6Mo5Cr4V2Co8(M36)、W12Cr4V5Co5(T15)和W12Mo3Cr4V3Co5Si硬度和耐磨性好,适合于加工耐热不锈钢、高温合金、高强度钢等难加工材料,适于制造钻头、滚刀、拉刀、和铣刀等3、W2Mo9Cr4VCo8(M42)、W10Mo4Cr4V3Co10和W7Mo4Cr4V2Co5(M41)属含钴超硬高速钢,有很高的硬度,适合于加工高强度耐热钢、高温合金、钛合金等难加工材料。
M42可磨削性能,适合于制造精密复杂刀具,但不宜在冲击切屑条件下工作。
4、W6Mo5Cr4V2Al(501)和W10Mo4Cr4V3Al(5F-6)属含铝超硬高速钢,切削性能相当于M42,适宜制造铣刀、钻头、铰刀、齿轮刀具、拉刀等,用于加工合金钢、不锈钢、高强度和高温合金等材料5、W6Mo5Cr4V5SiNbAl(B201)、W18Cr4SiNbAl(B212)和W12Mo3Cr4V3SiNbAl属于SiNbAl超高硬高速钢,B201硬度和韧性较好,适合于加工不锈钢、耐热钢和高强钢;B212硬度很高,可加工高温合金、奥氏体不锈钢和硬度40~50HRC以下的淬火工作。
6、9W18Cr4V(9W18)和9W6Mo5Cr4V2(cm2)属高碳高速钢,常温和高温硬度较高,适于制造加工普通钢和铸铁等耐磨性要求较高的钻头、铰刀、丝锥和铣刀等或加工硬材料刀具,不宜承受较大的冲击。
各种钢的特性及用途不同种类的钢具有不同的特性和用途。
以下是一些常见钢材的特性及其用途的说明:1.碳钢:碳钢是其中最常见的一种钢,含有少量的碳和其他合金元素。
它通常具有较高的强度和硬度,并且相对便宜。
碳钢常用于建筑、机械制造、汽车工业、船舶制造等领域。
2.不锈钢:不锈钢由铁、铬、镍及其他合金元素组成。
它具有抗腐蚀性和耐高温的特点,并且易于清洁。
因此,不锈钢常被用于厨具、酒店用具、医疗器械、化学工业、航空航天工业等。
3.工具钢:工具钢是针对特定工具、模具和刀具设计的高速钢。
它具有优异的硬度、切削性能和耐磨性,常常用于制作刀片、冲模、冷热剪模和钢珠等。
4.被热处理钢:被热处理钢是一种经过热处理后具有高强度和耐磨性的钢。
它常用于制造工程机械、轴承、武器、摩托车零件等。
5.高速钢:高速钢是一种特殊的合金钢,含有钌、钨、钼、钴等合金元素。
它具有优异的耐磨性、硬度和耐高温性能,常用于制造切削工具,如钻头、铣刀等。
6.合金钢:合金钢是指通过添加一定数量的合金元素来改善钢的特性的钢材。
根据所添加的合金元素,合金钢可以分为多种类型,如铬钼钢、铬镍钼钢、铬钢等。
合金钢常用于汽车零部件、航空航天设备、石油化工设备等领域。
7.铸造钢:铸造钢是通过溶解和浇铸的方式制造的钢材。
它具有出色的可塑性和施工性能,常用于建筑、工程机械、矿山机械等。
8.不磁钢:不磁钢是一种特殊的合金钢,具有极低的磁导率和高的电阻率。
它常用于制造精密仪器、电子设备和航天器等。
9.耐热钢:耐热钢是一种专门设计用于耐高温环境的钢材。
它具有较高的耐热性、热震稳定性和耐蚀性,广泛应用于石油炼化、电力、冶金等行业的高温设备中。
10.高强度低合金钢:高强度低合金钢是一种具有较高强度和较低含碳量的钢材。
它常用于制造桥梁、建筑结构、汽车零部件等。
以上只是一些常见钢材的特性及用途的介绍,实际上还有许多其他类型的钢材。
不同种类的钢材根据其特性和用途,可以满足不同领域的需求。
ash8钢热处理工艺Ash8钢是一种常用的高速钢,广泛应用于刀具、模具和轴承等领域。
而钢材的热处理工艺对于提高其性能和延长使用寿命起着至关重要的作用。
本文将对Ash8钢的热处理工艺进行详细介绍。
热处理是通过控制材料的加热、保温和冷却过程,使其发生组织结构和性能的改变,以达到满足特定要求的目的。
针对Ash8钢,常用的热处理工艺包括退火、正火和淬火等。
首先是退火工艺。
退火是通过将材料加热到一定温度,然后缓慢冷却至室温,以消除材料内部的应力和结构缺陷,提高材料的塑性和韧性。
对于Ash8钢,退火温度通常在800-900摄氏度之间,保温时间根据材料的厚度而定,一般为1-2小时。
退火后,需要对材料进行适当的冷却,可以选择空气冷却或慢速冷却。
退火后的Ash8钢具有较好的塑性和加工性能,适用于刀具和模具等领域。
其次是正火工艺。
正火是通过将材料加热到临界温度,然后迅速冷却,以使材料组织变得致密,提高硬度和耐磨性。
对于Ash8钢,正火温度一般在850-950摄氏度之间,保温时间根据材料的厚度而定,一般为1-2小时。
正火后,需要进行适当的冷却,可以选择空气冷却或慢速冷却。
正火后的Ash8钢具有较高的硬度和耐磨性,适用于刀具和轴承等领域。
最后是淬火工艺。
淬火是通过将材料加热到临界温度,然后迅速冷却,以使材料组织变得致密,提高硬度和耐磨性。
对于Ash8钢,淬火温度一般在1000-1050摄氏度之间,保温时间根据材料的厚度而定,一般为1-2小时。
淬火后,需要进行适当的冷却,常用的冷却介质有油、水和盐等。
淬火后的Ash8钢具有较高的硬度和耐磨性,适用于刀具和模具等领域。
除了以上三种常用的热处理工艺,还可以根据具体需求进行多道次的热处理,如多次正火、正火+回火等。
这些工艺可以进一步改善材料的性能,提高其使用寿命。
Ash8钢的热处理工艺是提高其性能和延长使用寿命的关键。
通过合理选择退火、正火和淬火等工艺,可以获得具有优异性能的Ash8钢材料。
高钴高速钢的材质代码
高钴高速钢是一种高性能的切削工具钢,它的材质代码通常以M 开头。
其中,M2是最常用的高钴高速钢,它的材质代码为W6Mo5Cr4V2。
其中,W表示该钢材为合金钢,6表示该合金钢中含有6%的钨元素,Mo表示该合金钢中含有5%的钼元素,5表示该合金钢中含有5%
的铬元素,Cr表示该合金钢中含有4%的钴元素,V表示该合金钢中
含有2%的钒元素。
此外,还有许多其他的高钴高速钢,它们的材质代码也以M开头,不同的是其合金元素的含量和种类不同。
这些高钴高速钢具有高硬度、高强度、高耐磨性和高耐热性等优良性能,被广泛应用于机械加工行业中的各种刀具、钻头、铣刀等切削工具的制造中。
- 1 -。
W18Cr4V为钨系高速钢,具有高的硬度、红硬性及高温硬度。
其热处理范围较宽淬火不易过热,热处理过程不易氧化脱碳,磨削加工性能较好。
该钢在500℃及600℃时硬度分别保持在HRC63~64及HRC62~63,对于大量的、一般的被加工材料具有良好的切削性能。
简介:1、W18Cr4v,常用的钨系高速钢的一种,它属于莱氏体钢,是高速钢应用最长久的一种。
和其它高速钢一样,常被称为"白钢"、"锋钢"或"风钢"(空冷即可淬火)。
2、化学成分(GB/T 9943-2008《高速工具钢》):含碳量0.7--0.8%,含钨量17.5--19%,含铬量3.80--4.4%,含钒量1.0--1.4%,含硅量小于0.4%,含锰量小于0.4%,含钼量小于0.3%。
3、红硬性:切削温度540度时,硬度可保持HRC66;切削温度600度时,硬度可保持HRC63。
4、优点:通用性强,工艺成熟。
5、缺点:碳化物偏析严重,热塑性低,刀具硬度和红硬性满足不了加工特硬和特韧材料。
合金元素含量多,成本高。
6、切削速度:80米/秒(600摄氏度)。
7、用途:形状复杂的小型刀具。
8、W18Cr4V钢的性质与加工工艺高速钢(HSS)是一种具有高硬度、高耐磨性和高耐热性的工具钢,又称高速工具钢或锋钢,俗称白钢。
高速钢是美国的F.W.泰勒和M.怀特于1898年创制的。
钨系和钼系高速钢经正确的热处理后,洛氏硬度能达到63以上,钴系高速钢在65以上。
钢材的酸浸低倍组织不得有肉眼可见的缩孔、翻皮。
中心疏松,一般疏松应小于1级。
常用高速钢介绍
高速钢是一种含多量碳(C)、钨(W)、钼(Mo)、铬(Cr)、钒(V)等元素的高合金钢,热处理后具有高热硬性。
当切削温度高达600℃以上时,硬度仍无明显下降,用其制造的刀具切削速度可达每分钟60米以上,而得其名。
高速钢按化学成分可分为普通高速钢及高性能高速钢,按制造工艺可分为熔炼高速钢及粉末冶金高速钢。
普通高速钢
高速钢是制造形状复杂、磨削困难的刀具的主要材料。
普通高速钢可满足一般需求。
常见的普通高速钢有两种,钨系高速钢和钨钼系高速钢。
钨系高速钢典型牌号为W18Cr4V,热处理硬度可达63-66HRC,抗弯强度可达3500MPa,可磨性好。
钨钼系高速钢
典型牌号为W6Mo5Cr4V2,目前正在取代钨系高速钢,具有碳化物细小分布均匀,耐磨性高,成本低等一系列优点。
热处理硬度同上,抗弯强度达4700MPa,韧性及热塑性比w18Cr4V提高50%。
常用于制造各种工具,例如钻头、丝锥、铣刀、铰刀、拉刀、齿轮刀具等,可以满足加工一般工程材料的要求。
只是它的脱碳敏感性稍强。
另一牌号的普通高速钢为W9Mo3Cr4V,这是中国近几年发展起来的新品种。
强度及热塑性略高于W6Mo5Cr4V2,硬度为HRC63-64,与韧性相配合,容易轧制、锻造,热处理工艺范围宽,脱碳敏感性小,成本更低。
这三个牌号的普通高速钢在中国市场的比例分别为:W18Cr4V,16.5%W6Mo5Cr4V2,69%;W9Mo3Cr4V,11%。
高性能高速钢
高性能高速钢具有更好的硬度和热硬性,这是通过改变高速钢的化学成分,提高性能而发展起来的新品种。
它具有更高的硬度、热硬性,切削温度达摄氏650度时,硬度仍可保持在60HRC以上。
耐用性为普通高速钢的1.5-3倍,适用于制造加工高温合金、不锈钢、钛合金、高强度钢等难加工材料的刀具。
主要品种有4种,分别为高碳系高速钢、高钒系高速钢、含钴系高速钢和铝高速钢。
高碳系高速钢
牌号为9w18Cr4V,因含碳量高(0.9%),故硬度、耐磨性及热硬性都比较好。
用其制造的刀具在切削不锈钢、耐热合金等难加工材料时,寿命显著提高,但其抗弯强度为3000MPa,冲击韧性较低,热处理工艺要求严格。
高钒系高速钢
牌号有W12Cr4V4Mo及W6Mo5Cr4V3(美国牌号M3),含钒量达3-4%,使耐磨性大大提高,但随之带来的是可磨性变差。
高钒系高速钢的使用及发展还需要依赖于磨削工艺及砂轮技术的发展。
钴高速钢
牌号有W2Mo9Cr4VCo8(美国牌号M42)。
其特点为:含钒量不高(1%),含钴量高(8%),钴能促使碳化物在淬火加热时更多地溶解在基体内,利用高的基体硬度来提高耐磨性。
这种高速钢硬度、热硬性、耐磨性及可磨性都很好。
热处理硬度可达67-70HRC,但也有采取特殊热处理方法,得到67-68HRC硬度,使其切削性能(特别是间断切削)得到改善,提高冲击韧性。
钴高速钢可制成各种刀具,用于切削难加工材料效果很好,又因其磨削性能好,可制成复杂刀具,国际上用得很普遍。
但中国钴资源缺乏,钴高速钢价格昂贵,约为普通高速钢的5-8倍。
铝高速钢
牌号为W6Mo5Cr4V2Al、W6Mo5Cr4V5SiNbAl等,主要加入铝(Al)和硅(Si)、铌(Nb)元素,来提高热硬性、耐磨性。
适合中国资源情况,价格较低。
热处理硬度可达到68HRC,热硬
性也不错。
但是这种钢易氧化及脱碳,可塑性、可磨性稍差,仍需改进。
国际市场上高性能高速钢使用量已经超过普通高速钢25-30%。
粉末冶金高速钢
粉末冶金高速钢生产过程较复杂,造价较高。
中国钢厂提供的品种较少,市场用量也很少。
国际上著名钢厂如美国Crucible公司已可提供近二十种粉末冶金高速钢,日本神户制钢所、日立金属公司均可提供近十种粉末冶金高速钢,供应量也在迅速增长。
日本著名的OSG 公司用粉末冶金高速钢制造了钻头、铣刀、丝锥,NACHI公司制造了滚刀、插齿刀、剃齿刀。
有理由相信技术性能高的粉末冶金高速钢将会得到更广泛的应用,为金属加工业带来新的发展。