泄洪隧洞设计范本
- 格式:doc
- 大小:172.00 KB
- 文档页数:25
某水库旋流泄洪隧洞设计探讨旋流泄洪隧洞目前未形成完善的理论体系,文章以某水库旋流泄洪隧洞通过半理论及模型试验,利用旋转水流的离心力形成空腔,增大洞壁压力和水力摩阻,达到泄洪消能的目的。
标签:水工结构;旋流泄洪隧洞;设计1、工程概况某水库枢纽主体工程包括水库大坝、坝顶溢洪道、放空管和电站,该水利枢纽工程大坝原设计为重力坝。
水库坝址以上集雨面积39.4km2,正常库容979万m3,总库容1152万m3,拟建大坝最大坝高为58.50m,泄水建筑物采用旋流泄洪隧洞,工程等别为Ⅲ等。
2、隧洞结构设计2.1 涡室与引水道连接段本工程采用水流条件较好、竖井段不易出现负压、体形设计及施工相对简单的椭圆收缩型连接形式。
根据以往工程模型试验的经验:椭圆曲线短半轴:b=(1.5~2.0)B;椭圆曲线长半轴:椭圆曲线与涡室圆弧切点(x,y):,式中:Rw—涡室半径,(Rw=1.2~1.4)R,(R为竖井半径,其计算见后),B—引水道与涡室连接处宽度,4.5m,K—椭圆中心至涡室圆心距离,若计算值x>a,则取x=a,y=0,或重新设k值。
该水库基本遵循以上经验公式计算成果,局部根据工程实际情况作细微调整,经计算及绘图研究,a=12.0m,b=6.0m,x=12.0,y=0。
2.2 涡室及竖井直径竖井直径设计根据前人研究经验,按下式估算:式中:k=Fr0.05,引水道行进流佛氏数,(沙牌水电站k=1.0 ~ 1.25);B,h—引水道宽度(4.5m)和水深(4.0m);D—竖井直径(m);Q—最大设计流量(135m3/s);g—重力加速度(9.8m/s2)。
经计算,k=0.992,竖井直径D=4.47m,本工程取D=4.50m。
涡室半径Rw=(1.2~1.4)R,(R为竖井半径,R=2.25m),几个工程试验表明,当引水道与涡室采用椭圆曲线连接时,可使涡室直径减小15%~20%,且在涡室内形成稳定的螺旋流流态,本工程取Rw=3.0m,即涡室直径Dw=6.0m。
FJD32020FJD水利水电工程技术设计阶段泄洪隧洞设计大纲范本水利水电勘测设计标准化信息网1999年3月1工程技术设计阶段泄洪隧洞设计大纲主编单位:主编单位总工程师:参编单位:主要编写人员:软件开发单位:软件编写人员:勘测设计研究院年月2目次1. 引言 (4)2. 设计依据文件和规范 (4)3. 基本资料 (4)4 设计原则与假定 (6)5.水力设计 (7)6.稳定分析 (12)7.结构设计 (13)8.细部设计 (14)9.临时及永久支护处理 (14)10.构造设计 (15)11.灌浆设计 (15)12.抗磨损、防空蚀设计 (16)13.消能防冲设计 (16)14.专题研究 (16)15.观测设计 (16)16.工程量计算 (17)17.设计成果 (17)31 引言工程位于,是以为主,、、等综合利用的水利水电枢纽工程。
坝,最大坝高 m。
电站装机容量 MW ,保证出力 MW,年发电量 104 kW·h,总库容亿m3。
本工程可行性研究报告于年月审查通过。
选定坝址为。
泄洪建筑物有、、。
泄洪隧洞为。
2 设计依据文件和规范2.1 有关工程文件(1)工程可行性研究报告;(2)工程可行性研究报告审批文件;(3)技术设计任务书;(4)工程可行性研究阶段水工模型试验报告;(5)可行性研究阶段中间报告及审批文件;(6)有关专题报告。
2.2 主要设计规范(1)SD 134—84 水工隧洞设计规范(2)SDJ 12—78 及水利水电枢纽工程等级划分及设计标准(试行)及补充规定SDJ 217—87(3)GB 50201-94 防洪标准(4)SDJ 20—78 水工钢筋混凝土结构设计规范(5)SDJ 10—78 水工建筑物抗震设计规范(6)SL 47—94 水工建筑物岩石基础开挖工程施工技术规范(7)SL 62—94 水工建筑物水泥灌浆施工技术规范(8)SDJ 57—85 水利水电地下工程锚喷支护施工技术规范(9)SL 46—94 水工预应力锚固施工规范(10)GBJ 86-85 锚杆喷射混凝土支护技术规范(11)(88)水规设字水利水电工程设计工程量计算规定(试行)第8号3 基本资料3.1 工程等别及建筑物级别4根据可行性研究成果,本工程为等工程,泄洪洞为级建筑物。
目录第1章工程综合说明......................................................................................................................................... - 7 -1.1工程概况 (7)1.2施工条件 (7)1.2.1水文气象......................................................................................................................................... - 7 -1.2.2工程地质条件................................................................................................................................. - 8 -1.2.3其它条件....................................................................................................................................... - 10 -1.3本合同工程主要工程量表 (10)1.4工期要求 (14)第2章施工总体规划....................................................................................................................................... - 15 -2.1编制依据 (15)2.2施工总体目标 (15)2.2.1工期目标....................................................................................................................................... - 15 -2.2.2质量目标....................................................................................................................................... - 15 -2.2.3安全目标....................................................................................................................................... - 15 -2.2.4环境保护及文明施工目标........................................................................................................... - 15 -2.3本工程施工的重点及对策 (16)2.4施工规划 (17)2.4.1施工规划原则............................................................................................................................... - 17 -2.4.2施工总程序................................................................................................................................... - 18 -2.5施工概要 (20)第3章施工总平面布置................................................................................................................................... - 23 -3.1布置依据及原则 (23)3.1.1布置依据....................................................................................................................................... - 23 -3.1.2布置原则....................................................................................................................................... - 23 -3.2施工场地及交通 (23)3.2.1场地布置....................................................................................................................................... - 23 -3.2.2施工交通....................................................................................................................................... - 24 -3.3生活、办公、福利设施 (24)3.4施工供风和通风 (25)3.4.1施工供风....................................................................................................................................... - 25 -3.4.2通风 .............................................................................................................................................. - 26 -3.5施工供水 (26)3.5.1水源 .............................................................................................................................................. - 26 -3.5.2供水方案....................................................................................................................................... - 26 -3.5.3供水管网敷设............................................................................................................................... - 27 -3.5.4消防 .............................................................................................................................................. - 27 -3.5.5资源配置....................................................................................................................................... - 27 -3.6施工供电、通讯、照明 (27)3.6.1电源 .............................................................................................................................................. - 27 -3.6.2用电负荷....................................................................................................................................... - 27 -3.6.3低压电线电缆............................................................................................................................... - 28 -3.6.4防雷与接地................................................................................................................................... - 28 -3.6.5施工照明....................................................................................................................................... - 29 -3.6.6通讯 .............................................................................................................................................. - 29 -3.7混凝土拌和系统 (30)3.7.1系统说明....................................................................................................................................... - 30 -3.7.2拌和系统生产能力确定............................................................................................................... - 30 -3.7.3设备选型....................................................................................................................................... - 30 -3.7.4水泥储运....................................................................................................................................... - 31 -3.7.7试验室 .......................................................................................................................................... - 31 -3.7.8系统资源配置............................................................................................................................... - 31 -3.8综合加工厂 (32)3.8.1钢筋加工厂................................................................................................................................... - 32 -3.8.2木材模板加工厂........................................................................................................................... - 33 -3.9仓储系统 (34)3.9.1综合仓库....................................................................................................................................... - 34 -3.9.2油库 .............................................................................................................................................. - 35 -3.9.3火工材料库................................................................................................................................... - 35 -3.10机械修配厂及设备停放场 (35)第4章施工进度计划....................................................................................................................................... - 37 -4.1编制原则 (37)4.2施工总进度计划 (37)4.3施工进度计划 (37)4.3.1施工工期....................................................................................................................................... - 37 -4.3.2施工关键线路............................................................................................................................... - 38 -4.4工期承诺 (38)4.5施工工期保证措施 (38)4.6工期延误预案 (41)第5章施工组织结构....................................................................................................................................... - 42 -5.1施工组织机构及组织措施 (42)5.1.1施工组织机构设置....................................................................................................................... - 42 -5.1.2施工管理机构主要职责............................................................................................................... - 43 -5.1.3主要施工管理人员配置............................................................................................................... - 45 -5.1.4主要管理措施............................................................................................................................... - 45 -5.2人员配置 (46)5.3主要材料供应 (47)5.4主要机械设备配置及进场计划 (47)5.5项目组织机制的管理目标及管理制度 (47)5.6项目管理机制 (48)第6章施工测量及检验、试验....................................................................................................................... - 52 -6.1施工测量 (52)6.1.1平面控制....................................................................................................................................... - 52 -6.1.2控制网的布设............................................................................................................................... - 53 -6.1.3施工测量放样............................................................................................................................... - 53 -6.1.4测量资料提交............................................................................................................................... - 54 -6.1.5施工过程中测量措施计划........................................................................................................... - 54 -6.1.6测量人员组织、设备配置........................................................................................................... - 54 -6.2检验、试验 (55)6.2.1原材料试验、检验....................................................................................................................... - 55 -6.2.2混凝土配合比试验....................................................................................................................... - 56 -6.2.3混凝土质量检测........................................................................................................................... - 58 -6.2.4生产性爆破试验........................................................................................................................... - 59 -6.2.5锚杆注浆密实度检测................................................................................................................... - 60 -6.2.6喷混凝土试验............................................................................................................................... - 60 -6.2.7灌浆生产性试验........................................................................................................................... - 61 -第7章施工导流与水流控制........................................................................................................................... - 62 -7.1施工导流说明 (62)7.2.2水流控制....................................................................................................................................... - 62 -7.3防洪度汛及排水 (63)7.3.1施工期度汛措施........................................................................................................................... - 63 -7.3.2永久和临时建筑物防护............................................................................................................... - 63 -7.3.3生活区、施工区防汛措施........................................................................................................... - 63 -7.4导流洞封堵施工 (64)7.4.1混凝土施工................................................................................................................................... - 64 -7.4.2灌浆施工....................................................................................................................................... - 65 -7.4.3温控措施....................................................................................................................................... - 65 -第8章土石方明挖及支护工程....................................................................................................................... - 66 -8.1概述 (66)8.2施工布置 (66)8.3土石方明挖 (66)8.3.1土方明挖....................................................................................................................................... - 66 -8.3.2石方明挖....................................................................................................................................... - 67 -8.3.3开挖有用料利用管理措施........................................................................................................... - 70 -8.3.4边坡稳定监测............................................................................................................................... - 70 -8.4支护工程施工 (70)8.4.1砂浆锚杆....................................................................................................................................... - 70 -8.4.2钢筋挂网施工............................................................................................................................... - 71 -8.4.3喷射混凝土施工........................................................................................................................... - 71 -8.5土方回填施工 (75)第9章洞挖及支护工程................................................................................................................................... - 76 -9.1概述 (76)9.1.1工程概况....................................................................................................................................... - 76 -9.1.2施工规划....................................................................................................................................... - 76 -9.2洞挖施工布置 (76)9.3隧洞开挖 (78)9.3.1开挖施工工艺流程....................................................................................................................... - 78 -9.3.2石方洞挖....................................................................................................................................... - 79 -9.3.3围岩地质不同段开挖................................................................................................................... - 82 -9.3.4塌方预防措施及处理的措施....................................................................................................... - 83 -9.4支护工程 (85)9.4.1砂浆锚杆施工............................................................................................................................... - 85 -9.4.2钢筋挂网施工............................................................................................................................... - 85 -9.4.3喷射混凝土施工........................................................................................................................... - 85 -9.4.4管棚支护施工............................................................................................................................... - 86 -9.4.5钢支撑制作安装........................................................................................................................... - 86 -9.5竖井井挖施工 (88)9.5.1竖井开挖....................................................................................................................................... - 88 -9.5.2出渣 .............................................................................................................................................. - 89 -9.6施工期监测 (89)9.6.1地质和初期支护状态观测........................................................................................................... - 89 -9.6.2地质超前预报............................................................................................................................... - 89 -9.6.3边位移量测................................................................................................................................... - 90 -9.6.4顶拱下沉量测............................................................................................................................... - 90 -第10章混凝土工程....................................................................................................................................... - 91 -10.1工程概况 (91)10.1.1工程范围 .................................................................................................................................. - 91 -10.2.1混凝土施工区段划分 .............................................................................................................. - 91 -10.2.2施工机械布置 .......................................................................................................................... - 92 -10.3钢筋工程 (92)10.4模板工程 (93)10.4.1模板选型 .................................................................................................................................. - 93 -10.4.2一般模板安装要求 .................................................................................................................. - 93 -10.4.3模板施工质量保证措施........................................................................................................... - 94 -10.4.4模板表面的保护涂料施工工艺............................................................................................... - 94 -10.5施工程序及施工方法 (94)10.6隧洞洞身混凝土衬砌 (95)10.7竖井及闸室施工 (96)10.8止水、排水及伸缩缝 (98)10.8.1施工方法 .................................................................................................................................. - 98 -10.8.2混凝土浇筑过程中的止水保护............................................................................................... - 98 -10.8.3各种预埋管安装 ...................................................................................................................... - 98 -10.9导流洞封堵施工 (98)10.10交通桥施工 (99)10.11混凝土施工工艺 (99)10.11.1混凝土运输 .............................................................................................................................. - 99 -10.11.2混凝土下料平仓振捣 ............................................................................................................ - 100 -10.11.3施工缝处理 ............................................................................................................................ - 100 -10.11.4混凝土养护 ............................................................................................................................ - 101 -10.12混凝土质量控制 (101)10.12.1混凝土质量控制 .................................................................................................................... - 101 -10.12.2原材料质量控制 .................................................................................................................... - 101 -10.12.3新拌混凝土检测与控制......................................................................................................... - 102 -10.12.4混凝土施工质量检测 ............................................................................................................ - 103 -10.12.5混凝土的保护及养护 ............................................................................................................ - 104 -第11章钻孔与灌浆..................................................................................................................................... - 105 -11.1施工布置 (105)11.1.1制浆、供浆系统 .................................................................................................................... - 105 -11.1.2风、水、电布置 .................................................................................................................... - 105 -11.1.3钻孔 ........................................................................................................................................ - 105 -11.2灌浆材料 (105)11.3灌浆施工程序 (105)11.4回填灌浆 (105)11.4.1施工工艺 ................................................................................................................................ - 105 -11.4.2施工方法 ................................................................................................................................ - 106 -11.4.3回填灌浆质量检查 ................................................................................................................ - 106 -11.4.4特殊情况处理 ........................................................................................................................ - 106 -11.5固结灌浆 (107)11.6专项质量保证措施 (108)第12章金属结构设备及安装工程.............................................................................................................. - 110 -12.1概述 (110)12.2金结构安装流程框图 (110)12.3拦污栅安装 (111)12.4启闭机安装 (112)12.4.1安装准备 ................................................................................................................................. - 112 -12.4.2埋件安装 ................................................................................................................................. - 112 -12.4.3液压启闭机安装 ..................................................................................................................... - 113 -12.5弧型闸门安装 (118)12.6平板闸门安装 (119)12.7钢板安装 (122)12.8钢管安装 (122)12.9手电闸阀安装 (123)12.10质量安全保证及环保措施 (123)12.10.1施工质量技术措施 ................................................................................................................ - 123 -12.10.2安全保证措施 ........................................................................................................................ - 124 -12.10.3环保证措施 ............................................................................................................................ - 125 -第13章房建工程......................................................................................................................................... - 126 -13.1工程概况 (126)13.2施工工艺 (126)13.3脚手架工程 (129)13.4模板工程 (130)13.5钢筋工程 (131)13.6混凝土工程 (131)13.7砖砌体工程 (131)13.8门窗工程 (136)13.9外墙涂料工程 (137)第14章施工质量管理体系及保证措施..................................................................................................... - 139 -14.1质量方针、目标、承诺 (139)14.1.1质量方针 ................................................................................................................................ - 139 -14.1.2质量目标 ................................................................................................................................ - 139 -14.1.3质量承诺 ................................................................................................................................ - 139 -14.2质量管理大纲 (139)14.2.1主要质量岗位职责 ................................................................................................................ - 139 -14.2.2质量保证制度 ........................................................................................................................ - 141 -14.2.3质量保证体系框架图 ............................................................................................................ - 141 -14.3质量管理保证措施 (142)14.4分项工程质量保证措施 (145)14.4.1开挖质量控制措施 ................................................................................................................ - 145 -14.4.2原材料检测试验 .................................................................................................................... - 147 -14.4.3混凝土浇筑施工质量控制措施............................................................................................. - 148 -14.4.4灌浆施工质量控制措施......................................................................................................... - 150 -14.4.5喷锚支护质量控制措施......................................................................................................... - 150 -14.4.6金属结构安装质量保证措施................................................................................................. - 151 -14.4.7雨季施工质量保证措施......................................................................................................... - 152 -14.4.8房屋建筑质量保证措施......................................................................................................... - 152 -第15章安全管理保证措施......................................................................................................................... - 154 -15.1安全管理方针、目标 (154)15.1.1安全生产方针 ........................................................................................................................ - 154 -15.1.2安全生产目标 ........................................................................................................................ - 154 -15.2安全管理原则 (154)15.3安全管理机构及职责 (155)15.3.1安全管理组织机构 ................................................................................................................ - 155 -15.3.2各成员主要职责 .................................................................................................................... - 155 -15.4安全管理措施 (158)15.5安全生产保证措施 (161)15.6施工现场组织管理措施 (161)第16章环境保护及文明施工措施............................................................................................................. - 163 -16.1环境保护管理目标 (163)16.2环境保护体系及机构 (163)16.3环保制度 (163)16.4环保措施 (164)16.4.1环境保护措施计划 ................................................................................................................ - 164 -16.4.2环境保护综合措施 ................................................................................................................ - 164 -16.4.3环境保护专项措施 ................................................................................................................ - 164 -16.5文明施工保证措施 (167)16.5.1文明施工的目标 .................................................................................................................... - 167 -16.5.2文明施工的组织机构 ............................................................................................................ - 168 -16.5.3文明施工的实施 .................................................................................................................... - 168 -16.5.4文明施工的考核与管理办法................................................................................................. - 169 -第17章附表及附图..................................................................................................................................... - 171 -17.1附表 (171)附表一拟投入本标段的主要施工设备表 ............................................................................................. - 171 -附表二拟投入本标段的试验和检测仪器设备表 ................................................................................. - 173 -附表三拟投入本标段的劳动力计划表 ................................................................................................. - 175 -附表四计划开工日期、完工日期和施工进度网络图 ......................................................................... - 176 -附表五施工总平面图 ............................................................................................................................. - 176 -附表六临时用地表 ................................................................................................................................. - 176 -17.2附图 (177)第1章工程综合说明1.1工程概况海马箐水库位于宜良县西北面马街镇西南面5km海马箐村附近的贾龙河上游,是一座以宜良县城生活供水和马街坝子、北羊街坝子、宜良坝子(近期为蓬莱片,远期为北古城片)的农田灌溉为主、兼有对下游河道防洪错峰作用的中型水库,水库总库容1610万m3,灌溉面积在阳宗海水质恢复前为3.735万亩,阳宗海水质恢复后为4.148万亩。
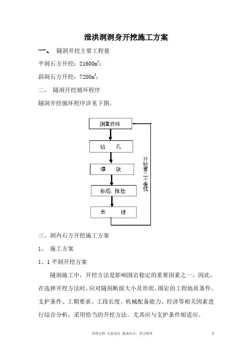
泄洪洞洞身开挖施工方案一、隧洞开挖主要工程量平洞石方开挖:21600m3;斜洞石方开挖:7200m3;二、隧洞开挖循环程序隧洞开挖循环程序详见下图。
三、洞内石方开挖施工方案1、施工方案1、1平洞开挖方案隧洞施工中,开挖方法是影响围岩稳定的重要因素之一。
因此,在选择开挖方法时,应对隧洞断面大小及形状、围岩的工程地质条件、支护条件、工期要求、工段长度、机械配备能力、经济等相关因素进行综合分析,采用恰当的开挖方法。
尤其应与支护条件相适应。
隧洞开挖方法实际上是指开挖成形方法。
按开挖隧洞的横断面分部情形来分,开挖方法可分为全断面开挖法、台阶开挖法,分部开挖法。
我项目部根据投入本工程的机械设备、劳动力和隧洞工程所处的地质条件隧洞断面较小等条件分析判断,决定采取分部开挖施工方法。
标准断面上部高度为4.3m,下部为4.2m,如图1;进口大断面分三层开挖,具体见图2。
用移动式排架(东风车上焊接排架操作平台)钻孔,非电毫秒导爆管雷管起爆,炸药选用2#岩石硝铵炸药或乳化炸药,出口ZL40装载机、进口用1m3液压挖掘机装车,5t自卸汽车运碴。
1.2、斜洞开挖方法斜洞开挖方法的选择:根据斜洞开挖断面尺寸大小、从方便施工等方面综合考虑,本工程斜洞开挖适合于采用先反井、后扩大开挖的方法。
斜洞井底与平洞相通,先反井、后扩大的开挖方法,正是利用井底的平洞作为出碴通道,工效高,速度快。
斜洞开挖方法示意图:先反井、后扩大开挖斜洞的施工顺序如下图所示:先导井、后扩大开挖调压井示意图施工顺序:①首先打通井底平洞,作为出碴通道。
②从平洞内自下而上地开挖导井,即反井。
③反井贯通后,再自上而下地扩挖成斜洞,此时,反井落碴,经平洞出碴。
从以上顺序可见,斜井开挖的关键是自下而上地开挖反井。
反井因反向独头开挖,作业条件差,为了使反井尽快贯通,反井的断面尺寸不宜太大,根据本工程的断面尺寸,适宜于采用直径3.0×2.5m 的城门断面。
导井开挖断面详见下图所示。
6.2泄洪洞设计6.2.1泄洪洞说明泄洪洞作为积石峡水电站的主要泄洪建筑物之一,为深孔无压式隧洞,主要任务为施工期的导流和水库运行期间的泄洪。
泄洪洞位于坝左岸,设计洪水位下泄流量为763.353/s ,校核洪水位下泄流量为797.17m 3/s 。
洞身横断面为10×13m 圆拱直墙型,衬砌厚度分别为1.0m 。
泄洪洞由引渠段、控制段、抛物线段、斜洞段、明渠段和出口消能段构成,分部设计如下。
6.2.2体型设计⑴引渠段桩号泄 0+000.00m 之前为泄洪洞的引渠段,用C25混凝土砌护。
⑵控制段桩号泄 0+000.00m 至泄 0+030.50m 为塔式进水口及闸室段。
进水口底板高程为1805.0m ,为有压短管式进水口。
塔顶平台高程为1864.07m ,与岸坡永久道路之间以5m 宽的工作桥相连,桥长为40m ,中间设置跨度为15m 的排架。
按《水工建筑物》中的式(8-2),进水口的顶板和边墙体形采用椭圆曲线,其方程为:12222=+by a x (6.7) 其中:a 为椭圆长半轴,对于顶板曲线约等于闸门处的孔口高度H ,对于边墙曲线约等于闸门处的孔口宽度B ;b 为椭圆的短半轴,对于顶板曲线约为H/3,对于边墙曲线约为(1/5~1/3)B 。
此处设计顶板和边墙的体形曲线同为:2222113.5 4.5x y += (6.8) 为了使短管型进水口具有良好的压力分布,顶板曲线的长轴仰角按工程经 验取为12°。
检修平板钢闸门孔口至弧形工作钢闸门孔口间的顶板压坡为1:4,压坡水平长度为5m 。
闸室段体形设计详图如下图所示:图6-1 泄洪洞进口详图⑶抛物线段桩号泄 0+030.50m 至泄 0+040.560m 为抛物线段。
深孔短管型进水口后的抛物线段底板曲线应符合射流曲线,并有一定的安全值,以便闸门在不同开度时均能保持一定的正压。
根据《水工建筑物》中的式(8-1),可求得抛物线底板的方程为:224x Hy φ= (6.9)式中:H ——工作闸门处孔口顶缘的最大设计水头,取30.72m ;Ψ——流速及保持边界正压的修正系数,一般在1.18~1.3范围内。
水利工程泄洪隧洞设计与施工方案一、引言随着经济的发展和人口的增加,水利工程的建设越来越重要。
而在水利工程中,泄洪隧洞作为一个重要的组成部分,对于保障水库的安全起着至关重要的作用。
因此,水利工程泄洪隧洞的设计与施工方案至关重要。
二、设计方案在设计水利工程泄洪隧洞时,需要考虑以下几个方面:1.确定泄洪隧洞的位置泄洪隧洞应该位于水库下游,方便液体流动和泄洪功能的实现。
同时,应考虑隧洞出口的位置,以便将洪水远离人口密集地区。
2.确定泄洪隧洞的尺寸泄洪隧洞的尺寸应根据水库的大小、设计泄洪量以及洪水的峰值流量来确定。
尺寸应合理,以确保水流能够顺畅流动,并且能够快速排放洪水,降低洪灾风险。
3.设计隧洞的内部结构隧洞内部结构设计应合理,以确保水的流动和泄洪的效果。
可以采用倒梯形、矩形或圆形等截面形状,根据具体情况选择最合适的形状。
此外,还可以设置泄洪口、泄洪闸门等设施,便于对洪水进行控制和管理。
4.考虑隧洞的稳定性泄洪隧洞的稳定性是设计的重要因素之一、需要考虑到地质、地下水位、地下水文等因素,选取合适的结构形式和材料,以确保隧洞的稳定性和安全性。
同时,在施工过程中需要进行有效的监测和控制,及时发现问题并采取相应措施。
三、施工方案在施工水利工程泄洪隧洞时,需要考虑以下几个方面:1.地质勘探和预处理在施工前需要进行地质勘探,确定地层、岩性、地下水位等情况。
根据勘探结果,进行合理的预处理,包括处理松散地层、加固岩石等,以确保施工的安全和顺利进行。
2.施工方法选择根据具体情况选择合适的施工方法。
可以采用盾构法、钻爆法、钻打法等。
需要考虑到施工效率、施工质量和施工安全等因素。
3.施工组织和管理在施工过程中,需要合理组织人员和机械设备,确保施工的有序进行。
同时,还需要进行有效的施工管理,包括施工进度的控制、施工质量的监督、安全问题的预防等。
4.施工质量控制在施工过程中,需要进行有效的质量控制。
包括材料的选择和检验、施工工艺的控制、工程结构的监测等。
隧洞设计说明书1毕业设计说明书班级:学生姓名:学号:指导教师:年月毕业设计题目:专题(子课题)题目:马鹿塘水库输水(导流)遂洞设计作者学校:年级班次:设计者:学号:指导教师:单位:职称:目录摘要.................................................................................. 错误!未定义书签。
前言.. (5)1、设计基本资料 (6)1.1工程地理位置 (6)1.2工程区概况和工程作用 (1)1.3输水(导流)遂洞地质条件 (3)2、水文基本资料 (3)2.1、自然地理概况 (3)2.2、流域概况 (4)2.3、水文气象 (4)2.4、径流 (5)3、输水(导流)遂洞设计 (10)3.1、隧洞选线与布置 (10)3.2、无压洞段的断面选取 (11)3.3、有压洞段的断面选取 (13)3.4、挑流消能段 (13)3.5、开度流量关系说明 (14)3.6、结构稳定 (15)4.6、出口段的断面选取 (18)4、输水(导流)遂洞计算 (19)4.1、无压段断面选取计算 (19)4.2、有压段断面选取计算 (22)4.3、消能计算 (22)4.4、输水(导流)遂洞水力计算 (24)4.5、结构稳定计算 (41)4.5.1、有压段结构稳定计算 (41)4.5.2、无压段结构稳定计算 (48)4.6、出口段水面线计算 (57)5、总结与体会 (58)相关标准和参考文献 (59)Abstract (60)英文文献及翻译 (62)摘要本设计是在我们即将结束大学四年的学习时进行的,设计囊括了四年来我们所学的各专业课程知识和基础知识,起到了总结与归纳的作用。
本设计的主要内容包括:水库枢纽布置中的输水(导流)遂洞设计。
本设计说明书中比较详细地论述了水工建筑物中的水工遂洞的布置原则、选择依据、各设计参数的计算方法及相关水利计算和结构等,并主要针对红河州金平县马鹿塘水库中的输水(导流)遂洞进行了初步的方案比较设计。
泄洪隧洞设计FJD32020FJD水利水电工程技术设计阶段泄洪隧洞设计大纲范本水利水电勘测设计标准化信息网1999年3月工程技术设计阶段泄洪隧洞设计大纲主编单位:主编单位总工程师:参编单位:主要编写人员:软件开发单位:软件编写人员:勘测设计研究院年月目次1. 引言 (4)2. 设计依据文件和规范 (4)3. 基本资料 (4)4 设计原则与假定 (6)5.水力设计 (7)6.稳定分析 (12)7.结构设计 (13)8.细部设计 (14)9.临时及永久支护处理 (14)10.构造设计 (15)11.灌浆设计 (15)12.抗磨损、防空蚀设计 (16)13.消能防冲设计 (16)14.专题研究 (16)15.观测设计 (16)16.工程量计算 (17)17.设计成果 (17)1 引言工程位于,是以为主,、、等综合利用的水利水电枢纽工程。
坝,最大坝高m。
电站装机容量MW,保证出力MW,年发电量104 kW·h,总库容亿m3。
本工程可行性研究报告于年月审查通过。
选定坝址为。
泄洪建筑物有、、。
泄洪隧洞为。
2 设计依据文件和规范有关工程文件(1)工程可行性研究报告;(2)工程可行性研究报告审批文件;(3)技术设计任务书;(4)工程可行性研究阶段水工模型试验报告;(5)可行性研究阶段中间报告及审批文件;(6)有关专题报告。
主要设计规范(1)SD 134—84 水工隧洞设计规范(2)SDJ 12—78 及水利水电枢纽工程等级划分及设计标准(试行)及补充规定SDJ 217—87(3)GB 50201-94 防洪标准(4)SDJ 20—78 水工钢筋混凝土结构设计规范(5)SDJ 10—78 水工建筑物抗震设计规范(6)SL 47—94 水工建筑物岩石基础开挖工程施工技术规范(7)SL 62—94 水工建筑物水泥灌浆施工技术规范(8)SDJ 57—85 水利水电地下工程锚喷支护施工技术规范(9)SL 46—94 水工预应力锚固施工规范(10)GBJ 86-85 锚杆喷射混凝土支护技术规范(11)(88)水规设字水利水电工程设计工程量计算规定(试行)第8号3 基本资料工程等别及建筑物级别根据可行性研究成果,本工程为等工程,泄洪洞为级建筑物。
隧道工程泄洪施工方案一、前言隧道工程泄洪施工是指为确保隧道工程建设和运营过程中遇到的降雨等极端天气情况下,有足够的泄洪设施可以有效处理降雨过程中产生的洪水,确保隧道和周边地区的安全。
本方案是根据具体工程的特点和地区的气候情况制定的,需要结合实际情况进行具体设计和施工。
二、工程概况1. 工程名称:XX隧道泄洪施工工程2. 工程位置:XX市XX区3. 工程规模:隧道全长XX公里,设计泄洪能力为XX立方米/秒4. 施工单位:XX建设集团有限公司三、泄洪设计要求1. 泄洪设施的位置应合理布置,确保泄洪水可以顺利流出,并不对周边环境造成影响。
2. 泄洪设施的泄洪能力应满足设计要求,确保能够有效处理降雨过程中产生的洪水。
3. 泄洪设施的建设应符合相关法律法规的要求,确保施工过程中不会对环境和居民生活造成影响。
4. 泄洪设施应考虑未来的维护和管理,确保长期有效运行。
四、泄洪施工方案1. 泄洪设施的选择在选择泄洪设施时,需要考虑隧道的位置和周边环境情况,同时要满足泄洪能力的需求。
一般来说,可以选择建设泄洪渠、泄洪闸等设施,也可以采用地下泄洪方式。
在实际选择中,需要结合工程设计和地质条件进行综合考虑,选择最适合的泄洪设施。
2. 泄洪设施的建设在进行泄洪设施的建设过程中,需要根据工程设计和相关法律法规的要求进行施工。
首先要对泄洪设施的位置进行勘察和测量,然后进行施工准备工作,包括清理施工场地、搭建施工设施等。
接下来根据设计要求进行土建和水利设施的施工,确保泄洪设施的质量和安全。
3. 泄洪设施的调试在泄洪设施建设完成后,需要进行设施的调试和验收工作。
通过模拟降雨和泄洪过程,检验泄洪设施的泄洪效果和安全性。
如果发现问题,需要及时进行修复和调整,确保泄洪设施能够正常运行。
4. 泄洪设施的管理和维护泄洪设施的管理和维护是保证泄洪能力的长期有效的关键。
需要建立健全的管理制度和维护方案,定期对泄洪设施进行维护和检修,确保设施的正常运行。
目录摘要设计基本资料 (2)任务一:隧洞总体布置 (3)一、隧洞的作用及分类 (3)二、隧洞的选线 (4)三、隧洞的布置 (6)任务二:隧洞洞身断面设计 (8)一、断面形状 (8)二、断面尺寸的拟定 (8)三、进口建筑物形式 (8)任务三:进口建筑物布置 (10)一、进水喇叭口 (10)二、通气孔 (10)三、平压管 (11)四、检修门槽 (11)任务四:龙抬头段设计 (11)一、抛物线设计 (11)二、反弧段设计 (12)三、混凝土塞 (13)任务五:隧洞出口布置 (13)一、渐变段 (13)二、工作闸门室 (13)三、消能段 (13)任务六:隧洞细部构造 (14)一、分缝与止水构造 (14)二、灌浆布置 (15)三、排水布置 (16)四、掺气槽布置 (17)五、掺气减蚀设施 (18)六、隧洞钢筋布置 (22)总结..................................... 错误!未定义书签。
参考文献................................. 错误!未定义书签。
设计基本资料1.淤积高程422.0m;1.死水位429.0m;2.最高兴利水位445.0m;3.设计洪水位450.1m,相应泄量1320m3/s(溢洪道泄量1200 m3/s,泄洪洞流量160 m3/s);4.校核洪水位452.22m,相应泄量1980m3/s(溢洪道泄量1853 m3/s,泄洪洞流量177m3/s);5.出口高程405m。
任务一:隧洞总体布置一、隧洞的作用及分类1.隧洞的定义: 在水利枢纽中为满足泄洪、灌溉、发电等各项任务在岩层中开凿而成的建筑物称为水工隧洞。
2.隧洞的分类及作用:(1)按用途分类①泄洪洞配合溢洪道宣泄洪水,保证枢纽安全。
②引水洞引水发电、灌溉或供水。
③排沙洞排放水库泥沙,延长水库的使用年限,有利于水电站的正常运行。
④放空洞在必要的情况下放空水库,用于人防或检修大坝。
收稿日期∶2014-11-20作者简介∶周永林(1982-),男,云南昆明人,工程师,学士,主要从事水工结构设计,E-mail :****************;郑铭(1974-),男,云南会泽人,高级工程师,学士,主要从事水工结构设计,E-mail :**************。
德泽水库泄洪隧洞设计周永林,郑铭(云南省水利水电勘测设计研究院,云南昆明650021)摘要∶德泽水库的泄洪隧洞由导流隧洞改造而成,以龙抬头和导流洞后段结合,经模型试验验证,并经多次优化设计后确定最终体型,设置的三道掺气坎保证泄洪洞在各种工况下免遭气蚀破坏,满足运行要求。
关键词∶泄洪隧洞;德泽水库中图分类号∶TV511文献标识码∶A文章编号∶1001-408X (2015)02-0008-03第34卷第2期2015年4月红水河HongShui RiverVol.34,No.2Apr.20151工程概况德泽水库是云南牛栏江—滇池补水的水源工程,水库正常蓄水位1790m,总库容4.48亿m 3,多年平均可引水量5.72亿m 3,为1等大(二)型工程,水库枢纽由拦河大坝、左岸溢洪道、发电放空隧洞、坝后电站及右岸导流泄洪隧洞等建筑物组成,拦河大坝为混凝土面板堆石坝,最大坝高142.4m,为1级建筑物,其他主要建筑物如溢洪道、泄洪隧洞、发电放空隧洞为2级建筑物,地震基本烈度为8度。
2导流泄洪隧洞布置泄洪隧洞由导流隧洞改造而成,以龙抬头和导流洞后段结合,泄洪隧洞最大泄流量为872.1m 3/s。
泄洪隧洞轴线全长659.0m,洞身长426.218m,由进口明渠段、进口喇叭段、方形有压洞身段、工作闸门竖井段、无压洞身段(含龙抬头)、出口抛物线扩散段、消力池段组成。
导流洞进口底板高程1669.486m,洞身尺寸为7.0m×10.0m 门洞型。
泄洪洞进口底板高程1725m,底坡i =0。
断面由10.0m×12.0m (宽×高)渐变为6.0m×9.0m (宽×高)矩形断面。
隧洞设计与施工专业: 水利水电建筑工程班级:姓名:学号:组别:指导老师:水工1303班第三小组成员目录1 工程概况 (1)2.拟定组织管理机构 (1)2.1管理机构结构图 (1)2.2主要职责 (2)3 隧洞施工方案 (3)3.1洞挖施工方案 (3)3.1.1进出口边坡明挖方案 (3)3.1.2洞身开挖方案 (4)3.1.3隧洞混凝土衬砌方案 (17)3.1.4隧洞灌浆 (19)4.施工总平面图 (20)5.控制性工程节点计划 (21)6 施工总进度计划 (22)7 质量安全措施 (23)7.1质量保证体系及保护措施 (23)7.1.1质量目标:单位工程质量达到优良工程 (23)7.1.2保证质量的措施 (23)7.2文明施工措施 (24)7.2.1控制噪音措施 (24)7.2.2减少环境污染措施 (24)7.3保证安全生产措施 (24)8 文明、环境保护措施 (25)8.1安全目标: (25)8.2安全保证体系 (25)8.2.2施工安全保证措施 (26)8.2.3安全生产技术措施 (26)8.2.4危险物品管理措施 (28)8.2.5劳动安全保护措施 (28)1 工程概况1.1工程设计指标XXX泄洪隧洞位于右岸坡,进口设置检修平板闸门、弧形工作闸门,进水口为岸塔式,基础要求座落在T2b2-4砂泥岩弱风化上,采用短有压进水口形式.隧洞长528米,为直径7.5米的圆形隧洞,进口底板高程499.246米,纵向底坡i=2.4/1000.1.2地质水文条件T2b2-4灰色薄至中厚层钙质泥岩夹泥质粉砂岩、砂岩,最大埋深86米,洞线与岩层走向夹角60-70°,属层状、互层状结构,以CⅡ类围岩为主,CⅣ类围岩主要分布于进出口段,成洞条件差.地下水主要赋存于风化带网状裂隙中,洞室围岩透水性微弱,施工中不存在地下水干扰.岩体成块、碎石镶嵌结构,自稳能力差,总体以CⅡ类岩体为主,进、出口强风化段为CⅣ类围岩(约占隧洞段10%),成洞条件较差2.拟定组织管理机构2.1管理机构结构图2.2主要职责项目经理部一般设项目经理、项目总工、项目副经理以及经营部、技术部、质检部、安全部、物资设备部、办公室、财务部等部门,各部门配备相应的施工员、质检员、预算员、安全员、材料员等专业人员.2.2.1项目经理职责A.贯彻执行国家和工程所在地政府有关工程建设和建筑管理的法律、法规和政策,执行企业的各项管理制度,维护企业整体利益和经济权益.B. 严格财经制度,加强财务管理,积极组织工程款回收,正确处理国家、企业和项目及其单位个人的利益关系.C. 组织制定项目经理部各类管理人员的职责和权限、各项管理规章制度,并认真贯彻执行.D.组织编制施工管理规划及目标实施措施,编制施工组织设计并组织实施.E.科学地组织施工和加强各项管理,并做好建设单位、监理和各分包单位之间的协调工作,及时解决施工中出现的问题.F. 执行经济责任书中由项目经理负责履行的各项条款.G. 对工程项目施工进行有效控制,执行有关技术规范和标准,积极推广、应用新技术、新工艺、新材料和项目管理软件集成系统,确保工程质量和工期,实现安全、文明生产,努力提高经济效益.2.2.2项目总工职责a.协助项目经理部组织质量管理领导小组会议.b.贯彻执行本项目部质量方针、目标,在分管范围和部门内保证质量体系的有效运行.c.负责领导项目部技术工作,主持贯彻实施施工生产中重大技术质量安全问题会议并做出决定.d.参加本项目部竣工产品的内部竣工验收,对本项目部的工程产品质量负技术责任.e.主持本项目部质量事故分析,提出处理意见.f.组织领导新技术、新工艺、新材料、新机具在本项目部推广应用.g.有权提出质量奖惩建议.2.2.3项目副经理职责a.贯彻执行公司质量方针、目标,明确本项目部门人员岗位、质量职责,保证质量体系在本部门的有效运行.b.负责本项目部生产工作,领导本项目部技术系统推行质量管理,按照“质量体系”文件和资料,控制“纠正和预防措施”、“质量记录的控制”、“内部质量审核”、“合同评审”、“服务”等要素及所属程序的实施管理.c.负责本项目部技术领导工作,贯彻工程施工技术规范、规程、规定、标准的领导工作,审定本项目部制定的主要质量技术文件、质量标准、操作规程、施工工艺及施工组织设计等.d.搞好材料、设备系统的管理,确保材料设备的质量,满足工程施工、生产的需要.e.对工程质量负领导责任,有权对质量实施优秀提出奖励的建议,对发生质量事故造成损失的人员,责成有关部门进行调查处理,并有权按规定处置.f.负责对本项目部质量奖惩的审批领导工作.3 隧洞施工方案3.1洞挖施工方案3.1.1进出口边坡明挖方案挖运机械选用:反铲挖掘机、自卸汽车等洞口开完方法:首先布设满足规范设计要求的高等级测量控制网,确保贯通精度高于规范与验收标准,高程点进行全面复测,确保控制点的准确,并通过对隧道进出口控制点的联测,确保贯通误差满足要求,洞口开挖按照设计要求施工,自上而下分层进行刷坡和防护,分层高度两米.根据实际情况,对于土质和破碎的岩石边坡采取挖掘机开挖配合人工刷坡,石质边坡以松动控制爆破为主,坡面部采用光面爆破,以保持坡面平顺完整和减少对围岩的扰动,局部爆破困难地段采用人工风镐刷坡.(2)隧道进洞口边仰坡的开挖防护,为保证边、仰坡的稳定和防止地表水影响洞口的稳定,分层刷坡后要及时对坡面进行防护,此工程采用锚、网、喷结合的加固防护措施.3.1.2洞身开挖方案(1)开挖方式此工程采用全断面开挖法,因为地质条件较好,围岩坚固稳定,不需要零时支护,仅需要局部支护的大小断面平洞中,有完善的机械设备,均可采用全断面开挖方法.配套机械:每个工作面拟布置8台YT-28型气腿式凿岩机于工作面进行钻孔作业,上半部钻孔时搭设简易施工台架.供风由布置于洞口处附近的20米3电动空压气机通过D108钢管供给.供水通过洞外供给.(2)爆破的技术要求(a)光面爆破法光面爆破是控制开挖轮廓的爆破方法指一,光面爆孔的爆破是在开挖主爆孔的药包爆破后进行的,它可以使爆裂面光滑平顺,超欠挖均很少,能近似形成设计轮廓要求爆破.光面爆破的炮孔布置可分为陶槽孔、辅助孔、崩落空和周边孔.注意,掏槽孔比其他孔(b)起爆器材a、材料:采用米S1~15段非电毫秒导爆管雷管,8号纸质火雷管,导火索、导爆索.b、起爆方法:周边眼采用导火索及8号纸质火雷管引爆非电豪秒导爆管雷管.通过导爆索传爆起爆炸药;其它眼采用导火索及8号纸质火雷管引爆非电毫秒导爆管雷管,非电毫秒导爆管雷管起爆炸药.光面爆破流程图(3).爆破炮孔布置图(a).附图二炮孔布置图炮孔布置图(b)各炮孔的做用及起爆顺序掏槽孔的主要作用是爆出新的自由面来,为其他炮孔创造有利爆破条件,辅助孔用来进一步扩大掏槽孔爆破形成的自由面,崩落孔是破坏岩石的主要炮孔,能够在掏槽孔和辅助孔形成的自由面方向上爆出较大的爆破体积;周边孔又称轮廓孔,主要是使爆破后的井巷断面形状和方向符合设计要求.掏槽孔是爆破成功的关键,它的作用是在工作面上先掏出一个槽子,形成新自由面,为其余炮孔爆破创造有利条件.掏槽孔必须最先起爆.为了提高爆破效果,发挥掏槽孔的作用,掏槽孔应比其他炮孔加深15-20厘米,装药量增加%%15.~20起爆顺序为先掏槽孔,再辅助孔,辅助孔起爆后再起爆底孔,周边孔最后起爆.(4)爆破各类炮孔的爆破参数本工程采用钻头直径为42米米的YT-25风钻8台,则炮孔直径为45米米,对于孔径小于50米米的孔,采用浅孔爆破法,炮孔布置为交错梅花形,依次逐排起爆,炮孔排距b=(0.8-1.2)W,同时起爆多个炮孔应采用电力起爆或导爆索起爆.本工程采用导爆索及二号硝铵炸药.隧洞长528米,直径7.5米,进出口强风化段为CV类岩,约占隧洞段10%,则CII类围岩占;528-60=468米洞挖总工期14个月, CII类围岩每循环进尺2.5米因为CII类围岩岩体坚固,为了达到施工进度要求和施工安全技术. CV类围岩每循环进尺0.8米因为CV岩体松软成洞条件差.手风钻砖头直径42米米炮孔直径45米米最小抵抗线W=(7-20)D=675米米炮孔间距a=(0.6-0.8)w=540米米,装药及其炸药使用性能掏槽孔:φ45米米2号岩石硝铵炸药崩落孔:φ45米米2号岩石硝铵炸药周边孔:φ45米米2号岩石硝铵炸药施工中遇水现象,将改用防水乳化炸药.(a).总炮孔数量计数炮眼数目的多少直接影响每一循环凿岩工作量、爆破效果、循环进尺、洞成型的好坏.暂按下式计算炮眼数目,在施工中,根据具体情况再作调整,以达到最佳爆破效果.炮眼数目N,按下式计算:N=q×s/rη式中:q——炸药单耗量,取q=1.3千克/米‘S——开挖面积,S=44.16米2R——每米长度炸药的重量,2号岩石销铵炸药r=0.78千克/米η——炮眼装药系数,取η=0.7经计算,N=105,光面爆破需多增加周边眼30只及中空孔一只,共计135只.(b)每个炮眼的装药量Ⅱ类围岩(1)掏槽眼Q1=η×L×r式中:η——炮眼装药系数,取η=0.8L——眼深,L=3米r——每米长度炸药量,r=0.85千克/米经计算Q1=2.04取Q1=2千克Ⅴ类围岩(1)掏槽眼Q1=η×L×r式中:η——炮眼装药系数,取η=0.8L——眼深,L=1米r——每米长度炸药量,r=0.85千克/米经计算Q1=0.68取Q1=1千克(2)辅助眼Q2=η×L×r=0.85*1*0.8=1千克取Q2=1千克(c)光面爆破参数针对各类岩石初次选用如下爆破参数,在施工中可按照选定的参数总结每次爆破效果,测量半孔率和轮廓不平整度,不断调整光爆参数周边孔间距a=(15~10)d=(15~10)*43米米=645~430米米密集系数米=a/W=0.5~2.0最小抵抗线W=315~900.(d)装药起爆光面爆破宜采用细药卷,起爆时注意以下事项:(l)周边孔应该同时起爆才能保证光面爆破效果;(2)对起爆顺序为先掏槽孔,再辅助孔,辅助孔起爆后再起爆底孔,周边孔最后起爆;(3)周边孔的底孔应该装一个φ32毫米药卷,以克服岩体挟制作用;(4)为了减少超挖和降低工程造价,开挖过程中,加强断面量测,并及时处理欠挖部位,修整开挖断面,获得良好的经济效果.CII类围岩炮孔深度3.0米 CV类围岩炮孔深度1.0米(5)排烟降危方法地下工程施工的辅助作业有通风,防尘,消烟,排水,照明和风水电供应等工作,做好这些辅助作业,可以改善施工人员工作环境,加快进度.1.通风,防尘及消烟通风,防尘及消烟的目的是为了排除因钻孔,爆破,装岩,内燃机尾等原因产生的有害气体和岩尘含量,及时供给工作面充足的新鲜空气,改善洞室内的温度,湿度和气流速度,使之符合洞室施工卫生要求.(1)通风方式洞内通风有自然通风和机械通风两种,自然通风只适用洞长小于40米的短洞.一般多采用机械通风,其基本形式有压入式,吸入式和混合式三种.本工程采用压入式通风方式,压入式通风是将新鲜空气通过风管直接送到工作面,混浊空气由洞身排至洞外,其优点是工作面很快获得新鲜空气,缺点是混浊空气容易扩散至整个洞室.风管端部布置离工作面不宜超过6s米(s为开挖面积㎡).吸入式通风是通过风管将工作面的混浊空气吸走并排出至洞外 ,新鲜空气有洞口流入洞内.其优点是工作面混浊空气较快的被吸出,但新鲜空气流入较缓慢;混合式通风是在爆破后排烟用吸出式,经常性通风用压入式,充分发挥上述两种方式的优点.(6) 出渣方式采用装载机配自卸汽车出渣,此方式试用于中、大断面全断面开挖的平洞.装载机具有行走速度快、装渣灵活、对工作面净空要求较低、生产效率较高等优点.装载机铲斗斗容和自卸汽车斗容的适宜比例为1:3-1:5.平洞工程使用的装载机铲斗斗容一般为1.5-5米3.运输路线宜设双车道,如设单车道,应每隔200-300米设错车道.本工程采用单车道,因为采用双向开挖不设错车道.⑴将开挖的石碴迅速装车运出洞外,是提高隧道掘进速度的重要环节.该项作业往往占全部开挖作业时间50%左右,控制着隧道的施工速度.因此,正确选择并准备足够的装碴运输方案,维修好线路,减少相互干扰,提高装碴效率是加快隧道施工速度,尤其是加快长大隧道施工速度的关键.本隧道主线断面较大,洞内能够设置双车道出碴运输道路,故一般情况下不需要设置专门的会车道或避车洞.采用无轨运输,不需要铺设复杂的运输轨道,具有运输速度快,管理工作简单、配套设备少等特点.但由于内燃机排放大量废气,对洞内空气污染较为严重,尤其在长大隧道中使用,需要有强大的通风设施.⑵运输作业在隧道施工中,选用车身较短,车斗容量大,转弯半径小,车体坚固,轮胎耐磨、配有废气装置、并能双向驾驶的自卸汽车,以增加运行中的灵活性,避免洞内回车和减轻对洞内空气的污染.⑶调车作业由于无轨运输采用的装碴、运输设备都是自配动力,属自行式,其调车作业主要是解决回车,错车和装碴场地问题.①装碴采用挖掘机配合轮式装载机,运输采用带净化装置的柴油自卸汽车.②施工中建立运输调度,根据施工进度编制运输计划,统一指挥,提高运输效率.③运输线路应设专人按标准要求进行维修和养护,使其经常处于良好状态,线路两侧的废碴和杂物应随时清除.④运输道路与仰拱、底板混凝土结合施工,并做好排水及路面的维修工作.⑤施工作业地段的行车速度不得大于15千米/h,成洞地段不得大于25千米/h.⑥严禁使用汽油的机械进入隧道,内燃机械采用尾气净化装置并加强通风.⑦隧道内的运输道路应配备与施工方法、运输车辆相适应的跨越设备,并设置信号、标志予以警示,运输车辆不得对已施工的结构造成破坏、损伤.⑧所需设备:隧洞装载机,(7)喷锚支护本工程锚喷支护机械使用:锚喷砼搅拌机、气动锚杆钻机、砼喷射机.工艺原理锚喷支护就是当隧道周围围跟边坡岩石承载能力不足,需提高围岩自身承载能力时,采取联合支护形式,形成长期稳定的支护结构体系.锚喷支护的最大优点;及时性、与围岩密贴性、早强、柔性.锚喷支护就是应用新奥法原理;即:运用各种手段(开挖方法、支护及地层预处理等)控制围岩变形,最大限度地保护和调动围岩的承载能力.施工工艺及操作要点锚杆施工工艺及操作要点原材料备制①锚杆材料:锚杆材料一般有HRB335钢筋直径Φ22㎜,按本工程技术要求采用钢筋直径Φ22㎜,为完成进度要求锚固剂.喷射砼作业①混合料的备制a. 混合时,各种材料应按配合比准确称量;b. 采用强制式密封搅拌,时间不少于90秒;②机具就位机具安装在围岩稳定地段,保证输送线路通畅.未上料前,先进行砼喷射机试运转:开启高压风及高压水,如喷嘴风压正常喷出的风水呈雾状,如喷嘴风压不足,可能出料口堵塞,如喷嘴不出风,则可能输料管堵塞.有故障及时排除,待喷射机运转正常后才能进行喷射作业.③喷射砼作业要点a、喷前应用高压风或高压水清洗岩面,将附着在岩面上的粉尘、硝屑冲洗干净 ,以保证砼与岩面粘结牢固.若用高压水清洗会引起岩面软化时,只能用高压风清扫岩面杂物(视地质情况而定).b、严格掌握规定的速凝剂掺量,并添加均匀;c、喷射机工作风压一般控制在0.2~0.4米Pa;d、喷射手严格控制水灰比,使喷层表面平整光滑,无干斑或滑移流淌现象;e、喷嘴的方向应与受喷岩面垂直,喷嘴与受喷岩面距离保持在0.6~1.0米范围;f、喷嘴移动轨迹应因地制宜,横条、竖条、圆圈等应交替使用,移动速度要慢,让砼“堆”起来,有了一定厚度再移开,然后逐块扩大其喷射范围;g、喷射顺序一般采用先下后上,先墙后拱;h、一次喷射厚度一般拱部为3~5㎝,边墙为6~8㎝;i、凹凸不平时应先将凹处喷平,按正常顺序喷射,以减少回弹;j、有钢架时,钢架与围岩间隙必须以喷射砼充填密实,喷射砼应将钢架覆盖,并应由两侧拱脚向上喷射;k、喷完或间歇时,喷嘴应向低处放置,一工班结束,要拆开喷头,取出水环,用水清洗干净,疏通水眼,以备下一班使用.喷完后,喷射机具均应清洗、保养,以保证机具处于完好状态.④喷射砼的工艺参数:a、工作风压:一般为0.2~0.4米Pa;b、喷射角度与喷射距离喷射料束与受喷面垂直时,回弹量最小;喷头与受喷面距离一般宜保持在0.6~1.0米;c、一次喷射砼的厚度:一般拱部为3~5㎝,边墙为6~8㎝;d、水灰比:喷射手应把水灰比控制在0.4~0.45,使喷层平整光滑,无干斑或滑移流淌现象e、两次喷射的间隔:两层砼的喷射时间间隔太短,会由于前一层砼未达到强度而拉裂坠落,间隔时间过长,又会影响施工效率,较合理的间隔时间是前一层砼终凝,并达到一定强度后再复喷,一般可在20分钟以后进行.f、养护(干燥处):喷射砼由于喷层内外部分干燥条件有异,必须进行养护,《规则》规定:喷射砼终凝后两小时起即开始养护,养护不得少于7天.g、水压:喷头处水压控制在0.15~0.2米Pa;h、速凝剂:掌握规定的掺量,并添加均匀(8)爆破作业循环图开挖作业循环时间表(Ⅱ类岩石)开挖作业循环时间表(Ⅴ类岩石)3.1.3隧洞混凝土衬砌方案 (1)隧洞施工流程图(2)分缝分块水工隧洞较长,纵向需要分段进行浇筑,分段长度根据围岩约束特性,隧洞断面大小,混凝土浇筑能力和模版结构型式等因素确定.当结构上设有永久伸缩缝时,可利用结构永久缝分段;当结构永久缝间距过大或无永久缝时,可设施工缝分段,并做好施工缝的处理.平洞衬砌的分段长度主要是考虑一下因素:1)当结构上有永久伸缩缝时,可以利用永久缝分段,当永久缝间距过大或无永久缝时,应设施工分缝分段,分段长度一般4~18米为宜.隧洞砼衬砌工艺流程图本工程分段长度为12米,共44段,采用跳仓浇筑.2)衬砌的分段长度,应考虑隧洞的用途,非水工隧洞分段长度主要根据施工能力确定.3)对于泄洪隧洞,若有较高防渗要求时,分段长度一般9~12米为宜;如果采用光面跑破或预裂跑破,洞壁比较平整,降低了围岩对衬砌的约束作用,分段长度也可适当增加.4)当采用双层钢筋混凝土衬砌,分段可以适当延长.5)在隧洞围岩条件显著变化段和结构段面变化段,应设伸缩缝,并以此作为分段界限.6)按照施工安全的要求,确定衬砌长度.如围岩稳定,分段长度可以长一些,但应注意匿岩对衬砌的约束力;若围岩不稳定,开挖后要求尽快衬砌时,从施工安全出发,不允许分段太长.分段确定后,为争取分段浇筑混凝土的连续性,常采用的浇筑顺序为跳仓浇筑,如图(a),表示按分段编号,先浇①,③,⑤...段,后浇②,④,⑥...段.(3)混凝土运输方式因为本工程隧洞总长度只有500多米,综合考虑使用混凝土罐车和混凝土泵车搭配使用.汽车运输机动灵活,载重量较大,卸料迅速,应用广泛,与铁路运输相比,它具有投资少,道路容易修建,适应工地场地狭窄、高差变化大的特点.但汽车运费高震动大,容易是混凝土料漏浆和分离,质量不如铁路平台列车,事故率较高.进行施工规划时,应尽量考虑运输混凝土的道路和基坑开挖出渣道路相结合,在基坑开挖结束后,利用出渣道路运输混凝土,以缩短混凝土浇筑的准备工期.(4)封拱方案封拱时,在输送混凝土的导管末端接上冲天位管,垂直穿过模板伸入仓内,用混凝土泵封拱的步骤如下.①当混凝土浇筑到拱顶出是,撤出工人和浇筑设备,封闭进入孔.②增大混凝土坍落度至1614厘米,同时加大混凝土泵的输送速~度,保证仓内混凝土的连续供应.③通气管开始漏浆,说明拱顶处已经填满,可停止输送混凝土,将尾管上包住预留孔眼的铁箍去掉,在孔眼中插入钢筋,防止混凝土下落,然后混凝土导管.④拱顶拆模后,将露在外面的导管用氧气割去,并用砂浆抹平.3.1.4隧洞灌浆(1)施工流程图回填灌浆的施工顺序为:埋管→灌浆→封孔→检查→需要时进行补灌.固结灌浆的施工顺序为:造孔→洗孔→压水试验→灌浆→封孔→检查→需要时进行补灌.(2)灌浆孔布置图灌浆孔布置图(3)技术要求(1)固结灌浆检查以压水试验成果为主,检查孔的数量不宜少于灌浆孔总数的5%.(2)高压固结灌浆以压水试验成果、灌浆前后物探成果、灌浆有关施工资料为主并结合其他资料综合评定.(3)固结灌浆孔压水试验在该部位灌浆结束7天后才能进行.(4)围岩破碎、节理发育、断层带,施工故障等部位作为检查工作重点.(5)压水试验计算吸水率:q=Q/PL式中:q 吸水率Q 单位时间内钻孔在恒压F的吸水量(L/米in)P 试验压力(10Kpa)L 试验孔孔深(米)吸水率应满足设计或规范规定.压力试验检查孔合格率应在80%以上.4.施工总平面图(1)附图六平面布置图:见附录5.控制性工程节点计划(1)开工日期(2)进洞时间2016年3月(3)贯通时间2017年4月(4)衬砌时间2016年6月(5)结束时间2017年9月6 施工总进度计划22237 质量安全措施7.1质量保证体系及保护措施7.1.1质量目标:单位工程质量达到优良工程7.1.2保证质量的措施为了确保工程质量目标的实现,施工项目的管理模式的建议十分重要,项目公司对工程质量负责.项目技术负责人应对项目经理负责.成立由专职和兼职的质检员在技术负责人领导下的管理体系,形成专管成线,群管成片.管理层的施工员、材料员等应从建筑材料的采购入手,严格把关对十三种需要有准用证的建筑材料必须坚持准用证制度.对其他材料坚持复验制度,同时进场的建筑材料应付有质量证明.杜绝不合格的建筑材料在工程上使用.施工过程中,狠抓工序质量,用各工序的质量来保证分项工程质量,用分项工程质量来确保分部工程质量,从而保证单位单位工程质量目标的实现.工程质量的好与否,主要取决于施工技术管理工作的粗糙和细致,只要认真负责,坚持检查制度对不符合制度质量要求的工序决不允许过关,工作质量是会搞好的.施工中要认真分析工程特点,因为它是动态的管理,每时每刻都在变化,从设置工序管理点开始,为此应该设立抄平放线;基地验收;地下室结构工程各种工种的验收;分项工程技术交底;每层结构验收等控制点.除此之外,在管理上设置操作人的行为;特别动态;材料的质量和性能;关键的操作;施工顺序;技术间歇;技术。
第一部分:概况1.1工程设计情况XX水电站位于云南省,属大(1)型一等工程,永久性主要水工建筑物为一级建筑物。
泄洪隧洞是本工程三套泄洪设施之一,全长1589.201m,泄洪洞洞身为有压变无压“龙抬头”布置,由进水口、有压段、工作闸门室、龙抬头段、直槽斜坡段及出口挑流鼻坎组成。
进口为椭圆曲线组成的喇叭口,后接事故检修门,事故检修闸门为平板闸门,工作闸门为弧形门,布置在事故检修闸门之后,工作闸门操作室通过交通洞与对外公路连通,有压洞段为圆型断面,出口明渠及鼻坎段采用扭曲挑流消能。
1.2 工作内容和主要工程量泄洪洞施工标段工程主要合同项目、工作内容如下:1、泄洪洞进口引渠及进水闸室土建工程(开挖支护工程已由其它承包人完成,本标包括混凝土、基础处理);2、泄洪洞工作闸室土建工程(包括工作闸及灌浆洞石方洞挖、支护、混凝土、钢结构、回填灌浆、固结灌浆);3、泄洪洞洞身工程(包括泄洪洞有压段、无压段石方洞挖、支护、混凝土、回填灌浆、固结灌浆);4、交通洞、补气洞土建工程(包括石方洞井挖、支护、混凝土、回填浼浆)5、泄洪洞出口挑流鼻坎土建工程;6、下游河道护岸及泄洪雾化护坡土建工程;1.3施工条件一、水文气象条件流域的大洪水多由长历时连续性暴雨过程形成。
由于流域地势复杂,水文气象条件的差异,暴雨成因不一致,更多的是区域性组成的洪水。
二、地质条件1、泄洪洞进水口地段地质条件泄洪洞进水口自然山坡坡度为30°~55°。
岩层主要为MⅤ-1黑云花岗片麻岩夹少量片岩。
Ⅳ级结构面较发育。
2、泄洪洞隧洞段地质条件泄洪洞通过地段岸坡陡峻。
山坡坡度一般为35°~55°,局部地段为悬崖峭壁,近泄洪隧洞出水口地段地形相对低凹。
泄洪洞穿过的围岩岩性主要为黑云花岗片麻岩、角闪斜长片麻岩及花岗片麻岩,断裂构造比较发育。
3、泄洪洞出水口地段地质条件出水口地形坡度为37°~40°。
基岩多裸露,岩层主要为黑云花岗片麻岩和角闪斜长片麻岩,二者均夹少量片岩。
目录第一章、工程概况 (1)第一节、工程概况 (1)第二节、气象 (1)第三节、水文 (2)一、径流 (2)二、洪水分析 (3)三、泥沙分析 (4)第四节、地质概况 (4)第五节、导流泄洪洞工程地质 (5)一、引渠段 (5)二、进口及平洞段 (5)三、闸井段 (6)四、洞身段 (6)五、出口段 (7)六、挑流消能段 (7)第二章、施工总体部署 (9)第一节、施工总布置原则 (9)第二节、风、水、电及通讯系统布置 (9)第三节、场内施工道路 (10)第四节、砼系统 (10)第五节、施工辅助企业、仓库及生活设施 (10)第六节、组织机构 (12)第七节、组织机构框图 (13)第八节、各职能部门的主要任务 (14)第九节、项目部主要管理人员的职责 (14)第十节、主要施工人员配备 (16)第三章、施工准备 (17)第一节、前期准备 (17)第二节、测量放样 (17)第四章、主要项目施工方法 (19)第一节、施工总体设想 (19)第二节、隧洞工程施工 (19)一、石方洞挖 (19)二、砼衬砌 (26)三、灌浆工程施工 (30)第三节、闸门竖井施工 (33)第五章、施工进度计划 (35)第一节、编制说明 (35)第二节、工期 (35)第六章、工期保证措施 (36)第七章、施工技术措施 (38)第一节、施工技术措施 (38)第二节、冬雨季施工措施 (40)第三节、降低工程成本措施 (41)第八章、质量保证措施 (43)第一节、工程质量目标 (43)第二节、质量保证体系 (43)第三节、技术组织措施 (45)第四节、工程质量技术保证措施 (47)第九章、安全保证措施 (56)第一节、安全组织保证 (56)第二节、安全技术措施 (56)第十章、施工现场标准化管理 (60)第十一章、环境保护与文明施工 (62)第一节、环境保护 (62)第 3 页一、组织管理 (62)二、技术措施 (62)第二节、文明施工 (63)第十二章、附图、附表 (66)第一节、拟投入本标段的主要施工设备表 (66)第二节、拟配备本标段的试验仪器设备表 (68)第三节、劳动力计划表 (69)第四节、计划开、竣工日期和施工进度网络图 (70)第五节、施工总平面图 (71)第六节、临时用地表 (72)第一章、工程概况第一节、工程概况***水库位于云南省***市***县***乡***村委会境内的马过河上段楚依河上,属于金沙江一级支流。