跌落式熔断器使用说明书
- 格式:docx
- 大小:22.80 KB
- 文档页数:3
RW12-12系列户外高压跌落式熔断器产品使用说明书河南亚丰电瓷电器有限公司1主要用途及适用范围熔断器是一种当电流超过规定值一定时间后,以它本身产生的热量使熔体熔化而开断电路的开关装置。
跌落式熔断器是动作后载熔件自动跌落,形成端口的熔断器。
RW、HRW、PRWG及HPRWG系列跌落式熔断器适用于交流50HZ系统电压10KV~35KV的电力系统中,用于输电线路和电力变压器的短路和过负荷保护。
2使用环境2.1环境温度:-40℃~+40℃;2.2相对湿度:日平均值不大于95%,月平均值不大于90%;2.3海拔高度不超过34m/s;2.5安装地点应无火灾、爆炸危险、化学腐蚀及剧烈震动。
3产品型号和名称□□□□□□□□额定电流:A其它标志:F-带有负荷开断装置B-带有避雷器额定电压:KV设计序号保护对象:T-保护变压器用M-保护电动机用C-保护电容器用P-保护电压互感器用安装场所:N-户内W-户外产品名称:R-瓷绝缘熔断器HR-复合绝缘熔断器结构特征:X-限流式P-喷射式例:HRW11-12/100 12KV系统用11型户外交流高压复合绝缘跌落式熔断器,额定电流为100A4产品结构及原理跌落式熔断器主要由绝缘支架和熔丝管两部分组成,绝缘支架两端安装静触头,熔丝管两端安装动触头,熔丝管由内层的消弧管和外层的酚醛纸管(或环氧玻璃布管)组成。
带负荷开断装置跌落式熔断器增加弹性辅助触头及灭弧室罩,用以分、合负载电流。
跌落式熔断器在正常运行时,熔丝管借助熔丝张紧,形成闭合位置。
当系统发生故障时,故障电流使熔丝迅速熔断,并形成电弧,消弧管受电弧灼热,分解出大量的气体,在管内形成很高压力,并沿管道形成纵吹,电弧被迅速拉长而熄灭,熔丝熔断后,下部动触头失去张力而下翻,锁紧机构释放熔丝管,熔丝管跌落,形成明显的开断位置。
带复合开端装置跌落式熔断器需要开断负荷时,绝缘杆拉开动触头,此时辅助触头仍然接触,继续用绝缘杆拉动触头,辅助触头也分离,在辅助触头之间产生电弧,电弧在灭弧罩中消逝能量,同时灭护罩产生气体,在电流过零时,将电弧熄灭。
一、用途RW5-35型户外跌落式熔断器适用于交流50HZ,额定电压为35KV电力系统中作输出线路和电力变压器短路及回路保护。
在一定条件下可以切合空载线路,空载线路,空载变压器及小负荷电流。
二、使用范围1、产品的基本使用条件(1)海拔高度不超过2000米;(2)环境温度不高于+40℃,不低于-40℃.2、产品不适用下述场所(1)有燃烧或爆炸危险的场所;(2)有剧烈震动或冲击的场所;(3)严重空气污秽地区。
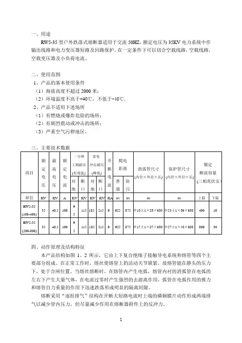
三、主要技术数据四、动作原理及结构特征本产品结构如图1、2所示,它由上下复合绝缘子接触导电系统和熔管等四个主要部分组成。
在正常工作时,熔丝使熔管上的活动关节锁紧。
故熔管能在静头的压力下,处于合闸位置。
当熔丝熔断时,在熔管内产生电弧,熔管内衬的消弧管在电弧的左右下产生大量气体,在电流过零时产生强烈的去游离作用,弧管在电弧作用的推力和熔管自力重量的作用下迅速跌落形成明显的隔离间隙。
熔断采用“逐组排气”结构在开断大短路电流时上端的磷铜膜片动作形成两端排气以减少管内压力,但尽量减少作用在熔断器附件上的反冲力。
当开断小故障电流时,上端磷铜膜不动作,形成“单向排气”以提高管内压力,有利于小电流的开断。
正常运行时,熔丝上端为膜片所封闭,以防止雨水进入管内。
熔断器能可靠地开断上限流容量至下限断流容量之间的任何电流。
五、安装使用注意事项1、熔断器应存放在干燥通风的室内。
2、安装前应将熔断器各部分拭抹干净,检查各部分螺帽、螺钉是否拧紧,各转动部分是否灵活。
应予先在地面分合数次,若有异常现象,应予适当调整。
熔管上、下动触头和瓷瓶上下静触头之间的尺寸应按图2、3规定调整好,以保证在合闸位置时具有足够的接触压力。
3、熔断器应配装带纽扣熔丝。
在安装熔丝于熔管之前应检查熔丝纽扣是否能顺利通过上端压盖。
如不行则应加以修整。
4、安装熔丝时,应将熔管上、下端的活动关节锁紧,并应特别注意拉紧熔柄。
否则会减少触头的接触压力,不仅影响熔断器的载流能力,而且可能造成运行中无故跌落。
1. RW11产品用途RW11跌落式熔断器是配电线路分支线和配电变压器最常用的一种短路保护开关,它具有经济、操作方便、适应户外环境性强等特点,被广泛应用于35kV配电线路和配电变压器一次侧作为保护和进行设备投、切操作之用。
它安装在10kv-35kV-66kv配电线路分支线上,可缩小停电范围,因其有一个明显的断开点,具备了隔离开关的功能,给检修段线路和设备创造了一个安全作业环境,增加了检修人员的安全感。
安装在配电变压器上,可以作为配电变压器的主保护,所以,在配电线路和配电变压器中得到了普及。
2. RW11正常使用条件2.1环境温度:不高于+40℃,不低于-40℃;2.2海拔高度:不超过1000m;(高海拔型不超过3000m);2.3电源频率:50±2Hz;2.4地震烈度:7度以下2.5最大风速:35m/s3. RW11主要技术参数跌落式熔断器由绝缘子、接触导电系统和熔管三部分组成。
正常工作时,熔丝使熔管上的活动关节锁紧,熔管在上触头的压力下处于合闸状态。
故障时,熔丝熔断,在熔管内产生电弧,熔管内衬的消弧管在电弧作用下分解出大量气体,在电流过零时产生强烈的去游离作用而熄灭电弧。
由于熔丝熔断,因而活动关节释放使熔管下垂,在上、下触头的弹力和熔管自重的作用下迅速跌落,形成明显的断开间隙。
4. RW11熔断器选用安装地点的短路容量应在跌落式熔断器额定断流容量范围内。
若超越上限,则可能因电流过大,产气过多而使熔管爆炸;若低于下限,则有可能因电流过小,产气不足而无法熄灭电弧。
因此,在选择跌落式熔断器的额定容量时,既要考虑其上限开断电流与安装地点的最大短路电流相匹配,还要重视其下限开断容量与安装地点的最小短路电流的关系。
考虑到跌落式高压熔断器作为配电变压器内部故障的主保护,保护范围从低压熔断器变压器侧到高压熔断器变压器侧,而且又作为低压熔断器的后备保护,应以低压出口两相短路作为短路电流最小值来选择其下限开断容量。
跌落式熔断器是配电线路分支线和配电变压器最常用的一种短路保护开关。
它具有经济、操作方便、适应户外环境性强等特点,被广泛应用于配电线路和配电变压器一次侧作为保护和进行设备投、切操作之用。
安装在配电线路分支线上.可缩小停电范围。
因其有一个明显的断开点,具有了隔离开关的功能,给检修线路和设备创造了一个安全环境,增加了检修人员安全性。
带拉负荷的跌落式熔断器,还配有弹性辅助触头和灭弧罩,用以分合额定负荷电流。
用途及执行标准本产品使用于10~35kV配电线路分支线和配电变压器一次侧,用于过载和短路保护,分合额定负荷电流。
本产品型号按JR/T8321-1996《交流高压熔断器型号编制方法》的规定进行编制,产品参数GBl5166.3-1994《交流高压熔断器喷射式熔断器》标准执行。
对该标准中未明确定义的重要参数参配置方式,按JB/DQ2139—1986《10~35kV户外交流高压跌落式熔断器暂行技术条件》的要求修正执行。
型号及含义本产品型号按照JB/T8321*-1996《交流高压熔断器型号编制方法》的规定进行编制,具体如下①高强度绝缘子② 平行沟槽接线端子(可选件)③ 上端触头一银对银,不锈钢弹簧提供高接触压力④ 与Loadbuster负荷开断工具配合的拉勾⑤ 熔丝管-具有耐水、抗紫外线特殊涂层⑥ 套环接头一切断后保证可靠脱扣⑦ 增强型铸钢管套⑧ 不锈钢弹簧板,快速抽出熔丝⑨ 耳轴套一在合闸期间,将管固定在铰链上⑩ 高强镀银铸铜耳轴,避免合闸时熔管左右晃动银对银下触头(图示不可见)提供双重导流编号部件名称1 背板2 长螺杆3 安装支架4 瓷件(或陶瓷绝缘子)5 接线座6 上支座7 上触头8 附属钩9 操作环10 熔丝管11 套环接头12 下支座。
RW11-10/100-6.3户外交流高压跌落式熔断器一、用途RW11-10/100-6.3型户外交流高压跌落式熔断器,适用于10千伏50Hz和60Hz电力系统中作输配电线路和电力变压器的短路保护与过负荷保护。
二、适用范围1. 产品使用的环境条件:(1) 环境温度不高于+40℃,不低于-40℃;(2) 海拔高度不超过1000m;(3) 风速不大于35m/s;(4) 地震烈度不超过8级。
2. 产品不适用于下述场所:(1) 有燃烧或爆炸危险场所;(2) 有剧烈震动或冲击场所;(3) 有导电、化学气体作用及严重污秽地区。
三、主要技术数据本产品符合国际电工委员会IEC标准《高压熔断器》第二部分:喷射式及类似熔断器出产品的外形见图15-7。
产品由瓷绝缘子,上、下静触头和熔丝管三部分组成,静触头安装在绝缘子上下两端,安装板固定在绝缘子中间。
熔丝管为复合材料,它不但具有较好的开断能力,且保证有较高的机械强度。
产品借助安装板固定在安装架上。
熔断器运行时串联在电力系统中,在正常工作时,带钮扣的熔丝装在熔丝管的上触头被采用装有释压片的释压帽压紧,熔丝尾线通过熔丝管拉出,将弹出板扭反压近喷口,与下触头联接,在弹出板扭力的作用下熔丝一直处于接紧状态,并锁紧活动关节。
在熔断器处在合闸位置时,由于上静触头向下和弹片的向外推力,使整个熔断器的接触更为可靠。
当电力系统发生故障时,故障电流将熔丝迅速熔断,在熔管内产生电弧,熔丝管在电弧的作用下产生大量气体,当气体超过予定的压力值时,释压片即钮扣头打开,减轻了熔丝管内的压力,在电流过零时产生强烈的去游离作用使电弧熄灭。
而当气体未超过予定的压力值时,释压片不动作,电流过零时产生的强烈去游离气体从下喷口喷出,弹出板迅速将熔丝尾线拉出,使电弧熄灭。
熔丝熔断后,活动关节释放,熔丝管在上静触头、下弹片的压力下、加上本身自重的作用迅速跌落,将电路切断,形成明显的分断间隙。
五、安装、调整与维修(1) 熔断器安装地点的额定电压、正常工作电流和短路容量应在熔断器的额定电压、额定电流和额定的开断容量范围内。
跌落式熔断器如何操作及跌落后处理方法操作跌落式熔断器时,应有人监护,使用合格的绝缘手套,穿绝缘靴,戴防护眼镜。
操作时动作应果断、准确而又不要用力过猛、过大。
要用合格的绝缘杆来操作。
对管的操作环往下拉。
合闸时,先用绝缘杆金属端钩穿入操作环,令其绕轴向上转动到接近上静触头的地方,稍加停顿,看到上动触头确已对准上静触头,果断而迅速地向上方推,使上动触头与上静触头良好接触,并被锁紧机构锁在这一位置,然后轻轻退出绝缘杆。
操作时应戴上防护色镜,以免拉、合闸时发生意外故障产生弧光灼伤眼睛;同时站好位置,操作时果断迅速,用力适度,防止冲击力损伤瓷体。
操作跌落式溶断器有两个突出的安全事项必须严格遵守:1)跌落式熔断器如同户外隔离开关,只能操作500kVA及以下的空载的变压器。
因此,操作前必须认真检査,确认该变压器低压侧总开关已处于断开状态,合或拉开跌落式熔断器之前必须履行此项检查。
2)一组三相跌落式熔断器由三个单极跌落式熔断器组成。
为避免操作时造成相间弧光短路,要求合闸时,先合两边相(遇有较强的与熔断器排列方向大体一致的风时,还要先合迎风相后合背风相),再合中相;拉闸时,操作顺序恰恰与合闸顺序相反。
3)不允许带负荷操作。
跌落式熔断器在运行中跌落应如何处理?运行中,触头接触处滋火,或一相熔丝管跌落,一般都属于机械性故障(如熔丝未上紧、熔丝管上的动触头与上静触头的尺寸配合不合适、锁紧机构有缺陷、受到强烈振动等)而两相或三相跌落,则是由于相间短路或过载引起的。
遇有熔管跌落时,应立即拉开变压器低压侧的断路器,使变压器空载,再拉下跌落相的熔管。
因为当一相跌落时,变压器处于断相运行状态,低压侧带的三相设备就会相运行,如为三相电动机,时间长了就可能烧毁。
所以应尽快拉开低压侧总断路器。
完成以上操作后,立即根据跌落的相数初步判断跌落原因,据此检查有关的故障范围,找出和确认具体的原因,并消除之。
然后再更换熔丝重新投人运行,并在投人运行的一段时间里,加强特殊巡视。
埃塞俄比亚8个城镇升级和改造工程跌落式熔断器技术规范书需方(甲方): XXXXXXXXX公司供方(乙方): XXXXXXXXXX公司设计方:XXXXXXXXX公司2022年4月目录1 总则 (1)2 供货范围 (2)3 技术要求 (3)4 技术文件及进度表 (7)5 技术服务及设计联络 (8)6 监造、检验及性能验收 (8)7 技术响应及偏差 (8)8 分包及外购 (9)9 备品备件、专用工具和仪器仪表供货范围 (9)10.附件 (10)1 总则1.1工程概况1)工程名称:埃塞俄比亚8个城镇升级和改造工程。
2)工程规模:LOT1:低压ABC电缆3*95+1*70+1*16mm2路径长225km、15/0.4kV变压器39台、电杆4931根等。
LOT2:中压铝合金绝缘线200mm2路径长104.2km、150mm2路径长78.7km、1*300mm2铜电缆路径长19.1km、15/0.4kV变压器46台、低压ABC电缆3*95+1*70+1*16mm2路径长294km、电杆10631根等。
LOT3: 中压铝合金绝缘线200mm2路径长100.6km、150mm2路径长117km、1*300mm2铜电缆路径长11.1km、1*240mm2铝电缆路径长2.5km、15/0.4kV变压器35台、低压ABC电缆3*95+1*70+1*16mm2路径长316km、电杆11873根等。
3)电压等级: 15kV、0.4kV4)安装地点:Addis Ababa、Mekele、Bahir Dar、Dessie、Nazareth、Dire Dawa、Jimma、Awassa。
1.21.3 供方应具备公告所要求的资质,具体资质要求详见商务部分。
1.4供方须仔细阅读包括本技术规范在内的文件阐述的全部条款。
供方提供的跌落式熔断器应符合本归范所规定的要求,供方亦可以推荐符合本文件要求的类似定型产品,但必须提供详细的技术偏差。
跌落式熔断器停送电操作流程和注意事项下载温馨提示:该文档是我店铺精心编制而成,希望大家下载以后,能够帮助大家解决实际的问题。
文档下载后可定制随意修改,请根据实际需要进行相应的调整和使用,谢谢!并且,本店铺为大家提供各种各样类型的实用资料,如教育随笔、日记赏析、句子摘抄、古诗大全、经典美文、话题作文、工作总结、词语解析、文案摘录、其他资料等等,如想了解不同资料格式和写法,敬请关注!Download tips: This document is carefully compiled by the editor. I hope that after you download them, they can help you solve practical problems. The document can be customized and modified after downloading, please adjust and use it according to actual needs, thank you!In addition, our shop provides you with various types of practical materials, suchas educational essays, diary appreciation, sentence excerpts, ancient poems, classic articles, topic composition, work summary, word parsing, copy excerpts, other materials and so on, want to know different data formats and writing methods, please pay attention!跌落式熔断器停送电操作流程和注意事项介绍跌落式熔断器是一种用于保护电路安全的重要设备,它在电流超过设定值时自动断开电路,防止电路过载损坏设备或引发火灾。
1.产品用途跌落式熔断器是配电线路分支线和配电变压器最常用的一种短路保护开关,它具有经济、操作方便、适应户外环境性强等特点,被广泛应用于35kV配电线路和配电变压器一次侧作为保护和进行设备投、切操作之用。
它安装在10kv-35kV-66kv配电线路分支线上,可缩小停电范围,因其有一个明显的断开点,具备了隔离开关的功能,给检修段线路和设备创造了一个安全作业环境,增加了检修人员的安全感。
安装在配电变压器上,可以作为配电变压器的主保护,所以,在配电线路和配电变压器中得到了普及。
2.正常使用条件2.1环境温度:不高于+40℃,不低于-40℃;2.2海拔高度:不超过1000m;(高海拔型不超过3000m);2.3电源频率:50±2Hz;2.4地震烈度:7度以下2.5最大风速:35m/s3.主要技术参数跌落式熔断器由绝缘子、接触导电系统和熔管三部分组成。
正常工作时,熔丝使熔管上的活动关节锁紧,熔管在上触头的压力下处于合闸状态。
故障时,熔丝熔断,在熔管内产生电弧,熔管内衬的消弧管在电弧作用下分解出大量气体,在电流过零时产生强烈的去游离作用而熄灭电弧。
由于熔丝熔断,因而活动关节释放使熔管下垂,在上、下触头的弹力和熔管自重的作用下迅速跌落,形成明显的断开间隙。
4.熔断器选用安装地点的短路容量应在跌落式熔断器额定断流容量范围内。
若超越上限,则可能因电流过大,产气过多而使熔管爆炸;若低于下限,则有可能因电流过小,产气不足而无法熄灭电弧。
因此,在选择跌落式熔断器的额定容量时,既要考虑其上限开断电流与安装地点的最大短路电流相匹配,还要重视其下限开断容量与安装地点的最小短路电流的关系。
考虑到跌落式高压熔断器作为配电变压器内部故障的主保护,保护范围从低压熔断器变压器侧到高压熔断器变压器侧,而且又作为低压熔断器的后备保护,应以低压出口两相短路作为短路电流最小值来选择其下限开断容量。
5.熔丝的选择熔丝的选择应能保证配电变压器内部或高、低压出线套管发生短路时能迅速熔断。
RW10-12F
HRW10-12F
RW10-12概述RW10-12F、RW10-12F(M)熔断器适用于交流12kV的配电线路和配电高压电器的过载和短路保护以分合额定负荷电流之用,RW10-12F型为一般产品,其泄漏比距为2.2;RW10-12F(M)型为防盐雾型产品,泄漏比距为3.3,适用于高污秽地区使用,技术参数与12F型相同。
结构特征1、熔断器是由基座和消弧装置两大部分组成,工作触头设计为桥形结构,灭弧管下端装有能转动的弹簧支架,始终使熔丝处于紧张状态,以保证灭弧管在合闸位置时的自锁,线路或高压电器过载或短路时熔丝熔断,弹簧支架在扭簧的作用下,迅速将熔丝从灭弧管中抽出。
以减少燃弧时间和灭弧材质的消耗。
2、熔断管采用逐级排气结构,在开断小故障电流时,由于上端封闭,形成单端排气,使管内保持较大的压力,利于熄灭小故障电流,在开断大短路电流时,上端被冲开形成两端排气,以减少管内压力,防止在开断大短路电流时熔管为机械破坏,故本产品能可靠地开断上限断流容量至下限断流容量之间的任何电流。
3、熔断器装有灭弧室和弧触头,可分、合额定负荷电流,起到负荷开关的作用,分、合操作时使电弧在弧触头上产生,在灭弧室内熄灭,以保护工作触头不受电弧烧伤,灭弧室是采用新型工程塑料压制而成。
RW10-12F
户外高压交流跌落式熔断器
主要技术参数
138
外形与安装尺寸订货须知订货时须注时:1、产品名称及型号规格;2、熔丝的额定电流;3、订货数量;4、是否需要备品或配件。
RW10-12F
户外高压交流跌落式熔断器高压电器
139。
10-35kV跌落式熔断器技术规范书10kV及35kV跌落式熔断器技术规范书工程项目:广西电网公司年月目次1 总则2 使用条件3 技术参数和要求4 试验5 供货范围6 供方在投标时应提供的资料7 技术资料及图纸交付进度8 运输、储存、安装、运行和维护规则1( 总则结构、性能、安装和试验等方面的技术要求。
1.2 需方在本规范书中提出了最低限度的技术要求,并未规定所有的技术要求和适用的标准,供方应提供一套满足本规范书和所列标准要求的高质量产品及其相应服务。
1.3 供方须执行现行国家标准GB15166.3-94《交流高压熔断器、喷射式熔断器》和电力行业标准。
有矛盾时,按较高的标准执行。
2. 使用条件2.1 周围空气温度最高温度,40?最低温度 ,15?最大日温差 25K2.2 海拔高度小于1000m2.3 最大风速 35m/s2.4 环境湿度月平均相对湿度不大于90%日平均相对湿度不大于95%2.5 污秽等级:?级(除特别注明外)3. 技术参数和要求3.1额定绝缘水平 1.1 本规范书适用于10kV及35kV,50Hz电力系统中户内及户外跌落式熔断器,它提出设备的功能设计、13.2 3.3 3.4 3.5 3.6额定频率:50Hz熔断器除熔体外的零件、材料及介质的最高允许温度及允许温升按GB763,90中3.2条规定。
同型号同规格熔断器的安装尺寸统一、载熔件应具有互换性。
配用的绝缘瓷件应符合GB772,77《高压电瓷瓷件技术条件》的有关规定。
胶装于瓷件的金属附件应有防腐蚀措施,螺纹紧固件应有防松装置。
熔管应符合相应专业标准规定。
熔管的插入和拆卸简便,无需仔细对位和调整,进行合闸操作时,熔管精确到位,不会左右晃动和出现反弹或脱扣现象。
所用弹簧、螺栓、支件等均采用不锈钢材料加工。
导体连接片采用鳞铜电镀银处理。
3.7 3.8 3.9熔断器应有良好的机械稳定性,10kV跌落式熔断器应能承受500次以上,35kV 跌落式熔断器应能承受300次以上连续合分操作。
1. RW6-66产品用途RW6-66跌落式熔断器是配电线路分支线和配电变压器最常用的一种短路保护开关,它具有经济、操作方便、适应户外环境性强等特点,被广泛应用于35kV配电线路和配电变压器一次侧作为保护和进行设备投、切操作之用。
它安装在10kv-35kV-66kv配电线路分支线上,可缩小停电范围,因其有一个明显的断开点,具备了隔离开关的功能,给检修段线路和设备创造了一个安全作业环境,增加了检修人员的安全感。
安装在配电变压器上,可以作为配电变压器的主保护,所以,在配电线路和配电变压器中得到了普及。
2. RW6-66正常使用条件2.1环境温度:不高于+40℃,不低于-40℃;2.2海拔高度:不超过1000m;(高海拔型不超过3000m);2.3电源频率:50±2Hz;2.4地震烈度:7度以下2.5最大风速:35m/s3. RW6-66主要技术参数跌落式熔断器由绝缘子、接触导电系统和熔管三部分组成。
正常工作时,熔丝使熔管上的活动关节锁紧,熔管在上触头的压力下处于合闸状态。
故障时,熔丝熔断,在熔管内产生电弧,熔管内衬的消弧管在电弧作用下分解出大量气体,在电流过零时产生强烈的去游离作用而熄灭电弧。
由于熔丝熔断,因而活动关节释放使熔管下垂,在上、下触头的弹力和熔管自重的作用下迅速跌落,形成明显的断开间隙。
4. RW6-66熔断器选用安装地点的短路容量应在跌落式熔断器额定断流容量范围内。
若超越上限,则可能因电流过大,产气过多而使熔管爆炸;若低于下限,则有可能因电流过小,产气不足而无法熄灭电弧。
因此,在选择跌落式熔断器的额定容量时,既要考虑其上限开断电流与安装地点的最大短路电流相匹配,还要重视其下限开断容量与安装地点的最小短路电流的关系。
考虑到跌落式高压熔断器作为配电变压器内部故障的主保护,保护范围从低压熔断器变压器侧到高压熔断器变压器侧,而且又作为低压熔断器的后备保护,应以低压出口两相短路作为短路电流最小值来选择其下限开断容量。
RW10-10F型户外拉负荷跌落式熔断器一、用途RW10-10F型户外拉负荷跌落式熔断器适用于交流50Hz,额定电压为10kV的电力系统中作输电线路及电力变压器的短路、过负荷保护,可分、合负荷电流代替柱上油开关。
采用弹性主、副触头,操作简便,减轻线路工作维修的劳动强度。
二、适用范围1. 产品基本使用条件:(1) 海拔高度:普通型不超过1000m,高原型不超过4000m;(2) 环境温度不高于+40℃,不低于-40℃。
2. 产品不适用于下述场所:(1) 有燃烧或爆炸危险场所;(2) 有剧烈震动或冲击场所;(3) 有导电、化学气体作用及严重赃污、盐雾地区。
三、动作原理及结构特征结构如图15-6所示,它由绝缘支架、熔丝管及灭弧罩三部分组成,静触头安装在绝缘支架两端,动触头安装地熔丝管两端,辅助触头安装在灭弧罩内。
产品运行时系串联在线路中。
正常工作时,当熔丝张紧后,使熔丝管上的活动关节锁紧,故熔丝管能在上静触头的压力下处于合闸位置,当系统发生故障时,故障电流使熔丝迅速熔断并形成电弧,熔丝管内衬的钢纸管受电弧迅速拉长。
在电流过零时,由于强烈去游离作用而熄灭。
熔丝熔断后,下部动触头失去张力而下翻,使锁紧机构释放,熔丝管在触头弹力和熔丝管自身重量的作用下,回转跌落、形成明显可见的隔离间隙。
熔丝管采用钢纸管——环氧玻璃布复合制成,在制造时直接将环氧玻璃布卷绕在钢纸管上,故有较高机械强度,并能保证连三次顺利开断额定断流容量。
熔丝管采用逐级排气新结构,正常时上端封闭,可防止雨水浸入,在开断小故障电流时,由于上端封闭,形成单端排气,使管内保持有较大的压力,以利熄灭小故障电流,而开断大故障电流时,上端被冲开,形成二端排气,以减少管内压力,防止开断大故障电流时熔丝管机械破坏,有效的解决自产气电器开断大小电流的矛盾。
故本产品能可靠开断上限断流容量至下限断流容量之间任何电流。
产品同时具有拉负荷功能,在需要拉负荷的时候,用绝缘杆拉开动触头,此时,主动静触头分离,辅助触头仍然接触,继续用绝缘杆拉动触头,辅助触头也分离,在辅助触头之间产生电弧,电弧在灭弧罩狭缝中被拉长,同时灭弧罩产生气体,在电流过零时将电弧熄灭。
跌落式熔断器的正确操作方法在广泛的实践中,通过对高压跌落式熔断器操作的不断总结,人们发现三相负荷在开断第一相时,断口电压较低,产生电弧小;开断第二相时,断口电压较高,切断电路后往往出现强烈的电弧,易使邻相短路;最后拉第三相时,因电路已无电流,也就不会产生电唬因此,拉第二相是确保安全的关键。
另外,气流对操作的安全影响也较为明显,当气流将电弧拉长后有可能引起相间短路,造成大的弧光,危及操作人员的安全。
一般的跌落式熔断器没有消弧装置,所以在变压器停送电时,为了防止电弧烧伤事故,应避免带负荷拉闸。
变压器停电时,先拉低压侧各分路(支路)开关,再拉低压线路总开关,最后拉变压器高压熔断器,变压器送电操作顺序与此相反。
为了防止误操作,在拉合高压熔断器之前,应先检查低压开关是否在断开位置。
RW-10F型跌落式熔断器带有灭弧罩和灭弧触头,可以拉、合变压器的额定电流。
因此不受以上操作顺序的限制。
为安全起见,工作人员在操作高压跌落式熔断器时,应注意以下事项:一、操作人员在拉开跌落式熔断器时,必须使用电压等级适合,经过试验合格的绝缘杆,穿绝缘鞋、戴绝缘手套、绝缘帽和防目镜或站在干燥的木台上,并有人监护,以保人身安全。
二、操作人员在拉、合跌落式熔断器开始或终了时,不得有冲击。
冲击将会损伤熔断器,如将绝缘子拉断、撞裂,鸭嘴撞偏,操作环拉掉、撞断等。
工作人员在对跌落式熔断器分、合操作时,千万不要用力过猛,发生冲击,以免损坏熔断器,且分、合必须到位。
来源:输配电设备网合熔断器的过程用力是慢(开始)--快(当动触头临近静触头时)--慢(当动触头临近合闸终了时)。
拉熔断器的过程用力是慢(开始)--快(当动触头临近静触头时)--慢(当动触头临近拉闸终了时)。
快是为了防止电弧造成电器短路和灼伤触头,慢是为了防止操作冲击力,造成熔断器机械损伤。
三、配电变压器停送电操作顺序:在一般情况下,停电时应先拉开负荷侧的低压开关,再拉开电源侧的高压跌落式熔断器。
1. RW12产品用途RW12跌落式熔断器是配电线路分支线和配电变压器最常用的一种短路保护开关,它具有经济、操作方便、适应户外环境性强等特点,被广泛应用于35kV配电线路和配电变压器一次侧作为保护和进行设备投、切操作之用。
它安装在10kv-35kV-66kv配电线路分支线上,可缩小停电范围,因其有一个明显的断开点,具备了隔离开关的功能,给检修段线路和设备创造了一个安全作业环境,增加了检修人员的安全感。
安装在配电变压器上,可以作为配电变压器的主保护,所以,在配电线路和配电变压器中得到了普及。
2. RW12正常使用条件2.1环境温度:不高于+40℃,不低于-40℃;2.2海拔高度:不超过1000m;(高海拔型不超过3000m);2.3电源频率:50±2Hz;2.4地震烈度:7度以下2.5最大风速:35m/s3. RW12主要技术参数跌落式熔断器由绝缘子、接触导电系统和熔管三部分组成。
正常工作时,熔丝使熔管上的活动关节锁紧,熔管在上触头的压力下处于合闸状态。
故障时,熔丝熔断,在熔管内产生电弧,熔管内衬的消弧管在电弧作用下分解出大量气体,在电流过零时产生强烈的去游离作用而熄灭电弧。
由于熔丝熔断,因而活动关节释放使熔管下垂,在上、下触头的弹力和熔管自重的作用下迅速跌落,形成明显的断开间隙。
4. RW12熔断器选用安装地点的短路容量应在跌落式熔断器额定断流容量范围内。
若超越上限,则可能因电流过大,产气过多而使熔管爆炸;若低于下限,则有可能因电流过小,产气不足而无法熄灭电弧。
因此,在选择跌落式熔断器的额定容量时,既要考虑其上限开断电流与安装地点的最大短路电流相匹配,还要重视其下限开断容量与安装地点的最小短路电流的关系。
考虑到跌落式高压熔断器作为配电变压器内部故障的主保护,保护范围从低压熔断器变压器侧到高压熔断器变压器侧,而且又作为低压熔断器的后备保护,应以低压出口两相短路作为短路电流最小值来选择其下限开断容量。
跌落式熔断器操作操作高压熔断器,绝缘措施应齐备。
专人监护应落实,操作步骤按顺序。
停电操作熔断器,先拉中相后两边。
送电操作熔断器,先合边相后中间。
遇到大风雨或雪,操作顺序有规定。
1)操作人员在拉开跌落式熔断器时,必须使用电压等级适合、经过试验合格的绝缘杆,穿绝缘鞋、戴绝缘手套、绝缘帽和防目镜或站在干燥的木台上,并有专人监护,以保人身安全,如图所示。
2)操作时,如发现疑问或发生异常故障,均应停止操作,待问题查清后,方可继续进行操作。
停止操作的目的是不允许在有疑问的情况下盲目进行操作。
当变压器出现严重故障的征兆(声音异常、喷油等)时,如设备异常响声、异常光亮(火花)、指示仪表或继电器异常指示、闻到异常气味等,均应停止对高压跌落式熔断器进行操作,查找原因。
跌落式熔断器的操作步骤如下。
1)接受操作任务,正确填写操作票。
2)操作申请经批准后,组织相关人员勘察作业现场,研究安全措施、技术措施、危险点分析及预控措施。
3)现场核对设备名称、编号和位置,并装设安全遮拦,悬挂“止步,高压危险”标示牌。
4)监护人应对临近带电部位、现场危险点及控制措施进行交待。
5)停电操作时,应先拉中间相,后拉两边相。
送电时则先合两边相,后合中间相。
遇到大风时,要按先拉中间相,再拉背风相,最后拉迎风相的顺序进行停电。
送电时则应先合迎风相,再合背风相,最后合中间相,这样可以防止风吹电弧造成短路。
1)操作人员在拉、合跌落式熔断器的开始或终了时,不得有冲击。
冲击将会损伤熔断器,如将绝缘子拉断、撞裂,鸭嘴撞偏,操作环拉掉、撞断等。
2)在雨天或雪天里,一般不要操作跌落式熔断器。
不得不操作时,应使用具有防雨罩的绝缘杆。
雷电时则严禁操作跌落式熔断器和更换熔丝。
1.产品用途
跌落式熔断器是配电线路分支线和配电变压器最常用的一种短路保护开关,它具有经济、操作方便、适应户外环境性强等特点,被广泛应用于35kV配电线路和配电变压器一次侧作为保护和进行设备投、切操作之用。
它安装在
10kv-35kV-66kv配电线路分支线上,可缩小停电范围,因其有一个明显的断开点,具备了隔离开关的功能,给检修段线路和设备创造了一个安全作业环境,增加了检修人员的安全感。
安装在配电变压器上,可以作为配电变压器的主保护,所以,在配电线路和配电变压器中得到了普及。
2.正常使用条件
2.1环境温度:不高于+40℃,不低于-40℃;
2.2海拔高度:不超过1000m;(高海拔型不超过3000m);
2.3电源频率:50±2Hz;
2.4地震烈度:7度以下2.5最大风速:35m/s
3.主要技术参数
跌落式熔断器由绝缘子、接触导电系统和熔管三部分组成。
正常工作时,熔丝使熔管上的活动关节锁紧,熔管在上触头的压力下处于合闸状态。
故障时,熔丝熔断,在熔管内产生电弧,熔管内衬的消弧管在电弧作用下分解出大量气体,在电流过零时产生强烈的去游离作用而熄灭电弧。
由于熔丝熔断,因而活动关节释放使熔管下垂,在上、下触头的弹力和熔管自重的作用下迅速跌落,形成明显的断开间隙。
4.熔断器选用
安装地点的短路容量应在跌落式熔断器额定断流容量范围内。
若超越上限,则可能因电流过大,产气过多而使熔管爆炸;若低于下限,则有可能因电流过小,产气不足而无法熄灭电弧。
因此,在选择跌落式熔断器的额定容量时,既要考
虑其上限开断电流与安装地点的最大短路电流相匹配,还要重视其下限开断容量与安装地点的最小短路电流的关系。
考虑到跌落式高压熔断器作为配电变压器内部故障的主保护,保护范围从低压熔断器变压器侧到高压熔断器变压器侧,而且又作为低压熔断器的后备保护,应以低压出口两相短路作为短路电流最小值来选择其下限开断容量。
5.熔丝的选择
熔丝的选择应能保证配电变压器内部或高、低压出线套管发生短路时能迅速熔断。
实践中常按以下原则选择:配电变压器容量为160kVA以下的,熔丝按变压器额定电流的2~3倍来选;配电变压器容量为160kVA及以上的,按1.5~2
倍选择。
熔丝的选择还必需考虑熔丝的熔断特性能否与上级保护时间相配合,这是决定采用熔丝保护能否生效的关键问题。
配电线路的速断保护动作时间很短,约为0.1s 左右。
根据熔丝的特性曲线,在0.1s内使熔丝熔断的电流应不小于
额定电流的20倍。
这一数据是保证熔丝与首端断路器配合的必要条件。
6.跌落式熔断器的安装
(1)安装时应将熔体拉紧(使熔体大约受到24.5N左右的拉力),否则容易引起触头发热。
(2)熔断器安装在横担(构架)上应牢固可靠,不能有任何的晃动或摇晃现象。
(3)熔管应有向下25°±2°的倾角,以利熔体熔断时熔管能依靠自身重量迅速
跌落。
(4)熔断器应安装在离地面垂直距离不小于4m的横担(构架)上,若安装在配电变压器上方,应与配变的最外轮廓边界保持0.5m以上的水平距离,以防万一熔管掉落引发其他事故。
(5)熔管的长度应调整适中,要求合闸后鸭嘴舌头能扣住触头长度的三分之二以上,以免在运行中发生自行跌落的误动作,熔管亦不可顶死鸭嘴,以防止熔体熔断后熔管不能及时跌落。
(6)所使用的熔体必须是正规厂家的标准产品,并具有一定的机械强度,一般要求熔体最少能承受147N以上的拉力。
(7) 10kV跌落式熔断器安装在户外,要求相间距离大于70cm。
7.熔断器的运行维护管理
(1)熔断器具额定电流与熔断体及负荷电流值是否匹配合适,若配合不当必须进行调整。
(2)熔断器的每次操作须仔细认真,不可粗心大意,特别是合闸操作,必须使动、静触头接触良好。
(3)要尽量避免跌落式熔断器连续多次断开额定遮断容量,对熔管内壁为钢纸管的熔断器,连续开额定遮断容量不应超过三次。
(4)熔管内必须使用正规厂家生产的标准熔体,禁止用铜丝铝丝代替熔断体,更不准用铜丝、铝丝及铁丝将触头绑扎住使用。
(5)对新安装或更换的熔断器,要严格验收工序,必须满足规程质量要求。
(6)熔断体熔断后应更换新的同规格熔体,不可将熔断后的熔体联结起来再装入熔管继续使用。
(7)应定期对熔断器进行巡视,每月不少于一次夜间巡视,查看有无放电火花和接触不良现象,不放电,会伴有嘶嘶的响声,要尽早安排处理。