220kV少油断路器大修后试验作业指导书
- 格式:docx
- 大小:196.13 KB
- 文档页数:18
目录一、范围 (2)二、施工验收技术规范标准 (2)三、施工准备 (2)四、项目组织机构及质量保障体系 (6)五、施工进度控制 (7)六、试验程序、方法、技术措施 (8)七、关键质量控制点 (15)八、质量验收指标 (16)九、安全管理体系与措施 (16)1、安全管理体系 (16)2、安全措施 (17)十、文明施工、环境保护管理体系与措施 (18)十一、施工作业危害分析、风险评价及相应的安全技术措施 (19)1、危险点分析 (20)2、安全技术措施 (20)十二、突发事件应急预案 (22)1、高空坠落人身伤亡事故应急预案 (23)2、触电人身伤亡事故应急预案 (25)十三、施工质量记录及HSE记录及档案资料管理 (28)十四、回访保修管理 (29)十五、施工过程质量记录、HSE记录样表 (30)断路器试验作业指导书一、范围本作业指导书适用于220KV(及以下电压)断路器试验作业,包括交接验收试验、预防性试验、大修后试验项目的引用标准、仪器设备要求作业程序、试验结果判断方法和试验注意事项等。
该试验的目的是判定220KV(及以下电压)断路器的状况,能否投入使用或继续使用。
制定本指导书的目的是规范试验操作、保证试验结果的准确性,为设备运行、监督、检修提供依据。
二、施工验收技术规范标准下列文件中的条款通过本作业指导书的引用而成为本作业指导书的条款。
凡是注日期的引用文件,其随后所有的修改单或修订版均不适用于本作业指导书,然而,鼓励根据本作业指导书达成协议的各方研究是否可使用这些文件的最新版本。
凡是不注日期的引用文件,其最新版本适用于本作业指导书。
三、施工准备3.1现场准备3.2材料准备3.3施工技术准备3.4施工人员配备及相关资质要求3.5资料准备3.6 施工机具及检验仪器设备配备四、项目组织机构及质量保障体系五施工进度控制六、试验程序、方法、技术措施2、试验项目和试验标准3、试验方法及主要设备要求3.1辅助和控制回路绝缘电阻及交流耐压3.1.1使用仪器测量断路器辅助和控制回路绝缘电阻使用1000V兆欧表,辅助和控制回路交流耐压值为1000V,可采用普通试验变压器或2500V兆欧表代替。
大唐XX 发电有限责任公司企业标准Q/×× ××× ××××—××××检修作业指导书作业项目:220KV LW7型断路器 作业日期: 批 准: 审 核: 编 制:2009-12-31修订 2010-01-01实施大唐XX 发电有限责任公司发布Q/DTSM ××220KV LW7型断路器检修作业指导书1 目的1.1规范检修行为,确保220KV LW7型断路器修后达到原设计要求。
1.2本作业指导书为所有参加本项目的工作人员所共同遵循的质量保证程序。
2 范围适用于平顶山高压开关厂生产的LW7-220型220KVSF6断路器标准检修。
3 职责3.1工作负责人职责:组织得当、分工明确,对安全和质量负责,指定专人做好记录,确保记录真实、准确。
3.2 监护人职责:按安规要求对检修工的安全进行监护。
3.3 其他工作人员职责:按安规要求和作业指导书的要求认真完成工作负责人布置的任务。
3.4 质检员职责:负责项目质量验收、签证。
4 人员资质及配备4.1 专责检修工1名:具有从事电气一次专业五年以上工作经验,通过厂部组织的安规考试及拥有检修上岗资格证(集团公司技能鉴定本专业高级工及以上),熟悉设备结构与工作原理,具备较高的200KV电流互感器检修技能的资质或条件。
4.2 检修工4名:具有从事电气一次专业三年以上工作经验,通过厂部组织的安规考试及拥有检修上岗资格证,了解设备结构与工作原理,具备基本的220KV SF6断路器检修技能的资质或条件。
4.3 其他:吊车司机和起重工各1名(视检修性质及必要性可进行人员增减),具有通过厂部组织的安规考试及拥有特种检修上岗资格证的资质或条件。
架子工若干名,具有通过厂部组织的安规考试资格和劳动部门颁发的该行业上岗资格证5 检修内容(或流程)5.1 220KV SF6断路器检修前的准备工作。
6.3 高压试验作业指导书6.3.1结构由封面、范围、引用文件、试验准备、试验程序、试验总结、指导书执行情况评估和附录八项内容组成。
6.3.2内容及格式6。
3.2。
1封面a)内容由试验名称、编号、编制人及时间、审核人及时间、批准人及时间、试验负责人、试验工期、编写单位八项内容组成。
1)试验名称包含:试验地点、设备的电压等级、编号和试验的性质.如:“×××变电站×××kV×××线×××断路器大修试验指导书”。
2)编号应具有唯一性和可追溯性,便于查找。
可采用企业标准编号,Q/×××,位于封面的右上角。
3)编制人及时间负责作业指导书的编写.在指导书编写人一栏内签名,并注明编制时间。
4)审核人及时间负责作业指导书的审批,对编写的正确性负责。
在指导书审批人一栏内签名,并注明审核时间.5)批准人及时间作业指导书执行的许可人.在指导书批准人一栏内签名,并注明批准时间。
6)试验负责人组织执行作业指导书,对试验的安全准确负责.在指导书试验负责人一栏内签名。
7)试验工期现场作业具体工作时间.8)编制部门指作业指导书的具体编写单位。
b)格式6.3。
2.2范围对作业指导书的应用范围做出具体的规定。
如:本作业指导书针对×××变电站×××kV××线×××断路器大修试验工作,仅适用于该断路器的大修试验工作.6。
3.2.3引用文件明确编写作业指导书所引用的法规、规程、标准、设备说明书及企业管理规定和文件(按标准格式列出)。
6。
3.2.4试验前准备6。
3。
2.4.1准备工作安排a)内容1)明确作业项目、确定作业人员并组织学习作业指导书.2)明确准备检修所需仪器仪表的时间和要求;3)核定工作票的时间和要求;b)格式6。
电厂220kV开关站SF6断路器检修作业指导书1总则1.1 目的为了加强XXXXXX220KV组合电器检修技术工作,确保SF6断路器检修工作符合工艺质量和安全生产管理要求,并确保该工作全过程无不安全情况发生,确保SF6断路器检修后能安全、可靠地运行,所有参加本检修项目的工作人员、质检人员,必须遵循本质量保证程序。
1.2 范围本指导书适用于XXXXXX220kV开关站SF6断路器的检修。
2规范性引用文件(含验收标准等)《六氟化硫电气设备中气体管理和检测导测》 GB/T8905-1996《气体绝缘金属封闭开关设备现场耐压及绝缘试验导则》 DL/T 555—2004《电力设备预防性试验规程》DL/T 596-1996《电业安全工作规程》(发电厂和变电站电气部分)DL408—1991《发电企业设备检修导则》DL/T 838—2003《SF6气体绝缘全封闭组合电器》中国电力出版社 LSBN 7-80125-911-4《XXXXXXSF6断路器安装使用说明书》杭州西门子 2007年9月《桥巩220kV开关站检修规程》3 作业过程控制3.1 作业准备3.1.1 人员配备3.1.2工器具(安全工器具、作业工器具、安全防护用品、测量仪器等)3.1.3消耗材料包括备品3.2 作业过程及风险预控3.3 关键点作业质量标准及异常处理对策(可图示)3.4 验收、交接与其它标准要求3.4.1验收时间现场交接验收(以下简称现场验收)应在检修、调试完毕后、系统启动投运前进行。
检修项目现场验收的时间应根据现场验收内容的工作量决定,技术改造项目可根据工程实际情况采取阶段性验收。
3.4.2验收要求现场验收前,检修单位应编制验收方案报XXXXXX公司批准。
验收方案应包括验收依据、验收范围、验收时间、验收内容、验收工作组成员、验收配合组成员、验收组织措施、技术措施、安全措施。
3.4.3验收记录要求3.4.3.1按照验收内容及所列检修项目进行逐项检查、测试、逐项记录。
220kV断路器试验作业指导书
目次
前言 (II)
1 范围 (1)
2 规范性引用文件 (1)
3 标题 (1)
I
Q/DKJ 3XXXX—2006
II
前言
为了进一步搞好分公司生产、经营工作,提高技术管理和现场操作水平,促进分公司三个文明建设
健康协调发展,根据中国集团公司标准化管理相关规定和公司标准化工作的需要,结合分公司实际,按照GB/T 15497-2003《企业标准体系技术标准体系》、DL/T 800—2001《电力企业标准编写规则》,制定本标准。
本标准由分公司标准化委员会提出并归口。
本标准起草单位:试验金工部。
220kV断路器试验
1 范围
本标准规定了220kV断路器的试验方法。
本标准适用于额定电压为220kV及以下。
2 规范性引用文件
下列文件中的条款通过本标准的引用而成为本标准的条款。
凡是注日期的引用文件,其随后所有的修改单(不包括勘误的内容)或修订版均不适用于本标准,然而,鼓励根据本标准达成协议的各方研究是否可使用这些文件的最新版本。
凡是不注日期的引用文件,其最新版本适用于本标准。
GB/T 596-1996 《电力设备预防性试验规程》
《龚(铜)站绝缘监督规程》
3 发电机定子交流耐压
1
Q/DKJ 3XXXX—2006
2
3
Q/DKJ 3XXXX—2006
4
附录J
5
Q/DKJ 3XXXX—2006
6
7。
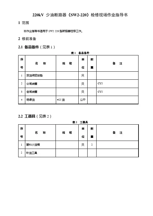
编号:Q/×××××变电站220kV××少油断路器大修后试验作业指导书编写:年月日审核:年月日批准:年月日试验负责人:试验日期年月日时至年月日时荆门供电公司×××第 1 页共16 页1适用范围本作业指导书适用于××变电站220kV×××少油断路器大修后试验。
2规范性引用文件下列标准及技术资料所包含的条文,通过在本作业指导书中引用,而构成为本作业指导书的条文。
本作业指导书出版时,所有版本均为有效。
所有标准及技术资料都会被修订,使用本作业指导书的各方应探讨使用下列标准及技术资料最新版本的可能性。
GB 1984--1989 交流高压断路器DL/T 596 --1996 电力设备预防性试验规程国家电网公司电力安全工作规程(变电站和发电厂电气部分)(试行)国家电网安监[2005]83号文3试验前准备工作3.1准备工作3.2人员要求3.3仪器仪表和工具3.4危险点分析3.5安全措施3.6试验分工4 试验程序4.1开工4.2试验项目和操作标准4.3竣工5 试验总结6 作业指导书执行情况评估良遗漏项存在问题改进意见7附录a.试验接线图:图1合、分闸时间及同期性试验接线图图2 直流泄漏试验接线图图3 工频串联谐振耐压试验接线图图4 变频串联谐振耐压试验接线图b.试验记录:220kV少油断路器大修后试验记录标志与编号试验日期试验负责人试验参加人。
Q/GZDW贵州电网公司企业标准Q/GZDW ××××-2009LW6-220型断路器检修作业指导书范本2009-**-**发布 2009-**-**实施贵州电网公司发布前言为使工作或作业活动有章可循,使工作(作业)安全风险和过程控制规范化,保证全过程安全和质量,根据南方电网公司生[2008]19号关于印发《作业指导书编写导则》的通知要求,贵州电网公司组织编写了《LW6-220型断路器检修作业指导书范本》,本范本用于指导和规范贵州电网公司系统各单位变电检修人员编写LW6-220型断路器检修的现场作业指导书,同时作为变电检修专业现场工作(作业)人员学习与培训资料。
本范本由贵州电网公司生产技术部提出、归口本范本主要编写单位:贵阳供电局本范本主要起草人:罗浩先陈世丹曹俊本范本主要审核人:孙建江田维国丁恒洪赖罗彬陈忠雷陈世丹本范本通过贵州电网公司标准化委员会批准,自颁布之日起实施。
执行中的问题和意见,请及时向贵州电网公司生产技术部反馈。
目次前言 (I)1 范围 (1)2 规范性引用文件 (1)3 支持文件 (1)4 术语和定义 (1)5 安全及预控措施 (1)6 作业准备 (2)7 作业周期 (3)8 工期定额 (4)9 设备主要参数 (4)10 工作流程 (6)11 作业项目、工艺要求和质量标准 (9)12 作业后的验收和交接 (17)13大修的判断标准和检修项目 (18)附录一 LW6-220断路器维修报告 (19)LW6-220型断路器检修作业指导书范本1 范围本规范适用于贵州电网公司LW6-220型断路器的维护和检修2 规范性引用文件下列标准、规程及技术资料所包含的条文,通过在本范本中引用,而构成为作业导则的条文。
本书出版时,所有标准都会被修订,适用本书的各方,应探讨适用标准最新版本的可能性。
GBJ 147—1990 电气装置安装工程: 高压电器施工及验收规范GB/T 11023—1989 高压开关设备SF6气体密封试验导则JB/T 9694—1999 SF6断路器通用技术条件DL 5009.3—1997 电力建设安全工作规程(变电所部分)DL/T 639—1997 SF6电气设备运行、试验及检修人员安全防护细则DL/T 596—1996 电力设备预防性试验规程3 支持文件LW6-220型断路器操作说明书4 术语和定义大修:断路器本体、传动部件、液压机构进行拆装、清洗、更换易损件,处理缺陷等操作。
少油断路器试验作业指导书1X围本作业指导书适用于少油断路器试验作业,包括交接验收试验、预防性试验、大修后试验项目的引用标准、仪器设备要求、作业程序、试验结果判断方法和试验须知事项等。
该试验的目的是判定少油断路器的状况,能否投入使用或继续使用。
制定本指导书的目的是规X试验操作、保证试验结果的准确性,为设备运行、监视、检修提供依据。
2规X性引用文件如下文件中的条款通过本作业指导书的引用而成为本作业指导书的条款。
但凡注日期的引用文件,其随后所有的修改单或修订版均不适用于本作业指导书,然而,鼓励根据本作业指导书达成协议的各方研究是否可使用这些文件的最新版本。
但凡不注日期的引用文件,其最新版本适用于本作业指导书。
GB 1984交流高压断路器GB/T 3309高压开关设备常温下的机械试验GB 50150电气装置安装工程电气设备交接试验标准3安全措施为保证人身和设备安全,在进展绝缘电阻、直流泄漏测量后应对试品充分放电;进展交流耐压试验直流泄漏等高压试验时,要求必须在试验设备周围设围栏并有专人监护,负责升压的人要随时注意周围的情况,一旦发现异常应立刻断开电源停止试验,查明原因并排除后方可继续试验。
4工作程序少油断路器试验应包括以下试验项目;a) 少油断路器整体和断口间绝缘电阻;b) 导电回路电阻;c) 合、分闸时间与同期性;d) 合、分闸速度;e) 断口并联电容器的电容量和tgδ;f) 合、分闸电磁铁的最低动作电压;g) 少油断路器的泄漏电流;h〕断路器主回路对地、断口间与相间交流耐压。
测量少油断路器整体和断口间绝缘电阻使用2500V兆欧表。
a) 对整体绝缘电阻参照制造厂规定或自行规定。
b) 断口和有机物制成的提升杆的绝缘电阻(MΩ)不应低于表1数值(20℃时)。
试验时应记录环境温度。
回路电阻测试仪〔要求不小于100A)或双臂直流电桥。
将少油断路器合闸,将导电回路测试仪试验线接至断路器一次接线端上,注意电压线接在内侧,电流线接在外侧。
220kV线路保护装臵检修作业指导书1.安全措施和注意事项1.1安全措施1.1.1断开220kV线路断路器,拉开断路器隔离刀闸,在断路器和刀闸操作把手悬挂“禁止合闸.有人工作”标示牌。
1.1.2在断路器出线侧悬挂三相短路接地线或推上地刀。
1.1.3断开断路器直流操作电源和信号电源小空开。
1.1.4断开交流电压小空开。
1.1.5拉开控制盘内220kV线路对应的公用信号电源小刀闸DK。
1.1.6按照安全措施卡(见附件一、二)做好相应安全措施。
1.1.7断开保护屏内220kV线路对应的CT二次端子盘内、外连接片。
1.2注意事项1.2.1安全注意事项1)认真执行《电业安全工作规程》、《工作票制度》及《继电保护和电网安全自动装臵现场工作保安规定》,认真履行《继电保护安全措施票》制度,工作中加强监护,不得误碰其他运行设备,严防继电保护“三误”事故的发生。
2)使用交直流电源时,应做好防止短路及人身触电措施。
3)严禁直流系统及电压互感器二次回路短路或接地,严禁电流互感器二次回路开路及永久接地点断开。
4)保护柜前后做好标志,将工作部分和运行部分严格分开。
5)在做安全措施时,应有专人监护,解开一个接线头应及时记录并用绝缘胶布包扎好后才能解开下一个线头;外部电源全部退出以后,还要用万用表检查保护装臵已无交直流电压,确证与其它外围回路已脱开。
6)《安全措施卡》必须由相关部门审核、签字、审批。
工作人员严格按照《安全措施卡》逐项执行(安全措施见附件1;附件2)逐项做好记录,并有专人监护检查。
7)严格按照《安全措施卡》逐项恢复逐项做好记录,并有专人监护检查。
1.2.2试验注意事项1)尽量少拔插装臵模件,不触摸模件电路,不带电插拔模件。
2)使用的电烙铁、示波器必须与屏柜可靠接地。
3)试验前应检查屏柜及装臵在运输中是否有明显的损伤或螺丝松动,特别是回路的螺丝及连片,不允许有丝毫松动的情况。
4)校对程序校验码及程序形成时间5)更换元件时使用瓦数较小的加热工具,并用散热较好工具夹住元件,速度要快、时间要短,以免元件和电路板局部过热。
少油断路器试验作业指导书1范围本作业指导书适用于少油断路器试验作业,包括交接验收试验、预防性试验、大修后试验项目的引用标准、仪器设备要求、作业程序、试验结果判断方法和试验注意事项等。
该试验的目的是判定少油断路器的状况,能否投入使用或继续使用。
制定本指导书的目的是规范试验操作、保证试验结果的准确性,为设备运行、监督、检修提供依据。
2规范性引用文件下列文件中的条款通过本作业指导书的引用而成为本作业指导书的条款。
凡是注日期的引用文件,其随后所有的修改单或修订版均不适用于本作业指导书,然而,鼓励根据本作业指导书达成协议的各方研究是否可使用这些文件的最新版本。
凡是不注日期的引用文件,其最新版本适用于本作业指导书。
GB 1984交流高压断路器GB/T 3309高压开关设备常温下的机械试验GB 50150电气装置安装工程电气设备交接试验标准3安全措施为保证人身和设备安全,在进行绝缘电阻、直流泄漏测量后应对试品充分放电;进行交流耐压试验直流泄漏等高压试验时,要求必须在试验设备周围设围栏并有专人监护,负责升压的人要随时注意周围的情况,一旦发现异常应立刻断开电源停止试验,查明原因并排除后方可继续试验。
4工作程序4.1试验项目少油断路器试验应包括以下试验项目;a) 少油断路器整体和断口间绝缘电阻;b) 导电回路电阻;c) 合、分闸时间及同期性;d) 合、分闸速度;e) 断口并联电容器的电容量和tgδ;f) 合、分闸电磁铁的最低动作电压;g) 少油断路器的泄漏电流;h)断路器主回路对地、断口间及相间交流耐压。
4.2试验方法及主要设备要求4.2.1少油断路器整体和断口间绝缘电阻4.2.1.1使用仪器测量少油断路器整体和断口间绝缘电阻使用2500V兆欧表。
4.2.1.2试验结果判断依据a) 对整体绝缘电阻参照制造厂规定或自行规定。
b) 断口和有机物制成的提升杆的绝缘电阻(MΩ)不应低于表1数值(20℃时)。
4.2.1.3注意事项试验时应记录环境温度。
断路器检修验收作业指导书一、前言断路器作为电力系统中的关键设备之一,具有保护电路和设备的重要功能。
为了确保断路器的正常运行和安全使用,每年都需要进行检修和验收工作。
本文档旨在提供一份详细的断路器检修验收作业指导书,以保证检修工作的高效进行。
二、检修前准备工作1. 检查工作票:在工作前,首先要核对工作票的内容和任务,确保对断路器的检修任务有清晰的理解。
2. 准备工具和设备:检修过程中需要使用到各种工具和设备,包括绝缘手套、电压表、扳手、绝缘垫等。
检查这些工具和设备是否完好,确保其安全可靠。
3. 检查工作区域:确保工作区域清洁,排除任何可能影响检修工作的障碍物。
确定工作区域附近的安全措施,如警示标志和防护栏等。
三、断路器检修步骤1. 检查断路器的外观和外部设备:检查断路器外观是否损坏,外部设备是否正常工作。
特别注意任何可能导致电气事故或故障的异常现象。
2. 检查操作机构:确保操作机构的灵活性和可靠性,检查手车和刀闸的运行情况。
对于液压操作机构,需检查液压系统的工作状态。
3. 检查接触器和触头:检查接触器接头的连接状态,确保接触良好。
检查触头的磨损情况,如有必要,进行磨损处理。
4. 检查绝缘状况:使用绝缘测试仪对断路器进行绝缘测试,确保绝缘状况合格。
特别注意控制回路和信号回路的绝缘状况。
5. 清洁断路器:使用专用的清洁剂和工具清洁断路器的内部和外部部件,确保无尘、无灰尘和无湿气。
6. 润滑和防护处理:对润滑点进行加注适量的润滑油,确保断路器运行时的顺畅性。
对于暴露在恶劣环境中的断路器,应对其外部进行防护处理。
四、断路器检修验收标准1. 外观检查:断路器的外观应无明显损坏和锈蚀,连接部分应紧固可靠,无松动和变形。
2. 操作机构检查:操作机构应灵活可靠,手车和刀闸的运行应顺畅无阻。
液压操作机构应无漏油现象。
3. 接触器和触头检查:接触器的接头应牢固连接,触头磨损情况应符合标准,如有必要,应进行更换。
4. 绝缘检查:使用绝缘测试仪对断路器进行绝缘测试,其绝缘电阻值应满足要求。
220KV SF6断路器高压试验作业指导书
编写:年月日审核:年月日批准:年月日作业负责人:
作业时间:年月日分至年月日分
小浪底水力发电厂发电维护分厂
1 试验前准备
1.1 准备工作安排
1.2 作业人员要求和到位人员监督1.
2.1 人员要求
1.2.2 到位人员监督项目
1.4 危险点分析及防范措施
1.5 安全注意事项
1.6 人员分工:
1.7召开班前会
2 现场试验准备阶段
3 现场试验阶段
4 现场结束阶段
4.1 试验工作结束阶段
4.2试验数据分析
4.2.1 设备的铭牌标识
4.2.2 SF6断路器试验记录表格附表1:
附表2:
5 召开班后会
6 作业指导书执行情况评估
小浪底水力发电厂一次室
2010年月日。
目录一、范围 (2)二、施工验收技术规范标准 (2)三、施工准备 (2)四、项目组织机构及质量保障体系 (6)五、施工进度控制 (7)六、试验程序、方法、技术措施 (8)七、关键质量控制点 (15)八、质量验收指标 (16)九、安全管理体系与措施 (16)1 、安全管理体系 (16)2 、安全措施 (17)十、文明施工、环境保护管理体系与措施 (18)十一、施工作业危害分析、风险评价及相应的安全技术措施 (19)1 、危险点分析 (20)2 、安全技术措施 (20)十二、突发事件应急预案 (22)1 、高空坠落人身伤亡事故应急预案 (23)2 、触电人身伤亡事故应急预案 (25)十三、施工质量记录及HSB己录及档案资料管理 (28)十四、回访保修管理 (29)十五、施工过程质量记录、HSE记录样表 (30)断路器试验作业指导书一、范围本作业指导书适用于220KV (及以下电压)断路器试验作业,包括交接验收试验、预防性试验、大修后试验项目的引用标准、仪器设备要求作业程序、试验结果判断方法和试验注意事项等。
该试验的目的是判定220KV (及以下电压)断路器的状况,能否投入使用或继续使用。
制定本指导书的目的是规范试验操作、保证试验结果的准确性,为设备运行、监督、检修提供依据。
二、施工验收技术规范标准下列文件中的条款通过本作业指导书的引用而成为本作业指导书的条款。
凡是注日期的引用文件,其随后所有的修改单或修订版均不适用于本作业指导书,然而,鼓励根据本作业指导书达成协议的各方研究是否可使用这些文件的最新版本。
凡是不注日期的引用文件,其最新版本适用于本作业指导书。
、施工准备3.2材料准备4、必要的安全设施及危险点预测和控制4.1试验区域周围应设警戒区绳,拉设警戒绳,并悬挂“止步、高压危险”警示牌4.2试验区域应光线充足。
4.3试验区域周围坑、洞应用盖板盖好。
5、主要文明施工措施及环保措施试验完毕,应将所有临时设施如警戒拉绳、接地线、测试线收回。
1 编写的目的及使用范围1.1 目的:为了便于更好地维护好断路器,保证断路器处在良好状态下运行,规范检修试验标准,编写本作业性指导书。
1.2 适用范围:电业局所属变电站,投运断路器设备。
1.3 对工作人员的要求:为了保证检修试验质量,做到标准化,规范化,必须按照本作业性指导书有条款进行。
1.4 引用标准:本作业性指导书涉及到的标准很多,大致可以分为两种,一种是所涉及设备的基本标准,一种是有关试验的标准。
为精练起见,择主要标准列入。
1.4.1《电气装置安装工程电气设备交接试验标准》GB 50150--91 国家技术监督局中华人民共和国建设部。
1.4.2《电力设备预防性试验规程》DL/T 596—1996 中华人民共和国电力行业1.4.3 各个厂家出厂试验报告。
因断路器的型号不同,断路器的导电回路电阻值以制造厂规定为标准。
1.4.4《电气装置工程施工及验收规范》工程建设标准规范2.断路器试验所需工器具2.1 断路器作业性指导书(Q/308-707。
23-2001) 1本2.2 电力设备预防性试验规程(DL/T 596-1996) 1本2.3 电气装置安装工程电气设备交接试验标准(GB50150-91) 1本、2.4 2500伏摇表试仪(ZG—114)1台2.5交流介损测试仪(AI-6000 ) 1台2.6导电回路电阻测试仪(5501) 1台2.7交流耐压装置(YGZ-100) 1套12.8温.湿度计 1个2.9具有保护装置的试验电源 1个3.断路器试验作业流程图(附表一)4.测量断路器的绝缘电阻4.1使用2500V兆欧表(电动或手摇)均可,测量断路器的分.合闸绝缘电阻。
标准按规程执行。
(DL/T 596-1996).(GB 50150-91)4.2 MD兆欧表操作规定4.2.1 MD兆欧表的使用操作4.2.1.1 断开被试设备电源,并使设备短路接地充分放电,对电容较大的设备放电时间不少于2分钟。
4.2.1.2 仪器检查:将兆欧表放置平稳,将零线接地,旋转开启按钮启动兆欧表,使表针向无限大。
220KV断路器高压试验作业指导书样本1 目的范围:规范作业,明确责任,本作业指导书适用于检修,该设备不同机组的检修,按本作业指导书的内容进行。
220KV开关大修高压试验。
2 引用标准:电力部颁发DL/T596-1996《电力设备预防性试验规程》GB50150-91《电气装置安装工程电气设备交接试验规程》。
3 术语:无专业术语。
4 职责:4.1工作负责人按工作规程组织工作,在作业书的□内打√以确认工作进行接口工作联系,填写质量记录。
4.2 工作成员按安全工作规程和本作业指导书进行工作。
4.3本作业指导书如有问题,所有人员应及时反馈,按文件和资料控制程序进行修改。
5 工作程序:5.1 工作人员配备与技能:5.1.1 工作负责人1名:具备3年以上220KV开关大修高压试验经验。
5.1.2 专责试验工1名:具备2年以上220KV开关大修高压试验经验。
5.1.3 试验工2名:具备电气试验知识。
5.2 使用设备仪器仪表:5.2.1 直流双臂电桥QJ-44一台及直阻测量线一套。
5.2.2 EGSIII-60/2直流高压发生器一套。
5.2.3 JDC-1兆欧表一块。
5.2.4 100KV试验变一台。
5.2.5 5KVA调压器一台。
5.2.6 电压表一块。
5.2.7 秒表一块。
5.2.8 计算器一个。
5.2.9 M-2000交流电桥一套。
5.2.10 绝缘绳一卷。
5.2.11 绝缘杆2根。
5.2.12 温度计一根。
5.2.13 电源线盘一个。
5.2.14 油试验器一套。
5.2.15 油瓶一个。
5.2.16 烘干箱一台。
5.2.17 遮拦一套。
5.2.18 地线、屏蔽线、双股花线若干。
5.3 消耗性材料:5.3.1 砂纸2张。
5.3.2 1.5伏甲电池一个,1.5伏5号电池12节。
5.3.3 棉纱一卷,洗涤灵一瓶。
5.4 工作流程:5.5 工作项目及工作要求:5.5.1工作前准备:5.5.1.1 工作前由工作负责人组织学习试验规程和本指导书。
编号:Q/×××××变电站 220kV××少油断路器大修后试验作业指导书编写:年月日审核:年月日批准:年月日试验负责人:试验日期年月日时至年月日时荆门供电公司×××1适用范围本作业指导书适用于××变电站 220kV×××少油断路器大修后试验。
2规范性引用文件下列标准及技术资料所包含的条文,通过在本作业指导书中引用,而构成为本作业指导书的条文。
本作业指导书出版时,所有版本均为有效。
所有标准及技术资料都会被修订,使用本作业指导书的各方应探讨使用下列标准及技术资料最新版本的可能性。
GB 1984- -1989交流高压断路器DL/T 596--1996电力设备预防性试验规程国家电网公司电力安全工作规程(变电站和发电厂电气部分)(试行)国家电网安监[2005]83号文3试验前准备工作3.1准备工作√序号内容标准责任人备注1确定试验项目,由工作负责人组织作业人员学习作业指导书试验项目符合相关规程、规定、规范2了解被试设备出厂和历史试验数据、检修运行情况,分析设备状况明确被试设备的试验情况3准备试验用仪器、仪表、工器具及材料仪器、仪表经过校验,在校验有效期内,具有校验报告,状况良好4办理第一种工作票 ( 在开工前一日预先送达运行人员 )符合工作票管理规定,符合安全工作规程3.2 人员要求√序号内容责任人备注1现场作业人员应身体健康、精神状态良好2作业人员必须经过专业及安全培训,并经考试合格3现场作业人员按要求着装3.3 仪器仪表和工具√序号名称型号及编号单位数量备注11000V 兆欧表台122500V 兆欧表台131000V 以上试验变压器台14回路电阻测试仪台1回路电阻测试仪要求不小于 100A5单臂电桥台16可调直流电压源台1电压:0~ 250V 直流;电流:≥ 5A;纹波系数:≤ 3%7电压表块10.5 级,交直流两用时间精度误差:≤ 0.1ms, 时8断路器特性测试仪台1间通道数应不少于 3 个,至少有一个模拟输入通道9介损测试仪台110直流发生器台160kV11交直流分压器台112谐振耐压试验装臵套113温湿度计只114导、地线根若干15作业平台16安全带3.4 危险点分析√序号内容2作业人员进入作业现场可能会发生走错间隔及与带电设备保持距离不够情况3试验现场不设安全围栏,会使非试验人员进入试验场地,造成触电4进行绝缘电阻测量和直流试验后不对试品充分放电,会发生电击5加压时无人监护,可能会造成误加压或非试验人员误入试验场地,造成触电6升压过程不实行呼唱制度,会造成人员触电7登高作业可能会发生高空坠落或瓷件损坏8试验设备接地不好,可能会对试验人员造成伤害9变更试验接线,不断开电源,可能会对试验人员造成伤害3.5 安全措施√序号内容1进入试验现场,试验人员必须戴安全帽,穿绝缘鞋2现场试验工作必须执行工作票制度、工作许可制度、工作监护制度、工作间断、转移和终结制度3试验现场应装设遮拦或围栏,悬挂“止步,高压危险!”的标示牌,并有人监护,严禁非试验人员进入试验场地4为保证人身和设备安全,在进行绝缘电阻测量和直流试验后应对试品充分放电5在现场进行试验工作时,根据带电设备的电压等级,试验人员应注意保持与带电体的安全距离不应小于《安规》中规定的距离6试验器具的金属外壳应可靠接地,试验仪器与设备的接线应牢固可靠7工作中如需使用检修平台登高作业时,应做好防止瓷件损坏和人员高空摔跌的安全措施8试验装臵的电源开关,应使用具有明显断开点的双极刀闸,并有可靠的过载保护装臵9开始试验前,负责人应对全体试验人员详细说明在试验区应注意的安全注意事项试验过程应有人监护并呼唱,试验人员在试验过程中注意力应高度集中,防止异常情况的发生。
当出现异常情况时,应立即停止试验,查10明原因后,方可继续试验11变更接线或试验结束时,应首先将加压设备的调压器回零,然后断开电源侧刀闸,并在试品和加压设备的输出端放电接地12外接直流电源进行试验时,应防止串入运行直流系统√序号内容13试验结束后,试验人员应拆除试验临时接地线,并对被试设备进行检查和清理现场14天气良好,试品及环境温度不低于+5℃,空气相对湿度不高于 80%。
3.6 试验分工√序号试验项目作业人员1辅助回路和控制回路交流耐压2合闸接触器和分、合闸电磁铁线圈的绝缘电阻和直流电阻3少油断路器整体和断口间绝缘电阻4导电回路电阻5合、分闸时间及同期性6合、分闸速度7断口并联电容器的电容量和tg δ8合、分闸电磁铁的最低动作电压9少油断路器的泄漏电流10断路器提升杆的交流耐压11断路器主回路对地、断口交流耐压4试验程序4.1 开工√序号内容作业人员签字工作负责人全面检查现场安全措施是否与工作票一致,是否与现场设备相1符工作负责人向工作人员交待作业任务、安全措施和注意事项,明确作业范2围4.2 试验项目和操作标准√序号试验项目试验方法安全措施及注意事项试验标准责任人签字1 2 3 4辅助和控制辅助和控制回路交流耐压值为试验中回路中不应有其它不应有击穿情况2000V.工作进行,使用兆欧表测量回路交流耐后应充分放电压合闸接触器使用单臂电桥测量合闸接触器和测量后应充分放电1.绝缘电阻不低于2MΩ和分、合闸电分合闸电磁铁线圈的直流电阻,2.直流电阻应符合制造磁铁线圈的使用 1000V 兆欧表测量绝缘电阻厂规定直流电阻和绝缘电阻使用 2500V 兆欧表测量少油断路测量后充分放电对整体绝缘电阻参照制器整体和断口间绝缘电阻造厂规定或自行规定少油断路器断口和有机物制成的提整体和断口升杆的绝缘电阻(MΩ)间绝缘电阻大修后不应低于(20℃时): 5000 M Ω将少油断路器合闸,将导电回路接线时应做好防感应电触大修后导电回路电阻数测试仪试验线接至断路器一次接电和防止高空坠落措施,注值应符合制造厂的规定线端上,电压线接在内侧,电流意保持与带电设备距离线接在外侧。
如采用直流压降法测量,则电流应不小于 100A。
导电回路电阻√序号试验项目试验方法安全措施及注意事项试验标准责任人签字断路器的合、5分闸时间及同期性6合、分闸速度将断路器特性测试仪的合、分1、测试断路器的合闸时间断路器合、分闸时间与闸控制线分别接入断路器二次控和分闸时间应在额定操作合、分闸不同期应符合制制线中,用试验接线将断路器一电压(气压、液压)下进行。
造厂的规定次各断口的引线接入测试仪的时2、试验时也可采用站内直间通道。
试验接线如图 1。
流电源作为操作电源;如果将可调直流电源调至额定操作存在第二分闸回路,则应测电压,通过控制断路器特性测试量第二分闸的分闸时间、同仪,在额定操作电压及额定机构期性和同相各断口的分闸2压力下对少油断路器进行分、合的同期性。
操作,得出是各相合、分闸时间。
3、采用外接直流电源时,三相合闸时间中的最大值与最小应防止串入站内运行直流值之差即为合闸不同期;三相分系统闸时间中的最大值与最小值之差即为分闸不同期。
如果少油断路器每相存在多个断口,则应同时测量各个断口的合、分时间,并得出同相各断口合、分闸的不同期。
本项试验可结合断路器合、分闸1、测试断路器的合闸时间合、分闸速度应符合制造时间试验同时进行,将测速传感和分闸速度应在额定操作厂的规定器可靠固定,并将传感器运动部电压(气压、液压)下进行。
分牢固连接至断路器动触杆上。
利用断路器特性测试仪进行断路2、采用外接直流电源时,器合、分操作,根据所得的行程应防止串入站内运行直流-时间曲线求得合、分闸速度系统√序号试验项目试验方法安全措施及注意事项试验标准责任人签字断路器处于分闸位臵时,参照各1.介质损耗试验中高压测 1 、电容值偏差应在额定介损测试仪进行试验接线,试验试线电压约为 10kV,应注意值的± 5%的范围内。
采用正接线法测试高压线对地绝缘问题2、 10kV 下的 tg δ值不大断口并联电和人身安全于下列数值:7容器的电容2.介损电桥应接地良好油纸绝缘 0.005量和 tg δ腹纸复合绝缘0.0025将直流电源的输出经刀闸分别采用外接直流电源时,应防 1. 操动机构分、合闸电磁接入断路器二次控制线的合闸或止串入站内运行直流系统铁或合闸接触器端子上分闸回路中,在一个较低电压下的最低动作电压应在操迅速合上并拉开直流电源出线刀作额定电压值的30%~闸,断路器不会动作,逐步提高65%间。
此电压值,重复以上步骤,当断 2. 在使用电磁机构时,合路器正确动作时,记录此前的电闸电磁铁线圈通流时的压值。
则分别为合、分闸电磁铁端电压为操作电压额定的最低动作电压值值的 80%(关合电流峰值合、分闸电磁等于及大于50KA 时为8铁的最低动85%)时应可靠动作。
作电压√序号试验项目少油断路器9的泄漏电流试验方法安全措施及注意事项试验标准责任人签字1. 断路器断开,并将其引线短路试验设备周围设围栏并有40kV 电压下,断路器泄漏接地。
将试验高压引线接至断路专人监护,试验过程应有人电流不应大于10μ A。
器三角箱位臵。
监护并呼唱。
252kV 及以上少油断路器2. 按接线图准备试验,保证所有高压引线应采用屏蔽线,引提升杆(包括支持瓷瓶)试验设备、仪表仪器接线正确、线外层泄漏电流不计入试的泄漏电流大于5μ A 时,指示正确。
品泄漏。
应引起注意。
3. 记录环境温度和湿度。
必要时应在绝缘子表面进任一级试验电压时,泄漏4. 确认一切正常后开始试验。
先行屏蔽,减小绝缘外表面泄电流的指示不应有剧烈空载分段加压至试验电压(40kV)漏对试验读数的影响。
摆动。
以检查试验设备绝缘是否良好、变更接线时,应断开加压设若试验结果数值较大,应接线是否正确。
期间读取各分段备的电源,并在试品和加压对各断口及提升杆分别的空载泄漏电流,如 1~ 2 微安可设备的高压输出端放电接进行试验,以确定缺陷位忽略不计,但较大时应在测试相地。
臵。
对应的分段泄漏电流内扣除。
5. 将直流电源输出加在被试断路器上,从零开始升压,试验电压按 0.5Un 分阶段升高,每阶段停留 1min,并记录每段电压开始和1min 时微安表的电流值。
6. 该相断路器试验完毕,将电压降为零,切断电源,必须等到充分放电后再进行其他操作。
√序号试验项目试验方法安全措施及注意事项试验标准责任人签字耐压设备不能满足要求时可分段试验设备周围设围栏并有试验中无击穿、闪络进行,分段数不应超过 6 段,加专人监护,试验过程应有人压时间为 5min. 每段试验电压可监护并呼唱,负责升压的人取整段试验电压值除以分段数所要随时注意周围的情况,一得值的 1.2 。
旦发现异常应立刻断开电源停止试验,查明原因并排断路器提升除后方可继续试验。