消防验收规范标准水
- 格式:doc
- 大小:99.00 KB
- 文档页数:14
一张表看懂消防设施验收合格标准消防设施验收合格标准《消防给水及消火栓系统技术规范》GB50974-201413.2.18 系统工程质量验收判定条件应符合下列规定:1 系统工程质量缺陷应按本规范附录F要求划分。
2 系统验收合格判定应为A=0,且B≤2,且B+C≤6为合格;3 系统验收当不符合本条第2款要求时应为不合格。
《自动喷水灭火系统施工及验收规范》GB50261-20178.0.13系统工程质量验收判定应符合下列规定:1 系统工程质量缺陷应按本规范附录F要求划分:严重缺陷项(A),重缺陷项(B),轻缺陷项(C)。
2 系统验收合格判定的条件为:A=0,且B≤2,且B+C≤6为合格,否则为不合格。
《火灾自动报警系统施工及验收标准》GB50166-20195.0.6 系统检测、验收结果判定准则应符合下列规定:1 A类项目不合格数量为0、B类项目不合格数量小于或等于2、B类项目不合格数量与C类项目不合格数量之和小于或等于检查项目数量5%的,系统检测、验收结果应为合格;2 不符合本条第1款合格判定准则的,系统检测、验收结果应为不合格。
《建筑防烟排烟系统技术标准》GB51251-20178.2.7 系统工程质量验收判定条件应符合下列规定:1 系统的设备、部件型号规格与设计不符,无出厂质量合格证明文件及符合国家市场准入制度规定的文件,系统验收不符合本标准第8.2.2条~第8.2.6条任一款功能及主要性能参数要求的,定为A类不合格;2 不符合本标准第8.1.4条任一款要求的定为 B类不合格;3 不符合本标准第8.2.1条任一款要求的定为 C类不合格;4 系统验收合格判定应为:A=0且B≤2,B+C≤6为合格,否则为不合格。
《气体灭火系统施工及验收规范》GB50263-20077.1.2 系统工程验收应按本规范表D-1进行资料核查;并按本规范表D-2进行工程质量验收,验收项目有1项为不合格时判定系统为不合格。
《建筑灭火器配置验收与检查规范》GB50444-20084.3.2 灭火器配置验收的判定规则应符合下列要求:1 缺陷项目应按本规范附录B的规定划分为:严重缺陷项(A)、重缺陷项(B)和轻缺陷项(C)。
消防水枪系统验收标准1. 引言本文档旨在规范消防水枪系统的验收标准,保障消防设备的正常运行及灭火效果。
验收标准应包括系统安装、管路连接、水枪选型、性能测试等方面的评估。
2. 验收范围验收范围包括消防水枪系统的整体设计、材料、工艺安装等方面。
3. 验收标准3.1 系统安装1. 子系统和部件的安装应符合相关设计要求,并按照法规进行安全操作。
2. 安装过程中应注意保护系统各部分不受损坏。
3. 系统安装完成后,应进行全面的功能性测试。
3.2 管路连接1. 管路应符合相关设计要求,材料应符合国家标准。
2. 管路连接应牢固可靠,无明显渗漏。
3.3 水枪选型1. 水枪应符合国家标准,并提供有效的喷射距离和喷射角度。
2. 在规定工作范围内,水枪应保持稳定的喷射性能。
3.4 性能测试1. 按照相关标准进行性能测试,包括水流量、喷射距离、喷射角度等参数的测试。
2. 性能测试结果应符合相关国家或地区标准要求。
4. 验收要求4.1 验收流程1. 确认系统安装完成,并进行功能性测试。
2. 检查管路连接,确保无渗漏。
3. 检查水枪选型是否符合要求,进行性能测试。
4.2 验收文件验收过程中应编制相关文件,包括系统安装记录、管路连接验收记录、水枪选型及性能测试报告等。
4.3 问题处理在验收过程中发现的问题应及时进行处理,确保系统的完整性和正常运行。
5. 验收结论根据相关验收标准,验证消防水枪系统是否符合设计要求、功能正常、性能稳定,以及管路连接牢固可靠。
验收结论应详细说明系统的验收结果,并提出必要的改进意见和建议。
6. 参考文献- 国家消防标准 xxxxx- 消防设施验收规则 xxxxx- 相关设计规范和报告。
建筑物消防设施的检验与验收标准在建筑领域中,消防设施的检验与验收是确保建筑物符合消防安全要求的重要环节。
本文将介绍建筑物消防设施的检验与验收标准,并详细说明各项标准的内容和要求。
一、消防设施检验标准1. 现场消防水系统检查现场消防水系统检查包括水源设备、供水管网、消火栓、喷淋系统等的功能检测和运行试验。
标准要求设备和管网的安装位置合理,工作正常,水流量和水压满足要求,喷水效果良好等。
2. 烟雾探测器检验烟雾探测器检验主要包括烟雾灵敏度测试、报警信号传输测试等内容。
标准要求烟雾探测器在实际烟雾环境下能够准确检测烟雾并发出及时、有效的报警信号。
3. 火灾报警系统检验火灾报警系统检验包括火灾报警控制盘、火灾手动报警按钮、声光报警器等设备的功能检测和防误报测试。
标准要求火灾报警系统能够及时准确地发出警报,同时能够避免虚假报警。
4. 自动喷水灭火系统检验自动喷水灭火系统检验主要包括喷头喷射范围、喷水量和喷水时间等方面的测试。
标准要求自动喷水灭火系统能够在火灾发生时,快速有效地进行自动喷水灭火。
二、消防设施验收标准1. 消防设备与布局验收检验消防设备是否按照设计要求进行布局,并确保各项设备安装符合相关标准和规范。
验收时要检查消防设备的数量、位置和布局是否满足建筑物的消防要求。
2. 设备性能验收验收各项消防设备的性能是否符合设计要求和相关标准。
例如,检查灭火装置的喷射范围、喷水强度、喷水时间等是否满足要求。
3. 运行可靠性验收检验消防设备的运行是否稳定可靠,并能正常工作。
包括检查电源设备、控制设备、传感器等的运行状态,确保设备在需要时能够及时启动和工作。
4. 人员培训和操作验收检验建筑物管理人员是否接受了消防设施操作和应急处理的培训,并能够正确、熟练地操作使用消防设施。
三、消防设施检验与验收的重要性消防设施的检验与验收是保障建筑物安全的重要环节。
通过严格的检验与验收程序,可以确保消防设施的质量和性能符合相关标准和规范,提高建筑物的防火能力,减少火灾发生的可能性,保护人员生命财产安全。
最新消防验收规范标准消防验收是确保建筑物在投入使用前满足消防安全要求的重要环节。
最新消防验收规范标准旨在提高建筑物的防火性能,保护人民生命财产安全。
以下是最新的消防验收规范标准内容:一、总则1. 消防验收应遵循国家有关法律法规,确保建筑物的消防安全性能符合国家标准。
2. 建筑物的消防设计、施工、验收等各个环节均应符合消防安全要求。
3. 消防验收应由具备相应资质的消防机构或专业人员进行。
二、消防设计审查1. 建筑物的消防设计应经过专业审查,确保设计方案的合理性和安全性。
2. 设计文件应包括消防设施布局、消防通道设置、消防水源、疏散指示及安全出口等内容。
三、施工过程中的监督1. 施工过程中,应定期对消防设施的安装和施工质量进行监督检查。
2. 发现问题应及时整改,确保施工质量符合设计要求和消防规范。
四、消防设施的验收1. 消防设施包括但不限于消防报警系统、自动喷水灭火系统、消防栓系统、灭火器等。
2. 验收时应检查消防设施的安装位置、数量、功能是否符合设计要求和消防规范。
五、疏散通道和安全出口的验收1. 疏散通道应保持畅通无阻,不得堆放杂物。
2. 安全出口应设置明显的指示标志,并确保在紧急情况下可以迅速疏散人员。
六、消防水源的验收1. 消防水源应充足可靠,包括市政供水、消防水池、消防水泵等。
2. 应定期检查水源的供应能力,确保在火灾发生时能够及时供水。
七、电气消防设施的验收1. 电气消防设施应符合电气安全规范,包括电气线路、开关、插座等。
2. 应检查电气设备的防火性能,确保在火灾情况下不会成为火源。
八、验收后的管理1. 建筑物投入使用后,应定期对消防设施进行检查和维护,确保其正常运行。
2. 应建立消防应急预案,组织消防演练,提高人员的消防安全意识和应急处置能力。
九、法律责任1. 对于不按照消防验收规范标准进行设计、施工、验收的单位或个人,将依法追究其法律责任。
2. 建筑物所有者或管理者应承担消防安全的主体责任,确保建筑物的消防安全。
标准目 次 前言................................................................................................一...............II 1、范围...............................................................................................................1 2、规范性引用文件 (1)项目类别的确定及要求.......................................................................................1 4、火灾自动报警系统.............................................................................................2 5、水灭火系统......................................................................................................13 6、气体灭火系统 (32)防排烟装置......................................................................................................49 8、火灾应急照明和疏散指示标志..............................................................................52 9、消防电源及其配电.............................................................................................54 10、防火卷帘、防火门 (55)资料…………………………………………………………………………………………………61 12、检验规则……………………………………………………………………………………………62 13、检测结果处理………………………………………………………………………………………63前 言准共分13章,适用于7类建筑消防设施的检测,即:火灾自动报警系统、水灭火系统、气体灭火系统、防排烟装置、火灾应急照明和疏散指示标志、消防电梯及其配电、防火卷帘及防火门等。
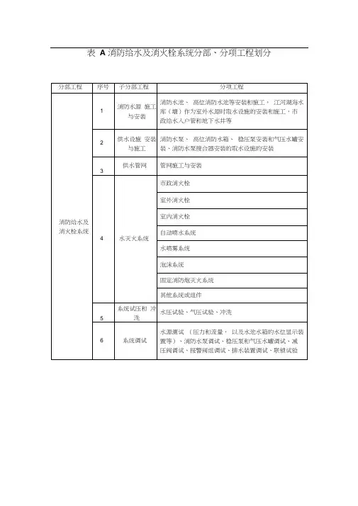
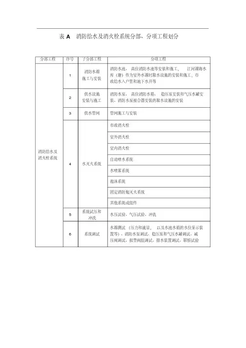
表 A 消防给水及消火栓系统分部、分项工程划分表 B 施工现场质量管理检查记录表 C.0.1 消防给水及消火栓系统施工过程质量检查记录表 C.0.4 消防给水及消火栓系统联锁试验记录表 D 消防给水及消火栓系统工程质量控制资料检查记录表 E 消防给水系统及消火栓系统工程验收记录童年时,家是一声呼唤。
那时的我似乎比今日的孩子拥有更多的自由。
放学后,不会先在父母前露面,而是与左右相邻的小朋友聚在一起,天马行空,玩的天昏地暗,直至街上的人散去,听见焦急的父母在四处:“回家了,吃饭了。
” 这样的声音伴着我的童年,月复一月,迄今仍在我的耳畔回响。
我常常在思考“家”究竟是什么?有人说:家是酝酿爱与幸福的酒坊,是盛满温馨和感动等待品味的酒杯。
是在疲惫时回到家后爱人真情的拥抱,是彼此相守默默注视的目光⋯⋯还有人说:家是风雨中的一间小屋,家是大雪天里的一杯热酒,家是一次次失败后的鼓励⋯⋯家是忙碌奔波疲惫时。
最想回去好好休息的温床。
家是在外面受委屈回来后,可以痛痛快快哭一场而没人笑你软弱的地方。
家是日行千里夜走八百后。
离你最远却始终与你记忆最近的画面。
无论你的人生是如何的辉煌或者是落魄。
家。
永远是你最牵挂的地方。
太平时,家是一座博物馆,又是一个加油站。
家里的一本书一封信一帧照片,都可以引出一段属于你们家的故事,流传天南与地北;一把茶壶一顶帽子一把椅子,都储存着家的文化传统和信息,绵延一代又一代。
家,简简单单的一个字,却包含了太多,只有亲情才是无法泯灭的永恒。
自古以来,无数诗人咏唱过游子的思家之情。
“渔灯暗,客梦回,一声声滴人心碎。
孤舟五更家万里,是离人几行情泪。
”家是游子梦魂萦绕的永远的岸。
童年时,家是一声呼唤。
那时的我似乎比今日的孩子拥有更多的自由。
放学后,不会先在父母前露面,而是与左右相邻的小朋友聚在一起,天马行空,玩的天昏地暗,直至街上的人散去,听见焦急的父母在四处:“回家了,吃饭了。
” 这样的声音伴着我的童年,月复一月,迄今仍在我的耳畔回响。
消防验收规范标准(最新完整版)
消防验收是指对建筑物、设施设备、工程工地等进行检查和评估,以确定其是否达到相关的消防安全要求的过程。
下面是最新的消防验收规范标准的概述:
1. 消防验收的目的:保障建筑物及相关设施设备的消防安全,防止火灾事故的发生。
2. 适用范围:适用于建筑物、设施设备、工程工地等的消防验收工作。
3. 检查内容:主要包括建筑结构、火灾自动报警系统、自动喷水灭火系统、消防电源与电气系统、室内消防设施等方面的检查。
4. 检查标准:依据国家相关的建筑消防技术规范、消防产品技术标准、消防安全管理要求等进行检查。
5. 检查程序:包括申请验收、初步安全评估、消防设施设备的审查、现场检查、驳回整改、复查等步骤。
6. 验收结果:根据检查情况,验收结果分为合格、不合格和待整改三种情况。
7. 验收文件:验收完成后,应出具相应的验收报告,并将其作为建筑物消防安全管理工作的依据。
8. 监督检查:消防部门会定期进行监督检查,对已验收的建筑物及相关设施设备进行随机检查,确保其消防安全状态的持续符合标准要求。
以上是消防验收的规范标准的概述,具体要求和细节可以参考相应的国家法律法规、技术标准和管理规定。
建筑物消防水系统施工与验收规范一、引言消防水系统是建筑物中非常重要的一部分,对保护人员生命安全和财产起着关键作用。
因此,建筑物消防水系统的施工与验收必须严格遵守规范,确保系统的可靠性和有效性。
本文将介绍建筑物消防水系统的施工与验收规范。
二、消防水系统施工规范2.1 设计准备2.1.1 设计单位应根据建筑物类型和需求,制定合理的消防水系统设计方案。
2.1.2 设计方案应符合相关建筑规范和消防安全要求,确保系统的可靠性和有效性。
2.1.3 设计单位应对施工单位提供必要的技术指导和协助,保证设计方案的顺利实施。
2.2 材料选择与采购2.2.1 施工单位应根据设计方案的要求,选择符合国家标准的消防设备和材料。
2.2.2 材料的采购应严格按照法律法规进行,确保材料的质量和合格证明文件的真实性。
2.3 施工质量要求2.3.1 施工单位应组织施工人员进行专业培训,确保施工人员具备必要的技能和知识。
2.3.2 施工单位应按照设计方案和相关施工规范进行施工,确保施工质量符合要求。
2.3.3 施工单位应定期对施工现场进行安全检查,及时整改存在的安全隐患。
2.4 安装与调试2.4.1 施工单位应按照设计方案进行设备及管道的安装,确保安装位置合理、连接可靠。
2.4.2 安装完成后,施工单位应进行系统调试,确保设备和管道的正常运行。
三、消防水系统验收规范3.1 施工验收准备3.1.1 施工单位应提供施工记录、设备及材料合格证明等相关文件。
3.1.2 验收单位应组织验收人员进行专业培训,熟悉消防水系统的验收标准和要求。
3.2 验收过程3.2.1 验收单位应按照设计方案和相关验收标准,对系统的设备、管道、控制系统等进行检查。
3.2.2 验收单位应严格按照验收标准,对设备的性能、安装位置、连接方式等进行检测和评估。
3.2.3 如发现问题或存在不符合要求的情况,应及时提出整改意见,要求施工单位进行改进。
3.3 验收报告3.3.1 验收单位应制作详细的验收报告,包括系统的整体情况、存在的问题及整改意见等内容。
消防水验收规范消防工程设备众多,水池、水箱、水泵、阀门等通过管线连接在一起,系统就形成了,但是这远远不够,还有好多的试验和调试需要相关人员去做,才能保障消防的功能,才能通过消防验收。
一、水压试验1:系统试压原则系统试压按先总管,后干管,再支管的原则进行;管道试压按系统分段进行,消防总管每一区域为一单体,消防喷淋支管地下室以每一区域为一单体。
暗装及埋地的管道在隐蔽前做好单项水压试验,管道系统安装完后进行整体水压试验。
2:分段试压分段试压前应根据现场条件确定供水点,试压后的排水应有组织的排放,不得污染其他已施工完的管线、设备等。
系统试压时先绘制试压系统图,并按规定设置盲板和排放口。
3:测试点设置水压强度试验的测试点设在管网的最低点。
试验压力为工作压力的1.5倍且不低于1.5MPa。
对管网注水时,应先将管网内的空气排净,并缓缓升压,达到试验压力后,消防给水管道系统在试验压力下10min内压力降不应大于0.02MPa,然后降至工作压力进行检查,压力应保持不变,不渗不漏。
二、水冲洗1:管道试压完毕,即可做冲洗,在正式交工前,用市政自来水连续冲洗,观察水箱内与水池口出水,清浊度、透明度、色泽与进水比较基本一致为止。
冲洗顺序是先室外、后室内,先地下、后地上,室内管网分为几个环路冲洗。
2:调节阀,过滤器的滤网及有关仪表在管道试压冲洗后安装。
冲洗时水流不得经过所有设备。
冲洗后的管道要及时封堵,防止污物进入。
三、水源测试检查消防水箱的容积、标高是否符合设计要求。
核实消防水泵结合器数量和供水能力,通过移动式消防水泵结合器作供水试验,验证供水能力能否满足设计要求。
四、消防水泵测试以手动或自动方式启动时,应在5min内正常运行,备用电源切换后,水泵应在90s内投入正常运行。
五、稳压泵测试模拟设计启动条件,稳压泵应该立即启动;当达到系统设计压力时,稳压泵应自动停止运行。
六、报警阀测试1:湿式报警阀在试水装置处放水,报警阀应及时开启,并延时5~90s内,水力警铃应报警,同时水流指示器输出报警电信号,压力开关接通电路报警,并应启动消防水泵。
消防工程质量验收规范消防工程质量验收是对已完工的消防工程的质量进行评估和验收的过程。
以下是消防工程质量验收的规范:一、消防工程质量验收的原则:1. 法律依据原则:验收过程要根据国家和地方的消防法律法规进行,确保消防工程的合法性和符合要求。
2. 安全性原则:验收时要重点考核消防工程的安全性,以确保在火灾发生时能够及时、有效地进行灭火和疏散。
3. 实用性原则:验收过程中要考虑消防工程的实际使用情况,确保设计和施工的合理性和可行性。
4. 经济性原则:验收要考虑消防工程的投入和效益,确保在合理的成本内获得最佳的消防效果。
二、消防工程质量验收的程序:1. 验收前准备:消防工程完工后,由建设单位提出验收申请,同时提供相关的设计文件、施工记录、试验报告和材料质保证明等。
2. 验收组成:消防工程质量验收由建设单位、设计单位、施工单位、消防监督机构等组成的验收组进行。
3. 验收内容:验收主要涉及消防设施的设计合理性、施工质量、材料质量、设备性能等各个方面的评估。
4. 验收形式:验收可以通过现场检查、抽样检测、实际测试、模拟演练等形式进行,确保验收评估的客观性和全面性。
5. 验收结论:验收组根据验收结果,提出验收结论,包括合格、合格带询问和不合格等评定,并对不合格项提出整改要求。
三、消防工程质量验收的标准:1. 设计标准:验收时要重点考核消防工程的设计是否符合国家和地方的消防工程设计规范,包括消防设备的种类、布置、安装位置等。
2. 施工标准:验收时要重点考核消防工程的施工质量,包括消防设备的安装、连接、固定等是否符合要求。
3. 材料标准:验收时要重点考核消防工程所使用的材料的质量是否符合国家和地方的消防工程材料标准,包括耐火性能、防腐性能、导热性能等。
4. 设备性能标准:验收时要测试消防设备的性能是否符合设计要求,包括水泵的流量、压力、启动时间等。
四、消防工程质量验收的记录和报告:1. 验收记录:验收组应详细记录验收过程中的检查、测试、评估和整改情况,包括现场照片、测试数据、会议纪要等。
消防防火验收规范最新标准随着社会的发展和科技的进步,消防防火验收标准也在不断更新以适应新的建筑技术和材料。
以下是最新的消防防火验收规范的主要内容:一、总则1. 消防防火验收应遵循国家相关法律法规,确保建筑的消防安全。
2. 验收工作应由具备相应资质的消防部门或专业机构执行。
3. 建筑业主或建设单位应提供完整的建筑资料和必要的现场条件。
二、建筑结构防火1. 建筑结构设计应符合国家建筑防火设计规范。
2. 建筑材料和构件应具备相应的防火性能,并通过国家认可的防火性能测试。
3. 建筑的疏散通道、安全出口应满足人员安全疏散的要求。
三、消防设施验收1. 消防设施包括但不限于消防报警系统、自动喷水灭火系统、消火栓系统等。
2. 所有消防设施应按照设计文件进行安装,并进行功能测试。
3. 消防设施的验收应包括外观检查、性能测试和维护保养记录的审核。
四、电气防火1. 电气线路、设备应符合国家电气防火规范。
2. 电气设备应安装在适当的防火分区,并采取必要的防火隔离措施。
3. 电气系统的验收应包括电气安全检查和功能测试。
五、安全疏散1. 疏散通道应保持畅通,不得堆放杂物。
2. 安全出口的指示标志应清晰可见,并配备应急照明。
3. 疏散楼梯、电梯等应符合设计规范,确保在紧急情况下人员能够安全疏散。
六、消防水源1. 建筑应配备足够的消防水源,包括室外消火栓、室内消火栓、消防水池等。
2. 消防水源应定期检查,确保水源充足、水质合格。
3. 消防水源的验收应包括水源检查、供水能力测试和维护保养记录的审核。
七、消防培训与演练1. 建筑业主或管理单位应定期组织消防培训和演练。
2. 培训内容应包括消防安全知识、消防设施操作和疏散演练。
3. 演练应模拟真实火灾情况,检验消防设施的有效性和疏散计划的可行性。
八、验收结论1. 验收完成后,消防部门或专业机构应出具验收报告,明确指出验收结果。
2. 对于不符合规范的项目,应提出整改意见,并规定整改期限。
消防水系统验收流程及标准下载温馨提示:该文档是我店铺精心编制而成,希望大家下载以后,能够帮助大家解决实际的问题。
文档下载后可定制随意修改,请根据实际需要进行相应的调整和使用,谢谢!并且,本店铺为大家提供各种各样类型的实用资料,如教育随笔、日记赏析、句子摘抄、古诗大全、经典美文、话题作文、工作总结、词语解析、文案摘录、其他资料等等,如想了解不同资料格式和写法,敬请关注!Download tips: This document is carefully compiled by theeditor.I hope that after you download them,they can help yousolve practical problems. The document can be customized andmodified after downloading,please adjust and use it according toactual needs, thank you!In addition, our shop provides you with various types ofpractical materials,such as educational essays, diaryappreciation,sentence excerpts,ancient poems,classic articles,topic composition,work summary,word parsing,copy excerpts,other materials and so on,want to know different data formats andwriting methods,please pay attention!消防水系统验收流程及标准详解在建筑工程中,消防水系统是保障生命财产安全的重要设施。
消防设备检测与验收标准消防设备的检测和验收是保障人们生命财产安全的重要环节。
准确、规范的检测与验收工作可以确保消防设备的正常运行和有效性。
本文将介绍消防设备检测与验收的相关标准和要点。
一、火灾报警设备火灾报警设备是消防系统的核心组成部分,其检测和验收应符合以下标准:1. 火灾报警控制器的检测与验收应符合《火灾报警系统技术规范》(GB 16806-2014)的要求。
包括控制器的性能检测、显示功能测试、输入输出端口测试等。
2. 火灾报警探测器的检测与验收应符合《火灾报警系统技术规范》(GB 16806-2014)的要求。
包括探测器的感应性能测试、报警反应时间测试、灵敏度测试等。
3. 火灾手动报警按钮的检测与验收应符合《火灾报警系统技术规范》(GB 16806-2014)的要求。
包括按钮的触发可靠性测试、复位可靠性测试等。
4. 火灾声光报警器的检测与验收应符合《火灾报警系统技术规范》(GB 16806-2014)的要求。
包括报警声音强度测试、报警灯光亮度测试等。
二、灭火器材灭火器材的检测和验收应符合以下标准:1. 灭火器材的选择应符合《消防设施设计标准》(GB 50016-2014)的要求。
不同场所和用途的灭火器材选择应根据具体情况进行合理搭配。
2. 灭火器的外观检测与验收应注意判断其是否有明显的损坏、变形、漏气等情况。
3. 灭火器压力检测与验收应符合《灭火器检验规程》(GB 3836.1-2010)的要求。
包括灭火器内部压力是否正常、灭火剂容量是否达标等。
4. 自动灭火系统的检测与验收应符合《自动灭火系统设计规范》(GB 50362-2011)的要求。
包括系统的灭火剂充足性、喷头间距合理性等。
三、消防水源与消火栓设备消防水源与消火栓设备的检测和验收应符合以下标准:1. 消防水源的选择与验收应符合《消防给水设施设计标准》(GB 50157-2013)的要求。
包括水源的数量、水压、水质等。
2. 消火栓的检测与验收应符合《室内消火栓系统》(GB 50974-2014)和《室外消防栓》(GB 50286-2014)的要求。
消防给水系统验收中的要求和规定一、资料验收系统验收时,施工单位应供应下列资料:1. 竣工验收申请报告、设计文件、竣工资料。
2. 消防给水及消火栓系统的调试报告。
3. 工程质量事故处理报告。
4. 施工现场质量管理检查记录。
5. 消防给水及消火栓系统施工过程质量管理检查记录。
6. 消防给水及消火栓系统质量控制检查资料。
二、设备验收1. 消防水泵消防水泵验收应符合下列要求:1)消防水泵运转应安稳,应无不良噪声的振动。
2)工作泵、备用泵、吸水管、出水管及出水管上的泄压阀、水锤消退设施、止回阀、信号阀等的规格、型号、数量,应符合设计要求;吸水管、出水管上的控制阀应锁定在常开位置,并应有显然标记。
3)消防水泵应采用自灌式引水方式,并应保证所有有效储水被有效利用。
4)分离开启系统中的每一个末端试水装置、试水阀和实验消火栓,水流指示器、压力开关、压力开关(管网)、高位消防水箱流量开关等信号的功能,均应符合设计要求。
5)打开消防水泵出水管上试水阀,当采用主电源启动消防水泵时,消防水泵应启动正常;关掉主电源,主、备电源应能正常切换;备用泵启动和互相切换正常;消防水泵就地和远程启停功能应正常。
6)消防水泵停泵时,水锤消退设施后的压力不应超过水泵出口设计工作压力的1.4倍。
7)消防水泵启动控制应置于自动启动挡。
8)采用固定和移动式流量计和压力表测试消防水泵的性能,水泵性能应满意设计要求。
2. 稳压泵稳压泵验收应符合下列要求:1)稳压泵的型号性能等应符合设计要求。
2)稳压泵的控制应符合设计要求,并应有防止稳压泵频繁启动的技术措施。
3)稳压泵在1h内的启停次数应符合设计要求,并不宜大于15次/h。
4)稳压泵供电应正常,自动手动启停应正常;关掉主电源,主、备电源应能正常切换。
5)气压水罐的有效容积以及调整容积应符合设计要求,并应满意稳压泵的启停要求。
3. 减压阀减压阀验收应符合下列要求:1)减压阀的型号、规格、设计压力和设计流量应符合设计要求;2)减压阀阀前应有过滤器,过滤器的过滤面积和孔径应符合设计要求和规范的的相关规定。
精心整理5 水灭火系统5.1 消防给水5.1.1 消防水池技术要求:a)消防水池的有效容量,应在消防技术规范规定的火灾延续时间内,满足室内、室外消防用水总量的要求。
b)消防水池应采取自动补水措施。
c)供消防车取水的消防水池应设取水口,其水深应保证消防车的吸水高度不超过6m。
d)取水口与被保护高层建筑的外墙距离不宜小于5m,并不宜大于100m。
e)寒冷地区的消防水池应采取防冻措施。
f)合用水池应采取确保消防用水量不作他用的技术措施。
检验类别:a) c) f)A,b) e)B,d)C检验器具:皮尺。
检验方法:计算水池容积是否符合要求,有无补水措施、防冻措施以及消防用水的保证措施,测量取水口高度和位置是否符合技术要求。
5.1.2 消防水箱技术要求:a)容积应符合GBJl6—87、GB50045—95的要求。
b)水箱间的主要通道宽度不应小于1.0m。
c)钢板水箱四周检查通道宽度不应小于0.7m。
d)水箱顶至建筑结构最低点的净距不应小于0.6m。
e)宜安装水位指示器。
f)水压达不到要求时,应采取增压措施。
g)应有补水措施,当发生火灾时由消防水泵供给的消防用水不应进入消防水箱。
h)消防用水与其它用水合用水箱时,应有确保消防用水不作它用的技术措施。
i)应按设计要求安装进、出水管和溢流管、泄水管,溢流管、泄水管不得与排水系统直接连接。
j)管道穿过钢板水箱处宜直接焊接,焊接处应做防锈处理;管道穿过楼板或墙体时,应安装套管。
检验类别:a) f) g) h)A,i)B,b) c) d) e) j)C检验器具:O一5m钢卷尺。
检验方法:测量水箱的容积、安装标高及位置是否符合技术要求;查看水箱的进出水管、溢流管、泄水管、水位指示、单向阀、水箱补水及增压设施是否符合技术要求;查看管道与水箱之间的连接是否有保护措施。
5.1.3 气压给水装置技术要求:a)气压水罐的容积应符合消防技术规范要求。
b)气压水罐的工作压力应符合设计要求。
5 水灭火系统5.1 消防给水5.1.1 消防水池技术要求:a)消防水池的有效容量,应在消防技术规范规定的火灾延续时间内,满足室内、室外消防用水总量的要求。
b)消防水池应采取自动补水措施。
c)供消防车取水的消防水池应设取水口,其水深应保证消防车的吸水高度不超过6m。
d)取水口与被保护高层建造的外墙距离不宜小于5m,并不宜大于100m。
e)寒冷地区的消防水池应采取防冻措施。
f)合用水池应采取确保消防用水量不作他用的技术措施。
检验类别:a) c) f)A,b) e)B,d)C检验器具:皮尺。
检验方法:计算水池容积是否符合要求,有无补水措施、防冻措施以及消防用水的保证措施,测量取水口高度和位置是否符合技术要求。
5.1.2 消防水箱技术要求:a)容积应符合GBJl6—87 、GB50045—95 的要求。
b)水箱间的主要通道宽度不应小于1.0m。
c)钢板水箱四周检查通道宽度不应小于0.7m。
d)水箱顶至建造结构最低点的净距不应小于0.6m。
e)宜安装水位指示器。
f)水压达不到要求时,应采取增压措施。
g)应有补水措施,当发生火灾时由消防水泵供给的消防用水不应进入消防水箱。
h)消防用水与其它用水合用水箱时,应有确保消防用水不作它用的技术措施。
i)应按设计要求安装进、出水管和溢流管、泄水管,溢流管、泄水管不得与排水系统直接连接。
j)管道穿过钢板水箱处宜直接焊接,焊接处应做防锈处理;管道穿过楼板或者墙体时,应安装套管。
检验类别:a) f) g) h)A,i)B,b) c) d) e) j)C检验器具:O 一5m 钢卷尺。
检验方法:测量水箱的容积、安装标高及位置是否符合技术要求;查看水箱的进出水管、溢流管、泄水管、水位指示、单向阀、水箱补水及增压设施是否符合技术要求;查看管道与水箱之间的连接是否有保护措施。
5.1.3 气压给水装置技术要求:a)气压水罐的容积应符合消防技术规范要求。
b)气压水罐的工作压力应符合设计要求。
5 水灭火系统5.1 消防给水5.1.1 消防水池技术要求:a)消防水池的有效容量,应在消防技术规范规定的火灾延续时间内,满足室内、室外消防用水总量的要求。
b)消防水池应采取自动补水措施。
c)供消防车取水的消防水池应设取水口,其水深应保证消防车的吸水高度不超过6m。
d)取水口与被保护高层建筑的外墙距离不宜小于5m,并不宜大于100m。
e)寒冷地区的消防水池应采取防冻措施。
f)合用水池应采取确保消防用水量不作他用的技术措施。
检验类别:a) c) f)A,b) e)B,d)C检验器具:皮尺。
检验方法:计算水池容积是否符合要求,有无补水措施、防冻措施以及消防用水的保证措施,测量取水口高度和位置是否符合技术要求。
5.1.2 消防水箱技术要求:a)容积应符合GBJl6—87、GB50045—95的要求。
b)水箱间的主要通道宽度不应小于1.0m。
c)钢板水箱四周检查通道宽度不应小于0.7m。
d)水箱顶至建筑结构最低点的净距不应小于0.6m。
e)宜安装水位指示器。
f)水压达不到要求时,应采取增压措施。
g)应有补水措施,当发生火灾时由消防水泵供给的消防用水不应进入消防水箱。
h)消防用水与其它用水合用水箱时,应有确保消防用水不作它用的技术措施。
i)应按设计要求安装进、出水管和溢流管、泄水管,溢流管、泄水管不得与排水系统直接连接。
j)管道穿过钢板水箱处宜直接焊接,焊接处应做防锈处理;管道穿过楼板或墙体时,应安装套管。
检验类别:a) f) g) h)A,i)B,b) c) d) e) j)C检验器具:O一5m钢卷尺。
检验方法:测量水箱的容积、安装标高及位置是否符合技术要求;查看水箱的进出水管、溢流管、泄水管、水位指示、单向阀、水箱补水及增压设施是否符合技术要求;查看管道与水箱之间的连接是否有保护措施。
5.1.3 气压给水装置技术要求:a)气压水罐的容积应符合消防技术规范要求。
b)气压水罐的工作压力应符合设计要求。
c)气压水罐与其供水泵应配套,罐上安装安全阀、压力表、泄水管、宜装水位指示器。
d)气压给水装置的进出水管、充气管上应安装止回阀和闸阀,充气管上还应装安全阀和气压表。
e)设有室内消火栓和自动喷水灭火系统时,气压给水装置的调节水容量不宜小于450I。
f)气压给水装置应采用双电源或双回路电源。
g)设备的四周应设检修通道,其宽度不应小于0.7m,罐体上任何部件距离地面都不应小于0.5m,罐顶至建筑物结构最低点的距离不应小于 1.0m。
h)气压水罐外观应完整无损、无锈蚀。
i)功能符合设计要求。
检验类别2b) f) i)A,a) c) d) e)B,g) h)C检验器具:0一5m钢卷尺。
检验方法:查看气压水罐的容积、工作压力及调节储水容量是否符合设计和规范要求;测量气压给水装置周围净空距离是否符合技术要求;查看气压给水装置的外观以及电源是否符合技术要求;手动、自动测试其功能是否符合设计要求。
5.1.4 消防水泵a)系统使用的水泵(包括备用泵、稳压泵)铭牌的规格、型号、性能指标应符合设计要求,应有产品合格证和质量检b)设备应完整、无损坏及腐蚀等。
c)当水泵轴功率大于17Kw时,安装时宜采取减震措施;若泵房单独设立,水泵能够正常运行,且运动振动不影响周围环境时,可不采取减震措施。
d)与动力机械应直接连接。
e)应保证在5min内开始工作。
f)应设备用电源,主电源断开,备用电源应自动投入运行。
g)消防给水系统应设消防备用泵,其工作能力不应小于其中最大一台消防工作泵。
且主泵停止运行,备用泵应能自动切换运行。
h)消防泵手动按钮启动,消防控制中心应显示信号并启动消防泵。
i)应采用自灌式吸水,或采用其它迅速、可靠的充水设备。
j)吸水阀离水池底的距离不应小于吸水管管径的2倍。
k)一组消防水泵吸水管应单独设置且不应少于两条,当其中一条损坏或检修时,其余吸水管应能通过需要供水量。
l)吸水管上必须装设控制阀门(不应采用蝶阀),其直径不应小于泵吸水口直径。
m)水泵出水管上应按设计安装阀门、止回阀和压力表,并且应安装实验和检查用的放水阀门。
n)出水管径应符合设计要求。
o)流量应符合规范要求。
检验类别:e)f)g)i)o)A,a)d)h)j)k)n)B,b)c)1)m)C检验器具:0一5m钢卷尺,0一300mm游标卡尺。
检验方法:检查产品铭牌及外观是否符合技术要求;水泵轴功率大于17Kw时是否有减震措施;水泵与动力机械是否直接连接;主电源、主泵停止运行时,备用电源、备用泵是否自动投入运行;查看水泵吸水方式、吸水管设置及吸水管数量是否符合技术要求;查看水泵出水管径及流量是否符合规范要求。
5.1.5水泵接合器技术要求:a)规格、型号、数量符合设计要求。
b)应设在便于与消防车连接的地点,其周围15—40m内应设室外消火栓或消防水池。
c)水泵接合器的组装应按接扣、本体及联接管、止回阀、安全阀、放空管、控制阀的顺序进行。
止回阀的方向应保证消防水能从水泵接合器进入系统。
d)地下式水泵接合器接口至井盖的B巨离不宜大于0.45m,接口应正对井口。
e)当采用地下式时其井盖上应有明显标志,井内应有防水防锈措施。
f)墙壁式水泵接合器上方不宜设置门窗洞口;与门窗洞口的左右距离不宜小于1.2m;接口至地面的距离宜为O.7m。
检验类别:a)c)A,d)B,b)e)f)C检验器具:0一50m卷尺,泵浦消防车。
检验方法:查看水泵接合器的安装位置、规格型号数量及阀门安装情况,检查地下式水泵接合器是否有明显标志和锈蚀现象,测量水泵接合器与室外消火栓(或消防水池)的距离是否符合技术要求,各种水泵接合器的安装位置是否符合要求;通过泵浦消防车与水泵接合器相接向建筑物管网送水和加压,查看压力和水量是否达到设计要求。
5.2 自动喷水灭火系统5.2.1 湿式报警阀5.2.1.1 报警阀外观技术要求:a)铭牌、规格、型号及水流方向标志符合要求。
b)报警阀及其组件应完整无损,密封性好。
检验类别:a)B,b)C检验方法:目测。
5.2.1.2 报警阀安装技术要求:a)应安装在明显且便于操作的地点,报警阀处的地面应有相应的排水措施。
b)报警阀距地面高度宜为1.2m,两侧距墙不小于0.5m,正面距墙宜为1.2m。
c)报警阀前后应安装压力表,且应便于观测。
检验类别:a)c)B,b)d)C检验器具:0一5m钢卷尺。
检验方法:用卷尺测量报警阀的安装位置是否符合技术要求,查看报警阀附近有无相应的排水措施,查看压力表、排水管和试验阀的安装位置是否便于观测和试验。
5.2.1.3 延迟器安装技术要求:安装于报警阀与压力开关之间,或按产品说明书安装。
检验类别:B检验方法:目测。
5.2.1.4 水力警铃安装技术要求:a)设置位置符合设计要求或设在公共通道、有人的室内或值班室内。
b)应安装检修、测试用阀门。
c)应安装直径为20mm的滤水器。
d)宜装在报警阀附近,其与报警阀的连接管道应采用镀锌钢管,管径为15mm时,其长度不大于6m;管径为20mm 时,其长度不大于20m。
检验类别:a)b)c)d)C检验器具:卡尺、卷尺。
检验方法:查看水力警铃的安装位置是否合适,是否装有阀门和防水器;用卡尺测量输水管直径,用卷尺测量输水管长度是否符合技术要求。
5.2.1.5 供水总控制阀技术要求:a)开、关应灵活可靠,开、关状态应有明确标志。
b)开启状态时应有锁位措施。
检验类别:a)B,b)C检验方法:查看开、关状态及有无锁位措施。
5.2.1.6 压力开关安装技术要求:安装应符合设计要求,联接管应牢固可靠。
检验类别:B检验方法:查看压力开关及联接管安装情况。
5.2.1.7 报警阀控制喷头数量技术要求:采用闭式喷头的自动喷水灭火系统的每个报警阀控制喷头数量不宜超过下列规定:a)湿式和预作用喷水灭火系统为800个。
b)有排气装置的干式喷水灭火系统为500个,无排气装置的干式喷水灭火系统为250个。
检验类别:a)b)B检验方法:检查实际安装喷头数量。
5.2.1.8 报警阀功能试验技术要求:a)安装延迟器的湿式报警阀,系统放水后5—90s水力警铃应开始连续报警。
b)延迟器应能自动排水。
c)延迟器最大排水时间不应超过5min。
d)试验时压力开关应动作,控制盘应显示,消防泵应启动。
e)关闭报警阀门时,水力警铃应停止动作。
f)关闭报警阀门时,压力开关应停止动作。
g)关闭报警阀门时,延迟器无出水。
h)关闭报警阀门时,报警阀上下压力表指示正常。
检验类别:d)A,a)b)c)e)f)g)h)C检验器具:秒表。
检验方法:打开报警阀试水阀门放水,查看延迟器是否出水,将延迟器充满水后由排水口排出,记录排水时间;观察控制盘压力开关动作显示与否,消防泵是否启动;关闭报警阀试水阀门,观察水力警铃是否停止报警,压力开关5.2.2水流指示器技术要求:a)自动喷水灭火系统宜设水流指示器,水流指示器规格型号符合设计要求,外观不得有碰伤、污损。
b)布线应有穿管保护。
c)应垂直安装在分区水平配水干管上。
d)应将水流信号转换为电信号,送至报警器或控制中心指示火灾区域。
检验类别:a)b)c)d)B检验方法:检查水流指示器的外观及安装位置和质量,启动末端试验装置,检查其功能是否正常。
5.2.3 末端试验装置技术要求:a)在每个系统管网或分区管网的最末端应设置末端试水装置,对充气设备,末端应设排气阀。
b)末端试水装置包括压力表、试验阀、试验管或排水管。
c)试验管直径不小于25mm。
检验类别:a)b)c)C检验器具:卡尺。
检验方法:查看每分区最末端是否有试验装置,用卡尺测量试验装置的附件及试验管直径是否符合要求。
5.2.4 管道5.2.4.1 管道螺纹连接技术要求:管道变径时,丝扣连接应采用异径管零件,避免采用补芯;如需补芯时,不得用在弯头上,三通零件上只允许用一个,四通零件上不超过两个。
螺纹连接的密封填料应均匀附在管道的螺纹部分,拧紧螺纹时,不得将密封的材料挤入管内,连接后应将外部清理干净。
检验类别:C检验方法:查看管道连接外观及密封是否合格,变径处采用补芯的数量是否符合要求。
5.2.4.2 管道焊接连接技术要求:焊接时,异径管道的管径二者相差不应大于50mm,如大于50mm时,应采用大小头焊接。
表面不允许有裂缝、气孔、夹渣溶合性飞溅、咬边、凹陷、接头坡口错位等。
检验类别:C检验方法:目测。
5.2.4.3 管套技术要求:a)管道穿过建筑物的变形缝时,应设柔性短管;穿墙、楼板应加设套管,管道焊缝不应置于套管内。
b)穿墙套管长度不得小于墙厚,穿楼板套管应高出楼板或地面50mm。
c)套管与管道的间隙应采用不燃烧材料填塞密实。
检验类别:a)b)c)C检验器具:0一5m钢卷尺。
检验方法:测量套管高出楼板或地面的高度是否符合技术要求。
5.2.4.4 管路的加固技术要求:管道固定采用管道吊架和防晃支架,并宜满足以下要求:a)管道支架、吊架的安装位置不应妨碍喷头的喷水效果,管道支、吊架与喷头之间的距离不宜小于300mm,与末端喷头之间的距离不宜大于750mm。