017-2008 全直径岩心渗透率的测定
- 格式:doc
- 大小:105.50 KB
- 文档页数:9
岩心渗透率的测定实验【实验目的】1、加深渗透率的概念和达西定律的应用,学会推导气测渗透率的公式;2、掌握气测渗透率的原理和方法、以及实验装置的正确连接与使用;3、进一步认识油气层的渗流特性。
【实验装置】QTS—2气体渗透率仪如图所示主要有下列部件:1.环压表。
用采指示橡皮筒外部所加的压力值。
2.真空阀。
接真空泵。
3.放空阀.打开此阀放掉环压,使橡皮筒内的压力达到常压。
4.环压阀。
打开此阀,使高压气体进入岩心夹持器与橡皮筒之间的环形空间。
使橡皮筒紧贴住岩样,也紧贴住岩心夹持器的上下端塞。
5.气源阀。
供给渗透率仪调节器低于1MPa的气体,再通过调节器的调节产生适当的上流压力。
6.压力调节器.用来调节气源进入的气体,并减压,控制岩心上流所需要的操作压力值。
7.干燥器。
使进入岩样前的气体进行干燥,然后再进入岩样。
8. 上流压力表.用来指示岩心的上流压力。
9. 装岩心用的岩心夹持器。
10.流量计。
用来计量岩样出口端气体的流量。
:图1-1 QTS—2型气体渗透率仪操作面板图1.环压表 2.真空阀 3.放空阀 4.环压阀 5.气源阀6.减压阀7.干燥器8.上流压力表9.岩心夹持器 10.浮子流量计图1-2 气体渗透率仪流程图【实验方法与步骤】1) 用游标卡尺测量岩心的长度和直径,计算出横截面积A ;2) 检查仪器面板上各阀门与夹持器上的手轮是否关闭(参照渗透率仪操作面板图);3) 拧松岩心夹持器两边固定托架的手轮,下滑托架,滑出夹持器内的加压钢柱塞;4) 将测量过几何尺寸的岩样装入岩心夹持器的胶皮筒内,用加压钢柱塞将岩心向上顶紧,拧紧手轮;5) 开、关一下放空阀。
6) 打开高压气瓶减压阀,将气瓶的输出压力调节到1MPa ,打开环压阀,使环压表显示为1MPa ,关闭环压阀(参照渗透率仪操作面板图);7) 打开气源阀,调节减压阀,此时上流压力表开始显示压力,压力应由小至大调节;8) 选择其中一个浮子流量计,读出与之上流压力对应的流量(流量计的选择与使用见附录),要求每块岩芯测量4次不同压差下的流量;9) 当岩心测试完毕后,调节减压阀,使上流压力恢复至零,关闭气源阀、打开环压阀和放空阀,使环压降至零,取出岩心。
渗透率及其测定渗透率:英文:intrinsic permeability释文:压力梯度为1时,动力黏滞系数为l的液体在介质中的渗透速度。
量纲为[[L2]。
是表征土或岩石本身传导液体能力的参数。
其大小与孔隙度、液体渗透方向上空隙的几何形状、颗粒大小以及排列方向等因素有关,而与在介质中运动的液体性质无关。
渗透率(k)用来表示渗透性的大小。
在一定压差下,岩石允许流体通过的性质称为渗透性;在一定压差下,岩石允许流体通过的能力叫渗透率。
分类:油藏空气渗透率/(m D) 气藏空气渗透率/(m D)特高≥1 000 ≥500高≥500~<1 000 ≥100~<500中≥50~<500 ≥10~<100低≥5~<50 ≥1.0~<10特低<5 <1.0绝对渗透率用空气测定的介质渗透率叫绝对渗透率,也叫空气渗透率。
它反映介质的物理性质。
有效渗透率(相渗透率)英文:Effective permeability释文:在非饱和水流运动条件下的多孔介质的渗透率。
多相流体在多孔介质中渗流时,其中某一项流体的渗透率叫该项流体的有效渗透率,又叫相渗透率。
相对渗透率多相流体在多孔介质中渗流时,其中某一项流体的相渗透率与该介质的绝对渗透率的比值叫相对渗透率,用百分数表示。
孔隙渗透率是单根孔隙的渗透率,地层渗透率是孔隙渗透率折算到整个地层截面积之上的渗透率。
孔隙渗透率通常很大,但地层渗透率却不大。
地层渗透率是岩石孔隙特性的综合反映。
孔隙半径、孔隙密度和孔喉比对地层渗透率均产生影响。
孔喉比对渗透率的影响很大,喉道大小是制约渗透率的重要因素。
压汞仪是测定岩心孔径分布及计算渗透率等参数最便捷有效的工具。
从压汞仪软件上可以直接得到以下数据:•累积孔体积-压力或孔直径曲线•累积比表面积-压力或孔直径曲线•微分的孔体积-压力或孔直径曲线•孔分数-压力或孔直径:孔径分布图•颗粒大小分布(MS和SS理论)•孔曲率•渗透率•孔喉比•分形维数(表面粗糙度的指标)还可以计算得出以下孔隙结构特征参数:为了对不同类型的岩心的孔隙结构进行定量分析,根据恒速压汞实验结果,结合国内外近十年来恒速压汞的应用成果,我们对相关孔隙结构特征参数的定义如下。
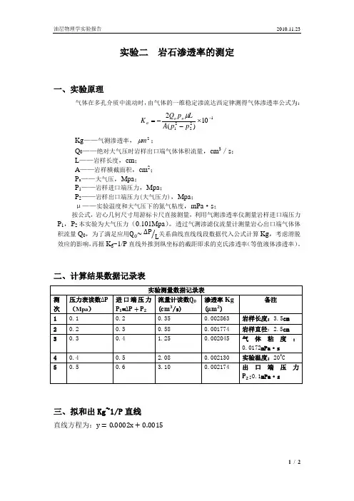
实验三 岩石绝对渗透率的测定一 实验内容用气测渗透率仪,以氮气为工作介质,测量气体通过岩样两端的压力p 1、p 2以及通过岩心气体在平均压力12()/2p p p =+下的气体体积流量0Q ,将测量参数直接代入达西公式计算得到实验岩心的气体渗透率g K ,然后用直线外推法求得岩心的克氏渗透率∞K (=岩心的绝对渗透率) 。
二 实验仪器设备气测渗透率仪、岩心夹持器、柱塞岩心、氮气瓶、游标卡尺、盒式气压计。
三 实验原理渗透率的大小表示多孔介质(岩石)允许流体通过能力的大小,其单位为μm 2。
气体在多孔介质中流动时,根据达西定律可得气体渗透率的公式为:102212210()a g Q p L K A p p μ−=⨯− (3-1) 式中:g K —气体渗透率,μm 2;0Q —岩心出口端的气体体积流量,cm 3/s ;L —岩心长度,cm ; A —岩心横截面积,cm 2; p a —大气压(绝对),MPa ; p 1—岩心进口端的绝对压力,MPa ; p 2—岩心出口端的绝对压力,MPa ;μ—实验温度和大气压下的气体粘度,mPa s ⋅(查表3-1得到)。
实验岩心几何尺寸用游标卡尺直接测量,进口端压力1p 用气测渗透率仪测量,出口端压力2p 等于大气压(大气压由盒式气压计读取),出口端的气体体积流量Q 0用气测渗透率仪测量。
为了满足线性渗流条件,应用0Q /p L −∆关系曲线(△p =p 1-p 2)直线段数据代入公式计算K g 。
考虑滑脱效应的影响,根据1g K p −直线(()12=+/2p p p )外推到纵坐标的截距求得克氏渗透率K ∞(=绝对渗透率)。
表3-1 大气压下氮气的粘度(mPa·s)四气测渗透率仪流程及其工作原理气测渗透率仪流程如图3-1所示。
图3-1 气测渗透率实验流程示意图该仪器以氮气为工作介质,采用单向流、转子流量计气测岩石渗透率。
测量p为大气压(由压力表测实验岩心两端压差,岩心出口端接转子流量计,其压力2盒式气压计读取),因此岩心测量压力表显示的表压值,即为岩心两端的压差。
实验三 储层岩石渗透率的测定一、实验目的1.掌握储层岩石渗透率的概念及物理含义。
2.了解岩样渗透率测定的多种方法。
3.掌握液体测定渗透率的测定原理及方法。
二、实验原理岩石绝对渗透率的确定基于达西公式。
即:当流体通过岩样时,其流量与岩石的截面积A、进出口端压差P Δ成正比,与岩样长度L 成反比,与流体粘度μ成反比。
即:LPA KQ μΔ= 由达西公式可知:Q LK A Pμ=Δ (3-1) 式中 K──岩样的绝对渗透率,2m μ; A──岩样的截面积,2cm ; L──岩样的长度,cm ;μ──通过岩样液体的粘度,mPa s ⋅; P Δ──岩样两端的压力差,0.1MPa ;Q ──在压差P Δ下通过岩样的流量,3/cm s 。
若已知实验岩芯的端面面积A、长度L 和液体粘度μ,再测出液体流量Q 和此时岩芯两端的压力差P Δ,便可根据式(3-1)计算出岩石的绝对渗透率K。
三、实验仪器及流程图1.实验仪器液测渗透率实验仪器、量筒、秒表、游标卡尺、烧杯等。
2.实验流程实验流程如图3-1所示。
图3-1 液测渗透率实验装置图四、实验步骤1.用游标卡尺测量岩样的直径D和长度L。
2.将岩样饱和盐水后装入岩芯夹持器。
3.打开手摇泵通向岩芯夹持器环空的开关,加环压。
4.打开平流泵电源,预热五分钟后,设置流量,测定在所设置的流量时岩芯入口端的压力,并用量杯和秒表测其出口端流量;待压力表数据趋于稳定,出口流速稳定时,记录此时的压力和流量。
5.改变流量, 重复步骤4,计算岩石渗透率。
6.实验数据记录完后,卸掉环压,关闭平流泵,取出岩样。
五、注意事项1.在岩样装入夹持器后才能加环压,在取出岩样后,一定不能加环压,否则可能会损坏胶皮套。
2.在设置流速时,应按要求设置,不能太大,否则超出泵的量程会损害泵。
六、实验数据记录及处理将实验记录数据及计算结果填于表3-1中。
表3-1 岩石渗透率测定数据记录表七、思考题1.测定岩样渗透率时环压要用多大合适?2.液体测定岩样渗透率时,有那些因素会影响到测定结果?3. 用液体测定岩样渗透率时,要满足哪些实验条件?。
低渗岩心渗透率的测试方法:1、稳态法2、脉冲衰减法3、周期振荡法一、稳态法测量渗透率1、测试原理根据达西定律Q / S=—k△P/ηL式中;Q 为流量(m3/s);S 为样品横截面积(m2);L为样品长度(m);η 为流体黏滞系数(Pa·s);k 为渗透率(m2);ΔP 为样品上、下游的压力差(Pa).在岩样的上、下游端施加稳定的压力差ΔP,通过测量流经样品的流量Q 得到渗透率,或者保持恒定的流量Q 而测量上、下游端的压力差ΔP 而得到渗透率。
2、适用条件达西定律定压法测渗透率适用的条件之一是测试介质在岩石孔隙中的渗流需达到稳定状态,对于中高渗岩样来说$达到稳定状态所需时间较短,因而测试时间较短但是对于低渗岩样达西实验装置提供的较小压差达到平衡状态时间长伴随长时间平衡过程带来的是环境因素对测量结果的影响增大3、实验装备1)定压法石油工业所熟知的达西实验原理即是采用的定压法室内常用定压法测渗透率装置简图2)定流量法定流量法是通过提供稳定流量监测岩样两端压力变化因为高精度压力监测比流量计量更准确因而测量也更精确定流量法测试渗透率装置简图4、优缺点此法对于渗透率大于10×10−3μm²中高渗透率的储层岩石,测试结果较为准确,但是若为了保证精度,对设备装置的要求就很高,并且在测量时需要很长的流速稳定时间.二、脉冲衰减法1、测试原理及装置图解与常规稳态法渗透率测试原理不同,脉冲衰减法是基于一维非稳态渗流理论,通过测试岩样一维非稳态渗流过程中孔隙压力随时间的衰减数据,并结合相应的数学模型,对渗流方程的精确解答和合适的误差控制简化,就可以获得测试岩样的脉冲渗透率计算模型和方法。
1)瞬态压力脉冲法:瞬态压力脉冲法最早在测量花岗岩渗透系数时提出其原理并给出其近似解在测试样两端各有一个封闭的容器,测试时待上下容器和岩样内部压力平衡后,给上端容器一个压力脉冲。
然后上部容器压力将慢慢降低,下部容器压力慢慢增加,监测两端压力随时间变化情况,直至容器内达到新的压力平衡状态。
Q/SYCQZ 川庆钻探工程有限公司企业标准
Q/SYCQZ 017—2008 全直径岩心渗透率的测定
2008—06—25发布 2008—07—25实施
Q/CNPC-CY ××××—××××
川庆钻探工程有限公司发布
Q/SYCQZ 017—2008
目次
前言 (Ⅱ)
1范围 (1)
2 原理 (1)
3 仪器设备 (1)
4 操作步骤 (2)
5 质量要求 (2)
6 注意事项 (2)
附录A(资料性附录)全直径岩心渗透率测定报告 (3)
附录B(资料性附录)全直径岩心渗透率测定记录表(格式) (5)
Q/SYCQZ 017—2008
前言
本标准按GB/T 1.1-2000《标准的结构和编写规则》进行编写和表述。
本标准附录A、附录B均为资料性附录。
本标准由川庆钻探工程有限公司提出。
本标准由川庆钻探工程有限公司物探、测井、录井专业标准化技术委员会归口。
本标准由川庆钻探工程有限公司地质勘探开发研究院起草。
本标准主要起草人:刘文峰、陈丽。
Q/SYCQZ 017—2008
全直径岩心渗透率的测定
1 范围
本标准规定了全直径岩心气体渗透率测定的原理、仪器、操作步骤及质量要求。
本标准适用于有溶洞、裂缝、泥砂互层、页岩等非均质全直径岩样渗透率的测定。
2 原理
气体在岩样中流动时,由气体一维稳定渗流达西定律可得到如下计算公式。
a) 垂直气体渗透率按公式(1)计算:
2P a Q oμL×102
K v = (1)
A(P12- P22)
式中:
K v——垂直气体渗透率,μm2
K——气体渗透率,μm2;
P a——大气压力,MP a;
Q o——通过岩心的气体流量,cm3/s;
μ——气体粘度,mPa·s;
L——岩心长度,cm;
A——岩心截面积,cm2;
P1——岩样进口压力,MP a;
P2——岩样出口压力,MP a。
b) 水平气体渗透率按公式(2)计算:
200P a Q oμ G
K = (2)
h(P12-P22)
式中:
G——形状系数(当铜丝网的面积为1/4 岩样侧面时 G=1);
h——窗口长度,cm 。
3 仪器设备
全直径岩心夹持器:Ф60 mm、Ф120 mm ;
a)压力泵:工作压力25 MPa ;
b)真空机组:2XZ-2 ;
c)高压氮气瓶:15 MPa ;
Q/SYCQZ 017—2008
d)标准压力表:0.4级,1.6、6、10、16 MPa ;
e)皂膜流量计:10 ml~1000 ml ;
f) 洗油仪器
4 操作步骤
4.1 将待测样品除油(盐)后,烘干放在干燥器中待测。
4.2 用2~3个标准块检测仪器的可靠性,其相对误差不超过5 % 认为仪器合格。
4.3 测定垂直渗透率
4.3.1在夹持器中部两个侧向接头处将堵头上紧。
4.3.2 选择与岩样直径相同的有孔岩心垫,并与岩样一起装入垂直橡胶筒内,再将垂直橡胶筒装入岩心夹持器中。
4.3.3 加1.4 MPa ~2.8 MPa的围压,开始测流量,当流量稳定后,记录进出口压力值。
每种压差下的流量要用秒表连续测三次,读数误差不超过±2%,三次读数的平均值为出口流量。
4.4 测水平渗透率
4.4.1 选择直径与岩样相同的无孔胶皮垫和无孔岩心垫,并与岩样一起装入水平橡胶套筒内(套筒内,中部对称的两象限各放有一块10 cm长的铜丝网)。
4.4.2 将水平橡胶套筒放入岩心夹持器时,务必使套筒中部两个侧向咀子与夹持器中部的两个侧向接头对准。
4.4.3 加环压 1.4 MPa ~2.8 MPa,开始测流量,当其稳定后,记录进、出口压力。
5 质量要求
5.1 岩样渗透率大于1×10-2μm2时,允许相对偏差为5%;小于1×10-2μm2,允许相对偏差为15 % 。
5.2 每批岩样明码抽查10%,或密码抽查5 % 。
如果在相同压差、相同气流方向条件下,抽查样品有10 % 超过允许偏差,应找出原因后,整批岩样重测。
5.3 渗透率计算值当K>0.1×10-3μm2数值可修约到3位有效数字。
当K <0.1×10-3μm2时,数值修约到两位有效数字。
6 注意事项
6.1 岩样长度应大于10 cm。
否则,可用与岩样直径一致的钢块(测垂直渗透率时加中间有孔的)填补,使其总长度大于10 cm。
6.2 夹持器中未放入岩样或标块时不可加围压。
6.3 测试完后,先卸下两端岩心室盖,再卸下两端侧向接头,使加围压的水不浸湿岩样。
错误!
Q/SYCQZ 017—2008附录A
(资料性附录)
全直径岩心渗透率测定报告
Q/SYCQZ 017—2008
Q/SYCQZ 017—2008
附录B
(资料性附录)
全直径岩心渗透率测定记录表(格式)
5。