视频监控系统CAD图纸解析
- 格式:docx
- 大小:220.93 KB
- 文档页数:5
摘要文章从经济发展和社会发展的需求方面,分析了创建平安城市的必要性。
提出了城市监控系统简历的基本方法和原则,并对不同环境中监控产品的应用。
以及针对具体的监控目标如何进行设备的选型进行了探讨。
回首过往,智能家居进入中国也已有十年历程,在这十年发展中,市场的不温不火伤了着实伤了很多人的心,国内任何智能家居厂家在涉足智能家居领域这几年肯定是在彷徨又自信中度过。
在市场大浪淘沙中,很多企业尚未见到曙光便消失在摇篮里。
但仍然有一批企业执着的坚守着智能家居市场阵地。
在市场的低迷中,他们积累经验、总结市场,走出一条中国式的智能家居发展道路。
智能家居的应用在国外已经有十几年的历史,他们家庭居住的环境多以别墅(或独立住宅)为主,应用到的智能家居系统多是安防、灯光控制、视听娱乐、节能、以及车库控制等系统。
关键词:城市治安、监控系统、产品选型目录引言................................................................................................. .... ...... .... .... .... .... (1)1、制图过程.......................................................................... ...... .......... .... .... .... . (1)1.1图层的建立............................................................................ .... .... .... . (1)1.2圆的画法............................................................ . . . . . . . . . . . . .. (2)1.3修剪功能 (3)1.4镜像功能 (4)1.5偏移功能 (4)2、技术要求 (5)2.1城市监控系统设备的选择 (5)2.2城市视频监控的发展 (5)2.3智能化和移动监控 (6)2.4城市监控统的组成 (6)3、材料介绍 (8)3.1 ABS材料 (8)3.2 PC材料 (8)3.3聚甲基丙烯酸甲酯 (8)结论 (10)致谢 (10)参考文献 (11)附录 (11)引言随着社会、经济水平的发展,人们的生活开始追求个性化、自动化、快节奏,追求充满乐趣的生活方式。
前言:
视频监控系统分为数字监控和模拟监控,有粉丝留言要视频监控方面的图纸,薛哥整理了一些标准的图纸分享大家,数字和模拟都有,多看图纸,可以学到很多东西,弱电这块学习图纸很重要,收藏几个标准的图纸来学习,加上一些实践,你很快就能精通视频监控系统!
正文:
本文的图纸都比较有代表性,我们不光要看懂图纸,还要学习其中的设计奥秘,比如摄像机的编号,摄像机区域划分,接入层交换机的设置,电梯监控的安装方式等等!我们要学习我们没有的见过的东西,才能进步!。
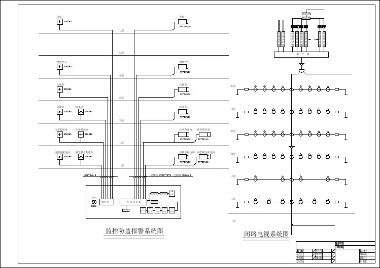
视频监控图纸识读,看懂监控系统结构、通信、供电、路由是关键图纸识读是对图纸的设计内容进行识别和解读,通过自己掌握的专业知识和看图技巧对图纸进行准确识读,准确理解图纸的设计内容和设计意图。
图纸识读的重点内容和阅读顺序一般是系统设计说明、图例、系统图、平面图、配电箱(柜)图,大样图,电气专业主要是上述几项内容。
这些是看图的基础知识,必须要掌握的内容,图纸就这么看,没有错。
对于不同专业的电气图纸看图所需的专业知识以及图纸解读重点是不同的。
视频监控图纸识读重点是看懂监控系统的系统结构,设备布置点位,设备的通信方式,设备的供电方式以及线缆的敷设方式和路由。
下面解读一套视频监控图纸。
先看看设备图例,不看图例直接看图纸是不负责的,或者叫经验主义。
同样一个图标,不同的图纸可以定义成不同的设备,所以看图纸一定要看图例。
通过图例表我们可以看到该视频监控系统有红外枪机,高清固定半球网络摄像机、红外高清固定半球网络摄像机、室外云台高清快球网络摄像机等监控摄像机,以及交换机、光纤配线架。
同时给出了各种设备的安装方式以及设备线缆的穿管和线型。
RVV2X1.5-SC20为摄像机电源线,铜芯聚氯乙烯绝缘聚氯乙烯护套软电线,学名挺长,其实就是软护套线,两芯,线径1.5平方毫米,穿管径20mm的焊接钢管。
4-UPT(6类)-SC20,6类网线穿管径20mm的焊接钢管。
其实看线型也可知晓用的是网络摄像机。
通过系统图中的安防控制中心部分可以看出,该监控系统是集中式监控系统,在安防控制中心进行集中控制、管理、存储,视频信号解码上墙。
现场至控制中心传输的是网络信号和光信号,视频图像上墙用的视频解码器是数字解码器还是模拟解码器图中未交待清楚。
此图虽为系统图局部,但基本可以看出设备的供电为控制室集中供电至各楼层机柜,由机柜中的电源为摄像机供电。
光纤至机柜中的LIU光纤配线架,接32口交换机,交换机接网络摄像机,而电梯专用的模拟摄像机采用视频编码器接入交换机。
前言:
视频监控系统分为数字监控和模拟监控,有粉丝留言要视频监控方面的图纸,薛哥整理了一些标准的图纸分享大家,数字和模拟都有,多看图纸,可以学到很多东西,弱电这块学习图纸很重要,收藏几个标准的图纸来学习,加上一些实践,你很快就能精通视频监控系统!
正文:
本文的图纸都比较有代表性,我们不光要看懂图纸,还要学习其中的设计奥秘,比如摄像机的编号,摄像机区域划分,接入层交换机的设置,电梯监控的安装方式等等!我们要学习我们没有的见过的东西,才能进步!
友情提示:本资料代表个人观点,如有帮助请下载,谢谢您的浏览!。