塔吊防攀爬措施
- 格式:doc
- 大小:1.63 MB
- 文档页数:3
塔机防攀爬防护措施
具体做法:
1、先用镀锌方管(40*40*3mm)焊接水平框架,框架的方管间距不大于50cm,框架的宽度根据塔机标准节的宽度而定,但应保证框架外边缘与最近塔机标准节宽度不小于 1.5m,并在框架中间预留80*80cm的洞口。
以QTZ63塔机为例,框架的尺寸以4.5-5.0m为宜,底部铺设镀锌钢丝网(网丝直径不小于4mm,网孔直径不大于40*40mm)。
2、外立面用与框架同样材质同等间距的方管焊接,高度1.2m,并加设斜撑。
然后挂设蓝底广告布,打印“天元集团”“防攀爬装置”字样。
3、用两根方管(70*70*5mm)当横担水平固定在塔机标准节上,然后在横担上吊装固定框架。
安装顺序:可先在下面分两部分焊接框架,然后安装横担,再吊装框架并焊接在一起。
4、最后在预留的洞口上焊接活动门,并留置门栓和上锁。
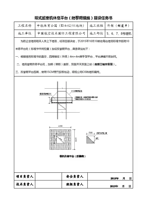
1、实施目的根据本工程周边情况及结构特点,现场设置三台塔吊,型号为ST70/30型,臂长均为70m,担负该工程施工物料的运输任务.根据相关安全规定和公司管理规定,应采取有效措施防止与本工程施工非相关人员攀爬塔吊,给现场施工安全造成隐患。
因此项目部应针对本工程周边情况加强进出场人员的管理,还应为塔吊设置防攀爬安全隔离层。
2、设计原则塔吊防攀爬措施应按照以下原则进行设计:(1)构造简单、拆装方便;(2)质量合格、安全可靠;(3)成本低廉、经济实用. 3、材料准备塔吊防攀爬安全隔离层由架子管(含扣件)、多层板、木脚手板、链锁及辅料构成.(1)架子管:选用工地用4m长的φ48.3×3.6钢管和十字扣件.(2)多层板:选用工地用15mm厚的覆膜木胶合板。
(3)木脚手板:选用工地用5cm厚的木脚手板。
(4)链锁:外配一条60cm长链锁,用于塔吊司机开关多层板门用。
说明:钢管、扣件、覆膜木胶合板、木脚手板的质量要符合相关规范要求。
4、塔吊防攀爬安全隔离层设置位置在塔吊出正负零顶板部位,大概在塔吊第4个塔节部位处设置防攀爬安全隔离层。
具体位置工长和安全员现场确定。
5、具体措施塔吊防攀爬安全隔离层具体构造详见附图1、附图2:步骤1:将中间八根穿过标准节的架子管按照附图1所示间距紧贴标准节固定。
步骤2:将另外其余架子管固定在已有的架子管的端部。
步骤3:选用木脚手板及多层板铺放在已固定牢的架子管上面,用铁丝将其与架子管捆绑紧固。
步骤4:标准节护圈位置即塔吊司机上下塔位置采用多层板制作的推拉门。
步骤5:最后用链锁将推拉门锁牢即可。
补充:为了警示及美观,防爬装置侧边钉装用多层板制作的带红白警示色的裙边. 6、作业人员要求(1)从事建筑登高的作业人员必须年满18岁,两眼视力均不低于1。
0、无色盲、无听觉障碍,无高血压、心脏病、癫痫、眩晕和突发性昏厥等疾病,无妨害登高架设作业的其它疾病和生理缺陷.(2)责任心强,工作认真负责,熟悉本作业的安全技术操作规程。
攀爬塔吊作业使用速差式防坠器安装措施
1、塔吊高度在40米以内,将防坠器牢固绑挂在塔吊塔帽或过渡节上,防坠器钢丝绳与安全带联结使用,防坠钢丝绳在使用过程中可随攀爬人员的移动自行伸缩,起到防护作用。
2、塔吊高度超出40米时,应在防坠器使用有效部位高度内,搭设塔吊与建筑物之间人行通道,有关人员通过室内楼梯行至通道处,经通道行至塔吊,攀爬前将防坠器保险钩与安全带连结,扎好安全带后方可进行攀爬作业。
3、防坠器钢丝绳有自动回收到器内功能,为方便使用可在钢丝绳保险钩处系绑一根尼龙绳连接至地面或楼层通道处,攀爬时将防坠器保险钩拉下即可,使用前应做外观检查,使用中也应注意查看,发现问题应立即停止使用。
4、每次使用前还应进行试锁2~3次检验,方法是:将安全绳以正常速度拉出应发出“嗒”、“嗒”声;用力猛拉安全绳,应能锁止;松手时安全绳应能自动回收到器内,如未能完全回收,再拉一下即可,如有异常禁止使用。
5、防坠器应牢固绑挂在塔帽或过渡节上高挂低用,严禁安全绳扭结使用,严禁拆卸改装,对防坠器进行螺栓紧固、检修等倾斜作业时,倾斜度不宜超过30度,其关键零部件已做耐磨、耐腐蚀等特种处理,使用时不需加润滑剂。
6、各有关工种必须持证上岗,攀爬作业应衣着灵便,按规定戴好安全帽,挂好安全带并与防坠器可靠连接。
7、防坠器应购置正规厂家产品,使用过程中应严格按照制造厂家使用维护说明及有关要求操作。
附件1、塔吊与建筑物之间人行通道示意图
2、速差式防坠器样图
1、塔吊与建筑物之间人行通道示意图
2、速差式防坠器样图。
塔吊方案防攀爬措施介绍塔吊是在建筑工地上常见的设备,它通常用于在工地上搬运和安装重物。
然而,由于塔吊的高度和结构特点,吸引了一些人员进行攀爬,这不仅危及他们的生命安全,还可能对塔吊本身造成损坏。
因此,在工地上设置塔吊方案时,必须采取适当的防攀爬措施,以确保工人的安全和塔吊的正常运行。
防攀爬措施1. 安装防攀爬网在塔吊的腿部、主臂和抱臂等易被攀爬的部位安装防攀爬网是常见的防护措施。
防攀爬网可以有效地阻止人员攀爬塔吊,避免潜在的危险。
这些防攀爬网通常由材质坚固、耐用的金属制成,以保证其在工地环境中能够经受住恶劣的天气条件。
2. 安装防攀爬条除了防攀爬网,安装防攀爬条也是一种常用的防攀爬措施。
防攀爬条的设计使得攀爬者无法抓住或攀爬塔吊的部件。
这些防攀爬条通常安装在塔吊的主臂和抱臂上,阻止人员攀爬到禁区。
3. 设置警示标识在塔吊的周围设置明显的警示标识是预防人员攀爬的重要手段之一。
这些警示标识应该以醒目的颜色、清晰的图案和文字来提醒人员塔吊是禁止攀爬的,并应该明确标明相关的安全警示信息。
4. 安装摄像监控系统安装摄像监控系统可以提供实时监控和录像功能,以便工地管理人员能够随时检查塔吊的安全状况。
同时,监控系统也可以起到威慑的作用,减少人员攀爬塔吊的风险。
5. 加强安全培训除了安装防攀爬设施和警示标识,对工地工人进行塔吊安全培训也十分重要。
工地管理人员应该定期组织安全培训,并向工人传达塔吊的危险性、攀爬的后果以及应采取的防护措施等内容,以增强工人的安全意识。
6. 定期检查和维护塔吊方案中的防攀爬措施不是一劳永逸的,需要定期检查和维护。
工地管理人员应该制定相关的检查计划,定期对防攀爬设施和警示标识进行检查,确保其完好并保持有效性。
如发现任何损坏或不合格的情况,应及时修复或更换。
结论在塔吊方案中,采取适当的防攀爬措施是非常重要的。
通过安装防攀爬网、防攀爬条,设置警示标识,安装摄像监控系统,加强安全培训以及定期检查和维护,可以有效地预防人员攀爬塔吊,确保工人的安全和塔吊的正常运行。
塔吊周边防攀爬措施引言塔吊作为建筑工地常见的施工设备之一,承担着重要的起重任务。
然而,塔吊周边的爬升现象时有发生,给工地施工安全带来了隐患。
因此,为了确保塔吊的正常运行和保障工人的人身安全,采取一系列的防攀爬措施是非常重要的。
本文将介绍塔吊周边防攀爬的一些措施和方法。
防攀爬措施1. 周边围栏在塔吊周边设置合适的防护围栏是防止非授权人员爬升塔吊的基本措施之一。
围栏应采用坚固、耐久的材料,高度应达到一定标准,以阻止人体攀爬。
围栏的门禁应采用密码或指纹识别等措施,以减少未经授权人员入内的可能性。
2. 警示标识在塔吊的周边设置一些明显的警示标识,用以提醒和警示工地工人和外来人员注意塔吊的危险性和禁止攀爬的信息。
这些标识应具有醒目的颜色和明确的文字,并需定期检查和更新以保持其有效性。
3. 安全网罩在塔吊的关键部位,如动臂、升降机及塔头等位置,安装安全网罩可以有效地防止人员攀爬。
安全网罩应采用耐用的材料,能承受一定的冲击力和外力,确保其使用寿命和防护功能。
4. 视频监控安装视频监控设备可以实时监视塔吊周边的情况,及时发现未经授权者的攀爬行为。
监控设备应具备高清晰度、远距离监控及灵敏的移动侦测功能,以确保周边安全状况的实时把握。
5. 报警系统在塔吊周边安装智能报警系统,可以对未经授权者攀爬塔吊进行及时报警。
报警器宜选择声光报警器,其具有声音大、亮度高的特点,能够有效惊动周边的工人和管理人员,使攀爬行为立即停止。
6. 安保巡查加强塔吊周边的安保巡查,定期检查围栏的完整性和是否存在破损情况。
巡查人员应具备相关的安全知识和专业技能,能够快速发现和处理异常情况,确保塔吊周边的安全。
7. 培训教育定期组织相关人员进行安全培训和教育,提高他们对防攀爬措施的认识和重视程度。
培训内容应包括攀爬的危害性、禁止攀爬的法律法规、防护措施的操作方法等,以提高工人的安全意识和自我保护能力。
结论塔吊周边的防攀爬是保障施工安全的重要一环,只有采取科学有效的措施和方法,才能确保塔吊的正常运行,预防事故的发生。
塔吊防攀爬措施随着建筑业的不断发展,塔吊越来越成为建筑工地上必不可少的重要设备。
但是,塔吊的高度和机体结构,使得它成为攀爬者们追逐刺激的“理想”地点,这就给塔吊的安全带来了威胁。
因此,如何采取有效的防攀爬措施,保障塔吊运行的安全,成为建筑工地必须面对的难题。
1. 安装隔离网对于高度较低的塔吊,安装隔离网可以有效防止攀爬。
在塔吊周围安装上网,其中尤以高处设置的钢索隔离最为重要。
通常情况下,钢索隔离需要固定在地基上,每两层塔吊间隔15-20米设置一层,以确保整个隔离网的稳定性。
此外,隔离网的网眼尺寸不能过大,以免攀爬者通过网眼的缝隙进行攀爬。
2. 安装警戒灯安装警戒灯也可以有效防止攀爬。
警戒灯一般安装在塔吊架的周围以及吊臂的端部,通过光影刺激可以起到防止攀爬的作用。
而一些高度较高的塔吊还需要设置警戒线,通过亮红灯或闪光灯的方式对塔吊进行警示,防止没有意识到危险的人员进入危险区域。
3. 加强围挡在塔吊周围加强围挡也可以有效防止攀爬。
一般来说,围挡应该具有一定的高度和稳固性。
同时,围挡顶部还可以安装电线网,加强对塔吊的保护。
塔吊主要的攀爬手段是攀登,加高围挡可以防止攀爬者“爬出”围挡,从而减少塔吊的攀爬次数,并保护塔吊的设备。
4. 定期维护对于塔吊而言,定期的维护保养也是至关重要的。
定期检查塔吊的固定螺栓、钢丝绳等关键部件,及时更换旧材料和修补裂缝,确保塔吊的结构和设备都处于最佳状态,以防止设备损坏和事故发生。
定期维护塔吊不仅可以防止攀爬,更可以延长塔吊的使用寿命,为建筑工地的顺利进行提供保障。
5. 加强安全教育塔吊设备不是一般的设备,为了让工人更加了解并掌握正确使用的方法,建议加强相关安全教育,包括使用教育、安全防范知识培训、塔吊安全操作规范的制定等。
通过掌握和遵守安全操作规范,大幅度降低事故的发生率。
对于塔吊的防攀爬措施,应该实事求是,综合考虑每个工地的实际情况,来确定最为合适的防攀爬措施组合。
同时,全面推进安全教育工作,完善安全管理制度,提高全面检察能力,才能切实解决塔吊攀爬现象的发生。
塔吊防攀爬管理制度一、塔吊防攀爬管理制度的必要性1.1 提高安全管理水平塔吊是建筑工地上使用较多的设备之一,而塔吊的高度和复杂性给安全管理带来了一定难度。
建立塔吊防攀爬管理制度,可以提高安全管理水平,建立规范的管理流程,确保施工现场的安全。
1.2 防止事故发生塔吊属于高危设备,如果未经许可的人员攀爬,会给工地安全带来极大的隐患。
建立塔吊防攀爬管理制度,可以有效防止未经许可的人员攀爬,降低事故发生的风险。
1.3 规范管理行为建立塔吊防攀爬管理制度,可以规范员工的行为,增强他们的安全意识和责任感,提高工作效率,确保工地的安全。
二、塔吊防攀爬管理制度的内容2.1 管理责任建立塔吊防攀爬管理制度,首先需要明确管理责任。
施工单位应当指定专人负责塔吊的管理,确保制度的执行,对管理人员的考核与奖惩措施都需明确。
2.2 人员管理对参与塔吊操作的相关人员进行岗前培训,掌握操作规程和安全注意事项,确保其熟悉设备的性能和使用方法。
严禁未经许可的人员攀爬,同时安排专人对设备进行定期巡查,及时发现问题并及时处理。
2.3 设备管理塔吊的使用必须符合相关法规和标准,定期对设备进行检查和维护,确保设备的正常使用。
对不符合要求或存在安全隐患的设备及时停止使用,并进行维修或更换。
2.4 安全防护建立完善的安全防护措施,包括设置警示标识、安全带使用、建立警戒区域等,确保工作人员在操作中能够做到全面的安全防护。
2.5 应急预案制定应急预案,明确在塔吊发生事故时应该如何处理,包括设备故障、人员伤亡等情况,确保能够及时有效地处理紧急情况,减少安全事故带来的损失。
2.6 安全教育定期开展安全教育活动,提高员工的安全意识和自我保护能力,普及相关知识,降低事故发生的概率。
三、塔吊防攀爬管理制度的执行3.1 制度宣传建立塔吊防攀爬管理制度后,需要对全体员工进行制度宣传,普及相关知识和规定,确保每位员工都能够遵守规定,做到心知安全。
3.2 监督检查建立监督检查制度,定期对塔吊的管理执行情况进行检查,发现问题及时纠正,确保制度的有效执行。
塔机防攀爬安全措施示范文本In The Actual Work Production Management, In Order To Ensure The Smooth Progress Of The Process, And Consider The Relationship Between Each Link, The Specific Requirements Of EachLink To Achieve Risk Control And Planning某某管理中心XX年XX月塔机防攀爬安全措施示范文本使用指引:此解决方案资料应用在实际工作生产管理中为了保障过程顺利推进,同时考虑各个环节之间的关系,每个环节实现的具体要求而进行的风险控制与规划,并将危害降低到最小,文档经过下载可进行自定义修改,请根据实际需求进行调整与使用。
为积极配合施工单位,保证工地施工安全,维护当前和谐、稳定的政治局面,营造安定、团结的施工氛围,防止外来人员及不法分子潜入工地,恶意攀爬塔吊以制造事端,根据项目部搭设的防攀爬设施和相关的安全措施,特对我公司进驻工地所有塔吊司机做如下安全交底:1. 本工程塔吊防攀爬设施在塔身中部,采用4米长木跳板将塔身完全封闭,仅留中间爬梯。
跳板每边向外悬挑出1米宽。
塔身爬梯处安装铁栅栏门,栅栏门上锁。
2. 塔吊司机上下塔吊后均要对栅栏门上锁。
栅栏门钥匙塔吊司机保管一把,其余钥匙由安全环境管理部保管。
3. 所有塔吊司机在上、下塔前一定锁好栅栏门,并检查防攀爬栅栏门是否良好,发现损坏或人为破坏应立即报告项目安保部。
4. 如发现与塔机无关人员攀爬塔机,应立即停止塔机运转并立即报告项目安保部相关领导处理。
5. 所有进驻本工地的塔吊司机及安全维修、检查人员上下塔必须严格执行本防攀爬安全管理措施。
为保证工地施工安全,维护当前和谐、稳定的政治局面,营造安定、团结的施工氛围,防止外来人员及不法分子潜入工地,恶意攀爬塔吊以制造事端,项目部特制定此塔吊防攀爬措施,我公司塔吊司机应积极支持配合,以保证施工安全。
塔吊防攀爬规格
塔吊是一种用于吊装和搬运重物的大型机械设备,广泛应用于建筑工地等场合。
然而,由于其高度和结构的特殊性,塔吊往往成为攀爬者的目标。
为了确保塔吊的安全运行,防止人员擅自攀爬塔吊,减少潜在的安全风险,塔吊防攀爬规格应当严格遵守。
在塔吊设计和制造过程中,应考虑到防攀爬的要求。
塔吊的外表应平整,表面不能有突出物,以防止攀爬者利用突出物攀爬。
塔吊的结构应紧凑,各个部件之间不能有可供攀爬的缝隙或空隙。
塔吊的外壳应采用防刮、防爬的材料,以增加攀爬的难度。
在塔吊周围设置防攀爬的措施也是不可或缺的。
在塔吊底座周围设置防护栏杆或围栏,以防止人员进入塔吊工作区域。
同时,在塔吊的进入口和爬升梯口设置门禁系统或警示标识,提醒人员禁止攀爬。
在塔吊周围布置监控摄像头,实时监控塔吊的运行情况,及时发现并阻止攀爬行为。
加强对塔吊的巡视和维护也是防攀爬的重要环节。
定期对塔吊进行巡视,及时发现并清除可能被攀爬者利用的物品。
对于已经攀爬上塔吊的人员,应立即采取措施将其救下,并进行相应的处罚和教育。
塔吊防攀爬规格的制定和执行对于确保塔吊的安全运行至关重要。
只有坚持严格执行防攀爬措施,加强对塔吊的巡视和维护,才能有效地预防和减少塔吊的非法攀爬行为,保障工地人员的安全。
我们
应当共同关注塔吊防攀爬工作,从自身做起,共同营造一个安全、和谐的工作环境。
专业的论文在线写作平台
塔机防攀爬安全措施
(1)为确保越线架架体、拉线等各部位安全距离及施工操作安全裕度,各施工队在施工中严格按《不停电跨越施工措施》进行施工准备及施工。
(2)跨越不停电电力线路架线施工前,应向运行部门书面申请“退出自动重合闸”,并做好“三措”方案报供电局有关部门批准后,方可进行不停电跨越施工。
(3)跨越不停电电力线施工过程中,必须邀请被跨越电力线的运行部门进行现场监护。
施工队必须设安全监护人。
(4)参加施工的人员应熟悉工器具使用方法、使用范围及额定负荷,不得使用不合格工器具。
(5)临近带电体作业时,上下传递物体必须使用绝缘绳索,作业全过程都应设专人监护。
(6)跨越不停电线路架线施工应在良好天气下进行,遇雷电、雨、雾,大风及相对湿度较大时,应停止工作,并对绝缘网进行保护,以防绝缘网受潮、受湿。
如施工遇到上述情况,则应将已展放好的网、绳加以安全保护,避免造成意外。
(7)越线架、拉线、小抱杆及地锚、绞磨、在使用前要认真进行检查不合格的严禁使用。
(8)架体组立后,应保证上层拉线与导线之间的安全距离。
(9)架体组立完毕后,应及时做好架体临时接地。
(10)在架体组立、拆除过程中架体、拉线、小抱杆与带电线路应始终保持安全距离。
(11)绝缘网在使用前要进行检查磨损、断股者严禁使。
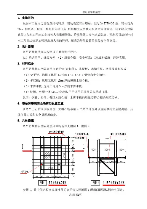
塔吊防攀爬措施1、实施目的根据本工程周边情况及结构特点,现场设置三台塔吊,型号为ST70/30型,臂长均为70m,担负该工程施工物料的运输任务。
根据相关安全规定和公司管理规定,应采取有效措施防止与本工程施工非相关人员攀爬塔吊,给现场施工安全造成隐患。
因此项目部应针对本工程周边情况加强进出场人员的管理,还应为塔吊设置防攀爬安全隔离层。
2、设计原则塔吊防攀爬措施应按照以下原则进行设计:(1)构造简单、拆装方便;(2)质量合格、安全可靠;(3)成本低廉、经济实用。
3、材料准备塔吊防攀爬安全隔离层由架子管(含扣件)、多层板、木脚手板、链锁及辅料构成。
(1)架子管:选用工地用4m长的φ48.3×3.6钢管和十字扣件。
(2)多层板:选用工地用15mm厚的覆膜木胶合板。
(3)木脚手板:选用工地用5cm厚的木脚手板。
(4)链锁:外配一条60cm长链锁,用于塔吊司机开关多层板门用。
说明:钢管、扣件、覆膜木胶合板、木脚手板的质量要符合相关规范要求。
4、塔吊防攀爬安全隔离层设置位置在塔吊出正负零顶板部位,大概在塔吊第4个塔节部位处设置防攀爬安全隔离层。
具体位置工长和安全员现场确定。
5、具体措施塔吊防攀爬安全隔离层具体构造详见附图1、附图2:步骤1:将中间八根穿过标准节的架子管按照附图1所示间距紧贴标准节固定。
步骤2:将另外其余架子管固定在已有的架子管的端部。
步骤3:选用木脚手板及多层板铺放在已固定牢的架子管上面,用铁丝将其与架子管捆绑紧固。
步骤4:标准节护圈位置即塔吊司机上下塔位置采用多层板制作的推拉门。
步骤5:最后用链锁将推拉门锁牢即可。
补充:为了警示及美观,防爬装置侧边钉装用多层板制作的带红白警示色的裙边。
6、作业人员要求(1)从事建筑登高的作业人员必须年满18岁,两眼视力均不低于1.0、无色盲、无听觉障碍,无高血压、心脏病、癫痫、眩晕和突发性昏厥等疾病,无妨害登高架设作业的其它疾病和生理缺陷。
(2)责任心强,工作认真负责,熟悉本作业的安全技术操作规程。
塔吊方案防攀爬措施1. 引言塔吊作为大型起重设备,具有很强的垂直高度和承重能力。
然而,由于其特殊的构造和高处作业的特点,很容易成为攀爬对象。
为了确保塔吊的安全和作业环境的稳定,必须采取一系列的防攀爬措施。
本文将介绍塔吊方案防攀爬措施的设计原则和常用的防攀爬措施。
2. 设计原则在设计塔吊方案的防攀爬措施时,应遵循以下原则:2.1 安全性原则防攀爬措施应能有效地阻止非授权人员攀爬塔吊,确保塔吊的安全和作业环境的稳定。
2.2 经济性原则防攀爬措施的设计应尽量简单、实用、成本低廉,避免增加不必要的经济负担。
2.3 可维护性原则防攀爬措施的设计应便于维护和检修,以保持其有效性和可靠性。
3. 常用的防攀爬措施3.1 安全网安全网是一种常用的防攀爬措施,通过在塔吊的外部围设安全网,有效地阻止非授权人员攀爬。
安全网应由耐腐蚀、耐寒耐热的材料制成,具有足够的拉伸强度和耐久性。
安全网的固定应牢固可靠,不会因外力或人为破坏而脱落。
3.2 高压电网在塔吊的周边设置高压电网是一种比较高效的防攀爬措施。
高压电网能够发出警示信号和强电击,有效地防止非授权人员攀爬,具有很强的威慑力。
但在使用高压电网时,必须严格遵守相关的电安全规定,确保人身安全和设备稳定运行。
3.3 防爬网防爬网是一种物理屏障,常用于塔吊的上部和敏感部位。
防爬网通常由钢丝网或金属板材制成,具有一定的强度和刚性,可以有效阻止攀爬者攀爬。
防爬网的固定应牢固可靠,不会因外力或人为破坏而变形或脱落。
3.4 报警系统在塔吊的关键部位安装报警系统是一种有效的防攀爬措施。
报警系统可以通过声音、光线或无线电波等方式发出警示信号,提醒塔吊操作人员和周围工作人员注意非授权人员的存在。
同时,报警系统也可以与监控系统或安全管理中心相连,及时报警并采取相应的措施。
4. 防攀爬措施的选择和应用在选择和应用塔吊方案的防攀爬措施时,应根据具体情况进行评估和选择。
4.1 环境评估首先,需要评估塔吊所处的环境条件,包括气候、温度、湿度、风力等因素。
文件编号:GD/FS-2080(解决方案范本系列)塔机防攀爬安全措施详细版A Specific Measure To Solve A Certain Problem, The Process Includes Determining The Problem Object And Influence Scope, Analyzing The Problem, Cost Planning, And Finally Implementing.编辑:_________________单位:_________________日期:_________________塔机防攀爬安全措施详细版提示语:本解决方案文件适合使用于对某一问题,或行业提出的一个解决问题的具体措施,过程包含确定问题对象和影响范围,分析问题,提出解决问题的办法和建议,成本规划和可行性分析,最后执行。
,文档所展示内容即为所得,可在下载完成后直接进行编辑。
为积极配合施工单位,保证工地施工安全,维护当前和谐、稳定的政治局面,营造安定、团结的施工氛围,防止外来人员及不法分子潜入工地,恶意攀爬塔吊以制造事端,根据项目部搭设的防攀爬设施和相关的安全措施,特对我公司进驻工地所有塔吊司机做如下安全交底:1. 本工程塔吊防攀爬设施在塔身中部,采用4米长木跳板将塔身完全封闭,仅留中间爬梯。
跳板每边向外悬挑出1米宽。
塔身爬梯处安装铁栅栏门,栅栏门上锁。
2. 塔吊司机上下塔吊后均要对栅栏门上锁。
栅栏门钥匙塔吊司机保管一把,其余钥匙由安全环境管理部保管。
3. 所有塔吊司机在上、下塔前一定锁好栅栏门,并检查防攀爬栅栏门是否良好,发现损坏或人为破坏应立即报告项目安保部。
4. 如发现与塔机无关人员攀爬塔机,应立即停止塔机运转并立即报告项目安保部相关领导处理。
5. 所有进驻本工地的塔吊司机及安全维修、检查人员上下塔必须严格执行本防攀爬安全管理措施。
为保证工地施工安全,维护当前和谐、稳定的政治局面,营造安定、团结的施工氛围,防止外来人员及不法分子潜入工地,恶意攀爬塔吊以制造事端,项目部特制定此塔吊防攀爬措施,我公司塔吊司机应积极支持配合,以保证施工安全。
塔吊防攀爬规格
塔吊防攀爬规格是指为了防止他人非法攀爬塔吊而采取的措施和规定。
具体的规格可能会根据不同地区和使用情况有所不同,但通常会包括以下要求:
1. 设计合理:塔吊的外形和结构应设计成难以攀爬,尽量减少攀爬的机会和空间。
2. 安全门:安装能够防止未经授权人员进入的安全门或围栏,门上应配备有效的锁具,以确保只有授权人员可以进入。
3. 警示标识:塔吊上应设置明显的警示标识,告知他人禁止攀爬,并标明危险区域。
4. 防护网:需要在塔吊各个攀爬位置上设置防护网或者防止攀爬的器械,以阻止他人进行攀爬。
5. 视频监控:可以在塔吊周围设置视频监控设备,用于监控和记录塔吊周围的活动,以便及时发现防止未授权的人员攀爬。
6. 安保巡逻:在塔吊周围进行定期的巡逻,保持警戒,发现有人攀爬塔吊应及时制止。
7. 培训教育:对使用塔吊的工作人员进行防攀爬知识的培训,提高他们的安全意识和对非法攀爬的识别能力。
总而言之,塔吊防攀爬规格主要是为了保障塔吊的安全运行和
避免不必要的伤害事故发生。
这些规格的具体实施需要根据当地的法律法规和塔吊的具体情况来确定。
1、实施目的
根据本工程周边情况及结构特点,现场设置三台塔吊,型号为ST70/30型,臂长均为70m,担负该工程施工物料的运输任务。
根据相关安全规定和公司管理规定,应采取有效措施防止与本工程施工非相关人员攀爬塔吊,给现场施工安全造成隐患。
因此项目部应针对本工程周边情况加强进出场人员的管理,还应为塔吊设置防攀爬安全隔离层。
2、设计原则
塔吊防攀爬措施应按照以下原则进行设计:
(1)构造简单、拆装方便;(2)质量合格、安全可靠;(3)成本低廉、经济实用。
3、材料准备
塔吊防攀爬安全隔离层由架子管(含扣件)、多层板、木脚手板、链锁及辅料构成。
(1)架子管:选用工地用4m长的φ48.3×3.6钢管和十字扣件。
(2)多层板:选用工地用15mm厚的覆膜木胶合板。
(3)木脚手板:选用工地用5cm厚的木脚手板。
(4)链锁:外配一条60cm长链锁,用于塔吊司机开关多层板门用。
说明:钢管、扣件、覆膜木胶合板、木脚手板的质量要符合相关规范要求。
4、塔吊防攀爬安全隔离层设置位置
在塔吊出正负零顶板部位,大概在塔吊第4个塔节部位处设置防攀爬安全隔离层。
具体位置工长和安全员现场确定。
5、具体措施
塔吊防攀爬安全隔离层具体构造详见附图1、附图2:
步骤1:将中间八根穿过标准节的架子管按照附图1所示间距紧贴标准节固定。
步骤2:将另外其余架子管固定在已有的架子管的端部。
步骤3:选用木脚手板及多层板铺放在已固定牢的架子管上面,用铁丝将其与架子管捆绑紧固。
步骤4:标准节护圈位置即塔吊司机上下塔位置采用多层板制作的推拉门。
步骤5:最后用链锁将推拉门锁牢即可。
补充:为了警示及美观,防爬装置侧边钉装用多层板制作的带红白警示色的裙边。
6、作业人员要求
(1)从事建筑登高的作业人员必须年满18岁,两眼视力均不低于1.0、无色盲、无听觉障碍,无高血压、心脏病、癫痫、眩晕和突发性昏厥等疾病,无妨害登高架设作业的其它疾病和生理缺陷。
(2)责任心强,工作认真负责,熟悉本作业的安全技术操作规程。
严禁酒后作业和作业中玩笑戏闹。
(3)正确使用个人防护用品和采取安全防护措施。
进入施工现场,必须戴好安全帽,必须穿防滑鞋,在无可靠防护的2m以上作业必须系好安全带,使用工具要放在工具套内。
(4)架子工必须经过培训教育,考试、体检合格,持证上岗。
任何人不得安排未经培训的无证人员上岗作业。
(5)上架作业人员应定期进行体检。
(6)高处作业所用材料要堆放平稳,高处作业地面环境要整洁,不能杂乱无章,乱摆乱放,所用工具要全部清点回收,防止遗留在作业现场掉落伤人。
7、安全保证措施
(1)项目部安全部应对所有作业人员进行安全教育。
作业前,项目工长对所有作业人员进行专项安全交底和技术交底。
技术交底要明确防攀爬安全隔离层安装及拆除要求,做到操作步骤明确,注意事项明确。
安全技术交底要有书面签字记录,原件交安全部保存。
(2)防攀爬安全隔离层的搭拆由架子工实施,必须持证上岗,并正确使用安全帽、安全带、穿防滑鞋。
(3)在防攀爬安全隔离层搭拆过程,项目部安全员和作业队安全员必须全程旁站,以应对紧急突发状况。
(4)拆架时应设置警戒区域,专人监管,拆除作业完成之前无关人员不得进入。
高处作业人员应戴安全帽、系安全带、扎裹腿、穿软底防滑鞋。
(5)拆除时要统一指挥,上下呼应,动作协调,当解开与另一人有关的结扣时,应先通知对方,以防坠落。
(6)拆架时严禁碰撞塔吊附近电源线,以防触电事故。
(7)拆下的材料要徐徐下运,严禁抛掷。
材料按类堆放,整理保养。
(8)如遇强风、下雨等特殊气候,严禁进行防攀爬安全隔离层的搭拆;严禁夜间搭拆。
(9)在作业时,不得中途换人,搭设与拆除均应一次成活。
如必须换人时,应将搭拆情况交代清楚后方可离开。