石子含泥量试验
- 格式:doc
- 大小:28.00 KB
- 文档页数:1
石子含泥量标准范围
1. 引言:
石子含泥量是用于评估石子材料质量的一个重要指标,它直接影响到石子在建筑工程中的使用效果和耐久性。
本标准旨在规定石子含泥量的标准范围,为石子材料的选择和质量控制提供依据。
2. 定义:
2.1 石子:指用作建筑材料的经过破碎和筛分处理的天然矿石或人工石料。
2.2 含泥量:指石子中所含的粘土、泥土和其他较细粒颗粒的质量与总质量的比例。
3. 标准范围:
3.1 粗石子:粗石子的含泥量标准范围为0%至5%。
4. 试验方法:
4.1 采用标准筛分法进行含泥量的测试。
4.2 取一个重量已知的石子样品,进行筛分,并测得不同粒径级配的质量。
4.3 将筛分后的石子样品放入脱泥仪中,通过水流冲洗去除其中的泥土颗粒,并将剩余的石子干燥称重。
4.4 根据筛分前后石子的质量差别,计算出含泥量的百分比。
5. 质量控制:
5.1 选取合格的石子供应商,确保供应的石子符合标准范围要求。
5.2 对进货的石子进行抽样检测和检验,以确保其含泥量符合标准范围。
5.3 在现场施工过程中,对使用的石子进行抽样检测,以便及时调整或更换不符合要求的石子。
6. 结论:
石子含泥量标准范围的制定有助于保证建筑工程中石子材料的质量。
合格的石子样品应符合相应粒径级别的含泥量标准范围,并遵循质量控制措施,以确保工程质量的稳定性和持久性。
(注意:以上标准范围仅为示例,并非真实标准,不可直接引用使用)。
引言概述:施工单位在进行建筑施工过程中,常常需要使用砂子和石子等材料。
为了确保施工质量和安全性,有必要对砂子和石子进行检测。
本文将详细介绍施工单位用砂子石子进行检测的报告内容,以帮助施工单位更好地控制材料质量。
正文内容:1.砂子检测1.1颗粒分析1.1.1检测颗粒大小分布1.1.2确保符合规定标准1.1.3利用粒度曲线进行分析1.2含水率测试1.2.1确定砂子中的水分含量1.2.2使用天平和烘箱进行测试1.2.3确保砂子不含过多水分1.3污染物检测1.3.1检测砂子中的有机和无机污染物1.3.2采用化学分析方法进行检测1.3.3确保砂子不含有毒有害物质2.石子检测2.1粒度和形状检测2.1.1确定石子的粒度分布和形状2.1.2通过筛分试验和形状测量确定2.2抗压强度测试2.2.1测试石子的抗压强度2.2.2采用压缩试验机进行测试2.2.3确保石子具备足够的强度2.3含泥量检测2.3.1确定石子中的泥质含量2.3.2使用洗石试验进行检测2.3.3确保石子不含过多泥质3.砂石掺合比检测3.1确定砂石的掺合比例3.1.1通过质量比例计算掺合比3.1.2确保掺合比符合设计要求3.2混凝土强度测试3.2.1测试混凝土的抗压强度3.2.2采用压缩试验机进行测试3.2.3确保混凝土具备足够的强度3.3施工性能测试3.3.1测试混凝土的流动性和可浇筑性3.3.2采用坍落度试验和留痕试验进行测试3.3.3确保混凝土具备良好的施工性能4.检测报告内容4.1报告结构和格式4.1.1按照规定格式编写报告4.1.2包含施工单位基本信息和检测日期等内容4.2检测结果详细说明4.2.1对砂子和石子的各项指标结果进行说明4.2.2比对标准要求,给出合格判定4.3检测过程和方法介绍4.3.1介绍砂子和石子检测的方法和设备4.3.2说明检测过程中的操作步骤4.4结果分析和建议4.4.1对检测结果进行分析和评估4.4.2给出改善建议和控制措施总结:施工单位用砂子石子进行检测报告是确保施工质量和安全性的重要环节。
碎石检验作业指导书本作业指导书依据 JGJ52—2006 编制,适合本公司对碎石的常检项目。
1.验收批1.1 本公司以汽车运输进厂,故以同产地、同品种、同规格和3同一进场 400m或 600t 为验收批。
不足亦按一批论。
根据我公司材料稳定按 1000t 为一批。
1.2 每批检验其颗粒级配、表观密度、含泥量、泥块含量、堆积密度、紧密密度、针片状和压碎指标。
2.取样2.1 在堆料上取样,取样部位应均匀分布。
取样前先将取样部位表层铲除。
然后由各部位抽取大致相等的石共16 份(在料堆的顶部、中部和底部各由均匀分布的五个不同部位取得)组成一组样品。
2.2 若检验不合格时,应重新取样。
对不合格项,进行加倍复验,若仍有一个试样不能满足标准要求,应按不合格品处理。
2.3 每一试验项目所需碎石或卵石的最少取样重量(kg)最大公称粒径( mm)试验项目1016202531.5406380筛分析815162025325064表观密度888812162424含泥量88242440408080泥块含量88242440408080堆积密度和紧密404040408080120120密度针、片状含量 1.248122040——注:压碎指标值检验按试验要求的粒级及数量取样。
2.4 每组样品应妥善包装,以避免粗集料散失及遭受污染,并应附有卡片标明、文件编号: ZD/SYS-JS-03-003主题:碎石检验作业指导书第 2版第0次修改第2页共13页样品名称、取样的时间、产地、规格、样品所代表的验收批的重量或体积数、要求检验的项目及取样方法等。
2.5 样品的缩分2.5.1 将每组样品置于平板上,在自然状态下拌混均匀,并堆成锥体,然后沿互相垂直的两条直径把锥体分成大致相等的四份,取其对角的两份重新拌匀,再堆成锥体,重复上述过程,直至缩分后的材料量略多于进行试验所必需的量为止。
2.5.2 碎石或卵石的含水率、堆积密度、紧密度检验所用的试样,不经缩分,拌匀后直接进行试验。
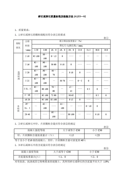
碎石或卵石质量标准及检验方法JGJ53—921、质量要求:1。
1碎石或卵石的颗粒级配应符合表①的要求1。
2碎石或卵石中针、片状颗粒含量应符合表②的规定1。
3碎石或卵石中的含泥量应符合表③的规定等于及小于C10级的混凝土用碎石或卵石,其含泥量可放宽到2.5%。
1。
4碎石或卵石中的泥块含量应符合表④的规定对等于或小于C10级的混凝土用碎石或卵石其泥块含量可放宽到1.0%2、验收购货单位应按同产地同规格分批验收.用大型工具运输的,以400m³或600t为一验收批,用小型工具运输的,以200m³或300t为一验收批。
不足上述数量者以一验收批论。
3、取样与缩分3。
1在料堆上取样时,取样部位应均匀分布。
取样前先将取样部位表面铲除,然后由各部位抽取大致相等的石子15份(在料堆的顶部、中部和底部各由均匀分布的五个不同部位取得)组成一组样品。
3。
2将每组样品置于平板上,在自然状态下拌混均匀,并堆成锥体,然后沿互相垂直的两条直径把锥体分成大致相等的四份。
4、检验方法:4.1碎石或卵石的筛分析试验①本方法适用于测定碎石或卵石的颗粒级配。
②筛分析试验应采用下列仪器设备:试验筛——孔径为40.0、31。
5、25。
0、20.0、16。
0、10。
0、5。
00和2.50mm的圆孔筛,以及筛的底盘和差各一只。
筛框内径均为300mm.天平或案秤——精确至试样量的0.1%左右烘箱——能使温度控制在105±5℃③试样制备试验前,用四分法将样品缩分至略重于试样所需量,烘干或风干后备用.④筛分析试验应按下列步骤进行a、称取试样5公斤b、将试样按筛孔大小顺序过筛,当每只筛上筛余层的厚度大于试样的最大粒径值时,应将该只筛上的筛分成两份,再次进行筛分,直至各筛每分钟的通过量不超过试样总量的0.1%c、称取各筛筛余的重量,精确至试样总重量的0.1%.在筛上的所有百分计筛余量和筛底剩余的总和与筛分前测定的试样总量相比,其相差不得超过1%。
石子含泥量检测方法概述:石子含泥量是指在一定质量的石子中含有的泥土的质量百分比。
石子含泥量的检测是建筑工程中非常重要的一项工作,它可以直接影响到石子的质量以及混凝土的强度和使用寿命。
因此,开发一种准确可靠的石子含泥量检测方法对于保证工程质量具有重要意义。
常用的石子含泥量检测方法:1. 水洗法水洗法是一种常用的石子含泥量检测方法。
具体操作过程是将一定质量的石子样品放入洗涤筛中,加入一定量的水,经过搅拌和冲洗后,通过筛网将泥土和石子分离开来。
然后,将泥土在高温下烘干,称重后即可得到石子含泥量。
2. 筛分法筛分法是通过将石子样品通过一系列不同孔径的筛网进行筛分,以确定不同粒径的石子的含泥量。
首先,将石子样品放入筛网中,经过一定的振动和筛分过程后,根据筛网上残留的泥土质量与总样品质量之比计算出石子的含泥量。
3. 重量法重量法是一种直接测量石子含泥量的方法。
首先,将一定质量的石子样品称重,然后将其在高温下烘干使其完全干燥。
再次称重,通过两次称重的质量差值即可得到石子的含泥量。
4. 化学分析法化学分析法是一种较为精确的石子含泥量检测方法。
该方法通过将石子样品与一定浓度的酸进行反应,将泥土溶解后,通过滴定来确定泥土的质量。
然后,根据泥土的质量与石子样品质量之比计算出石子的含泥量。
5. 光学显微法光学显微法是一种非常精细的石子含泥量检测方法。
该方法通过将石子样品制备成薄片,然后使用光学显微镜观察薄片中的泥土颗粒数量和分布情况,进而计算出石子的含泥量。
优缺点分析:水洗法是一种简单易行的方法,但可能会导致泥土粒子的丢失,从而影响结果的准确性。
筛分法操作简单,但只能得到石子的粒径分布情况,并不能直接得到含泥量。
重量法操作简单,但不能区分泥土和石子的质量。
化学分析法准确性较高,但操作复杂,需要使用化学试剂。
光学显微法精确度高,但操作复杂,需要高显微镜设备。
结论:综合考虑以上几种方法的优缺点,可以根据实际需要选择合适的石子含泥量检测方法。
供货质量保证协议
甲方:大连泰和混凝土制造有限公司
乙方:
甲乙双方根据《《中华人民共和国合同法》》、《《中华人民共和国产品质量法》》及有关规定,双方本着“质量第一、互惠互利,共同发展”的原则,为确保产品质量的稳定和不断提高,协商一致签订本协议,并共同遵守。
一、协议产品
混凝土用石
二、质量保证
1.颗粒级配:5-31.5mm连续级配或5-25mm连续级配
2.含泥量:小于1%.
3.石粉含量:小于10%.
4.压碎指标:小于20%.
4.堆积密度:大于1350kg/m3.
5.表观密度:大于2500kg/m3.
6.针片状含量:小于15%.
同时乙方供应混凝土用石也应满足中华人民共和国行业标准
JGJ52-2006。
三、不合格产品处理
1.甲方对于乙方不合格产品,甲方有权对其做出退厂处理。
2.甲方对乙方不合格产品,应及时通知乙方,对于退厂用石乙
方应在甲方通知一日内,做出及时处理。
如在一日内,乙方
未做出及时处理,甲方有权对其做出处理,并拒绝支付不合
格产品货款。
四、原材料检验数据问题
甲方只对原材料取样产品试验数据负责。
二〇一一年三月四日。
石的检验方法1、碎石的筛分析试验(1)本方法使用于测定碎石的颗粒级配(2)设备仪器1)方孔筛:孔径为2.63 mm、4.75 mm、9.50 mm、16.0 mm、19.0 mm、26.5 mm、31.5 mm、37、5 mm、53.0 mm、75.0 mm 及90.0mm的筛各一只,并附有筛底和筛盖(筛框内径为300 mm)。
2)台秤——台秤的称量10kg,感量1g;3)烘箱——温度控制范围为(150 ±5)℃;4)搪瓷盘、毛刷等。
(3)试样制备试验前,应将所取样品根据不同规格按表1——1缩分为最少质量的试样,并烘干或风干后备用。
表1——1 筛分析所需试样的最少质量(4)检测流程1)按材料进场规格按表1——1的规定称取试样,精确到1g。
2)将套筛放在摇筛机上,摇10min;取下套筛,按筛孔大小顺序再逐个用手筛,筛至每分钟通过量小鱼试样重量的千分之一为止。
通过的颗粒并入下一号筛中,并和下一号筛中的试样一起过筛,这样顺序进行,直至各号筛全部筛完为止。
注:当筛余的颗粒粒径大于20mm时,在筛分过程中,允许用手拔动颗粒。
3)称出各号筛的筛中剩余量,精确到1g。
(5)结果计算1)计算分计筛余百分率(各筛筛中剩余量与试样总质量之比),精确至0.1%;2)计算累计筛余百分率(该号筛的分计筛余百分率加上该号筛以上各筛余分计百分率之总和),精确至1%。
筛分后,如每号筛的筛余量与筛底的筛余量之和同原试样之差超过1%时,须重新实验。
3)根据各号筛的累计筛余百分率,评定该试样的颗粒级配。
2、碎石含泥量试验(1)本方法适用于测定碎石中的含泥量。
(2)仪器设备1)天平——称量10kg,感量1g;2)烘箱——温度控制范围为(105±5)℃3)方孔筛——孔径为1.18 mm及70μm的筛各一只。
4)容器——要求淘洗试样时,保持试样不溅出;5)搪瓷盘、毛刷等(3)试样制备将样品缩分至表1——2所规定的量(注意防止细粉丢失),并置于温度为(105±5)℃的烘箱内烘干至恒量,冷却至室温后分成大致相等的两份备用。
普通混凝土用石子的强度、针片状颗粒含量、含泥量和泥块含量的检测方法一、石子的颗粒级配检测一、试样制备试验前,根据石子的最大粒径不同,将样品缩分至表4.4所规定的试样最少用量,并烘干或风干后备用。
表4.4筛分析所需试样的最少用量二、试验步骤(1)按表4.4的规定称取试样,精确至1g。
将试样倒入按筛孔大小从上到下放置的套筛上。
(2)将套筛在摇筛机上筛10min,取下套筛,按筛孔大小顺序再逐个用手筛,当每只筛上的筛余层厚度大于试样的最大粒径值时,应将该筛上的筛余试样分成两份,再次进行筛分,直至各筛每分钟的通过量不超过试样总量的0.1%。
(3)称取各筛筛余的质量,精确至试样总质量的0.1%各筛的分计筛余量和筛底剩余量的总和与筛分前测定的试样总量相比,其相差不得超过1%。
三、数据处理与分析(1)计算分计筛余(各筛上筛余量除以试样的百分率),精确至0.1%。
(2)计算累计筛余(该筛的分计筛余与筛孔大于该筛的各筛的分计筛余百分率总和),精确至1%。
(3)根据各筛的累计筛余,评定该试样的颗粒级配。
二、石子的针片状颗粒含量检测一、试样制备按规定取样,将试样缩分至略大于表4.5规定的数量,称量(m0),烘干或风干后备用。
按表4.5的规定称取试样一份,然后按表4.6规定的粒级对石子进行筛分。
表4.5针状和片状颗粒总含量检测所需试样最少质量表4.6针状和片状颗粒总含量检测的粒径划分及相应的规准仪孔宽或间距二、检测步骤(1)按表4.6规定的粒级用规准仪逐粒对试样进行鉴定,凡颗粒长度大于针状规准仪相应间距者,为针状颗粒。
厚度小于片状规准仪上相对应孔宽的,为片状颗粒。
(2)公称粒径大于37.5mm的碎石或卵石可用卡尺鉴定其针、片状颗粒,卡尺卡口的设定宽度符合表4.7规定。
表4.7公称粒径大于37.5mm用卡尺卡口的设定宽度(3)称量由各粒级挑出的针状和片状颗粒的总重量(m1)。
三、数据处理与分析针、片状颗粒含量ωp按式(4-2)计算(精确至0.1%):式中:ωp为针、片状颗粒的总含量,%;m1为试样中针、片状颗粒的总含量,g;m0为试样总质量,g。
一.目的检测石子各项指标,指导检测人员按标准操作,确定石子的规格和类别,保证检测结果科学、准确。
二.检测参数及执行标准颗粒级配、表观密度、堆积密度、紧密密度、空隙率、含泥量、泥块含量、压碎指标值、针片状颗粒含量等。
执行标准:GB50204-2002(2011年版)《混凝土结构工程施工质量验收规范》7.2.5条GB/T14685-2011《建设用卵石、碎石》。
JGJ52-2006《普通混凝土用砂、石质量及检验方法标准》三.适用范围适用于建设工程中水泥混凝土及其制品。
四.职责检测员必须执行国家标准,按照标准操作,随时作好试验记录,填写检测报告,并对数据负责。
五.样本大小及抽样方法在料堆上取样时,应均匀在料堆顶部,中部和底部的五个部位,铲除表面,然后由各部位抽取大致相等的石子15份,组成一组样品。
大型运输工具的,以400m3或600t为一验收批,用小型工具运输时,以200m3或300t为一验收批。
不足上述数量以一批论。
规格产地相同。
取样数量不少于80kg。
六.仪器设备1.鼓风烘箱:温度控制在(105±5)℃;2.台秤:称量10kg,感量1g;3. 摇筛机4. 针状规准仪与片状规准仪;5. 受压试模(测定压碎值);6.WE-300B压力试验机:量程300 kN.,示值相对误差2 %;7.方孔筛:孔径为75μm-90 mm的筛共14只,并附有筛底和筛盖;8.垫棒:直径10 mm、长500 mm、直径16 mm、长600 mm,的圆钢;9.容量筒;10L、20L10.广口瓶:1000 mL,磨口,带玻璃片;11. 温度计、搪瓷盘、毛巾、毛刷、直尺,小铲等。
七.环境条件操作室:20 ±5℃。
八.检测步骤及数据处理1. 颗粒级配准备好试验用的工具,检查仪器设各的状态是否正常。
根据最大粒径称取规定数量的样品,精确到1g。
将试样倒入按孔径大小从上到下组合的套筛,然后用摇筛机筛分10分钟。
取下套筛,按筛孔大小顺序再逐个用手筛,筛至每分种通过量小于试样总量0.1%为止。
砂石考试题(100分钟)单位:姓名:分数:一、名词解释(共20分每题2分)1、卵石:2、天然砂:3、含泥量:4、砂的泥块含量:5、石粉含量:6、轻物质:7、连续粒级:8、碱活性骨料:9、压碎值指标:10、表观密度:二、填空题(共15分每空1分)1、《普通混凝土用砂、石质量及检验方法标准》的编号为()。
2、砂的粗细程度按细度模数分为粗、中、细、特细四级,粗砂的细度模数为(),中砂的细度模数为(),细砂的细度模数为(),特细砂的细度模数为()。
3、砂按0.630mm筛孔累计筛余量(以重量的百分率计)分成三个级配区()区,配制混凝土时宜优先选用()区砂。
4、天然砂中含泥量当砼强度等级≥C60时应(),C30~C55应(),≤C25时应()。
5、筛分试验应采用两个试样做平行试验,细度模数之差大于()时应重新取样试验。
6、最大粒径为40mm的连续粒级碎石的公称粒级为()mm。
7、公称粒级为10-20mm的碎石的级配为()粒级。
8、碎石含泥量以两个试样试验结果的算术平均值为测定值,两次结果的差值超过()时,应重新取样进行试验。
9、砂的实际累计筛余百分率,除()外,允许稍有超出分界线,但其总量百分率不应大于5%。
三、单项选择题(每题只有一个正确答案,请将你认为正确的答案添在括弧中,共15分每题0.5分)1、砂的颗粒级配试验最少取样数量是();A.4000gB.4400 gC.5000 gD.6000g2、做砂的颗粒级配试验时,所用天平的称量1000 g,感量()A.1 gB.2 gC.5 gD.10 g3、在普通混凝土用砂的标准中,砂按()筛孔的累积筛余量,分成三个级配区。
A 1.25mmB 0.630mmC 0.315mmD 0.160mm4、砂的筛分析试样,试验前应先将来样通过( )筛。
A10mm B5mm C20mm D2.5 mm5、计算砂的细度模数应精确到( )。
A0.1 B0.01 C0.001 D0.56、砂筛分试验中,烘箱温度应控制在( )℃A100±1℃ B100±2℃ C105±5℃ D100±10℃7、在砂的筛分试验中,筛分时间为( )分钟左右。
石子检测报告
石子是建筑施工中常用的一种原料,但是石子的质量直接影响到建筑物的质量和使用寿命。
因此,对于石子的质量检测显得尤为重要。
本报告将对某石子样品进行检测分析,以期得出石子的质量情况,为建筑施工提供参考。
一、外观检测。
首先对石子的外观进行检测。
经过观察,该石子表面光滑,无明显的裂痕和破损,颜色均匀一致。
在放大镜下观察,表面无明显磨损和破碎现象。
整体外观符合石子的质量要求。
二、尺寸检测。
接下来对石子的尺寸进行检测。
通过测量,石子的平均直径为5mm,最大直径为10mm,最小直径为3mm。
经过对比,石子的尺寸符合相关标准要求,没有明显的超差情况。
三、密度检测。
然后对石子的密度进行检测。
经过测量,石子的密度为2.6g/cm³,符合相关标准要求。
密度合格,表明该石子的成分和结构比较均匀,没有明显的空隙和杂质。
四、硬度检测。
接着对石子的硬度进行检测。
利用硬度计进行测试,石子的硬度值为7,属于中等硬度。
硬度合格,表明该石子具有一定的耐磨性和抗压性,适合作为建筑材料使用。
五、含泥量检测。
最后对石子的含泥量进行检测。
经过化验,石子的含泥量为0.5%,在允许范围内,符合相关标准要求。
含泥量合格,表明该石子没有明显的污染和杂质,适合用于建筑混凝土的配制。
综上所述,经过对该石子样品的全面检测分析,石子的外观、尺寸、密度、硬度和含泥量等各项指标均符合相关标准要求,可以作为建筑施工的原材料使用。
希望本报告能够为您提供参考,谢谢!。
JGJ 53-92中华人民共和国行业标准普通混凝土用碎石或卵石质量标准及检验方法JGJ 53-92主编单位:中国建筑科学研究院批准部门:中华人民共和国建设部施行日期:1993年9月1日关于发布行业标准《普通混凝土用碎石或卵石质量标准及检验方法》的通知建标〔1992〕931号根据建设部(89)建标计字第8号文的要求,由中国建筑科学研究院主编的《普通混凝土用碎石或卵石质量标准及检验方法》,业经审查,现批准为行业标准,编号JGJ53—92,自1993年9月1日起施行。
原部标准《普通混凝土用碎石和卵石质量标准及检验方法》(JGJ53—79)同时废止。
本标准由建设部建筑工程标准技术归口单位中国建筑科学研究院负责归口管理,具体解释等工作由主编单位负责。
由建设部标准定额研究所组织出版。
中华人民共和国建设部1992年12月30日目次1 总则2 术语、符号2.1 术语2.2 符号3 质量要求4 验收、运输和堆放5 取样与缩分5.1 取样5.2 样品的缩分6 检验方法6.1 碎石或卵石的筛分析试验6.2 碎石或卵石的表观密度试验(标准方法)6.3 碎石或卵石的表观密度试验(简易方法)6.4 碎石或卵石的含水率试验6.5 碎石或卵石的吸水率试验6.6 碎石或卵石的堆积密度和紧密密度试验6.7 碎石或卵石的含泥量试验6.8 碎石或卵石的泥块含量试验6.9 碎石或卵石中针状和片状题粒的总含量试验6.10 卵石中有机物含量试验6.11 碎石或卵石的坚固性试验6.12 岩石的抗压强度试验6.13 碎石或卵石的压碎指标值试验6.14 碎石或卵石中硫化物和硫酸盐含量试验6.15 碎石或卵石的碱活性试验(岩相方法)6.16 碎石或卵石的碱活性试验(化学方法)6.17 碎石或卵石的碱活性试验(砂浆长度方法)6.18 碳酸盐集料的碱活性试验(岩石柱方法)附录A 碎石或卵石检测报告表附录B 本标准用词说明附加说明1 总则1.0.1 为合理使用碎石或卵石、保证普通混凝土的质量,制订本标准。
骨料复习题一、填空1、筛分平行试验,细度模数之差大于0.20时应重新取样试验。
2、天然岩石或卵石经破碎、筛分而得的粒径大于(4.75mm)的岩石颗粒。
4、细骨料级配除(5.00mm 和(0.63mm)筛档外,细骨料的实际颗粒级配表中所列的累计筛余百分率相比允许稍有超出分界线,总量不应(大于5%)。
5、人工砂或混合砂配制混凝土时,人工砂及混合砂的压碎指标值应小于(25%)。
6、砂表观密度取两次试验结果算术平均值为测定值,两次结果差大于(20kg/m3)时,试验无效。
7、卵石为自然条件作用而形成的粒径大于( 5mm )的岩石颗粒。
9、深成岩:(花岗岩、正长岩、闪长岩和橄榄岩)等.10、铁路用骨料检验方法标准(铁建设[2005]160号和铁建设[2005]157号)。
11、能与水泥或混凝土中的碱发生化学反应的骨料叫(碱活性骨料)。
12、砂石含泥量是公称粒径( <0.08mm )颗粒的含量。
13、砂中轻物质是砂中相对密度(<2000kg/m3)的物质。
14、骨料按规定方法颠实后单位体积的质量为(紧密密度),其空隙率叫(紧密堆积状态时的空隙率)。
二、单选1.依据JGJ52-2006标准,碎石或卵石含泥量试验使用两个套筛正确的是( B)。
A 1.25 mm与0.63mm 、 B、1.25mm与0.08mm C、0.63 mm 与0.08 mm● 2.骨料也称集料,在混凝土中起( B ) 。
A填充作用B骨架作用C胶结作用●3,对于高强度等级的混凝土,砂的堆积密度不应小于(C )A.1450kg/m3 B.1550kg/m3 C.1500kg/m3●4、砂的筛分析试样,试验前应先将来样通过( B )筛。
A 5mm B10mm C 20mm D 0.16mm●5、计算砂的平均细度模数应精确到( B )。
A、0.001 B 、0.01 C、0.1 B 0.2●6、在砂的筛分试验中,筛分时间为( D)分钟左右。
石子含泥量试验
一、按规定取样并将试样缩分至略大于表中规定的数量,放在烘箱中于
(105±5)℃下烘干至恒量,待冷却至室温后,分为大致相等的两份备用。
二、称取按规定数量试样一份,精确到1g。
将试样放入淘洗容器中,注
入清水,使水面高于试样上表面150mm,充分搅拌均均后,浸泡2h,然后用手在水中淘洗试样,使尘屑、淤泥和粘土与石子颗粒分离,把浑水缓缓倒入1.18mm及75um的套筛上,滤去小于75um的颗粒。
试验前筛子的两面应先用水润湿。
在整个试验过程中应小心防止大于75um颗粒流失。
再向容器中注入清水,重复上述操作,直到洗清为止。
三、用水淋洗剩余在筛上的细粒,并将75um筛放在水中(使水面略高出
筛中石子颗粒的上表面)来回摇动,以充分洗掉小于75um的颗粒,然后将试样一并倒入搪瓷盘中,在105±5℃下烘至恒量,冷却后称重,精确至1g。
四、结果计算与评定:
1、含泥量按下式计算,精确至0.1%: Qa=(G1-G2)/G1×100
式中:Qa——含泥量,%
G1——试验前烘干试样的质量,g
G2——试验后烘干试样的质量,g
2、含泥量取两次试验结果的算术平均值,精确至0.1%。