单级圆柱齿轮减速器设计----输出轴上零件的定位和固定方式CAD图纸
- 格式:docx
- 大小:51.07 KB
- 文档页数:1
机械设计课程设计计算说明书一、传动方案拟定 (4)二、电动机的选择 (5)三、确定传动装置总传动比及分配各级的传动比 (6)四、传动装置的运动和动力设计 (7)五、普通V带的设计 (10)六、齿轮传动的设计 (15)七、传动轴的设计 (18)八、箱体的设计 (27)九、键连接的设计 (29)十、滚动轴承的设计 (31)十一、润滑和密封的设计 (32)十二、联轴器的设计 (33)十三、设计小结 (33)1《机械设计》课程设计任务书一、设计题目:设计用于带式运输机的一级圆柱齿轮减速器二、传动方案图:三、原始数据输送带压力F(N)1500Nv(m/s) 输送带速度1.5 ms250mmD (mm)滚筒直径四、工作条件:输送机连续工作,单向运转,工作中有轻微振动,空载起动,两班制工作,,要求尺寸较为紧凑,电动机与输送带滚筒轴线平5%输送带速度容许误差为±130mm使用期限为行。
10年,减速器中等批量生产。
90~要求齿轮传动中心距在之间。
五、设计工作量:、减速器装配图一张(1ACAD图纸:手工图或图)1 22、零件图2张(一个组应有一套完整的非标准零件的零件图)3、设计说明书一份3带传动 3.圆柱齿轮减速器1.电动机 2.V 6. 5. 连轴器4. 滚筒运输带 456三、确定传动装置的总传动比和分配级传动比:由选定的电动机满载转速n和工作机主动轴转速n m1、可得传动装置总传动比为:ia=nm/n=nm/n卷筒=960/77.3=12.42781)计算各轴的转数:(/ i Ⅰ轴:n=nⅠ0m=960/2.8=342.86(r/min)/ i= nⅡ轴:nⅠⅡ1=324.86/4.44=77.22 r/minn卷筒轴:= nⅡⅢ得由指导书的表1 到:(2)计算各轴的功率:1=0.96 η2=0.98 ηηⅠ轴:P=P×η×=PⅠ1)0.96=4.32(KW=4.5×η×= PηP= P××01dd3=0.97 η4=0.99ηηⅡ轴:ⅠⅠ3212Ⅱ0.970.98×=4.32×)KW(=4.11ηηηP卷筒轴:= P= P42Ⅱ·23·ⅢⅡ·KW(0.99=4.070.98×=4.11×)910综合以上数据,得表如下:121314 d0 dH LS1SLddadrdkdh1:25斜度S2 S2B15161718192021222324252627绘制轴的工艺图(见图纸)28293031。
一、仔细分析,对所画对象做到心中有数在画装配图之前,要对现有资料进行整理和分析,进一步搞清装配体的用途、性能、结构特点以及各组成部分的相互位置和装配关系,对其它完整形状做到心中有数。
二、确定表达方案根据装配图的视图选择原则,确定表达方案。
对该减速器其表达方案可考虑为:主视图应符合其工作位置,重点表达外形,同时对右边螺栓连接及放油螺塞连接采用局部剖视,这样不但表达了这两处的装配连接关系,同时对箱体右边和下边壁厚进行了表达,而且油面高度及大齿轮的浸油情况也一目了然;左边可对销钉连接及油标结构进行局部剖视,表达出这两处的装配连接关系;上边可对透气装置采用局部剖视,表达出各零件的装配连接关系及该结构的工作情况。
俯视图采用沿结合剖切的画法,将内部的装配关系以及零件之间的相互位置清晰地表达出来,同时也表达出齿轮的啮合情况、回油槽的形状以及轴承的润滑情况。
左视图可采用外形图或局部视图,主要表达外形。
可以考虑在其上作局部剖视,表达出安装孔的内部结构,以便于标注安装尺寸。
另外,还可用局部视图表达出螺栓台的形状。
建议用A1图幅,1:1比例绘制。
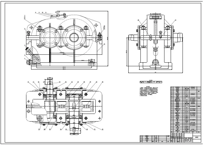
画装配图时应搞清装配体上各个结构及零件的装配关系,下面介绍该减速器的有关结构:1、两轴系结构由于采用直齿圆柱齿轮,不受轴向力,因此两轴均由滚动轴承支承。
轴向位置由端盖确定,而端盖嵌入箱体上对应槽中,两槽对应轴上装有八个零件,如图2-3所示,其尺寸96等于各零件尺寸之和。
为了避免积累误差过大,保证装配要求,轴上各装有一个调整环,装配时修磨该环的厚度g使其总间隙达到要求0.1±0.02。
因此,几台减速器之间零件不要互换,测绘过程中各组零件切勿放乱。
图2-3 轴向相关尺寸2、油面观察结构? 通过油面指示片上透明玻璃的刻线,可看到油池中储油的高度。
当储油不足时,应加油补足,保证齿轮的下部浸入油内,从而满足齿轮啮合和轴承的润滑。
油面观察结构的画法见图2-4,垫片厚1mm,剖面可涂黑。
螺旋输送机一级圆柱齿轮减速器的设计摘要此螺旋输送机的设计主要用于物料的传送,根据给定的输送量以及物料特性分别进行叶片用料实形、螺旋直径、螺旋转速等主要参数的设计计算。
传动部分采用电动机带动联轴器,联轴器带动齿轮,齿轮带动联轴器进而带动一级减速器、减速器连接机体的传动方式。
根据计算得出的主要参数选择合适的电动机,从而确定带轮以及减速器的传动比,将主要后续工作引向一级减速器的设计,其中包括主要传动轴的校核、齿轮的选择等计算工作。
最后根据计算所得结果整理出安装尺寸以及装配图的绘制。
关键词:螺旋输送机;减速器;物料运输目录摘要 (1)目录 (2)课题题目 (3)第一章电机的选择 (5)第二章传动装置的运动和动力参数 (7)第三章传动装置的运动和动力设计 (8)第四章圆柱斜齿轮传动的设计 (10)第五章轴的设计计算 (15)第六章轴承的设计与校核 (23)第七章键连接的选择与校核 (28)第八章联轴器的选用 (29)第九章箱体设计 (30)第十章减速器润滑密封 (31)设计心得 (32)参考文献 (32)课题题目题目:设计一用于螺旋输送机上的单级圆柱齿轮减速器。
工作条件:连续单项运转,工作时有轻微震动,使用期限为8年,生产10台,两班制工作。
输送机工作转速的允许误差为±5%。
原始数据:运输机工作轴转矩 T=850 N·m运输机工作轴转速 n=125 rpm1 引言:螺旋输送机是一种常用的连续输送机械。
它是利用工作构件即螺旋体的旋转运动使物料向前运送,是现代化生产和物流运输不可缺少的重要机械设备之一,在国民经济的各个部门中得到了相当广泛的应用,已经遍及冶金、采矿、动力、建材、轻工、码头等一些重工业及交通运输等部门。
主要是用来运送大宗散货物料,如煤、矿石、粮食、砂、化肥等。
本文以草料和饲料为主要输送原料进行螺旋输送机的相关结构和参数设计。
2 螺旋输送机工作原理物料运输工业中螺旋输送机主要用于原料的输送,一般采用实体螺旋叶片,中间吊挂轴承等螺距的全叶式螺旋即S制法螺旋输送机。
前言减速器的结构随其类型和要求不同而异。
单级圆柱齿轮减速器按其轴线在空间相对位置的不同分为:卧式减速器和立式减速器。
前者两轴线平面与水平面平行,如图1-2-1a所示。
后者两轴线平面与水平面垂直,如图1-2-1b所示。
一般使用较多的是卧式减速器,故以卧式减速器作为主要介绍对象。
单级圆柱齿轮减速器可以采用直齿、斜齿或人字齿圆柱齿轮。
图1-2-2和图1-2-3所示分别为单级直齿圆柱齿轮减速器的轴测投影图和结构图。
减速器一般由箱体、齿轮、轴、轴承和附件组成。
箱体由箱盖与箱座组成。
箱体是安置齿轮、轴及轴承等零件的机座,并存放润滑油起到润滑和密封箱体内零件的作用。
箱体常采用剖分式结构(剖分面通过轴的中心线),这样,轴及轴上的零件可预先在箱体外组装好再装入箱体,拆卸方便。
箱盖与箱座通过一组螺栓联接,并通过两个定位销钉确定其相对位置。
为保证座孔与轴承的配合要求,剖分面之间不允许放置垫片,但可以涂上一层密封胶或水玻璃,以防箱体内的润滑油渗出。
为了拆卸时易于将箱盖与箱座分开,可在箱盖的凸缘的两端各设置一个起盖螺钉(参见图1-2-3),拧入起盖螺钉,可顺利地顶开箱盖。
箱体内可存放润滑油,用来润滑齿轮;如同时润滑滚动轴承,在箱座的接合面上应开出油沟,利用齿轮飞溅起来的油顺着箱盖的侧壁流入油沟,再由油沟通过轴承盖的缺口流入轴承(参图1-2-3)。
减速器箱体上的轴承座孔与轴承盖用来支承和固定轴承,从而固定轴及轴上零件相对箱体的轴向位置。
轴承盖与箱体孔的端面间垫有调整垫片,以调整轴承的游动间隙,保证轴承正常工作。
为防止润滑油渗出,在轴的外伸端的轴承盖的孔壁中装有密封圈(参见图1-2-3)。
减速器箱体上根据不同的需要装置各种不同用途的附件。
为了观察箱体内的齿轮啮合情况和注入润滑油,在箱盖顶部设有观察孔,平时用盖板封住。
在观察孔盖板上常常安装透气塞(也可直接装在箱盖上),其作用是沟通减速器内外的气流,及时将箱体内因温度升高受热膨胀的气体排出,以防止高压气体破坏各接合面的密封,造成漏油。
目录一、课程设计任务书 ......................................................................................................................... - 2 -二、传动方案的拟定 ......................................................................................................................... - 1 -三、电动机的选择 ............................................................................................................................. - 2 -四、确定传动装置的有关的参数 ..................................................................................................... - 4 -五、传动零件的设计计算 ................................................................................................................. - 7 -六、轴的设计计算 ........................................................................................................................... - 21 -七、滚动轴承的选择及校核计算 ................................................................................................... - 28 -八、连接件的选择 ........................................................................................................................... - 31 -九、减速箱的附件选择 ................................................................................................................... - 34 -十、润滑及密封 ............................................................................................................................... - 36 -十一、减速箱的附件选择 ............................................................................................................... - 37 -十二、课程设计小结 ....................................................................................................................... - 39 -十三、参考资料 ............................................................................................................................... - 40 -一、课程设计任务书1、设计题目:设计铸造车间碾砂机的传动装置2、设计条件:使用寿命为8年,每日三班制工作,连续工作,单向转动。
技术特性输入功率(KW)3.653,高速轴转速(r/min)290.997,低速轴转速(r/min)72.755,传动比 4。
技术要求1.啮合侧隙大小用铅丝检验,保证不小于0.16mm,铅丝饿直径不得大于最小侧隙的两倍.2.用涂色法检验齿轮接触斑点,按齿高接触斑点不小于40%,齿宽接触斑点不小于50%.3.应调整轴承轴向间隙.4.箱座,箱盖及其他零件未加工的内表面,齿轮未加工的表面涂底漆涂红色耐油油膜.5.运转过程中应平稳,无冲击,无异常振动和噪声.各密封处,接合处均不得渗油,漏油.螺旋输送机一级圆柱齿轮减速器的设计摘要此螺旋输送机的设计主要用于物料的传送,根据给定的输送量以及物料特性分别进行叶片用料实形、螺旋直径、螺旋转速等主要参数的设计计算。
传动部分采用电动机带动联轴器,联轴器带动齿轮,齿轮带动联轴器进而带动一级减速器、减速器连接机体的传动方式。
根据计算得出的主要参数选择合适的电动机,从而确定带轮以及减速器的传动比,将主要后续工作引向一级减速器的设计,其中包括主要传动轴的校核、齿轮的选择等计算工作。
最后根据计算所得结果整理出安装尺寸以及装配图的绘制。
关键词:螺旋输送机;减速器;物料运输目录摘要 (1)目录 (2)课题题目 (3)第一章电机的选择 (5)第二章传动装置的运动和动力参数 (7)第三章传动装置的运动和动力设计 (8)第四章圆柱斜齿轮传动的设计 (10)第五章轴的设计计算 (15)第六章轴承的设计与校核 (23)第七章键连接的选择与校核 (28)第八章联轴器的选用 (29)第九章箱体设计 (30)第十章减速器润滑密封 (31)设计心得 (32)参考文献 (32)课题题目题目:设计一用于螺旋输送机上的单级圆柱齿轮减速器。
工作条件:连续单项运转,工作时有轻微震动,使用期限为8年,生产10台,两班制工作。
输送机工作转速的允许误差为±5%。
原始数据:运输机工作轴转矩 T=850 N·m运输机工作轴转速 n=125 rpm1 引言:螺旋输送机是一种常用的连续输送机械。
课程设计带式运输机传动装置设计——单级圆柱齿轮减速器设计课程设计任务书机械工程学院(系、部)机械设计与制造专业班级课程名称:机械设计设计题目:带式运输机传动装置设计——单级圆柱齿轮减速器设计完成期限:指导教师(签字):年月日系(教研室)主任(签字):年月日机械设计设计说明书带式运输机传动装置设计——单级圆柱齿轮减速器设计任务书起止日期:学生姓名班级学号成绩指导教师(签字)机械工程学院机械设计课程设计——带式运输机上的单级圆柱齿轮减速器的设计一、传动装置简图:带式运输机的传动装置如图1图1 带式运输机的传动装置二、原始数据如表1表1 带式输送机传动装置原始数据三、工作条件三班制,使用年限10年,每年按365天计算,连续单向,载荷平稳,小批量生产,运输链速度允许误差为链速度的5 %。
四、传动方案如图2图2 传动方案五、设计任务设计计算说明书一份,零件图3张,装配图1张。
ηηII =联齿计算与说明3计算各轴的输入转矩电动机轴:9550/9550 2.08/143013.891d d T p n N m N m ==⨯=电动Ⅰ轴:9550/9550 1.9968/635.5630.00T p n N m N m I I I ==⨯=Ⅱ轴:9550/9550 1.918/158.89115.28T p n N m N m II II II ==⨯=Ⅲ轴:9550/9550 1.823/158.89106.586T p n N m N m III III III ==⨯=4将以上结果记入表3表3 运动和动力参数I 轴 II 轴 III 轴 转速(r/min ) 635.56 158.89 158.89 输入功率P (kw ) 1.9968 1.918 1.823 输入扭矩T(N m ) 30.00 115.28 106.586传动比(i ) 4 1 效率(η)0.960.95三:传动零件设计计算1皮带轮传动的设计计算(外传动)(1)选择普通V 带因为每天24 h >16 h ,且选用带式输送机,所以查参考文献[2]表8-11,选取工作系数 1.3A k = 所以 1.3 2.08 2.704ca A d p k P kw ==⨯=。
目录一,械设计任务书要求 (3)二、齿轮传动设计 (5)三、联轴器的类型选择 (8)四、轴的设计 (8)五、设计总结 (9)六、参考文献 (9)七、I I轴设计图及减速器主,俯两视图…另附机械设计基础课程设计任务书(五)设计题目:单级直齿圆柱轮减速器结构设计总体布置简图:原始数据:已知条件题号1★2 3 4 5 6 7 8 9 大齿轮分度圆直径d1(mm) 65 69 70 72 72.5 75 77.5 78 80 大齿轮分度圆直径d2(mm)195 198 210 215 220 225 225 225 230 Ⅰ轴最小直径D1(mm)20 20 20 25 25 25 30 30 30 Ⅱ轴最小直径D2(mm)30 30 30 35 35 35 40 40 40 您用1号题的数据设计工作量:1. 减速器装配图(0号)一张;2. Ⅱ轴零件图(3号)一张;3. 设计说明书一份。
开始日期2012年12月31日结束日期2013年01月06日指导老师:设计说明书机械基础课程单级直齿圆柱齿轮减速器设计二、齿轮传动设计因为小齿轮分度圆直径d1=65mm大齿轮分度圆直径d2=195mmⅠ轴最小直径D1=20mmII轴最小直径D2=30mm所以中心距a=(d1+d2)/2=(65+195)/2=130mm选取模数,由经验公式得m=(0.007~0.02)a=0.91~2.6mm 取标准值m=2.5mm小齿轮齿数为:z1=d1/m=65/2.5=26大齿轮齿数为:z2=d2/m=195/2.5=78齿顶圆直径d a1=(z1+2)m=(26+2)×2.5=70mmd a2=(z2+2)m=(78+2)×2.5=200mm齿根圆直径d f1=( z1-2.5)m=(26-2.5)×2.5=58.75mmd f2=( z2-2.5)m=(78-2.5) ×2.5=188.75mm齿顶高ha=ha*m=2.5mm齿根高hf=(ha*+C*)m=1.25×2.5mm=3.125mm全齿高h=ha+hf=5.625mm齿宽b=Ψa·a=0.4×130=52mm取b2=52mm,b1=b2+(5~10) 取b1=60mm绘制齿轮零件工作图(齿轮选用腹板式)其中,轴、大齿轮的配合基本尺寸d=Φ42d1=1.6d ,d1=67.2mm1.5d>l>b,取l=60mmξ0=(3~4)mm,取ξ0=8mmd2=d a2-2h-2ξ0=200-2×5.625-16=172.5C=0.2b ,C=10.4mmr=0.5C ,r=5.2mmd0=1.5~25mm ,取d0=15mm三、联轴器的设计类型选择由于两轴相对位移很小,运转平稳,且结构简单,对缓冲要求不高,故选用弹性套柱销联轴器。
带式输送机传动装置设计计算说明书设计课题带式输送机传动装置中的一级圆柱齿轮减速器的设计机械系(院)班级___________________________________姓名___________________________________学号___________________________________学习小组________________________________同组成员________________________________指导教师________________________________学年第学期机械设计课程设计计算说明书一、传动方案拟定........... . .. (4)二、电动机的选择.................................... .5三、确定传动装置总传动比及分配各级的传动比 (6)四、传动装置的运动和动力设计....................... ..7五、普通V带的设计...................................... .10六、齿轮传动的设计................................. ..15七、传动轴的设计.................................... ..18八、箱体的设计...... ................................ .27九、键连接的设计 (29)十、滚动轴承的设计 (31)十^一、润滑和密封的设计 (32)十二、联轴器的设计 (33)十三、设计小结 ..................................... .. (33)《机械设计》课程设计任务书、设计题目:设计用于带式运输机的一级圆柱齿轮减速器、传动方案图:四、工作条件:输送机连续工作,单向运转,工作中有轻微振动,空载起动,两班制工作,输送带速度容许误差为土5%,要求尺寸较为紧凑,电动机与输送带滚筒轴线平行。