富士LIFT变频器 自整定顺序
- 格式:doc
- 大小:51.50 KB
- 文档页数:2
富士变频器LIFT调试方法(模拟量)1、变频器调整参数表注:带*号的设定值为推荐值,可视具体情况进行调整2、主机自学习方法1) .将KAS KAD KMC KMY KMB接触器通电吸合,可采用短接的方法。
2) .将使能端子EN与CM短接。
3) .修改变频器控制方式参数P06=0P07=5%P08=10%F42=1 (带PG矢量控制)L01=5 (PR卡)L02=2048 (海德汉编码器)L36=2L38=24) . 输入电机参数F03=最高速度F04=额定速度F05=额定电压P01=电机极数P02=电机额定功率P03=电机额定电流5) . 主机自学习首先将参数L03设置为3,然后切换至自学习界面后,按RUN键进行主机自学习(整个过程大约持续10 秒钟)。
自学习完后需将界面切换为修改参数界面。
6) . 试运转电机将电机以10%,20%,50%,100% 的速度运行,观察运行是否有异常振动或都响声。
7) . 监视磁极位置检出值断电(操作器显示消失),上电运行,观察是否能顺利启动。
观察L04是否有值,若无值则须重复以上自学习步骤。
8) . 观察运行方向观察电机的运转方向,是否与实际的运转方向一致,如相反,则将电机和变频器间的接线V 、W 进行互换;互换后重新进行主机自学习。
9). 拆线:将所有短接线拆除,恢复原来的状态。
3、起动力矩补偿调整方法转矩补偿的调整框图如下所示:2).模拟量控制中又由三条线路可控制,我公司采用V2 口控制转矩补偿。
变频器X5点用于转矩保持。
故需将变频器的E05参数设置为62。
3).平衡调整把功能代码E43(LED监视器)设定为19,便能由LED对转矩偏置平衡调整(BTBB)进行监视。
为了使显示数据为0[%],在功能代码C41(V2输入偏移)中进行平衡调整(以相对于电动机额定转矩的比例用[%]来显示数据)。
4).增益调整①在平衡调整后,把要调整的模拟输入端子的增益C42(V2输入增益)作为100[%],来进行增益的调整。
富士LIFT变频器参数设定及故障代码说明富士LIFT变频器是一种用于电梯系统的电力驱动设备,它可以控制电梯的运行速度和方向,并且能够保护电梯的运行安全。
在使用富士LIFT变频器时,我们需要根据具体的电梯要求进行参数设定,并且了解一些常见的故障代码以便及时排除故障。
首先我们来看看富士LIFT变频器的参数设定。
在安装和调试富士LIFT变频器时,我们需要对一些参数进行设定,以确保电梯能够达到所需的运行效果。
1.电机参数设定:首先需要根据电梯的重量和楼层数等信息来设定电机的相关参数,如额定电流、额定转速等。
2.运行模式设定:根据电梯的需求,可以选择不同的运行模式,如并联、串联等,以及相应的楼层编码。
3.转矩重合设定:这个参数设定的目的是为了确保在换向和刹车时电梯的运行平稳。
4.速度检测设定:在设定行程楼层之前,需要进行速度检测,可以选择不同的速度检测方式,如编码器或霍尔检测等。
5.速度曲线设定:根据电梯的具体要求,可以设置不同的速度曲线,以实现不同的运行效果,如平滑启动、平滑停靠等。
接下来,我们来解释一些常见的故障代码,并且介绍如何进行故障排查和处理。
1. 驱动故障代码(Err1-Err7):这些故障代码通常表示驱动器或电机出现了异常情况,常见的原因有:电机过载、短路、缺相等。
在遇到这些故障代码时,首先需要检查电机和驱动器是否正常工作,如果需要则更换驱动器或电机。
2. 速度故障代码(Err9-Err11):这些故障代码通常表示电梯的速度超出了设定值,或者速度检测装置出现故障。
在遇到这些故障代码时,首先需要检查速度检测装置是否工作正常,如果需要则更换或调整。
3. 电源故障代码(Err13-Err14):这些故障代码通常表示输入电源电压不稳定,或者电源电压超出了设定值。
在遇到这些故障代码时,首先需要检查电源线路和电源稳压器,确保电源供应正常。
4. 通信故障代码(Err15-Err20):这些故障代码通常表示变频器和其他设备之间的通信故障,如通信线路断开、通信协议错误等。
1.外围线路配置1.1 数字量输入:端子FWD正向运行C板:Y 4 F板:JP 10.4端子REV反向运行C板:Y5 F板:JP10.5端子X1 E01=0 多段速频率选择SS1 F板:JP10.7端子X2 E02=1 多段速频率选择SS2 F板:JP10.8端子X3 E03=2 多段速频率选择SS4 F板:JP10.9端子CM 公共端C板:COM2 F板:JP10.101.2 数字量输出(继电器):Y5C-Y5A 变频器运行信号可编程E24=0C板:串入抱闸接触器线圈回路F板:JP2.1030A-30C 变频器故障C板:X13 F板:JP2.21.3 模拟量输入:12 - 11(0~10V -0V)C板:V1-V0 F板:JP6.3-JP6.22.一些重要参数说明:F01=1 频率设定模拟量(电压型)F02=1 运行操作外部信号(FWD/REV正反向运行)F07 加速时间1 O13 S曲线1F08 减速时间1 O14 S曲线2E10 加减速时间3 O15 S曲线3bE11 加减速时间4 O16 S曲线4E12 加减速时间5 O17 S曲线5 数字量可调节参数值E13 加减速时间6 O18 S曲线6 模拟量不用,都为0E14 加减速时间7 O19 S曲线7E15 加减速时间8 O20 S曲线8O21 S曲线9O22 S曲线10F03 最高输出频率F04 基本频率此四个参数值须根据电机铭牌设F05 额定电压F06 最高输出电压F17 频率设定增益(模拟量)F18 频率偏置(模拟量)F26 载波频率15KHz 一般不调,仅当电机动作正常,但声音尖锐异常时可调整(≤15KHz)E33=1 过负载预报按输出电流预报E34: OL预报值额定电流150%**E37 过负载预报额定电流150%**C07 爬行速度C08 检修速度数字量可调节参数值C09 单层速度模拟量不用,都为0C10 双层速度C11 多层速度C33 模拟量输入滤波时间0.04P01 电机极数P=120f/N (f-电机额定频率;N-电机额定转速)一般情况,N >1000rpm,P=4极N≤1000rpm,P=6极P02 电机功率此两个参数值须根据电机铭牌设P03 电机额定电流P04 电机空载电流初始值设为p04的40%,自整定后自动生成O01=1 (闭环);0(开环)O03 编码器脉冲数(分频在PG卡上实现)O04 速度环P常数(高速时)O05 速度环I常数0.5O06 速度检测滤波常数0.003O07 速度环P常数切换频率1 5O08 速度环P常数切换频率2 10O09 速度环P常数(低速时)H03 数据初始化(一般不用)3. 特殊参数调试说明3.1 H03 数据初始化(一般不用)这个参数用法可参考第一章“3.1 A1-03=0 初始化”,与之用法类似。
使用OPC-LM1-PR选件(海得汉ERN1387)磁极位置偏移整定顺序1. 条件电动机处于单体可以自由旋转状态(卸下缆绳),如果变频器上设定有转矩偏置,请取消。
编码器异常检测有效。
(出厂设定L90=1, L91=10%, L92=0.5)2.功能码设定3.整定顺序3-1 第一步1.松开制动闸,转子处于可驱动状态。
2.确认电动机和变频器之间已经连接。
3.用多功能操作键盘(以下表示为TP),按住TP的[REM / LOC]键,直到运转操作指令场所变更到就地操作(显示屏显示LOC)。
4.在TP的程序模式中选择[1.数据设定],将功能码L03的设定变更为“3”,按[FUNC/DATA] 键设定。
5. 按[FWD]键,开始磁极位置偏移整定。
整定期间监视窗口显示“执行中”。
当该显示内容消失,说明整定结束,L03自动恢复为0。
6.磁极位置偏移整定结果,被放到L04内,确认并记录该数值。
7.按照顺序5.〜6.进行5次左右的操作,确认磁极位置偏移整定结果L04的偏差。
如果偏差超过20⁰,或者出现”Er7”,有可能是电动机或者编码器接线有误,调换输出电压V相和W相连线之后,再次实施磁极位置偏移整定。
如果再次出现类似现象,可能是断线或者编码器配线有误,请确认并更正后再次实施整定。
8.如果偏差在20⁰之下,不要切断电源,继续进行下一项的操作。
)3-2 第二步1.将频率指令设定为1Hz程度,按[FWD]键,让电动机以大于1转的速度旋转。
(如果不能正常运转,是PG配线有问题。
切断电源,调换A相和B相连线,重新从3.1步骤开始操作。
)2.按[STOP]键,当电动机停止后,将频率指令恢复到0。
特别强调:LIFT 变频器版本(versions) 0804 0808 1100或更高注:在确认编码器接线正确的情况下也可以进行,电机不摘正钢丝绳,(L03=1)不打开抱闸的情况下进行静态自整定.参数和步骤都是一样.。
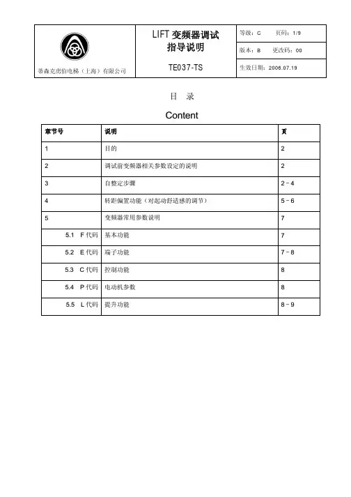
TE037-TS生效日期:2006.07.19 蒂森克虏伯电梯(上海)有限公司目录C o n t e n t章节号说明页1目的2 2调试前变频器相关参数设定的说明2 3自整定步骤2~4 4转距偏置功能(对起动舒适感的调节)5~6 5变频器常用参数说明75.1F代码基本功能75.2E代码端子功能7~85.3C代码控制功能85.4P代码电动机参数85.5L代码提升功能8~9TE037-TS生效日期:2006.07.19蒂森克虏伯电梯(上海)有限公司1 目的1) LIFT变频器与同步曳引机进行匹配2) LIFT变频器相关功能调试说明2 调试前变频器相关参数设定的说明调试电梯前必须对电机参数进行确认,确认参数详见下面的第5项――电梯常用参数说明。
3自整定步骤(出厂前厂内已经做过自整定操作,现场不需要再做。
当现场遇到下列任一情况时,需要重新做自整定:1. 电梯运行不正常,出现飞车现象;2. 任何调整曳引机上编码器的行为;3. 更换编码器的行为;4. 更换曳引机的行为。
)若不需要做自整定操作,直接跳至第4项的操作步骤。
3.1 确认曳引机曳引轮无负载3.2 确认制动器已松开,转子处于可手动运转状态3.3 确定曳引机编码器的脉冲数,并按“图一”中的步骤,在变频器参数设定时正确输入。
编码器脉冲数见表一功能代码 编码器品牌 编码器型号 用于同步曳引机 编码器脉冲数 L02 多摩川(Tamagawa) TS5246N160 PMS215 8192表一蒂森克虏伯电梯(上海)有限公司TE037-TS生效日期:2006.07.19 3.4 自整定操作流程,见图1蒂森克虏伯电梯(上海)有限公司TE037-TS生效日期:2006.07.19图1 FRENIC-Lift 变频器与PMS215曳引机自整定流程图蒂森克虏伯电梯(上海)有限公司TE037-TS生效日期:2006.07.194 转矩偏置功能(对起动舒适感的调节)转矩偏置功能通过事先输出与负载载荷相对应的转矩,来缓和制动释放时的冲击。
富士变频器参数表代码名称可设定范围F00 数据保护(密码输入)0: 无数据保护1: 有数据保护※将H99设定为“0”时有效0000~FFFF※将H99设定为“0”以外时有效H99的数据将成为密码。
F01 速度设定0: 带S形加减速的多级速度指令(SS1, SS2, SS4)1: 模拟输入(不可进行可逆运转)2: 模拟运转(可进行可逆运转)F03 最高速度300.00~3600r/min F04 额定速度300.00~3600r/minF05 额定电压160~500V,A VR动作F07 加减速时间1低速加速时间0.00~99.99s※0.00为加速时间取消(在外部进行软件启动停止的情况下)F08 加减速时间2低速减速时间0.00~99.99s※0.00加速时间取消(在外部进行软件启动停止的情况下)F09 转矩提升0.0~20.0% (F05:相对于额定电源的%值)※将F42设定为“2”时有效F10 电子热继电器(特性选择)1: 自我冷却风扇•通用电动机用(电动机保护用)2: 其他风扇用F11 (动作值)0.00(不动作)变频器额定电流的1~135%的电流值F12 (热时间常数)0.5~75.0minF20 直流制动(开始频率)0.0~60.0Hz※将F42设定为“2”时有效F21 (动作值)0~100%(变频器额定电流基准)※将F42设定为“2”时有效F22 (时间)0.00s(不动作),0.01~30.00s※将F42设定为“2”时有效F23 启动速度0.00~150.0r/minF24 (持续时间)0.00~10.00s F25 停止速度0.00~150.0r/minF26 电动机运转音8 5~15kHz(载频)F30 用于厂家调试0~99 F42 控制选择1 0: 带PG矢量控制(异步机)1: 带PG矢量控制(同步机)2:电动转矩矢量控制F44 电流限制(动作值)20~200%(变频器额定电流基准)999:在每个容量到达最大电流时自动进行限制。
Class:类别 : 工作指引 Number:编号: TE-QM094 发至:技术中心 质量管理中心Source:来源: 技术中心Page:页数: 1/4 Subject:主题:富士变频器操作指导Issued:发布日期: 2008.10.17 Version:版本: A0Prepared by : 编制:Checked by : 审核: Approved: 批准:1 目的规范操作流程,保证检测结果真实、有效。
2 范围适用于无齿轮曳引机检测过程。
3 操作指导 3.1 端子说明 标号名称说明L1/R 、L2/S 、L3/T三相电源输入端子 交流三相380V 电源输入端子 U 、V 、W变频器输出端子 连接三相电动机,U 、V 、W 一一对应G 接地端子接地端子3.2 面板说明反转键确认键shift 键正转键 停止键上翻键下翻键复位键程序键Page:页数: 2/4Shift键+上翻键(或下翻键)可切换菜单;复位键用与消除故障;程序键也可用作退出键。
3.3 数据设定接通电源,按PRG键,进入程序菜单,通过上下键选择菜单1:数据设定项,按(FUNC/DATA)然后通过上下键选择参数项。
如果要修改参数,按下确认键,通过上下键修改(RESET 键在此有移位作用,可加快修改速度),设定成需要的数据后,按下确认键保存。
代码名称数据设设置F03 最大速度根据电机设置F04 额定速度根据电机设置F05 电机额定电压根据电机设置F42 控制模式1(同步机)P01 电机极对数根据电机设置P02 电机功率根据电机设置P03 电机额定电流根据电机设置L01 编码器类型选择PS卡:4,PR:5L02 脉冲数根据编码器设置L36 PI值设为10L38 PI值设为10PS卡适用于ECN1313编码器,PR卡适用于ERN1387编码器。
3.4 整定将L03设为3,接通使能端,按下确认键,然后按下FWD键或REV键进行自整定,整定结束后观察L04参数(磁极位置检测),然后再进行一次自整定,整定三次,如果几次整定过程中L04偏差很大,超过20deg,则三相反,换相重新整定,如果两次偏差不超过10deg,则整定正常,可以运行。
富士变频器LIFT调试方法1.检查电源接线:首先,检查富士变频器LIFT的电源接线是否正确连接,并确保电源的稳定性和可靠性。
如果电源接线不正确,可能会导致变频器无法正常工作。
2.连接电机:根据电机的型号和参数,将电机正确连接到富士变频器LIFT的输出端。
确保电机连接正确,不要接反相,以免损坏电机或变频器。
3.设定参数:根据实际需求,设置富士变频器LIFT的相关参数。
这些参数包括起动方式、转速控制方式、最大输出频率等。
根据不同的应用场合和需求,参数的设置也会有所差异。
一般可以通过富士变频器LIFT的上位机软件进行参数设置。
4.调试起动:在完成参数设置后,进行富士变频器LIFT的起动调试。
可以通过手动或自动的方式进行起动,观察电机转速是否正常。
如果需要,可以逐步调整相关参数,以达到理想的效果。
5.检查安全保护功能:富士变频器LIFT通常具有多种安全保护功能,如过载保护、过电流保护、过热保护等。
在调试过程中,需要检查这些安全保护功能是否正常工作,以保证电机和变频器的安全运行。
6.调试调速:富士变频器LIFT的一个重要功能是调速,可以根据实际需求调整电机的转速。
在调试过程中,可以通过变频器的按钮或上位机软件,逐步调整转速,并观察电机的响应。
调速时需要注意,不要超过电机的额定转速,以避免损坏电机或变频器。
7.检查故障报警:在调试过程中,如果出现变频器的故障报警,需要及时进行故障排查和处理。
根据报警代码,可以查阅富士变频器LIFT的说明书或官方网站,找到相应的故障解决方法。
8.调试完成:完成上述步骤后,可以进一步测试富士变频器LIFT的性能和稳定性。
可以进行负载测试、瞬态响应测试等,以评估变频器的工作效果。
如果需要,还可以进行性能优化和参数调整。
总之,富士变频器LIFT的调试方法主要包括检查电源接线、连接电机、设定参数、调试起动、检查安全保护功能、调试调速、检查故障报警等步骤。
通过逐步调试和测试,可以确保富士变频器LIFT的正常工作和性能优化。
1.外围线路配置1.1数字量输入:端子FWD正向运行C板:Y4F板:JP10.4端子REV反向运行C板:Y5F板:JP10.5端子X1E01=0多段速频率选择SS1F板:JP10.7端子X2E02=1多段速频率选择SS2F板:JP10.8端子X3E03=2多段速频率选择SS4F板:JP10.9端子CM公共端C板:COM2F板:JP10.101.2数字量输出(继电器):Y5C-Y5A变频器运行信号可编程E24=0C板:串入抱闸接触器线圈回路F板:JP2.1030A-30C变频器故障C板:X13F板:JP2.21.3模拟量输入:12-11(0~10V-0V)C板:V1-V0F板:JP6.3-JP6.22.一些重要参数说明:F01=1频率设定模拟量(电压型)F02=1运行操作外部信号(FWD/REV正反向运行)F07加速时间1O13S曲线1F08减速时间1O14S曲线2E10加减速时间3O15S曲线3bE11加减速时间4O16S曲线4E12加减速时间5O17S曲线5数字量可调节参数值E13加减速时间6O18S曲线6模拟量不用,都为0E14加减速时间7O19S曲线7E15加减速时间8O20S曲线8O21S曲线9O22S曲线10F03最高输出频率F04基本频率此四个参数值须根据电机铭牌设F05额定电压F06最高输出电压F17频率设定增益(模拟量)(模拟量)F18频率偏置F26载波频率15KHz一般不调,仅当电机动作正常,但声音尖锐异常时可调整(≤15KHz)报预E33=1过负载预报按输出电流150%**E34:OL预报值额定电流E37过负载预报额定电流150%**C07爬行速度C08检修速度数字量可调节参数值C09单层速度模拟量不用,都为0C10双层速度C11多层速度C33模拟量输入滤波时间0.04速)P01电机极数P=120f/N(f-电机额定频率;N-电机额定转一般情况,N>1000rpm,P=4极N≤1000rpm,P=6极设P02电机功率此两个参数值须根据电机铭牌P03电机额定电流P04电机空载电流初始值设为p04的40%,自整定后自动生成O01=1(闭环);0(开环)O03编码器脉冲数(分频在P G卡上实现)O04速度环P常数(高速时)O05速度环I常数0.5O06速度检测滤波常数0.003O07速度环P常数切换频率15O08速度环P常数切换频率210O09速度环P常数(低速时)H03数据初始化(一般不用)说明3.特殊参数调试3.1H03数据初始化(一般不用)这个参数用法可参考第一章“3.1A1-03=0初始化”,与之用法类似。
1.外围线路配置1.1 数字量输入:端子FWD正向运行 C板:Y 4 F板:JP 10.4端子REV反向运行 C板:Y5 F板:JP10.5端子X1 E01=0 多段速频率选择SS1 F板:JP10.7端子X2 E02=1 多段速频率选择SS2 F板:JP10.8端子X3 E03=2 多段速频率选择SS4 F板:JP10.9端子CM 公共端 C板:COM2 F板:JP10.101.2 数字量输出(继电器):Y5C-Y5A 变频器运行信号可编程E24=0C板:串入抱闸接触器线圈回路 F板:JP2.1030A-30C 变频器故障C板:X13 F板:JP2.21.3 模拟量输入:12 - 11(0~10V - 0V) C板:V1-V0 F板:JP6.3-JP6.22.一些重要参数说明:F01=1 频率设定模拟量(电压型)F02=1 运行操作外部信号(FWD/REV正反向运行)F07 加速时间1 O13 S曲线1F08 减速时间1 O14 S曲线2E10 加减速时间3 O15 S曲线3bE11 加减速时间4 O16 S曲线4E12 加减速时间5 O17 S曲线5 数字量可调节参数值E13 加减速时间6 O18 S曲线6 模拟量不用,都为0E14 加减速时间7 O19 S曲线7E15 加减速时间8 O20 S曲线8O21 S曲线9O22 S曲线10F03 最高输出频率F04 基本频率此四个参数值须根据电机铭牌设F05 额定电压F06 最高输出电压F17 频率设定增益(模拟量)F18 频率偏置(模拟量)F26 载波频率 15KHz 一般不调,仅当电机动作正常,但声音尖锐异常时可调整(≤15KHz)E33=1 过负载预报按输出电流预报E34: OL预报值额定电流150%**E37 过负载预报额定电流150%**C07 爬行速度C08 检修速度数字量可调节参数值C09 单层速度模拟量不用,都为0C10 双层速度C11 多层速度C33 模拟量输入滤波时间 0.04P01 电机极数 P=120f/N (f-电机额定频率;N-电机额定转速)一般情况,N >1000rpm, P=4极N≤1000rpm, P=6极P02 电机功率此两个参数值须根据电机铭牌设P03 电机额定电流P04 电机空载电流初始值设为p04的40%,自整定后自动生成O01=1 (闭环); 0(开环)O03 编码器脉冲数(分频在PG卡上实现)O04 速度环P常数(高速时)O05 速度环I常数 0.5O06 速度检测滤波常数 0.003O07 速度环P常数切换频率1 5O08 速度环P常数切换频率2 10O09 速度环P常数(低速时)H03 数据初始化(一般不用)3. 特殊参数调试说明3.1 H03 数据初始化(一般不用)这个参数用法可参考第一章“3.1 A1-03=0 初始化”,与之用法类似。
、使用0PC-LM1-PR选件(海得汉ERN1387)磁极位置偏移整定顺序1. 条件电动机处于单体可以自由旋转状态(卸下缆绳),如果变频器上设定有转矩偏置,请取消。
编码器异常检测有效。
(出厂设定L90=1, L9仁10%, L92=0.5 )3.整定顺序3-1 第一步1. 松开制动闸,转子处于可驱动状态。
2. 确认电动机和变频器之间已经连接。
3. 用多功能操作键盘(以下表示为TP ),按住TP的[REM / LOC]键,直到运转操作指令场所变更到就地操作(显示屏显示LOC )。
4. 在TP的程序模式中选择[1.数据设定],将功能码L03的设定变更为“ 3 ”按[FUNC/ DATA]键设定。
5. 按[FWD]键,开始磁极位置偏移整定。
整定期间监视窗口显示“执行中”。
当该显示内容消失,说明整定结束,L03自动恢复为0。
6. 磁极位置偏移整定结果,被放到L04内,确认并记录该数值。
7•按照顺序5.? 6•进行5次左右的操作,确认磁极位置偏移整定结果L04的偏差。
如果偏差超过20?,或者出现”Er7”有可能是电动机或者编码器接线有误,调换输出电压V相和W相连线之后,再次实施磁极位置偏移整定。
如果再次出现类似现象,可能是断线或者编码器配线有误,请确认并更正后再次实施整定。
&如果偏差在20?之下,不要切断电源,继续进行下一项的操作。
)3-2 第二步1 .将频率指令设定为1Hz程度,按[FWD]键,让电动机以大于1转的速度旋转。
(如果不能正常运转,是PG配线有问题。
切断电源,调换A相和B相连线,重新从3.1步骤开始操作。
)2 .按[STOP]键,当电动机停止后,将频率指令恢复到0。
特别强调:LIFT 变频器版本(versions) 0804 0808 1100或更高2008-7-21 日注:在确认编码器接线正确的情况下也可以进行,电机不摘正钢丝绳,(L03=1 )不打开抱闸的情况下进行静态自整定.参数和步骤都是一安玉利。
1.外围线路配置1.1 数字量输入:端子FWD正向运行C板:Y 4 F板:JP 10.4端子REV反向运行C板:Y5 F板:JP10.5端子X1 E01=0 多段速频率选择SS1 F板:JP10.7端子X2 E02=1 多段速频率选择SS2 F板:JP10.8端子X3 E03=2 多段速频率选择SS4 F板:JP10.9端子CM 公共端C板:2 F板:JP10.101.2 数字量输出(继电器):Y5C-Y5A 变频器运行信号可编程E24=0C板:串入抱闸接触器线圈回路F板:JP2.1030A-30C 变频器故障C板:X13 F板:JP2.21.3 模拟量输入:12 - 11(0~10V -0V)C板:V1-V0 F板:JP6.3-JP6.22.一些重要参数说明:F01=1 频率设定模拟量(电压型)F02=1 运行操作外部信号(FWD/REV正反向运行)F07 加速时间1 O13 S曲线1F08 减速时间1 O14 S曲线2E10 加减速时间3 O15 S曲线3bE11 加减速时间4 O16 S曲线4E12 加减速时间5 O17 S曲线5 数字量可调节参数值E13 加减速时间6 O18 S曲线6 模拟量不用,都为0E14 加减速时间7 O19 S曲线7E15 加减速时间8 O20 S曲线8O21 S曲线9O22 S曲线10F03 最高输出频率F04 基本频率此四个参数值须根据电机铭牌设F05 额定电压F06 最高输出电压F17 频率设定增益(模拟量)F18 频率偏置(模拟量)F26 载波频率15KHz 一般不调,仅当电机动作正常,但声音尖锐异常时可调整(≤15KHz)E33=1 过负载预报按输出电流预报E34: OL预报值额定电流150%**E37 过负载预报额定电流150%**C07 爬行速度C08 检修速度数字量可调节参数值C09 单层速度模拟量不用,都为0C10 双层速度C11 多层速度C33 模拟量输入滤波时间0.04P01 电机极数P=120f/N (f-电机额定频率;N-电机额定转速)一般情况,N >1000rpm,P=4极N≤1000rpm,P=6极P02 电机功率此两个参数值须根据电机铭牌设P03 电机额定电流P04 电机空载电流初始值设为p04的40%,自整定后自动生成O01=1 (闭环);0(开环)O03 编码器脉冲数(分频在PG卡上实现)O04 速度环P常数(高速时)O05 速度环I常数0.5O06 速度检测滤波常数0.003O07 速度环P常数切换频率1 5O08 速度环P常数切换频率2 10O09 速度环P常数(低速时)H03 数据初始化(一般不用)3. 特殊参数调试说明3.1 H03 数据初始化(一般不用)这个参数用法可参考第一章“3.1 A1-03=0 初始化”,与之用法类似。
1.外围线路配置1.1 数字量输入:端子FWD正向运行 C板:Y 4 F板:JP 10.4端子REV反向运行 C板:Y5 F板:JP10.5端子X1 E01=0 多段速频率选择SS1 F板:JP10.7端子X2 E02=1 多段速频率选择SS2 F板:JP10.8端子X3 E03=2 多段速频率选择SS4 F板:JP10.9端子CM 公共端 C板:COM2 F板:JP10.101.2 数字量输出(继电器):Y5C-Y5A 变频器运行信号可编程E24=0C板:串入抱闸接触器线圈回路 F板:JP2.1030A-30C 变频器故障C板:X13 F板:JP2.21.3 模拟量输入:12 - 11(0~10V - 0V) C板:V1-V0 F板:JP6.3-JP6.22.一些重要参数说明:F01=1 频率设定模拟量(电压型)F02=1 运行操作外部信号(FWD/REV正反向运行)F07 加速时间1 O13 S曲线1F08 减速时间1 O14 S曲线2E10 加减速时间3 O15 S曲线3bE11 加减速时间4 O16 S曲线4E12 加减速时间5 O17 S曲线5 数字量可调节参数值E13 加减速时间6 O18 S曲线6 模拟量不用,都为0E14 加减速时间7 O19 S曲线7E15 加减速时间8 O20 S曲线8O21 S曲线9O22 S曲线10F03 最高输出频率F04 基本频率此四个参数值须根据电机铭牌设F05 额定电压F06 最高输出电压F17 频率设定增益(模拟量)F18 频率偏置(模拟量)F26 载波频率 15KHz 一般不调,仅当电机动作正常,但声音尖锐异常时可调整(≤15KHz)E33=1 过负载预报按输出电流预报E34: OL预报值额定电流150%**E37 过负载预报额定电流150%**C07 爬行速度C08 检修速度数字量可调节参数值C09 单层速度模拟量不用,都为0C10 双层速度C11 多层速度C33 模拟量输入滤波时间 0.04P01 电机极数 P=120f/N (f-电机额定频率;N-电机额定转速)一般情况,N >1000rpm, P=4极N≤1000rpm, P=6极P02 电机功率此两个参数值须根据电机铭牌设P03 电机额定电流P04 电机空载电流初始值设为p04的40%,自整定后自动生成O01=1 (闭环); 0(开环)O03 编码器脉冲数(分频在PG卡上实现)O04 速度环P常数(高速时)O05 速度环I常数 0.5O06 速度检测滤波常数 0.003O07 速度环P常数切换频率1 5O08 速度环P常数切换频率2 10O09 速度环P常数(低速时)H03 数据初始化(一般不用)3. 特殊参数调试说明3.1 H03 数据初始化(一般不用)这个参数用法可参考第一章“3.1 A1-03=0 初始化”,与之用法类似。
、使用OPC-LM1-PR选件(海得汉ERN1387)磁极位置偏移整定顺序
1. 条件电动机处于单体可以自由旋转状态(卸下缆绳),如果变频器上设定有转矩偏置,
请取消。
编码器异常检测有效。
(出厂设定L90=1, L91=10%, L92=0.5)
2.功能码设定
3.整定顺序
3-1 第一步
1.松开制动闸,转子处于可驱动状态。
2.确认电动机和变频器之间已经连接。
3.用多功能操作键盘(以下表示为TP),按住TP的[REM / LOC]键,直到运转操作
指令场所变更到就地操作(显示屏显示LOC)。
4.在TP的程序模式中选择[1.数据设定],将功能码L03的设定变更为“3”,按[FUNC/
DATA] 键设定。
5. 按[FWD]键,开始磁极位置偏移整定。
整定期间监视窗口显示“执行中”。
当该显示
内容消失,说明整定结束,L03自动恢复为0。
6.磁极位置偏移整定结果,被放到L04内,确认并记录该数值。
7.按照顺序5.〜6.进行5次左右的操作,确认磁极位置偏移整定结果L04的偏差。
如果偏差超过20⁰,或者出现”Er7”,有可能是电动机或者编码器接线有误,调换输出电压V相和W相连线之后,再次实施磁极位置偏移整定。
如果再次出现类似现象,可能是断线或者编码器配线有误,请确认并更正后再次实施整定。
8.如果偏差在20⁰之下,不要切断电源,继续进行下一项的操作。
)3-2 第二步
1.将频率指令设定为1Hz程度,按[FWD]键,让电动机以大于1转的速度旋转。
(如果不能正常运转,是PG配线有问题。
切断电源,调换A相和B相连线,重新
从3.1步骤开始操作。
)
2.按[STOP]键,当电动机停止后,将频率指令恢复到0。
特别强调:LIFT 变频器版本(versions) 0804 0808 1100或更高2008-7-21日
注:在确认编码器接线正确的情况下也可以进行,电机不摘正钢丝绳,(L03=1)不打开抱闸的情况下进行静态自整定.参数和步骤都是一样.
安玉利。