工程质量管理检查评分表0001
- 格式:docx
- 大小:30.17 KB
- 文档页数:14
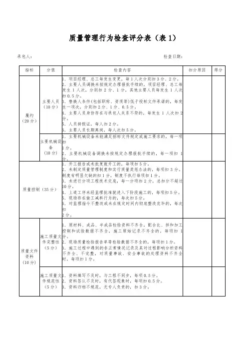
质量管理行为检查评分表(表1)承包人:检查日期:
质量管理行为检查评分表(续表1)承包人:检查日期:
检查人:复核:
路基实体质量检查评分表(表2)承包人:分部工程:
检查人:复核:
桥梁实体质量检查评分表(表3)
承包人:分部工程:
检查部位:检查日期:
检查人:复核:
隧道实体质量检查评分表(表4)
承包人:分部工程:检查部位:检查日期:
检查人:复核:
高速公路工程
总监办履约考核评分表
总监办名称:考核时间:
- 1 -
- 2 -
考核人员:总监办负责人:
- 3 -
高速公路工程
监理试验室履约考核评分标准
监理试验室:考核时间:
- 4 -
考核人员:试验室负责人:
- 5 -。
工程质量、进度检查评分表(一)
工程质量、进度检查评分表(二)
工程质量、进度检查评分表(三)
21 屋面工程屋面未按图纸施工的扣5分
天沟坡度不顺有积水每处扣2分
钢性保护层出现多处龟裂扣5分,分仓缝留设
不当、缝隙未按要求填嵌扣5分
10
22 门窗幕墙工
程未办分包备案手续扣5分,
未签分包协议、安全协议扣2分,
门窗幕墙安装固定、与墙缝隙填嵌密实不符合要
求每处扣2分
门窗幕墙安装的平整、垂直、方正、细部一处不
符合要求扣2分
门窗排水孔限位、配件一处不符合要求扣3分
10
23 进度管理无实际开工的总进度调整计划扣5分
无月进度计划扣3分
无总进度计划,月进度计划跟踪分析及赶工措施
的扣5分
实际进度与计划进度延误的每5天扣3分
10
合计应得分实得分250
工地项目负责人签收检查人员签字
个人工作业务总结。
过程控制二)技术质量管理1. 物资或工序100%佥验(试验)2分无物资或工序100%佥验(试验)计划,扣2分; 检验计划或检验记录不全,每缺一项扣0.5分。
2. 规定人员100%参加检验批、分项、分部、单位工程验收1分检验批、分项、分部、单位工程验收记录人员签字不全或代签字,每发现一处扣0.5分。
3.100%做好施工质量验收记录2分检验批、分项、分部、单位工程验收记录不全,每缺一份扣0.5分;验收记录不合格,每份扣2分。
项目技术、质量的管理、验收资料过程控制三)现场检验试验管理1. 现场试验室硬件制作、养护环境2分试模、振动台保养不规范的,扣1分;养护室无温度、湿度控制仪或未按规定检测的,扣2分。
2. 混凝土、砂浆试块的制作养护管理2分标养、同条件等各种试块制作不规范、登记、养护和送检管理不规范的,每项扣1-2分。
3. 试验员持证上岗1分未持证上岗的,扣1分。
现场试验室和现场同条件养护笼过程控制四)工程实体质量50 工程实体质量得分=合格率*50检查内容详见附表1〜附表6IO附表1项目工程实体质量(建筑结构、装饰装修)检查表附表2项目工程实体质量(水电安装)检查表附表3项目工程实体质量(桥涵工程)检查表附表4项目工程实体质量(隧道工程)检查表附表5项目工程实体质量(路基、路面工程)检查表附表6项目工程实体质量(盾构隧道工程)检查表。