由千斤顶的零件图拼画装配图
- 格式:doc
- 大小:902.50 KB
- 文档页数:13
第二篇 技能模块
项目七 减速器从动轴系的测绘及其装配图的绘制
1.参考教材图2-4-1填空,根据图2-1-2、图2-2-3、图2-2-15及下面闷盖、挡油环的图形,绘制从动轴系装配图(键16×10×50,滚动轴承6210)。
(1)装配图的作用是 能够表达机器(或部件)的工作原理、结构性能和各零部件之间的装配、连接关系等内容 。
(2)装配图的内容有 一组图形 、 必要的尺寸 、 技术要求 、 标题栏 、 明细表 。
2.解释减速器从动轴系中齿轮与轴配合代号的含义,查找得到偏差值后标注在零件图中。
齿轮与轴的配合6
755r H : 公称尺寸是 Φ55 ,基 孔 制;
公差等级:轴IT 6 级,孔IT 7 级, 过盈 配合;
齿轮:上极限偏差 +0.030 ,下极限偏差 0 ;
轴:上极限偏差 +0.060 ,下极限偏差 +0.041 。
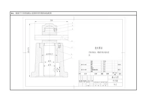
3.根据千斤顶的装配示意图和零件图拼画装配图。
装配图
一、学习要点
本章重点应掌握:装配图的各种表达方法及读装配图的方法和步骤
解题实例
例9—1:根据千斤顶的轴测图和零件图(图9—1(a),(b))绘制其装配图。
图9-1(a)千斤顶的轴测图
图9-1(b)千斤顶的零件图
解:
(1)分析
首先要了解千斤顶的工作原理:千斤顶是利用螺旋传动来顶举重物的一种起重或顶压工具,常用于汽车修理及机械安装中。
工作时,重物压于顶垫之上,将绞杠穿入螺旋杆上部的孔中,旋动绞杠,螺旋杆在螺套中靠螺纹做上、下移动,从而顶起或放下重物。
螺套镶在底座里,用螺钉定位,磨损后便于更换。
顶垫套在螺旋杆顶部,其球面形成传递承重之配合面,由螺钉锁定,使顶垫相对螺旋杆旋转而不脱落。
由工作原理可知,千斤顶的装配主干线是螺旋杆,为了清楚的表达千斤顶的内外部装配结构,应选如图9—1(c)所示全剖视的工作位置为主视图。
在主视图上,千斤顶的7个零件所处的位置及装配关系、各零件的主要形状均已表达清楚,只有螺旋杆上与绞杠配合的孔没有表达充分,故采用拆去绞杠零件,沿螺旋杆上部孔的轴线剖开的A—A断面图表达清楚。
在千斤顶装配图上,应标注螺套与底座的配合尺寸Ø60H8/j7和外形尺寸Ø150、300、230.5~278.5。
(2)画图
选定绘图比例和图幅后布置视图,先确定各视图的位置,画出主要轴线、中心线及基准线。
然后开始画底图,按照“先主后次”的原则,沿装配轴线按装配关系依次画出底座→螺套→螺旋杆→绞杠→顶垫等零件。
底图完成后,检查加深图线,还要进行尺寸标注,编注零件序号,填写明细栏、标题栏等,完成全图,如图9—1(c)所示。
图9-1(c)千斤顶的装配图。
9-2 读钻模装配图并回答问题。
(1)钻模由9 种共11 个零件组成,其中标准件有2种。
(2)该钻模用了3个图形表达,其中主视图采用了全剖
和局剖,左视图采用了局剖。
(3)件2钻模板上有3个Φ16H7/h6的钻套孔,其孔的定位尺寸是φ82。
件3钻套的材料是T8 。
图中双点画线表示被加工件,属于假想画法。
(4)件1底座上有3个圆弧槽,底座与被加工件的定位尺寸是φ98。
(5)从图中可以看出,被加工件需钻3个,直径为10的孔。
(6)尺寸Φ38H7/k6是件2和件7的配合
尺寸,属于基孔制的过渡配合。
(7)钻模的总体尺寸为φ128,110。
(8)被加工件钻完孔后,应先旋松6号件,再取下5号件和2号件,被加工件便可取下。
工作原理
钻模是用于加工工件的夹具。
把工件放在件1底座上,装上件2钻模板,钻模板通过件8圆柱销定位后,在放置件5开口垫圈,并用件6特制螺母压紧。
钻头通过件3钻套的内孔,准确地在工件上钻孔。