浅谈一种多节伸缩式液压缸
- 格式:doc
- 大小:16.50 KB
- 文档页数:1
25国内外煤矿生产支架使用的液压缸已经有了许多种类型,如单缸单作用、单缸双作用、多缸单作用、多缸双作用。
文中主要设计双作用伸缩液压缸。
这种液压缸的优点是调高范围大、属液压无极调高、操作方便灵活,但结构复杂、加工要求高、成本高。
本文基于伸缩式两级液压缸简要地分析了这类液压支架的设计,这一研究对于组合式液压缸的推广具有一定的意义。
1 系统设计分析1.1 液压系统图1是一个典型的液压系统,其构成要素是:动力元件——液压泵或送风装置,其作用是把原动力输入机械能转变为流体压力,使其可以为系统提供能源;执行元件——液压缸或气缸、液压马达或压缩空气发动机,其作用是把流体压力能转化为机械能,输出力和速度或力矩和转速,驱动负载做直线运动或旋转运动;控制元件——压力、流量和方向操控阀,作用是操纵和调整系统的流体压力、流量和流动的方向,以确保执行组件达到所需的输出力(或力矩)、移动速度和运动轨迹;辅助元素,确保系统正常运行所需要的辅助装置,包括管道、管接头、油箱或存储罐、过滤器皿和压力计;工作介质——液压油。
图1 典型的液压系统1.2 双级液压缸设计原理液压缸是将液压能转换为机械能的装置,驱动运行机制做来回式线性(或摆动)运动的液压执动器,根据作用方式分有单、双式,双作用式代表两腔都可以进出压力油,活塞(缸体)可以有正反两个相对方向的运动。
采用的组合液压缸即缸筒是由两个阶段或多个阶段的活塞缸套装而成,也叫做多阶段缸体。
伸出的顺序是:由大到小,推力则从大到小,速度从慢到快;缩回的顺序是:从小到大,速度从快至慢。
双伸缩类型的立柱工作机理如图2所示,立柱上升时高压液柱从A口注入立柱,B口和C口连接回液通道,在立柱1上升的时候,该过程液压支架用伸缩式两级液压缸设计分析朱纯才(阜矿集团机械制造分公司,辽宁 阜新 123000)摘要:双作用伸缩液压缸具有调高范围大、属液压无极调高、操作方便灵活的优点,但结构复杂、加工要求高、成本高。
第1章绪论1.1课题背景山西介休倡源煤炭有限责任公司是山西凯嘉能源集团有限责任公司属下企业。
公司前身为介休市连福镇镇办煤矿,2005年8月,由山西义棠煤业有限公司整体并购,2006年4月,省煤整办批准山西介休倡源煤炭有限责任公司整合金山坡煤矿和西兴煤矿, 2007年12月, 山西义棠煤业有限公司、山西中通投资有限公司、介休义民投资有限公司三方签署合作协议,共同投资建设山西介休倡源煤炭有限责任公司。
公司注册资本为1.6亿元,现有资产总额 8亿多元,员工1600多名,其中:中专以上学历员工450多名,初级以上职称员工 90多名。
公司位于介休市连福镇,朝南相望是生态原始、风景独特的天峻山,西距介休市20km,北距大运高速、108国道及南同浦铁路干线义安站20km,东与介沁公路相邻, 地理位置优越,交通便利。
公司井田面积4.62km2,可采煤层6层,可采储量32702kt,设计能力为90万吨/年。
公司实行董事会领导下的总经理负责制,股东会、董事会、监事会、党总支、工会组织齐全,有14个职能部门以及综采、普采等9个生产基层队。
倡导文明,源远流长。
公司秉承“以德为魂,诚信为本”的企业精神,近年来,在生产经营、企业管理、员工队伍、企业文化、环境建设、后勤保障等方面都发生了巨大的变化,使一个名不见经传的小煤矿改造成为年产90万吨原煤的新型煤炭企业,使一个生态恶化的旧矿井改造成为环境优美的绿色生态矿井。
公司被介休市人民政府授予“优秀管理先进单位”等荣誉称号。
在凯嘉集团的统领下,公司将以“高水平规划、高标准建设、高质量管理”为指导思想,致力于基础建设和未来发展,全体员工将以百折不挠的精神和敢为人先的勇气,高起点、高标准,努力把公司打造成为管理科学、装备先进、安全文明、集约高效的标准化煤炭企业。
1.2液压支架简述20世纪50年代前在国内外煤矿生产中基本上采用木支架,木顶梁或金属摩擦支柱和铰接顶梁来支护顶板。
1954年英国首先研制出液压支架,通过对液压支架的逐步完善改进,进而普遍推广使用使采煤工作面采煤过程中的落煤,装煤,运煤和支护等工序全部实现了机械化。
液压缸(又称油缸)是液压系统中常用的一种执行元件,是把液体的压力能转变为机械能的装置,主要用于实现机构的直线往复运动,也可以实现摆动,其结构简单,工作可靠,应用广泛。
3.1 液压缸的类型及特点液压缸可按运动方式、作用方式、结构形式的不同进行分类,其常见种类如下。
3.1.1活塞式液压缸活塞式液压缸可分为双杆式和单杆式两种结构形式,其安装又有缸筒固定和活塞杆固定两种方式。
3.1.1.1双杆活塞液压缸双活塞杆液压缸的活塞两端都带有活塞杆,分为缸体固定和活塞杆固定两种安装形式,如图3.1所示。
图3.1 双活塞杆液压缸安装方式简图因为双活塞杆液压缸的两活塞杆直径相等,所以当输入流量和油液压力不变时,其往返运动速度和推力相等。
则缸的运动速度V 和推力F 分别为:)(422d D q A q v v -==πη (3.1)m p p d D F ηπ))((42122--= (3.2)式中: 1p 、2p --分别为缸的进、回油压力;v η、m η--分别为缸的容积效率和机械效率;D 、d--分别为活塞直径和活塞杆直径;q--输入流量;A--活塞有效工作面积。
这种液压缸常用于要求往返运动速度相同的场合。
3.1.1.2单活塞杆液压缸单活塞杆液压缸的活塞仅一端带有活塞杆,活塞双向运动可以获得不同的速度和输出力,其简图及油路连接方式如图3.2所示。
(1)当无杆腔进油时[图3.2(a )],活塞的运动速度1v 和推力1F 分别为v v D q A q v ηπη2114==(3.3)m m p d D p D A p A p F ηπη])([4)(2221222111--=-= (3.4)(2)当有杆腔进油时[图3.2(b)],活塞的运动速度2v 和推力2F 分别为v v d D q A q v ηπη)(42222-==(3.5)m m p D p d D A p A p F ηπη])[(4)(2212211222--=-= (3.6)式中符号意义同式(3.1)、式(3.2)。
多级伸缩液压缸结构
多级伸缩液压缸是一种特殊的液压缸结构,它由多个液压缸组成,并通过连接杆件将它们连接在一起。
这种结构可以实现更大的行程范围和更高的推力。
多级伸缩液压缸的结构主要包括以下几个部分:
1. 液压缸筒体:由一系列的圆筒形筒体组成,每个筒体的直径和长度可能不同。
筒体内部有活塞和密封装置,用于实现液压缸的伸缩运动。
2. 活塞杆:连接在各个液压缸的活塞上,起到连接作用。
活塞杆通常由高强度材料制成,以承受高压和大推力。
3. 连接杆件:用于将各个液压缸连接在一起,通过连接杆件的伸缩运动,实现多级液压缸的整体伸缩。
连接杆件通常由高强度材料制成,以保证结构的稳定性和安全性。
4. 密封装置:在液压缸的筒体和活塞之间设置密封装置,以防止液压油泄漏和外界杂质进入。
常见的密封装置有O型圈、密封环等。
多级伸缩液压缸工作原理基本与普通液压缸相同,通过控制液压油进出,实现活塞的伸缩运动。
不同的是,多级伸缩液压缸的结构可以在有限的空间内实现
更大的行程范围,适用于需要长行程和大推力的工况,如起重机械、挖掘机、船舶等设备。
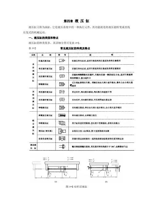
第四章液压缸液压缸又称为油缸,它是液压系统中的一种执行元件,其功能就是将液压能转变成直线往复式的机械运动。
一、液压缸的类型和特点液压缸的种类很多,其详细分类可见表4-2。
表4-2 常见液压缸的种类及特点图4-5双杆活塞缸下面分别介绍几种常用的液压缸。
1.活塞式液压缸活塞式液压缸根据其使用要求不同可分为双杆式和单杆式两种。
(1)双杆式活塞缸。
活塞两端都有一根直径相等的活塞杆伸出的液压缸称为双杆式活塞缸,它一般由缸体、缸盖、活塞、活塞杆和密封件等零件构成。
根据安装方式不同可分为缸筒固定式和活塞杆固定式两种。
如图4-5(a)所示的为缸筒固定式的双杆活塞缸。
它的进、出口布置在缸筒两端,活塞通过活塞杆带动工作台移动,当活塞的有效行程为l时,整个工作台的运动范围为3l,所以机床占地面积大,一般适用于小型机床,当工作台行程要求较长时,可采用图4-5(b)所示的活塞杆固定的形式,这时,缸体与工作台相连,活塞杆通过支架固定在机床上,动力由缸体传出。
这种安装形式中,工作台的移动范围只等于液压缸有效行程l的两倍(2l),因此占地面积小。
进出油口可以设置在固定不动的空心的活塞杆的两端,但必须使用软管连接。
由于双杆活塞缸两端的活塞杆直径通常是相等的,因此它左、右两腔的有效面积也相等,当分别向左、右腔输入相同压力和相同流量的油液时,液压缸左、右两个方向的推力和速度相等。
当活塞的直径为D,活塞杆的直径为d,液压缸进、出油腔的压力为p1和p2,输入流量为q时,双杆活塞缸的推力F和速度v为:F=A(p1-p2)=π (D2-d2) (p1-p2) /4 (4-18)v=q/A=4q/π(D2-d2) (4-19) 式中:A为活塞的有效工作面积。
双杆活塞缸在工作时,设计成一个活塞杆是受拉的,而另一个活塞杆不受力,因此这种液压缸的活塞杆可以做得细些。
(2)单杆式活塞缸。
如图4-6所示,活塞只有一端带活塞杆,单杆液压缸也有缸体固定和活塞杆固定两种形式,但它们的工作台移动范围都是活塞有效行程的两倍。
五节伸缩臂的结构原理.25吨汽车起重机回转支撑是什么材质?42CrMo,5CrMnMo,50Mn都可以1.绳排系统绳排系统在中国已经应用的比较成熟,也是一种历史比较悠久的技术。
此技术的优点是臂长变化容易、工作臂长种类多、可以带载伸缩、实用性很强,缺点是自重重、对整机稳定性的影响较大。
现在在100吨以下的起重机上应用的比较广泛,其原理如图,就是简单的滑轮原理。
对于四节臂以上起重臂的伸缩机构又分为以下两种:多缸或多级缸加一级绳排、单缸或多缸加两级绳排。
DEMAG和TADANO部分产品采用第一种伸缩机构,这种伸缩机构的特点是最末一节伸缩臂采用钢丝绳伸缩,其它伸缩臂采用多级缸或多个单级缸或多级缸和单级缸套用等方式直接用液压缸伸缩。
因而最末伸缩臂的截面变化较大,其它臂节截面的变化较小。
在过去,徐重、浦沅、长起跟随LIEBHERR技术多年,普遍使用第二种伸缩机构,使用单缸或双缸加绳排实现四节或五节臂的伸缩。
这种伸缩方式在国内最先进,但解决五节臂以上起重臂的伸缩难度很大。
北起、泰起、锦重等厂家采用第一种伸缩机构(多个单级缸加一级绳排),但由于技术落后,第二缸、第三缸的进回油依靠软管卷筒输送。
现在,大多数5节臂的起重机使用的是双缸双绳排的技术,一般为第2节臂独立伸缩,第;4节臂的一般单缸双绳排为,其它伸缩臂用油缸伸缩,因而最末伸缩臂的截面变化较大,大大降低了起重机在大幅度下的起重性能;同时,对于大吨位的起重机,对钢丝绳的要求也非常高,符合要求钢丝绳非常难加工。
虽然有些日本企业有将绳排技术发展到6节甚至更多,但是对于中大吨位起重机,一般企业还是优先考虑单缸插销技术。
2.单缸插销系统单缸插销式伸缩臂技术是典型的机、电、液一体化系统.以较典型的德国利勃海尔为例,作为伸缩臂伸缩的执行机构,主要由(见图)1.伸缩缸、2.拔销机构、3.缸销等组成,为保证伸缩臂伸缩过程的安全性、可靠性,该机构采用内置式互锁系统即在伸缩油缸上装的弹簧驱动缸销销定伸缩臂后,才机械释放该节臂和其他节臂的连接。
各种液压缸⼯作原理及结构分析(动画演⽰) 什么是液压缸 液压缸是将液压能转变为机械能的、做直线往复运动(或摆动运动)的液压执⾏元件。
它结构简单、⼯作可靠。
⽤它来实现往复运动时,可免去减速装置,并且没有传动间隙,运动平稳,因此在各种机械的液压系统中得到⼴泛应⽤。
液压缸输出⼒和活塞有效⾯积及其两边的压差成正⽐; 液压缸的结构 液压缸通常由后端盖、缸筒、活塞杆、活塞组件、前端盖等主要部分组成;为防⽌油液向液压缸外泄漏或由⾼压腔向低压腔泄漏,在缸筒与端盖、活塞与活塞杆、活塞与缸筒、活塞杆与前端盖之间均设置有密封装置,在前端盖外侧,还装有防尘装置;为防⽌活塞快速退回到⾏程终端时撞击缸盖,液压缸端部还设置缓冲装置;有时还需设置排⽓装置。
缸体组件 缸体组件与活塞组件形成的密封容腔承受油压作⽤,因此,缸体组件要有⾜够的强度,较⾼的表⾯精度可靠的密封性。
(1)法兰式连接,结构简单,加⼯⽅便,连接可靠,但是要求缸筒端部有⾜够的壁厚,⽤以安装螺栓或旋⼊螺钉,它是常⽤的⼀种连接形式。
(2)半环式连接,分为外半环连接和内半环连接两种连接形式,半环连接⼯艺性好,连接可靠,结构紧凑,但削弱了缸筒强度。
半环连接应⽤⼗分普遍,常⽤于⽆缝钢管缸筒与端盖的连接中。
(3)螺纹式连接,有外螺纹连接和内螺纹连接两种,其特点是体积⼩,重量轻,结构紧凑,但缸筒端部结构复杂,这种连接形式⼀般⽤于要求外形尺⼨⼩、重量轻的场合。
(4)拉杆式连接,结构简单,⼯艺性好,通⽤性强,但端盖的体积和重量较⼤,拉杆受⼒后会拉伸变长,影响效果。
只适⽤于长度不⼤的中、低压液压缸。
(5)焊接式连接,强度⾼,制造简单,但焊接时易引起缸筒变形。
液压缸的基本作⽤形式: 标准双作⽤:动⼒⾏程在两个⽅向并且⽤于⼤多数应⽤场合: 单作⽤缸:当仅在⼀个⽅向需要推⼒时,可以采⽤⼀个单作⽤缸; 双杆缸:当在活塞两侧需要相等的排量时,或者当把⼀个负载连接于每端在机械有利时采⽤,附加端可以⽤来安装操作⾏程开关等的凸轮. 弹簧回程单作⽤缸:通常限于⽤来保持和夹紧的很⼩的短⾏程缸。
液压油缸的基础知识解析,值得收藏液压油被压入液压筒内会产生很大的压力,这个压力已经应用到众多的机械设备中,这次我们来说说有关液压缸的内容!液压缸是将液压能转变为机械能的、做直线往复运动(或摆动运动)的液压执行元件。
它结构简单、工作可靠。
用它来实现往复运动时,可免去减速装置,并且没有传动间隙,运动平稳,因此在各种机械的液压系统中得到广泛应用。
液压缸输出力和活塞有效面积及其两边的压差成正比;液压缸基本上由缸筒和缸盖、活塞和活塞杆、密封装置、缓冲装置与排气装置组成。
缓冲装置与排气装置视具体应用场合而定,其他装置则必不可少。
01 液压缸的组成▼液压缸通常由后端盖、缸筒、活塞杆、活塞组件、前端盖等主要部分组成;为防止油液向液压缸外泄漏或由高压腔向低压腔泄漏,在缸筒与端盖、活塞与活塞杆、活塞与缸筒、活塞杆与前端盖之间均设置有密封装置,在前端盖外侧,还装有防尘装置;为防止活塞快速退回到行程终端时撞击缸盖,液压缸端部还设置缓冲装置;有时还需设置排气装置。
▲常用液压缸结构图缸筒:缸筒是液压缸的主体零件,它与缸盖、活塞等零件构成密闭的容腔,推动活塞运动。
缸盖:缸盖装在液压缸两端,与缸筒构成紧密的油腔。
通常有焊接、螺纹、螺栓、卡键和拉杆等多种连接方式,一般根据工作压力,油缸的连接方式,使用环境等因素选择。
活塞杆:活塞杆是液压缸传递力的主要元件。
材料一般选择中碳钢(如45号钢)。
油缸工作时,活塞杆受推力、拉力或弯曲力矩等,固保证其强度是必要的;并且活塞杆常在导向套中滑动,配合应合适。
活塞:是将液压能转为机械能的主要元件,它的有效工作面积直接影响液压缸的作用力和运动速度。
活塞与活塞杆连接有多种形式,常用的有卡环型、轴套型和螺母型等。
导向套:导向套对活塞杆起导向和支撑作用,它要求配合精度高,摩擦阻力小,耐磨性好,能承受活塞杆的压力、弯曲力以及冲击振动。
内装有密封装置以保证缸筒有杆腔的密封,外侧装有防尘圈,以防止杂质、灰尘和水分带到密封装置处,损坏密封。
液压与气压传动考试题 (一)一.单项选择题(每小题2分.共50分)1. 二位五通阀在任意位置时.阀芯上的油口数目为---------A .2 B.3 C.5 D.42. 应用较广.性能较好.可以获得小流量的节流口形式为------------A .针阀式或轴向三角槽式 B.偏心式或周向缝隙式 C.轴向三角槽式或周向缝隙式D.针阀式或偏心式3. 调压和减压回路所采用的主要液压元件是---------A.换向阀和液控单向阀B.溢流阀和减压阀C.顺序阀和压力继电器D.单向阀和压力继电器4. -------管多用于两个相对运动部件之间的连接.还能吸收部分液压冲击。
A. 铜管B.钢管C.橡胶软管D.塑料管5. ------是液压系统的储能元件.它能储存液体压力能.并在需要时释放出来供给液压系统。
A.油箱B.过滤器C.蓄能器D.压力计6. 能输出恒功率的容积调速回路是-------------A.变量泵---变量马达回路B.定量泵---变量马达C.变量泵---定量马达D.目前还没有7. 溢流阀的作用是配合油泵等溢出系统中多余的油液.使系统保持一定的-------A.压力B.流量C.流向D.清洁度8. 当环境温度较高时.宜选用粘度等级-----的液压油A.较低B.较高C.都行D.都不行9. 能将液压能转换为机械能的液压元件是---------A.液压泵B.液压缸C.单向阀D.溢流阀10. 下列压力控制阀中.哪一种阀的出油口直接通向油箱---------A.顺序阀B.减压阀C.溢流阀D.压力继电器11. 液压系统的动力元件是-----------A.电动机B.液压泵C.液压缸D.液压阀12. 活塞有效作用面积一定时,活塞的运动速度取决于-----A.液压缸中油液的压力B.负载阻力的大小C.进入液压缸的流量D.液压泵的输出流量13. 不能作为双向变量泵的是-----------A.双作用叶片泵B.单作用叶片泵C.轴向柱塞泵D.径向柱塞泵14. 在液压系统中用于调节进入执行元件液体流量的阀是------------A.溢流阀B.单向阀C.调速阀D.换向阀15. 压力控制回路包括-----------A.换向和闭锁回路B.调压.减压和卸荷回路C.调压与换向回路D.节流和容积调速回路16. 液压系统中减压阀处的压力损失是属于--------A.沿程压力损失B.局部压力损失C.两种都是D.两种都不是17. 柱塞泵是用于---------系统中A.高压B.中压C.低压D.都不可以18. 下列液压缸中可以进行差动连接的是-------------A.柱塞式液压缸B.摆动式液压缸C.单活塞杆式液压缸D.双活塞杆式液压缸19. Y型.V形密封圈在安装时.唇口应对应着压力--------的一侧A.高B.低C.都行D.无法确定20. 下列换向阀的中位机能中.能对液压缸进行闭锁的是------------A.O型B.H型C.Y型D.P型21. 外啮合齿轮泵的特点有-------------A.结构紧凑.流量调节方便B.通常采用减小进油口的方法来降低径向不平衡力C.噪音较小.输油量均匀,体积小,重量轻D.价格低廉,工作可靠,自吸能力弱,多用于低压系统22. 单作用叶片泵--------------A.定子内表面近似腰圆形B.转子与定子中心的偏心剧可以改变.在重合时.可以获得稳定大流量C.可改变输油量.还可改变输油方向D.转子径向压力不平衡23. 液压机床开动时,运动部件产生突然冲击的现象通常是-------------A.正常现象.随后会自行消除B.油液中混入了空气C.液压缸的缓冲装置出故障D.系统其他部分有故障24. 缸筒较长时常采用的液压缸形式是----------A.活塞式B.柱塞式C.摆动式D.无杆液压缸25.在一条很长的管中流动的液体.其压力值是------------A.前大后小B.各处相等C.前小后大D.不确定二.多项选择题(每小题2分.共10分)1、液压传动系统中.常用的方向控制阀是-------------A. 节流阀B.调速阀C.溢流阀D.减压阀E.顺序阀F.单向阀G.换向阀2.方向控制回路是----------B.换向回路 B.闭锁回路C.调压回路D.卸荷回路E.节流调速回路F.速度换接回路3.液压传动系统中.常用的的压力控制阀是----------A.节流阀B.调速阀C.溢流阀D.减压阀E.顺序阀F.单向阀G.换向阀4. -------是速度控制回路A.换向回路B.闭锁回路C.调压回路D.卸荷回路E.节流调速回路F.速度换接回路5. 液压系统中.常用的执行元件有---------A.液压缸B.液压泵C.液压马达D.压力继电器E.蓄能器F.电磁换向阀三.简答题(每小题5分.共10分)1.容积泵基本的工作条件是?2.简述溢流阀在系统中的应用?四.计算题(12分)1.如有图所示. 一个液压泵驱动两个油缸串联工作。
第四章液压油缸类型与特点第一节液压缸的工作原理、类型和特点液压缸是液压系统中的执行元件,它的职能是将液压能转换成机械能。
液压缸的输入量是液体的流量和压力,输出量是直线速度和力。
液压缸的活塞能完成往复直线运动,输出有限的直线位移。
一、液压缸的工作原理液压缸的工作原理见图4-1。
图4-1液压缸的工作原理液压缸由缸筒1、活塞2、活塞杆3、端盖4、活塞杆密封件5等主要部件组成。
6为进出油口。
其它结构的活塞式液压缸的主要零件如图4-1所示结构类似。
若缸筒固定,左腔连续地输入压力油,当油的压力足以克服活塞杆上的所有负载时,活塞以v连续向右运动,活塞杆对外界做功。
速度1v向左运动,活塞杆也对外界做功。
这样,完成了反之,往右腔输入压力油时,活塞以速度2一个往复运动。
这种液压缸叫做缸筒固定缸。
若活塞杆固定,左腔连续地输入压力油时,则缸筒向左运动。
当往右腔连续地通入压力油时,则缸筒右移。
这种液压缸叫活塞杆固定缸。
本章所论及的液压缸,除特别指明外,均以缸筒固定,活塞杆运动的液压缸为例。
由此可知,输入液压缸的油必须具有压力p和流量q。
压力用来克服负载,流量用来形成一定的运动速度。
输入液压缸的压力和流量就是给缸输入液压能;活塞作用于负载的力和运动速度就是液压缸输出的机械能。
因此,缸输入的压力p,流量q,以及输出作用力F和速度v是液压缸的主要性能参数。
二、液压缸的分类为了满足各种主机的不同用途,液压缸有多种类型。
按供油方向分,可分为单作用缸和双作用缸。
单作用缸只是往缸的一侧输入高压油,靠其它外力使活塞反向回程。
双作用缸则分别向缸的两侧输入压力油。
活塞的正反向运动均靠液压力完成。
按结构形式分,可分为活塞缸、柱塞缸、摆动缸和伸缩套筒缸。
按活塞杆的形式分,可分为单活塞杆缸和双活塞杆缸。
按缸的特殊用途分,可分为串联缸、增压缸、增速缸、步进缸等。
此类缸都不是一个单纯的缸筒,而是和其它缸筒和构件组合而成,所以从结构的观点看,这类缸又叫组合缸。
伸缩机构实现方式
伸缩机构是一种可以改变长度或高度的机构,常用于各种机械装置中。
伸缩机构的实现方式有很多种,其中较常见的包括以下几种: 1. 滑轨式:通过在两个固定的轨道上滑动来实现伸缩。
这种方式适用于较小的负载,如抽屉和门等。
2. 螺旋式:通过螺旋状的扭簧或螺旋齿轮来实现伸缩。
这种方式适用于较大的负载,如升降机和重型机械等。
3. 液压式:通过液压缸来实现伸缩。
这种方式适用于需要精确控制的操作,如起重机和工业机器人等。
4. 齿轮式:通过齿轮的啮合来实现伸缩。
这种方式适用于需要高扭矩和高速度的操作,如车辆变速器和风力发电机等。
不同的伸缩机构实现方式各有优缺点,选择适合具体应用场景的方式可以提高机械装置的效率和稳定性。
- 1 -。
液压英才网用心专注、服务专业
目前使用多节伸缩液压缸的应用范围很广,主要用于汽车天线、舰船天线、起重设备伸缩臂、消防设备伸缩装置、舰船载体设备等,应用范围广,作用非常大。
但是由于各种设备的使用环境和条件各不相同,所使用的方法也各异,目前主要有以下几种方式:第一种是利用液压力伸出,然后利用活塞杆的重量或被支撑体的重量使其复位;第二种是利用液压力推动活塞使缸伸出,缩回是利用中心导油管把液压油引到液压缸的缩腔,利用液压力推动缸缩腔的活塞使其复位;第三种是利用液压力推动活塞,使其向外运动,收回时利用外力把伸腔的油排出,使其处于抽真空状态,利用分子表面张力和大气压力使其复位。
下面分别介绍这三种伸缩缸。
2 无中心导油管的非重力缩回的伸缩缸
这种缸主要结构示意如图1a,可根据情况确定由3节或更多节组成。
件3安装在其他装置上,是固定的。
液压油从件1下端的油口进入,推动件2的活塞向上运动,当件2运动到上限位时,件1在油压的作用下开始运动,直到件1运动到上限位,伸出动作完成。
在这个运动过程中,由于件2在未到上限位时,油压作用在件1上的面积比作用在件2上的面积小很多,所以能够保证件2伸到上限位时件1才开始动作,当件2伸到位时,作用在件1上的油压升高,从而克服阻力开始运动,直到件1伸到上限位。
当液压缸要缩回时,外部力使件3下部的油排出(可采用泵或其他方式),从而使件3下部腔处于负压状态,由于液体表面张力和大气压力的作用,使件1向下运动,当件1缩回到下限位后,件2也在同样的力的作用下向下缩回。
这就是无中心导油管非重力缩回多节伸缩缸的工作原理。
此缸要注意的是件2和件3的下腔不能有气体,如果下腔体有气,则会影响液压缸缩回时的动力,液压缸可能无法缩回。
可采取在件1上设置一个放气装置的办法,解决此问题。
3 无中心导油管的重力缩回的多节伸缩缸
这种缸的结构示意如图1b,可根据情况确定由3节或更多节组成。
件3是固定的。
在液压缸伸出时,动作和前面的缸是一样的,都是通过下部油孔的液压力推动各节活塞,动作顺序是先伸出件2,再伸出件1。
在液压缸缩回时,由于活塞的重力较大,可以克服各种摩擦力和阻力,使件1先缩回到下限位,然后件2缩回到下限位。
这就是这种液压缸的工作原理。
此种缸主要用于支撑较重的物体,或者缸的活塞本身重量较大,缩回时阻力小于重力的情况下使用。
4 中心导油管多节伸缩缸
此种缸的结构示意图如图1c。
件3是固定的。
液压油从a口进入件3的下腔,液压力推动件2下面的活塞向上运动,当件2运动到上限位时,液压油从d口进入件2的下腔,件1下端面的压力升高,推动件1向上运动,直到件1到达上限位。
当要使缸缩回时。
液压油从e口进入件1的上腔,经b口进入件2的上腔,液压油推动件1活塞的上端面,使其向下运动,当件1活塞缩回到下限位时油从C口进入件3的上腔,推动件2的活塞,使其向下运动,直到件2的活塞到达下限位。
这样液压缸即可全部缩回。
在这伸出过程中,之所以能够保证液压缸能够按既定的程序运动,是因为当件2未到上限位时,油压作用在件1上的面积只是孔d这一小块,面积很少,作用力很小,不足以推动件1,当件2伸到上限位时,压力升高,从而推动件1向上运动。
在液压缸缩回时,由于件1没有到下限位时,压力油不能进入件3的上腔,所以件2不会运动。
5 结束语
这三种液压缸各有各的优点,分别适用于不同的工作环境和工作要求。
但是在某种意义上,无中心导油管的非重力缩回的多节伸缩缸可以替代有中心导油管的多节伸缩缸,这样可以避免中心导油管对强度和精度要求较高的问题。
无锡液压
液压英才网用心专注、服务专业。