船舶污染物接收记录簿(内页)
- 格式:docx
- 大小:15.74 KB
- 文档页数:1
船舶和港口污染物接收、转运、处置联单制度第一条为贯彻落实《水污染防治法》、《防治船舶污染内河水域环境管理规定》等法律法规和国家《水污染防治行动计划》、交通运输部《船舶和港口污染防治行动实施方案(2015-2020年)等工作要求,切实做好船舶污染物接收、转运、处置工作,防治船舶及其作业活动污染赣江水域环境,制定本制度。
第二条本制度适用本公司船舶及聘用所有船舶以及港口码头。
第三条积极配合交通、水路执法大队、环保(环卫)、环保、交通执法。
第四条从事船舶拉圾、残油、含油污水等接收作业人员应当具有与其作业风险相适应的预防和清除污染的能力,熟悉作业方案,遵守操作规程。
第五条接收单位接收的船舶污染物必须交由岸上具有相应处理资质的合法单位规范处理,做到日收日清。
第六条从事船舶废油等属于环境污染危险废物的船舶污染物处置单位,必须取得环保部门的相关经营许可。
第七条本公司所有船舶,不得违反法律、法规和技术规范,标准及交通运输部的规定向内河水域排放污染物。
不符合排放规定的船舶污染物应当交由港口、码头或有资质的单位接收处理。
第八条船舶污染物接收作业完毕后,应当填写《船舶污染物接收、转运、处置联单》,注明作业双方名称、作业开始和结束的时间、地点以及污染物种类、数量等内容,并经船方和接收部门共同签字确认,作为船舶交接污染物的证明备查。
第九条《船舶污染物接收、转运、处置联单》一式叁联,分别由船舶接收单位、被接收舶舶、监管部门在接收和转运处置每个环节交接过程中填写并分别留存。
第十条船舶生活拉圾接收转运处置联单按以下程序运船舶拉圾由转运单位运行至拉圾处置单位(城市拉圾中转站或拉圾处理中心),进行后续的处置工作。
第十一条船舶废油、油污水接收转运处置联单按以下程序运行:(一)船舶废油、油污水接收作业完成后,接收部门如实填写“第一联”“第二联”,并由船舶和作业部门双方签字确认,“第一联”交船方留存,“第二联”交接收单位留存。
船方将联单保存在油类记录簿文书中至少3年。
广东海事局船舶污染物接收作业单位备案管理办法第一条为规范船舶污染物接收作业的管理,防治污染水域环境,依据《经1978年议定书修订的1973年国际防止船舶污染公约》(MARPOL 73/78)、《中华人民共和国海洋环境保护法》、《中华人民共和国水污染防治法》、《中华人民共和国防治船舶污染海洋环境管理条例》及《中华人民共和国防治船舶污染内河水域环境管理规定》等法律法规,结合辖区实际情况,制定本办法。
第二条中华人民共和国广东海事局各级海事管理机构是辖区防治船舶污染物接收作业污染水域监督管理的主管机关。
第三条船舶污染物是指包括MARPOL 73/78附则I、附则II、附则IV、附则V、附则VI所定义的如下船舶产生的废弃物:(一)残油、油泥、含油污水;(二)化学品及有毒液体物质残余物、含有毒有害物质的污水;(三)船舶生活污水;(四)船舶垃圾;(五)臭氧消耗物质和废气滤清系统残余物。
第四条拟从事船舶污染物接收作业的单位,应配备符合《船舶污染物接收及清舱作业单位接收处理能力要求》(JT/T673-2006,附件1)要求的设备设施,并将安全、防污染制度和接收处理的能力向主管机关备案。
第五条船舶污染物接收单位应按相关规范、规程的要求,制定安全作业制度,编制防治船舶污染水域环境应急预案,每六个月举行一次应急演练,演习前应向所在地海事局报告,演习后应做好评估和记录,及时修订、完善应急预案。
第六条船舶污染物接收作业单位申请主管机关备案的,应向所在地海事局提交如下材料:(一)备案申请表(附件2);(二)工商营业执照;(三)安全与防污染管理体系(附件1,附录A);(四)防治船舶污染水域环境应急预案、应急器材和物资清单及其证明材料;(五)安全与防污染管理人员、接收作业人员名单和专业培训合格证明;(六)《危险废物经营许可证》或与取得《危险废物经营许可证》的污染物处理单位签订的污染物委托处理协议;(七)从事船舶污染物接收作业的船舶的所有权证书、国籍证书、船舶检验证书、船舶最低安全配员证书、船上油污应急计划、最近一次的船舶安全检查报告;如作业船舶属于作业单位租用,应补充租船合同或协议;(八)船员名单及其适任证书、特殊培训证书或相应的专业培训合格证明;(九)符合作业船舶停靠条件的码头或停泊点资料。
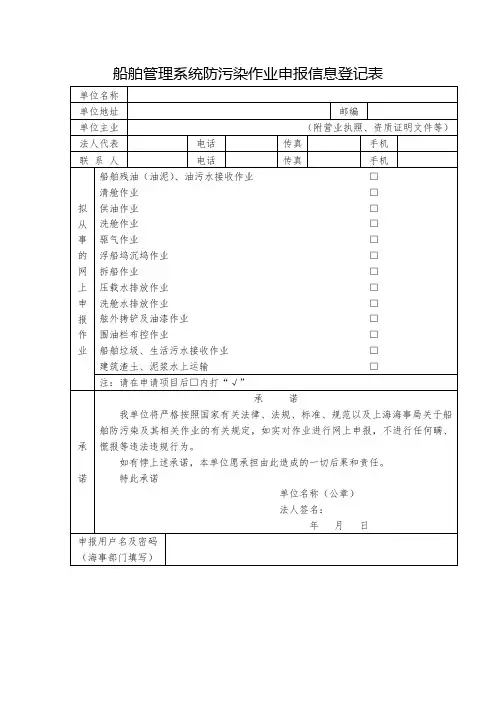
船舶管理系统防污染作业申报信息登记表
船舶管理系统防污染作业申报信息登记表(范本)
《船舶管理系统防污染作业申报信息登记表》填写说明
一、申请人应根据实际情况,填写申请方的相关材料,包括申请单位、单位此致、法人代表、联系人、联系电话、联系传真等信息。
申办人联系电话应为常用电话。
二、申请人根据所要申请的网上申报作业项目,在“拟从事
的网上申报作业”栏内选择相应的项目,在相应的项目后依次打“√”。
三、申请人申请办理业务时,根据所申请开通的网上申报作业项目,按照我局《政务指南》的要求提交相应的申请材料。
四、申请人应在申请表右下角相应位置加盖本公司的公章。
垃圾记录簿GARBAGE RECORD BOOK船名:Name of ship船舶编号或呼号:Distinctive numberor letters国际海事组织编号:IMO number使用期自:至:Period from toIntroduction:根据《经1978年议定书修订的<1973年国际防止船舶造成污染公约>》附则V第10条,对船舶每一次排放操作或焚烧过程应有记录,包括向海中、向接收设施或向其他船舶的排放,以及垃圾的意外落失。
In accordance with regulation 10 of Annex V of the International Convention for the Prevention of Pollution from Ships, 1973, as modified by the Protocol of 1978 (MARPOL), a record is to be kept of each discharge operation or completed incineration. This includes discharges into the sea, to reception facilities, or to other ships, as well as the accidental loss of garbage.2垃圾和垃圾管理Garbage and garbage management:垃圾系指产生于船舶正常营运期间并需要连续或定期处理的各种食品废弃物、生活废弃物、操作废弃物、所有的塑料、货物残留物、焚烧炉灰、食用油、渔具和动物尸体,但本公约其他附则中所界定或列出的物质除外。
垃圾不包括因航行过程中的捕鱼活动和为把包括贝类在内的鱼产品安置在水产品养殖设施内以及把捕获的包括贝类在内的鱼产品从此类设施转到岸上加工的运输过程中产生的鲜鱼及其部分。
垃圾记录簿GARBAGE RECORD BOOK船名:Name of ship船舶编号或呼号:Distinctive numberor letters国际海事组织编号:IMO number使用期自:至:Period from toIntroduction:根据《经1978年议定书修订的<1973年国际防止船舶造成污染公约>》附则V第10条,对船舶每一次排放操作或焚烧过程应有记录,包括向海中、向接收设施或向其他船舶的排放,以及垃圾的意外落失。
In accordance with regulation 10 of Annex V of the International Convention for the Prevention of Pollution from Ships, 1973, as modified by the Protocol of 1978 (MARPOL), a record is to be kept of each discharge operation or completed incineration. This includes discharges into the sea, to reception facilities, or to other ships, as well as the accidental loss of garbage.2垃圾和垃圾管理Garbage and garbage management:垃圾系指产生于船舶正常营运期间并需要连续或定期处理的各种食品废弃物、生活废弃物、操作废弃物、所有的塑料、货物残留物、焚烧炉灰、食用油、渔具和动物尸体,但本公约其他附则中所界定或列出的物质除外。
垃圾不包括因航行过程中的捕鱼活动和为把包括贝类在内的鱼产品安置在水产品养殖设施内以及把捕获的包括贝类在内的鱼产品从此类设施转到岸上加工的运输过程中产生的鲜鱼及其部分。
二三副《船舶管理》考试知识点整理第一章航海日志并非航海图书资料海事证明海图船长保管航行警告二副存1年督促水手长检查绞缆机航海日志大副存2年三副担任艇长督促一水正确显示号灯号型向大副提出书面申请人员变动,应变部署表三副按大副意图填写,报船长批准第二章航行中0400—0800班(大副班)水手负责驾驶台清洁夜航命令簿(夜间航行锚泊或其他必要时)船长或二副存1年航海口志:计程仪读数精确到0.Inm左页:航行记录(每班),气象海况(4h),舱水测量(0800,1600木匠测大副记录){其他必要时}中午测量(二副)右页:抵离港口准备,操纵,作业,定位(测天,卫星定位,交接班船位,推算船位精确到分以下小数点一位经纬度)其余用观测船位右页重大事项记录:非经常性及较大事件船长大副填写用完的大副存2年后送公司车钟记录簿:精确到1∕4min驾驶台和机舱各一本,船长,轮机长存2自动舵规定:使用自动舵的时机由船长决定,值班水手经船长或值班驾驶员同意可使用自动舵至少每小时检查自动舵运转和罗经每班至少进行一次手操舵,自动舵的转换系离泊作业:系于双柱时,8字花不得少于4道船首大副木匠协助,船尾二副水手长协助第一根首倒缆为经验人员操作,离泊时最后一根缆绳清爽应报告驾驶台救生艇操作规定:应变部署时各艇长检查指挥放一艘艇时,大副水手长检查指挥船长掌握放艇时机尽可能同时脱钩,有进速避免先脱前钩下风舷放艇偏顶浪20-30°,机动艇艇机落水前启动封闭式救生艇释放时留1人在艇甲板,其解开系索后登艇开航前准备和检查制度:开航前12h操舵装置检查试验开航前Ih对车对舵试车校对船时横倾角不超过1°能见度不良航行制度:能见度不良:能见度小于5nm且进一步降低,能见度小于3nm为能见度严重不良船长到驾驶台,轮机长到机舱连续守听VHF16/70频道,并在通话间隙发布本船雾航警报,中英文交替,力求简明职务交接制度:操作级及以上必须填写交接班报告表,船长轮机长大副交接分别在航海日志轮机日志上共同签署,其他船员交接报告部门长,代为交接的人员可为船长或由其指定人员非机动艇7人机动艇5人第三章1974年SO1AS:正文,议定书,附则,附件,附属于公约的单项规则附则12章:第一章总则,第二章构造,第三章救生设备与装置,第四章无线电通信,第五章航行安全,第六章货物装运,第七章危险货物装运,第八章核能船舶,第九章船舶安全营运管理,第十章高速船的安全措施,第十一(1)章加强海上安全的特别措施,第十一(2)章加强海上保安的特别措施,第十二章散货船的附加安全措施单项规则:FSS国际消防安全系统规则1SA救生设备规则适用范围:国际航行的船舶,不适用于V500GT货船、军舰、非机动船、制造简陋的木船、非营业性游艇、渔船构造:驾驶台到机器处所至少有2套独立通信系统;控制转换只应在机器处所或主机控制室进行应急电源:横倾22.5°纵倾10°或者范围内的任何组合角度供电客船36h货船18h艇筏集合点舷外应急照明3h水密装置:甲板以下开口永久关闭;主管机关同意可打开特殊的门;水密完整性的出入门和舱盖使用由值班驾驶员批准消防:所有船舶至少2套消防员装备,客船每80m备有2套消防员装备和2套个人配备;超过36人客船每一主竖区增配2套消防员装备,每套备1只水雾枪,液货船2套消防员装备,客船上应在任何一位置上可获,2套消防员装备和1套个人配备所有船舶应有1套防火控制图或该图的小册子复制品,永久置于甲板室外密闭盒子根据SO1AS公约的要求,防火控制图内应标明A和B级分隔区域独立驱动消防泵4000GT以上客船至少3台IOOOGT以上货船、4000GT以下客船至少2台IOOOGT以下货船至少1台国际通岸接头2500GT船舶至少1只1000总吨及以上的船舶应至少配备5只手提式灭火器VHF无线电话:客船、500GT及以上货船3台300-50GT货船2台SART:客船、500GT以上货船每舷至少1台,至少2台300GT-500GT货船至少1台每艘300GT货船、IOoGT客船应有1个船舶识别号救生艇筏:非短国际航行客船每舷救生艇50%人员全船100%人员,救生筏25%人员货船每舷救生艇100%人员,1只或多只救生筏存放点距船首或船尾超过IOOm应配1只救生筏货船1艘救助艇2名船员5min完成降落登乘降放时客船30min、货船IOmin,平静水面进速5kn降落下水货船3件保温救生服12支火箭降落伞信号存于驾驶室230OGT国际航行船、250OGT非国际航行货船、客船:1台AIS海面至船舶入口或出口处距离超过9m,引航软梯爬高不小于15m、离水面高度不超过9m每3个月应急操舵演习设置2台二氧化碳灭火系统释放控制装置通风装置应具有至少每小时换气6次的能力按照SO1AS公约要求,机动救生艇当载足全部乘员和属具时,在静水中的航速至少为6kn,并备有不少于24小时的燃料按照规定,机动救生艇当拖带一只25人救生筏时,静水中航速至少为2kn 自亮灯的救生圈至少为救生圈总数的1/2,至少2只救生圈设有自发烟雾信号货船每舷至少有1只救生圈应装有可浮救生索永久船舶识别号船尾或船中载重线之上,船名之下标签,应能保证在被海水浸没至少3个月后仍然可被辨认STCW:7个职能3个级别休息记录用工作语言和英语值班标准:休息时间任何24h最少10h、任何7天77h可分为不超过2段,其中一段至少6h,连续间隔不过14h例外任何7天不少于70h例外不应连续2星期,不少于例外连续的2倍例外分为不超过3段,其中一段6h,另外两段不少于Ih例外任何7天不超过2个24h血液酒精浓度不高于0.05%或呼吸时不高于0.25mg∕1体检证书:2年(V18岁1年)色觉视力证书:6年无有效体检证书至下一停靠港期间不超过3个月海员就业协议:海员和船东或船东代表签署海员和船东各持有经签字的就业协议原件书面解除协议:M1C:7天我国劳动合同:30天2006M1C:适用于商业活动海船(200GT以下国内船可免除遵守)禁止16岁以下上船工作,禁止18以下夜间工作,禁止18以下从事损害健康或安全的工作海员的正常工时标准应以每天8小时、每周休息1天和公共节假日休息为依据;海员的最长工作时间为在任何24小时时段内不得超过14小时,在任何7天时间内不得超过72小时;海员的最短休息时间为在任何24小时时段内不得少于10小时,在任何7天时间内不得少于77小时:如果海员因被招去工作而打扰了其正常的休息时间,则应给予其充分的补休。
船舶垃圾管理的新要求2012-12-4附则V:船舶垃圾管理的新要求国际海事组织海上环境保护委员会2011年07月15日通过的《73/78防污公约》修正案附则V将于2013年1月1日正式生效。
届时港口国检查官将会对到港船舶进行监督检查。
中国海事局对国内航行船舶将于2013年4月1日起进行符合性的检查,对违反规定的,海事管理机构按有关法律法规进行处理。
该修正案对垃圾进行了重新定义和分类,并对垃圾的排放做出了新的规定,其排放的原则由原来的“原则性许可”变成了“原则性禁止”;同时,修正案对《垃圾管理计划》、《垃圾记录簿》和垃圾公告牌的内容和要求进行了调整。
为了全面履行修正案,防止船舶垃圾污染,保护海洋环境,顺利通过港口国的检查,公司应做好以下工作:1 公司主管人员要认真学习修正案的内容,并组织编写新的《垃圾管理计划》;对于新的编写有困难的公司,我处可以提供协助和指导;2 公司要组织管理人员的培训,切实领会有关要求,做好船舶的培训;督促船舶对《垃圾管理计划》进行学习并做好记录;3 特别是对垃圾记录簿的记录要采用新版本并注意记录的正确性;船上排放垃圾要严格按照修正案第3,4,5,6的规定执行并做好记录;同时要向港口垃圾接收人员索要《船舶污染物接收处理证明》4 关于垃圾公告牌、《垃圾管理计划》和《垃圾记录簿》的配备要求:(一)总长在12米及以上的船舶,以及固定或浮动式平台,均须配备并张贴垃圾公告牌,向船员公布船上的排放要求。
垃圾公告牌应布设在厨房区域、餐厅、起居室、驾驶台、或其他船员工作和生活处所及场所的显著位置。
(二)总长12米及以上,但不满400总吨的船舶应至少配备两块垃圾公告牌;400总吨及以上的船舶应至少配备三块垃圾公告牌。
(三)100总吨及以上的船舶,经核准载运15人及以上的船舶,以及固定或浮动式平台,须配备并执行《垃圾管理计划》。
该计划应按照国际海事组织通过的《2012垃圾管理计划制定导则》(MEPC.220(63)号决议)要求进行编写。
船舶污染物接收和船舶清舱作业单位接收处理能力要求1范围本标准规定了船舶污染物接收和船舶清舱作业的单位、船舶、人员应具备的接收处理能力,以及接收和清舱作业的技术和管理要求。
本标准适用于船舶污染物接收和船舶清舱作业。
船舶污染物接收采用岸上接收方式的,其防污染和作业安全要求可参照执行。
2规范性引用文件下列文件中的条款通过本标准的引用而成为本标准的条款。
凡是注日期的引用文件,其随后所有的修改单(不包括勘误的内容)或修订版均不适用于本标准,然而,鼓励根据本标准达成协议的各方研究是否可使用这些文件的最新版本。
凡是不注日期的引用文件,其最新版本适用于本标准。
GB 5044职业性接触毒物危害程度分级JT/T 451港口滥油应急设备配备要求IMO MARPOL经1978年议定书修订的1973年国际防止船舶造成污染公约IMO国际油船和油码头安全指南3术语和定义下列术语和定义适用于本标准。
3.1油类oil任何类型的油及其炼制晶。
3.2油性混合物oily mixture任何含有油份的混合物。
3.3油船oil tanker建造或改造以装运散装油类为主的船舶。
3.4船舶污染韧ship's pollutants船舶在装卸、运输、运行过程中加注、产生、储存和排出的可能对环境造成污染损害的任何废物,包括油类、生活污水、货物残余物,以及船舶营运产生的其他残余物。
范围包括MARPOL73/78附则I、II、IV、V的物质和执行MARPOL73/78附则V指南所定义的货物废物。
3.5残油(油泥)residue oil净化燃油、润滑油和机器处所中的漏油所产生的废油和油渣或油舱、油管中残存的油、油渣等。
呈液态或半固态的油性混合物。
3.6食油污水oily water禽有原油、燃料油、润滑油和各种石油产品的污水。
3.7有毒液体物质洗舱水Hold-washings containing noxious liquid substance因船舶修理或换载时,清洗装运有毒液体物质货舱产生的污水。
船舶未按规定如实记录垃圾收集处理情况(嘉地海罚〔2022〕425)【主题分类】交通运输【发文案号】嘉地海罚〔2022〕425【处罚依据】中华人民共和国防治船舶污染内河水域环境管理规定(2015)26305300000中华人民共和国防治船舶污染内河水域环境管理规定(2015)263053460000中华人民共和国防治船舶污染内河水域环境管理规定(2015)263053460110中华人民共和国行政处罚法(2021修订)35183100000中华人民共和国行政处罚法(2021修订)351831720000中华人民共和国行政处罚法(2021修订)351831720100中华人民共和国行政处罚法(2021修订)351831720110 【处罚日期】2022.03.10【处罚机关类型】交通运输部/委/厅/局【处罚机关】【浙江省嘉兴市海盐县】海盐县交通运输局【处罚种类】罚款、没收违法所得、没收非法财物【执法级别】区/县级【执法地域】海盐县【处罚对象】唐万勤【处罚对象分类】个人【更新时间】2022.07.28 17:29:47处罚名船舶未按规定如实记录垃圾收集处理情况称行政处嘉地海罚〔2022〕425罚决定书文号被处罚对象唐万勤处罚结果主要违法事实: 2022年3月9日9时30分,***交通运输行政执法人员在******境内鸳鸯桥上游200米对***宁货02127检查,现场人员唐万勤出示的该船船舶垃圾记录簿上显示的最后一次船舶垃圾收集处理情况的日期是2021年11月12日,没有把该船2022年3月8日等日期的船舶垃圾收集处理情况记录到船舶垃圾记录簿上。
***宁货02127船舶所有人是唐万勤。
3月9日,执法人员根据现场情况制作了《现场笔录》。
3月10日经批准对唐万勤涉嫌未按规定如实记录垃圾收集处理情况立案调查。
2022年3月10日执法人员依法对唐万勤进行了询问并制作了《询问笔录》,同时还取得现场照片、唐万勤身份证复印件、船舶国籍证书影印件、垃圾记录簿影印件、船舶污染物接收单影印件等相关证据。
船舶污染物接收处理作业管理船舶污染物接收处理作业管理工作须知1.目的规范青岛海事局辖区船舶污染物接收处理作业安全与防污染管理,统一船舶污染物接收处理单位备案要求,严格船舶污染物接收处理过程控制,完善船舶污染物接收作业现场监督管理。
2.适用范围适用于青岛海事局管辖范围内从事船舶污染物接收和处理作业的单位、船舶和人员。
3.定义3.1.船舶污染物系指按照《MARPOL73/78》定义的船舶残油、含油污水、有毒液体物质的洗舱水、生活污水、船舶垃圾及造成大气污染的污染物。
3.2.船舶污染物接收处理作业指利用船舶或车辆对船舶污染物进行收集并按照国家规定进行无害化处理的作业。
4.职责4.1.青岛海事局监管二处负责实施辖区内船舶污染物接收处理单位备案和整体管理工作。
4.2.青岛海事局所属各海事处负责辖区内船舶污染物接收处理作业的审批、船舶管理和现场监督检查等具体管理工作。
5.工作程序5.1.一般要求5.1.1.船舶污染物接收和处理单位应当符合国家有关法律、法规和标准的规定,满足《船舶污染物接收和船舶清舱作业单位接收处理能力要求》(JT/T673-2006)的要求,并向青岛海事局备案。
5.1.2.未经备案的船舶污染物接收处理单位,禁止从事船舶污染物接收处理作业。
5.1.3.船舶污染物接收单位应当建立安全与防污染管理体系并得到主管机关的认可。
从事含有有毒液体物质污水接收的单位还应当制定保证危险废物经营安全的规章制度、污染防治措施和事故应急救援措施。
5.1.4.安全与防污染管理体系至少包括以下内容:1)本单位基本情况、接收处理能力、船舶污染物进一步处理的描述;2)本单位作业的地域范围、联系方式、收费方式及作业程序的描述;3)本单位接收处理的记录方式及要求;4)事故应急反应的描述;5)指定总负责人,总负责人的责任和权力;6)涉及船舶污染物接收处理相关法律、法规的描述;7)本体系的修订要求。
5.1.5.船舶污染物接收单位应当编制防治船舶污染物接收和处理作业活动污染海洋环境的应急预案并报海事主管机关批准,每六个月举行一次应急演练,演习后应做好评估和记录,及时修订、完善应急预案。
垃圾记录簿(内河船舶适用)船名:船舶登记号:船籍港:使用期自:至:签注机关(印章)年月日1引言内河船舶垃圾的管理应严格按照《中华人民共和国环境保护法》、《中华人民共和国水污染防治法》、《中华人民共和国海洋环境保护法》、《中华人民共和国防治船舶污染内河水域环境管理规定》以及《船舶水污染物排放控制标准》(GB3553)等法律法规和标准的要求,有关船舶垃圾的作业情况应按照要求记入《船舶垃圾记录簿》。
2 垃圾和垃圾管理垃圾系指产生于船舶正常营运期间,需要连续或定期处理的废弃物,包括各种塑料废弃物、食品废弃物、生活废弃物、废弃食用油、操作废弃物、货物残留物、动物尸体、废弃渔具和电子垃圾。
垃圾不包括以下活动过程中的鱼类(含贝类)及其各部分:1)航行过程中捕获鱼产品(含贝类)的活动;2)将鱼类(含贝类)安置在船上水产品养殖设施内的活动;3)将捕获的鱼类(含贝类)从船上水产品养殖设施转移到岸上加工运输的活动。
内河水域禁止排放船舶垃圾。
江海直达船舶在允许排放垃圾的海域,根据船舶垃圾类别和海域性质,分别执行相应的排放控制要求。
有关垃圾的操作,按照《垃圾管理计划》执行。
3 垃圾种类对于本记录簿而言,垃圾分类如下:A 塑料废弃物B 食品废弃物C 生活废弃物D 废弃食用油E 操作废弃物F 货物残留物G 动物尸体H 废弃渔具I 电子垃圾以上垃圾种类的具体说明见附录。
4 《垃圾记录簿》条目4.1 发生下列情况时,须在《垃圾记录簿》上记录:4.1.1 当垃圾被排放至岸上接收设施或其他船舶1时:.1 排放的日期和时间.2 港口或设施,或船名.3 排放的垃圾的种类.4 各类垃圾的排放估算量(以立方米计).5 船长或负责人员签名4.1.2 当根据《船舶水污染物排放控制标准》第7条将垃圾排放入水域时:.1 排放的日期和时间.2 船舶位置(经纬度).3 排放的垃圾的种类.4 各类垃圾的排放估算量(以立方米计).5 船长或负责人员签名4.1.3 垃圾因意外排放或落失水域2时的情形:.1 发生的日期和时间.2 发生时船舶所在港口或位置(经纬度、水深,如知道).3 排放或落失的垃圾的种类.4 各类垃圾的估算量(以立法米计).5 排放或落失原因及一般说明4.2 垃圾量船上的垃圾量应以m3(立方米)估算,如可能,按照种类分别估算。
船舶垃圾排放(接收)现场监督检查编制说明为规范海事执法行为,提高执法效能,提升危防工作能力和水平,根据《海事权责清单》、《海事现场执法类项目履职标准》、《海事执法业务流程 》及相关的规定,编制了本套示范教程,示范教程分二部分,第一部分为手册,主要提供给执法人员现场执法时使用;第二部分为课件,主要为执法人员业务学习时使用。
本手册中流程图为推荐性,执法人员根据现场的实际可以有所调整,但检查项目的覆盖性必须符合本手册的要求。
流程图中,两个◆◆表示船舶存在违法行为,需要对其立案调查,单个◆表示检查项存在缺陷,对于缺陷的处理需参照《中华人民共和国船舶安全监督规则》中的要求通知船方整改。
需要注意的是,部分检查项目同时也是船舶安全检查的内容,更适合通过船舶安全检查进行覆盖,该类项目在《检查要点表》缺陷处理一项已标注。
关于每一项的检查要点的缺陷处理建议,见“缺陷处理栏”。
此外,本手册的编制基于现行有效的国际公约、法律法规、船舶法定检验技术规则、国家标准和行业规范,如公约、法律法规等发生变化,本手册将随之更新。
目录海事行政检查流程 (3)第一章检查依据 (4)1.1 国际公约 (4)1.2 国内法律法规 (4)1.3 国内检验规范、标准及规范性文件 (4)第二章目标船的选取 (4)第三章检查前的准备 (6)第四章检查程序 (6)第五章检查内容 (7)5.1 作业报告信息核查 (7)5.2 相关证书文书检查 (8)5.3 设备器材检查 (10)附件一:常见问题及处理建议 (12)附件二:海事行政调查详细列表 (13)第一章 检查依据1.1 国际公约1.1.1 MARPOL公约附则V第9、10条。
1.2 国内法律法规1.2.1《中华人民共和海洋环境保护法》第六十二条、六十三条、六十九条、七十条。
1.2.2《防治船舶污染海洋环境管理条例》第十条、十四条、十五条、十六条、十七条、十八条。
1.2.3《中华人民共和国船舶及其有关作业活动污染海洋环境防治管理规定》(交通运输部令2017年第15号)第五条、七条、九条、十二条、十四条、十五条、十七条、十八条、二十一条。