001-附录F 住宅室内装饰装修工程质量验收汇总表
- 格式:xls
- 大小:27.00 KB
- 文档页数:1
骨架隔墙工程检验记录34注:建筑装饰装修工程所使用的材料应按设计要求进行防火、防腐和防虫处理。
饰面板安装工程检验记录工程名称分项工程名称施工单位验收部位检验明细要求检验方法合格主1 材料要求•饰面板的品种、规格、颜色和性能应符合设计要求,木龙骨、木饰面板和•观察;•检查产品合格证书、进场验收记录和性控项2 孔、槽设置饰面板孔、槽的数量、位置和尺寸应符合设计要求。
•手扳检查;•尺量检查;检查隐蔽目3预埋件、连接件(或后置埋件)•骨架隔墙中龙骨间距和构造连接方法应符合设计要求。
•检查隐蔽工程验收记录。
—一1 表面质量•骨架隔设备表线的安整光滑、色泽一致、洁净、无裂缝,接缝应均匀、顺直。
•观察;•手摸检查。
般2 嵌缝•骨架隔墙上的孔洞、槽、盒应位置正确、套割吻合、•观察。
3湿作业石材施工防碱背涂处理••项 4 孔洞套割•骨架隔墙内的填充材料应干燥,填充应密实、均匀、•轻敲检查;•检查隐蔽工程验收目饰面板安装(2.2.8条)无下坠。
允许偏差mm)记录。
检验方法实测值5 立石材2项目经理主控项目2.2.1饰面板的品种、规格、颜色和性能应符合设计要求,木龙骨、木饰面板和塑料面板的燃烧性能等级应符合设计要求。
检验方法:观察;检查产品合格证书、进场验收记录和性能检测报告。
2.2.2饰面板孔、槽的数量、位置和尺寸应符合设计要求。
检验方法:检查进场验收记录和施工记录。
不锈钢紧固件、连接件应按同一种类构件的5%进行抽样检查,且每种构件不少于5件。
现场可使用吸铁石进行检查。
2.2.3饰面板安装工程预埋件(或后置埋件)、连接件的数量、规格、位置、连接方法和防腐处理必须符合设计要求。
后置埋件的现场拉拔强度必须符合设计要求。
饰面板安装必须牢固。
碳钢配件需做防锈、防腐处理。
焊接点应作防腐处理。
检验方法:手板检查;检查进场验收记录、现场拉拔检测报告、隐蔽工程验收记录和施工记录。
一般项目2.2.4饰面板表面应平整、洁净、拼花正确、纹理清晰能耐色泽一致,无裂痕和缺损。
装饰装修检验批质量验收记录表格汇总< 1 I F列号:[K8UY-K9IO69-O6M243-OL889-F88688]水泥混凝土整体面层工程检验批质量验收记录水泥砂浆面层检验批质量验收记录砖面层检验批质量验收记录(GB50209-2010)活动地板面层检验批质量验收记录(GB50209-2010)(GB50210-2001)装饰抹灰工程检验批质量验收记录(GB5021072001)清水砌体勾缝工程检验批质量验收记录(GB50210-2001)金属门窗安装工程检验批质量验收记录(GB50210-2001)特种门安装工程检验批质量验收记录门窗玻璃安装工程检验批质量验收记录(GB50210-2001)明龙骨吊顶工程检验批质量验收记录(GB50210-2001)(GB50210-2001)骨架隔墙工程检验批质量验收记录(GB50210-2001)(GB50210-2001)玻璃隔墙工程检验批质量验收记录(GB50210-2001)(GB50210-2001)水性涂料涂饰工程(厚涂料)检验批质量验收记录(GB50210-2001)水性涂料涂饰工程(复层涂料)检验批质量验收记录(GB50210-2001)(GB50210-2001)溶剂型涂料涂饰工程(清漆)检验批质量验收记录(GB50210-2001)美术涂饰工程检验批质量验收记录(GB50210-2001)裱糊工程检验批质量验收记录(GB50210-2001)(GB50210-2001)(GB50210-2001)续表(GB50210-2001)门窗套制作与安装工程检验批质量验收记录(GB50210-2001)护栏和扶手制作与安装工程检验批质量验收记录(GB50210-2001)花饰制作与安装工程检验批质量验收记录(GB50210-2001)。
装饰工程验收表格一、基本信息1. 项目名称:2. 建设单位:3. 施工单位:4. 设计单位:5. 监理单位:6. 验收日期:二、验收内容1. 工程概况:简要描述工程的规模、用途和主要施工内容。
2. 主要材料:列出使用的主要装饰材料,包括墙面、地面、天花板、门窗等,并注明材料的品牌、型号和质量要求。
3. 装饰设计:对装饰设计方案进行评估,包括色彩搭配、空间布局、灯光设计等。
4. 建筑工程验收:(1) 结构验收:检查房屋结构的稳定性、承重能力和防震性能。
(2) 建筑装饰验收:检查墙面、地面、天花板、门窗等装饰是否平整、牢固,并符合相关质量标准。
(3) 给排水验收:检查给水、排水管道是否畅通,并符合相关标准。
(4) 供电验收:检查供电系统的安全性和可靠性。
5. 室内装饰验收:(1) 墙面验收:检查墙壁的平整度、涂料是否均匀、是否存在刷漏等问题。
(2) 地面验收:检查地板的平整度、铺装质量和材料的合格性。
(3) 天花板验收:检查天花板的平整度、吊顶的牢固性、吊灯的安装质量。
(4) 门窗验收:检查门窗的开启灵活性、密封性和安装质量。
(5) 灯具验收:检查灯具的安装位置、照明效果和灯具配电线路的安全性。
6. 室外装饰验收:(1) 外墙验收:检查外墙涂料的均匀性、颜色的一致性和墙体的平整度。
(2) 屋面验收:检查屋面的防水效果和施工质量。
(3) 喷泉、雕塑等装饰物验收:检查喷泉的水流、雕塑的细节和整体效果。
7. 设备验收:(1) 空调系统验收:检查空调系统的制冷、制热效果和室内温度控制。
(2) 给排水设备验收:检查给水、排水设备的工作正常性和安装质量。
(3) 照明设备验收:检查灯具的照明效果、开关的正常使用和配电线路的安全性。
(4) 音响设备验收:检查音响设备的音质、音量控制和音响线路的接口是否正常。
8. 室内装修细节验收:(1) 墙面装饰:检查壁纸、瓷砖、涂料等墙面装饰材料的质量和施工质量。
(2) 地面装饰:检查地板、地毯等地面装饰材料的质量和铺设效果。
水泥混凝土整体面层工程检验批质量验收记录水泥砂浆面层检验批质量验收记录(GB50209-2010)砖面层检验批质量验收记录(GB50209-2010)大理石面层和花岗石面层检验批质量验收记录(GB50209-2010)活动地板面层检验批质量验收记录(GB50209-2010)一般抹灰工程检验批质量验收记录(GB50210-2001)墙裙、勒脚上口直线度高级抹灰3普通抹灰4施工单位检查结果评定项目专业项目专业质量检查员:技术负责人:年月日监理(建设)单位验收结论专业监理工程师:(建设单位项目专业技术负责人)年月日装饰抹灰工程检验批质量验收记录(GB502102001)工程名称分项工程名称项目经理施工单位验收部位施工执行标准名称及编号专业工长(施工员)分包单位分包项目经理施工班组长质量验收规范的规定施工单位自检记录监理(建设)单位验收记录主控项目1基层处理 4.3.2 2材料要求 4.3.3 3加强措施 4.3.4 4面层粘结要求 4.3.5一般项目1表面质量水刷石 4.3.6(1)斩假石 4.3.6(2)干粘石 4.3.6(3)假面砖 4.3.6(4) 2分格条(缝)设置4.3.7 3滴水线(槽)设 4.3.8清水砌体勾缝工程检验批质量验收记录(GB50210-2001)金属门窗安装工程检验批质量验收记录(GB50210-2001)特种门安装工程检验批质量验收记录(GB50210-2002)门窗玻璃安装工程检验批质量验收记录(GB50210-2001)暗龙骨吊顶工程检验批质量验收记录(GB 50210-2001)明龙骨吊顶工程检验批质量验收记录(GB50210-2001)板材隔墙分项工程检验批质量验收记录(GB50210-2001)骨架隔墙工程检验批质量验收记录(GB50210-2001)活动隔墙工程检验批质量验收记录(GB50210-2001)玻璃隔墙工程检验批质量验收记录(GB50210-2001)饰面板安装工程检验批质量验收记录(GB50210-2001)续表饰面砖粘贴工程检验批质量验收记录(GB50210-2001)水性涂料涂饰工程(薄涂料)检验批质量验收记录(GB50210-2001)水性涂料涂饰工程(厚涂料)检验批质量验收记录(GB50210-2001)水性涂料涂饰工程(复层涂料)检验批质量验收记录(GB50210-2001)溶剂型涂料涂饰工程(色漆)检验批质量验收记录(GB50210-2001)溶剂型涂料涂饰工程(清漆)检验批质量验收记录(GB50210-2001)美术涂饰工程检验批质量验收记录(GB50210-2001)裱糊工程检验批质量验收记录(GB50210-2001)软包工程检验批质量验收记录(GB50210-2001)玻璃幕墙(明框)工程检验批质量验收记录(GB50210-2001)续表玻璃幕墙(隐框、半隐框)工程检验批质量验收记录(GB50210-2001)续表门窗套制作与安装工程检验批质量验收记录(GB50210-2001)护栏和扶手制作与安装工程检验批质量验收记录(GB50210-2001)花饰制作与安装工程检验批质量验收记录(GB50210-2001)。
(完整版)室内装修验收表室内装修验收表背景本文档旨在对室内装修进行全面的验收,确保工程质量符合设计要求和规范标准。
验收标准验收标准应遵循以下要求:1. 符合施工工艺和国家相关法规;2. 设计方案与工程实施一致;3. 施工质量符合相关标准;4. 安全措施完备;5. 室内环境满足舒适度要求。
验收内容1. 结构验收:- 地面铺装是否平整,无裂缝和凹凸;- 墙面垂直度是否符合要求;- 天花板是否平整;- 门窗的开闭是否灵活。
2. 电气验收:- 电线线路是否布置合理,接头是否牢固;- 开关插座是否正常工作;- 照明设施是否满足照明要求;- 地漏和插座是否符合安全标准。
3. 水暖验收:- 水管是否安装牢固,无渗漏现象;- 水龙头和淋浴设施是否正常工作;- 水漏报警装置是否安装到位。
4. 空调验收:- 空调操作是否正常,温度调节是否准确;- 空调出风口是否畅通;- 空调噪音是否在合理范围内。
5. 室内装饰验收:- 墙壁装饰、地面装饰和天花板装饰是否完好;- 门窗装饰是否牢固,无损坏。
6. 室内环境验收:- 室内空气是否新鲜,通风是否良好;- 温湿度是否适宜;- 噪音和振动是否达标。
验收流程1. 提前通知装修单位,安排验收时间;2. 对每个验收内容进行逐项检查;3. 记录每个验收项目的情况,包括合格或不合格;4. 如发现不合格项目,要求装修单位及时整改;5. 监督装修单位进行整改,并重新进行验收;6. 所有验收项目全部合格后,填写验收报告。
验收结果验收结果应记录在验收报告中,报告应包括以下内容:1. 装修单位信息;2. 验收时间;3. 验收内容及项目情况;4. 验收结果;5. 如有不合格项目,列明整改要求和期限;6. 相关人员签字确认。
验收责任本次室内装修验收主要责任人包括:1. 业主:负责组织和监督整个验收过程;2. 施工单位:负责保证工程质量符合规范;3. 设计单位:负责设计方案和验收标准。
验收后处理验收报告完成后,根据不同情况进行下一步处理:1. 若全部验收项目合格,即可进行交房手续完成;2. 若有不合格项目,要求装修单位整改,并重新进行验收;3. 若存在重大质量问题,可向相关部门投诉或寻求专业意见。
家居装饰验收表完整项目信息- 业主姓名:- 联系方式:- 项目地址:- 项目名称:室内装饰验收1. 客厅- [ ] 墙面:颜色、质地是否符合要求- [ ] 地板:是否平整,有无破损- [ ] 窗户:有无渗漏、裂缝等问题- [ ] 电源插座:位置是否合理,功能是否正常- [ ] 灯具:灯光明亮、开关是否正常- [ ] 家具:是否按照设计图安装,有无损坏2. 卧室- [ ] 墙面:颜色、质地是否符合要求- [ ] 地板:是否平整,有无破损- [ ] 窗户:有无渗漏、裂缝等问题- [ ] 电源插座:位置是否合理,功能是否正常- [ ] 灯具:灯光明亮、开关是否正常- [ ] 家具:是否按照设计图安装,有无损坏3. 厨房- [ ] 墙面:颜色、质地是否符合要求- [ ] 地板:是否平整,有无破损- [ ] 窗户:有无渗漏、裂缝等问题- [ ] 电源插座:位置是否合理,功能是否正常- [ ] 水槽和水龙头:有无漏水、堵塞等问题- [ ] 橱柜和台面:是否按照设计图安装,有无损坏4. 浴室- [ ] 墙面:颜色、质地是否符合要求- [ ] 地板:是否平整,有无破损- [ ] 窗户:有无渗漏、裂缝等问题- [ ] 电源插座:位置是否合理,功能是否正常- [ ] 洗手盆和水龙头:有无漏水、堵塞等问题- [ ] 马桶和淋浴设施:是否安装牢固,有无损坏室外装饰验收1. 门和门廊- [ ] 门:是否平整,有无破损- [ ] 门锁:是否安装牢固,开关是否正常- [ ] 门廊:有无渗漏、裂缝等问题2. 外墙和花园- [ ] 外墙:颜色、质地是否符合要求- [ ] 花园:有无杂草、坑洼等问题- [ ] 围墙和栅栏:是否安装牢固,有无损坏总结以上为家居装饰验收表的内容,每个项目请在方框内打钩表示验收情况。
如有问题或需要补充,请及时与施工方沟通解决。
最终验收结果以双方达成的一致意见为准。
室内装修质量验收表(总11页)-CAL-FENGHAI.-(YICAI)-Company One1-CAL-本页仅作为文档封面,使用请直接删除骨架隔墙工程检验记录骨架隔墙所用龙骨、配件、墙面板、填充材料及嵌缝材料的品种、规格、性能和木材的含水率应符合设计要求。
有隔声、隔热、阻燃、防潮等特殊要求的工程,材料应观察;检查产品合格证书、进场验收记录、性能检测报告和复验报告。
骨架隔墙工程边框龙骨必须与基体结构连接牢固,并应平整、垂直、位置正确。
手扳检查;尺量检查;检查隐蔽工程验收记骨架隔墙中龙骨间距和构造连接方法应符合设计要求。
骨架内设备管线的安装、门窗洞口等部位加强龙骨应安装牢固、位置正确,填充材料的设置应符合设计要求。
检查隐蔽工程验收记录。
木龙骨及木墙面板的防火和防腐处理必须符合设计要求。
检查隐蔽工程验收记录。
骨架隔墙的墙面板应安装牢固,无脱层、翘曲、折裂及缺损。
观察;手扳检查。
墙面板所用接缝材料的接缝方法应符合设计要求。
观察。
骨架隔墙表面应平整光滑、色泽一致、洁净、无裂缝,接缝应均匀、顺直。
观察;手摸检查。
骨架隔墙上的孔洞、槽、盒应位置正确、套割吻合、边缘整齐。
观察。
骨架隔墙内的填充材料应干燥,填充应密实、均匀、无下坠。
轻敲检查;检查隐蔽工程验收记录。
注:建筑装饰装修工程所使用的材料应按设计要求进行防火、防腐和防虫处理。
饰面板安装工程检验记录饰面板的品种、规格、颜色和性能应符合设计要求,木龙骨、木饰面板和塑料面板的燃烧性能等级应符合设计要观察;检查产品合格证书、进场验收记录和性能检测报告。
手扳检查;尺量检查;检查隐蔽工程验收记录。
骨架隔墙中龙骨间距和构造连接方法应符合设计要求。
骨架内设备管线的安装、门窗洞口等部位加强龙骨应安装牢固、位检查隐蔽工程验收记录。
骨架隔墙表面应平整光滑、色泽一致、洁净、无裂缝,接缝应均匀、顺直。
观察;手摸检查。
骨架隔墙上的孔洞、槽、盒应位置正确、套割吻合、边缘整齐。
观察。
水泥混凝土整体面层工程检验批质量验收记录
水泥砂浆面层检验批质量验收记录
(GB50209—2010)
砖面层检验批质量验收记录
大理石面层和花岗石面层检验批质量验收记录
活动地板面层检验批质量验收记录
一般抹灰工程检验批质量验收记录
装饰抹灰工程检验批质量验收记录
清水砌体勾缝工程检验批质量验收记录
金属门窗安装工程检验批质量验收记录
特种门安装工程检验批质量验收记录
门窗玻璃安装工程检验批质量验收记录
暗龙骨吊顶工程检验批质量验收记录
明龙骨吊顶工程检验批质量验收记录
板材隔墙分项工程检验批质量验收记录
骨架隔墙工程检验批质量验收记录
活动隔墙工程检验批质量验收记录
玻璃隔墙工程检验批质量验收记录
饰面板安装工程检验批质量验收记录
饰面砖粘贴工程检验批质量验收记录
水性涂料涂饰工程(薄涂料)检验批质量验收记录
水性涂料涂饰工程(厚涂料)检验批质量验收记录
水性涂料涂饰工程(复层涂料)检验批质量验收记录
溶剂型涂料涂饰工程(色漆)检验批质量验收记录
溶剂型涂料涂饰工程(清漆)检验批质量验收记录
美术涂饰工程检验批质量验收记录
裱糊工程检验批质量验收记录
软包工程检验批质量验收记录
玻璃幕墙(明框)工程检验批质量验收记录
玻璃幕墙(隐框、半隐框)工程检验批质量验收记录
门窗套制作与安装工程检验批质量验收记录
护栏和扶手制作与安装工程检验批质量验收记录
花饰制作与安装工程检验批质量验收记录。
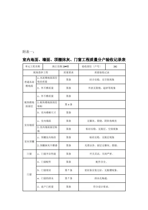
附表一:
室内地面、墙面、顶棚抹灰、门窗工程质量分户验收记录表
室内空间尺寸、护栏、玻璃质量分户验收记录表
防水工程、公共部位分户验收质量记录表
安装工程分户验收质量记录表
附表二:
住宅工程质量分户验收汇总表
附表三:
住宅工程竣工验收复核单元、户号抽签记录表
工程名称:恒美家园13#楼监督注册号
附表四:
住宅单元工程验收问题记录表
恒美家园13#楼
注:备注栏中填写存在问题所违反的验收依据
建设单元:监理单元:
施工单元:监督人员:
验收时间:
附表五
住宅工程质量分户验收合格证
注:1、该合格证一份置于室内夺目位置。
2、如存在不影响布局安然和使用功能又无法整改的缺陷在备注栏中说明。
3、房屋交付时向住户提供本证。