防雷接地系统布置简图
- 格式:docx
- 大小:12.61 KB
- 文档页数:2
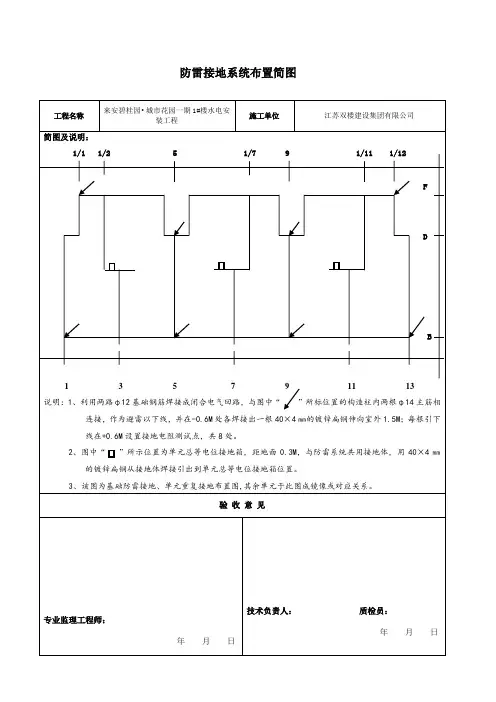
【IBE】图文详解——防雷接地系统一、接地装置利用桩基础及基础梁内两根≥Φ16钢筋焊接连接做接地体(做法详见03D501-3 P45),无基础梁处利用-40*4镀锌扁钢贯通焊接作环形接地体,沿环形接地体无梁处人工开外10*10cm沟槽,-40*4镀锌扁钢沿沟槽敷设,焊接后清除焊渣,刷一道防锈漆,一道防腐漆,然后回填覆土。
镀锌扁钢与地梁或柱钢筋焊接长度不得小于钢筋直径的6倍。
环形接地体应与引下线所经过的混凝土柱内主筋焊接。
建筑物四角外墙距室外地面上0.5m处,由防雷引下线焊接引出∅10镀锌圆钢作接地电阻测试端子,接地电阻测试端子设于防雷测试盒(146型塑料预埋盒制作)墙内暗敷。
电梯井道、水电井道、配电室内的接地板预留高度为距相应楼地面0.3米;连接散流扁钢预留的接地钢板距室外1.0米设置,采用-40*4mm 的热镀锌扁钢作为散流线,并伸出外墙面1.5米。
预留的接地钢板应与所选接地连接钢筋焊接连通,钢板预留时应紧贴模板,预埋接地连接板:由接地体钢筋或镀锌扁钢焊接引出∅16圆钢,在室外地面下墙、柱面设置预埋接地连接板,供增设人工接地体、等电位连接、接地连接等使用。
预埋接地端子板可参照下面三种做法施工。
a预埋接地连接板100*100*6钢板,设于室外地面下0.8m处;b接地电阻测试点100*100*6钢板,设于室外地面上0.5m处;c预埋连接板(备电梯导轨接地使用)100*100*6钢板,设于距电梯基坑0.5m处;d预埋连接板(电井接地扁钢);100*100*6钢板;e预埋连接板(变配电房接地);100*100*6钢板;二、引下线利用结构混凝土墙、柱或构造柱内对角两根≥∅16钢筋上下贯通连接为一组防雷引下线所选择的引下线钢筋可用红色油漆做好标记,逐层传递,保证各层各点均是相同的钢筋引下。
引下线与作为接地体的地梁钢筋间需用≥∅12mm圆钢做跨接,双面焊接,搭接长度不小于圆钢的6D。
柱内作为引下线的两根≥∅16钢筋间需用≥∅12mm圆钢做跨接。
防雷接地系统布置简图DQ2.6防雷接地系统布置简图DQ2.6防雷接地系统布置简图DQ2.6防雷接地系统布置简图DQ2.6财务管理工作总结[财务管理工作总结]2009年上半年,我们驻厂财会组在公司计财部的正确领导下,在厂各部门的大力配合下,全组人员尽“参与、监督、服务”职能,以实现企业生产经营目标为核心,以成本管理为重点,全面落实预算管理,加强会计基础工作,充分发挥财务管理在企业管理中的核心作用,较好地完成了各项工作任务,财务管理水平有了大幅度的提高,财务管理工作总结。
现将二00九年上半年财务工作开展情况汇报如下:一、主要指标完成情况:1、产量90万吨,实现利润1000万元(按外销口径)2、工序成本降低任务:上半年工序成本累计超支1120万元,(受产量影响)。
二、开展以下几方面工作:1、加强思想政治学习,用学习指导工作2009年是转变之年,财务的工作重心由核算向管理转变,全面参与生产经营决策。
对财会组来说,工作重心从确认、核算、报表向预测、控制、分析等管理职能转变,我们就要不断的加强政治学习,用学习指导工作,因此我们组织全组认真学习“十七大”、学习2009年马总的《财务报告》,在学习实践科学发展观活动中,反思过去,制定了2009年工作目标,使我们工作明确了方向,心里也就有了底,干起活来也就随心应手。
2、· 加强成本管理,努力降本增效随着金融危机对实体经济影响的日益加深,轧钢行业受到严重冲击。
对此,我们树立以人为本、参与科学管理的企业管理理念,推进企业的全面、协调、可持续发展,围绕工作目标,着重解决成本控制的“瓶颈”的问题。
厂通过实行躲峰生产、休眠生产、集中生产等新的方式实现集约化生产组织管理,确保两线生产全面平稳、协调运行,降低运行成本。
努力提高成材率,优化生产工艺和物流周期管理,大力降低库存,减少资金占用。
厚板线针对油品消耗比较大问题,通过换滤芯、增加油箱中的油的体外循环过滤次数等方式,降低了油品消耗,2月份厂成本比1月减低923万元,3、4、5月也都完成了目标成本。
防雷接地系统介绍一、防雷接地系统简介1 、外部防雷保护装置的组成:接闪器、引下线及接地网。
2、内部防雷保护装置的组成:等电位、电涌保护器等。
3、预防的对象:直击雷、侧击雷、雷电波侵入、雷电反击等。
前两者主要通过外部防雷保护装置实现,后两者主要通过内部防雷保护装置实现。
简图示意:防雷系统的一般施工工艺流程:二、施工流程实例解读1、基础接地网基础接地网主要是指地下室底板钢筋将所有引下线串联在一起,然后通过桩基础中的引下线导入大地的一种防护措施,实测接地电阻不大于1Ω。
(1)接地网必须与所有引下线用不小于Φ10的钢筋或圆钢连接,将所有的引下线串联在一起。
(2)接地网中如果钢筋采用绑扎,需将两搭接的钢筋进行焊接连接;交叉的钢筋连接采用不小于Φ10的钢筋或圆钢跨接连接;跨接钢筋弯曲半径不小于10d、特殊情况不小于6d。
(3)接地网焊接施工时,采用双面焊时,焊缝长度≥6d,单面焊接时焊接长度≥12d,所有焊缝必须饱满。
(4)预留强弱电井、电梯、各种机房的等电位接地点,采用40×4的镀锌扁钢。
接地网与引下线的串联连接,及其电梯强弱电井等电位的预留。
(每栋地面以上,必须留有2个以上的接地电阻测试点)接地网钢筋焊接:2、引下线(1)采用2根不小于Φ16(或4根小于Φ16且大于Φ10)的竖向钢筋与地梁钢筋、柱筋连接。
(2)跨接线采用不小于Φ10的圆钢焊接,双面焊接焊缝长度大于圆钢直径6d,单面焊大于12d,圆钢弯曲半径大于圆钢直径6d,并用油漆标记方便查找。
(3)主筋冷搭接处必须焊接、丝接必须跨接焊接,当主筋连接采用压力焊时其接头处可不焊跨接线及其它的焊接处理。
(4)一类到三类防雷建筑物引下线的间距分别不能超过12m、18m及25m。
3、等电位等电位主要包括总等电位联结(MEB)、辅助等电位联结(SEB)及局部等电位联结(LEB)。
(1)等电位联结端子板及联结线宜采用铜质材料,其截面积一定要符合规范要求。