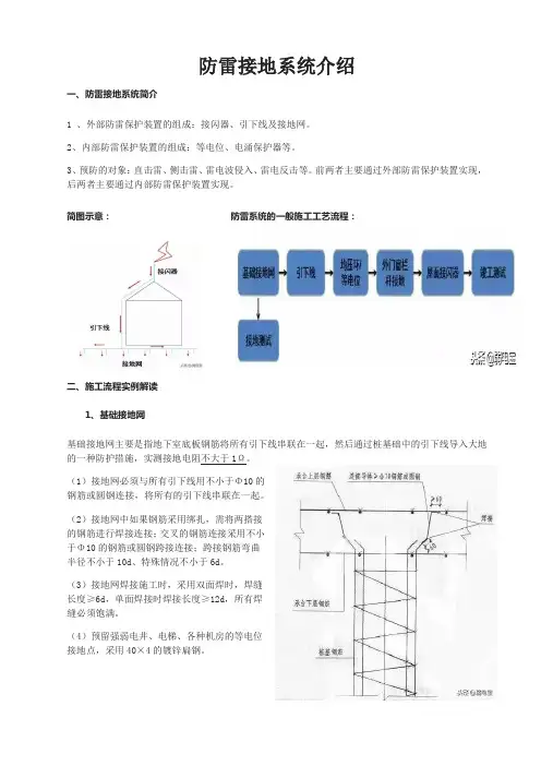
防雷接地示意图
- 格式:doc
- 大小:513.50 KB
- 文档页数:4
防雷接地系统介绍一、防雷接地系统简介1 、外部防雷保护装置的组成:接闪器、引下线及接地网。
2、内部防雷保护装置的组成:等电位、电涌保护器等。
3、预防的对象:直击雷、侧击雷、雷电波侵入、雷电反击等。
前两者主要通过外部防雷保护装置实现,后两者主要通过内部防雷保护装置实现。
简图示意:防雷系统的一般施工工艺流程:二、施工流程实例解读1、基础接地网基础接地网主要是指地下室底板钢筋将所有引下线串联在一起,然后通过桩基础中的引下线导入大地的一种防护措施,实测接地电阻不大于1Ω。
(1)接地网必须与所有引下线用不小于Φ10的钢筋或圆钢连接,将所有的引下线串联在一起。
(2)接地网中如果钢筋采用绑扎,需将两搭接的钢筋进行焊接连接;交叉的钢筋连接采用不小于Φ10的钢筋或圆钢跨接连接;跨接钢筋弯曲半径不小于10d、特殊情况不小于6d。
(3)接地网焊接施工时,采用双面焊时,焊缝长度≥6d,单面焊接时焊接长度≥12d,所有焊缝必须饱满。
(4)预留强弱电井、电梯、各种机房的等电位接地点,采用40×4的镀锌扁钢。
接地网与引下线的串联连接,及其电梯强弱电井等电位的预留。
(每栋地面以上,必须留有2个以上的接地电阻测试点)接地网钢筋焊接:2、引下线(1)采用2根不小于Φ16(或4根小于Φ16且大于Φ10)的竖向钢筋与地梁钢筋、柱筋连接。
(2)跨接线采用不小于Φ10的圆钢焊接,双面焊接焊缝长度大于圆钢直径6d,单面焊大于12d,圆钢弯曲半径大于圆钢直径6d,并用油漆标记方便查找。
(3)主筋冷搭接处必须焊接、丝接必须跨接焊接,当主筋连接采用压力焊时其接头处可不焊跨接线及其它的焊接处理。
(4)一类到三类防雷建筑物引下线的间距分别不能超过12m、18m及25m。
3、等电位等电位主要包括总等电位联结(MEB)、辅助等电位联结(SEB)及局部等电位联结(LEB)。
(1)等电位联结端子板及联结线宜采用铜质材料,其截面积一定要符合规范要求。
防雷接地图识图要点防雷接地是为了泻掉雷电电流,而对建筑物、电气设备和设施采取的保护措施。
对建筑物、电气设备和设施的安全使用是十分必要的。
建筑物的防雷接地系列,一般分为避雷针和避雷线两种方式。
电力系统的接地一般与防雷接地系统分别进行安装和使用,以免造成雷电对电气设备的损害。
对于高层建筑,除屋顶防雷外,还有防侧雷击的避雷带以及接地装置等,通常是将楼顶的避雷针、避雷线与建筑物的主钢筋焊接为一体,再与地面上的接地体相连接,构成建筑物的防雷装置,即自然接地体与人工接地体相结合,以达到最好的防雷效果。
(1)防雷的基本原理雷电是自然界中的一种放电现象。
大气中饱和水蒸气由于气候的变化,发生上升和下降的对流,在对流过程中由于强烈的摩擦和碰撞,大量的水滴聚集成带有不同电荷的雷云,大地就会感应出与雷云极性相反的电荷。
当带电云块对地电场强度达到25~30kVcm时,周围的空气会被击穿,雷云对大地发生击穿放电,这就是平时我们看到的闪电,放电时间一般为30~50µs。
因为壁垒设备上的避雷针等处于地面上建筑物的最高处,所以比较容易使雷电经避雷针和与之连接的引下线将雷电电流泻到大地中去,从而使被保护的建筑物等免受直接雷击。
① 避雷针避雷针是用来防护电气设备和较高建筑物使其避免遭受直接雷击的装置,避雷针实际上是起引雷(接闪器)作用。
因为避雷针的高度超过被保护的建筑物,所以在雷云笼罩下,它的尖端有较大的电能场,能首先将空气中的雷电电流引向尖端而泄入大地,从而避免了该处的雷云向被保护物体放电。
避雷针一般使用镀锌圆钢或使用镀锌钢管加工制成。
圆钢的直径一般不小于8mm,钢管的直径一般不小于25mm。
它通常安装在电杆或构架、烟囱、建筑物上,下端经引下线与接地装置焊接。
避雷针的长度一般不大于5m。
避雷针引下线的安装一般采用圆钢或扁钢,其规格要求为圆钢直径不小于8mm,扁钢厚度为4mm、截面积不小于48mm2。
安装在烟囱上的避雷针引下线其规格要求为圆钢直径不小于12mm,扁钢厚度为4mm、截面积不小于100mm2。