广西大学数理统计试卷2004-2005
- 格式:doc
- 大小:198.55 KB
- 文档页数:6
徐州工程学院试卷2003 — 2004 学年第 一 学期 课程名称 概率论与数理统计 试卷类型 A 考试形式 闭卷命 题 人 杨淑娥 2003 年 1 月 8 日使用班级 02财本 审 批 人 年 月 日 班 级 学 号 姓 名一、 选择题 (每小题3分,共15分)1. 将一枚硬币抛掷三次,“三次均出现正面”的概率为().A. 12B. 13C. 18D. 382. 设随机变量X 的概率密度11()0x f x -<<=⎩其他,则常数a 取值为().A. a π=B. 1a π=C. 2a π=D. 2a π=3. 设总体2~(),X n χ12,,,n X X X 是来自总体X 的一个样本,则(),()E X D X 的值为( ). A. (),()2E X n D X n == B. (),()2E X n D X == C. (),()E X n D X n ==D. (),()1E X n D X ==4. 设总体X 的方差为2σ,12,,,n X X X 是来自总体X 的样本,11ni i X X n ==∑,2211()1ni i S X X n ==--∑, 则( ). A. 22S σ是的无偏估计量 B. 2S σ是的无偏估计量 C. 2X σ是的无偏估计量D. X σ是的无偏估计量5. 设总体2~(,),,X N μσμ未知检验假设: 22220010:,:.H H σσσσ=≠相应的检验统计量是( ).A. XB. XC.(1)n Sσ- D.220(1)n S σ-二、 填空题 (每小题3分,共15分)1. 设随机事件A 和B 相互独立,且17(),(),315P A P A B ==则()P B =__________.2. 某射手进行4次独立的射击,每次击中目标的概率为0.8,恰好击中2次的概率为__________.3. 设2(),(),E X D X μσ==则{||3}P X μσ-≥≤__________.4. 设12,,,n X X X 是来自总体2(,)N μσ的样本,则~X __________,~X μσ-__________.5. 来自总体2(,0.9)N μ的容量为9的样本,样本均值 5.x =已知0.025 1.96,z =则未知参数μ的置信度为0.95的置信区间是__________.三、 (12分) 设有两箱同种零件,第一箱内装50件,其中10件为一等品; 第二箱内装30件,其中18件一等品. 现从两箱中随意挑出一箱,然后从该箱中任取一件: 1. 求这一件是一等品的概率;2. 在已知取出的是一等品的条件下,该产品取自第一箱的概率是多少?四、 (12分) 设随机变量X 的分布函数01()ln 11x F x x x e x e <⎧⎪=≤<⎨⎪≥⎩.1. 求{23};P X <<2. 求X 的概率密度().f x五、 (12分) 设随机变量X 的概率密度01()0ax b x f x +<<⎧=⎨⎩其他,且1(),3E X =1. 求常数,;a b2. 求().D X六、 (12分) 设随机变量(,)X Y 的概率密度(2)20,0(,).0x y e x y f x y -+⎧>>=⎨⎩其他1. 求边缘概率密度(),();X Y f x f y2. 问X Y 与是否相互独立?3. 求{2,1}.P X Y <<七、(12分) 设随机变量X 的概率密度101(;),0x x f x θθθ-⎧<<=⎨⎩其他设12,,,n X X X 是来自总体X 的样本,θ为未知参数. 1. 求参数θ的矩估计量; 2. 求参数θ的最大似然估计量.(10分) 某种电子元件的使用寿命X (以小时计)服从正态分布2(,),N μσ其中2,μσ均未知,现测得16只元件的平均寿命241.5,x =标准差98.7.S =问在显著性水平0.05α=下 八、 能否认为这种元件的平均寿命为225? (已知0.025(15) 2.1315t =).。
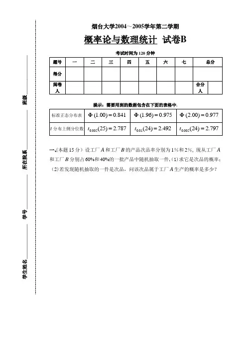
学生姓名______________ 学号______________ 所在院系________________ 班级________________烟台大学2004~2005学年第二学期概率论与数理统计 试卷B考试时间为120分钟提示:需要用到的数据包含在下面的表格中.一、(本题15分) 设工厂A 和工厂B 的产品次品率分别为1%和2%, 现从工厂A 和工厂B 分别占60%和40%的一批产品中随机抽取一件,(1)求它是次品的概率; (2)若发现随机抽取的一件是次品,问该次品属于工厂A 生产的概率是多少?二、(本题15分) 设随机变量X 的密度函数为 ⎩⎨⎧≤≤=.,0,1,ln )(其它e x x A x f 求: (1)常数A ; (2)X 落在区间),1(e 内的概率; (3)X 的分布函数.三、(本题15分) 设二维随机变量),(Y X 的联合概率密度为⎩⎨⎧<<<=.,010,,1),(其它,y y x y x f (1)求随机变量X 和Y 的(边缘)概率密度; (2)问X 与Y 是否相互独立?四、(本题15分) 设随机变量X 的概率密度函数为⎪⎩⎪⎨⎧≤≤-<≤=.,0,21,2,10,)(其它x x x x x f 试求X 的数学期望EX 和方差DX 。
五、(本题15分) 在每次试验中,事件A 发生的概率为0.5。
问在100次试验中,事件A 发生的次数在45与60之间的概率是多少?六、(本题10分) 设总体X 服从正态分布,均方差(标准差)为0.9. 从中抽取容量为9的简单随机样本,算得样本均值25=X , 试求总体X 的均值μ的置信度为0。
95的置信区间.七、(本题15分)设总体X 的概率密度函数为⎩⎨⎧<≥=--,,0,,)()(θθθx x e x f x 而n X X X ,,,21 是总体X 的简单随机样本,求θ的极大似然估计量。
广西大学研究生课程考试试卷(20 —— 20 学年度第 学期)课程名称:数理统计试卷类型:( 卷) 命题教师签名 教研室主任签名: 主管院长签名:一、填空题(本大题共5小题,每小题3分,共15分)1.设母体X 服从正态2(,)N a σ,n X X X ,,,21 为其子样,是子样平均数,则∑=-ni iX X122)(1σ的分布为__________________.2.设母体X 的数学期望μ与方差2σ都存在,n X X X ,,,21 为其子样,则μ的最小方差线性无偏估计为____________________.3.拒绝区域的边界值称为____________________.4.在双因素方差分析中,A 因素的水平有k 个,B 因素的水平有r 个,并假设无交互作用,则误差平方和的自由度为______________.5.在线性回归模型:εβββ++++=p p x x y 110中,检验回归方程是否显著成立,提出的原假设是______________________.装订线(答题不得超过此线)二.单项选择题(本大题共5小题,每小题2分,共10分)1.在其他条件不变的情况下,母体方差越大,估计需要样本容量 【 】① 越大 ② 越小 ③ 可能大,也可能小 ④ 不变2.设)(~n t T 10<<α,设)(n t α为α上侧分位数,则有 【 】① αα-=<1))((2n t T P ② αα=<))(|(|2n t T P③ αα-=>1))((2n t T P ④ αα=>))(|(|2n t T P3. 设θˆ是参数θ的无偏估计量,且0)ˆ(>θD ,则有 【 】① 2ˆθ不是2θ的无偏估计 ② 2ˆθ 是2θ的无偏估计 ③ 2ˆθ不一定是2θ的无偏估计 ④ 2ˆθ 不是2θ的估计量 4. 对一元线性回归),0(~,2σεεβαN x y ++=作F 检验,则 【 】 ① 当)2,1(-<n F F α 时,表示母体回归系数为0 ② 当)2,1(-<n F F α 时,表示母体回归系数显著小③ 当)2,1(-≥n F F α 时,表示母体回归系数为0 ④ 当)2,1(-≥n F F α 时,表示母体回归系数显著大5.在方差分析中,如果拒绝原假设,表示 【 】 ① 所检验的各母体的平均数不全相等 ② 所检验的各母体的平均数全不相等 ③ 所检验的各母体的方差不全相等 ④ 所检验的各母体的方差全不相等 三、计算题(本大题共6小题,共60分)1.(10分)设母体具有密度函数⎩⎨⎧=-0)(1θθx x f 00≤>x x ,其中θ>0;求未知参数θ的矩估计和最大似然估计。
第一卷(2011年)一、(12分)设两个独立样本X 1,…,X n , Y 1,…,Y n 分别来自总体N(μ1,σ2)和N(μ2,σ2),令222211111111,,(),()11n n n n i i X i Y i i i i i X X Y Y S X X S Y Y n n n n =======-=---∑∑∑∑, 及2,11()()1n X Y i i i S X X Y Y n ==---∑。
(1)当n=17时,求常数k使得12(0.95P X Y μμ->-+=(2)求概率22(1)XYS P S >。
二、(15分)设总体X 的密度函数为(;)f x θ=,1θ>(1)求参数θ的矩估计量θ;(2)求参数()g θ=的极大似然估计g;(3)试分析g的无偏性、有效性和相合性。
三、(10分)某生产商关心PC 机用的电源的输出电压,假设输出电压服从标准差为0.25V 的正态分布N(μ,σ2),(1)问样本容量n 为多大时,才能使平均输出电压的置信度为0.95的置信区间的长度不超过0.2V ;(2)设X 1,…,X n 是来自总体X~N(0,θ)的样本,()1max n i i nX X ≤≤=。
统计假设:H 0:θ≥3,H 1:θ<3的拒绝域为{}0() 2.5n K X =<,求假设检验犯第Ⅰ类错误的最大概率max α。
四、(10分)一药厂生产一种新的止痛片,厂方希望验证服用新药片后至开始起作用的时间间隔较原止痛片至少缩短一片,因此厂方提出检验假设: 012112:2,:2H H μμμμ=>。
此处12,μμ分别是服用原止痛片和新止痛片后至开始起作用的时间间隔的总体均值。
设两总体均为正态分布且方差分别为已知值21σ和22σ,X 1,…,X n 和 Y 1,…,Y n 是分别来自两个总体分布的相互独立样本。
试分析上述假设检验的检验统计量和拒绝域。
{1,(0,1)0,(0,1)x x ∈∈五、(15分)设样本(,)(1,2,...,)i i x y i n =满足,01ln i i i y x ββε=++,且12,,...,n εεε相互独立。
大学概率论与数理统计试题三套(附答案)南京工业大学概率论与数理统计课程考试试题(A 、闭)(2008/2009学年第二学期)院(系) ____班级 ___ 学号 __ 姓名 ___ 得分一、填空题(每空2分,计20分)1.设4.0)(=A P ,7.0)|(=A B P ,则(1)=)(AB P ______ (2)=-)(B A P______。
2. 设随机变量)1,0(~N X ,)1,0(~N Y 且Y X ,独立,则~Y X + ,~22Y X + 。
3. 设随机变量)1,0(~N X ,则=||X E ,=2EX。
4. 设随机变量X 与Y 相互独立,且均服从概率6.0=p 的0-1分布,则{}Y X P ==______。
5. 设随机变量)1.0,10(~B X (二项分布), )3(~πY (泊松分布3=λ),且X 与Y 相互独立,则)32(+-Y X E =__________;)32(+-Y XD =__________。
6.设总体),(~2σμN X ,),,,(21n X X X 是来自总体X 的样本,已知∑=-?ni i X X c 12)(是2σ的无偏估计量,则=c二、选择题(每题2分,计10分)1. 当事件A 和B 同时发生时,必然导致事件C 发生,则下列结论正确的是()(A )1)()()(-+≥B P A P C P (B )1)()()(-+≤B P A PC P (C ))()(B A P C P ?= (D ))()(AB P C P =2. 某人向同一目标独立重复射击,每次射击命中目标的概率为)10(<4次射击恰好第2次命中目标的概率为()(A ) 2)1(3p p - (B ) 2)1(6p p - (C ) 22)1(3p p - (D ) 22)1(6p p -3.设Y X ,独立, Y X ,的概率密度分别为)(),(y f x f Y X , 则在y Y =的条件下,X 的条件概率密度)|(|y x f Y X 为()(A ))()(y f x f Y X (B ))(/)(y f x f Y X (C ) )(x f X (D ))(y f Y 4. 下列结论正确的是()。
2004-2005学年第二学期概率统计试卷(A)本试卷中可能用到的分位数:8595.1)8(95.0=t ,8331.1)9(95.0=t ,306.2)8(975.0=t ,2662.2)9(975.0=t。
15分,每小题3分)1、设事件B A ,互不相容,且,)(,)(q B P p A P ==则=)(B A P 。
2、设随机变量X 的分布函数为:⎪⎪⎩⎪⎪⎨⎧≥<≤<≤--<=21216.0113.010)(x x x x x F则随机变量X 的分布列为 。
3、设两个相互独立的随机变量X 和Y 分别服从正态分布)2,1(N 和)1,0(N ,则(1)P X Y +≤= 。
4、若随机变量X 服从[1,]b -上的均匀分布,且有切比雪夫不等式2(1),3P X ε-<≥则b = ,ε=。
5、设总体X 服从正态分布)1,(μN , ),,,(21n X X X 为来自该总体的一个样本,则∑=-ni i X 12)(μ服从 分布。
(本题满分15分,每小题3分) 1、设()0,P AB =则有( )。
(A) A B 和互不相容; (B) A B 和相互独立; (C) ()0P A =或()0P B =; (D) ()()P A B P A -=。
2、设离散型随机变量X 的分布律为:()(1,2),kP X k b k λ=== 且0b >,则λ为( )。
(A)11b +;(B)11b -;(C) 1b +;(D) 大于零的任意实数。
3、设随机变量X 和Y 相互独立,方差分别为6和3,则)2(Y X D -=( )。
(A) 9;(B) 15;(C) 21;(D) 27。
4、对于给定的正数α,10<<α,设αu ,)(2n αχ,)(n t α,),(21n n F α分别是)1,0(N ,)(2n χ,)(n t ,),(21n n F 分布的下α分位数,则下面结论中不正..确.的是( ) (A )αα--=1u u ; (B ))()(221n n ααχχ-=-; (C ))()(1n t n t αα--=; (D )),(1),(12211n n F n n F αα=-5、设),,,(21n X X X (3≥n )为来自总体X 的一简单随机样本,则下列估计量中不是..总体期望μ的无偏估计量有( )。
概率论与数理统计试题练习一.填空题(每空题2分,共计60分)1、A 、B 是两个随机事件,已知0.3)B (p ,5.0)(,4.0)A (p ===A B P ,则=)B A (p ,=)B -A (p ,)(B A P ⋅= , =)B A (p 。
2、一个袋子中有大小相同的红球6只、黑球4只。
(1)从中不放回地任取2只,则第一次、第二次取红色球的概率为: 。
(2)若有放回地任取2只,则第一次、第二次取红色球的概率为: 。
(3)若第一次取一只球观查球颜色后,追加一只与其颜色相同的球一并放入袋中后,再取第二只,则第一次、第二次取红色球的概率为: 。
3、设随机变量X 服从B (2,0.5)的二项分布,则{}=≥1X p , Y 服从二项分布B(98, 0.5), X 与Y 相互独立, 则X+Y 服从 ,E(X+Y)= ,方差D(X+Y)= 。
4、甲、乙两个工厂生产同一种零件,设甲厂、乙厂的次品率分别为0.1、0.15.现从由甲厂、乙厂的产品分别占60%、40%的一批产品中随机抽取一件。
(1)抽到次品的概率为: 。
(2)若发现该件是次品,则该次品为甲厂生产的概率为: . 5、设二维随机向量),(Y X 的分布律如右,则=a,=)(X E ,Y X 与的协方差为: ,2Y X Z +=的分布律为:6、若随机变量X ~)4 ,2(N 且8413.0)1(=Φ,9772.0)2(=Φ,则=<<-}42{X P 0.815 ,(~,12N Y X Y 则+= , )。
7、随机变量X 、Y 的数学期望E(X)= -1,E(Y)=2, 方差D(X)=1,D(Y)=2, 且X 、Y 相互独立,则:=-)2(Y X E ,=-)2(Y X D 。
8、设2),(125===Y X Cov Y D X D ,)(,)(,则=+)(Y X D9、设261,,X X 是总体)16,8(N 的容量为26的样本,X 为样本均值,2S 为样本方差。
2004—2005学年第一学期《统计学基础》期末试题一、填空题(20分)1、总指数的计算形式有两种,一种是指数,一种是指数。
2、统计指标反映的是的数量特征,数量标志反映的是的数量特征。
3、统计分组的关键在于的选择。
4、在组距数列中,表示各组界限的变量值称为,各组上限与下限之间的中点数值称为。
5、变异指标的种类有、、和。
6、学生的年龄、学校设备的价值属于标志,而学生的性别、设备的种类是标志。
7、动态数列按其指标表现形式的不同分为、和平均指标三种动态数列。
8、增长量是报告期水平与基期水平之差.由于基期的不同增长量可分为增长量和________增长量.9、平均发展速度是对各期速度求平均的结果,计算方法有和累计法。
10、已知某产品产量2003年与2002年相比增长了5%,2004年与2002年相比增长了12%,则2004年与2003年相比增长了。
二、单项选择题(10分)1、某市工业企业2002年生产经营成果年报呈报时间规定在2003年1月31日,则调查期限为()。
A.一日B.一个月C.一年D.一年零一个月2、标志是说明总体单位特征的名称,标志有数量标志和品质标志,但是只有()。
A.标志值有两大类:品质标志值和数量标志值B.品质标志才有标志值C.数量标志才有标志值D.品质标志和数量标志都具有标志值3、连续调查与不连续调查的划分依据是( )。
A .调查的组织形式B .调查登记的时间是否连续C .调查单位包括的范围是否全面D .调查资料的来源 4、重点调查中重点单位是指( )。
A .标志总量在总体中占有很大比重的单位 B .具有典型意义或代表性的单位C .那些具有反映事物属性差异的品质标志的单位D .能用以推算总体标志总量的单位5、划分连续变量的组限时,相邻的组限必须( )。
A .重叠 B .相近 C .不等 D .不重叠6、总量指标是用( )表示的。
A .绝对数形式 B .相对数形式 C .平均数形式 D .百分比形式7、计算结构相对指标时,总体各部分数值与总体数值对比求得的比重之和( )。
福州大学管理学院2004-2005学年第一学期《统计学》期末统考试卷(A)课程序号:任课教师:考试时间:2004年12月学生姓名:学号:考试地点:公()室答题纸一、单项选择题(本大题共20小题,每小题1分,共20分)二、多项选择题(本大题共10小题,每小题1.5分,共15分)三、判断改错题(本大题共10小题,每小题1分,判断改错各占0.5分共10分。
1、():。
2、():。
3、():。
4、():。
5、():。
6、():。
7、():。
8、():。
9、():。
10、():。
分。
在每小题的四个备选答案1A.统计调查、统计整理、统计分析B.统计设计、统计分组、统计计算C.统计方法、统计分析、统计计算D.统计学、统计工作、统计资料2、能够进行加减乘除运算的数据的计量尺度是A.定比尺度B.定类尺度C.定序尺度D.定距尺度3、指标是说明统计总体特征的名称,标志是说明总体单位特征的名称,所以A.标志和指标之间的关系是固定不变的B.标志和指标之间的关系是可以变化的C.标志和指标都是可以用数值表示的D.只有指标才可以用数值表示4、要了解福州市居民家庭的收支情况,最适合的调查方式是A.普查B.重点调查C.典型调查D.抽样调查5、下列各项中应该采用加权算术平均法计算的是A.已知计划完成百分比和实际产值,求计划完成百分比B.已知计划完成百分比和计划产值,求计划完成百分比C.已知各企业劳动生产率和各企业产值,求计划劳动生产率D.已知生产同一产品的各企业产品单位成本和总成本,求平均单位成本6、某企业在基期老职工占60%,在报告期准备招收一批青年工人,估计新职工所占比重将比基期增加20%,假定老职工和新职工的工资水平不变,则全厂职工的总平均工资将如何变化?A.提高B.降低C.不变D.条件不够、无法判断7A.1 B.57 C.2 D.238、已知甲班学生平均成绩80分,标准差8.8分;乙班学生平均成绩70分,标准差8.4分,则A.甲班学生平均成绩的代表性高B.乙班学生平均成绩的代表性高C.两个班学生平均成绩代表性相同D.无法比较哪个班学生平均成绩代表性高9、总量指标按其反映总体的内容不同,可以分为A.总体单位总量和总体标志总量B.时期指标和时点指标C.平均指标和相对指标D.数量指标和质量指标10:A.380B.2C.2.5D.50511、定基发展速度和环比发展速度的关系是()。
1.一打靶场备有5支某种型号的枪,其中3支已经校正,2支未经校正.某人使用已校正的枪击中目标的概率为1p ,使用未经校正的枪击中目标的概率为2p .他随机地取一支枪进行射击,已知他射击了5次,都未击中,求他使用的是已校正的枪的概率(设各次射击的结果相互独立).解 以M 表示事件“射击了5次均未击中”,以C 表示事件“取得的枪是已经校正的”,则,5/3)(=C P,5/2)(=C P 又,按题设,)1()|(51p C M P -=52)1()|(p C M P -=,由贝叶斯公式)()()|(M P MC P M C P =)()|()()|()()|(C P C M P C P C M P C P C M P +=52)1(53)1(53)1(525151⨯-+⨯-⨯-=p p p.)1(2)1(3)1(3525151p p p -+--= 2.某人共买了11只水果,其中有3只是二级品,8只是一级品.随机地将水果分给C B A 、、三人,各人分别得到4只、6只、1只.(1)求C 未拿到二级品的概率.(2)已知C 未拿到二级品,求B A ,均拿到二级品的概率. (3)求B A ,均拿到二级品而C 未拿到二级品的概率.解 以,,,C B A 分别表示事件C B A ,,取到二级品,则C B A ,,表示事件C B A ,,未取到二级品.(1).11/8)(=C P(2)就是需要求).|(C AB P 已知C 未取到二级品,这时B A ,将7只一级品和3只二级品全部分掉.而B A 、均取到二级品,只需A 取到1只至2只二级品,其他的为一级品.于是.5441027234103713)|(=⎪⎪⎭⎫⎝⎛⎪⎪⎭⎫⎝⎛⎪⎪⎭⎫ ⎝⎛+⎪⎪⎭⎫ ⎝⎛⎪⎪⎭⎫ ⎝⎛⎪⎪⎭⎫ ⎝⎛=C AB P(3).55/32)()|()(==C P C AB P C AB P3.一系统L 由两个只能传输字符0和1的独立工作的子系统1L 和2L 串联而成(如图15.3),每个子系统输入为0输出为0的概率为)10(<<p p ;而输入为1输出为1的概率也是p .今在图中a 端输入字符1,求系统L 的b 端输出字符0的概率.题15.3图解 “系统L 的输入为1输出为0”这一事件(记)01(→L )是两个不相容事件之和,即),00()01()01()11()01(2121→→→→=→L L L L L 这里的记号“)11(1→L ”表示事件“子系统1L 的输入为1输出为1,其余3个记号的含义类似.于是由子系统工作的独立性得)}00()01({)}01()11({)}01({2121→→+→→=→L L P L L P L P)}00({)}01({)}01({)}11({2121→→+→→=L P L P L P L P).1(2)1()1(p p p p p p -=-+-=4.甲乙二人轮流掷一骰子,每轮掷一次,谁先掷得6点谁得胜,从甲开始掷,问甲、乙得胜的概率各为多少?解 以i A 表示事件“第i 次投掷时投掷者才得6点”.事件i A 发生,表示在前1-i 次甲或乙均未得6点,而在第i 次投掷甲或乙得6点.因各次投掷相互独立,故有.6165)(1-⎪⎭⎫⎝⎛=i i A P 因甲为首掷,故甲掷奇数轮次,从而甲胜的概率为 }{}{531 A A A P P =甲胜 +++=)()()(531A P A P A P ),(21两两不相容因 A A⎥⎥⎦⎤⎢⎢⎣⎡+⎪⎭⎫⎝⎛+⎪⎭⎫ ⎝⎛+= 426565161.116)6/5(11612=-=同样,乙胜的概率为}{}{642 A A A P P =乙胜 +++=)()()(642A P A P A P.1156565656153=⎥⎥⎦⎤⎢⎢⎣⎡+⎪⎭⎫⎝⎛+⎪⎭⎫ ⎝⎛+=5.将一颗骰子掷两次,考虑事件=A “第一次掷得点数2或5”,=B “两次点数之和至少为7”,求),(),(B P A P 并问事件B A ,是否相互独立.解 将骰子掷一次共有6种等可能结果,故.3/16/2)(==A P 设以i X 表示第i 次掷出骰子的点数,则}).6({1})7({)(2121≤+-=≥+=X X P X X P B P因将骰子掷两次共有36个样本点,其中621≤+X X 有6,5,4,3,221=+X X 共5种情况,这5种情况分别含有1,2,3,4,5个样本点,故.12/712/5136/)54321(1)(=-=++++-=B P以),(21X X 记两次投掷的结果,则AB 共有(2,5),(2,6),(5,2),(5,3)(5,4),(5,5),(5,6)这7个样本点.故.36/7)(=AB P 今有).(36/7)12/7)(3/1()()(AB P B P A P === 按定义B A ,相互独立.6.B A ,两人轮流射击,每次各人射击一枪,射击的次序为 A B A B A ,,,,,射击直至击中两枪为止.设各人击中的概率均为p ,且各次击中与否相互独立.求击中的两枪是由同一人射击的概率.解 A 总是在奇数轮射击,B 在偶数轮射击.先考虑A 击中两枪的情况.以12+n A 表示事件“A 在第12+n 轮),2,1( =n 射击时又一次击中,射击在此时结束”. 12+n A 发生表示“前n 2轮中A 共射击n 枪而其中击中一枪,且A 在第12+n 轮时击中第二枪”(这一事件记为C ),同时“B 在前n 2轮中共射击n 枪但一枪未中”(这一事件记为D ),因此)()()()(12D P C P CD P A P n ==+nn p p p p n )1()1(11-⎥⎦⎤⎢⎣⎡-⎪⎪⎭⎫ ⎝⎛=- .)1(122--=n p np注意到 ,,,753A A A 两两互不相容,故由A 击中了两枪而结束射击(这一事件仍记为A )的概率为∑∑∞=-∞=++∞=-===1122112121)1()()()(n n n n n n p np A P A P A P1122])1[()1(-∞=∑--=n n p n p p.)2(1])1(1[1)1(2222p p p p p --=---(此处级数求和用到公式.1,)1(1112<=-∑∞=-x nx x n n 这一公式可自等比级数1,110<=-∑∞=x x x n n 两边求导而得到.)若两枪均由B 击中,以)1(2+n B 表示事件 “B 在第)1(2+n 轮),2,1( =n 射击时又一次击中,射击在此时结束”. )1(2+n B 发生表示在前12+n 轮中B 射击n 枪其中击中一枪,且B 在第)1(2+n 轮时击中第2枪,同时A 在前12+n 轮中共射击1+n 枪,但一枪未中.注意到 ,,,864A A A 两两互不相容,故B 击中了两枪而结束射击(这一事件仍记为B )的概率为 ∑∞=+-+∞=--⎪⎪⎭⎫ ⎝⎛==111)1(21)1()1(1)()(n n n n n p p p p n B P B P 12112222])1[()1()1(-∞=∞=--=-=∑∑n n n np n p p p np.)2()1(])1(1[1)1(222222p p p p p --=---= 因此,由一人击中两枪的概率为222)2()1()2(1)()()(p p p p B P A P B A P --+--=+= .21pp--= 7.有3个独立工作的元件1,元件2,元件3,它们的可靠性分别为.,,321p p p 设由它们组成一个“3个元件取2个元件的表决系统”,记为2/3].[G 这一系统的运行方式是当且仅当3个元件中至少有2个正常工作时这一系统正常工作.求这一2/3][G 系统的可靠性.解 以i A 表示事件“第i 个元件正常工作”,以G 表示事件“2/3][G 系统正常工作”,则G 可表示为下述两两互不相容的事件之和:321321321321A A A A A A A A A A A A G = 因321,,A A A 相互独立,故有)()()()()(321321321321A A A P A A A P A A A P A A A P G P +++=)()()()()()()()()()()()(321321321321A P A P A P A P A P A P A P A P A P A P A P A P +++=AB124题 15.8 图35.)1()1()1(321321321321p p p p p p p p p p p p +-+-+-=8. 在如图15.8图所示的桥式结构电路中,第i 个继电器触点闭合的概率为i p ,.54321,,,,i =各继电器工作相互独立.求:(1)以继电器触点1是否闭合为条件,求A 到B 之间为通路的概率.(2)已知A 到B 为通路的条件下,继电器触点3是闭合的概率.解 以F 表示事件“A 到B 为通路”,以i C 表示事件“继电器触点i 闭合”,.54321,,,,i =各继电器工作相互独立. (1)得.()|(()|()(1111))C P C F P C P C F P F P +=而 )()|(545321C C C C C P C F P =)()()()()(54253254532C C C P C C C P C C P C C P C P --++=)()(5432543C C C C P C C C P +-543254354253254532p p p p p p p p p p p p p p p p p p +---++=)()|(432541C C C C C P C F P =543243254p p p p p p p p p -+= 故 ),1)(|()|()(1111p C F P p C F P F P -+=其中)|(1C F P 543254354253254532p p p p p p p p p p p p p p p p p p +---++=,)|(1C F P 543243254p p p p p p p p p -+=. (2)令,1i i p q -=则)()()]([1)()()|()|(35241333F P C P C C C C P F P C P C F P F C P -==.)()1(354215241F P p q q q q q q q q +--=)(F P 的表达式由(1)确定.9.进行非学历考试,规定考甲、乙两门课程,每门课考第一次未通过都允许考第二次.考生仅在课程甲通过后才能考课程乙,如两门课程都通过可获得一张资格证书.设某考生通过课程甲的各次考试的概率为1p ,通过课程乙的各次考试的概率为2p ,设各次考试的结果相互独立.又设考生参加考试直至获得资格证书或者不准予再考为止.以X 表示考生总共需考试的次数.求X 的分布律以及数学期望)(X E .解 按题意知考试总共至少需考2次而最多只考4次.以i A 表示事件“课程甲在考第i 次时通过”,以i B 表示事件“课程乙在考第i 次时通过”,2,1=i .事件}2{=X 表示考试总共考2次,这一事件只在下列两种互不相容的情况下发生,一种是课程甲、乙都在第一次考试时通过.亦即11B A 发生(此时他得到证书);另一种是课程甲在第一次、第二次考试均未通过,亦即21A A 发生(此时他不准再考).故2111}2{A A B A X ==,同样211121211}3{B B A B A A B B A X ==, 21212121}4{B B A A B B A A X ==.得X 的分布律为)(}2{2111A A B A P X P ==)()(2111A A P B A P +=)()()()(2111A P A P B P A P +=2121)1(p p p -+=;)(}3{211121211B B A B A A B B A P X P ==)(12111B A A B A P =21121)1()1(p p p p p -+-=;)(}4{21212121B B A A B B A A P X P ==)(121B A A P =)1()1(211p p p --=.)1()1(4])1()1([3])1([2)(211211212121p p p p p p p p p p p X E --+-+-+-+=)]2(1)[2(211p p p -+-=.例如,若431=p ,212=p ,则有66.2)(=X E (次).10.(1)5只电池,其中有2只是次品,每次取一只测试,直到将2只次品都找到.设第2只次品在第)5,4,3,2(=X X 次找到,求X 的分布规律(注:在实际上第5次检测可无需进行).(2)5只电池,其中2只是次品,每次取一只,直到找出2只次品或3只正品为止.写出需要测试的次数的分布律.解 (1)X 可能取的值为2,3,4,5.P X P ==}2{{第1次、第2次都取到一只次品}.1014152=⨯=P X P ==}3{{(前两次取到一只次品) (第3次取到一只次品)}=P {第3次取到一只次品|前两次取到一只次品}P ⨯{前两次取到一只次品} .102)42534352(31=⨯+⨯⨯=P X P ==}4{{(前3次取到一只次品) (第4次取到一只次品)}=P {第4次取到一只次品|前3次取到一只次品}P ⨯{前3次取到一只次品} .103)324253324253324352(21=⨯⨯+⨯⨯+⨯⨯⨯=}4{}3{}2{1}5{=-=-=-==X P X P X P X P .10/4=得分布律为X 2 3 4 5k p 101 102 103 104(2)以Y 表示所需测试的次数,则Y 的可能取值为2,3,4. .10/1}2{}2{====X P Y P}3{=Y 表示“前3次取到都是正品”或“第二只次品在第3次取到”, 故 }3{}3{}3{=+==X P P Y P 次取到的都是正品前.103102314253=+⨯⨯ .1061031011}3{}2{1}4{=--==-=-==X P X P X P Y 的分布律为Y 2 3 4k p 101103 10611.向某一目标发射炮弹设炮弹弹着点目标的距离为R (单位:10m ),R 服从瑞利分布,其概率密度为⎪⎩⎪⎨⎧≤>=-.0,0,0,252)(25/2r r er r f r R若弹着点离目标不超过5m 时,目标被摧毁.(1)求发射一枚炮弹能摧毁目标的概率.(2)为使至少有一枚炮弹能摧毁目标的概率不小于0.94,问最少需要独立发射多少枚炮弹. 解 (1)所求概率为⎰⎰-∞-==≤525/52252)(}5{dr e r dr r f R P r R .632.01|1525/2=-==--e e r(2)设发射n 枚炮弹,则这n 枚炮弹都不能摧毁目标的概率为n )632.01(-,故至少有一枚炮弹能摧毁目标的概率为n )632.01(1--.按题意需求最小的n ,使得.94.0)632.01(1≥--n即.81.2)368.0/(ln )06.0(ln ,06.0368.0=≥≤n n故最少需要独立发射3枚炮弹.12.设一枚深水炸弹击沉一潜水艇的概率为31,击伤的概率为21,击不中的概率为61.并设击伤两次也会导致潜水艇下沉.求释放4枚深水炸弹能击沉潜水艇的概率.(提示:先求击不沉的概率.)解 “击沉”的逆事件为事件“击不沉”,击不沉潜水艇仅出现于下述两种不相容的情况:(1)4枚深水炸弹全击不中潜水艇(这一事件记为A ),(2)一枚击伤潜水艇而另三枚击不中潜水艇(这一事件记为B ).各枚炸弹袭击效果被认为是相互独立的.故有,61)(4⎪⎭⎫⎝⎛=A P ,612114)(3⎪⎭⎫ ⎝⎛⨯⎪⎪⎭⎫ ⎝⎛=B P (因击伤潜水艇的炸弹可以是4枚中的任一枚),又A ,B 是互不相容的,于是,击不沉潜艇的概率为.613)()()(4=+=B P A P B A P 因此,击沉潜艇的概率为.97989.06131)(14=-=-=B A P p 13. 一盒中装有4只白球,8只黑球,从中取3只球,每次一只,作不放回抽样. (1)求第1次和第3次都取到白球的概率.(提示:考虑第2次的抽取.) (2)求在第1次取到白球的条件下,前3次都取到白球的概率. 解 以,1A ,2A 3A 分别表示1,2,3次取到白球.(1))()()]([)(321321223131A A A P A A A P A A A A P A A P +==)()|()|()()|()|(112213112213A P A A P A A A P A P A A P A A A P +=.111124118103124113102=⨯⨯+⨯⨯=(2)124102113124)()()|(13211321⨯⨯==A P A A A P A A A A P .5531106== 14.设元件的寿命T (以小时计)服从指数分布,分布函数为⎩⎨⎧≤>-=-.0,0,0,1)(03.0t t e t F t(1)已知元件至少工作了30小时,求它能再至少工作20小时的概率.(2)由3个独立工作的此种元件组成一个2/3][G 系统(参见第7题),求这一系统的寿命20>X 的概率.解 (1)由指数分布的无记忆性(参见教材)1(第56页)知所求概率为}20{}30|50{>=>>=T P T T P p .5488.0)20(16.0==-=-e F(2)由第7题知2/3][G 系统的寿命20>X 的概率为 .5730.0)23()1(3}20{232=-=+-=>p p p p p X P 15.(1)已知随机变量X 的概率密度为,,21)(+∞<<-∞=-x e x f xX 求X 的分布函数. (2)已知随机变量X 的分布函数为),(x F X 另外有随机变量⎩⎨⎧≤->=,0,1,0,1X X Y 试求Y 的分布律和分布函数.解 (1)由于⎪⎪⎩⎪⎪⎨⎧+∞<≤<<∞-=-.0,21,0,21)(x e x e x f x xX当0<x 时,分布函数,212121)()(|xx x xx xX X e e dx e dx x f x F ====∞-∞-∞-⎰⎰当0≥x 时,分布函数.2112121212121)()(0x x xx x x X X e e dx e dx e dx x f x F ---∞-∞--=-+=+==⎰⎰⎰故所求分布函数为⎪⎪⎩⎪⎪⎨⎧≥-<=-.0,211,021)(x e x e x F x xX(2),21)0(}0{}1{==≤=-=X F X P Y P .21211}1{1}1{=-=-=-==Y P Y P分布律为Yk p 21 21 分布函数为⎪⎪⎩⎪⎪⎨⎧≥<≤--<=.1,1,11,21,10)(y y y y F Y 16.(1)X 服从泊松分布,其分布律为,,2,1,0,!}{ ===-k k e k X P k λλ问当k 取何值时}{k X P =为最大. (2)X 服从二项分布,其分布律为.,2,1,0,)1(}{n k p p k n k X P k n k =-⎪⎪⎭⎫ ⎝⎛==- 问当k 取何值时}{k X P =为最大. 解 (1)由λλλλ----⨯=-==ek k e k X P k X P k k 1)!1(!}1{}{⎪⎩⎪⎨⎧><===<>=,,1,,2,1,,1,,1λλλλk k k k k 当当当 知道,当λ<k 时,}{k X P =随k 增大而递增; 当λ>k 时,}{k X P =随k 增大而递减.从而,若λ为正整数,则当λ=k 时,}1{}{-===λλX P X P 为概率的最大值,即当1-==λλk k 或时概率都取到最大值.若λ不是正整数,令的整数部分),是即λλ00]([k k =则,100+<<k k λ此时有},1{}{},{}1{0000+=>==<-=k X P k X P k X P k X P因此不难推得]}[{}{0λ===X P k X P 为概率的最大值. (2)由⎪⎩⎪⎨⎧+><=+==+<>--++=---=-==,)1(,1,,2,1,)1(,1,)1(,1)1()1(1)1()1(}1{}{p n k n k p n k p n k p k k p n p k p k n k X P k X P 当当当知道,当p n k )1(+<时, }{0k X P =随k 增大而递增; ,当p n k )1(+>时,}{0k X P =随k 增大而递减.从而,若p n )1(+为正整数,则当p n k )1(+=时,}1)1({})1({-+==+=p n X P p n X P 为概率的最大值,即当1)1()1(-+=+=p n k p n k 或时概率都取到最大值.若p n )1(+不是正整数,令])1[(0p n k +=,则1)1(00+<+<k p n k ,此时有},{}1{00k X P k X P =<-= },1{}{00+=>=k X P k X P不难推得]})1[({}{0p n X P k X P +===为概率的最大值.17.. 若离散型随机变量X 具有分布律X 1 2 … nk pn 1 n 1 … n1 称X 服从取值为n ,,2,1 的离散型均匀分布.对于任意非负实数x ,记][x 为不超过x 的最大整数.记),1,0(~U U 证明1][+=nU X 服从取值为n ,,2,1 的离散型均匀分布.证 对于,,,2,1n i =}1]{[}1]{[)(-===+==i nU P i nU P i X P .1}1{}1{nn i U n i P i nU i P =<≤-=<≤-= 证毕. 18.设),2,1(~-U X 求X Y =的概率密度. 解 X 的概率密度为⎩⎨⎧<<-=.,0,21,3/1)(其他x x f X记X 的分布函数为).(x F X 先来求Y 的分布函数).(y F Y 当0≤y 时,,0}{)(=≤=y Y P y F Y当0>y 时,}{}{)(y X y P y X P y F Y ≤≤-=≤= ).()(y F y F X X --= 将)(y F Y 关于y 求导可得Y 的概率密度)(y f Y 如下:⎩⎨⎧>-+=.,0,0),()()(其他y y f y f y f X X Y当10<<y 时, 01<-<-y .因而,3/1)(,3/1)(=-=y f y f X X 此时.3/13/1)(+=y f Y当21<<y 时, 12-<-<-y .因而,0)(,3/1)(=-=y f y f X X 此时.3/1)(=y f Y当2>y 时,,0)(,0)(=-=y f y f X X 因而.0)(=y f Y 故⎪⎩⎪⎨⎧<≤<<=.,0,21,3/1,10,3/2)(其他y y y f Y19.设X 的概率密度⎪⎪⎪⎩⎪⎪⎪⎨⎧∞<≤<≤<=.1,21,10,21,0,0)(2x xx x x f X求XY 1=的概率密度. 解 因函数x x g y 1)(==严格单调减少,它的反函数.1)(yy h =当∞<<x 0时, ∞<<y 0. 由第二章)2(公式(2.1)得Y 的概率密度为⎩⎨⎧≤∞<<'⋅=.0,0,0,)()]([y y y h y h f f X Y⎪⎩⎪⎨⎧≤∞<<⎪⎪⎭⎫ ⎝⎛=.0,0,0,112y y y y f X因而⎪⎪⎪⎩⎪⎪⎪⎨⎧∞<≤<<≤=.11,121,110,1)/1(121,0,0)(222y y y y y y y f Y 即⎪⎪⎪⎩⎪⎪⎪⎨⎧≤<∞<≤≤=.10,21,1,21,0,0)(2y y y y y f Y本题X 和X1的概率密度相同. 20. 设随机变量X 服从以均值为λ1的指数分布.验证随机变量][X Y =服从以参数为λ--e1的几何分布.这一事实表明连续型随机变量的函数可以是离散型随机变量.解 X 的概率密度为⎩⎨⎧>=-.,0,0,)(其他x e x f x X λλ,X 的值域为)(∞,0,故][X Y =的值域为},2,1,0{ ,Y 是离散型随机变量.对于任意非负整数y ,有}1{}]{[}{+<≤====y X y P y X P y Y P)1(1d +--+--==⎰y y y yx e e x e λλλλ2,1,0,))(1(==--y e e y λλ- .2,1,0,))1(1)(1( =--=--y e e y λλ-这就是说Y 服从以λ--e1为参数的几何分布.这表示一个连续型随机变量经过变换变成了离散型随机变量.21.投掷一硬币直至正面出现为止,引入随机变量 =X 投掷总次数. ⎩⎨⎧=.,0,1若首次投掷得到反面若首次投掷得到正面,Y (1)求X 和Y 的联合分布律及边缘分布律. (2)求条件概率}.1|2{},1|1{====X Y P Y X P解 (1)Y 的可能值是0,1,X 的可能值是.,3,2,1 }1{}1|1{}1,1{======X P X Y P Y X P .2/12/11=⨯= (因1=X 必定首次得正面,故).1}1|1{===X Y P 若1>k ,}{}|1{}1,{k X P k X Y P Y k X P ======.0)2/1(0=⨯=k(因,1>=k X 首次得正面是不可能的,故).,3,2,0}|1{ ====k k X Y P }1{}1|0{}0,1{======X P X Y P Y X P 0)2/1(0=⨯=(因1=X 必须首次得正面,故).0}1|0{===X Y P 当1>k}{}|0{}0,{k X P k X Y P Y k X P ====== ,3,2),2/1(1=⨯=k k (因,1>=k X 必定首次得反面,故).1}|0{===k X Y P 综上,得),(Y X 的分布律及边缘分布律如下:XY 1 2 3 4 … }{j Y P =0 0 221 321 421 (21)1 21 0 0 0 (21)}{i X P = 21 221 321 421 (1)(2).12/12/1}1{}1,1{}1|1{========Y P Y X P Y X P.0}1{}2,1{}1|2{=======X P Y X P X Y P22.设随机变量),(~λπX 随机变量).2,max(X Y =试求X 和Y 的联合分布律及边缘分布律. 解 X 的分布律为 .,2,1,0,!}{ ===-k k e k X P k λλX 的可能值是 ,2,1,0;Y 的可能值为.,4,3,2}0{}0|2{}2,0{======X P X Y P Y X P .}0{1λ-==⋅=e X P}1{}1|2{}2,1{======X P X Y P Y X P .}1{1λλ-==⋅=e X P2≥i 时}{}|{},{i X P i X j Y P j Y i X P ======,4,3,2,,0,,!},{0},{1=⎪⎩⎪⎨⎧≠==⎩⎨⎧≠=⋅==⋅=-j i j i j i e i j i X P i j i X P i λλ即得Y X ,的联合分布律及边缘分布律为 XY 0 1 2 3 4 5 … }{j Y P =2 λ-e λλ-e!22λλ-e 0 0 0 …∑=-2!i i i e λλ3 0 0 0!33λλ-e 0 0 …!33λλ-e4 0 0 0 0!44λλ-e 0 …!44λλ-e}{i X P = λ-eλλ-e!22λλ-e!33λλ-e!44λλ-e ... (1)23. 设X ,Y 是相互独立的泊松随机变量,参数分别为,,21λλ求给定n Y X =+的条件下X 的条件分布.解 }|{n Y X k X P =+=}{},{n Y X P n Y X k X P =+=+==}{},{n Y X P k n Y k X P =+-===独立性 }{}{}{n Y X P k n Y P k X P =+-==1)(2121!)()!(!2121-+----⎥⎦⎤⎢⎣⎡+-⋅=n e k n e k en kn kλλλλλλλλn k n k k k n n )(!)!(!2121λλλλ+-=- .)(2122112121kn kn kn k k n k n --⎪⎪⎭⎫ ⎝⎛+⎪⎪⎭⎫⎝⎛+⎪⎪⎭⎫ ⎝⎛=+⎪⎪⎭⎫ ⎝⎛=λλλλλλλλλλ这就是说给定n Y X =+的条件下X 的条件分布为以)/(,211λλλ+n 为参数的二项分布.24. 一教授将两篇论文分别交给两个打字员打印.以X ,Y 分别表示第一篇第二篇论文的印刷错误.设),(~λπX ),(~μπY X ,Y 相互独立.(1)求X ,Y 的联合分布律;(2)求两篇论文总共至多1个错误的概率. 解 (1)X ,Y 的联合分布律为,!!!!},{)(y x e y e x e y Y x X P y x y x μλμλμλμλ+---=⋅===.,2,1,0, =y x(2) 两篇论文总共至多1个错误的概率为})1{}0({}1{=+=+=≤+Y X Y X P Y X P}1,0{}0,1{}0,0{==+==+===Y X P Y X P Y X P).1()()()()(μλμλμλμλμλμλ++=++=+-+-+-+-e e e e25. 一等边三角形ROT (如图15.25)的边长为1,在三角形内随机地取点),(Y X Q (意指随机点),(Y X 在三角形ROT 内均匀分布).(1) 写出随机变量),(Y X 的概率密度. (2) 求点Q 的底边OT 的距离的分布密度.解 (1)因三角形ROT 的面积为4/3,故),(Y X 的概率密度为⎪⎩⎪⎨⎧--≤≤≤≤=.,0),1(3030,3/4),(其他或x y x y y x f(2)点),(Y X Q 到底边OT 的距离就是Y ,因而求Q 到OT 的距离的分布函数,就是求),(Y X 关于Y 的 边缘分布函数,现在 ,230,32134),()(3.13/<<⎪⎪⎭⎫ ⎝⎛-==⎰-y y dx y x f y f y y Y 从而⎪⎩⎪⎨⎧<<⎪⎪⎭⎫ ⎝⎛-=.,0,230,32134)(其他y y y f Y Y 的分布函数为xyo题15.25图⎪⎪⎪⎩⎪⎪⎪⎨⎧≥<≤-<=.23,1,230,3434,0,0)(2y y y y y y F Y 26. 设随机变量),(Y X 具有概率密度⎩⎨⎧>>=+-.,0,0,0,),()1(其他y x xe y x f y x(1) 求边缘概率密度).(),(y f x f Y X (2) 求条件概率密度).|(),|(||x y f y x f X Y Y X 解 (1)当0>x 时, ,)()(0)1(x y y xy x y x X e e e dy xe x f -∞==--∞+-===⎰当0>y 时,dx xe y y xe dx xey f y x x x y x y x Y ⎰⎰∞+-∞==+-∞+-+++-==)1(0)1(0)1(111)( .)1(1)1(22)1(+=+-=∞==+-y y xe x x y x 故边缘概率密度分别是⎩⎨⎧>=-.,0,0,)(其他x e x f x X ⎪⎩⎪⎨⎧>+=.,0,0,)1(1)(2其他y y y f Y(2)条件概率密度: 当0>x 时,⎪⎩⎪⎨⎧>=-+-.,0,0,)|()1(|取其他值y y e xe x y f x y x X Y⎩⎨⎧>=-.,0,0,取其他值y y xe xy当0>y 时,⎪⎩⎪⎨⎧>+=+-.,0,0,)1/(1)|(2)1(|取其他值x x y xe y x f y x Y X ⎩⎨⎧>+=+-.,0,0,)1()1(2取其他值x x e y x y x27. 设有随机变量U 和V ,它们都仅取1,1-两个值.已知 ,2/1}1{==U P}.1|1{3/1}1|1{-=-=====U V P U V P (1)求U 和V 的联合分布密度.(2)求x 的方程02=++V Ux x 至少有一个实根的概率.(3)求x 的方程0)(2=+++++V U x V U x 至少有一个实根的概率. 解 (1).6/1)2/1)(3/1(}1{}1|1{}1,1{========U P U V P V U P }1{}1|1{}1,1{-=-=-==-=-=U P U V P V U P.6/1)2/1)(3/1(}]1{1[)3/1(===-⨯=U P}1{}1|1{}1,1{==-==-==U P U V P V U P.3/1)2/1)(3/2(}1{}]1|1{1[=====-=U P U V P }1{}1|1{}1,1{-=⋅-====-=U P U V P V U P.3/1)2/1()3/2(}1{}]1|1{1[=⨯=-=-=-=-=U P U V PV U ,的联合分布密度为UV -1 1 -1 1/6 2/6 1 2/6 1/6(2) 方程02=++V Ux x 当且仅当在042≥-=∆V U 时至少有一实根,因而所求的概率为 .2/1}1{}04{}0{2=-==≥-=≥∆V P V U P P(3) 方程0)(2=+++++V U x V U x 当且仅当在0)(4)(2≥+-+=∆V U V U 时至少有一实根,因而所求的概率为.6/5}1,1{}1,1{}1,1{}0{=-==+=-=+-=-==≥∆V U P V U P V U P Pxy题 15.30图28. 某图书馆一天的读者人数)(~λπX ,任一读者借书的概率为p ,各读者借书与否相互独立.记一天读者借书的人数为Y ,求X 与Y 的联合分布律.解 读者借书人数的可能值为}{}|{},{,,,2,1,0k X P k X i Y P i Y k X P X Y Y ======≤==.,,2,1,2,1,!)1(k i k k e p p i k k i k i ==-⎪⎪⎭⎫ ⎝⎛--λλ 29. 设随机变量X 和Y 相互独立,且都服从U (0,1),求两变量之一至少为另一变量之值两倍的概率. 解 按题意知,(X,Y )在区域:}10,10|),{(<<<<=y x y x G 服从均匀分布,其概率密度为其他10,10,0,1),(<<<<⎩⎨⎧=y x y x f所求概率为}2{}2{Y X P X Y P p >+>==⎰⎰⎰⎰+12),(),(G G dxdy y x f dxdy y x f=G 1的面积+G 2的面积=1/2, G 1 ,G 2见图15.29.30. 一家公司有一份保单招标,两家保险公司竞标.规定标书的保险费必须在20万元至22万元之间.若两份标书保险费相差2千或2千以上,招标公司将选择报价低者,否则就重新招标.设两家保险公司的报价是相互独立的,且都在20万至22万之间均匀分布.试求招标公司需重新招标的概率. 解 设以X ,Y 分别表示两家保险公司提出的保费. 由假设X 和Y 的概率密度均为⎪⎩⎪⎨⎧<<=.,0,2220 ,21)(其他μμf因X ,Y 相互独立,故),(Y X 的概率密度为⎪⎩⎪⎨⎧<<<<==.,0,2220 ,2220 ,41)()(),(其他y x y f x f y x f Y X 按题意需求概率为}.2.0{≤-Y X P 画出区域:},2.0|),{(≤-Y X y x 以及矩形},2220 ,2220|),{(<<<<y x y x 如图15.30,它们公共部分的面积G 为G =正方形面积-2×三角形面积=4-1.8×1.8=0.76.所求概率=.19.02276.0=⨯oy题15.29图31. 设),0(~),,0(~2221σσN Y N X 且Y X ,相互独立,求概率}20{2112σσσσ<-<Y X P . 解 因Y X ,独立,其线性组合Y X 12σσ-仍为正态变量,而 0)()()(1212=-=-Y E X E Y X E σσσσ22212122122)()()(σσσσσσ=+=-Y D X D Y X D 故).2,0(~222112σσσσN Y X -因而 }20{2112σσσσ<-<Y X P =}202200{222121222112σσσσσσσσ-≤--<Y X P=5.0)2()0()22(222121-=-ΦΦσσσσΦ=4207.05.09207.0=-32. NBA 篮球赛中有这样的规律,两支实力相当的球队比赛时,每节主队得分与客队得分之差为正态随机变量,均值为1.5,方差为6,并且假设四节的比分差是相互独立的.问 (1)主队胜的概率有多大?(2)在前半场主队落后5分的情况下,主队得胜的概率有多大? (3)在第1节主队赢5分得情况下,主队得胜的概率有多大? 解 以)4,3,2,1(=i X i 记主队在第i 节的得分与客队在第i 节的得分之差,则有),6,5.1(~N X i ).64,5.14(~41⨯⨯∑=N X i i 记Z 为标准正态随机变量.(1)⎪⎪⎭⎪⎪⎬⎫⎪⎪⎩⎪⎪⎨⎧⨯->⨯⨯=>∑∑==646645.14}0{4141-i i i i X P X P .7889.0}7224.1{=->=Z P(2)由独立性}5{}5|0{432141>+=-=>∑∑==X X P X X P i i i i}33{123562343>=⎭⎬⎫⎩⎨⎧->⨯-+=Z P X X P.8281.0}5577.0{=>=Z P(3)}05{}5|0{432141>+++==>∑=X X X P X XP i i}5{432->++=X X X P⎭⎬⎫⎩⎨⎧-->⨯-++=185.45635.4432X X X P.4987.0}239.2{}185.9{=->=->=Z P Z P 33. 产品的某种性能指标的测量值X 是随机变量,设X 的概率密度为⎪⎩⎪⎨⎧>=-其他.,0,0,)(221x xe x f x X测量误差Y~U (εε,-),X ,Y 相互独立,求Z=X+Y 的概率密度)(z f Z ,并验证du e Z P u⎰-=>εεε202/221}{解 (1)Y 的概率密度为其他.,εεε<<-⎪⎩⎪⎨⎧=y y f Y ,0,21)(故Z =X+Y 的概率密度为⎰+∞∞--=dx x z f x f z f Y X Z )()()(仅当⎩⎨⎧<-<->εεx z x 0即⎩⎨⎧+<<->εεz x z x 0时,上述积分的被积函数不等于零,参考图15.33, 即得⎪⎪⎩⎪⎪⎨⎧≥<<-=⎰⎰+--+-其他,,,,0,21,21)(21210εεεεεεεεz dx xe z dx xez f z z x z x Z =⎪⎪⎪⎩⎪⎪⎪⎨⎧≥-<<--+---+-其他,,,,0],[21],1[21221221221)()()(εεεεεεεεz e e z e z z z (2)⎰∞=>εεdz z f Z P Z )(}{题15.33图题 15.34 图=][21221221)()(⎰⎰∞+-∞---εεεεεdz e dz e z zε21记成[Ⅰ+Ⅱ] 其中Ⅰ=⎰⎰∞-∞--=-0)(,2121du euz eu dz z εεε令Ⅱ=⎰⎰∞-∞+--=+-εεεε2)(2121du euz dzeu z 令于是εε21}{=>Z P [Ⅰ+Ⅱ]=⎰-εε202121du eu34. 在一化学过程中,产品中有份额X 为杂质,而在杂质中有份额Y 是有害的,而其余部分不影响产品的质量.设)5.0,0(~),1.0,0(~U Y U X ,且X 和Y 相互独立,求产品中有害杂质份额Z 的概率密度. 解 因,XY Z =)5.0,0(~),1.0,0(~U Y U X 且X 和Y 相互独立,于是Z 的概率密度为,d )()(1)(21-x xzf x f x z f Z ⎰+∞∞= )1(* 其中,⎩⎨⎧<<=. 0,0.1,0 ,10)(1其他x x f ,⎩⎨⎧<<=. 0,0.5,0 ,2)(2其他x x f 易知仅当⎩⎨⎧<<<<0.5,00.1,0z/x x 即⎩⎨⎧<<<<,200.1,0x z x 时,)1(*中的被积函数不等于零,参考题15.34图,即得⎪⎩⎪⎨⎧<<⋅⋅=⎰.0, 0.05,0 ,d 1210)(1.02其他z x xz f z ⎪⎩⎪⎨⎧<<=.0, 0.05,0 ,ln 201.02其他z x z ⎩⎨⎧<<-=.0, 0.05,0 ),20ln(20其他z z 35. 设随机变量),(Y X 的概率密度为⎩⎨⎧<<=-.0,,0,),(其他y x e y x f y(1) 求),(Y X 的边缘概率密度.y题 15.35 图1y 题 15.35 图2(2) 问Y X ,是否相互独立. (3) 求Y X +的概率密度).(z f Y X + (4) 求条件概率密度).|(|y x f Y X (5) 求条件概率}.5|3{<>Y X P (6) 求条件概率}.5|3{=>Y X P解 (1)⎪⎩⎪⎨⎧>==⎰∞.0, 0,,d )(其他x e y e x f -x x -y X⎪⎩⎪⎨⎧>==⎰.0, 0,,d )(0其他y ye x e y f -y y-y Y (2)Y X ,不是相互独立的. (3)⎰+∞∞-+-=.d ),()(y y y z f z f Y X仅当,0y y z <-<即⎪⎩⎪⎨⎧<>>z y y zy 02时被积函数不为零.如图15.35图1,得⎪⎩⎪⎨⎧>-==⎰+.0, 0,,d )(2/2/其他z e e y e z f -z -z zz -y Y X (4)对于,0>y⎪⎩⎪⎨⎧<<==--. 0, ,0 ,1)|(|其他y x y ye e y x f y yY X即对于固定的)0(>y y X 的条件分布是区间),0(y 上的均匀分布. (5)如图15.35图2,条件概率为}5{}5,3{}5|3{<<>=<>Y P Y X P Y X P,)d (d d 50⎰⎰⎰-=yy f xy e Y D y分子=⎰⎰⎰=5355x53d )(-e d d ex x y x-y -y,e e 3)d e (-e 35535--+-=+⎰x -x -= 分母=⎰⎰=5Y5d e (y)d y y y f -yx,1e 6d e e555+-=+-=⎰--y -y y y故.82030.0}5|3{=<>Y X P(6)⎪⎩⎪⎨⎧<<=.0, ,50 ,51)5|(|其他x x f Y X.52d 51}5|3{53===>⎰x Y X P36.设图书馆的读者借阅甲种图书的概率为p ,借阅乙种图书的概率为α,设每人借阅甲、乙图书的行动相互独立,读者之间的行动也相互独立.(1)某天恰有n 个读者,求甲、乙两种图书中至少借阅一种的人数的数学期望.解 (1)以X 表示某天读者中借阅甲种图书的人数,因各人借阅甲种图书的概率均为p ,且由题设各人是否借阅相互独立,故np X E p n b X =)(),,(~因此.(2)以A 表示事件“读者借阅甲种图书”,以B 表示事件“读者借阅乙种图书”,则就读者而言,有 ).()()()(AB P B P A P B A P -+=借阅两种图书的行动相互独立,故ααp p B P A P B P A P B A P -+=-+=⋃)()()()()(. 以Y 表示至少借阅一种图书的人数,由题设各人是否借阅相互独立,知),(~ααp p n b Y -+,故).()(ααp p n Y E -+=也可这样做.引入随机变量:⎩⎨⎧=.,0,,1种图书的任一种位读者不借阅甲、乙两若第两种图书的一种位读者至少借阅甲、乙若第i i Z in i ,,2,1 =)()(][)(,111ααp p n Z E Z E Y E Z Y ni i n i i n i i -+====∑∑∑===.这里不需假设读者之间的行动相互独立.37.某种鸟在某时间区间],0(0t 下蛋数为1~5只,下r 只蛋的概率与r 成正比.一个收集鸟蛋的人在0t 时去收集鸟蛋,但他仅当鸟窝多于3只蛋时他从中取走一只蛋.在某处有这种鸟的鸟窝6个(每个鸟窝保存完好,各鸟窝中蛋的个数相互独立).(1) 写出一个鸟窝中鸟蛋只数X 的分布率.(2) 对于指定的一只鸟窝,求拾蛋人在该鸟窝中拾到一只蛋的概率. (3) 求拾蛋人在6只鸟窝中拾到蛋的总数Y 的分布律及数学期望.(4) 求}4{},4{><Y P Y P(5) 当一个拾蛋人在这6只鸟窝中拾过蛋后,紧接着又有一个拾蛋人到这些鸟窝中拾蛋,也仅当鸟窝中多于3只蛋时,拾取一只蛋,求第二个拾蛋人拾得蛋数Z 的数学期望.解 (1)设该中鸟在],0(0t 内下蛋数为X 按题意,5,4,3,2,1,}{===r Cr r X P 其中C 为待定常数.因∑===51,1}{r r X P 即有,11551==∑=C Cr r 所以15/1=C ,因此X 的分布律为.5,4,3,2,1,151}{===r r r X P (2)因当且仅当窝中蛋数多于3时,某人从中取走一只蛋,故拾蛋人在该窝中拾取一只蛋的概率为53155154}5{}4{}3{=+==+==>X P X P X P (3)记拾蛋人在6只鸟窝中拾到蛋的总数为Y ,则)53,6(~b Y ,故518)53(6)(=⨯=Y E(4)}6{}5{}4{1}4{=-=-=-=<Y P Y P Y P Y P=6524535253565253461⎪⎭⎫ ⎝⎛-⎪⎭⎫ ⎝⎛⎪⎭⎫ ⎝⎛⎪⎪⎭⎫ ⎝⎛-⎪⎭⎫ ⎝⎛⎪⎭⎫ ⎝⎛⎪⎪⎭⎫ ⎝⎛-=0.456,(6) 第2个拾蛋人仅当鸟窝中最初有5只蛋时,他才能从该窝中拾到一只蛋,故他在一个鸟窝中拾到 一只蛋的为,31}5{===X P p 以Z 记第2个拾蛋人拾到蛋的总数,则),31,6(~b Z 故有2)31(6)(=⨯=Z E .38. 设袋中有r 只白球,r N -只黑球.在袋中取球)(r n n ≤次,每次任取一只做不放回抽样,以Y 表示取到白球的个数,求)(Y E .解 引入随机变量i X :⎩⎨⎧=,,0,,1次取球得到不是白球若第次取到白球若第i i X i ,,,2,1n i = 则n 次取球得到的白球数.21n X X X Y +++=而的分布律为次取球得到白球第i i X Nri P X P ,}{}1{=== i X 0 1 k p Nr-1 N r.,,2,1n i = 即知i X 的数学期望为NrX E i =)(.于是得Y 得数学期望为NnrN r n X E X E Y E ni i n i i =⨯===∑∑==11)()()(. 本题也可按以下方式写出Y 的表达式,从而求得)(Y E ,将球编号,引入随机变量:i X⎩⎨⎧=号白球未被取到若第号白球被取到若第i i X i ,0,,1 r i ,,2,1 = 则 r X X X Y +++= 21.事件}1{=i X 发生,表示在袋中取球n 次,若每次任取一只不放回抽样时,第i 号白球被取到.因为事件}1{=i X 可以在第一次、第二次、…、第n 次取球,这n 种两两互不相容的情况发生,且每次取到第i 号白球的概率都是N1.因此r i NnN N N X P i ,,2,1,111}1{ ==+++==, 这样N n X E i =)(,从而N nrX E Y E ri i ==∑=1)()(.39.抛一颗骰子直到所有点数全部出现为止,求所需投掷次数Y 的数学期望. 解 引入随机变量.6,5,4,3,2,1,=i X i 如下:,11=X,,2待次数等待第二不同点所需等是第一点得到后X3X 是第一、第二两点得到后,等待第三个不同点所需等待次数, 654,,X X X 的意义类似.则所需投掷的总次数为621X X X Y +++= .因第一点得到后,掷一次得第二个不同的点的概率为65,因此2X 的分布律为,,2,1,)61(65}{12 ===-k k X P k 即2X 服从参数65=p 的几何分布,又因得到两个不同的点后,掷一次得第三个不相同点的概率为64,故3X 服从参数64=p 的几何分布,其分布律为,2,1,)62(64}{13===-k k X P k同样,654,,X X X 的分布律分别为.,2,1,)63(63}{14 ===-k k X P k .,2,1,)64(62}{15 ===-k k X P k .,2,1,)65(61}{16 ===-k k X P k 因几何分布 ,2,1,)1(}{1=-==-k p p k X P k 的数学期望为(参见第四章)2(习题选解19题)pX E 1)(=. 所以∑∑==+==62161)()()()(i ii i X E X E X E Y E =7.14]1626364656[1=+++++. 40.设随机变量Y X ,相互独立.且Y X ,分别服从以βα1,1为均值得指数分布.求).(2X Ye X E -+解 )()()()(22X X e E Y E X E Ye X E --+=+ dt ee Y E X E X D ttαα-∞-⎰⋅⋅++=02)()]([)(⎰∞+-++=0)1(22111dt e t ααβαα.)1(22++=αβαα41.一酒吧间柜台前有6张凳子,服务员预测,若两个陌生人进来就坐的话,他们之间至少相隔两张凳子.(1) 若真有2个陌生人入内,他们随机地就坐,问服务员预言为真的概率是多少? (2) 设2个顾客是随机坐的,求顾客之间凳子数的数学期望.解 (1)将凳子按自左至右编号,设服务员预言为真.)(A 若第一顾客就坐于1号,则另一顾客可坐4或5或6号共三种坐法,)(B 若第一顾客就坐于2号,则另一顾客可坐在5或6号共两种坐法,)(C 若第一顾客就坐于6号,只有一种坐法.综合)(),(),(C B A 三种情况共计6种坐法.同样,若第一顾客分别就坐于6号,5号,4号,则另一顾客也有6种坐法,因此两人共有1226=⨯种坐法,若两人随机就坐共有3026=A 种坐法,故服务员预言为真的概率是523012==p .(2)若两顾客是随机坐的,以Y 记两顾客间的凳子数,则Y 可能取的值为0,1,2,3,4.可知Y 的分布律为Y 0 1 2 3 4k p155 154 153 152 151于是3415141523153215411550)(=⨯+⨯+⨯+⨯+⨯=Y E . 42.设随机变量10021,,,X X X 相互独立,且都服从),1,0(U 又设,10021X X X Y ⋅⋅⋅= 求概率}10{40-<Y P 的近似值.解 所求概率为}.1.92ln {}10ln 40{ln }10ln 40{ln }10{1001100140-<=-<=-<=<=∑∏==-i i i i X P X P Y P Y P p因n X X X ,,,21 相互独立且都服从),1,0(U 知n X X X ln ,,ln ,ln 21 也相互独立,且服从同一分布,又),1,0(~U X i 其概率密度为⎩⎨⎧<<=其他,,010,1)(x x f 故有.112)(,2d ln )(ln,1d ln )(ln 1221=-===-==⎰⎰i i i X D x x X E x x X E由中心极限定理得}1.92ln {1001-<=∑=i i X P p⎪⎪⎭⎪⎪⎬⎫⎪⎪⎩⎪⎪⎨⎧+-<-⨯-=∑=11001001.921100)1(100ln 1001i i X P.7852.0)97.0()1001001.92(=Φ=+-Φ≈43.来自某个城市的长途电话呼叫的持续时间X (以分计)是一个随机变量,它的分布函数是⎪⎩⎪⎨⎧<≥--=--.0,0,0,e21e 211)(]3[3x x x F x x (其中]3[x是不大于3x的最大整数). (1) 画出)(x F 的图形.(2) 说明X 是什么类型的随机变量.(3) 求}6{},4{},3{},4{>>==X P X P X P X P (提示)0()(}{--==a F a F a X P ).解 (1)(2))(x F 的所有不连续点为),,2,1(3 =k k X 取这些值的概率的总和为∑∑∞=∞=--==11)]03()3([}3{k k k F k F k X P∑∞=-----⎥⎥⎦⎤⎢⎢⎣⎡⎪⎪⎭⎫ ⎝⎛---⎪⎪⎭⎫ ⎝⎛--=1)133(33]33[33e 21e 211e 21e 211i k k k k∑∑∞=∞=---=-=-=111.21e )1e (21)e e (21i k kk k注意到,在)(x F 的任一连续点a 处有;0}{==a X P 又由于∑∞===121}3{k k X P ,因此,不可能取到可列多个值,,,21 x x 使得∑∞===1,1}{k kx X P 故X 不是离散型随机变量.又由于)(x F 不是连续函数,故X也不是连续型随机变量. (3) .0}4{==X P)03()3(}3{--==F F X P ⎪⎭⎫ ⎝⎛---⎪⎭⎫ ⎝⎛--=-----)11(111e 21e 211e 21e 211 .316.0)e 1(211=-=- .684.00e 21e 211}4{)4(}4{134=---==-=<--X P F X P .135.0e 21e 2111)6(1}4{222==⎪⎭⎫⎝⎛---=-=>---e F X P 44.一汽车保险公司分析一组(250人)签约的客户中的赔付情况.据历史数据分析,在未来一周中一组客户中至少提出一项索赔的客户数X 占10%.写出X 的分布,并求12.0250⨯>X (即30>X )的概率.设各客户是否提出索赔相互独立..0.0.0.00.1题15.43图解 按题意知)10.0,250(~b X .现在需要求 ∑=-⎪⎪⎭⎫ ⎝⎛=>2503125090.010.0250}30{x xx x X P 即需求 ∑=-⎪⎪⎭⎫ ⎝⎛-=>30025090.010.02501}30{x xx x X P 由拉普拉斯定理得⎪⎪⎭⎫ ⎝⎛⨯⨯⨯-Φ-≈>90.010.025010.0250301}30{X P.1469.08531.01)054.1(1=-=Φ-=45.在区间)1,0(随机地取一点X .定义}.75.0,min{X Y = (1) 求随机变量Y 的值域.(2) 求Y 的分布函数,并画出它的图形.(3) 说明Y 不是连续型随机变量, Y 也不是离散型随机变量.解 (1)因},75.0,min{X Y =故X Y ≤且.75.0≤Y 又由于X 的值域是)1,0(,知Y 的值域为]75.0,0(.(2) 由(1)知当0<y 时,0}{)(=≤=y Y P y F Y 当75.0≥y 时, .1}{)(=≤=y Y P y F Y 当75.00<≤y 时,事件}{y Y ≤表示X 是在],0(y 随机取的一点.故有⎪⎩⎪⎨⎧≥<≤<=75.0,175.00,0,0)(y y y y y F Y)(y F Y 的图形如题15.45图所示.(3) 从题15.45图看出, )(y F Y 在点75.0=y 处不连续, 故它不是连续型随机变量. )(y F Y 只有一个不连续点75.0=y .注意到在)(y F Y 的任一连续点a 处,有,0}{==a Y P 而在不连续点75.0=y 处,.25.0)075.0()75.0(}75.0{=--==Y Y F F Y P 故不可能取到可列多个值,,,21 y y 使得,1}{1==∑∞=k ky Y P 故Y 不是离散型随机变量..01题15.45图。
概率论与数理统计考试试卷(附答案)一、选择题(共6小题,每小题5分,满分30分) 1. 事件表达式B A -的意思是 ( ) (A) 事件A 与事件B 同时发生 (B) 事件A 发生但事件B 不发生 (C) 事件B 发生但事件A 不发生(D) 事件A 与事件B 至少有一件发生2. 假设事件A 与事件B 互为对立,则事件A B ( ) (A) 是不可能事件 (B) 是可能事件 (C) 发生的概率为1(D) 是必然事件3. 已知随机变量X ,Y 相互独立,且都服从标准正态分布,则X 2+Y 2服从 ( ) (A) 自由度为1的χ2分布 (B) 自由度为2的χ2分布 (C) 自由度为1的F 分布(D) 自由度为2的F 分布4. 已知随机变量X ,Y 相互独立,X ~N (2,4),Y ~N (-2,1), 则( )(A) X +Y ~P (4) (B) X +Y ~U (2,4) (C) X +Y ~N (0,5) (D) X +Y ~N (0,3)5. 样本(X 1,X 2,X 3)取自总体X ,E (X )=μ, D (X )=σ2, 则有( ) (A) X 1+X 2+X 3是μ的无偏估计(B)1233X X X ++是μ的无偏估计(C) 22X 是σ2的无偏估计(D) 21233X X X ++⎛⎫ ⎪⎝⎭是σ2的无偏估计6. 随机变量X 服从在区间(2,5)上的均匀分布,则X 的方差D (X )的值为( ) (A) 0.25(B) 3.5(C) 0.75(D) 0.5二、填空题(共6小题,每小题5分,满分30分。
把答案填在题中横线上) 1. 已知P (A )=0.6, P (B |A )=0.3, 则P (AB )= __________2. 三个人独立地向一架飞机射击,每个人击中飞机的概率都是0.4,则飞机被击中的概率为__________3. 一个袋内有5个红球,3个白球,2个黑球,任取3个球恰为一红、一白、一黑的概率为_____4. 已知连续型随机变量,01,~()2,12,0,.x x X f x x x ≤≤⎧⎪=-<≤⎨⎪⎩其它 则P {X ≤1.5}=_______.5. 假设X ~B (5, 0.5)(二项分布), Y ~N (2, 36), 则E (2X +Y )=__________6. 一种动物的体重X 是一随机变量,设E (X )=33, D (X )=4,10个这种动物的平均体重记作Y ,则D (Y )=_____________________ _______三、有两个口袋,甲袋中盛有两个白球,一个黑球,乙袋中盛有一个白球,两个黑球。
中国矿业大学硕士05级统考试卷数 理 统 计时间:120分钟 2005-12-17一.(10分)设总体X 服从正态分布(12,4)N ,今抽取容量为16的一个样本1216,,,X X X ,试问:(1)(4分)样本均值X 的绝对值大于13的概率是多少?(2)(6分)样本的极大值(16)1216max(,,,)X X X X = (最大顺序统计量)大于16的概率是多少?二.(12分)设总体X 的概率分布为其中)20(<<θθ是未知参数,利用总体X 的如下样本值 1 0 -1 0 2 2 -1 1(1)(6分)求θ的矩估计值; (2)(6分)求θ的最大似然估计值。
矩估计三.(15分)设n X X X ,,,21 是从总体X 抽取的一个样本,X 的密度函数为1,0(),00,0xe xf x x θθθ-⎧>⎪=>⎨⎪≤⎩证明样本均值X 是未知参数θ的无偏、有效、一致估计量;四.(12分)设n X X X ,,,21 是来自正态总体),(2σμN 的样本, 方差2σ未知,总体均值μ的置信度为α-1的置信区间的长度记为L ,求4()E L 。
五.(15分)为研究矽肺患者肺功能的变化情况, 某医院对,I II 期矽肺患者各25,16名测其肺活量, 得到I 期患者的平均数为2700毫升, 标准离差为150毫升; II 期患者的平均数为2830毫升, 标准离差为120毫升. 假定第,I II 期患者的肺活量服从正态分布),(211σμN 、),(222σμN , 试问在显著性水平05.0=α下, 第,I II 期矽肺患者的肺活量有无显著差异?经计算:194x = ,2141x = ,392x = ,459x = ;386x = ,21.4444x =,4218992in ij ij x ==∑∑设各测量值总体服从同方差的正态分布,试用方差分析法检验各类型电路对响应时间有无显著影响)05.0(=α?七.(20分)为进行病虫害预报, 考察一只红铃虫一代产卵量Y (单位:粒)与温度x (单位:C 0)的关系, 得到资料如下:假设Y 与x 之间有关系bx Y ae ε+=, ),0(~2σεN .经计算:26.43x =,ln 3.612y =,7215125ii x==∑,721(ln )102.43i i y ==∑,71ln 718.64i i i x y ==∑(1)(6分)求Y 对x 的曲线回归方程x b e a yˆˆˆ=; (2)(5分)求2σ的无偏估计2ˆσ; (3)(6分)对回归方程的显著性进行检验(05.0=α); (4)(3分)求当温度0x =33时,产卵量0Y 的点估计。
全国2005年4月高等教育自学考试概率论与数理统计(二)试题课程代码:02197一、单项选择题(本大题共10小题,每小题2分,共20分)在每小题列出的四个备选项中只有一个是符合题目要求的,请将其代码填写在题后的括号内。
错选、多选或未选均无分。
1.设P (A )=21,P (B )=31,P (AB )=61,则事件A 与B ( )A .相互独立B .相等C .互不相容D .互为对立事件2.设随机变量X ~B (4,0.2),则P {X>3}=( ) A .0.0016 B .0.0272 C .0.4096D .0.81923.设随机变量X 的分布函数为F (x ),下列结论中不一定成立.....的是( ) A .F (+∞)=1 B .F (-∞)=0 C .0≤F (x )≤1D .F (x )为连续函数4.设随机变量X 的概率密度为f (x),且P {X ≥0}=1,则必有( ) A .f (x)在(0,+∞)内大于零 B .f (x)在(-∞,0)内小于零 C .⎰+∞=01f(x)dxD .f (x)在(0,+∞)上单调增加 5.设随机变量X 的概率密度为f (x)=812221)x (e +-π,-∞<x<+∞,则X ~( )A .N (-1,2)B .N (-1,4)C .N (-1,8)D .N (-1,16)6.设(X ,Y )为二维连续随机向量,则X 与Y 不相关...的充分必要条件是( ) A .X 与Y 相互独立B .E (X +Y )=E (X )+E (Y )C .E (XY )=E (X )E (Y )D .(X ,Y )~N (μ1,μ2,21σ,22σ,0)7.设二维随机向量(X ,Y )~N (1,1,4,9,21),则Cov (X ,Y )=( )A .21 B .3 C .18D .368.已知二维随机向量(X ,Y )的联合分布列为( )则E (X )= A .0.6 B .0.9 C .1 D .1.69.设随机变量X 1,X 2,…,X n ,…独立同分布,且i=1,2…,0<p<1.令∑===ni i n .n ,X Y 121 ,,Φ(x )为标准正态分布函数,则=⎪⎭⎪⎬⎫⎪⎩⎪⎨⎧≤--∞→11lim n )p (np np Y P n ( ) A .0B .Φ(1)C .1-Φ(1)D .110.设总体X ~N (μ,σ2),其中μ,σ2已知,X 1,X 2,…,X n (n ≥3)为来自总体X 的样本,X 为样本均值,S 2为样本方差,则下列统计量中服从t 分布的是( ) A .221σS)n (X - B .221σμS)n (X --C .221σσμS)n (n/X -- D .22σσμSn/X -二、填空题(本大题共15小题,每小题2分,共30分)请在每小题的空格中填上正确答案。
全国2004年4月高等教育自学考试概率论与数理统计(二)试题课程代码:02197一、单项选择题(本大题共10小题,每小题2分,共20分)在每小题列出的四个备选项中只有一个是符合题目要求的,请将其代码填写在题后的括号内。
错选、多选或未选均无分。
1.设A ,B 为随机事件,且A ⊂B ,则B A 等于( ) A.A B.B C.ABD.B A2.同时掷3枚均匀硬币,则至多有1枚硬币正面向上的概率为( ) A.81 B.61C.41D.21 3.设随机变量X 的概率密度为f(x),则f(x)一定满足( ) A.0≤f(x)≤1B.⎰∞-=>Xdt )t (f }x X {PC.⎰+∞∞-=1dx )x (fD.f(+∞)=1),则P ({-2<X ≤4}-{X>2})=A.0B.0.2C.0.35D.0.555.设二维随机向量(X,Y )的概率密度为f(x,y),则P{X>1}=( ) A.⎰⎰+∞∞-∞-dy )y ,x (f dx1B.⎰⎰+∞∞-+∞dy )y ,x (f dx1C.⎰∞-1dx )y ,x (fD.dx )y ,x (f 1⎰+∞6.设二维随机向量(X,Y )~N(μ1,μ2,ρσσ,,2221),则下列结论中错误..的是( ) A.X~N (21,1σμ),Y~N (222,σμ)B.X 与Y 相互独立的充分必要条件是ρ=0C.E (X+Y )=21μ+μD.D (X+Y )=2221σ+σ7.设随机变量X ,Y 都服从区间[0,1]上的均匀分布,则E (X+Y )=( )A.61 B.21 C.1D.2 8.设X 为随机变量,其方差存在,c 为任意非零常数,则下列等式中正确的是( ) A.D(X+c)=D(X) B.D(X+c)=D(X)+c C.D(X-c)=D(X)-c D.D(cX)=cD(X)9.设E (X )=E (Y )=2,Cov(X,Y)=,61-则E (XY )=( ) A.61-B.623C.4D.625 10.设总体X~N (μ,σ2),σ2未知,且X 1,X 2,…,X n 为其样本,X 为样本均值,S 为样本标准差,则对于假设检验问题H 0:μ=μ0↔H 1:μ≠μ0,应选用的统计量是( ) A.n /S X 0μ- B.1n /X 0-σμ-C.1n /S X 0-μ- D.n/X 0σμ-二、填空题(本大题共15小题,每小题2分,共30分)请在每小题的空格中填上正确答案。
广西大学研究生课程考试试卷2004 --- 2005 学年度第二学期课程名称:数理统计试卷类型:A 卷n2121n不出现未知参数, 则称),,(21n X X X g 为统计量。
二、选择题(本大题共6小题,每小题2分,共12分)1、母体均值的区间估计中,正确的是 ( ① ) ① 置信度α-1一定时,样本容量增加,则置信区间长度变短 ② 置信度α-1一定时,样本容量增加,则置信区间长度变长 ③ 置信度α-1增大,则置信区间长度变短 ④ 置信度α-1减少,则置信区间长度变短2、对于给定的正数α,10<<α,设αz 是标准正态分布的α上侧分位数,则有( ④ )① αα-=<1)(2u U P ② αα=<)|(|2u U P③ αα-=>1)(2u U P ④ αα=>)|(|2u U P3、设n x x x ,,,21 为来自),(~2σμN X 的子样观察值,2,σμ未知,∑==ni i x n x 11则2σ的矩估计值为 ( ① )① ∑=-n i i x x n 12)(1② ∑=-n i i x x n 1)(1 ③ ∑=--n i i x x n 12)(11 ④∑=--n i i x x n 1)(11 4、在假设检验中,记0H 为原假设,则犯第二类错误是( ③ ) ① 0H 成立而接受0H ② 0H 成立而拒绝0H③ 0H 不成立而接受0H ④ 0H 不成立而拒绝0H5、假设母体X 的数学期望μ的置信度是95.0,置信区间上下限分别为样本函数),(1n X X b 与 ),,(1n X X a ,则该区间的意义是( ① )① 95.0)(=<<b a P μ ② 95.0)(=<<b X a P ③ 95.0)(=<<b X a P ④ 95.0)(=<-<b X a P μ6、线性回归分析),0(~,2σεεN bx a y ++=,b 的最小二乘估计bˆ的分布为( ④ ) ① ),(2σμN ② ),(2xxS N σμ ③ ),(2σb N ④ ),(2xxS b N σ三、计算题(本大题共7小题,共70分)1、设电视机的首次故障时间X 服从指数分布,其密度函数为⎩⎨⎧=-0)(x e x f λλ0≤>x x ,共测试7台电视机,相应的首次故障时间为2600 14900 36500 42500 54300 69700 80900(小时)求参数λ的极大似然估计量并计算其估计值。
广西大学课程考试试( —— 学年度第 学期)课程名称:概率论与数理统计 试卷库序号:6 .单项选择题(从下面各题的备选答案A 、B 、C 、D 中选择一个你认2分,共20分).一部4卷的文集随便放在书架上,恰好各卷自左向右卷号为1、2、 、4的概率是( ).A 0.5B 0.0417C 0.125D 0.25 设A 、B 为两个事件,则()()B A B A ++表示 ( )必然事件 B.不可能事件 C. A 与B 恰有一个发生 D. A 与B 不同时发生一名射手连续向某个目标射击三次,事件i A 表示第i 次()3,2,1=i 中目标,用i A ()3,2,1=i 表示三次中至多有一次击中目标是)。
A 321A A A ++B 321A A AC 323121A A A A A A ++ D.321A A A设随机变量ξ的密度函数()⎩⎨⎧≤≤><=1041 0 03x x x x x ϕ()()a p a p ≤=≥ξξ成立的常数a =( )A.421 B 42 C 21D 1-4215.假设随机变量ξ服从正态分布N(10,2)2,则有( )成立.A .()8)8(≥=-≤ξξP PB ()81)8(≤-=-≤ξξP PC ()9)9(≥=≤ξξP PD ()10)10(≥=≤ξξP P6. 样本()n X X X ,.....,,21取自总体2,,σξμξξ==D E ,则( )可以作为2σ的无偏估计。
A 当μ已知时,统计量()n X ni i /12∑=-μB 当μ已知时,统计量())1/(12--∑=n X n i i μC 当μ未知时,统计量()n X ni i /12∑=-μD 当μ未知时,统计量())1/(12--∑=n X ni i μ7.若随机变量ξ服从( ),则[]2ξξE D =。
A 正态分布B 指数分布C 二项分布D 普哇松(poisson)分布8.已知(ξ,η)的联合概率密度函数为()y x ,ϕ:则(ξ,η)关于ξ的边缘密度函数为( ).A ()dy y x ⎰+∞∞-,ϕ B ()dx y x ⎰+∞∞-,ϕC ()dxdy y x ⎰⎰+∞∞-+∞∞-,ϕ D ()dxdy y x xy⎰⎰∞-∞-,ϕ9.甲、乙两人各自投篮的命中率分别是0.8和0.7,假设两人互不影响,则.甲、乙两人都投中篮的概率是( )。
课程名称: 概率论与数理统计 以下为可能用到的数据或公式(请注意:计算结果按题目要求保留小数位数): 0.058=2.306t (),0.059=2.262t (),0.02t (20)=2.528,0.05220=2.086t (),20.058=15.507χ(),20.958=2.733χ(),..χ=2010(1)2706,..χ=2090(1)0016,0.012 2.58u =,0.0521.96u =,X YT -=,w S =2211(||0.5)c r ij ij j i ij O E E χ==--=∑∑ 一、单项选择题(共5小题, 每小题3分, 共15分).1. 将一枚均匀的硬币抛掷三次,恰有一次出现正面的概率为( c). (A) 18 (B) 14 (C) 38 (D) 122. 为了解某中学学生的身体状况,从该中学学生中随机抽取了200名学生的身高进行统计分析。
试问,随机抽取的这200名学生的身高以及数据200分别表示( b ).(A) 总体,样本容量 (B) 从总体中抽取的一个样本,样本容量(C) 个体,样本容量 (D) ,,A B C 都不正确3. 设随机变量X 服从正态分布,其概率密度函数为2(2)21()()x f x x --=-∞<<+∞,则2()E X =( c ).(A) 1 (B)4 (C) 5 (D) 84. 已知随机变量(0,1)X N ,2()Y n χ,且X 与Y 相互独立,则2X Y n (b ).(A)(,1)F n (B)(1,)F n (C)()t n (D)(1)t n -5. 设随机变量(5)t t ,且0.0525=2.571t (),则下列等式中正确的是( a ). (A) ( 2.571)0.05P t >= (B) ( 2.571)0.05P t <=(C) ( 2.571)0.05P t >= (D) ( 2.571)0.05P t <-=二、填空题(共5小题, 每小题3分, 共15分).1. 设()0.5P A =,()0.3P B =,()0.6P A B =,则()P AB =__0.3___.2. 两人约定在下午2点到3点的时间在某地会面,先到的人应等候另一人 15分钟才能离去,问他们两人能会面的概率是_____.3. 若相互独立的事件A 与B 都不发生的概率为49,且()()P A P B =,则()P A =_1/3___4. 在有奖摸彩中,有200个奖品是10元的,20个奖品是30元的,5个奖品是1000元的.假如发行了10000张彩票,并把它们卖出去.那么一张彩票的合理价格应该是__0.76元.5. 对随机变量X 与Y 进行观测,获得了15对数据,并算得相关数据:121xx l =,101xy l =,225yy l =,则样本相关系数r =_101/165____(保留二位小数).三、计算与应用题1. 设某批产品是由3个不同厂家生产的.其中一厂、二厂、三厂生产的产品分别占总量的30%、35%、35%,各厂的产品的次品率分别为3%、3%、5%,现从 中任取一件,(1)求取到的是次品的概率;0.037(2)经检验发现取到的产品为次品,求该产品是三厂生产的概率.0.492. 设随机变量X 的概率密度为2,11()0,Cx x f x ⎧-≤≤=⎨⎩其它,求常数C 以及随机 变量X 落在1(0,)2内的概率.c=3/2 p=1/16 3. 检查某大学225名健康大学生的血清总蛋白含量(单位:g/dL),算得样本均数为7.33,样本标准差为0.31.试求该大学的大学生的血清总蛋白含量的95%置信区间(结果保留二位小数).4. 为判定某新药对治疗病毒性流行感冒的疗效性,对500名患者进行了调查,结果如下:试求:(1)求表格中理论频数E,21E;12e12=232 ,e21=42(2)判断疗效与服药是否有关(结果保留三位小数)?5. 正常人的脉搏平均为每分钟72次.某职业病院测得10例慢性四乙基铅中毒患者的脉搏(单位:次/min)如下:55 68 69 71 67 79 68 71 66 70假定患者的脉搏次数近似服从正态分布,试问四乙基铅中毒患者和正常人的脉搏次数是否有显著性差异?(0.01α=)6.某公司生产两种品牌的洗发水,现分别对这两种洗发水的聚氧乙烯烷基硫酸钠含量做抽检,结果如下:甲品牌:n=10 x=3.6 21s =3.38 乙品牌:2n=12 y=2.012s =2.42若洗发水中的聚氧乙烯烷基硫酸钠含量服从正态分布,并且这两种品牌洗发水中的聚氧乙烯烷基硫酸钠含量具有方差齐性,试问这两种品牌洗发水中的聚氧乙烯烷基硫酸钠含量有无显著性差异?(0.05α=,结果保留三位小数)?欢迎您的下载,资料仅供参考!致力为企业和个人提供合同协议,策划案计划书,学习资料等等打造全网一站式需求。
广西大学研究生课程考试试卷
2004 --- 2005 学年度第二学期
课程名称:数理统计试卷类型:A 卷
命题教师签名:院长(系主任)签名:
注:考试过程不允许将试卷拆开!
一、填空题(本大题共6小题,每小题3分,共18分)
1、假设子样
9
2
1
,
,
,X
X
X 来自正态母体)
81
.0,
(μ
N,测得样本均值5
=
x,
则μ的置信度是95
.0的置信区间为。
(96
.1
025
.0
=
u)
2、假设子样
n
X
X
X,
,
,
2
1
来自正态母体)
,
(2
σ
μ
N,μ与2σ未知,计算得75
.
14
16
116
1
=
∑
=i
i
X,则原假设
H:15
=
μ的t检验选用的统计量为。
3、
某产品以往废品率为5%,今抽取一个子样检验这批产品废品率是否低于5%,
此问题的原假设为。
6、设
n
X
X
X
,
,
2
1
为母体X的一个子样,如果)
,
,
(
2
1n
X
X
X
g ,则称)
,
,
(
2
1n
X
X
X
g 为统计量。
二、选择题(本大题共6小题,每小题2分,共12分)
1、母体均值的区间估计中,正确的是 ( ① )
① 置信度α-1一定时,样本容量增加,则置信区间长度变短 ② 置信度α-1一定时,样本容量增加,则置信区间长度变长 ③ 置信度α-1增大,则置信区间长度变短 ④ 置信度α-1减少,则置信区间长度变短
2、对于给定的正数α,10<<α,设αz 是标准正态分布的α上侧分位数,则有( ④ )
① αα-=<1)(2
u U P ② αα=<)|(|2
u U P
③ αα-=>1)(2
u U P ④ αα=>)|(|2
u U P
3、设n x x x ,,,21 为来自),(~2
σμN X 的子样观察值,2
,σμ未知,∑==n
i i x n x 1
1
则2
σ的矩估计值为 ( ② )
① ∑=-n i i x x n 12)(1② ∑=-n i i x x n 1)(1 ③ ∑=--n i i x x n 12)(11 ④∑=--n i i x x n 1
)(11 4、在假设检验中,记0H 为原假设,则犯第二类错误是( ③) ① 0H 成立而接受0H ② 0H 成立而拒绝0H
③ 0H 不成立而接受0H ④ 0H 不成立而拒绝0H
5、假设母体X 的数学期望μ的置信度是95.0,置信区间上下限分别为样本函数
),(1n X X b 与 ),,(1n X X a ,则该区间的意义是( ① )
① 95.0)(=<<b a P μ ② 95.0)(=<<b X a P ③ 95.0)(=<<b X a P ④ 95.0)(=<-<b X a P μ
6、线性回归分析),0(~,2
σεεN bx a y ++=,b 的最小二乘估计b
ˆ的分布为( ④ ) ① ),(2
σμN ② ),
(2
xx
S N σμ ③ ),(2
σb N ④ ),
(2
xx
S b N σ
三、计算题(本大题共7小题,共70分)
1、设电视机的首次故障时间X 服从指数分布,其密度函数为⎩⎨⎧=-0)(x e x f λλ0
≤>x x ,共
测试7台电视机,相应的首次故障时间为2600 14900 36500 42500 54300 69700 80900(小时)求参数λ的极大似然估计量并计算其估计值。
(12分)
2、(6分)设自一大批产品中随机抽取100个样品,得一级品80个,求这批产品的一级中
率p 的置信度为95%的置信区间并说明其实际意义。
96.1025.0=u
3、(8分)研究由机器A 和B 生产的钢管的内径,随机地抽取机器A 生产的管子13根,
测得样本方差*210.34s =,抽取机器B 生产的管子18根,测得样本方差*220.29s =,设两
子样独立,且由机器A 和B 生产的钢管的内径服从正态分布),(),,(222211σμσμN N ,试
求母体方差比22
2
1σσ的置信度为90%的置信区间并解释其意义。
38.2)17,12(05.0=F
4、(14分)一个车间研究用两种不同的工艺组装产品所用的时间是否相同,让一个组的
10名工人用第一种工艺组装产品,平均所需的时间为26.1分钟,修正子样标准差为12分钟;另一组的8名工人用第二种工艺组装产品,平均所需的时间为17.6分钟,修正子样标准差为10.5分钟,已知用两种工艺组装产品所需的时间服从正态分布,问能否认为用第二种工艺组装产品所需的时间比用第一种工艺组装产品所需的时间短?
7459.1)16(,05.005.0==t α 03.4)9,9(025.0=F
5、(6分)某地区小麦的一般生产水平为亩产250kg 。
现用一种化肥进行试验,从25个
小区抽样结果为平均产量为270kg 。
修正子样标准差为30kg ,问这种化肥是否使小麦明显增产? (设小麦亩产为正态分布) 05.0=α 7109
.1)24(05.0=t
6、(14)用某公司近年来科研支出X 与利润Y 的统计资料计算得
100))((,50)(,30,56
1
6
1
2
=--=-==∑∑==i i i i i y y x x x x y x ,242)(6
1
2=-∑=i i y y
要求:(1) 建立利润Y 对科研支出X 的回归直线方程
(2) 进行显著性检验(检验水平05.0=α ,025.0t (4)=2.78)
(3)对科研支出为40个单位,对利润进行点预测和区间预测
7、(10分)为了考察温度对某种化工产品的得率的影响,选了五种不同的温度:
C A C A C A C A C
A 807570656054321=====
在每种温度下各做三次试验,测得其得率(%)如下:
检验温度对该化工产品的得率是否有显著影响。
48.3)10,4(05.0=F。