建筑工程安全监督登记表
- 格式:doc
- 大小:43.00 KB
- 文档页数:1
建设工程安全监督备案登记表1. 介绍建设工程安全监督备案登记表是根据《建设工程安全生产管理条例》的要求,由建设工程的施工单位或者其他相关责任人在工程前的筹备阶段进行备案登记的一项重要文件。
本文档将详细介绍建设工程安全监督备案登记表的格式、填写要求和注意事项。
2. 填写要求2.1 登记表标题在建设工程安全监督备案登记表上方居中填写表的标题:“建设工程安全监督备案登记表”。
2.2 项目信息在表格的第一行,从左至右填写项目信息,包括: - 建设单位:填写建设工程的责任方名称; - 工程名称:填写建设工程的具体名称; -工程地址:填写建设工程所在地的详细地址; - 开工日期:填写建设工程的开工日期; - 完工日期:填写建设工程的预计完工日期。
2.3 项目分类在表格的第二行,从左至右填写项目分类信息,包括:- 项目类型:填写建设工程的类型,如住宅楼、商业综合体等; - 工程规模:填写建设工程的规模,如建筑面积、层数等; - 建设用途:填写建设工程的用途,如办公、商业等; - 项目性质:填写建设工程的性质,如新建、改建等。
2.4 安全管理责任人信息在表格的第三行,从左至右填写安全管理责任人的信息,包括: - 姓名:填写安全管理责任人的姓名; - 证件号码:填写安全管理责任人的身份证或其他证件号码; - 联系电话:填写安全管理责任人的联系电话。
2.5 监督机构信息在表格的第四行,从左至右填写监督机构的信息,包括: - 监督机构名称:填写负责监督该建设工程安全的机构名称; - 监督机构资质证书号:填写监督机构的资质证书号; - 监督机构联系电话:填写监督机构的联系电话。
3. 注意事项3.1 填写准确性在填写建设工程安全监督备案登记表时,务必保证所填写的信息准确无误,以确保备案登记的有效性。
3.2 字体要求为了保证登记表的整体美观,建议使用统一的字体和字号进行填写,如宋体、楷体等。
3.3 完整性在填写建设工程安全监督备案登记表时,必须确保所有的必填项都填写完整,以免影响备案的有效性。
建设工程施工安全监督登记表
工程监督编号:工程报监日期:年月日
注: 1、建设单位或建设单位委托的监理单位,应当审查施工企业和现场各项安全生产条件是否符合开工要求,并将审查结果报送工程所在地建设行政主管部门。
审查的主要内容是:施工企业和工程项目安全生产保证体系、责任制度、安全监管机构建立及人员配备情况,各项安全施工措施与项目施工特点结合情况,现场文明施工、安全防护和临时设施等情况。
2、本表一式4份,建设、施工单位各1份,监督站存2份。
编号:新乡市建设工程安全监督登记表新乡市住建委监制年月日工程名称工程地点结构层次建筑规模工程造价开工时间竣工时间建设单位项目负责人电话勘察单位资质等级单位负责人电话设计单位资质等级单位负责人电话监理单位资质等级总监理工程师电话施工单位资质等级项目经理电话安全生产许可证号项目落实情况施工组织设计(方案)危险性较大的分部分项工程专项施工方案施工现场的总平面布置图和安全标志布置图施工现场三通一平、五牌一图、安全宣传标语和安全警示标志预防主要伤害发生的措施,包括;防高处坠落、防触电、防机械伤害、防物体打击、防坍塌、防火灾、防中毒文明施工的主要措施,包括:大门、围墙、场地、宣传栏、食堂、住宿、药箱、公厕临明设施安全防护设施搭设(设置)计划施工进度计划安全措施费用计划及落实证明(原件)办理工伤保险、意外伤害保险、安全生产风险抵押金的证明施工单位企业经理(法人)与项目经理鉴定的安全生产目标责任书项目入场人员安全培训情况(含分包队伍)施工现场安全生产事故应急救援预案施工单位企业(法人)、项目经理、安全管理人员名单附表2施工单位特种作业人员名单序号姓名 性 别 年龄岗 位资质 证号考核证号电 话序号 姓 名 性别 年龄工 种资质证书发证日期建设单位项目负责人及安全管理人员名单序号姓名性别年龄职务电话附表4工程监理单位人员名单序号姓名性别年龄职务资格证书电话起重机械设备及施工工具一览表序号设备名称规格型号台数生产厂家生产许可证号产品合格证号检测报告安全状况建设单位意见(盖章)项目负责人签字:年月日监理单位意见(盖章)总监理工程师签字:年月日施工企业意见(盖章)企业法人签字:年月日市建设工程安全监(盖章)督机构主管部门电话:年月日该表一式四份,均用钢笔书写清晰。
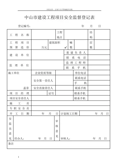
中山市建设工程项目安全监督登记表
登记编号:年月日
注:办理安监手续资料见后面
办理安全监督登记说明
1、安全生产和文明施工的施工组织设计(必须有以下内
容):
责任制、项目部与公司安全责任协议书、目标管理、现场施工管理网络、安全检查、操作规程、安全生产教育培训和文明施工措施等内容。
脚手架、基坑支护、模板工程、施工用电、起重吊装等项目的专项编制的安全施工方案
2、施工现场平面布置图应有以下内容:
施工区及生活区布置、围墙或围栏、施工机械、水电布置、材料堆放标识和排水系统等。
3、工程项目安全施工监理实施细则。
建设工程项目安全监督检查记录表(基础施工阶段)工程名称登记编号施工单位监理单位建设单位监督检查人员检查时间序号检查类别检查内容施工单位自查监理单位检查检查情况1基础工程人工成孔桩人工成孔灌注桩施工是否符合方案要求2 吊索吊具是否符合要求3 是否有防中毒、窒息、淹溺的措施4 机械成孔桩机械成孔灌注桩施工是否符合方案要求5 施工机械安全装置是否齐全有效6 安装后是否经过验收手续,并建立验收档案7基坑工程坑槽开挖设置的边坡、边坡支护是否符合设计方案8 基坑周边是否设置符合规范要求的防护栏杆9 基坑内上下爬梯是否规范要求10 堆置土方距基坑边不少于1.2弃土堆置高度不超过1.5米11 其它12施工用电如有外电是否采取防护措施13 是否形成TN—S系统14 是否采用三级配电系统,是否采用二级漏电保护系统15 漏电保护器的型号是否符合规范要求16 开关箱是否形成一机一闸一漏一箱17 现场照明是否符合规范要求18 是否组织验收和有验收记录19 其它2模板工程高大模板支撑体系是否进行专家论证(删除)21 是否按方案实施,支撑杆件是否符合规范要求22 是否组织验收和有验收记录23 是否留有未拆除的悬空模板24 其它25三宝四口是否正确使用安全帽、安全带26 临边防护是否按规范进行防护27 预留洞口是否按规范进行防护28 进料口、通道口是否按规范搭设防护棚29 钢筋作业区是否按规范搭设防护棚3 0 距建筑物周边较近达不到安全距离的设施是否采取有效防护措施31 其它32起重机械设备(塔吊)起重机械是否取得设备备案和使用登记标志、并悬挂在设备醒目位置33 建筑起重机械司机、建筑起重信号司索工是否持证上岗34 基础是否积水35 附着支撑是否按规范和方案设置36 设备限位保险装置是否齐全有效37 多塔作业的是否有防碰撞措施38 其它39施工机具是否使用国家明令禁止或者淘汰的施工机具40 安全装置是否有效41 安装后是否验收合格,并建立安装验收档案42 其它4 3 文明施工现场是否实行封闭施工44 是否在尚未竣工建筑物内设置民工集体宿舍45 材料堆放是否符合规范46 施工现场是否采取硬化措施4现场是否合理配置消防器材4 8 审查施工单位购买安全防护用具(品)、周转材料等产品的质量证明文件、检查实物质量49 其它5监理单位定期巡视检查危险性较大的工程和实施旁站监理情况51 督促、参与分部分项工程检查验收情况5 2 在实施监理过程中,发现存在安全事故隐患的,是否下达整改;情况严重的,是否要求施工单位暂时停止施工,并及时报告建设单位;施工单位拒不整改或者不停止施工的,是否向有关主管部门报告53 其它54 处理意见现场存在隐患,施工单位整改后监理单位复查□现场存在较大隐患,下发整改通知□建设单位签字:监理单位签字:施工单位签字:年月日注:1、该表主要用于基础施工过程中的现场检查;2、在施工单位自查和监理单位检查栏中,只填写检查情况。
(建筑工程安全)建设工程施工安全监督登记表建设工程施工安全监督登记表工程名称:建设单位(盖章):说明:1、本表由建设单位填写,壹式六份,市建设和管理局、建设单位、施工单位、监理单位各壹份,厦门市建设工程质量安全监督站存二份。
2、如壹次申报多个单位工程,应附单位工程明细表(单位工程名称、结构类型、层数、面积、造价、电梯台数、项目经理、专职安全员)。
3、办理地点:斗西路209号电控大厦5楼厦门市建设工程质量安全监督站厦门市建设工程质量安全监督站印制建设单位质量安全责任《建设工程质量管理条例》第七条建设单位应当将工程发包给具有相应资质等级的单位。
建设单位不得将建设工程肢解发包。
第八条建设单位应当依法对工程建设项目的勘察、设计、施工、监理以及和工程建设有关的重要设备、材料等的采购进行招标。
第九条建设单位必须向有关的勘察、设计、施工、工程监理等单位提供和建设工程有关的原始资料。
原始资料必须真实、准确、齐全。
第十条建设工程发包单位不得迫使承包方以低于成本的价格竞标,不得任意压缩合理工期。
建设单位不得明示或者暗示设计单位或者施工单位违反工程建设强制性标准,降低建设工程质量。
第十壹条建设单位应当将施工图设计文件报县级之上人民政府建设行政主管部门或者其他有关部门审查。
施工图设计文件审查的具体办法,由国务院建设行政主管部门会同国务院其他有关部门制定。
施工图设计文件未经审查批准的,不得使用。
第十二条实行监理的建设工程,建设单位应当委托具有相应资质等级的工程监理单位进行监理,也能够委托具有工程监理相应资质等级且和被监理工程的施工承包单位没有隶属关系或者其他利害关系的该工程的设计单位进行监理。
下列建设工程必须实行监理:(壹)国家重点建设工程;(二)大中型公用事业工程;(三)成片开发建设的住宅小区工程;(四)利用外国政府或者国际组织贷款、援助资金的工程;(五)国家规定必须实行监理的其他工程。
第十三条建设单位于领取施工许可证或者开工方案前,应当按照国家有关规定办理工程质量监督手续。