耐湿热性检验规程
- 格式:docx
- 大小:29.81 KB
- 文档页数:2
湿热试验标准嘿,你知道湿热试验不?那可老重要啦!湿热试验,就像一场对产品的严峻考验。
这就好比把产品扔进一个大蒸笼里,看看它能不能经得住高温高湿的折磨。
要是产品在这湿热的环境下都能安然无恙,那质量肯定杠杠的。
先说温度和湿度的设置吧。
这可不是随便定的,得根据不同的产品和使用环境来确定。
要是温度太高,产品可能会被烤坏;要是湿度太大,产品又可能会生锈或者短路。
这就像给人穿衣服,得合适才行。
穿多了热得慌,穿少了又会冷。
所以湿热试验的温度和湿度得恰到好处,才能真正考验出产品的质量。
试验时间也很关键呢。
不能太短,太短了可能看不出问题;也不能太长,太长了浪费时间和资源。
这就像跑步比赛,得有个合适的距离,才能分出胜负。
要是跑太短,大家都不累,分不出谁厉害;要是跑太长,大家都累趴下了,也没意思。
所以湿热试验的时间得拿捏得准准的。
还有啊,试验过程中的观察也不能马虎。
得时刻盯着产品,看看有没有出现什么异常情况。
这就像看孩子一样,得细心留意着,不能让孩子出问题。
要是发现产品有问题,就得赶紧记录下来,分析原因,找出解决办法。
这可不是闹着玩的,要是不及时发现问题,等产品到了用户手里,那可就麻烦大了。
你想想看,要是没有湿热试验,那产品的质量能有保障吗?肯定不能啊!就像没有经过考试的学生,你能放心让他毕业吗?所以湿热试验是非常必要的,它能让我们知道产品在恶劣环境下的表现,从而提高产品的质量和可靠性。
总之,湿热试验标准严格,温度湿度设置恰当、时间合适、观察仔细,确保产品质量。
我的观点结论是:湿热试验标准重要,关乎产品质量,温度湿度、时间、观察皆需严谨对待。
恒定湿热试验标准
恒定湿热试验标准是一种用于评估材料在恒定湿热环境下的综
合性能的量化分级系统。
它提供了一个有效的工具,以保证材料的长期性能稳定性,减少恒定湿热环境下材料发生损坏的风险。
恒定湿热试验标准旨在通过建立一个有效的分级系统,以提高材料在恒定湿热条件下的性能,以及确定给定材料针对恒定湿热环境的耐受性。
该标准使材料可以更准确地把握所处环境的性能要求,并可以对材料的使用寿命进行更精确的估计。
恒定湿热试验标准的基础是使用恒定湿热条件下的实验结果,评估材料的性能以及耐受性。
实验在固定的湿热条件下进行,比如温度、湿度、气压等,其目的是测量在该温度及湿度下,材料的表观、力学性能的变化。
恒定湿热试验标准分为几个等级,每个等级都有其特定的标准。
例如,封装等级3表示材料在恒定湿热环境中,可以持续保持安全使用至少3年。
另一方面,湿热稳定性等级1代表材料在湿热环境中的极限耐受性,例如开裂、松动、变形等。
恒定湿热试验标准的建立可以确保材料在恒定湿热条件下的性
能可预期。
它还为设计者提供了一种灵活有效的方法,来验证材料是否符合建筑设计要求。
通过严格按照恒定湿热试验标准执行测试,可以确保每一种材料都具有所需的道路结构和材料抗湿热性,从而确保道路建设长期稳定、可靠、牢固,对不同环境恒定湿热条件的耐受性也有较高的要求。
此外,恒定湿热试验标准可以帮助用户及早发现材料的不良变化,从而有效地保护环境和设备的安全,避免可能出现的意外损害。
因此,材料的恒定湿热试验标准是确保材料在恒定湿热环境中正常使用的
关键因素,也是确保道路建设长期安全、可靠的重要保证。
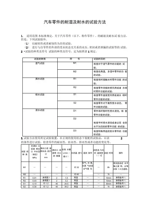
汽车零件的耐湿及耐水的试验方法1.适用范围本标准规定,关于汽车零件(以下,称作零件)。
的耐湿及耐水试验方法。
但是,下列试验除外。
(1)以耐侯性或者耐蚀性为目的试验。
(2)进行与自零件的外部的受水状态无关系的水压,密封或者泄漏的试验等的试验。
2 •试验的种类及符号试验的种类及符号,定为按照表1规定。
3.试验方法使用所定试验装置,在正规的使用状态下装配的试验品,以表2的条件进行试验,检查零件的耐水性,防水性,排水性或者功能的变化等。
表 2 (续)试验 的种 类 在洒水 口或者 喷水口 中水压 (表压) MPa 洒水口或 者喷水品 的尺寸 mm洒水口 或者喷 水口的 数量全放水量 L/min (最 小) 水的温 度'C 湿润 条件 试验品 与水的 温度差 (1)C 试验 时间 操作D1 — — — — 参照备 考2.— —5min 水浸泡到试 验品上表面 上为止。
D2 — — — — — — 约3010min 使试验品的 上表面浸泡 在水深100mm 的位 置上。
D3 — —— — — 约5010min 使试验品的 上表面浸泡 在水深100mm 的位 置上。
注(»所谓温度差,说的是水的温度比试验品的温度高的场合。
备考1.关于洒水试验和喷水试验,将试验品装配在自个有图1所示的那种洒水 口或者喷水口的放水管约400mm 的距离上,以XX 轴作为中心,以每分钟约23 次的比率使放水管旋转。
另外,试验品在对垂直轴的旋转,以每分钟约 17次的比率旋转。
但是,试 验品的旋转,可以按照交接当事者间的协议省略。
图1单位mm2. 浸水试验D1的水的温度,是比试验品的温度低 10C 以上的温度。
3. 湿气试验,使用密封容器。
4. 特别需要的场合,把表2的试验时间定为1周,也可以按照交接当事者 间的协议次数连续重复进行。
5. 构造上设有通气口或者排水口等,根据必要,也可以把口关闭进行试验。
g试验品。
建筑防火涂料(板)工程设计;施工与验收规程1 总则1.0.1为了合理地进行建筑防火涂料(板)工程的设计、施工与验收,确保建筑防火涂料(板)工程质量,减小建筑火灾的危险与危害,有效保障人民的生命财产安全,制定本规程。
1.0.2 本规程适用于本市行政区域内新建、改建和扩建的工业与民用建筑工程中钢结构构件、混凝土结构构件以及可燃性基材的防火涂装及防火保护的设计、施工与验收。
本规程不适用于木结构建筑中建筑防火涂料(板)的设计、施工与验收。
1.0.3建筑防火涂料(板)工程的设计、施工与验收,除执行本规程的规定外,尚应符合国家、行业及本市现行相关标准的规定。
2 术语2.0.1建筑防火涂料fire-retardant coating of building施涂于建(构)筑物中的结构构件或可燃性基材表面以提高结构构件的耐火极限或提高可燃性基材燃烧性能等级的材料。
建筑防火涂料包括钢结构防火涂料、混凝土结构防火涂料、饰面型防火涂料、阻燃处理剂。
2.0.2 钢结构防火涂料fire resistive coating for steel structure施涂于建(构)筑物中的钢构件表面,能形成耐火隔热保护层以提高钢结构耐火极限的涂料。
2.0.3膨胀型钢结构防火涂料intumescent fire resistive coating forsteelstructure施涂于建(构)筑物中的钢构件表面,涂层在高温时能够膨胀发泡形成耐火隔热保护层的防火涂料。
2.0.4 非膨胀型钢结构防火涂料non-intumescent fire resistivecoating for steel structure施涂于建(构)筑物中的钢构件表面,涂层在高温时不发生膨胀发泡,其自身成为耐火隔热层的防火涂料。
2.0.5混凝土结构防火涂料fireproof coatings for concrete structure涂覆在石油化工储罐区防火堤等建(构)筑物和公路、铁路、城市交通隧道混凝土表面,能形成耐火隔热保护层以提高其结构耐火极限的涂料。
喷塑件的耐湿热性能检验规程与标准一、实验题目喷塑件的耐湿热性能检验二、实验目的漆膜对高温高湿环境作用的抵抗能力三、实验原理耐湿热性实验是一种主要利用实验设备人工模拟高温高湿环境条件来考核产品或金属材料耐高温高湿性能的环境试验。
四、实验用品1.样品制备①金属管截取20cm喷塑钢管样品3段,将表面油污清理干净,保持干燥。
②护栏板取样三片,样品大小70mm*150mm。
用18号缝纫机针,将涂层划成长120mm的交叉对角线,划痕深度至钢铁基体,对角线不贯穿对角,对角线端点与对角线等距离。
2.实验仪器试剂调温调湿箱符合GB/T6682规定的纯度,至少为3级水五、操作步骤1.预先将高低温湿热交变试验箱的温度调节至47±1℃、湿度调至(96±2)%,样品垂直放置于试验箱搁板上。
当温度和湿度达到设定值时,开始计算试验时间。
(也可采用其他商定的温湿度和试验时间)。
实验过程中样板表面不应有凝露产生。
2.连续试验48h检查一次,两次检查后,每隔72h检查一次,每次检查后试样应变换位置。
3.试板检查时不得在表面留下指印,在光线充足或灯光直接照射下与标准板比较,结果以3块试板中级别一致的两块为准。
4.试板四周边缘、板孔周围5mm以内及外来因素引起的破坏现象不做考查。
5.试验时间①双方约定的时间②双方约定的停止指标六、结果评定分析实验结果按GB/T1766中相关规定进行:要求试验后的塑层表面没有任何生锈、起泡、脱落、开裂、变色等不良现象,也没有任何基材腐蚀迹象。
即为表1中综合破坏等级1。
1、受试产品必要的全部细节2、注明所依据的标准编号3、实验结果4、所用湿热箱的类型5、设备是连续方式还是非连续方式(非连续方式时要说明频率)6、试验的时间7、与规定试验方法的任何不同之处8、实验日期及时间9、实验人。
试验箱湿热试验的标准程序1. 简介试验箱湿热试验是一种对产品在高温高湿条件下进行耐久性测试的方法。
该试验方法可用于检测产品在潮湿环境下的耐受程度和耐受性能。
湿热试验箱可以模拟各种不同的潮湿条件,并使用加热器和冷却器来控制温度。
本文将介绍试验箱湿热试验的标准程序。
2. 设备和材料进行试验箱湿热试验需要以下设备和材料:•湿热试验箱•稳定的电源•温度计和湿度计3. 试验步骤下面是进行试验箱湿热试验的标准程序:步骤1:准备设备将试验箱设在符合要求的温度范围内,并对准备好的设备进行机械和电气检查。
检查完成后,进行相应的设备调整,以便能够稳定并准确地模拟所需的条件。
步骤2:准备样品准备待测样品并将其放置到试验箱中。
注意,样品的位置应在试验箱中心,并且样品之间应保持足够的距离,以便空气循环平衡并最大程度地保证温度和湿度的均匀性。
步骤3:设定实验条件根据需要,设置试验所需的条件。
这包括设定适当的温度和湿度范围,并将它们调整到合适的水平。
步骤4:开始试验开始试验,并确保样品在试验过程中保持在设定的条件下。
在进行试验期间,应记录样品的温度和湿度,并每隔一段时间对其进行检查,以确保它们仍在试验范围内。
步骤5:结束试验试验结束后,关闭试验箱并将样品取出。
对于某些应用程序,可能需要进行进一步的测试或分析,以便确定样品的准确性和性能。
4. 结论试验箱湿热试验是评估产品特征和性能的重要方法。
本文介绍了进行试验箱湿热试验的标准程序,包括准备设备,准备样品,设定试验条件,开始试验和结束试验等步骤。
在进行试验过程中,应严格遵守相关规定,确保样品能够稳定和准确地模拟所需条件,并记录并分析试验结果。
耐湿热试验方法
1. 嘿,你知道耐湿热试验方法有哪些神奇之处吗?比如说,把一个产品放到像热带雨林那样潮湿闷热的环境里!就像让它经历一场残酷的生存挑战。
想象一下,手机在这样的环境下还能不能正常工作呀?
2. 哇哦,耐湿热试验方法可不简单呢!就好像是让东西去参加一场“湿热大考”。
好比把面包放在又湿又热的地方,看看它会不会变质,这多有意思啊!
3. 哎呀呀,你难道不想了解下耐湿热试验方法到底是怎么做的吗?就像是给物品来一场特殊的“湿热旅行”。
就像把玩具放在那种环境里,怎么检测它能不能扛得住呢?
4. 嘿呀,耐湿热试验方法简直太重要啦!这好比是给产品打造一副“湿热铠甲”。
比如说电脑的零件要经过这样的考验,才能知道它的质量好不好呢,不是吗?
5. 哇,耐湿热试验方法真的很奇妙呀!就仿佛是让物体经历一场“湿热冒险”。
就像把一本书放在那样的环境中,它会不会发皱损坏呢?
6. 咳咳,耐湿热试验方法可不能小瞧啊!这就像是给东西出了一道“湿热难题”。
像那些精密的仪器,得通过这样的测试才能证明它们的厉害之处呀!
我的观点结论:耐湿热试验方法真的非常关键,通过各种有趣的类比可以发现它对于检验产品在特殊环境下的性能有着重要作用,我们应该重视和了解这些方法。
ASTM D 2247100%的相对湿度下涂层耐水性的测试方法1 范围(1)本测试包括将涂层的样品置于100%的相对湿度下使样品水分凝结这种测试涂层耐水性方法的基本原理和操作步骤。
(2)本测试仅包括测量方法,控制条件和在100%相对湿度下的操作步骤,并没有具体列出样品的制备,具体测试条件和结果的评测。
(3)在SI单元中所列的数值为标准数值,括号中的数值仅作参考。
(4)本标准并未提及使用过程中的所有安全事项,使用者在使用之前有责任进行安全测试以确保一些基本限制的可行性。
2 参考文献ASTM标准D609 测试油漆,转换涂层和相关土层产品用的冷轧钢板的制备D610 油漆过的钢铁铁锈增加程度的测试方法 D 714 油漆的起泡增加程度的测试方法D 823 测试样板上油漆,转换涂层和相关涂层产品的涂层均匀厚度的测试方法 D 870 用清水浸泡法测试涂层防水性的测试方法D1193 试剂水的标准D 1654 在有腐蚀性的环境下油漆或涂装过的样品性能的检测 D 1730 油漆中铝和铝合金表面的制备的测试 D 1735 用水雾仪测试涂层防水性的测试方法D 2616 用灰度测试来评测可见的颜色变化的测试方法 D 3359 通过粘带试验测试附着力的方法D3363 通过铅笔法测试薄膜厚度的方法D4541 通过移动式附着力测试仪测试涂层脱落强度的方法D4585 用控制冷凝测试涂层防水性的方法3 测试要点把样品放入一个充满加热的饱和空气和水蒸气的混合物的密封室中,一般室内温度维持在380C(100 OF),在100%相对湿度下,样品与周围水蒸气的微小温差会使样品有水珠凝结,通过改变试验进行的时间可以调节外部的条件变化,水珠渗入到涂层中,渗入的速度由涂层本身的性能决定,应当注意颜色变化,起泡,附着力下降,软化,脆化等效应4 重要性与使用(1)水分可以另涂层降解,因此了解涂层的耐水性在预测其使用寿命时很有帮助,2014全国一级建造师资格考试备考资料真题集锦建筑工程经济建筑工程项目管理建筑工程法规专业工程管理与实务在100%相对湿度下涂层性能变化,可能由于涂层本身的减少,底材的沾污,表面制备不完全等多种原因造成,因此这个试验对于评测涂层或整个涂层体系也是相当有用的。
第1篇一、目的为确保温湿度测试的准确性和可靠性,保障实验、生产及储存环境的质量,特制定本操作规程。
二、适用范围本规程适用于公司内部所有涉及温湿度测试的场合,包括但不限于实验室、生产车间、仓储区域等。
三、职责1. 质量管理部门负责制定和修订本规程,并对执行情况进行监督。
2. 各部门负责按照本规程进行温湿度测试,并确保测试数据的准确性和及时性。
3. 仪器设备管理人员负责仪器的维护、保养和校准。
四、测试工具及设备1. 温湿度计:选用经认证合格的温湿度计,测量范围满足实际需求。
2. 记录本:用于记录测试时间、地点、测试数据等信息。
3. 计算器:用于计算平均值、最大值、最小值等数据。
五、操作步骤1. 准备工作a. 检查温湿度计是否正常工作,包括显示、按键等。
b. 清洁测试环境,确保测试区域无干扰因素。
c. 准备记录本和计算器。
2. 测试方法a. 根据测试需求,确定测试点数量和分布。
b. 将温湿度计放置在测试点,确保仪器稳定,避免振动。
c. 按下温湿度计的测量按钮,读取温度和湿度值。
d. 记录测试时间、地点、温度和湿度值。
3. 数据处理a. 将测试数据输入计算器,计算平均值、最大值、最小值等。
b. 分析测试数据,判断测试环境是否符合要求。
4. 结果记录a. 将测试数据、测试时间、地点等信息记录在记录本上。
b. 将测试结果上报质量管理部门。
六、注意事项1. 测试过程中,避免仪器受到碰撞、振动等干扰。
2. 测试环境应保持清洁、干燥,避免潮湿、污染等因素影响测试结果。
3. 仪器设备应定期进行校准,确保测试数据的准确性。
4. 测试人员应熟悉本规程,掌握测试方法。
七、异常处理1. 若温湿度计出现故障,应及时上报,由仪器设备管理人员进行维修或更换。
2. 若测试数据异常,应重新进行测试,分析原因,并采取措施予以解决。
八、附则本规程由质量管理部门负责解释,自发布之日起实施。
如有未尽事宜,可根据实际情况予以修订。
第2篇一、目的为确保温湿度测试的准确性和可靠性,本规程规定了温湿度测试的操作流程、仪器设备、环境要求等内容。
湿度热测试的国家标准湿度热测试是一种用于确定材料、产品或设备在高湿度和高温环境下的性能的测试方法。
在不同的国家和地区,对于湿度热测试的标准可能有所不同。
本文将对湿度热测试的国家标准进行深入探讨,帮助读者对该测试方法有更全面、深刻和灵活的理解。
1. 美国标准 (ASTM)湿度热测试在美国的标准由美国材料和试验协会(ASTM) 制定和管理。
ASTM的湿度热测试标准主要包括两个方面:湿热循环测试和恒温湿度暴露测试。
1.1 湿热循环测试湿热循环测试是通过在高湿度和高温之间进行循环变化,评估材料、产品或设备在湿热条件下的耐久性和性能。
ASTM D5894是用于聚合物材料湿热循环测试的标准,它规定了测试的条件、周期和评估方法。
湿热循环测试通常包括连续的高温高湿度暴露和恢复期。
在测试期间,样品将暴露于恶劣环境中,以模拟实际使用条件下的影响。
通过重复湿热循环测试,可以评估材料、产品或设备在长期湿热环境中的性能稳定性。
1.2 恒温湿度暴露测试恒温湿度暴露测试是通过在特定的湿度和温度条件下暴露样品,来评估其在湿度环境中的性能表现。
ASTM D2247是美国用于恒温湿度暴露测试的标准,它规定了测试的条件和评估方法。
恒温湿度暴露测试通常在恒定的湿度和温度环境中进行。
通过暴露样品一段特定的时间后,可以评估其表面外观、尺寸稳定性、质量变化等性能。
该测试方法可用于评估材料、产品或设备在湿度环境下的耐久性和可靠性。
2. 欧洲标准 (EN)欧洲标准委员会 (CEN) 负责制定和管理湿度热测试的相关标准。
在欧洲,湿度热测试的标准主要由EN ISO、EN IEC和EN 60068系列标准覆盖。
2.1 EN ISO标准EN ISO标准主要用于湿热循环测试和湿度恒温暴露测试。
EN ISO 6270-2是用于湿热循环测试的标准,它规定了测试的条件和评估方法。
EN ISO 6270-2可用于评估涂料和涂层在湿热环境中的性能稳定性。
2.2 EN IEC标准EN IEC标准主要针对电子设备和元器件的湿度热测试。
MG罗孚汽车集团工程标准期号:3 MGR ES:30.CT.900 标题:在冷凝条件下的耐湿试验方法共2页,第1页 日期:2002年3月11日 1 范围本试验为在高湿下的材料、组件和附属组件的人工加速试验,以BS3900 F2部分为基础。
试验前的专用试样制备、试验时间和性能要求见有关材料或产品的标准规定。
2 试验装置2.1 适合保持试验条件的封闭试验箱。
试验箱底部装有一个蓄集灰尘用的水箱,加热器放入水箱下面或浸入水箱中。
需要两个恒温器,一个用于气隙的温度循环,另一个保持箱内空气的温度循环以便气隙内两个点上的温度变化在任何时候都不会超过1.0℃。
只要符合试验条件,可选择不同的试验箱结构和尺寸。
2.2试验箱内部和试样支架须用耐环境条件的材料制成。
注:若试验箱内部用铜衬里,铜表面应镀锡或用合适的有机涂层保护以防止小量铜溶解在水中。
3 试验期间的试样安置试样放置时相互之间的间隔为30mm,且离箱壁的间距为35mm,以确保所产生的凝结水能最大程度的排空。
试板放在离垂线15°至30°的位置中。
应避免接触试样和防止凝结水从一试样泄流到另一试样上。
4 试验条件4.1 温度气隙的温度循环保持在42℃至48℃之间,并在60+5min内回降至42℃:升温和冷却时间大约相等。
这需要使用自记式温度计。
4.2 湿度来自水箱的蒸馏水或去离子水蒸发量保持在95%至100%之间。
—印刷件不受控制—检查是否是当前版本—MG罗孚汽车集团工程标准期号:3 MGR ES:30.CT.900标题:在冷凝条件下的耐湿试验方法共2页,第2页 日期:2002年3月11日5 试验程序5.1 按适用的材料或产品标准要求制备试样。
5.2 将试样曝露在试验箱中至规定的时间,必要时检查试样和在合理的时间间隔内检查试验箱的操作,这段时间内试样位置可能会发生变化。
试验箱打开的时间和次数应限制至最低程度,确保执行上述操作所需即可。
5.3 拿走试样,并按有关材料或产品的标准中规定的验收标准要求检查试样有否被侵蚀或其它损坏现象。
更改记录
作业文件
版次 1.0 文件编号SFC-QA-0052 湿热测试操作规范页码2/2实施日期
1、测试目的:规范本公司漏电保产品品质,检验产品在湿热条件下的操作使用。
2、测试范围:适用本公司生产之所有漏电保护器产品。
3、引用标准:UL943B标准。
4、使用仪器:湿热箱
5、测试程序:
5.1 测试前确认及基本要求
5.1.1 准备一个测试样品(样品须为跌落测试后的样品),并对样品进行预热至34℃。
5.1.2 确认湿热箱的参数设定符合要求:93±2%RH、温度是32±2℃(90±4℉)。
5.2 对样品进行湿热测试
5.2.1 样品完成跌落测试后,将样品置于93±2%RH,温度是32±2℃(90±4℉)的室内
48小时。
测试中,元件不应带电。
5.2.2 完成湿热测试后,当样品仍位于室内或刚刚从室内取出后,其应符合UL943B第
23节的漏电流测试要求。
6、结果判定:
6.1 完成湿热测试后,当样品仍位于室内或刚刚从室内取出后,其应符合UL943B第23
节的漏电流测试要求。
涂料的耐湿性测定方法
1. 涂料的耐湿性测定范围及说明
本方法主要测试涂料漆样板在100%相对湿度下和在漆膜上始终出现冷凝水的情况下,其涂料涂装后漆膜起泡程度及外观的变化。
2.仪器和材料
(1)湿热箱:要求饱和空气的温度应恒温地保持在(38士1 ) ℃,相对湿度必须保持在100%;
(2 )蒸馏水:符合GB/T 6682级水要求。
3.测定方法
(1)按产品标准要求涂装涂料试板,干燥及进行状态调节,也可由供需双方共同商定。
(2)把试板放入已预先调至温度(38士1)℃、相对湿度100%的湿热箱中。
(3)涂料试板放置应能使漆膜表面产生冷凝水,且试板在试验过程中相互间不得接触。
(4)湿热试验需连续进行,在试验过程中必须检查时,防腐涂料试板在箱外停留时间不得超过0.5h。
(5)试验结束时,取出试板,小心地用吸水纸或布吸干,立即检查涂料漆膜表面状况;然后把试板在温度(23士2)℃、相对湿度(50士5)%的环境中放置24h,再作检查。
4.结果表示
记录漆膜起泡的大小、数量和密度,以及其他破坏现象。
()。
漆膜耐湿热测定法
漆膜耐湿热测定法是一种用于评估漆膜在潮湿和高温条件下的耐久性的方法。
这个方法常用于评估汽车漆膜的耐久性和防腐蚀性能。
以下是漆膜耐湿热测定法的步骤:
1. 准备样品:将涂有漆膜的试片或者物体准备好。
确保漆膜被均匀地涂覆在样品表面上。
2. 湿热条件设置:将样品放置在高温高湿的环境中,例如在一个湿度控制的试验箱中,设置湿度为95%RH,温度为60℃。
3. 测试时间:根据需要,将样品置于湿热条件下的时间可以长达数天到数周。
4. 观察和评估:在结束湿热测试后,取出样品观察其漆膜的外观和性能变化。
例如,检查是否有起泡、剥落、开裂或褪色等现象。
根据漆膜的耐用性和性能变化,可以评估其在湿热条件下的耐久性。
漆膜越能在湿热环境中保持其外观和性能,其耐久性就越好。
该方法可以帮助制定合适的漆膜配方和改进涂料的性能。
第1篇一、目的为确保实验操作的安全性和实验结果的准确性,特制定本规程,对耐热耐寒实验操作流程进行规范。
二、适用范围本规程适用于所有涉及耐热耐寒实验的操作,包括但不限于材料性能测试、产品性能测试、环境适应性测试等。
三、实验人员要求1. 实验人员应具备一定的实验技能和专业知识,熟悉实验设备的使用方法。
2. 实验人员应熟悉本规程内容,并在实验过程中严格遵守。
3. 实验人员应具备一定的安全意识,确保实验操作安全。
四、实验设备与材料1. 实验设备:高温炉、低温箱、实验样品架、温度控制器、数据采集器等。
2. 实验材料:实验样品、耐热耐寒材料、标准温度计等。
五、实验步骤1. 实验样品准备(1)确保实验样品表面干净、无油污、无水分。
(2)将实验样品放置在样品架上,确保样品均匀分布。
2. 设备调试(1)开启高温炉和低温箱,预热至设定温度。
(2)检查温度控制器和数据采集器是否正常工作。
3. 实验操作(1)将样品架放入高温炉或低温箱,确保样品处于实验温度范围内。
(2)启动温度控制器,按照实验要求设定实验温度。
(3)启动数据采集器,记录实验过程中样品的温度变化。
4. 实验数据记录与分析(1)实验过程中,记录实验温度、样品状态、实验时间等数据。
(2)实验结束后,对实验数据进行整理和分析,得出实验结论。
六、安全注意事项1. 实验过程中,实验人员应穿戴防护用品,如实验服、防护手套、防护眼镜等。
2. 高温实验时,注意防止烫伤;低温实验时,注意防止冻伤。
3. 操作高温炉和低温箱时,注意避免设备损坏和人员伤害。
4. 实验过程中,如发现异常情况,立即停止实验,并采取相应措施。
七、实验结束1. 实验结束后,关闭高温炉和低温箱,待设备冷却至室温。
2. 清理实验场地,将实验样品、设备、材料归位。
3. 检查实验记录,确保数据完整、准确。
八、附则本规程由实验室负责解释,自发布之日起执行。
如遇特殊情况,可根据实际情况进行调整。
第2篇一、目的为确保实验人员在进行耐热耐寒实验过程中的安全,规范实验操作流程,提高实验效果,特制定本规程。
耐湿热性检验规程
1.目的
通过试验了解、预估和判断产品的耐湿热性能否满足标准和客
户的使用要求。
2.适用范围
适用于测试各种表面涂层的耐湿热性,以及隔热材料实验前的
状态调节和性能测试。
3.职责
3.1型材喷涂过程中,喷涂成品质检员负责挂试板随跟批产品一同
喷涂,固化放置24h后送试板到理化中心。
3.2理化中心负责耐湿热性试验检测。
3.3质检部负责耐湿热性试验结果的综合判定工作。
4.检验规程:
4.1试板要求与尺寸
4.1.1试板应平整且没有变形,尺寸为150×75×1.0mm。
4.2试样标识
4.2.1每个测试板都应有明确标志,标好对应的型材代码、表面状态
及颜色、生产日期、检测日期等。
4.3检验仪器设备:HS-系列恒温恒湿试验箱。
4.4检验方法
4.4.1参照GB/T 1740《漆膜耐湿热测定法》,采用标准试板进行试验。
4.4.2检验环境:试验箱内温度为47±1℃,相对湿度96±2%。
4.4.3开启电源前应检查水箱的水位,不能低于其容积的50%。
4.4.4根据实验要求,在温度控制仪表上设定需要的温度,在湿度控
制仪上设定需要的湿度。
4.4.5将样板垂直悬挂于样板架上,样板正面不相接触。
当回升到规
定的温度、湿度时,开始计算试验时间。
4.5样板检查
4.5.1试验中样板表面不应出现凝露。
4.5.2连续试验48小时检查一次。
两次检查后,每隔72小时检查一
次。
每次检查后,样板应变换位置。
4.5.3检查时,样板表面必须避免指印,在光线充足或灯光直射下与
标准比较,结果以三块样板中级别一致的两块为准。
4.6涂层经4000小时湿热试验后,对试验结果评定等级,其变化
≤1级。
4.6.1一级:轻微变色;漆膜无起泡、生锈和脱落现象。
4.6.2二级:明显变色;漆膜表面起微泡面积小于50%,局部小泡面
积在4%以下,中泡面积在1%以下,锈点面积在2%以下;漆膜无脱落。
4.6.3三级:严重变色;漆膜表面起微泡面积超过50%,小泡面积在
5%以上,出现大泡,锈点面积在2%以上;漆膜出现脱落现象。
5.相关记录
5.1耐湿热性试验箱运行记录表
5.2耐湿热性试验记录表。