汽车维修检验工(高级)实操试题库
- 格式:doc
- 大小:2.11 MB
- 文档页数:92
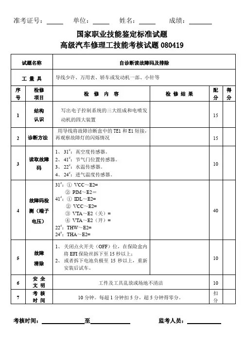
高级汽车修理工技能考核试题080419高级汽车修理工技能考核试题080419考核时间:至监考人员:高级汽车修理工技能考核试题090411考核时间:至监考人员:高级汽车修理工技能考核试题080419高级汽车修理工技能考核试题080419准考证号:单位:姓名:成绩:国家职业技能鉴定标准试题高级汽车修理工技能考核试题090509高级汽车修理工技能考核试题080419高级汽车修理工技能考核试题080419高级汽车修理工技能考核试题080713高级汽车修理工技能考核试题080419考核时间:至监考人员:高级汽车修理工技能考核试题080419考核时间:至监考人员:高级汽车修理工技能考核试题080419考核时间:至监考人员:高级汽车修理工技能考核试题080419考核时间:至监考人员:准考证号单位姓名成绩国家职业技能鉴定标准试题高级汽车修理工技能考核试题090509考核时间:至监考老师签名准考证号:单位:姓名:成绩:国家职业技能鉴定标准试题高级汽车修理工技能考核试题080419考核时间:至监考人员:准考证号:单位:姓名:成绩:国家职业技能鉴定标准试题高级汽车修理工技能考核试题080705考核时间:至监考人员:准考证号:单位:姓名:成绩:国家职业技能鉴定标准试题高级汽车修理工技能考核试题080419考核时间:至监考人员:准考证号:单位:姓名:成绩:国家职业技能鉴定标准试题高级汽车修理工技能考核试题090509考核时间:至监考人员:准考证单位姓名成绩国家职业技能鉴定标准试题高级汽车修理工技能考核试题080419考核时间:至监考人员:汽车高级维修工复习记录表姓名:全车电路。
汽车修理工(高级)证考试题库及答案1、【单选题】()不是气压制动跑偏的原因。
( A )A、制动阀调整不当B、两前轮车轮制动器间隙不一致C、车架变形,前轴位移D、两前轮直径、花纹不一致2、【单选题】()导致所有车门锁都不能工作。
( A )A、电源故障B、左侧电动车门锁电路断路C、右侧电动车门锁故障D、左侧后电动车门锁故障3、【单选题】()是汽车动力性的总指标。
( C )A、最高车速B、加速性能C、平均速度D、加速时间4、【单选题】()是轮胎异常磨损的原因。
( D )A、减振器性能减弱B、连接销松动C、减振器损坏D、单侧悬挂弹簧弹力不足5、【单选题】()材料是在汽车上应用的新材料。
( C )A、铝合金B、铝锑镁合金C、夹层钢板D、球墨铸铁6、【单选题】()汽车检测站应具备汽车底盘测功仪。
( A )A、A级B、B级C、C级D、D级7、【单选题】CA1091分电器安装在发动机的()。
( C )A、前端B、后端C、侧面D、上方8、【单选题】CCS为汽车上()的英文缩写。
( A )A、巡航控制系统B、导航控制系统C、牵引力控制系统D、空调控制系统9、【单选题】下列传感器中()用于汽车ABS的各种控制方式。
( B )A、车速传感器B、轮速传感器C、减速度传感器D、高度传感器10、【单选题】下列因素中造成汽车转向沉重的原因是()。
( B )A、蜗杆与滚轮啮合间隙过大B、蜗杆与滚轮啮合间隙过小C、蜗杆上下轴承间隙过大D、转向传动机构松旷11、【单选题】下列属于前轮摆振现象的是()。
( B )A、轮胎胎面磨损不均匀,胎冠两肩磨损,胎壁擦伤B、汽车行驶时,有时出现两前轮各自围绕主销进行角振动的现象C、胎冠由外侧向里侧呈锯齿状磨损,胎冠呈波浪状磨损,胎冠呈碟边状磨损D、胎冠中部磨损,胎冠外侧或内侧单边磨损12、【单选题】下列选项中,()不是汽车驱动桥总成大修送修标志。
( B )A、主减速器齿轮恶性磨损B、差速器壳支承轴承响C、桥壳破裂、变形D、半轴套管承孔磨损逾限13、【单选题】下述选项中,()影响发动机的充气效率。
(高级)汽车维修工实操考试题目:活塞连杆组与气缸的检测试题编号:QX3-01-1(20%)考核时间记录:考评员签字:考场负责:(高级)汽车维修工实操考试题目:空气流量计的检测试题编号:QX3-01-2(20%)考核时间记录:考评员签字:考场负责:(高级)汽车维修工实操考试题目:空调制冷系统压力的检测试题编号:QX3-01-3(25%)考核时间记录:考评员签字:考场负责:(高级)汽车维修工实操考试题目:起动系统故障的诊断与排除试题编号:QX3-01-4(35%)考核时间记录:考评员签字:考场负责:(高级)汽车维修工实操考试题目:曲轴的检测试题编号:QX3-02-1(20%)考核时间记录:考评员签字:考场负责:(高级)汽车维修工实操考试题目:传感器的检测试题编号:QX3-02-2(20%)考核时间记录:考评员签字:考场负责:(高级)汽车维修工实操考试题目:手动变速器的装配试题编号:QX3-02-3(25%)考核时间记录:考评员签字:考场负责:(高级)汽车维修工实操考试题目:发动机点火系统故障的诊断与排除试题编号:QX3-02-4(35%)考核时间记录:考评员签字:考场负责:(高级)汽车维修工实操考试题目:气缸体的检测试题编号:QX3-03-1(20%)考核时间记录:考评员签字:考场负责:(高级)汽车维修工实操考试题目:空气流量计的检测试题编号:QX3-03-2(20%)考核时间记录:考评员签字:考场负责:(高级)汽车维修工实操考试题目:自动变速器离合器的检修试题编号:QX3-03-3(25%)考核时间记录:考评员签字:考场负责:(高级)汽车维修工实操考试题目:发动机不能起动综合故障的诊断与排除试题编号:QX3-03-4(35%)考核时间记录:考评员签字:考场负责:(高级)汽车维修工实操考试题目:自动变速器油泵的检修试题编号:QX3-04-1(20%)考核时间记录:考评员签字:考场负责:(高级)汽车维修工实操考试题目:用示波器检测氧传感器的波形试题编号:QX3-04-2(20%)考核时间记录:考评员签字:考场负责:(高级)汽车维修工实操考试题目:主减速器总成的装配试题编号:QX3-04-3(25%)考核时间记录:考评员签字:考场负责:(高级)汽车维修工实操考试题目:发动机加速不良故障的诊断与排除试题编号:QX3-04-4(35%)考核时间记录:考评员签字:考场负责:(高级)汽车维修工实操考试题目:活塞连杆组的测量与装配试题编号:QX3-05-1(20%)考核时间记录:考评员签字:考场负责:(高级)汽车维修工实操考试题目:废气再循环系统(EGR)的检测试题编号:QX3-05-2(20%)考核时间记录:考评员签字:考场负责:(高级)汽车维修工实操考试题目:动力转向器的检验与装配试题编号:QX3-05-3(25%)考核时间记录:考评员签字:考场负责:(高级)汽车维修工实操考试题目:发动机怠速不稳故障的诊断与排除试题编号:QX3-05-4(35%)考核时间记录:考评员签字:考场负责:(高级)汽车维修工实操考试题目:汽车零件的测绘试题编号:QX3-06-1(20%)考核时间记录:考评员签字:考场负责:(高级)汽车维修工实操考试题目:用示波器检测发动机电控系统信号的波形试题编号:QX3-06-2(20%)考核时间记录:考评员签字:考场负责:(高级)汽车维修工实操考试题目:主减速器总成的装配试题编号:QX3-06-3(25%)考核时间记录:考评员签字:考场负责:(高级)汽车维修工实操考试题目:发动机怠速过高故障的诊断与排除试题编号:QX3-06-4(35%)考核时间记录:考评员签字:考场负责:(高级)汽车维修工实操考试题目:曲轴的检测试题编号:QX3-07-1(20%)考核时间记录:考评员签字:考场负责:(高级)汽车维修工实操考试题目:废气再循环系统(EGR)的检测试题编号:QX3-07-2(20%)考核时间记录:考评员签字:考场负责:(高级)汽车维修工实操考试题目:底盘异响的判断试题编号:QX3-07-3(25%)考核时间记录:考评员签字:考场负责:(高级)汽车维修工实操考试题目:发动机不能起动综合故障的诊断与排除试题编号:QX3-07-4(35%)考核时间记录:考评员签字:考场负责:(高级)汽车维修工实操考试题目:气缸体的检测试题编号:QX3-08-1(20%)考核时间记录:考评员签字:考场负责:(高级)汽车维修工实操考试题目:用示波器检测发动机电控系统信号的波形试题编号:QX3-08-2(20%)考核时间记录:考评员签字:考场负责:(高级)汽车维修工实操考试题目:自动变速器超速离合器、制动器的装配试题编号:QX3-08-3(25%)考核时间记录:考评员签字:考场负责:(高级)汽车维修工实操考试题目:发动机怠速不稳故障的诊断与排除试题编号:QX3-08-4(35%)考核时间记录:考评员签字:考场负责:(高级)汽车维修工实操考试题目:自动变速器油泵的检修试题编号:QX3-09-1(20%)考核时间记录:考评员签字:考场负责:(高级)汽车维修工实操考试题目:传感器的检测试题编号:QX3-09-2(20%)考核时间记录:考评员签字:考场负责:(高级)汽车维修工实操考试题目:转向系统故障的诊断与排除试题编号:QX3-09-3(25%)考核时间记录:考评员签字:考场负责:(高级)汽车维修工实操考试题目:发动机怠速过高故障的诊断与排除试题编号:QX3-09-4(35%)考核时间记录:考评员签字:考场负责:(高级)汽车维修工实操考试题目:活塞连杆组的测量与装配试题编号:QX3-10-1(25%)考核时间记录:考评员签字:考场负责:(高级)汽车维修工实操考试题目:ABS元件的检测试题编号:QX3-10-2(20%)考核时间记录:考评员签字:考场负责:(高级)汽车维修工实操考试题目:发动机异响的判断试题编号:QX3-10-3(25%)考核时间记录:考评员签字:考场负责:(高级)汽车维修工实操考试题目:起动系统故障的诊断与排除试题编号:QX3-10-4(35%)考核时间记录:考评员签字:考场负责:。
高级汽车维修工试题库+答案一、单选题(共50题,每题1分,共50分)1、发动机装配前,应在()表面涂上新机油。
A、所有配件B、曲轴轴颈与轴承C、气缸垫D、皮带轮正确答案:B2、怠速控制系统的英文缩写是()。
A、ISCB、EECC、EGRD、EFI正确答案:A3、引起涡轮增压器涡轮或泵轮端“排油”的原因是()。
A、泵轮与壳体碰擦B、外来物进入涡轮壳C、转子轴密封环损坏D、旁通阀失效正确答案:C4、柴油机颗粒捕集器是一种安装在柴油发动机()系统中的陶瓷过滤器。
A、进气B、润滑C、供油D、排放正确答案:D5、转向灯安装于车辆前后两侧,灯光为()。
A、琥珀色B、绿色C、红色D、白色正确答案:A6、车辆喇叭系统由()控制喇叭继电器。
A、熔断丝B、喇叭开关C、点火开关D、报警开关正确答案:B7、机械式转向系统转向时,经()降速增矩后传到转向摇臂。
A、机械转向器B、转向轴C、转向盘D、转向控制器正确答案:A8、机械式转向系统主要由转向操纵机构、()和转向传动机构组成。
A、转向油泵B、机械转向器C、转向控制阀D、电动机正确答案:B9、在起A动机运行中,固定不动的是()。
A、驱动机构B、磁场绕组C、电枢转子D、单向离合器正确答案:B10、下列选项中不起照明作用的是()。
A、前雾灯B、牌照灯C、前照灯D、后雾灯正确答案:D11、下列选项中()负责为喇叭供电。
A、喇叭开关B、车身控制模块C、喇叭继电器D、点火开关正确答案:C12、为防止发动机润滑系统压力过高,机油泵上通常设有()。
A、旁通阀B、空气阀C、限压阀D、蒸气阀正确答案:C13、废气再循环(EGR)系统主要目的为降低排出气体中的()并在部分负荷时可提高燃料经济性。
A、COB、CO2C、NOXD、H2O正确答案:C14、下列( D )故障不会引起发动机怠速过高。
A、怠速控制阀失准B、点火正时失准C、水温传感器D、燃油压力传感器正确答案:D15、乘客侧正面气囊位于车辆()。
可编辑修改精选全文完整版汽车维修高级工题库(附参考答案)一、单选题(共10题,每题1分,共10分)1、通过尾气分析仪测量,如果是HC化合物超标,首先应该检查( ) 是否工作正常,若不正常应予修理或更换。
A、排气管B、氧传感器C、三元催化转化器D、EGR阀正确答案:C2、转向系大修技术检验规范包括( )。
A、螺杆有损坏B、螺杆有损坏C、以上均正确D、螺杆无损坏正确答案:D3、制冷系统高压侧压力过高,,并且膨胀阀发出噪声,说明( )。
A、系统中有水汽B、干燥灌堵塞C、制冷剂不足D、系统中有空气正确答案:A4、使用的指针式万用表型号不同,测得的发电机( )接柱之间的阻值不同.。
A、“B”与“E”B、“N”与“F”C、“F”与“E”D、“B”与“F”正确答案:A5、使用FLUKE 98型汽车示波器测试有分电器点火系统初级电压波形时,菜单应选择( )。
A、MENU→IGNITION→SECONDARYB、MENU→IGNITION→DWELLC、MENU→IGNITION→PRIMARYD、MENU→IGNITION→ADVANCE正确答案:C6、新195和190型柴油机是通过增减喷油泵与机体之间的铜垫片来调整供油提前角的;减少垫片供油时间变( )。
A、先早后晚B、早C、先晚后早D、晚正确答案:B7、桑塔纳2000GLI型轿车AFE型发动机的机油泵主动轴弯曲度超过( )mm,则应对其进行校正或更换。
A、0. 05B、0.30C、0.20D、0.10正确答案:B8、试验起动系时,试验时间( )。
A、尽量长些B、不宜过短C、不宜过长D、无要求正确答案:C9、用万用表检测照明灯线路某点,若显示正常电压,说明该点前方的线路( )。
A、短路B、断路C、搭铁D、良好正确答案:D10、氟利昂R12是( )气体。
A、有气味、无颜色B、有颜色、有气味C、无颜色、无气味D、有颜色、无气味正确答案:C二、判断题(共90题,每题1分,共90分)1、( )若汽油机燃料消耗量过大,可检查真空管路是否密封不良。
目录第四部分操作技能考前辅导一、发动机各总成的大修………………………………………………………试题一:检测、调整柴油机喷油器……………………………………………试题二:检测、调整发动机燃油、点火和排放系统……………………………二、底盘各总成的大修……………………………………………………………试题一:手动变速器(三轴)的检修…………………………………………试题二:液压制动系统的大修…………………………………………………试题三:后桥主减速器的检修…………………………………………………试题四:动力转向器的检修……………………………………………………三、电器各总成的检修……………………………………………………………试题一:掌握蓄电池的检测方法…………………………………………………试题二:发电机的性能测试与修理………………………………………………试题三:起动机的检修与试验…………………………………………………试题四:空调系统压力的检查…………………………………………………四、发动机的故障诊断与排除…………………………………………………试题一:诊断与排除发动机连杆轴承的异响…………………………………试题二:诊断与排除凸轮轴的异响………………………………………………试题三:诊断与排除发动机不能起动的故障……………………………………试题四:诊断与排除发动机动力不足的故障……………………………………试题五:诊断与排除发动机油耗超标的故障……………………………………试题六:诊断与排除发动机机油油耗超标的故障…………………………………试题七:诊断与排除发动机排放超标的故障……………………………………试题八:诊断与排除电喷发动机怠速不稳,运转不稳的故障……………………试题九:诊断与排除电喷发动机回火、放炮的故障………………………………五、底盘的故障诊断与排除……………………………………………………试题一:诊断与排除万向传动装置异响的故障……………………………………试题二:诊断与排除离合器异响的故障…………………………………………试题三:诊断与排除变速器异响的故障…………………………………………试题四:诊断与排除前轮摆振的故障……………………………………………六、电器故障的诊断与排除……一……………………………………………试题一:汽车空调系统完全不制冷故障的诊断与排除……………………………试题二:汽车空调系统制冷不足故障的诊断与排除………………………………第五部分操作技能试题精选试题一:汽车前轮定位角度的测量………………………………试题二:后轮前束、后轮外倾角的测量…………………………………………试题三:空气流量传感器的检测…………………………………………试题四:节气门位置传感器的检测………………………………………………试题五:冷却液温度传感器的检测………………………………………………试题六:氧传感器的检测一……………………………………………………试题七:喷油器的检测…………………………………………试题八:空调不出风故障的诊断与排除…………………………………………试题九:空调制冷失控故障的诊断与排除…………………………………………试题十:起动时可点火,但发动机不能运行故障的诊断与排除………………试题十一:发动机有个别气缸不工作故障的诊断与排除………………第四部分操作技能考前辅导一、发动机各总成的大修试题一:检测、调整柴油机喷油器l.训练准备1)一台发动机、起动设备、带有数字显示电压的电源插座一只2)YC6105QC发动机的A型喷油泵。
《汽车维修检验工》(高级)考试试题(实操A 卷)* 考 生 注 意 事 项 *1、本试卷分一个题号,共5页,满分为100分,考试用时250分钟。
2、请仔细阅读各种题目后回答问题,答题方式按照考评员要求答题。
需上机考试的,考试结果另外保存,以姓名和身份证号命名。
3、不要在试卷上乱写乱画,不要在标封区填写无关内容。
试题:手动变速器(三轴)的检修1.训练准备1)EQl092型汽车三轴式变速器总成一个。
2)V 形块1对,平台、探伤设备各1件。
3)塞尺、外径千分尺、百分表、游标卡尺各1件。
4)常用修理工具1套。
5)清洗剂、毛刷、油盆和棉纱。
2.训练要求1)能够检修三轴式变速器。
2)利用正确的方法拆卸、装配三轴式变速器。
3.训练时间 60min 。
4.技术标准1)轮齿表面点蚀面积应不大于齿面面积的1/4,常啮合齿轮齿厚磨损不大于0.25mm ,轮齿无折断现象。
2)变速器轴无裂纹,径向圆跳动误差不大于0.06mm ,轴承轴颈磨损不大于0.05mm ,花键齿磨损不大于0.30mm 。
3)同步器锥环外锥面螺纹沟槽深度不小于0.10mm ,锥盘与锥环的端面间隙不小于0.30mm ,锁销锁止锥面无明显磨损。
5.基本操作步骤操作步骤描述: 拆卸→ 检查→ 装配1)拆卸第一轴①拧下放油螺塞,放净变速器内的齿轮油(热车放油)。
②拆下变速器上盖总成。
③从变速器前端拆除锁线及第一轴轴承盖紧固螺栓,取下轴承盖,在用铜 锤敲击第一轴的同时,向前拔出第一轴,并取出第二轴前轴承,见图1。
图1 分解后的第一轴及壳体1—第一轴承盖衬垫及锁线 2—第一轴 3—中阀轴前轴承及衬垫 4—第二轴前轴承 5—倒档检查孔盖及衬垫 6—中间轴后轴承盖及衬垫 7—第二轴后轴承盖 8—变速器壳体 9—盖板 10—第一轴后轴承 11—轴承挡圈 12—油封总成 13—第一轴前轴承考生答题不得超过此密封线证件类型: 身份证 证件号码:装订线线订装2)分解第二轴总成①拆掉变速器第二轴后端锁紧螺母,拆下碟形弹簧、后端凸缘、后轴承盖、隔套及里程表主动齿轮。
2024年汽车维修技师:现场实操检测诊断专业知识考试题库(附含答案)一、单选题1 .当车辆行驶时,出现明显的方向盘抖动,且车速越高抖动越明显,可能的原因是?A、轮胎动平衡不良B、制动盘变形C、发动机缺缸D、传动轴不平衡正确答案:A2 .车辆检测诊断是指车辆在()的状态下,对车辆技术性能进行检查。
A.解体B.部分解体C.不解体D.全部解体正确答案:C3 .车辆启动后,发动机怠速不稳且易熄火,可能的原因是?A、节气门积碳严重B、刹车油污染C、空调压缩机故障D、轮胎气压不足正确答案:A4 .下列不属于车辆检测诊断内容的是()。
A.底盘功率B.发动机功率C.异响D.曲轴磨损量正确答案:D5 .自动变速器车辆在换挡过程中出现冲击感,可能的原因是?A、变速器油液过脏B、发动机冷却液温度过高C、制动系统漏气D、蓄电池电量不足6 .汽车空调系统在制冷模式下吹出热风,可能的原因是?A、制冷剂完全泄漏B、冷凝器堵塞C、蒸发器温度传感器故障D、发电机皮带断裂正确答案:A7 .下列不属于车辆检测诊断内容的是()。
A.主减速器啮合印痕8 .发动机异响C.底盘功率D.排放物正确答案:A9 .车辆在行驶中突然失去转向助力,可能的原因是?A、助力转向油液泄漏B、制动液不足C、发动机皮带断裂(非助力转向皮带)D、燃油滤清器堵塞10 发动机故障灯(M1.1.)亮起,且读取到的故障码与氧传感器相关,可能的原因是?A、氧传感器损坏C、变速器油液不足D、刹车片磨损正确答案:A11 .车辆在制动时,一侧车轮制动效果差,可能的原因是?A、制动分泵漏油B、轮胎气压过高C、发动机机油过多D、蓄电池老化正确答案:AH.卜.列不属于车辆检测诊断内容的是()oΛ.缸径的大小B.动力性C.经济性D.排放物正确答案:A12 .汽车行驶中,ABS系统频繁介入工作,但路面条件并不湿滑,可能的原因是?A、ABS传感器脏污C、变速器控制单元故障D、刹车片与刹车盘间隙过大正确答案:A13 .车辆行驶中,发动机舱内传出异响,且声音随发动机转速变化而变化,可能的原因是?A、发电机皮带松动或磨损B、刹车片磨损到极限C、空调压缩机故障D、轮胎气压不足正确答案:A14 .汽车排放系统检测到尾气中氮氧化物(NOx)超标,可能的原因是?(多选)A、催化转化器失效燃油品质不佳C、发动机点火正时过迟D、制动系统故障正确答案:A,B,C15 .汽车行驶中,发现仪表盘上的ABS和牵引力控制系统(TCS)警告灯同时亮起,可能的原因是?A、ABS传感器故障B、发动机水温过高C、变速器油液泄漏D、蓄电池电压低正确答案:A16 .车辆在进行四轮定位后,仍然出现轮胎偏磨现象,可能的原因是?A、悬挂系统部件变形B、发动机机油污染C、刹车片安装不正确D、空调系统制冷效果差正确答案:A17 .()汽车检测站检测项目最多。
汽车维修高级工(实操复习资料)前照灯仪的使用与用照灯的调整1、检测前准备(1)将前照灯仪器预热30分钟以上。
(2)将被测车停放在全自动前照灯仪前约3m处。
2、检测调整(1)驱动前照灯检测仪靠近,分别在左灯到右灯进行上下左右检测,并把结果在工位指示器读取读数,并记下。
3、检测结果(1)四灯制前照大灯光束的照射位置,要求屏幕上的光束中心高度为0.85——0.90H,水平位置要求在左灯偏差不得大于100mm,向右偏差不得大于170mm,右灯向左或右偏差不得大于170mm。
(如有偏差可用人工调整)(2)前照灯发光强度要求每个前照灯的远光光束发光强度应达到1500(cd)。
(3)以上各偏差可人工调整或更换灯泡。
二、EQ1090汽车发动机技术状况的检测检测(以大修好后的发动机为准)发动机功率测量:额定功率应大于90%。
燃油消耗量:每100公里应低于20升。
机油消耗量:每100公里应低于0.01升。
气缸压缩压力检测将发动机预热到80°—90°温度熄火,然后将全部火花塞周围用空气压缩机空气吹干净,并拆下全部火花塞,高压线。
将节气门和化油器阻风门置于全开位置。
将气缸压力表锥形橡胶接头压紧在被测气缸的火花塞孔上,起动发动机3—5秒,取出压力表并记下读数,然后按下单向阀为零,为提高测量读数的准确性,各缸应测量两次取最高数值。
气缸漏气检测将发动机预热到80°—90°温度熄火,然后将全部火花塞全部拆下,并将曲轴摇转到一缸行程上止点。
用专用孔接头拧紧在火花塞孔内,与空气压缩机出气处连接胶管。
起动空气压缩机,见气压表指示为5公斤力,将空气压缩机关闭,并打开放气开关,同时察听进气口,排气管出口,散热器加水口和润滑油加注口是否有漏气声,以确定漏气部位。
并用以上方法在各缸上止点进行遂缸检测。
曲轴籍窜气量检测,按国家暂未有制定统一要求可省略。
进气歧管真空度检测(1)用0~101.325Kpa的真空表连接进气歧管某一处。
一、(高级)汽车维修工实操考试题目:液压操纵式离合器分离不彻底故障的诊断与排除考核时间记录:考评员签字:考场负责:二、(高级)汽车维修工实操考试题目:发动机不能起动电路故障的诊断与排除考核时间记录:考评员签名:考场负责:三、(高级)汽车维修工实操考试题目:发动机废气的检测与分析考核时间记录:考评员签字:考场负责:四、(高级)汽车维修工实操考试题目:用解码仪调码并排除发动机故障考核时间记录:考评员签字:考场负责:五、(高级)汽车维修工实操考试题目:发动机怠速不稳故障的诊断与排除考核时间记录:考评员签字:考场负责:六、(高级)汽车维修工实操考试题目:发动机异响的判断考核时间记录:考评员签名:考场负责:七、(高级)汽车维修工实操考试题目:液压操纵式离合器分离不彻底故障的诊断与排除考核时间记录:考评员签字:考场负责:八、(高级)汽车维修工实操考试题目:底盘异响的判断考核时间记录:考评员签名:考场负责:九、(高级)汽车维修工实操考试题目:汽车喷油器、断路、短路故障考核时间记录:考评员签名:考场负责:十、(高级)汽车维修工实操考试题目:汽车进气压力传感器断路、短路故障考核时间记录:考评员签名:考场负责:十一、(高级)汽车维修工实操考试题目:01M自动变速器离合器的检测考核时间记录:考评员签名:考场负责:十二、(高级)汽车维修工实操考试题目:检测汽油机尾气排放考核时间记录:考评员签名:考场负责:十三、(高级)汽车维修工实操考试题目:发动机点火系统故障的诊断与排除考核时间记录:考评员签字:考场负责:十四、(高级)汽车维修工实操考试题目:用示波器检测氧传感器的波形考核时间记录:考评员签字:考场负责:十五、(高级)汽车维修工实操考试题目:用示波器检测发动机电控系统信号的波形考核时间记录:考评员签字:考场负责:。
汽车维修工高级试题(含答案)一、单选题(共72题,每题1分,共72分)1.柴油机的主要噪声源是( )。
A、燃烧噪声B、进气噪声C、排气噪声D、加速噪声正确答案:A2.对于电子控制的主动悬架系统,甲说:汽车高速行驶时车身高度要降低以保证汽车行驶的稳定性;乙说:汽车在连续差路行驶时要提高车身高度以保证汽车的通过性。
说法正确的是( )。
A、甲正确B、甲、乙都正确C、甲、乙都不正确D、乙正确正确答案:B3.电磁离合器靠( )来控制离合器的接合与分离。
A、机械开关B、弹簧回位C、线圈的通断电D、集成电路正确答案:C4.发动机起动后,起动机驱动齿轮与飞轮齿圈( )。
A、靠拢B、半脱离C、接合D、脱离正确答案:D5.汽车在行驶中冷却液温度超过105℃,水温表指向红线直到沸腾,属于( )的故障现象。
A、动力不足B、发动机过热C、加速不良D、起动困难正确答案:B6.在已装配好并压紧的钢板弹簧的中部,片与片之间应紧密配合,相邻两片在总接触长度 1/4 的长度内的间隙一般不大于( )。
A、1.2mmB、0.08mmC、0.03mmD、0.05mm正确答案:A7.发动机汽缸沿径向的磨损呈不规则的( )。
A、圆锥形B、椭圆形C、锥形D、圆柱形正确答案:B8.给中间支撑轴承加注润滑脂,响声消失,则故障由( )引起。
A、橡胶圆环损坏B、缺油C、车架变形D、连接螺栓松动正确答案:C9.柴油发动机曲轴中心线径向圆跳动的大修标准是( )mm。
A、≤0.05B、≤0.02C、≤0.01D、≤0.04正确答案:A10.画零件图的具体步骤是:选择比例,幅面,画底图,( ),描深,审核。
A、标注尺寸B、画结构形状C、校核D、选择基准正确答案:C11.操作()可使前照灯在辆车交汇时实现远近光之间切换。
A、喇叭开关B、点火开关C、起动开关D、变光开关正确答案:D12.( )具有更高的极压抗磨性,适用于高温、高速、高负荷的苛刻条件。
A、钠基润滑脂B、通用锂基润滑脂C、极压复合锂基润滑脂D、钙基润滑脂正确答案:C13.当自动变速器警告灯亮时,可以稳定在( )km/h 的速度把车开到修理厂。
汽车维修工高级测试题与参考答案一、单选题(共72题,每题1分,共72分)1.用汽缸压力表测试汽缸压力时,用起动机转动曲轴大约( )s。
A、2~3B、3~5C、1~2D、1~3正确答案:B2.柴油机耗油率曲线比汽油机曲线( )。
A、弯曲B、无法比较C、平坦D、陡峭正确答案:C3.在以招标方式订立合同时,属于要约性质的行为是( )。
A、招标B、决标C、投标D、开标正确答案:C4.车速急剧变化,变速器响声加大;而车速相对稳定,响声消失,这说明( )。
A、齿隙过大B、轴承损坏C、中间轴弯曲D、输出轴弯曲正确答案:A5.比较汽油机和柴油机外特性可得出( )。
A、汽油机外特性较平坦B、汽油机力矩大C、汽油机经济性好D、柴油机经济性好正确答案:D6.引起电控发动机加速无力故障的原因可能是( )。
A、曲轴位置传感器失效B、凸轮轴位置传感器失效C、节温器性能不良D、燃油压力调节器失效正确答案:D7.发动机凸轮轴轴颈磨损应采用( )修复。
A、修理尺寸法B、电火花加工法C、喷涂法D、焊接法正确答案:A8.目前,多数ABS 系统均采用( )的控制方式。
A、以车轮减速度为控制参数B、以车轮加速度为控制参数C、以车轮减速度和滑移率为控制参数D、以车轮滑移率为控制参数正确答案:D9.起动机运转利用了( )的原理。
A、电磁力B、磁场C、磁力线D、电场正确答案:A10.利用双板侧滑试验台检测汽车转向轮侧滑量时,其侧滑量应不大于( )m/km。
A、10B、4C、5D、3正确答案:C11.汽车的横向稳定性是指( )。
A、抵抗侧翻和滑移的能力B、抵抗振动的能力C、抵抗道路不平面颠簸的能力D、抵抗纵翻和滑移的能力正确答案:A12.手动变速器总成竣工验收时,进行无负荷试验时各挡运行时间应大于( )min。
A、15B、5C、20D、10正确答案:D13.会引起发动机起动困难故障的是( )。
A、冷却液温度传感器B、氧传感器C、空气流量计D、节气门位置传感器正确答案:C14.汽车的接近角和离去角( ),汽车的通过性越好。
汽车修理工(高级)(题库版)1、单选使用OTCVISON示波器对氧传感器进行测试时,使用高阻抗电缆的原因是()。
A、避免测试中产生瞬时高电压B、为了测试连线方便C、防止测试结果精度变差D、避免(江南博哥)测试中电流过载正确答案:C2、问答题全浮式活塞连杆组的装配工艺过程如何?正确答案:①彻底清洗各零件,并用压缩空气吹净,在连杆衬套内涂上一层机油。
②在活塞销孔内任一端装一个卡环。
③将铝合金活塞置于水中加热至70~80℃,若为铸铁活塞则放入机油内加热到100~120℃。
④取出活塞,迅速擦净座孔,将连杆小头置于两座孔之间,注意对准相关部位。
活塞与连杆零件上都有安装标志,如EQ6100-1活塞上有一个小缺口,装配时与连杆体、连杆轴承盖的小凸点在同一方向。
⑤迅速将活塞销装入活塞销孔内,并使其到位,装上销孔另一端的卡环。
卡环与活塞两端应各有0.20~0.80mm的间隙。
卡环嵌入环槽的深度应不少于丝径的2∕3。
3、单选如果气门座圈的外表面粗糙度高,在镶套后会使实际过盈量()。
A.变大B.不变化C.减小D.视材料而定正确答案:C4、问答题爆振传感器的作用?正确答案:答:是用于检查发动机有无爆震现象,并将信号输入给计算机,控制点火提前角,抑制爆震发生。
5、单选国家标准《机械制图》中规定,细实线可用于绘制物体的()。
A.可见轮廓线B.剖面线C.断裂处边界线D.剖视的分界线正确答案:B6、问答题在松软路上行驶应选用什么样的轮胎为好?正确答案:在松软路面上应选择具有宽而深的胎面花纹的轮胎。
因为在松软路面上行驶时,嵌入土壤的花纹增加了土壤的剪切和承压面积,也就提高了附着系数。
当汽车在湿路面上行驶时,轮胎不是整个横断面与地面接触,仅是花纹的凸出部分与地面接触。
这样,单位压力提高,足以挤出水层,在轮胎与地面之间降低了水膜的润滑作用,附着系数可以提高。
汽车通过性能也就大大提高了。
7、单选现代汽车第二代随车自诊断装置的OBD-Ⅱ码,按美国SAE标准,其资料传输线是由()间引出。
汽车修理工(高级)考试题库及答案1、【单选题】()不是汽车行驶跑偏的原因。
(A )A、减振器性能减弱B、前悬挂移位C、单侧悬挂弹簧弹力不足D、车架变形2、【单选题】()不是液压制动系统卡死的原因。
(A )A、总泵皮碗、密封胶圈老化、发胀或翻转B、制动蹄摩擦片与制动鼓间隙过小C、总泵旁通孔或回油孔堵塞D、制动管路凹瘪或老化、堵塞3、【单选题】()不是轮胎异常磨损的原因。
(A )A、减振器性能减弱B、主销后倾角改变C、轮胎气压不平衡D、单侧悬挂弹簧弹力不足4、【单选题】()只能导致右侧电动后视镜不能动。
(B )A、熔断器故障B、右侧电动机电路断路C、左侧后视镜电动机故障D、左侧后视镜电动机故障5、【单选题】()导致前排乘员电动座椅不能动。
(D )A、熔断器故障B、主控开关搭铁不良C、主控开关搭铁线断路D、乘员侧开关故障6、【单选题】()是汽车动力性的总指标。
(C )A、最高车速B、加速性能C、平均速度D、加速时间7、【单选题】()是轮胎异常磨损的原因。
(D )A、减振器性能减弱B、连接销松动C、减振器损坏D、单侧悬挂弹簧弹力不足8、【单选题】()的助力源是压缩空气与大气的压力差。
(C )A、真空助力器B、真空增压器C、空气增压器D、空气助力器9、【单选题】()的特点在数字计算机及逻辑电路中大量采用。
(A )A、数字集成电路B、模拟集成电路C、集成电路D、B、C均有10、【单选题】()能导致驾驶员侧电动车门锁不能开启。
(D )A、车门锁拉杆卡住B、车窗天线故障C、遥控器故障D、开关故障11、【单选题】QFC—4型微电脑发动机综合分析仪可判断汽油机。
(A )A、汽缸压力B、燃烧状况C、混合气形成状况D、排气状况12、【单选题】当基坑周围环境无特殊要求时,基坑开挖深度____为二级基坑。
(A )A、大于7m小于10mB、大于8m小于12mC、大于5m小于8mD、大于6m小于9m13、【单选题】下列不应属于汽车维修质量管理方法的是()。
准考证号:单位:姓名:成绩:国家职业技能鉴定标准试题高级汽车修理工技能考核试题080419准考证号:单位:姓名:成绩:国家职业技能鉴定标准试题得准考证号:单位:姓名:成绩:国家职业技能鉴定标准试题高级汽车修理工技能考核试题090411准考证号:单位:姓名:成绩:得国家职业技能鉴定标准试题高级汽车修理工技能考核试题080419考核时间:至监考人员:得准考证号: 单位: 姓名: 成绩:国家职业技能鉴定标准试题高级汽车修理工技能考核试题080419考核时间: 至 监考人员:得分准考证号:单位:姓名:成绩:国家职业技能鉴定标准试题高级汽车修理工技能考核试题090509考核时间:至监考人员:高级汽车修理工技能考核试题080419考核时间:至监考人员:得高级汽车修理工技能考核试题080419考核时间:至监考人员:准考证号:单位:姓名:成绩:国家职业技能鉴定标准试题高级汽车修理工技能考核试题080713准考证号:单位:姓名:成绩:国家职业技能鉴定标准试题高级汽车修理工技能考核试题080419准考证号:单位:姓名:成绩:国家职业技能鉴定标准试题高级汽车修理工技能考核试题080419准考证号:单位:姓名:成绩:国家职业技能鉴定标准试题高级汽车修理工技能考核试题080419准考证号:单位:姓名:成绩:高级汽车修理工技能考核试题080419考核时间:至监考人员:准考证号单位姓名成绩国家职业技能鉴定标准试题高级汽车修理工技能考核试题090509考核时间:至监考老师签名准考证号:单位:姓名:成绩:国家职业技能鉴定标准试题高级汽车修理工技能考核试题080419考核时间:至监考人员:准考证号:单位:姓名:成绩:国家职业技能鉴定标准试题高级汽车修理工技能考核试题080705得考核时间:至监考人员:准考证号:单位:姓名:成绩:国家职业技能鉴定标准试题得高级汽车修理工技能考核试题080419考核时间:至监考人员:准考证号:单位:姓名:成绩:国家职业技能鉴定标准试题高级汽车修理工技能考核试题090509准考证单位姓名成绩国家职业技能鉴定标准试题高级汽车修理工技能考核试题080419汽车高级维修工复习记录表姓名:。
高级汽车修理工实操复习题31、活塞连杆的检验(1)本题分值:55分。
(2)考核时间:60min(3)考核形式:实操。
(4)具体考核要求:a)能检验活塞;检验活塞的工具:游标卡尺、卡簧钳、塞规、活塞环装运钳以及活塞销的拆装工具。
1)检验活塞表面磨损及烧蚀,2)检验活塞环的加装情况,第一道为矩形环路、第二道为锥形环路,第三道为油环,每道环路的环口应当间隔90-180度,3)用塞规测量侧隙(活塞环与环槽之间的间隙0.02-0.05mm),4)检测活塞环开口间隙,第一道0.03-0.45mm,第二道0.25-0.40mm,第三道0.25-0.50mm,5)活塞销拆卸(1)使用油压机(2)在60度的热水或热油浸泡后再拆卸。
b)能够检验连杆;工具有连杆校正器,内径千分尺,塞规1)检测连杆的伸展和歪曲,采用三点规测量,伸展与歪曲度在100mm长度上不大于0.03mm,2)连杆铜套的拆装,铜套与连杆是过盈配合,铜套与活塞销的配合间隙0.005-0.014mm以大拇指缓缓将活塞销推入连杆铜套为宜c)推论活塞和连杆与否合乎技术标准。
通过上面两项检测,可以表明连杆和活塞是否合格(5)驳斥项表明:发生重大事故不罚球。
1、起动机检修(1)本题分值:55分。
(2)考核时间:60min(3)考核形式:实操。
(4)具体考核要求:a)能够恰当的采用试验工具对起动机展开全面检测。
工具存有千分表、v形支架、游等标卡尺、深度游标卡尺、欧姆表或是万用表、弹簧秤、蓄电池、电流表或万用表,扭力扳手,锯条。
1)用千分表检测电枢轴的弯曲度,挂差不少于0.1mm,2)官擦轴上的花键齿槽与否磨损轻微或损毁,3)电枢轴轴颈与衬套的协调间隙严禁少于0.15mm,4)用千分表检测整流子的径向圆跳动,最大允许为0.05mm和观察其表面的污浊几烧蚀情况,5)用游标卡尺测量整流子的直径,标准值在30.0mm-29.0mm,3)检测高部凹槽的深度标准为0.6mm,最轻0.2mm,需用锯条复原,6)用欧姆表检测整流子与否断路和乘铁,7)用欧姆表检测励磁绕组与否断路和乘铁,8)用弹簧秤测量电刷弹簧的弹力,标准为17-23n,最小为12n,9)用欧姆表检测电刷架是否导通,导通需更换,10)观测离合器及驱动齿轮的磨损和损毁情况,用扭力扳手测试离合器与否爆胎或卡滞,测得力矩应当大于24-26n*m,11)电磁开关吸拉测试将蓄电池的负极接在启动机的接线柱3上,正极接在2上,小齿轮能伸出就正常,12)电磁控制器维持测试,将蓄电池的负极与接线柱2相连接,负极直奔启动机外壳,小齿轮仍能够维持张开边线就正常,13)电磁开关铁心复位测试,将蓄电池正极与启动机接线柱2连接,当拆下蓄电池与启动机外壳的负极接线柱夹5后,小齿轮应迅速返回原来位置,如不能说明弹簧失效,14)启动机短程测试,在启动机与蓄电池之间接通电流表,蓄电池负极直奔启动机外壳,此时若用线拨打接线柱1、2,启动机应能够均衡运转,其电流应当大于50a。
汽车维修高级工试题库与参考答案一、单选题(共66题,每题1分,共66分)1.天气寒冷时,向车内提供暖气,以提高车厢内温度的装置是( )。
A、暖风装置B、制冷装置C、送风装置D、加湿装置正确答案:A2.下列不是发动机活塞敲缸异响的原因( )。
A、活塞与汽缸壁间隙过大B、连杆弯曲、扭曲变形C、活塞裙部磨损过大或汽缸严重失圆D、轴承和轴颈磨损严重正确答案:D3.发动机汽缸盖上的气门座裂纹最好的修理方法是( )。
A、堵漏法B、焊修法C、磨削法D、粘接法正确答案:D4.如果前轮轮胎呈现胎冠两肩磨损、中部磨损、单边磨损、锯齿状磨损、波浪状磨损等。
若呈现无规律磨损,则为( )原因造成。
A、轮胎气压过低B、各部松旷、变形、使用不当或轮胎质量不佳C、前轮外倾过小D、为前束过小或负前束正确答案:B5.发动机排放超标产生的原因有( )。
A、各缸缸压升高B、真空管漏气C、点火系有故障D、润滑系正确答案:C6.德国的奔驰轿车采用下列( )项方法调整气门间隙。
A、逐缸调整法B、两次调整法C、不用调整D、垫片调整法正确答案:D7.手动变速器总成竣工验收时,进行无负荷试验时间各挡运行应大于( )min。
A、5B、15C、10D、20正确答案:C8.实验中将小功率灯泡接于电路中,可以判断调节器的( )。
A、管压降B、功率C、搭铁形式D、调步频率正确答案:C9.发动机怠速运转不好,可能( )运转不良。
A、中速B、高速C、低速D、中速、高速、低速均正确正确答案:C10.气门弹簧的作用是使气门同气门座保持( )。
A、紧密闭合B、间隙C、一定的接触强度D、一定距离正确答案:A11.当发动机曲轴中心线弯曲大于( )mm时,曲轴须加以校正。
A、0.025B、0.015C、0.10D、0.05正确答案:D12.连接空调管路时,应在接头和密封圈上涂上干净的( )。
A、煤油B、机油C、冷冻油D、润滑脂正确答案:C13.活塞环磨损严重,应该( )。
目录第四部分操作技能考前辅导一、发动机各总成的大修………………………………………………………试题一:检测、调整柴油机喷油器……………………………………………试题二:检测、调整发动机燃油、点火和排放系统……………………………二、底盘各总成的大修……………………………………………………………试题一:手动变速器(三轴)的检修…………………………………………试题二:液压制动系统的大修…………………………………………………试题三:后桥主减速器的检修…………………………………………………试题四:动力转向器的检修……………………………………………………三、电器各总成的检修……………………………………………………………试题一:掌握蓄电池的检测方法…………………………………………………试题二:发电机的性能测试与修理………………………………………………试题三:起动机的检修与试验…………………………………………………试题四:空调系统压力的检查…………………………………………………四、发动机的故障诊断与排除…………………………………………………试题一:诊断与排除发动机连杆轴承的异响…………………………………试题二:诊断与排除凸轮轴的异响………………………………………………试题三:诊断与排除发动机不能起动的故障……………………………………试题四:诊断与排除发动机动力不足的故障……………………………………试题五:诊断与排除发动机油耗超标的故障……………………………………试题六:诊断与排除发动机机油油耗超标的故障…………………………………试题七:诊断与排除发动机排放超标的故障……………………………………试题八:诊断与排除电喷发动机怠速不稳,运转不稳的故障……………………试题九:诊断与排除电喷发动机回火、放炮的故障………………………………五、底盘的故障诊断与排除……………………………………………………试题一:诊断与排除万向传动装置异响的故障……………………………………试题二:诊断与排除离合器异响的故障…………………………………………试题三:诊断与排除变速器异响的故障…………………………………………试题四:诊断与排除前轮摆振的故障……………………………………………六、电器故障的诊断与排除……一……………………………………………试题一:汽车空调系统完全不制冷故障的诊断与排除……………………………试题二:汽车空调系统制冷不足故障的诊断与排除………………………………第五部分操作技能试题精选试题一:汽车前轮定位角度的测量………………………………试题二:后轮前束、后轮外倾角的测量…………………………………………试题三:空气流量传感器的检测…………………………………………试题四:节气门位置传感器的检测………………………………………………试题五:冷却液温度传感器的检测………………………………………………试题六:氧传感器的检测一……………………………………………………试题七:喷油器的检测…………………………………………试题八:空调不出风故障的诊断与排除…………………………………………试题九:空调制冷失控故障的诊断与排除…………………………………………试题十:起动时可点火,但发动机不能运行故障的诊断与排除………………试题十一:发动机有个别气缸不工作故障的诊断与排除………………第四部分操作技能考前辅导一、发动机各总成的大修试题一:检测、调整柴油机喷油器l.训练准备1)一台发动机、起动设备、带有数字显示电压的电源插座一只2)YC6105QC发动机的A型喷油泵。
3)喷油泵试验台。
4)常用修理工具1套,棉纱。
2.训练要求1)正确检测柴油机喷油器。
2)能够调整柴油机喷油器。
3)正确判断柴油机喷油器的好坏。
3.训练时间:60min。
4.技术标准供油提前角为18 º±2 º。
5.基本操作步骤柴油机的喷油泵种类很多,下面以YC6 1 05 QC发动机的A型喷油泵为例介绍发动机喷油提前角的检测与调整。
1)喷油泵各缸供油时间的检查与调整①将油量控制杆推至最大喷油位置。
②利用喷油泵试验台部专设的高压输油泵供给高压柴油(压力应调整在3.92 MPa 以上),通过油路转换阀进入喷油泵油腔中。
当柱塞处于下止点,柱塞套上的进油孔露出时,高压柴油便克服出油阀弹簧压力把出油阀顶开,柴油从标准喷油器的回油管中流出。
③缓慢转动喷油泵凸轮轴,使第一缸柱塞(靠近联轴器一端的柱塞)逐渐上行到柱塞刚刚遮住柱塞套上的进油孔时,高压油被切断,回油管立即停止流油。
这就是第一缸柱塞的开始喷油时刻。
④此时,将试验台上的指针对正刻度盘的零度,这样反复试验几次,最后确定指针在刻度盘的位置。
⑤第一缸柱塞开始喷油时,要求联轴器上的刻线记号与喷油泵壳体前盖上的记号对正(正时刻度线),若已超过刻线,应将A型泵挺柱上的正时调整螺钉适当旋出。
若未达到刻线,应将挺柱上的调整螺钉适当旋人。
经反复调整,直到刻线对正,第一缸柱塞的开始喷油时刻调整结束。
⑥第一缸柱塞调整结束后,以第一缸为基准,调整其他各缸的喷油间隔时间。
六缸发动机可按1—5—3—6—2—4喷油间隔角60 º进行检调,各缸喷油间隔角误差为±0.5 º。
2)供油提前角的检查与调整①拧松喷油泵的第一缸高压油管接头螺母。
②用手摇把或其他可以使曲轴盘动的工具顺时针慢慢盘动曲轴,直至出油阀的油面开始波动为止。
③观察V带轮减振器上的刻度盘与上止点指针所指的刻度值是否在160~20 o围④松开空压机与喷油泵之间联轴器的两个紧固螺栓。
⑤缓缓地转动供油自动提前器,见图4一l。
将供油自动提前器向外旋转可加大供油提前角,向里旋转则相应减小。
⑥拧紧联轴器的两个紧固螺栓。
⑦复测供油提前角,如不符合要求,应重新调整,直到符合要求为止。
3)喷油器的调校①准备工作:喷油器未调试前,应做好喷油器试验器使用准备工作,确保试验器的压力表指示正确。
进行试验器密封性试验,关闭油路后,将油压泵调至29.4MPa,历时3min,油压下降值应不大于0.98MPa。
试验器用油应为沉淀后的l一空压机曲轴2一喷油泵传动凸缘周定螺钉3一第一缸分泵出油口4一喷油泵5一供油自动提前器”0”号轻柴油。
②喷油器密封性试验:以每秒三次的速度均匀地掀动手油泵柄,直至开始喷油。
在此之前,喷油器不得出现滴漏。
允许喷油后有微量潮湿,但不应形成油液聚滴现象。
③喷油压力的检查a.首先拆下锁紧螺母,旋松调整螺钉,然后将喷油器装到专用的试验器上进行检查与调整,如图4—2所示。
b.喷油压力的调整。
压动燃油泵手柄,排除留在油管和喷油器的空气,以60次/min的速度压动燃油泵手柄,同时观察喷油过程中压力表上的读数。
如果压力不符合规定,可调整调节螺钉。
调整后,拧紧锁紧螺母。
c.喷雾质量的检查。
检查时以120次/min的速度压动燃油泵手柄。
观察喷油器喷出的油雾束,油雾束应细小均匀,无油滴飞溅现象。
对多孔喷油器,各孔应各自形成一个雾化良好的均匀油雾束。
轴针式喷油器应喷出雾化良好的伞形油雾束。
6.评分标准检测、调整柴油机喷油器评分标准见表4—1。
表4-1检测、调整柴油机喷油器评分表试题二:检测、调整发动机燃油、点火和排放系统1.训练准备1)一台发动机、一只数字万用表。
2)汽油发动机分析仪、MExA—324F型汽车排气分析仪等汽车检测工具及设备。
2.训练要求正确检测调整发动机燃油、点火和排放系统。
3.训练时间60min。
4.技术标准技术标准在操作步骤里面。
5.基本操作步骤1)燃油压力的检测①关断点火开关,将燃油压力表接在供油管和分配油管之间,见图4-3。
a.测量怠速及节气门全开时的燃油压力。
b.测量拔下燃油压力调节器真空软管后的燃油压力表。
②打开点火开关,怠速运行,打开燃油压力表阀门,燃油压力表指示的系统压力应为(250±20)kPa。
③从燃油压力调节器上取下真空软管,燃油压力表指示的调节压力应为(300±20)kPa。
④重新接回真空软管,关断点火开关,10min后,压力不应低于150kPa。
如压力下降较快,应检查燃油泵上的止回阀和燃油系统的密封性能。
2)燃油泵工作电压的检测①测试条件:蓄电池电压正常,燃油泵熔丝、燃油滤清器、燃油泵继电器均正常。
②接通点火开关,应能听到燃油泵起动的声音。
③起动发动机,用数字万用表测量导线上端子1和端子3之间的电压,见图4—4。
电压的额定值应为蓄电池的电压(12V左右),如达不到,应查找断路故障。
如果不存在断路故障,则说明燃油泵有故障,应更换。
3)发动机点火提前角的检测与调整①通过变速器壳体上的观察窗,将发动机第一缸置于压缩行程上止点。
②使凸轮轴正时带轮上的标记与气门室罩盖底面平齐。
③使机油泵驱动轴端的扁形缺口与曲轴方向平行。
④将分电器的分火头指向分电器壳体上的第一缸标记,然后装入分电器。
⑤拆下发动机上有关的盖罩,将阻风门开至最大位置;关闭用电设备;发动机冷却液温度应至少为80 0C;机油温度达到600C;拔掉单个真空吸管分电器的真空软管;检查并调至规定怠速,怠速转速应在(800±50)r/min,变速器置于空挡。
⑥将正时灯的触发线接在第一缸的高压线上,将正时灯的两个电源接头接在蓄电池的正负极上。
⑦用正时灯照射正时记号处,应使记号对正上止点前110~130的地方。
否则,可旋松分电器固定螺钉,旋转分电器盘调整提前角,直到校准1l0一130后,旋紧固定螺钉。
4)点火开关电路的检测:打开点火开关,用数字万用表的直流电压挡测量点火控制器端子上的电压,可检查电子点火控制器、霍尔传感器及有关线路的故障。
电子点火控制器线路连接图见图4—5。
用万用表的黑笔搭铁,红笔搭接电子点火控制器端子,查看电压大小是否符合技术要求,如不符合,说明电子点火控制器、霍尔传感器或有关电路有故障。
5)点火线圈的检测①用数字万用表电阻挡检查点火线圈的电阻。
一次绕阻的电阻应为0.52~0.76Ω,二次绕组的电阻应为2400~3500Ω。
若测得的电阻与上述数值不符,则需更换点火线圈。
同时应保证点火线圈绝缘盖板清洁、干燥,防止漏电。
②用试灯进行检查。
将220V交流试灯接在一次绕组两端的接线柱上,灯亮则表示无断路故障,否则为断路故障。
将试灯的一端接低压接线柱,一端接外壳,如灯亮则表示有搭铁故障,否则为良好。
对于二次绕组,将试灯的一端触针接高压插孔,另一触针接低压接线柱时,如试灯发出亮光,说明有短路故障;如试灯暗红,说明无故障;如试灯根本不发亮,则将触针在接线柱上移动,看有无火花发生,如没有则说明绕组已断路。
6)霍尔传感器的检测。
(以桑塔纳2000JV型发动机的霍尔传感器为例)为了排除干扰因素,霍尔传感器的检测应在点火线圈、电子点火控制器及连接导线检查都正常的情况下进行。