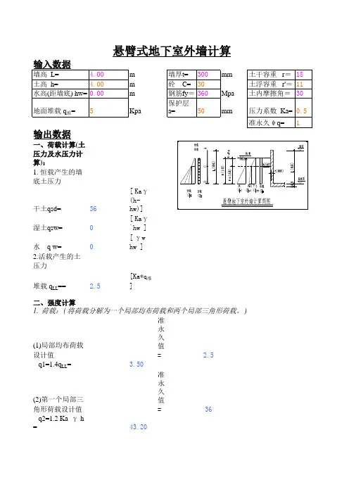
地下室外墙计算(悬臂)
- 格式:xls
- 大小:53.00 KB
- 文档页数:1
输出数据
一、荷载计算(土压力及水压力计算):
1. 恒载产生的墙底土压力
干土qsd=36[Kaγ
湿土qsw=0[Kaγ`hw ]
水 q w=0[γw hw ]
2.活载产生的土压力
堆载 q LL== 2.5[Ka*q堆 ]
二、强度计算
(1)局部均布荷载设计值准永久值= 2.5
q1=1.4q LL= 3.50
(2)第一个局部三角形荷载设计值准永久值=36
q2=1.2 Ka γ h =43.20
(3)第二各局部三角形荷载设计值准永久值=0
q3=1.2 (qsw1+qw-Kaγhw) =0.00局部三角形荷载长度 hw=0.00m 2. 支座弯矩设计值及配筋计算:
(1)局部均布荷载产生 M1 = q1* h2 / 2=28M1q=20
(2)局部三角形产生 M2 = q2 * h2 / 6 =115.2M2q=96
(3)局部三角形产生 M3 = q3 * hw2 / 6 =0M3q=0
支座弯矩M B=M1+M2+M3=KN.m
支座配筋: As支座=2 (As,min =600mm2)
三、裂缝计算:
1.
选配支座抗裂筋:输入)算裂缝保护层a=输入) 2.
悬臂式地下室外墙计算
查静力计算手册:局部均布荷载作用下支座弯距系数为1/2。
局部三角形荷载作用下支座弯距系数为1/6。
1. 荷载:(将荷载分解为一个局部均布荷载和两个局部三角形荷载。
)。
地下室外墙计算书1、地下室外墙(DWQ1)计算主动土压力系数Ka取0.5土重度r=18KN/m³无地下水地下室9.9m深按单向板计算主动土压力q土=rHKa=18x0.5x9.9=89.1KN/m 地面荷载产生侧压力q活=10x0.5=5KN/m①竖向配筋计算计算简图三种压力产生的弯矩①地下二层弯矩支座基本组合弯矩值=(Ms+Mw)x1.27+1.4xMm=168.6KN·m支座准永久组合弯矩值=Ms+Mw+0.5Mm=129.9 KN·m跨中基本组合弯矩值=(Ms+Mw)x1.27+1.4xMm=81N·m跨中准永久组合弯矩值=Ms+Mw+0.5Mm=61.9KN·m②地下一层弯矩支座基本组合弯矩值=(Ms+Mw)x1.27+1.4xMm=147.1KN·m支座准永久组合弯矩值=Ms+Mw+0.5Mm=106.4KN·m跨中基本组合弯矩值=(Ms+Mw)x1.27+1.4xMm=67.2N·m跨中准永久组合弯矩值=Ms+Mw+0.5Mm=46.2KN·m假设壁厚地下二h2=350,地下一h1=300,混凝土强度C35(1)地下二层配筋地下室外墙外侧查表可知选筋C16@100的裂缝(0.20mm)和承载力弯矩分别为134.76KN·m、233.2KN·m,大于支座计算准永久弯矩129.9KN·m和基本组合弯矩168.6KN·m,满足要求。
且配筋率0.574%,合适。
地下室外墙内侧侧查表可知选筋C12@100的裂缝(0.20mm)和承载力弯矩分别为91.61KN·m、122.1KN·m,大于支座计算准永久弯矩61.9KN·m和基本组合弯矩81KN·m,满足要求。
且配筋率0.323%,合适。
∴外侧钢筋选配C16@100 As=2011mm²/m内侧钢筋选配C12@100 As=1131mm²/m(2)地下一层配筋地下室外墙外侧查表可知选筋C16@100的裂缝(0.20mm)和承载力弯矩分别为112.72KN·m、175.1KN·m,大于支座计算准永久弯矩106.4KN·m和基本组合弯矩147.1KN·m,满足要求。
《悬臂式挡土墙计算》悬臂式挡土墙计算摘要:悬臂式挡土墙是一种广泛应用于土木工程中的支挡结构,具有结构简单、自重轻、施工方便等优点。
本文将详细介绍悬臂式挡土墙的计算方法,包括稳定性分析、承载力计算等方面,为相关工程提供参考。
一、引言悬臂式挡土墙是一种利用钢筋混凝土材料制成的支挡结构,主要依靠墙身的自重和墙底板上的填土重量来保持自身稳定。
在土木工程中,悬臂式挡土墙广泛应用于路肩挡土墙、河岸护坡等领域。
为了确保悬臂式挡土墙在设计和施工过程中具有足够的稳定性和承载力,本文将详细介绍其计算方法。
二、悬臂式挡土墙的基本概念悬臂式挡土墙是由立板和底板两部分组成的一种支挡结构,其中立板根据墙高和地基情况可采用等厚度或变厚度设计。
底板通常采用变厚度设计,以满足弯矩传递和抗剪切力的要求。
悬臂式挡土墙的设计主要依据《混凝土结构设计规范》(GB50010-2010)和《建筑地基基础设计规范》(GB50007-2011)等标准。
三、悬臂式挡土墙的计算1、稳定性分析悬臂式挡土墙的稳定性是其设计中的关键因素之一。
根据《建筑地基基础设计规范》(GB50007-2011),挡土墙的稳定性分析应包括抗滑稳定性、抗倾稳定性、地基稳定性三个方面。
具体计算方法可参考规范中给出的公式进行计算。
2、承载力计算悬臂式挡土墙的承载力计算也是设计中的重要环节。
根据《混凝土结构设计规范》(GB50010-2010),挡土墙的承载力设计应满足正常使用时的极限状态要求。
具体计算方法可参考规范中给出的公式进行计算。
四、关键问题分析1、稳定性的保证为了保证悬臂式挡土墙的稳定性,除了进行理论计算外,还需要采取一些有效的工程措施,如增加墙身配筋、加大底板厚度、设置排水设施等。
2、承载力的校核在进行悬臂式挡土墙的设计时,需要根据实际情况对承载力进行校核。
除了按照规范进行理论计算外,还需要考虑实际荷载情况、地质条件等因素对承载力的影响。
五、结论悬臂式挡土墙作为一种常见的支挡结构,在土木工程中具有广泛的应用前景。
悬臂式挡土墙计算
悬臂式挡土墙是一种常用的挡土结构,在建筑工程中应用广泛。
本文将详细介绍悬臂式挡土墙的计算方法,旨在为相关工程人员提供指导意义。
1.悬臂式挡土墙的定义
悬臂式挡土墙是一种基于挡土板的结构,其设计最大限度地利用了挡土板的弯曲和剪切性能。
悬臂式挡土墙面板的下部被埋入固定土体,以克服地面反作用力产生的侧向压力。
悬臂式挡土墙可分为重力式和弹簧式两种类型。
2.悬臂式挡土墙的计算方法
设计悬臂式挡土墙的关键是确定其最大抗倾覆力矩。
在计算抗倾覆力矩时,需要考虑以下几个因素:
(1)土体侧向压力
土体在侧向受力的情况下会向外发生侧向压力,这种压力是造成悬臂式挡土墙倾覆的主要因素。
在计算抗倾覆力矩时,如果能正确估计土体侧向压力的大小,可以有效地减少挡土墙的倾覆风险。
(2)土体抗倾覆能力
悬臂式挡土墙设计时需要考虑垂直于挡土墙面包容土体体积内的
土体受力情况和土体的抗倾覆能力。
土体的抗倾覆能力与其内聚力、
内摩擦角、土体密度以及潮湿度等参数密切相关。
(3)土体连通性
土体的连通性在悬臂式挡土墙设计时也是非常重要的因素之一。
在设计挡土墙时需要确保土体连通性高,在将水从墙内排出时可以增
加土体的稳定性。
3.结语
悬臂式挡土墙的计算方法需要考虑许多因素,包括土体侧向压力、土体抗倾覆能力和土体连通性等。
在设计中,我们应该根据实际工程
情况进行合理的设计,以确保悬臂式挡土墙的安全、稳定和经济性。
通过科学的计算方法和合理的设计方案,我们可以建造出更加安全、
优良的悬臂式挡土墙。
悬臂式挡土墙计算书项目名称_____________日期_____________设计者_____________校对者_____________一、示意图:二、基本资料:1.依据规范及参考书目:《水工挡土墙设计规范》(SL379-2007),以下简称《规范》《水工混凝土结构设计规范》(SL 191-2008),以下简称《砼规》《水工建筑物荷载设计规范》(DL 5077-1997)《水工挡土墙设计》(中国水利水电出版社)2.断面尺寸参数:墙顶宽度B1 = 0.50m,墙面上部高度H = 3.40m前趾宽度B2 = 1.00m,后踵宽度B3 = 2.00m前趾端部高度H2 = 0.30m,前趾根部高度H4 = 0.60m后踵端部高度H1 = 0.30m,后踵根部高度H3 = 0.60m墙背坡比= 1 : 0.200,墙面坡比= 1 : 0.000挡土墙底板前趾高程=0.00 m,底板底部坡比=0.000 : 1墙前填土顶面高程▽前地=0.80 m,墙前淤沙顶面高程▽沙=0.00 m 3.设计参数:挡土墙的建筑物级别为4级。
抗震类型:非抗震区挡土墙。
水上回填土内摩擦角φ=21.00度,水下回填土内摩擦角φ' =21.00度回填土凝聚力C =10.30kN/m2采用等代内摩擦角法计算粘性填土土压力。
地基土质为:中等坚实挡土墙基底面与岩石地基之间的抗剪断摩擦系数f' =0.60挡土墙基底面与岩石地基之间的抗剪断粘结力c' =1.40 kPa 4.回填土坡面参数:回填土表面折线段数为:0段折线起点距墙顶高差=0.00 m填土面与水平面夹角β=0.00度5.材料参数:回填土湿容重γs=18.90kN/m3,回填土浮容重γf=10.00kN/m3混凝土强度等级:C20钢筋强度等级:二级,保护层厚度as = 0.300 m地基允许承载力[σo] = 100.00 kPa6.荷载计算参数:冰层厚度T b=0.30 m,静冰压力系数=0.870计算浪压力时采用的位置类型:丘陵、平原地区风区长度D =0.000 m,墙前河(库)底坡度i =1 : 0.00重现期为50年的年最大风速v o=0.000 m/s多年平均的最大风速v o' =0.000 m/s冻胀墙体变形系数m o=0.700,冻胀量Δhd=30.00 mm地震动态分布系数为梯形分布,最大值αm=2.00三、计算参数:3.计算公式:郎肯土压力计算公式如下:E =0.5×γ×H2×K aE x=E×cos(β)E y=E×sin(β)K a=cosβ×[cosβ-(cos2β-cos2φ)1/2]/[cosβ+(cos2β-cos2φ)1/2] (《规范》式式中:E为作用于墙背的土压力,作用点为距墙底1/3高处,方向与水平面成β夹角K a为主动土压力系数当墙后填土为黏性土,粘聚力C=10.30kN时:采用等值内摩擦角法计算主动土压力。
地下室外墙(挡土墙)的计算1 计算方法1、1计算简图①根据墙板长边与短边支承长度的比例关系,地下室外墙(挡土墙)、窗井外墙按双向板或单向板计算。
②对单层或多层地下室外墙,当基础底板厚度不小于墙厚时,可按底边固结于基础、顶边铰接于地下室顶板的单跨或连续板计算。
当基础底板厚度小于墙厚时,底边按铰接计算。
窗井外墙顶边按自由计算。
墙板两侧根据实际情况按固结或铰接考虑。
③墙板的支承条件应符合实际受力状态,作为墙板支座的基础与内墙(或扶壁柱),其内力与变形应满足设计要求。
1、2计算荷载图一地下室外墙压力分布地下室外墙承受竖向荷载与水平荷载。
竖向荷载包括地下室外墙自重、上部建筑(结构构件与围护构件)竖向荷载、地下室各层楼板传递的竖向荷载。
水平荷载包括土压力(地下水位以下为土水混合压力)、地下水压力、室外地面活荷载引起的侧压力、人防外墙等效静荷载。
2计算中需注意的问题2.1《全国民用建筑工程设计技术措施/结构/地基与基础》(2009年版)[1]第5、8、11条与《北京市建筑设计技术细则-结构专业》(2005版)[2]第2、1、6条对室外地面活荷载,建议取5kN/m2(包括可能停放消防车的室外地面)。
该规定适用于有上部结构的地下室外墙,且当考虑消防车时消防车重不超过30吨。
其出发点就是行车道距离建筑物外墙总就是有一定距离的,即一般情况下汽车不可能紧贴上部建筑外墙行驶(《城市居住区规划设计规范》、《建筑设计防火规范》等对室外行车道距离建筑物外墙的距离有明确规定),消防车更不可能紧贴上部建筑外墙进行消防扑救(因消防云梯车在工作时受云梯高度与仰角的制约必须与建筑物外墙保持一定距离)。
但就是,对于没有上部结构的纯地下车库,或处于上部结构范围之外的地下室外墙,以及消防车重超过30吨的,笼统地按5kN/m2计算就是有问题的,应当根据车道与地下室外墙的位置关系、地下室顶板覆盖层厚度及其应力扩散角、车辆轮压按实际情况计算。
2.2文[1]第5、8、5条计算水压力时,当勘察报告提供了地下室外墙水压力分布时,按勘察报告计算;当勘察报告未提供时,可取历史最高水位与近3~5年的最高水位的平均值(水位高度包括上层滞水),水压力按静止压力直线分布计算。
关于地下室外墙应如何计算关于地下室外墙应如何计算1计算方法1.1计算简图(1)根据墙板长边与短边支承长度的比例关系,地下室外墙(挡土墙)、窗井外墙按双向板或单向板计算.(2)对单层或多层地下室外墙,当基础底板厚度不小于墙厚时,可按底边固结于基础、顶边铰接于地下室顶板的单跨或连续板计算;当基础底板厚度小于墙厚时,底边可按铰接计算或按弯矩平衡计算.不论采用何种计算简图,均应采用适宜的构造做法.窗井外墙顶边按自由计算.墙板两侧根据实际情况按固结或铰接考虑.(3)墙板的支承条件应符合实际受力状态,作为墙板支座的基础和内墙(或扶壁柱),其内力和变形应满足设计要求.1.2计算荷载地下室外墙承受竖向荷载和水平荷载.竖向荷载包括地下室外墙自重、上部建筑(结构构件和围护构件)竖向荷载、地下室各层楼板传递的竖向荷载.水平荷载包括土压力(地下水位以下为土水混合压力)、地下水压力、室外地面活荷载引起的侧压力、人防外墙等效静荷载.2计算中需注意的问题(1)《全国民用建筑工程设计技术措施/结构/地基与基础》(2009年版)第5.8.11条和《北京市建筑设计技术细则-结构专业》(2005版)第2.1.6条对室外地面活荷载,均建议取5kN/m2(包括可能停放消防车的室外地面).该规定对于有上部结构的地下室外墙是适用的,且当考虑消防车时消防车重不超过30吨.其出发点是行车道距离建筑物外墙是有一定距离的,即一般情况下汽车不可能紧贴上部建筑外墙行驶(《城市居住区规划设计规范》、《建筑设计防火规范》等对室外行车道距离建筑物外墙的距离有明确规定),消防车更不可能紧贴上部建筑外墙进行消防扑救(因消防云梯车在工作时受云梯高度和仰角的制约必须与建筑物外墙保持一定距离).对于没有上部结构的地下车库外墙,或处于上部结构范围之外的地下室外墙,以及消防车重超过30吨的,若笼统地按5kN/m2计算就可能因地面荷载取值偏小而引起结构安全问题.这时候应当根据车道与地下室外墙的位置关系、地下室顶板覆盖层厚度及其应力扩散角、车辆轮压分布按实际情况计算.(2)《全国民用建筑工程设计技术措施/结构/地基与基础》(2009年版)第5.8.5条计算水压力时,当勘察报告提供了地下室外墙水压力分布时,按勘察报告计算;当勘察报告未提供时,可取历史最高水位和近3~5年的最高水位的平均值(水位高度包括上层滞水),水压力按静止压力直线分布计算.《北京市建筑设计技术细则-结构专业》(2005 版)第3.1.8条则相对更为简化,要求验算地下室外墙承载力时,水位高度可按最近3~5年的最高水位(水位高度包括上层滞水).当勘察报告缺少对地下水变化规律的描述,或勘察报告依据的场地标高与设计目标的差别可能影响设计结果时,应请勘察单位补充说明.如果勘察报告提供了抗浮设计水位,在计算地下室外墙承载力时应按抗浮设计水位计算.(3)计算地下室外墙土压力时,对采用大开挖方式施工的地下室,当没有护坡桩或连续墙支护时,地下室外墙土压力取静止土压力.《建筑地基基础设计规范GB50007-2011》第9.3.2条的条文说明指出,静止土压力系数宜通过试验测定,当无试验条件时,对正常固结土,静止土压力系数可按表24估算.静止土压力系数K=1-sinφ(φ为土的内摩擦角).当基坑支护采用护坡桩或连续墙时,除考虑支护结构和地下室外墙共同作用的情况外,地下室外墙土压力按静止土压力系数K乘以折减系数0.66计算(《全国民用建筑工程设计技术措施/结构/地基与基础》(2009年版)第5.8.11条,《北京市建筑设计技术细则-结构专业》(2005版)第2.1.16条).例如,北京地区静止土压力系数K一般取0.5,乘以折减系数0.66后即为0.33.(4)计算地下水位以下土对地下室外墙的侧压力时,土的重度应取有效重度:有效重度=饱和重度-水重度(水的重度取10kN/m3).注意,不能用天然重度减去水重度来计算有效重度,这是错误的概念.当勘查报告只提供了土的天然重度而没有提供饱和重度时,可根据报告提供的土粒比重(土粒相对密度)和孔隙比求出饱和重度,即:饱和重度=[(土粒比重-1)/(1+孔隙比)]×水重度,或根据勘察报告提供的其他参数计算有效重度,必要时应请勘察单位补充.有效重度一般在8~13kN/m3,北京地区一般第四纪土的有效重度可取11kN/m3.(5)《全国民用建筑工程设计技术措施/结构/地基与基础》(2009年版)第5.8.11条提出,配筋计算时,地下室外墙的侧向压力分项系数取1.3.这是指在完成荷载组合之后,对其荷载效应乘以该分项系数,适用于仅考虑水平荷载的情况.从受力状态上讲,地下室外墙属于压弯构件,同时存在水平荷载和竖向荷载.一般情况下,地下室外墙计算时可以忽略竖向荷载作用,是因为竖向荷载引起的效应在荷载效应组合中所占比例很低,对配筋结果的影响很小.但是对于地下室外墙上部有较大荷载的情况,例如地下室外墙与上部结构剪力墙相连的情况,当竖向荷载较大已经不可忽略时,仍应按恒、活荷载效应的比例确定具体分项系数,按压弯构件计算,并与按纯弯计算的结果比较,选较大值作为配筋设计的依据.(6)计算地下室外墙配筋时,如果考虑地下室外墙扶壁柱的支承作用,就必须考虑按外墙传递的荷载计算扶壁柱的内力和变形.当扶壁柱与上部结构框架柱相连时,扶壁柱的内力要考虑上部结构的整体作用.当上部结构的柱距较大时,可在地下室外墙加设扶壁柱,用以减小墙板的跨度,进而减小扶壁柱承担的水平荷载.当扶壁柱承担较大的上部结构传递的竖向荷载时,应按压弯构件计算.当扶壁柱承担的竖向荷载较小时,例如仅地下室设置的扶壁柱,可按底端固结、顶端连续的竖向单跨梁(或连续梁)计算.(7)对剪力墙结构的地下室挡土墙,应尽可能利用垂直于外墙方向的剪力墙作为外墙板的支座,按双向板计算配筋.对框架结构的地下室挡土墙,按竖向单向板计算配筋较为稳妥.挡土墙配筋可以采用通长钢筋+附加短筋(竖向、水平或两者兼有)的方式,而不必一律通长,可以节约钢材.对平面长度较大的窗井墙,可在其中部设置内隔墙作为窗井墙的支座,根据窗间墙长度确定工字形截面,按底部嵌固于基础、顶部铰接于地下室顶板的竖向梁计算其承载力和变形.图2设有内隔墙的窗井墙(8)根据一般民用建筑工程混凝土结构所处的环境类别,外墙外侧钢筋的混凝土保护层厚度取30mm已经足够,如无特殊需要,不必加厚.对《地下工程防水技术规范》(GB50108-2008)第4.1.7条的规定应慎重对待.设有防水层的人防外墙,混凝土保护层厚度取30mm.(2009年版全国民用建筑工程设计技术措施-防空地下室)(9)地下室外墙的厚度,当有防水要求时不小于250mm,具体厚度应根据计算确定.当为多层地下室时,其外墙可根据侧向压力、层高的大小,自下而上逐层减小墙厚,以节约混凝土和钢材.如果层高较大且室内有回填土及刚性地坪时,可以利用刚性地坪减小外墙的计算高度.此时,应要求施工时先回填室内,后回填室外,回填土的压实系数不应小于0.94.当有条件时,可在外墙根部设置加腋或地梁,用以减小外墙的计算高度.加腋或地梁的刚度应能约束外墙使之符合计算简图.当地下室外墙计算时确定底部为固结支座(即外墙固结于基础),侧壁底部与相连的基础底板应满足弯矩平衡条件,底板的抗弯能力不应小于侧壁.尤其对窗井外墙、地下车道外墙敞口段,车道侧壁等悬臂构件,要特别注意底板的抗弯能力不应小于侧壁底部.同时,对于地下室顶板开洞部位(如楼梯间、地下车道),地下室外墙顶部没有楼板支撑,应注意计算模型的支座条件和配筋构造要与实际情况相符.(10)由于一般地下室外墙所受弯矩是底部最大,因此一般竖向钢筋置于外层,水平钢筋置于内层,使挡土墙在承受水平荷载时有效高度最大,抗弯能力最高.《混凝土结构施工图平面整体表示方法制图规则和构造详图(现浇钢筋混凝土框架、剪力墙、梁、板)16G101-1》规定地下室外墙的水平筋在内层,但当设计有不同要求时,应按设计要求施工.需要注意的是,当大多数墙板的两侧弯矩相较于底端为大时,就应改变竖向钢筋和水平钢筋的内外位置,保障最大的有效高度.(11)地下室外墙的混凝土强度等级应尽量采用较低等级,以不超过C30为宜.因为混凝土强度等级越高,水泥用量越大,就越容易产生收缩裂缝.当地下室外墙(或扶壁柱)与上部结构剪力墙(或框架柱)相连时,若上部结构剪力墙(或框架柱)的混凝土强度等级高于地下室外墙的混凝土强度等级,应通过计算确定地下室外墙的混凝土强度等级,此时,不应简单地将地下室外墙的混凝土强度等级取与上部结构相同.混凝土强度等级的确定,尚应符合规范规定的环境类别.当地下室有防水要求时,根据相关规范,地下室外墙的抗渗等级应由最大水头与墙厚之比确定,且不应低于P6.3结论地下室外墙(挡土墙)既承担竖向荷载,亦承担水平荷载,经济、合理地设计地下室外墙,对结构安全、投资优化都会产生积极的影响.本文简单地讨论了地下室外墙(挡土墙)计算的相关问题,期待各位同行批评指正.。
1-计算原理Principes de calcul (1)1.1-计算尺寸Dimensions de calcul (1)1.2-计算模式Modèle de calcul (1)2 -计算参数及材料Hypothèse de calcul et matèriaux (2)2.1-计算规范及参数Normes appliquées et paramètres de calculs (2)2.2-材料特性Caractéristiques des matériaux (3)2.2.1-混凝土Béton (3)2.2.2 钢筋Aciers (3)3 - 荷载Charges (4)3.1 计算模型Modèle de calcul (4)3.2- 墙身土压力及活载Poussée des terres et de la surcharges (5)3.2.1-非地震状态En service (5)3.2.2-地震状态Poussée de terres sous séisme (7)3.3 凸榫土压力butée des terres sur la bêche (8)3.4 基础土压力Poussée des terres sur la semelle (9)3.5 地震下自重惯性力Effort d'inertie sous séisme du poids propre (10)3.6- 荷载组合Combinaison de charges (10)3.6.1- E.L.U (10)3.6.2- E.L.S (11)3.6.3- E.L.A (11)4 -结构计算Calcul de la structure (11)4.1-单项作用力Actions simples (11)4.2-墙身各单项力计算Calcul des actions simples du mur (12)4.2.1-墙体自重(P M_wall) Poids propre du mur droit(P M_wall) (12)4.2.2-墙身主动土压力Poussée active des terres sur le mur (Pa_wall) (13)4.2.3-墙身车载压力计算Poussée due à la surcharge de la chaussée (Car wall) (14)4.2.4-地震墙身土压力计算Poussée des terres sur le mur sous séisme (Pad wall) (16)4.2.5-地震下墙身惯性力计算Effort d'inertie du mur sous séisme (P Mad) (17)4.3-基础各单项力计算Calcul des actions simples de la semelle (18)4.3.1-土压力对基础的作用Effet de la poussée des terres sur la semelle (19)4.3.2-基础自重作用计算Effet du poids propre sur la semelle (19)4.3.3-被动土压力计算Poussée passive des terres (20)5 - 截面配筋Ferraillage des sections (21)5.1 - 内力组合Combinaisions des efforts pour le voile (21)5.2 - 墙身截面配筋Ferraillage voile (22)5.3 - 基础截面配筋Ferraillage de la semelle (23)5.3.1-基底应力及基础脱空计算Contrainte du sol et soulèvement de la semelle (23)5.3.2 - 基础单项力汇总Actions de semelle (25)5.3.3 - 基础截面配筋Ferraillage de la semelle (25)6 - 稳定性验算Vérificaion de la stabilité (27)6.1 - 抗倾覆稳定性验算Vérification de la stabilité au renversement (27)6.2 - 抗滑动稳定性验算Vérification de la stabilité au glissement (29)1-计算原理Principes de calcul1.1-计算尺寸Dimensions de calcul挡墙高H+h1=6.8m。
说明:a)、基本资料外墙厚度t=550mm 土容重,γE=18.0kN/m 3室外地坪标高,GL=-3.00m 砼强度等级C30地下室顶板标高,Lv1=-5.00m 砼抗压强度设计值,fc=14.3N/mm 2地下室底板标高,Lvo=-11.00m砼抗拉强度设计值,ftk= 2.01N/mm 2承载力验算室外堆载,qo=20.0kN/m2钢筋强度设计值,fy=360N/mm 2裂缝宽度验算室外堆载,qo=10.0kN/m 2钢筋弹性模量,Es= 2.00E+05N/mm 2土侧压力系数,K=0.50钢筋相对粘结特性系数,ν=1.0承载力验算水位取值,Lvw1=-6.00m 荷载分项系数 1.35裂缝宽度验算水位取值,Lvw2=-6.00m 水容重,γw=10.00kN/m3b)、荷载计算1. 承载力验算的荷载(标准值) ①上部覆土及堆载产生的q11=28.00kN/m ②三角形荷载q12=K×γE×(Lv1-Lv0)=54.00kN/m ③三角形荷载q13=(1-K)×γw×(Lv1-Lv0)(当Lvw1>Lv1时), 或 =(1-K)×γw×(Lvw1-Lv0)(当Lvw1<Lv1时)=25.00kN/m 2. 裂缝宽度验算的荷载(标准值) ①上部覆土及堆载产生的q21=23.00kN/m ②三角形荷载q22=K×γE×(Lv1-Lv0)=54.00kN/m ③三角形荷载q23=(1-K)×γw×(Lv1-Lv0)(当Lvw2>Lv1时), 或 =(1-K)×γw×(Lvw2-Lv0)(当Lvw2<Lv1时)=25.00kN/m1. 承载力验算水位根据地勘提供的抗浮水位取值,裂缝宽度验算水位根据地勘提供的常年平均水位取值。
2. 地下室外墙按顶板铰接,底板刚接的单向板进行计算。
悬臂式挡土墙计算书汇总在土木工程中,悬臂式挡土墙是一种常见的支挡结构,用于承受土体的侧向压力,保持土体的稳定和防止滑坡等灾害的发生。
悬臂式挡土墙的设计需要进行详细的计算,以确保其安全性和稳定性。
本文将对悬臂式挡土墙的计算书进行汇总和介绍。
一、悬臂式挡土墙的基本结构和工作原理悬臂式挡土墙主要由立壁、趾板和踵板三部分组成。
立壁是挡土墙的主要受力构件,承受土体的侧向压力;趾板位于挡土墙的底部前端,增加挡土墙的抗滑稳定性;踵板位于底部后端,增加挡土墙的抗倾覆稳定性。
其工作原理是通过墙体自身的重力、墙后土压力以及墙底地基的反力,共同维持墙体的平衡和稳定。
在设计计算中,需要考虑各种荷载的作用,以及墙体的强度、稳定性和变形等要求。
二、悬臂式挡土墙计算的主要内容1、土压力计算土压力的计算是悬臂式挡土墙设计的关键。
常用的土压力计算方法有库仑土压力理论和朗肯土压力理论。
根据土体的性质、墙高、墙背倾斜度等因素,确定土压力的大小和分布形式。
2、墙体稳定性验算包括抗滑移稳定性验算和抗倾覆稳定性验算。
抗滑移稳定性验算要确保挡土墙在水平土压力作用下不会发生滑移,抗倾覆稳定性验算要保证挡土墙不会绕墙趾发生倾覆。
3、墙体强度验算对立壁和底板进行正截面受弯和斜截面受剪强度验算,以保证墙体在受力情况下不会发生破坏。
4、地基承载力验算验算墙底地基的承载力是否满足要求,防止地基发生过大的沉降和不均匀沉降。
三、悬臂式挡土墙计算书的组成部分1、设计资料包括挡土墙的高度、墙背填土的性质、地基土的性质、荷载情况等。
2、土压力计算过程详细说明土压力的计算方法、参数选取和计算结果。
3、稳定性验算过程分别展示抗滑移稳定性和抗倾覆稳定性的验算公式、计算过程和验算结果。
4、墙体强度验算过程给出立壁和底板的弯矩、剪力计算结果,以及正截面受弯和斜截面受剪强度的验算过程和结论。
5、地基承载力验算过程介绍地基承载力的计算方法和验算结果。
6、配筋计算根据墙体强度验算结果,确定钢筋的布置和数量。
悬臂式挡土墙计算.docx **模板一:悬臂式挡土墙计算**1. 引言1.1 背景概述1.2 目的和范围1.3 参考资料2. 悬臂式挡土墙基本原理2.1 定义和构造2.2 作用机理2.3 主要组成部分3. 力学分析3.1 悬臂式挡土墙受力分析3.2 抗滑稳定性计算3.3 抗倾覆稳定性计算3.4 抗拔稳定性计算4. 计算步骤与方法4.1 参数设定4.2 抗滑稳定性计算步骤4.3 抗倾覆稳定性计算步骤4.4 抗拔稳定性计算步骤5. 计算示例5.1 抗滑稳定性计算示例5.2 抗倾覆稳定性计算示例5.3 抗拔稳定性计算示例6. 结果分析和讨论6.1 计算结果分析6.2 影响因素讨论6.3 结果可靠性评价7. 结论与建议7.1 结论总结7.2 建议和改进措施附录附件1:悬臂式挡土墙设计参数表格附件2:悬臂式挡土墙计算公式推导附件3:悬臂式挡土墙施工图纸法律名词及注释:1. 抗滑稳定性:指悬臂式挡土墙在承受外部力作用下,能够保持基底不发生滑动的能力。
2. 抗倾覆稳定性:指悬臂式挡土墙在承受外部力作用下,能够保持整体不发生倾覆的能力。
3. 抗拔稳定性:指悬臂式挡土墙在承受外部拉力作用下,能够保持墙体不发生脱离的能力。
**模板二:悬臂式挡土墙计算**1. 简介1.1 背景1.2 目的1.3 范围2. 定义和原理2.1 悬臂式挡土墙的定义2.2 悬臂式挡土墙的原理和构造3. 设计参数3.1 土壤参数3.2 墙体参数3.3 基底参数4. 悬臂式挡土墙受力分析4.1 抗滑稳定性分析4.1.1 滑移面的确定4.1.2 滑动力的计算4.1.3 滑动力的抵抗力计算 4.1.4 安全系数的评估4.2 抗倾覆稳定性分析4.2.1 倾斜面的确定4.2.2 倾覆力的计算4.2.3 倾覆力的抵抗力计算 4.2.4 安全系数的评估4.3 抗拔稳定性分析4.3.1 拔起面的确定4.3.2 拔起力的计算4.3.3 拔起力的抵抗力计算4.3.4 安全系数的评估5. 结果分析与讨论5.1 抗滑稳定性分析结果5.2 抗倾覆稳定性分析结果5.3 抗拔稳定性分析结果5.4 讨论与改进建议6. 总结附录附件1:悬臂式挡土墙设计参数表格附件2:悬臂式挡土墙计算公式推导附件3:悬臂式挡土墙施工图纸法律名词及注释:1. 抗滑稳定性:悬臂式挡土墙在承受外部力作用下,保持基底不发生滑动的能力。
《悬臂式挡土墙计算》Exceldocx《悬臂式挡土墙计算》悬臂式挡土墙是一种广泛应用于土木工程中的结构,它能够承受侧向土压力,保持墙体的稳定性。
在设计和建造悬臂式挡土墙时,需要进行一系列的计算和分析,以确保其具有足够的承载能力和稳定性。
下面我们将介绍悬臂式挡土墙计算的基本原理和Excel docx实现方法。
一、基本原理悬臂式挡土墙是一种利用重力作用和墙底摩阻力来保持稳定的结构,其基本原理是将挡土墙视为一个悬臂梁,通过计算其弯矩和剪力来设计挡土墙的截面尺寸和配筋。
根据弹性力学理论,悬臂梁的弯矩和剪力可由下式计算:弯矩:M(x) = ∫_{0}^{L} q(x,y)y dy剪力:Q(x) = ∫_{0}^{L} q(x,y)dx其中,q(x,y)为分布荷载,L为挡土墙的长度。
根据弯矩和剪力分布,可以计算出挡土墙的截面内力,从而确定其截面尺寸和配筋。
二、Excel docx实现方法为了方便计算和分析,我们可以使用Excel docx来实现悬臂式挡土墙的计算。
下面是一个简单的Excel docx模板,用于计算悬臂式挡土墙的弯矩和剪力分布。
1、打开Excel docx,创建一个新的工作表。
2、在第一列输入挡土墙的长度x的取值,以米为单位。
3、在第二列输入挡土墙的高度y的取值,以米为单位。
4、在第三列输入挡土墙底部的摩阻力系数μ,该系数可根据地质条件和经验数据进行调整。
5、在第四列输入挡土墙侧面的土压力强度p,该值可根据实际情况进行计算或调整。
6、使用Excel的函数SUM和∫,在第五列计算弯矩M(x):=SUM(B2:B3)C3+∫(B4:B5)C4D2:D3从0到L对yq(x,y)进行积分。
7、使用Excel的函数SUM和∫,在第六列计算剪力Q(x):=SUM(B2:B4)*C4+∫(B4:B6)D2:D4从0到L对xq(x,y)进行积分。
通过调整输入值,可以计算不同条件下悬臂式挡土墙的弯矩和剪力分布,从而进行截面设计和配筋分析。
悬臂式挡土墙计算悬臂式挡土墙计算1. 引言悬臂式挡土墙是一种常用的土木工程结构,用于抵抗土体水平推力和土体的自重,以保持土体的稳定,并防止土体滑移或坍塌。
本文将介绍悬臂式挡土墙的计算方法,包括挡土墙的设计要求、力学原理和计算公式等内容。
2. 设计要求2.1 挡土墙高度挡土墙的高度应根据地质条件、设计要求和使用目的来确定。
一般情况下,挡土墙的高度不应超过其底部宽度的3倍,以保证墙体的稳定性。
2.2 墙体稳定性挡土墙的稳定性包括抗倾覆稳定和抗推力稳定两个方面。
对于悬臂式挡土墙而言,主要考虑的是抗倾覆稳定。
挡土墙必须在水平推力和地震力的作用下保持稳定,以防止发生倾覆。
2.3 挡土墙材料挡土墙的材料一般采用混凝土或钢筋混凝土。
根据挡土墙的具体使用条件和要求,选择适当的材料和强度等级。
3. 力学原理挡土墙的设计基于力学原理,主要考虑以下几个力学特性:3.1 水平推力土体的自重和背后的土压力会产生水平推力,对挡土墙产生压力。
根据力学原理,这些推力必须得到合理的分配和抵消,以保持挡土墙的平衡。
3.2 倾覆力矩水平推力作用于挡土墙的中心点,会引起倾覆力矩。
为了保持挡土墙的稳定,必须确保倾覆力矩不超过墙体的抵抗矩。
3.3 土体的变形土体的变形会导致挡土墙的应力和应变变化,可能会破坏挡土墙的稳定性。
因此,需要考虑土体的变形特性,并采取适当的措施来控制土体的变形。
4. 计算公式根据上述设计要求和力学原理,可以使用以下公式对悬臂式挡土墙进行计算:4.1 挡土墙高度的计算公式:H = (qH + 0.5γH²)/(0.5γH) + βH其中,H为挡土墙的高度,q为土体的容许压力,γ为土体的单位重量,β为挡土墙后方填土的斜度。
4.2 悬臂式挡土墙的倾覆力矩计算公式:Mf = H * (qH + 0.5γH²)/2其中,Mf为挡土墙的倾覆力矩。
4.3 悬臂式挡土墙的水平推力计算公式:P = qH + 0.5γH²其中,P为挡土墙的水平推力。
一. 计算条件
地下室层高L =
3m 室内外高差b =
0m 地下室外墙厚h =
250
堆载p =
20土容重γ
15 地下水位为室外地坪下a =
0.5m 混凝土强度标号C30
f c =14.3N/mm 2 土层内摩擦角φ=15度
钢筋抗拉强度设计值
360 水容重γ水=10二. 荷载计算(取每延米板宽,按单向板计算)
(一)主动土压力
K a =tg 2(45°-φ/2)=
0.59 q1=K a [γa+(γ-10)(L-b-a)]=
11.78kN/m (二)水压力
q2=γ水(L-b-a)=25kN/m
(三)堆载
q3=Ka*p =
11.78kN/m 土压力 水压力堆载压力
三. 内力计算
(一)土压力引起的内力 底部负弯矩Mb =-q1*(L-b)2/6=
-17.66kN·m (二)水压力引起的内力
底部负弯矩Mb =-q2*(L-b-a)2/6=
-26.04166667kN·m (三)堆载引起的内力
底部负弯矩Mb =-q3*(L-b)2/2=
-52.99kN·m (一)基本组合(以永久荷载效应控制γG =1.35)
底部负弯矩S =γG S Gk +γQi ψci S Qik =-110.934kN·m
As 1=1815.304mm 2
As min =
500mm 2底部负弯矩实配钢筋面积2544.69mm 2(一)标准组合
底部负弯矩
S =S Gk +S Qik =-96.697kN·m 钢筋直径
18mm 间距100mm ω1s,max =0.42mm 地下室外墙计算(悬臂)。