地下室外墙计算(绝对经典)
- 格式:xls
- 大小:61.00 KB
- 文档页数:2
一. 计算条件地下室层高L = 4.5室内外高差b =0.9 地下室外墙厚h =300 堆载p =20土容重γ18 地下水位为室外地坪下a =1.1 混凝土强度标号C30f c =14.3N/mm 2土层内摩擦角φ=10 钢筋抗拉强度设计值360 水容重γ水=10二. 荷载计算(取每延米板宽,按单向板计算)(一)土压力K 0=1-sin φ=0.826352 q1=K 0(γa+(γ-10)(L-b-a))=32.8888kN/m(二)水压力q2=γ水(L-b-a)=25kN/m(三)堆载q3=K0*p =16.52704kN/m 土压力 水压力堆载压力三. 内力计算(一)土压力引起的内力β=(L-b)/L=0.8底部负弯矩Mb =-(q1*(L-b)2*(4-3β+3β2/5))/24=-35.2357kN·m顶板支座处反力Ra=q1*(L-b)3*(1-β/5)/(8*L 2)=7.956459kN跨中最大弯矩Mmax=Ra(b+2*(L-b)*(2Ra/(q1*(L-b)))0.5/3)=14.16134kN·m(二)水压力引起的内力h1=a+b=-0.2m h2=L-h1=4.7mβ=h2/L=1.044444底部负弯矩Mb =-(q2*h22*(4-3β+3β2/5))/24=-35.0031kN·m 顶板支座处反力Ra=q2*h23*(1-β/5)/(8*L 2)=12.67524kN跨中最大弯矩Mmax =Ra*(h1+2*h2*(2Ra/(q2*h2))0.5/3)=15.91242kN·m(三)堆载引起的内力β=(L-b)/L=0.8底部负弯矩Mb=-(q3*(L-b)2*(2-β))/8=-38.5543kN·m顶板支座处反力Ra=q3*(L-b)3*(4-β)/(8*L2)=15.23132kN跨中最大弯矩Mmax=Ra(b+Ra/(q3*2))=20.72678kN·m(一)基本组合(以永久荷载效应控制γG=1.35)底部负弯矩S=γG S Gk+γQiψci S Qik=-132.606kN·m跨中最大弯矩S=γG S Gk+γQiψci S Qik=60.91182kN·mAs1=1682.868mm2As2=773.0181mm2As min=600mm2底部负弯矩实配钢筋面积753.9822mm2跨中最大弯矩实配钢筋面积753.9822mm2(一)标准组合底部负弯矩S=S Gk+S Qik=-108.793kN·m钢筋直径12mm间距150mmω1s,max=1.594693mm跨中最大弯矩S=S Gk+S Qik=50.80054kN·m钢筋直径12mm间距150mmω2s,max=0.438167mm。
地下室外墙计算(DXWQ-1)(墙厚250mm)----------------------------------------------------------------------- 1 基本资料1.1 几何信息2 计算内容(1)荷载计算(2)内力计算(3)配筋计算(4)裂缝验算3 计算过程及结果 单位说明:弯矩:kN.m/m ,竖向力:kN/m ,钢筋面积:mm 2/m ,裂缝宽度:mm 荷载说明:永久荷载:土压力荷载,竖向荷载可变荷载:地下水压力,地面荷载,竖向荷载 3.1 荷载计算 3.1.1 竖向荷载竖向荷载基本组合:N=1.40×5.00+1.20×5.00=13.00kN/m 竖向荷载标准组合:N k =5.00+5.00=10.00kN/m 3.1.2 侧压力荷载 (1)土压力:o=p K a γ h(2)地面荷载导算侧压力:p k = 0.588×20.00 = 11.76kN/m 223.2 内力计算3.2.1 竖向压力计算竖向压力基本组合:13.00kN/m 竖向压力标准组合:10.00kN/m 3.2.2 弯矩计算(1)弯矩正负号规定内侧受拉为正,外侧受拉为负 (2)计算类型按双向板(Lx = 3.100m ,Ly = 3.500m)计算3.3 配筋计算3.3.1 计算配筋面积竖向按压弯构件计算,水平向按纯弯构件计算3.3.2 裂缝控制配筋不进行裂缝控制配筋计算(1)弯矩及配筋计算以每米板宽为计算单元;(2)计算As=-1时表示计算超筋。
3.4 裂缝计算(参见配筋及裂缝计算表)裂缝计算根据《混凝土规范》8.1.2 公式计算最大裂缝宽度0.04mm ≤0.30mm,符合要求-----------------------------------------------------------------------。
计算一、墙身配筋计算(一)已知条件:墙身混凝土等级30钢筋设计强度N/mm2360混凝土容重γc=25KN/mm3墙背填土容重γ土=20KN/mm3水容重γ水=10KN/mm3裂缝限值0.2mm覆土面距离墙底H1=3.5m水位距离墙底H2=0m墙高H=3.6m地面堆积荷载q0=10KN/m2墙厚h(mm)=250mm保护层(mm)=35mm横载分项系数1.2(二)土压力计算:Ka=0.50q土=(γ土×H1-γ水×H2)×Ka=35.00KN/m2qo=5q水=γ水H2=0KN/m2q2=q土+q水+qo=40.00KN/m2q22=1.2×q2=48KN/m2(三)内力计算(基本组合下):β=b/c=0.972222222b=3.5mM1=q22*b2*(4-3β+3β2/5)/24=-40.44KN·MRA=q22*b3*(1-β/5)/8C2=17.40M2=RA*(a+2*b/3*(2*RA/q22b)^0.5)=20.21826KN·M(四)配筋计算混凝土抗压强度fcd=14.3N/mm2ho=205mm钢筋设计强度fy=360N/mm2计算宽度b=1000mmM1 =f cd bx(h0-x/2)40436342.00 =14300x(205-x/2)x =14.292 m≤ξb h0 =0.53×205.00 =解得A s = M支座/(ho-x/2)/f y =575mm2M2 =f cd bx(h0-x/2)20000000.00 =14300x(205-x/2)x = 6.940 mm≤ξb h0 =0.53×205.00 =解得跨中A s = M2/(ho-x/2)/f y =283mm2(五)裂缝计算(仅计算支座处裂缝)钢筋直径d=12mm钢筋间距150mm每延米实配钢筋A s=753.98mm2标准组合下M1=q2*b2*(4-3β+3β2/5)/24=-33.70KN·Mσsk=Mk支座/(0.87hoAs)=250.5858N/mm2αcr=2.1ρte=0.006031858ftk=2.01ψ=0.235625553< 1 且>0.2所以ψ取0.235625553Es=200000c=35deq=12裂缝宽度W fk=0.139898459mm裂缝满足要求108.7mm 108.7mm。
DWQl计算:(1)基本信息:地下室侧壁计算类型:全埋式地下室混凝土等级=C30,Ec=30000MPa z fc=14.3MPa,ft=1.43MPa钢筋采用HRB400z fy=360MPa室内外高差zl=0.000m f地下水埋深z2=0.150m填土重度γ=18.0kN∕m3z地下水重度γw=10.0kN∕m3土浮重度γ'=11.0kN∕m3土压力系数Ka=0.500地面附加恒载g=0.0kN∕m3z地面活载q=10.0kN∕m3地下室层数n=l,总埋深dp=4.850m最底层约束条件=刚接地下室(1)层:层高h=4.850m,墙厚t=300mm z层顶约束:钱接(2)荷载计算(设计值):地下室⑴层:顶部荷载pl=7.0kN∕m,底部荷载p2=96.0kN∕m(3)弯矩计算计算配筋,采用弯矩计算的设计值组合:地下室(1)层:顶部Ml=O.OkNm,底部M2=160.2kNm,正弯矩M3=∙73.0kNm计算裂缝,采用弯矩计算的标准值组合:地下室(1)层:顶部Ml=O.OkNm,底部M2=131.1kNm,正弯矩M3=∙59.4kNm⑷配筋计算地下室⑴层弯矩配筋计算:外侧弯矩M=I60kNm,ho=275mm,X=44mm,ξ=0.161,配筋系数=1.00,配筋As=1760mm2,ps=0.64%,配筋d20@75(As=4187mm2)内侧弯矩M=73kNm,ho=275mm,X=19mm,ξ=0.070,配筋系数=1.00,配筋As=764mm2,ps=0.28%,配筋d20@150(As=2093mm2)⑸裂缝验算地下室⑴层裂缝验算:外侧弯矩Mk=131.1kNm,deq=20mm,pte=0.028应力OSk=I31MPa,不均匀系数中=0.845,裂缝宽度wma×=0.172mm内侧弯矩Mk=59.4kNm,deq=20mm,pte=0.014应力OSk=Il9MPa,不均匀系数I=O.539,裂缝宽度wma×=0.137mmDWQ2计算:(1)基本信息:地下室侧壁计算类型:全埋式地下室混凝土等级=C30,Ec=30000MPa z fc=14.3MPa,ft=1.43MPa钢筋采用HRB400z fy=360MPa室内外高差zl=0.450m,地下水埋深z2=0.150m填土重度γ=18.0kN∕m3z地下水重度γw=10.0kN∕m3土浮重度γ'=11.0kN∕m3土压力系数Ka=0.500地面附加恒载g=0.0kN∕m3z地面活载q=10.0kN∕m3地下室层数n=l,总埋深dp=4.400m最底层约束条件=刚接地下室(1)层:层高h=4.400m z墙厚t=300mm z层顶约束:较接(2)荷载计算(设计值):地下室⑴层:顶部荷载pl=14.2kN∕m,底部荷载p2=96.0kN/m(3)弯矩计算计算配筋,采用弯矩计算的设计值组合:地下室(1)层:顶部Ml=O.OkNm,底部M2=140.0kNm,正弯矩M3=∙65.7kNm计算裂缝,采用弯矩计算的标准值组合:地下室(1)层:顶部Ml=O.OkNm,底部M2=114.6kNm,正弯矩M3=∙53.6kNm⑷配筋计算地下室⑴层弯矩配筋计算:外侧弯矩M=140kNm,ho=275mm,x=38mm zξ=0.139,配筋系数=1.00,配筋As=1520mm2,ps=0.55%,配筋dl8@75(As=3391mm2)内侧弯矩M=66kNm z ho=275mm,x=17mm,ξ=0.063,酉己筋系数=1.00,配筋As=685mm2,ps=0.25%,酉己筋dl8@150(As=1696mm2)⑸裂缝验算地下室⑴层裂缝验算:外侧弯矩Mk=114.6kNm,deq=18mm,pte=0.023应力OSk=I41MPa,不均匀系数Ψ=0.809,裂缝宽度wma×=0.185mm内侧弯矩Mk=53.6kNm,deq=18mm,pte=0.011应力OSk=I32MPa,不均匀系数中=0.478,裂缝宽度wma×=0.143mm。
地下室外墙计算书(纯手算)地下室外墙计算书(纯手算)一:设计要求1.1 墙体高度:5米1.2 墙体长度:20米1.3 墙体厚度:0.5米1.4 墙体材料:砖混结构二:风载荷计算2.1 风压标准值:0.8kN/m²2.2 风压高度变化系数:0.852.3 风荷载计算公式:F = 0.5 × C × P × A其中,F为风荷载,C为风压高度变化系数,P为风压标准值,A为墙体面积三:水压力计算3.1 地下水位高度:2.5米3.2 地下水压力计算公式:P = γ × H × A其中,P为水压力,γ为水的密度,H为水位高度,A为墙体面积四:自重计算4.1 砖的单位体积重量:20kN/m³4.2 混凝土的单位体积重量:25kN/m³4.3 墙体自重计算公式:G = A × [(t1 × γ1) + (t2 × γ2)]其中,G为墙体自重,A为墙体面积,t1、t2分别为砖和混凝土的厚度,γ1、γ2分别为砖和混凝土的单位体积重量附录:计算表格、技术图纸法律名词及注释:1. 风载荷:指风力作用在建筑物表面的力量2. 风压标准值:根据地区气象条件和建筑物高度确定的一定值3. 风压高度变化系数:考虑建筑物风压分布随高度变化的系数4. 水压力:指地下水对建筑物墙体施加的力量5. 砖混结构:指由砖和混凝土组成的建筑结构体系6. 自重:指建筑物结构本身所产生的重力地下室外墙计算书(纯手算)一:设计要求1.1 墙体高度:4米1.2 墙体长度:15米1.3 墙体厚度:0.4米1.4 墙体材料:钢筋混凝土结构二:风载荷计算2.1 风压标准值:1.2kN/m²2.2 风压高度变化系数:0.92.3 风荷载计算公式:F = 0.5 × C × P × A其中,F为风荷载,C为风压高度变化系数,P为风压标准值,A为墙体面积三:水压力计算3.1 地下水位高度:3.5米3.2 地下水压力计算公式:P = γ × H × A其中,P为水压力,γ为水的密度,H为水位高度,A为墙体面积四:自重计算4.1 钢筋混凝土的单位体积重量:24kN/m³4.2 墙体自重计算公式:G = A × t × γ其中,G为墙体自重,A为墙体面积,t为墙体厚度,γ为钢筋混凝土的单位体积重量附录:计算表格、技术图纸法律名词及注释:1. 风载荷:指风力作用在建筑物表面的力量2. 风压标准值:根据地区气象条件和建筑物高度确定的一定值3. 风压高度变化系数:考虑建筑物风压分布随高度变化的系数4. 水压力:指地下水对建筑物墙体施加的力量5. 钢筋混凝土结构:指由钢筋和混凝土组成的建筑结构体系6. 自重:指建筑物结构本身所产生的重力。
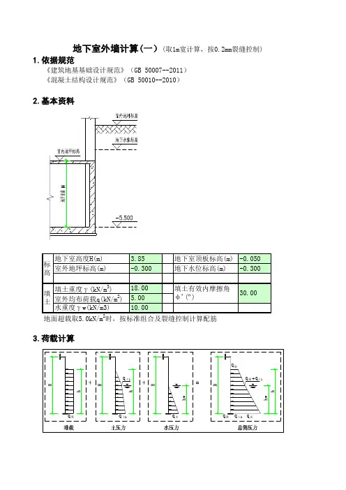
地下室外墙计算(一)(取1m宽计算,按0.2mm裂缝控制)1.依据规范《混凝土结构设计规范》(GB 50010--2010)《建筑地基基础设计规范》(GB 50007--2011)地面超载取5.0kN/m 2时,按标准组合及裂缝控制计算配筋填土30.00-0.050-0.3005.00室外均布荷载q(kN/m 2)填土重度γ(kN/m 3)3.荷载计算地下室高度H(m)标高3.85地下水位标高(m)地下室顶板标高(m)室外地坪标高(m)水重度γw(kN/m3)-0.30018.0010.00填土有效内摩擦角φ'(º)h w =m h=m kN.m kN.m3.85-(-0.05+0.3)=0+(18-10)*3.6*0.5=4.内力计算地下室底板处回填土侧压力18*(3.6-3.6)*0.5=墙内侧 M 正=墙外侧 M 负=q 土2=q 土1+(γ-γw )h w K 0=经计算,混凝土墙弯矩标准值:0.502.500.0014.40(1)室外均布荷载kN/mkN/m q 堆=q.K 0=(2)静水压力(3)回填土侧压力q 水=γw h w =10*3.6=kN/m 3.85-(-0.05+0.3)=地下水位处回填土侧压力q 土1=γ(h-h w )K 0= 3.603.605*0.5=kN/m 36.00静止土压力系数K 0=1.0-Sinφ'= 1.0-Sin30º=22.8051.39mm 2mm 2mm 2mm 2混凝土标号荷载分项系数3000.211.05.配筋计算1539754受力筋保护层厚度C(mm)钢筋等级HRB40030混凝土墙外侧配筋:最小配筋率ρmin (%)混凝土墙内侧配筋:混凝土墙厚度(mm)40 1.50E+051.01.92.00E+05260有效受拉混凝土截面面积A te =0.5bh(mm 2)经计算:构造629构件受力特征系数αcr钢筋弹性模量E s (N/mm 2)1)基本参数取Φ14-100,实际面积取Φ12-150,实际面积6.抗裂验算受拉区纵筋相对粘结特性系数νi构造629混凝土墙有效厚度h 0(mm)14mm 214mm按有效受拉混凝土截面面积计算的纵向受拉钢筋配筋率N/mm 2d eq =d i /νi =14/1=受拉区纵筋的等效直径<0.2,实取>0.01,实取ρte =A s /A te =0.010********/(0.87*260*1539)=2.39147ψ=1.1-0.65ftk/(ρteσsk)0.01裂缝间纵向受拉钢筋应变不均匀系数σsk = M k /0.87h 0A s =受力筋保护层厚度c(mm)受拉区纵筋直径 di=mm, 受拉区纵向非预应力钢筋面积As=30混凝土轴心抗拉强度标准值f tk (N/mm2)按荷载效应的标准组合并考虑长期作用影响的最大裂缝宽度/(/)2)墙外侧抗裂验算1539/150000=按荷载效应的标准组合计算的受拉区纵筋应力1539 =1.1-0.65*2.39/(0.01*147)=0.040.2=mm 12mm 212mm按有效受拉混凝土截面面积计算的纵向受拉钢筋配筋率=mm =1.9*0.2*133/200000*(1.9*30+0.08*12/0.01)=1.1-0.65*2.39/(0.01*133)=0.005=1.9*0.2*147/200000*(1.9*30+0.08*14/0.01)3)墙内侧抗裂验算受拉区纵筋直径 di=mm, 受拉区纵向非预应力钢筋面积As=0.05σsk = M k /0.87h 0A s =754按荷载效应的标准组合计算的受拉区纵筋应力22804000/(0.87*260*754)=133N/mm 2裂缝间纵向受拉钢筋应变不均匀系数ψ=1.1-0.65ftk/(ρteσsk)受拉区纵筋的等效直径d eq =d i /νi =12/1=ρte =A s /A te =754/150000=0.04<0.2mm,满足最大裂缝宽度要求。
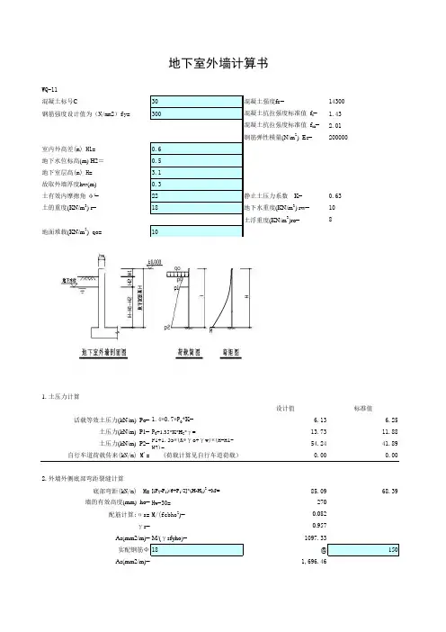
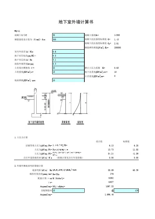
WQ-11混凝土标号C30混凝土强度fc=钢筋强度设计值为(N/mm2)fy=300混凝土抗拉强度标准值 f t =混凝土抗拉强度标准值 f tk =钢筋弹性模量(N/m 2) Es=室内外高差(m) H1=0.6地下水位标高(m) H2=0.5地下室层高(m) H= 3.1故取外墙厚度hw(m)0.3土有效内摩擦角 φ'=22静止土压力系数 K=土的重度(KN/m 3) r=18地下水重度(KN/m 3) rw=土浮重度(KN/m 3)ro=地面堆载(KN/m 2) qo=101. 土压力计算设计值活载等效土压力(kN/m) Po=1.4*0.7*P 0*K=6.13土压力(kN/m) P1=P 0+1.35*K*H 2*γ=13.73土压力(kN/m) P2=P1+1.35*(K*γo+γw)*(H-H1-H2)=54.24自行车道荷载传来(kN/m) M'=(荷载计算见自行车道荷载)0.002. 外墙外侧底部弯距裂缝计算底部弯距(kN/m) M=[(P 2-P 1)/6+P 1/2]*(H-H 1)2+M'=85.09墙的有效高度(mm) ho=Hw-30=270配筋计算:αs=M/(fcbho 2)=0.082γs=0.957As(mm2/m)=M/(γsfyho)=1097.33实配钢筋Φ18@As(mm2/m)=1,696.46地下室外墙计算书配筋率(%)=As/ho/1m=0.63最小配筋率(%)=45*ft/fy=0.21钢筋的应力(kN/m) σsk=GB50010-2002式(8.1.3)171.62有效受拉混凝土配筋率ρte=GB50010-2002式(8.1.2-4) 1.13%故取有效配筋率ρte=(当ρte<0.01时取0.01) 1.13%钢筋应变的不均匀系数 ψ=GB50010-2002式(8.1.2-2)0.43故取不均匀系数ψ=(0.2≤ψ≤1)0.43最大裂缝宽度(mm) ωmax=GB50010-2002式(8.1.2-1)0.1710底部剪力(kN) V=5/8*(P2-P0)+2/5*P0=32.52截面高度影响系数βh=(800/ho)^0.25>1=1剪力承载力(kN)Vd=0.7*βh*ft*b*ho=270.27143001.432.012000000.63108标准值6.2511.8841.890.0068.39满足要求<0.2 满足>V 满足。
地下室外墙计算(带人防)项目名称构件编号日期设计校对审核执行规范:《混凝土结构设计规范》(GB 50010-2010), 本文简称《混凝土规范》《建筑结构荷载规范》(GB 50009-2012), 本文简称《荷载规范》《人民防空地下室设计规范》(GB 50038-2005), 本文简称《人防规范》钢筋:d - HPB300; D - HRB335; E - HRB400; F - RRB400; G - HRB500; P - HRBF335; Q - HRBF400; R - HRBF500-----------------------------------------------------------------------1 基本资料2 计算(1)荷载计算(2)内力计算(3)配筋计算(4)裂缝验算荷载说明:永久荷载:土压力荷载,上部恒载-平时,上部恒载-战时可变荷载:地下水压力,地面活载,上部活载-平时,人防荷载平时组合:平时荷载基本组合 战时组合:战时荷载基本组合准永久组合:平时荷载准永久组合(用于裂缝计算)2.1 荷载计算2.1.1 墙上竖向压力平时组合(kN/m ):1.200×150.000+1.400×0.000=180.000 战时组合(kN/m ):1.200×0.000=0.000准永久组合(kN/m ):150.000+0.500×0.000=150.000 2.1.2 侧压荷载计算 (1) 土压力标准值(kPa)水土分算,土侧压按静止土压力计算,静止土压力系数k = 0.500地下室顶面,标高-0.600,在地面(-1.050)以上土压力起算位置,标高-1.050-1层底,标高-3.550,总埋深2.500,全位于地下水位以上-2层底,标高-6.550,总埋深5.500,地下水位以上3.750,地下水位以下1.750地下水位处, 标高-4.800,埋深3.750式中:p --------土压力(kN/m 2) p w --------水压力(kN/m 2) k --------土压力系数r --------土的天然容重(kN/m 3) r sat --------土的饱和容重(kN/m 3) r w --------水的重度(kN/m 3)h 1 --------地下水位以上的土层厚度(m) h 2 --------地下水位以下的土层厚度(m)(2)地面上活载等效土压力(标准值,kPa ): p=kG k =0.500×10.000=5.000(4) 侧压力荷载组合计算(kPa):=p 0=p w 0=p 0=p w 0===p kh ⨯⨯0.518 2.5 22.5=p w 0=+=+=p k h 1k ( )-sat w h 2⨯⨯0.518 3.75⨯⨯0.5( )-2010 1.75 42.5===p w w h ⨯10 1.75 17.5===p kh ⨯⨯0.518 3.75 33.75=p w 0注:表中所列三角荷载值是对应于各层底的荷载值(最大)-1层顶高出外地坪面,为了简化内力计算,使用插值法修正了顶面处的侧压荷载值2.2 内力计算按连续梁计算竖向弯矩按连续梁模型计算,水平向弯矩仍按板块模型计算平时组合弯矩图战时组合弯矩图准永久组合弯矩图2.3 配筋及配筋成果表2.3.1 配筋说明:(1)配筋方法水平按纯弯配筋,竖向按压弯配筋(2)单位说明:以下各表格中单位除说明外,配筋面积单位:mm2/m,裂缝宽度单位:mm,弯矩单位kN.m/m,轴力单位kN/m,配筋率:%2.4 裂缝验算按实际配筋,及相应于准永久组合的弹性内力进行计算实际配筋简图-----------------------------------------------------------------------【理正结构设计工具箱软件 6.5PB3免费注册版】计算日期: 2013-04-03 09:39:44 -----------------------------------------------------------------------。
WQ1计算书条件:1、土质参数:容重γ=18kN/mm,浮容重γ` = 11kN/mm,静止土压力系数K=0.50,地下水位设防高度为4400mm;2、地下室参数:覆土层厚h1=800mm,地下室侧墙计算跨度Lo=3400mm,临水面保护层为50mm;地面堆载q=10kN/mm,侧壁厚度d=285mm,截面有效高度ho=235mm3、材料参数:混凝土强度等级为C35,fc=16.7 N/mm,钢筋抗拉强度为fy=360N/mm;挡土墙荷载工况示意图计算:1、荷载计算,土压力按静止土压力计算[《全国民用建筑工程设计技术措施》2.6.2] 堆载折算为土压力q1=K×q=0.50×10=5.00kN/mm地下水位以上土压力q2=K×γ×h1=0.50×18×0.80=7.20kN/mm地下水位以下土压力q3=K×γ`×(h2 + h3)=0.50×11×(1.00+3.40)=24.20kN/mm水压力q4=γw×(h2 + h3)=10×(1.00+3.40)=44.00kN/mm2、支座弯距计算,按单向板底端固定顶端简支计算,查静力计算手册m1=q1×Lo/8=5.00×3.4/8=7.23kN.mm2=q2×Lo/15=7.20×3.4/15=5.55kN.mm3=q1×Lo/15=24.20×3.4/15=18.65kN.mm4=q1×Lo/8=44.00×3.4/15=33.91kN.m3、强度计算:土压力及水压力均按恒载考虑,[《全国民用建筑工程设计技术措施》2.6.2],按支座调幅0.8计算m=0.8×1.35×(m1+m2+m3+m4)=70.56kN.mξb=0.8÷{1+360÷[20000×(0.0033-<30-50>×0.00001)]}=0.5283 《砼》规公式7.1.4x=ho-√(ho-2×m/α1/fc/b)=235-√(235-2×70.559928×1000000/1/14.3/1000)=22.03mm<ξb×ho=124.15mmAs=α1×fc×b×x/fy=1×14.3×1000×22.03/360=875mm,根部实配12@75,As=1508,承载力满足要求。
地下室外墙(挡土墙)的计算1 计算方法1、1计算简图①根据墙板长边与短边支承长度的比例关系,地下室外墙(挡土墙)、窗井外墙按双向板或单向板计算。
②对单层或多层地下室外墙,当基础底板厚度不小于墙厚时,可按底边固结于基础、顶边铰接于地下室顶板的单跨或连续板计算。
当基础底板厚度小于墙厚时,底边按铰接计算。
窗井外墙顶边按自由计算。
墙板两侧根据实际情况按固结或铰接考虑。
③墙板的支承条件应符合实际受力状态,作为墙板支座的基础与内墙(或扶壁柱),其内力与变形应满足设计要求。
1、2计算荷载图一地下室外墙压力分布地下室外墙承受竖向荷载与水平荷载。
竖向荷载包括地下室外墙自重、上部建筑(结构构件与围护构件)竖向荷载、地下室各层楼板传递的竖向荷载。
水平荷载包括土压力(地下水位以下为土水混合压力)、地下水压力、室外地面活荷载引起的侧压力、人防外墙等效静荷载。
2计算中需注意的问题2.1《全国民用建筑工程设计技术措施/结构/地基与基础》(2009年版)[1]第5、8、11条与《北京市建筑设计技术细则-结构专业》(2005版)[2]第2、1、6条对室外地面活荷载,建议取5kN/m2(包括可能停放消防车的室外地面)。
该规定适用于有上部结构的地下室外墙,且当考虑消防车时消防车重不超过30吨。
其出发点就是行车道距离建筑物外墙总就是有一定距离的,即一般情况下汽车不可能紧贴上部建筑外墙行驶(《城市居住区规划设计规范》、《建筑设计防火规范》等对室外行车道距离建筑物外墙的距离有明确规定),消防车更不可能紧贴上部建筑外墙进行消防扑救(因消防云梯车在工作时受云梯高度与仰角的制约必须与建筑物外墙保持一定距离)。
但就是,对于没有上部结构的纯地下车库,或处于上部结构范围之外的地下室外墙,以及消防车重超过30吨的,笼统地按5kN/m2计算就是有问题的,应当根据车道与地下室外墙的位置关系、地下室顶板覆盖层厚度及其应力扩散角、车辆轮压按实际情况计算。
2.2文[1]第5、8、5条计算水压力时,当勘察报告提供了地下室外墙水压力分布时,按勘察报告计算;当勘察报告未提供时,可取历史最高水位与近3~5年的最高水位的平均值(水位高度包括上层滞水),水压力按静止压力直线分布计算。
地下室外墙计算(绝对经典)地下室外墙计算1.引言地下室外墙计算是在建造设计与施工中至关重要的一部份,它涉及到地下室的结构稳定性和保温性能。
本文将通过细致的章节分解和详细的内容描述,为您提供一份最新最全的地下室外墙计算模板。
2.设计要求在地下室外墙的计算中,需要考虑以下设计要求:2.1 承载力要求:地下室外墙需要能够承受地下水压力和地下室内外的差异温度引起的应力。
2.2 抗渗透性要求:地下室外墙需要具备良好的抗渗透性能,以防止地下水渗入地下室内部。
2.3 保温隔热要求:地下室外墙需要提供良好的保温隔热效果,以减少能量损失和提高室内舒适度。
3.设计步骤在进行地下室外墙计算时,需要按照以下步骤进行:3.1 地下水压力计算:根据地下水位和土壤力学参数,计算出地下室外墙所承受的地下水压力。
3.2 墙体受力分析:根据地下水压力和墙体结构进行受力分析,确定墙体的受力状态。
3.3 墙体尺寸设计:根据墙体受力分析结果,设计出合适的墙体尺寸,包括墙体厚度、高度等。
3.4 材料选型:根据设计要求和墙体受力分析结果,选择适合的材料,包括墙体材料和保温材料。
3.5 施工方案设计:根据地下室外墙的具体情况,设计出合理的施工方案,包括施工顺序、施工工艺等。
4.附件本涉及的附件如下:附件一:地下室外墙施工图纸附件二:地下室外墙结构计算表格附件三:地下室外墙施工工艺说明书5.法律名词及注释本涉及的法律名词及其注释如下:5.1 土建工程设计规范:国家出版的建造设计规范,包括土建工程的设计要求和技术规范。
5.2 地下室设计规范:国家出版的地下室设计规范,包括地下室结构设计和施工要求等。
5.3 施工工艺规范:国家发布的建造施工工艺规范,包括施工流程、安全要求等。
6.结语通过本,我们详细介绍了地下室外墙计算的设计要求、步骤和附件内容。
相信这份将对您在地下室外墙计算中提供。
如果还有任何问题或者需要进一步解释,请随时连系我们。
0.5外墙顶端支承条件有水平支座(有楼板支撑)10.00侧壁顶标高BG 1(m)0.0020.00侧壁底标高BG 2(m)-6.55 5.00室外地坪BG 3(m)0.000.00地下水位BG 4(m)-1.8089.25外墙总高H(m) 6.550水土面起点标高(m)0.001每米控制截面弯矩计算外墙根部负弯矩-M b (KN﹒m/m)外墙跨中正弯矩+M max (KN﹒m/m)外墙顶端负弯矩-M t (KN﹒m/m)水土压力引起的弯矩(恒载)-255.27114.160.00地面引起的弯矩(活载)-26.8115.080.00弯矩标准值-282.08129.240.00设计弯矩组合工况 1.35恒+1.4×0.7活1.35恒+1.4×0.7活1.35恒+1.4×0.7活弯矩设计值-370.89168.900.00混凝土强度等级C35HRB400混凝土抗压强度设计值f c (N/mm 2)16.7360混凝土抗拉强度设计值f t (N/mm 2) 1.57400混凝土抗压强度标准值f ck (N/mm 2)23.4200000混凝土抗拉强度标准值f tk (N/mm 2) 2.20混凝土弹性模量E c (N/mm 2)31500外墙厚h(mm)400计算宽度b(mm)1000外侧保护层厚度c(mm)25内侧保护层厚度c(mm)25截面配筋(每米)最小配筋率ρmin =0.200%最小配筋面积A smin =800mm 2备注:外墙顶端支座嵌固系数K为外墙顶部的支座刚度系数。
当K=0时,相当于外墙顶端完全铰接;K=1时外墙顶端为完全固接;其余情况相当与外墙顶端支座为转动弹性支座,K的数值相当于外墙顶端弯矩为完全固接时弯矩的比例,如:K=0.8时相当于顶端弯矩为完全固接时的80%,即释放掉完全固接弯矩的20%;K=0.2时相当于顶端弯矩为完全固接时的20%,即释放掉完全固接弯矩的80%。
地下室墙体计算材料:混凝土强度等级C35,2/7.16mm N f c =,2/57.1mm N f t =。
钢筋HRB335,2'/300mm N f f y y ==,25/100.2mm N E s ⨯=。
土质参数:容重3/18m kN r =,浮容重3'/11m kN r =。
人防荷载:人防单元外墙:30KN/m ²;临空墙: 84KN/ m ²; 门框墙、活门:120KN/ m ²;人防计算时,混凝土材料强度综合调整系数取1.50;钢筋材料强度综合调整系数取1.35。
2/05.25mm N f cd =,2'/405mm N f f ydyd ==。
地面堆载:无消防通道时: 10 KN/ m ²;有消防通道时 20KN/ m ²; 土压力按静止土压力计算,静止土压力系数取5.00=K 。
混凝土保护层厚度:外墙50mm ,内墙15mm 。
mm h 5001=,02=h ,mm h 40003=,mm d 350=,截面有效高度mm h 2900=。
1、荷载计算:堆载折算土压力:201/0.10205.0m kN q K q =⨯== 墙顶以上土压力:2102/5.45.0185.0m kN rh K q =⨯⨯== 墙顶以下地下水位以上土压力:0203==rh K q地下水位以下土压力:23'04/0.2200.4115.0m kN h r K q =⨯⨯== 水压力:235/0.4000.410m kN h r q w =⨯==2、弯矩计算支座: 跨中:m KN M ⋅=0.2011 m KN M ⋅=2.1112 m KN M ⋅=0.921 m KN M ⋅=1.522 031=M 032=Mm KN M ⋅=5.2341 m KN M ⋅=3.1042 m KN M ⋅=7.4251 m KN M ⋅=7.1852 m KN M f ⋅=0.601 m KN M f ⋅=7.3323、荷载组合工况1:无人防荷载作用m kN M M M M M M k ⋅=++++=2.876.011514131211 m kN M M M M M M k ⋅=++++=8.406.012524232222()m kN M M M M M M ⋅=⨯⨯++++⨯=1.1217.04.135.111514131211 ()m kN M M M M M M ⋅=⨯⨯++++⨯=01.577.04.135.112524232222工况2:有人防荷载作用()m kN M M M M M M f ⋅=++++⨯=2.1502.1151413121'1()m kN M M M M M M f ⋅=++++⨯=6.742.1252423222'2Q1:(4m 非人防外墙)同FQ1,因人防荷载没起控制作用。
0.5外墙顶端支承条件有水平支座(有楼板支撑)10.00侧壁顶标高BG 1(m)0.0020.00侧壁底标高BG 2(m)-6.55 5.00室外地坪BG 3(m)0.000.00地下水位BG 4(m)-1.8089.25外墙总高H(m) 6.550水土面起点标高(m)
0.00
1
每米控制截面弯矩计算
外墙根部负弯矩-M b (KN﹒m/m)
外墙跨中正弯矩+M max (KN﹒m/m)
外墙顶端负弯矩-M t (KN﹒m/m)
水土压力引起的弯矩(恒载)-255.27114.160.00地面引起的弯矩(活载)-26.81
15.08
0.00
弯矩标准值-282.08129.240.00
设计弯矩组合工况 1.35恒+1.4×0.7活
1.35恒+1.4×0.7活
1.35恒+1.4×
0.7活
弯矩设计值
-370.89168.900.00
混凝土强度等级
C35
HRB400
混凝土抗压强度设计值f c (N/mm 2)16.7360混凝土抗拉强度设计值f t (N/mm 2) 1.57400混凝土抗压强度标准值f ck (N/mm 2)23.4200000
混凝土抗拉强度标准值f tk (N/mm 2) 2.20混凝土弹性模量E c (N/mm 2)
31500
外墙厚h(mm)
400计算宽度b(mm)1000外侧保护层厚度c(mm)
25
内侧保护层厚度c(mm)
25
截面配筋(每米)
最小配筋率ρ
min =
0.200%
最小配筋面积A smin =
800
mm 2
备注:外墙顶端支座嵌固系数K为外墙顶部的支座刚度系数。
当K=0时,相当于外墙顶端完全铰接;K=1时外墙顶端为
完全固接;其余情况相当与外墙顶端支座为转动弹性支座,K的数值相当于外墙顶端弯矩为完全固接时弯矩的比例,如:K=0.8时相当于顶端弯矩为完全固接时的80%,即释放掉完全固接弯矩的20%;K=0.2时相当于顶端弯矩为完全固接时的20%,即释放掉完全固接弯矩的80%。
钢筋抗拉压强度标准值f yk (N/mm 2)钢筋弹性模量E s (N/mm 2)
钢筋种类
钢筋抗拉压强度设计值f y (N/mm 2)水土压力分布荷载根部值q 3(KN/m 2)外墙顶端支座嵌固系数K 跨中弯矩增大系数
地面均布活荷载q
回填土的天然重度γ(KN/m 3)
地面活载引起墙面均布水平力q 1(KN/m 2)水土压力分布荷载顶端值q 2(KN/m 2)标高及荷载信息
静止土压力系数K 0
外墙裂缝验算
受弯构件受力特征系数α=。