HY-B02自动包胶带机说明书
- 格式:docx
- 大小:20.58 KB
- 文档页数:2
胶带机操作规程一、胶带机简介胶带机是一种用于封装、固定和维修等工作中广泛使用的机器设备。
它主要由带轮、传动系统、控制面板和供电系统等组成。
胶带机操作规程旨在指导用户正确操作胶带机,确保安全和高效的工作环境。
二、操作前的准备1. 确保胶带机周围的工作区域整洁、干净,避免障碍物和杂物的存在;2. 检查胶带机的电源线和插座是否完好,确保电源供应正常;3. 验证胶带机的所有操作按钮和控制面板是否正常工作;4. 确保所使用的胶带符合要求,尺寸和质量达到标准;5. 安装必要的安全设备,如防护罩和急停按钮,确保操作过程中的安全。
三、操作步骤1. 接通电源:将胶带机插头插入合适的插座,并确保电源开关处于关闭位置;2. 调整胶带张力:根据使用要求,调节胶带机上的张力调节装置,确保胶带张力适宜;3. 胶带进料:将胶带按照正确方向放入胶带机的进料槽中,确保胶带能够顺利通过传送带;4. 开始操作:按下启动按钮,胶带机开始工作,胶带自动传送;5. 监视操作:在胶带传送过程中,及时观察胶带的状态,确保胶带顺利运行,没有卡住或扭曲等异常情况;6. 结束操作:胶带传送完毕后,按下停止按钮,胶带机停止工作;7. 维护保养:及时清理胶带机的灰尘和杂物,保持机器的整洁和正常工作状态;8. 安全关闭:在结束操作后,拔掉电源插头,关闭电源开关,确保胶带机完全停止运转。
四、操作注意事项1. 严禁擅自拆卸胶带机的任何部件和配件,修理和维护应由专业人员进行;2. 操作时,严禁将手指或其他身体部位放置在胶带机的工作区域内,以免发生伤害;3. 在操作过程中,保持警惕,及时发现胶带机的异常状况或异常声音,停止工作并进行检修;4. 若在操作过程中发现任何安全隐患,应及时上报并进行排除;5. 不得使用劣质或损坏的胶带,以免影响操作效果和安全性;6. 操作结束后,及时清理胶带机的工作区域,避免存在杂物和残留物。
五、紧急情况处理1. 在发生突发火灾等紧急情况时,立即按下胶带机上的急停按钮,切断电源,保护人身安全;2. 若发生人员受伤等事故,立即报警,并进行相关救助。
第1篇一、操作前准备1. 确保胶包机处于良好状态,电源线、传动带等无破损,设备周围无杂物。
2. 穿戴好劳保用品,如工作服、手套、安全帽等。
3. 仔细阅读设备说明书,了解设备的基本结构、性能和操作方法。
4. 熟悉设备的安全操作规程,掌握紧急停机按钮的位置和操作方法。
二、开机操作1. 打开电源开关,检查设备各部分是否正常运行。
2. 将胶料放入料斗,调整进料速度,确保胶料均匀进入胶包机。
3. 根据胶料特性,调整胶包机的温度、压力等参数。
4. 检查胶包机运转情况,确保胶料包封良好。
5. 操作过程中,密切观察胶包机各部件运行状态,发现异常立即停机检查。
三、操作注意事项1. 操作过程中,严禁触摸运转中的胶包机部件,以防发生意外。
2. 严禁将手、衣物等物品伸入胶包机内部,以免造成伤害。
3. 操作过程中,注意保持胶包机内部清洁,定期清理胶料残留物。
4. 操作过程中,注意调整胶料进料速度,防止胶料过多或过少。
5. 定期检查胶包机各部件,如发现磨损、松动等现象,及时进行维修或更换。
四、停机操作1. 停机前,先关闭进料阀门,使胶料停止输送。
2. 等待胶包机冷却,确保设备温度适宜停机。
3. 关闭电源开关,切断电源。
4. 清理设备周围环境,确保设备处于良好状态。
五、日常维护与保养1. 按照设备说明书要求,定期对胶包机进行润滑保养。
2. 检查胶包机各部件,如发现磨损、松动等现象,及时进行维修或更换。
3. 定期检查胶包机传动带、齿轮等易损部件,确保设备正常运行。
4. 保持胶包机内部清洁,定期清理胶料残留物。
5. 做好设备运行记录,便于后续维护和故障排查。
六、安全注意事项1. 操作人员必须熟悉胶包机的操作规程,确保操作安全。
2. 操作过程中,严格遵守安全操作规程,严禁违章操作。
3. 设备运行时,严禁在设备周围站立、行走,以免发生意外。
4. 设备停机后,严禁立即触摸运转部件,确保设备冷却。
5. 定期对操作人员进行安全教育培训,提高安全意识。
自动胶带缠绕机详细介绍自动胶带缠绕机用于机械线束产业的缠绕,为复杂线束的成型、放置和缠绕提供了自动化,提高企业产线工作效率,降低生产成本,增加运营效益。
自动胶带缠绕机特点:1、该设备为成熟产品,经久耐用能兼容使用不同种类的不带隔离纸的胶布材料(如布基胶带、PVC胶带等)胶带绕线机线束胶带缠绕机AT-101。
2、保持平整、无褶皱,能保证布基胶带每圈缠绕与上一圈重叠1/2覆盖。
3、能保证半自动化的缠绕方式。
4、能实现不同形式的缠绕方式切换:同一位置的点缠,不同位置的螺旋直缠。
5、能实现圈数与速度的设定,产量显示功能。
6、刀片能快速更换。
自动胶带缠绕机操作方法:1、胶带插入胶带架2、把“ON/OFF”开关按到“ON”3、按自动/手动(AUTO/MANU)按钮选择作业方式4、指定速度5、AUTO运转时必须要指定转速。
自动胶带缠绕机结构:贝奇尔自动胶带缠绕机提供一种能够用于流水线中,结构紧凑,体积小的胶带缠绕机。
在工作台上设置有导线牵引机构和胶带缠绕机构,胶带缠绕机构包括固定在工作台上的旋转座,旋转座上设置有带中心孔的旋转盘,旋转盘通过传动机构与旋转电机连接,旋转盘上对称的设置有胶带座和配重块,旋转盘中部安装有旋转头,旋转头包括与旋转盘固定连接的卡座,卡座上固定有胶带跟踪机构,胶带跟踪机构包括固定在连接座上的自由转动轴,转向轮和跟踪轮分别通过曲柄连杆机构与自由转动轴连接,卡座上有胶带缝。
该胶带缠绕机紧凑,体积小,能够用于流水线生产。
而且,带有胶带跟踪机构,能够适应胶带转动过程中方向的变化,可靠性高。
自动胶带缠绕机产品参数:型号:AT-101胶带宽度(mm) :2-40mm缠绕长度(mm) :0-600mm/秒电线直径(mm) :0.1-40mm净重:26KG电压:220V在使用的很长的一段时间之后,在它的使用过程中经常性的出现转盘不转的现象,那造成这种现象的原因是什么呢?从源头进行分析,将故障彻底的解决。
BT系列自动包装机械使用说明书欢迎购买本公司生产的自动包装机。
请您在使用本机器之前,详细阅读使用说明书,以保证机器的正常安装使用。
本公司还有许多其它规格类型的产品,如用户有需要,可与本公司联系,本公司将竭诚为您服务,满足您的要求。
由于本公司的产品在不断的改进和提高,由此而未预告性能修改的情况发生时,敬请您原谅,您可向本公司的销售部门及维修服务人员咨询。
目录第五章操作方法及步骤5-1开机前的准备5-1-1颗粒机型的开机前准备1、检查机器上安装的容杯与制袋用的成形器是否与您所需求的相符,包装材料是否符合使用要求。
2、用手将离合器手柄逆(顺)时针转动,使上离合器与下离合器脱离。
3、用手逆时针方向转动上转盘一周,在旋转过程中,下转盘下方的下料门应能够顺利地打开或关闭。
(注意:通过旋转调节螺环来调节容量的机型,在调节容杯容量时,要适当调节拨门杆的高度,使拨门杆不顶住下料门,且能够顺利打开或关闭下料门。
(见图3-11)4、将包装材料在架纸轴上,并装上挡纸轮及挡套,把装好包装材料的架纸轴放在架纸板上(见图3-6,图5-1),注意包装材料的印刷面方向与对应机型的图示相符,将包装材料与成形器对正,使挡纸轮及档套夹紧包装材料并拧紧手旋钮。
5、向下拉动包装材料,按图3-6所示,并将包装材料插入成型器中向下拉动放入图3-6两滚轮之间,按下输纸键,使两滚轮压住成形后的包装材料。
图5-15-1-2粉类机型的开机前准备1、检查机器上安装的容杯与制袋用的成形器是否与您所需求的相符,包装材料是否符合使用要求。
2、将包装材料在架纸轴上,并装上挡纸轮及挡套,把装好包装材料的架纸轴放在架纸板上(见图3-6,图5-1),注意包装材料的印刷面方向与对应机型的图示相符,将包装材料与成形器对正,使挡纸轮及档套夹紧包装材料并拧紧手旋钮。
3、向下拉动包装材料,按图3-6所示,并将包装材料插入成型器中向下拉动放入图3-6两滚轮之间,按下输纸键,使两滚轮压住成形后的包装材料。
捆包机操作规程
1、接通电源:把电源插头接上电源,按下开关,指示灯亮。
2、预热烫头:把温度调到所需温度,预热1分钟,若缩短预热时间,可按下快速加热按钮约5秒钟。
3、选择送带定时时间(送带长度控制)时间调节范围0-6秒,根据包件大小,调节所需的传送长度。
4、开动电机:合上开关,电机启动,若30秒内不捆扎,电机自动停止,按下送带或退带按钮,可从新转动。
5、包件定位:把包件放在机器工作台上,用手抓住带头绕过包件,插进"带子入口"。
6、捆扎:带头进入"带子入口"后,触动微动开关,机器便自动压住带头,完成退带、拉紧、切带、烫带、复原等动作。
然后自动送出一定长度的带子,此时,便完成一次捆扎的全过程。
7、送带及复位:如送出带子不够可按下送带按钮。
8、退带及复位:按退带按钮,带子推出机器,机器自动复位。
9、关机:每次用完后,应关上电源开关或电机开关。
10、异常情况处理:
1)带子粘合不良:调整烫头温度;调整烫头位置。
2)卡带:关掉电机开关,按照退带方向将带子拉出。
11、维修保养:
1)清洁:要经常保持机器清洁,应经常清除轨道和机件上的带屑和污
垢。
2)紧固件防松:机器在工作和运输过程中,各部位的紧固件会有松动可能,应经常检查机器内螺钉、螺母、弹簧是否紧固齐全。
3)润滑:应定期在注油处和经常滑动部位加注高速润滑油。
东莞市慧越自动化设备科技有限公司HY-B02自动包胶带机说明书
HY-B02自动包胶带机
功能:
1、胶布内圈34mm及77mm均适用;
2、两轴式包胶布,胶布轴心距离自25-85mm均可调整;
3、粘胶布位置可微调,张力器可调整;
4、可包多种变压器。
一、设备名称
自动包胶布机
型号:HY-B02
二、设备尺寸
约长300x 宽550x 高250mm
约重46KG
三、基础配备要求
1、输入:AC220V,频率50HZ
2、采用高可靠性CNC-830控制器:采用三轴大功率定速牙箱马达驱动,出力大,运行平稳,可靠性高。
可操作简单化,故障信息显示方便管理维修。
3、定位感应器传统式:微动开关更换感应器
4、包胶圈数可任意设定,(速度可任意调整)
5、任何立式、卧式变压器皆可包胶,且更换品种简易、迅速,适合多样作业。
6、机体具备:手动及自动功能
四、功能说明
CF-BD01B自动胶布机应用于包高低频电子变压器,线圈等等。
效率要求(产能要求):每小时:1200-1400pcs
五、机构材质及电气材料
1、主要部份采用S45C钢材料
2、其他A3钢电镀硬铬
3.PLC操作控制器
六、售后服务
1、整机无偿保修1年(人为损坏除外),有偿终生保修。
自动包胶带机安全操作规程1. 引言本文档旨在确保使用自动包胶带机时的操作安全,并减少事故的发生。
所有操作人员都应遵守本规程,并对其内容有所了解。
本文档详细介绍了自动包胶带机的安全操作规程。
2. 胶带机的基本原理自动包胶带机是一种用于封装箱体的机器,其主要工作原理是通过将胶带粘贴在箱体封口处,实现封口的目的。
操作人员只需放置箱体,设置机器参数,然后启动机器即可完成封装作业。
3. 安全操作规程为确保操作人员的人身安全和设备完整性,以下是自动包胶带机的安全操作规程:3.1. 操作前的准备工作•操作人员必须熟悉自动包胶带机的使用说明书,并且具备基本维护知识。
•在开始操作之前,必须穿戴符合规范的个人防护装备,包括安全帽、安全鞋、防护手套等。
•确保操作区域干净整洁,避免杂物堆放。
3.2. 正确操作自动包胶带机•在启动自动包胶带机之前,确保所有可动部件没有异常,并查看控制面板上的开关和按钮是否正常。
•严禁用手直接接触自动包胶带机的运动部件。
如需清理、检修等操作,应先切断电源并等待机器停止运行后再进行。
•在操作自动包胶带机时,不得随意触摸或调整传动部件。
•禁止在运行中用手或其他物品碰触包胶带机切刀。
•在更换胶带时,必须切断电源并等待机器完全停止运行后进行,防止意外发生。
•禁止将任何非工作对象放置在自动包胶带机上,以确保胶带机的稳定性和正常运行。
3.3. 维护与保养•在日常使用中,操作人员应定期检查胶带机的运动部件,并进行润滑或更换部件。
•定期对胶带机进行清洁,清理灰尘和胶屑等杂物,并检查散热器是否畅通。
•若发现胶带机存在故障或异常情况,应立即切断电源,并通知维修人员进行检修。
4. 应急处理在紧急情况下,操作人员应迅速采取以下措施:•立即切断电源,防止事故进一步发生。
•确保周围环境安全,确保自身安全,避免造成二次伤害。
•及时报告所属单位的管理人员,以便做好事故记录和处理。
5. 总结安全操作是使用自动包胶带机的基本要求,只有遵守安全操作规程,严格控制操作流程,才能确保人身安全和设备的完整性。
东莞市慧越自动化设备科技有限公司
全自动包胶机
面
板
操
作
说
明
一、面板说明(MS-100型控制器)
(1).(设定)键:用来选择和确认各菜单;
(2).(位选择)键:用来待机状态时的手动卷付动作及设定状态时的数位选择;
(3).(+)键:用来待机状态时的手动移位动作及设定状态时的数字递增循环;
(4).(-)键:用来待机状态时的手动切贴动作及设定状态时的数字递减循环;
(5).(复位)键:用来设定状态时的参数复位功能;
(6).(产量)键:用来从任何菜单中直接会到待机状态或运动状态及产量计数状态;
二、面板说明:(操作说明)
(1)“启动”钮:启动/停止双作用钮,在待机状态点按此钮机器运转,运转过程中点按此钮,运转停止;再次点接机器从动作断开处继续运转,直至动作流程完成。
(2)电源:电源开关ON时灯亮,电源接通。
电源开关OFF时灯灭,电源切断。
中文操作说明书目录1.一般说明2.规格3.结构与功能4.操作5.调整6.故障检修7.维护示意图片:一般说明:1.1应用本设备应用于聚丙烯带(机用带)捆扎的全自动捆扎机。
捆扎的物件限于弓架内规格(标准规格:宽度850mm*高度600mm)。
该机不宜捆扎湿,多灰,粉末状或者过于笨重(最大负载100kg)的包装物。
我们建议使用一下的规格的捆扎带原材料:聚丙烯固定带宽:最大正负1.0mm厚度:0.4mm-1.0mm扭转:每米60弧高:每米50mm带圈高度:180MM-230MM带圈纸芯内径:200mm-405mm1.2安装设备必须安装在靠近电源机及干燥平坦的硬质地板上,并可靠固定不移动。
电源必须与机器侧面的铭牌说明相一致。
安装地点应符合以下条件:室温:-20℃-=+50℃、地板:最大负载350公斤/平方米空间:最小2米*1.5米严重警告:如果不按照机器说明书要求正确安装,将导致严重后果。
严重警告:电源连接线插头必须牢固,电源插座必须有接地保护。
1.3运输和储存长途运输或者长期保管机器,必须用木箱或者硬纸板箱包装,固定在结实的垫板上。
并在包装箱内放吸潮剂,在机器内部喷涂防锈剂。
切勿在包装箱顶部对放任何重物,运输和储存时不要将机器倒置。
长途运输或长期保存机器后,建议在机器接上电源前,先手动检查所有活动部件,以避免电气设备过负荷。
随机供应的标准附件:1.工具:1套2.弓架活页弹簧:5件3.紧力臂夹刀弹簧:1件4.紧力臂弹簧1件5.紧力臂制动器弹簧1件6.所有其他品种的弹簧1套7.电热头1件8.说明书1份2-1. 技术要求:批准CE2-2. 规格:尺寸:宽1412mm 长600mm 高1540mm净重:220kgs毛重:230kgs带宽:8, 9,10, 12, 12.7, 15.5,18,19mm带盘:PP带纸芯内径200mm-280mm(可调)捆扎速度: 26次每分钟捆扎范围:最小。
宽100mm 高30mm(最大为弓架内规格)粘合方法:热熔法捆扎紧度:5kg-80kg功率:0.85KVA电源:3PH,220V-380V (50 HZ /60HZ)1PH,110V-220V (50 HZ /60HZ)可调选项:弓架规格,带宽,电源,进带传感器说明:**标准弓架宽850mm 高600mm**如有改变,恕不另行通知结构与功能:外观图:4-1:操作前的注意事项:检查电源与机器侧面铭牌说明是否一致。
包扎机使用说明1包扎机的启动:合上电源后,按控制盒上的“启动按钮(绿色)”。
踩下脚踏开关,包扎机即旋转。
2包扎机的速度:控制盒上一共有4个开关,不同的组合会得到不同的速度。
本包扎机可以提供16种速度,详情见下表。
速度表“×”表示接通(向上),“√”表示断开(向下)。
3速度的说明:“速度1”的速度由变频器的旋转电位器确定。
“速度2”到“速度16”的速度由参数决定,详见参数说明。
4包扎机的停止:松开脚踏开关,包扎机停止转动。
按控制盒上的“停止按钮(红色)”则断开电源。
5 部分参数表:具体参数详见参数说明。
先下楼,走出家门。
这就是小智的故乡真新镇。
按照约定,小智要去口袋妖怪界的权威大木博士那里领取自己的口袋妖怪(以下简称PM)。
可来到研究所却发现博士不在,而他的孙子小茂也在那里等着博士。
无奈下,小智决定到真新镇外面转转。
没想到刚迈出镇子一步,就被人叫住了,原来是大木博士,他说不带着PM 到野外去是很危险的。
这时,草丛中突然出现了一只野生的皮卡丘,博士二话没说就给收服了(汗...)。
博士将小智带到研究所,给了他和小茂各一只PM(小茂的是伊布,小智的则是刚刚抓到的皮卡丘)。
小智的皮卡丘比较特别,它不喜欢呆在妖怪球里,所以就会一直跟在小智身后,你可以时常跟它聊天,看看它对你感觉如何。
小智刚要离开研究所,却被小茂拦住说要和他的PM比试一番,小智正好也想试试自己PM的实力,于是就答应了(第一场战斗很简单,只要不停用电击就能获胜)。
胜利之后可以回到家,电脑里有一个小回复药,之后真正的冒险开始了。
向上走,来到常磐市,这里的会馆(以下称为GYM)没有开放,不能挑战,于是小智想继续前进,但有位老先生死活不让过,不得已先在城市里转转吧!在常磐市的商店,小智得到了寄给大木博士的包裹,于是便返回了真新镇的研究所。
博士得到包裹后十分感谢小智,正在他夸奖小智时,小茂回来了。
博士便将PM图鉴(能记录捕捉的妖怪,重要道具)给了两人。
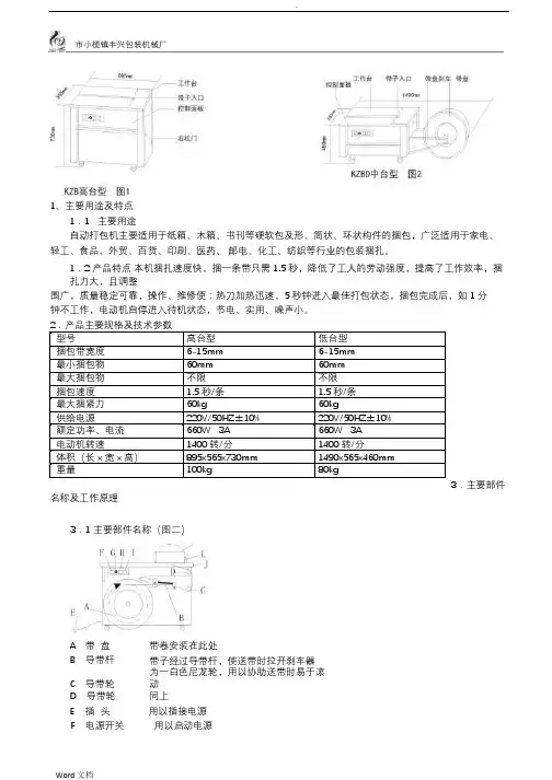
市小榄镇丰兴包装机械厂1、主要用途及特点1.1主要用途自动打包机主要适用于纸箱、木箱、书刊等硬软包及形、筒状、环状构件的捆包,广泛适用于家电、轻工、食品、外贸、百货、印刷、医药、邮电、化工、纺织等行业的包装捆扎。
1.2 产品特点本机捆扎速度快,捆一条带只需 1.5 秒,降低了工人的劳动强度,提高了工作效率,捆扎力大,且调整围广,质量稳定可靠,操作、维修便;热刀加热迅速,5 秒钟进入最佳打包状态,捆包完成后,如 1 分钟不工作,电动机自停进入待机状态,节电、实用、噪声小。
2型号高台型低台型捆包带宽度6-15mm 6-15mm最小捆包物60mm 60mm最大捆包物不限不限捆包速度 1.5 秒/条 1.5 秒/条最大捆紧力60kg 60kg供给电源220V/50HZ±10% 220V/50HZ±10%额定功率、电流660W 3A 660W 3A电动机转速1400 转/分1400 转/分体积(长 x 宽 x 高)895x565x730mm 1490x565x460mm重量100kg 80kg3.主要部件名称及工作原理3.1 主要部件名称(图二)A 带盘带卷安装在此处B 导带杆带子经过导带杆,使送带时拉开刹车器C 导带轮为一白色尼龙轮,用以协助送带时易于滚动D 导带轮同上E 插头用以插接电源F 电源开关用以启动电源- 1 -G 长度调节器调节每次自动送带的长度H 归零开关按此钮每一次退带(半个动作),第二次为归零I 手动出带开关为手动调节任意出带长度J 出带槽带子穿过此,机器没归零或积塞杂物,即无法穿过K 捆包物为欲捆包之物品,紧靠阻挡器 L3.2 工作原理(图三)将捆包物放在捆包机的台面上,调整适当的供带长度,机器自动供带,操作者将捆包带绕过捆包物,将带头沿着导向槽插入直至触动微动开关,前顶刀便立即上升,将带头顶住,随之带子被紧后,另一端也被上升的后顶刀顶住,中刀立即上升,将带子切断,与此同时,表面温度约。
第1篇一、概述自动裹包线是一种高效、智能的包装设备,广泛应用于食品、医药、日化、建材等行业。
它能实现产品的自动包装,提高生产效率,降低人工成本。
为确保操作安全、设备正常运行,特制定本操作规程。
二、操作流程1. 准备工作(1)检查设备外观,确保无损坏、松动现象。
(2)检查电源、气源等供应情况,确保正常。
(3)检查裹包线各部件是否完好,包括输送带、裹包带、热封装置等。
(4)检查裹包材料,确保符合要求。
2. 设备启动(1)打开电源开关,启动裹包线。
(2)调整输送带速度,使产品平稳输送。
(3)调整裹包带宽度,确保裹包效果。
3. 产品包装(1)将产品放入输送带,确保产品放置整齐。
(2)调整裹包带间距,使裹包带紧贴产品。
(3)启动裹包带,进行自动裹包。
(4)观察裹包效果,如需调整,可手动调整裹包带间距。
4. 设备停止(1)关闭裹包带,停止裹包。
(2)将产品从输送带上取出。
(3)关闭输送带,停止输送。
(4)关闭电源开关,关闭设备。
三、操作注意事项1. 操作人员应熟悉裹包线操作规程,确保安全操作。
2. 操作过程中,严禁触摸运转中的设备部件,以防意外伤害。
3. 设备启动前,应确保所有人员远离设备。
4. 裹包材料应保持干燥、整洁,防止设备故障。
5. 检查设备各部件,确保正常运行,如有异常,立即停止操作,及时上报。
6. 设备运行过程中,严禁擅自调整设备参数,如需调整,请咨询专业技术人员。
7. 定期检查设备,确保设备处于良好状态。
8. 操作结束后,清理设备,保持现场整洁。
四、维护保养1. 每班次操作结束后,清理裹包线,保持设备整洁。
2. 定期检查裹包带、输送带等易损件,及时更换。
3. 定期检查设备各部件,确保设备正常运行。
4. 定期对设备进行润滑,减少磨损。
5. 按照设备说明书进行定期保养,确保设备使用寿命。
五、安全防护1. 设备运行过程中,严禁操作人员进入设备下方。
2. 设备周围设置警示标识,提醒操作人员注意安全。
3. 操作人员应穿戴防护用品,如手套、眼镜等。
第1篇一、概述自动包纸机是一种用于自动包装纸张产品的设备,具有高效、精准、自动化程度高的特点,广泛应用于纸品包装行业。
为确保操作安全、设备稳定运行,以下为自动包纸机操作规程。
二、操作前的准备工作1. 检查设备状态:在操作自动包纸机之前,首先要检查设备的各项功能是否正常,包括传动系统、电气系统、控制系统等。
如有异常,应及时排除。
2. 检查纸卷:确保纸卷质量符合要求,无破损、变形等问题。
检查纸卷直径、长度、厚度等参数,确保与设备匹配。
3. 准备辅助材料:准备好剪刀、胶带、标签等辅助材料,以备不时之需。
4. 清理工作区域:确保工作区域清洁、无杂物,以防止设备故障或意外伤害。
三、操作步骤1. 启动设备:按下启动按钮,设备开始运行。
观察设备各部分运行情况,确保无异常。
2. 设置参数:根据实际需求,通过设备控制面板设置包装速度、纸卷直径、纸盒尺寸等参数。
3. 放置纸卷:将纸卷放置在纸卷架上,确保纸卷底部与设备输送带对齐。
4. 装填纸张:启动设备,纸张自动从纸卷上输送至设备内部。
观察纸张输送情况,确保纸张均匀、连续。
5. 包装成型:设备将纸张折叠、封口,形成纸盒。
观察纸盒成型质量,如有问题,及时调整设备参数。
6. 输送纸盒:纸盒成型后,自动输送至下一工位。
观察纸盒输送情况,确保纸盒平稳、连续。
7. 剪切、粘贴标签:根据需求,在纸盒上剪切、粘贴标签。
8. 检查成品:检查纸盒尺寸、封口质量、标签粘贴情况等,确保符合要求。
9. 关闭设备:完成包装任务后,关闭设备电源,确保设备安全。
四、注意事项1. 操作人员应穿戴合适的工作服,佩戴防护用具,如手套、眼镜等。
2. 操作过程中,注意观察设备运行情况,发现异常立即停机检查。
3. 避免设备附近存在杂物,以免影响设备正常运行。
4. 定期对设备进行清洁、润滑和检修,确保设备稳定运行。
5. 严禁操作人员随意调整设备参数,如需调整,请咨询专业技术人员。
6. 非操作人员严禁操作设备,以确保安全。
自动套膜机使用及问题详讲解明书第一章:套膜机操作流程一、机台开启前的准备工作1.外袋及膜封底切刀加热。
开机前可先将膜封底和外袋切刀加热,以便减短加热浪费的时间。
外袋切刀温度一般为260℃,其最高温度不宜超过270℃。
膜封刀温度在150℃左右,如图。
具体温度要根据实际情况加以调整。
图:温度调节界面2.给机台排水、添油保养。
开机前为保证机台运行的流畅以及延长机台的使用寿命,有必要给机台的运动局部进展加油保养润滑。
主要加油保养部位有:a、膜封刀竖直方向运动副间应参加润滑油〔一天一次,可定在转班时加油〕;b、各轴承和移位链条上以及各滑块运动副中添黄油〔频率为半年一次〕;c、缝纫机参加机油润滑以及清理其部的棉絮〔频率以实际耗油决定〕;d、三联体中参加三联体专用油〔一般为半月一次〕;e、排清机台部储气罐的积水〔频率为一星期一次〕。
具体位置如下列图、、。
图:封刀加油区图:三联体加油区图:储气罐排水3.机台外表的清理。
开机前要注意机台上的物件,如机台上的修理工具、抹布以及线团等。
防止其影响机台运行和造成机台损坏〔尤其是膜切刀上的平台,严禁摆放物品及修理工具如图〕。
除此之外还要清理机台上的灰尘及油渍。
图:膜切刀平台制止摆放物品4.参数的输入。
清理完机台后可以根据生产要求输入设备生产的参数,主要有:编织袋长度、膜长度、外袋宽度以及外袋间距等。
输入界面如图。
图:触摸屏参数输入界面二、开机调试操作流程1.筒布卷的上料在输入好生产规模参数后将圆织布卷安装上机台。
其具体操作步骤为:①将筒布卷送料机架的纠偏调节到居中如图;自动手动居中图纠偏器按键位置图②拉下气压阀如图,让筒布放料轴自动下放。
取下送料轴放置一旁,将筒布卷推至筒布卷送料机架标记好的位置〔筒布卷右平面与机架上贴有的斑马胶对齐如图〕。
再将送料轴穿入筒布卷中,且保证送料轴左侧固定槽与力臂上的轴承对齐。
在保证两者都对齐后将筒布卷与轴固定好。
抬降图:气压阀调节方向图:筒布卷摆放位置③抬起气压阀,将筒布卷抬起。
xxxx自动化设备科技有限公司HY-B02自动包胶带机说明书
HY-B02自动包胶带机
品牌xx科技
用途包胶机
功能:
1、胶布内圈34mm及77mm均适用;
2、两轴式包胶布,胶布轴心距离自25-85mm均可调整;
3、粘胶xx位置可微调,xx可调整;
4、可包多种变压器。
一、设备名称
自动包胶布机
型号:
HY-B02
二、设备尺寸
约长300x宽550x高250mm型号HY-B02
别名包胶布机
约重46KG
三、基础配备要求
1、输入:
AC220V,频率50HZ
2、采用高可靠性CNC-830控制器:
采用三轴大功率定速牙箱马达驱动,出力大,运行平稳,可靠性高。
可操作简单化,故障信息显示方便管理维修。
3、定位感应器传统式:
微动开关更换感应器
4、包胶圈数可任意设定,(速度可任意调整)
5、任何立式、卧式变压器皆可包胶,且更换品种简易、迅速,适合多样作业。
6、机体具备:
手动及自动功能
四、功能说明
CF-BD01B自动胶布机应用于包高低频电子变压器,线圈等等。
效率要求(产能要求):
每小时:1200-1400pcs
五、机构材质及电气材料
1、主要部份采用S45C钢材料
2、其他A3钢电镀硬铬
3.PLC操作控制器
六、售后服务
1、整机无偿保修1年(人为损坏除外),有偿终生保修。