车间管理人员考核表
- 格式:xls
- 大小:20.50 KB
- 文档页数:1
现场管理考核表
注:1.清扫标准:使工作场所没有垃圾、脏污、灰尘、油污。
保持随时能用的状态。
2.清洁标准:保持清洁的状态,并找出根源予以排除。
3.整理标准:将需要与不需要的物品进行区分,并标识明确,不需要的搬离工作场所,使工作现
场整齐、有序。
4.安全标准:将工作场所会造成安全事故的发生源予以排除或预防。
根据划分的责任范围进行考核,每项不合格扣2分,每分值为30元,以总得分为准计入工资,每月不定期抽查至少4次。
每次考核结果均单次计算。
员工管理制度考核表公司名称:部门名称:员工姓名:工号:所属岗位:年度:审核人:一、工作目标和成果1. 是否明确了本岗位的工作目标和职责?(是/否)2. 是否按时按质地完成了工作目标?(是/否)3. 是否达到了预期的工作成果?(是/否)4. 是否具备进一步提升的能力和潜力?(是/否)二、工作态度和沟通能力1. 是否具备良好的工作态度和职业道德?(是/否)2. 是否能够有效地和同事、上级沟通合作?(是/否)3. 是否能够有效地解决工作中出现的问题?(是/否)4. 是否能够积极主动地提出建议和改进建议?(是/否)三、学习能力和自我提升1. 是否能够积极主动地学习新知识和技能?(是/否)2. 是否能够将学习成果应用到工作中?(是/否)3. 是否有定期的职业规划和自我提升计划?(是/否)4. 是否能够不断提升自己的专业能力和综合素质?(是/否)四、团队合作和领导能力1. 是否能够有效地参与团队合作并发挥自己的作用?(是/否)2. 是否能够有效地帮助团队解决问题并达成共同目标?(是/否)3. 是否具备较强的领导能力和组织协调能力?(是/否)4. 是否有带领团队完成工作的经验和能力?(是/否)五、综合评价和改进措施1. 是否能够全面地评价自己的工作表现和能力水平?(是/否)2. 是否能够接受和理解审核人的评价和建议?(是/否)3. 是否能够制定明确的改进措施和计划?(是/否)4. 是否能够不断完善自己的工作和能力?(是/否)六、评语和建议审核人评价:建议和意见:七、员工自评及签字员工自评:日期:员工签字:八、审核人评价及签字审核人评价:日期:审核人签字:以上就是员工管理制度考核表的内容,希望对您有所帮助。
祝您工作顺利!。
机加车间管理者KPI考核表背景为了确保机加车间的高效运营和管理,对管理者的绩效进行考核至关重要。
本文档为机加车间管理者KPI考核表,旨在准确评估管理者在不同方面的表现。
考核指标1.产品质量缺陷率:低于百分之X的产品缺陷率。
重工率:低于百分之X的产品重工率。
报废率:低于百分之X的产品报废率。
2.生产效率实际产量:实际产出的产品数量。
计划产量完成率:完成计划产量的百分比。
生产线利用率:生产线运行时间与总时间的比率,目标为百分之X以上。
3.交货期准时率交货期准时率:按时交付产品的百分比,目标为百分之X以上。
4.成本管理人力成本控制:实际人力成本与预算人力成本的比率。
原材料损耗率:低于百分之X的原材料损耗率。
设备故障率:低于百分之X的设备故障率。
5.团队管理团队建设:组建高效团队并提供必要的培训和发展机会。
人员稳定率:保持固定的员工稳定率。
6.安全环保事故率:低于百分之X的事故率。
废弃物处理:符合环保标准的废弃物处理方式。
考核流程1.按照考核指标收集相关数据。
2.将数据填入考核表,并进行评分。
3.定期与管理者进行绩效评估会议,共同讨论并确定改进措施。
4.不断监督管理者的改进行动,确保绩效的持续提升。
汇总与反馈根据管理者的绩效考核结果,将绩效评分进行汇总,并将结果反馈给相关部门和管理者本人。
评估后的绩效数据应作为重要依据用于薪酬激励、职业发展以及绩效改进等方面。
结论机加车间管理者KPI考核表将帮助评估管理者在产品质量、生产效率、交货期准时率、成本管理、团队管理以及安全环保等方面的表现。
通过定期评估和持续改进,我们将进一步提升机加车间的运营效率和管理水平。
车间班组长绩效考核细则表一、考核目的车间班组长是企业车间运转的重要管理者,其绩效表现直接关系到车间生产效率和员工团队合作的水平。
为了规范车间班组长的绩效考核,提高班组长的管理能力和工作业绩,制定本细则表。
二、考核内容1.生产任务完成情况:考核车间班组长完成的生产任务情况,包括任务进度、质量控制、资源配备等。
2.安全生产管理:考核车间班组长对安全生产管理的重视程度和措施落实情况,包括事故防范、安全规范执行、员工安全意识培养等。
3.团队管理与人员培训:考核车间班组长对班组内员工的管理和培训情况,包括团队合作能力、员工激励机制、培养新人等。
4.成本控制:考核车间班组长对生产成本的控制和节约情况,包括原材料使用效率、设备维护成本、能源消耗等。
5.问题处理与决策能力:考核车间班组长在生产过程中遇到问题时的处理方式和决策能力,包括及时调整生产计划、解决矛盾纠纷、应对突发情况等。
三、考核指标考核内容考核指标生产任务完成情况- 任务进度完成率:完成生产任务的进度百分比- 质量合格率:生产产品的质量合格率- 资源利用率:生产过程中的资源利用效率- 返工率:生产过程中需要返工的次数和比例安全生产管理- 事故发生率:事故发生的频率和严重程度- 安全培训参与率:员工参与安全培训的比例- 安全事故处理及时率:处理安全事故的及时性团队管理与人员培训- 团队合作评价:班组内员工团队合作的效果评价- 新员工培训合格率:新员工培训合格的比例- 员工流失率:班组内员工离职的比例成本控制- 原材料使用效率:生产过程中原材料的使用效率- 设备维护成本:设备维护费用的比例- 能源消耗:生产过程中的能源消耗问题处理与决策能力- 问题处理效果:处理生产过程中的问题的效果评价- 决策准确度:车间班组长的决策的准确性评价四、考核标准每个考核指标都根据实际情况设定权重,根据班组长在各项指标上的得分,按比例计算综合得分。
1.综合得分计算公式:综合得分 = 任务进度完成率得分 * A1 + 质量合格率得分 * A2 + ... + 决策准确度得分 * An2.指标得分计算公式(以任务进度完成率为例):任务进度完成率得分 = 实际完成率 / 目标完成率 * 1003.综合得分等级划分:•优秀:综合得分在90分及以上•良好:综合得分在80分至89分•一般:综合得分在70分至79分•需改进:综合得分在60分至69分•较差:综合得分在60分以下五、考核周期与评审•考核周期:每季度进行一次绩效考核。
车间班组长绩效考核细则和考核表员工作过程中有时会出现精神不集中或搞些小动作。
经管理人员D 级:班组人员工作纪律较差,人员未能服从上级主管工作安排,出现违反车间各项管理规章制度的情况,班组有人员经常违规操作,经管理人员多次提醒后仍不能改正。
(OTO 分)A 级:成本控制管理出色,本班没有因管理或工作安排不当造成物料损耗和浪费情况,能积极采取有效措施提高成品率和降低节约生产成本。
为工厂创造了效益。
(16-20分)B 级:成本控制管理较好,本班没有因管理或工作安排不当造成物料损耗和浪费情况,对于客观原因造成的次品情况和浪费现象也能主动分析原因,但未能找出有效的措施解决。
(12-16分)C 级:成本控制工作一般,生产过程中有时因管理或工作安排不当造成少量物料损耗和浪费情况出现。
对于次品原因和浪费现象没有认真分析原因并找出有效措施解决。
(10-12分)D 级:成本控制管理较差,班组物料损耗和浪费情况比较严重,但作为班长却没有想办法去改善。
(5-10分)A 级:班组卫生控制很好,人员个人卫生情况完全符合车间卫生要求,对于车间里的环境卫生\机械设备卫生\工用具卫生等清洁工作完成得非常出色,没有出成本控制 (20分) 卫生控制 (20现卫生清洁返工情况.(16-20分)B 级:班组卫生控制较好,车间卫生清洁工作任务落实较好,符合车间卫生管理要求,没有出现卫生清洁返工情况.(12-16分)C 级:班组卫生控制一般,班组人员个人卫生方面基本能符合车间卫生要求,但车间的卫生清洁工作完成不够好,如有些地方清洁不够彻底,有时会出现卫生清洁返工情况.但返工后检查合格.(IO-12分)D 级:班组卫生控制较差,个人卫生比较脏,工衣\工帽\水鞋\口罩没有穿戴好或不够干净,车间搞卫生时清洁效果很差,多次返工不合格,或未经检查合格班组人员己离去.(OTO 分)A 级:很注重产品质量,积极和主动地维护产品质量,使班组的产品合格率得到提高,班组人员操作非常规范,产品的合格率非常高。
机加车间主管人员KPI考核表考核指标1. 准时完成生产计划:衡量主管人员按时完成机加车间的生产计划情况。
2. 生产效率:衡量主管人员有效管理机加车间,提高生产效率。
3. 质量控制:衡量主管人员对生产质量的控制和改进情况。
4. 安全管理:衡量主管人员对机加车间安全管理的执行情况。
5. 人员管理:衡量主管人员对下属员工的管理和培养情况。
6. 成本控制:衡量主管人员对机加车间成本的控制和节约情况。
考核方法1. 准时完成生产计划:- 统计主管人员按时完成生产计划的次数和比例。
- 监督主管人员对生产进度的跟踪和调整情况。
2. 生产效率:- 记录机加车间的生产产量和生产时间。
- 比较提高生产效率的措施和效果。
3. 质量控制:- 抽检产品的合格率和不合格率。
- 分析不合格产品的原因,并采取改进措施。
4. 安全管理:- 定期检查机加车间的安全设施和操作规范的执行情况。
- 统计安全事故的发生率和原因,并采取预防措施。
5. 人员管理:- 考察主管人员对员工的培训和激励情况。
- 评估主管人员对员工工作质量的监督和反馈情况。
6. 成本控制:- 分析机加车间的生产成本和费用。
- 比较控制成本的措施和效果。
考核结果和奖惩根据主管人员在各项指标上的表现,进行综合评估,并给予相应的奖惩措施,包括但不限于:- 优秀:全面达标,给予奖励和表彰。
- 良好:在大部分考核指标上表现良好,给予一定奖励。
- 合格:在部分考核指标上有进步,给予鼓励和指导。
- 不合格:在多个考核指标上未达标,给予批评和必要的纠正措施。
总结机加车间主管人员KPI考核表旨在评估主管人员在生产计划、效率、质量、安全、人员和成本管理等方面的综合能力和表现。
通过明确的考核指标和方法,能够帮助主管人员不断提高管理水平,实现良好的组织运作和业绩目标。
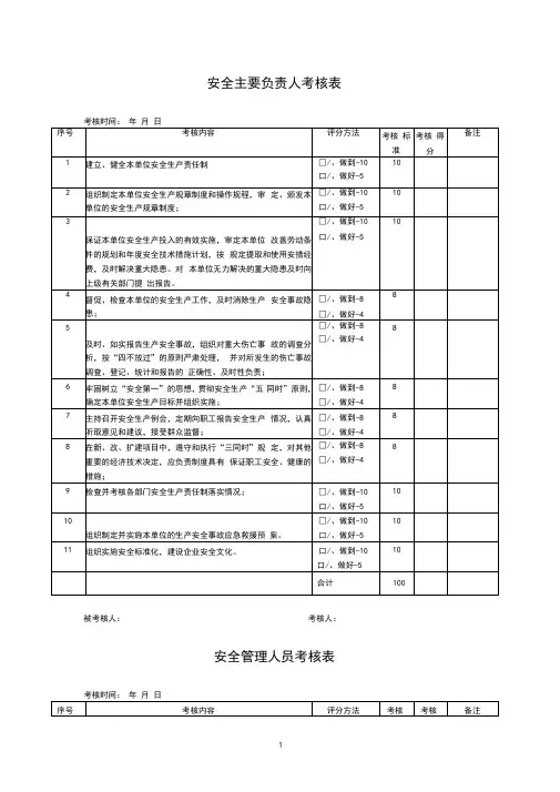
管理人员安全生产责任制考核表施工单位:考核单位(盖章):填表人(签名):注:1、考核结果在合格、不合格栏内打2、考核不合格的主要原因,填写备注栏。
企业全员安全生产责任制考核表(全套)一、总经理(主要负责人)全员安全生产责任制考核表考核日期:年月日二、生产运行部总监(安委会副主任)全员安全生产责任制考核表考核日期:年月日三、生产运行部经理全员安全生产责任制考核表四、生产运行部工艺工程师全员安全生产责任制考核表考核日期:年月日五、生产运行部设备工程师全员安全生产责任制考核表考核日期:年月日六、生产运行部电气工程师全员安全生产责任制考核表考核日期:年月日七、仪表工程师全员安全生产责任制考核表考核日期:年月日八、土建工程师全员安全生产责任制考核表考核日期:年月日九、生产内勤全员安全生产责任制考核表考核日期:年月日十、物资主管全员安全生产责任制考核表考核日期:年月日十一、物资管理员全员安全生产责任制考核表考核日期:年月日十二、值班长全员安全生产责任制考核表考核日期:年月日十三、班长全员安全生产责任制考核表考核日期:年月日十四、外操全员安全生产责任制考核表考核日期:年月日十五、锅炉操作工操全员安全生产责任制考核表考核日期:年月日十六、公用工程操作工操全员安全生产责任制考核表考核日期:年月日十七、叉车操作工操全员安全生产责任制考核表考核日期:年月日十八、安全环保部经理全员安全生产责任制考核表考核日期:年月日十九、安全环保部安全工程师全员安全生产责任制考核表考核日期:年月日二十、财务部总监全员安全生产责任制考核表考核日期:年月日二十一、财务部总监全员安全生产责任制考核表考核日期:年月日二十二、财务部会计全员安全生产责任制考核表考核日期:年月日二十三、财务部(会计、资金主管)全员安全生产责任制考核表考核日期:年月日二十四、营销部总监全员安全生产责任制考核表考核日期:年月日二十五、营销部总监全员安全生产责任制考核表考核日期:年月日二十六、营销部物流管理全员安全生产责任制考核表考核日期:年月日二十七、营销部物流管理助理全员安全生产责任制考核表考核日期:年月日二十八、人力行政部总监全员安全生产责任制考核表考核日期:年月日二十九、人力行政部行政助理全员安全生产责任制考核表考核日期:年月日三十、人力行政部人力助理全员安全生产责任制考核表考核日期:年月日三十一、人力行政部后勤专员全员安全生产责任制考核表考核日期:年月日三十二、人力行政部门卫全员安全生产责任制考核表考核日期:年月日三十三、人力行政部食堂人员全员安全生产责任制考核表考核日期:年月日三十四、采购部经理全员安全生产责任制考核表考核日期:年月日三十五、采购部助理全员安全生产责任制考核表考核日期:年月日三十六、技术研发部总监全员安全生产责任制考核表考核日期:年月日三十七、技术研发部分析工程师全员安全生产责任制考核表考核日期:年月日三十八、技术研发部化验分析员全员安全生产责任制考核表。