有机合成工国家职业标准汇总
- 格式:doc
- 大小:41.71 KB
- 文档页数:21
LB山西建滔潞宝化工有限责任公司合成车间合成操作工岗位标准1.岗位职责描述:在班长的直接领导下,对本岗位的安全生产任务、环境卫生及各项规章制度的执行情况负责。
2.岗位人员基本要求:年龄:年龄小于35周岁学历及工作经历:高中及以上学历,具有1-2年以上工作经验;职业资格:相关技术等级证书身体素质:身体健康,精力充沛,强烈的责任心、敬业、工作原则性强。
3.岗位知识和技能要求:(1)掌握岗位业务,具备处理岗位业务的专业知识和能力;(2)具有较强的业务技术能力、执行能力;(3)良好的语言沟通能力和文字交流能力;(4)诚实、敬业、工作积极主动,有较强的责任心;(5)能吃苦耐劳。
有很强的执行力与沟通力。
4.行为安全要求:(1)、认真贯彻车间会议精神、各项管理制度与措施;(2)、中控人员严格执行工艺指标,保证并维护生产运行工作;(3)、加强现场巡检工作,发现问题及时解决,判断并处理一般事故情况;(4)、严格遵守劳动纪律,不串岗、睡岗、离岗、脱岗等,不干与生产无关的事;(5)、按时、如实、整洁、规范的填写记录报表并现场和中控核对运行指标;(6)、搞好本岗位设备卫生和环境卫生,做到文明生产;(7)、负责岗位公共用具的交接,并做好交接记录。
5.装备护品要求:上岗必须穿工作服。
进入生产现场必须佩戴安全帽、防毒口罩等劳动保护用品。
会使用各种应急救援器材,如空气呼吸器、洗眼淋浴器等。
LB山西建滔潞宝化工有限责任公司合成车间6、岗位管理要求:(1)严格执行公司安全管理制度。
(2)按工艺规程和安全操作规程进行操作,按时记原始记录,认真执行交接班、巡回检查制度;(3)严格遵守设备维护保养制度,按时对压力容器进行检查检测,确保安全运行;(4)参加安全技术培训,熟练掌握安全设施及灭火器材的使用方法,并负责维护保养,掌握本岗位应急方案。
(5)系统动火时,必须采取有效安全保护措施,办理相关审批手续并现场安全监护。
7、作业现场安全要求:操作间清洁有序,各种个体防护用品按位置摆放;现场卫生整洁,设备卫生干净。
国家工种职业标准(1)无线电调试工初级无线电调试工中级无线电调试工(2)计算机辅助设计绘图员(电子)电子类中级鉴定标准及鉴定内容知识要求:1、掌握微机系统的基本组成及操作系统的一般使用知识;2、掌握基本电子电路及印刷电路板的基本知识。
3、掌握基本原理图、PCB图的生成及绘制的基本方法和知识;4、掌握复杂原理图、PCB图(如层次电路、单面板)的生成及绘制的方法和知识;5、掌握图形的输出及相关设备的使用方法和知识。
技能要求:1、具有基本的操作系统使用能力;2、具有基本原理图、PCB图的生成及绘制的能力;3、具有复杂原理图、PCB图(如层次电路、单面板)的生成及绘制的能力;4、具有图形的输出及相关设备的使用能力。
实际能力要求达到:能够使用电路的计算机辅助设计与绘图软件(Protel99)及相关设备以交互方式独立、熟练地绘制电路原理图,并用原理图生成PCB图。
鉴定内容:(一)文件操作调用已存在图形文件;将当前图形存盘;用绘图仪或打印机输出图形。
(二)、原理图、PCB图的生成及绘制1、电路原理图设计及绘制a、原理图的生成装载元件库、放置元器件、编辑元件、位置调整、放置电源与接地元件、线路连接、生成网络表b、绘图工具及元件库编辑器的使用编辑线、圆弧、圆、矩形、毕兹曲线等,会使用删除、恢复、剪切、复制、粘贴、阵列式粘贴等,对元件库进行管理、元件绘图工具的使用及创建新的原理图元件。
2、PCB图的设计与绘制a、制作印刷电路板设置电路板工作层面、设置PCB电路参数、规划电路板、元件自动布局、元件手动布局、自动布线、手工调整PCB绘图工具及元件封装编辑器的使用导线、焊盘、过孔、字符串、坐标、尺寸标注、圆弧和圆、填充、多边形等,元件封装管理、创建新的元件封装(5)电子仪器仪表装调工电子仪器仪表装调工一、工作要求2.1 “职业功能”、“工作内容”一览表2.2 各等级工作要求2.2.1 电子仪器仪表装调工(五级)2.2.2 电子仪器仪表装调工(四级)2.2.4 电子仪器仪表装调工(二级)(4)家用电子产品维修工基本要求2.1职业道德2.1.1职业道德基本知识2.1.2职业守则(1)遵守国家法律法规和有关规章制度。
现行有色金属行业国家职业标准汇编The current national occupational standards compilation for the non-ferrous metal industry in China is essential for ensuring the quality and safety of professionals in this field. It sets the standard for training, qualifications, and job performance, creating a benchmark for excellence. These standards cover a wide range of areas, including occupational skills, knowledge, and competency requirements, ensuring that workers in the industry possess the necessary expertise to perform their roles effectively.当前的国家职业标准汇编对于保证有色金属行业专业人员的质量和安全至关重要。
它为培训、资格和工作绩效设定了标准,为卓越创造了基准。
这些标准涵盖了很多领域,包括职业技能、知识和能力要求,确保行业内的工作者具备必要的专业知识来有效地履行自己的职责。
By having a set of national occupational standards, the non-ferrous metal industry can ensure that there is consistency and uniformity in the quality of work across different regions and companies. This not only benefits the professionals working in the industry but also enhances the overall reputation and competitiveness of the sector.Employers can rely on these standards to assess the skills and qualifications of potential candidates, while employees can use them as a guide for career development and progression.通过拥有一套国家职业标准,有色金属行业可以确保跨不同地区和公司的工作质量一致性和统一性。
职位名称有机合成工程师职位代码所属部门
职系职等职级中级直属上级
薪金标准
职位概要:
指能独立设计和进行多步有机合成反应,运用化合物分离提纯技术和结构鉴定方法研究开发出有机化合物,并指导或带领团队顺利完成有机合成任务。
工作内容:
1、独立完成有机合成文献的查阅和图谱解析,依据文献完成化合物合成路线的初步设计
2、熟练地完成多步有机合成化学反应,包括手性或拆分以及放大合成工艺路线等,并对有机合成实验结果做出较全面的分析
3、在团队其他成员的协助下完成具有一定难度的有机合成研究项目,并及时解决有机合成实验中出现的问题;
4、负责有机合成实验团队的实验安全、进度及关键步骤的实施
5、清晰完整地完成有机合成实验记录,实验报告书
任职资格:
教育背景:
◆有机化学、药物化学和精细化工或与化学相关专业,本科以上学历或同等以上资历
培训经历:
◆中级化工工程师好或高级化工工程师
经验:
◆有合成经验者优先
技能技巧:
◆能够独立地操作、监控和处理有机合成反应
◆熟悉实验室常用的化合物分离提纯技术和结构鉴定方法
◆具有较丰富的检索和运用化学文献及专利的经验
胜任能力:
◆具有分析问题、解决问题的能力
◆有强烈的上进心和工作责任感
◆诚信可靠
◆具有协作精神
晋升方向:
◆。
合成研究员岗位职责职位要求(实用版)编制人:__________________审核人:__________________审批人:__________________编制单位:__________________编制时间:____年____月____日序言下载提示:该文档是本店铺精心编制而成的,希望大家下载后,能够帮助大家解决实际问题。
文档下载后可定制修改,请根据实际需要进行调整和使用,谢谢!并且,本店铺为大家提供各种类型的实用资料,如教学心得体会、工作心得体会、学生心得体会、综合心得体会、党员心得体会、培训心得体会、军警心得体会、观后感、作文大全、其他资料等等,想了解不同资料格式和写法,敬请关注!Download tips: This document is carefully compiled by this editor.I hope that after you download it, it can help you solve practical problems. The document can be customized and modified after downloading, please adjust and use it according to actual needs, thank you!And, this store provides various types of practical materials for everyone, such as teaching experience, work experience, student experience, comprehensive experience, party member experience, training experience, military and police experience, observation and feedback, essay collection, other materials, etc. If you want to learn about different data formats and writing methods, please pay attention!合成研究员岗位职责职位要求第1篇合成研究员岗位职责职位要求岗位职责:1、根据研发战略部署及年度计划,制定药物合成研发项目计划并组织实施。
化学合成制药工技能等级标准探讨发布时间:2021-07-12T01:27:43.115Z 来源:《中国科技人才》2021年第11期作者:黄敏杰1 陈维生1 徐峰2[导读] 医药化工是化工行业中的重要组成部分。
侧重的是用化工方式制药的一门科学,是医药化工药物开发、生产的重要环节。
包括医药化学品中间体、原料药、制剂等的生产。
1.联化科技股份有限公司浙江台州 318020;2.台州职业技术学院浙江台州 318000摘要:化学合成制药工根据国家职业技能标准共分五个等级:五级/初级工、四级/中级工、三级/高级工、二级/技师、一级/高级技师,其申报条件除了年限外,几乎对技能掌握程度没有清晰明确的区别规定,而且在其工作要求初、中、高级工条件都是一样的,技师、高级技师条件是一样的。
这明显不符合医药化工企业实际情况,这些条件也只符合合成岗位操作工一部分工作条件,没有包括医药化工企业生产车间其它岗位如溶剂回收、离心分离、干燥等岗位工作情况,为此我针对医药化工企业技能等级要求、工作条件提出我的一些观点,进行比较剖析,以供大家探讨。
关键词:化学合成制药工;技能等级标准;技能知识点1前言(一)研究背景医药化工是化工行业中的重要组成部分。
侧重的是用化工方式制药的一门科学,是医药化工药物开发、生产的重要环节。
包括医药化学品中间体、原料药、制剂等的生产。
医药化工作为化工行业新兴分支行业之一,在国内发展时间比较短,但发展迅速。
而化学合成制药工虽然国家技能标准目录中有职业编码6-12-01-00,但没有像有机合成工(职业编码6-11-02-15)一样有详细的技能等级申报标准、考评标准,故大多数医药化工企业只能参考有机合成工标准来进行申报及鉴定考评。
但化学合成制药工毕竟是有机合成工里面的分支之一,但还是具有非常多的独有的工艺特色,在此经过我们公司多年摸索,提出了一套化学合成制药工技能等级理论体系及申报标准、考评鉴定标准,在本文里抛砖引玉的提出来,期望得到技能鉴定方面的专家指点,以及同行的分享及指正。
有机合成工(中级)标注
1.1 职业名称
有机合成工。
1.2 职业定义
使用相关的原材料和化工生产设备,按指定的操作规程,合成有机化学品的人员。
1.3 申报条件(具备以下条件之一者)
(1)取得本职业初级职业资格证书后,连续从事本职业工作3年以上,经本职业中级正规培训达规定标准学时数,并取得结业证书。
(2)取得本职业初级职业资格证书后,连续从事本职业工作5年以上。
(3)连续从事本职业工作7年以上。
(4)取得经劳动和社会保障行政部门审核认定的、以中级技能为培养目标的中等以上职业学校本职业(专业)毕业证书。
1.4 鉴定方式
分为理论知识考试和技能操作考核。
理论知识考试采用闭卷笔试等方式,技能操作考核采用现场实际操作、模拟等方式。
理论知识考试和技能操作考核均实行百分制,成绩皆达到60分及以上者为合格。
1.5 鉴定时间
理论知识考试时间为120分钟;技能操作考核时间:90~120分钟
1.6 鉴定场所设备
理论知识考试在标准教师进行。
技能操作训练场所应具有相应的设备(包括辅助设备),安全设施完善。
2023合成岗位岗位职责2023合成岗位岗位职责 1岗位要求:1、本科及以上学历,化学或应用化学专业;2、专业基础知识扎实,动手操作能力强;3、主要从事胶体化学、有机合成方向的研发工作;4、创新力强,对研发有充分的热情;5、稳定性和有恒性较强。
岗位职责:1、乳化剂的调配;2、新剂型的开发与试制。
2023合成岗位岗位职责 2岗位要求:1、本科及以上学历,有机合成或应用化学专业;2、专业基础知识扎实,动手操作能力强;3、主要从事胶体化学、有机合成方向的研发工作;4、创新力强,对研发有充分的热情;5、稳定性和有恒性较强。
岗位职责:1、新产品实验路线的打通;2、生产工艺的改进与优化探索。
2023合成岗位岗位职责 3工作职责:1、准确理解项目目标以及技术要领,进行必要的技术资料学习,做好实验准备工作,包括试剂订购,仪器准备等。
2、熟练开展实验工作,包括开设反应,观察实验现象,监控反应过程,按要求完成实验记录、图谱处理以及文档上传工作,并对实验数据进行分析总结,得出相应的实验结论。
3、熟悉工作中所涉及的SOP(标准操作规程),熟练使用实验设备(包括GC,HPLC等),并按要求对实验设备进行维护。
4、遵守公司和研发各项规章制度,正确使用个人防护用具,并根据化学试剂的性质,规范安全地使用化学品。
5、保持实验场所的安全整洁,积极参与公司及研发组织的实验室日常安全卫生及精益管理活动。
6、完成上级及公司安排的其他任务。
职位要求:1、本科学历,化学或药学专业,有相关工作经验优先考虑。
2、具备扎实的有机化学基础理论知识。
3、熟悉有机合成单元操作,能独立进行实验,了解基本的谱图分析知识(核磁,质谱,红外等)。
4、良好的学习和接受新知识的能力,善于自我学习。
5、具有良好的团队合作精神。
6、工作积极主动,严谨和高效,责任心强,服从公司的工作安排。
7、良好的中英文读写能力,能独用英文进行实验记录。
2023合成岗位岗位职责 4岗位要求:1、本科,植保、化工相关专业;2、普通话标准,善于沟通、语言表达能力强;3、热爱原药销售工作,乐观、积极、诚信、有责任心,具团队意识;4、较强的观察力、分析力、执行力、学习力;5、具有良好的心理素质和综合素养。
2020年职业标准开发中,药物合成工的职业标准制定可能涉及以下方面:
职业定义和描述:明确药物合成工的职业定义和主要工作任务,包括合成原料药、中间体、制剂等药品的生产及工艺开发。
资格要求:规定药物合成工应具备的基本资格和技能,包括学历要求、工作经验、专业技能等。
培训要求:确定药物合成工的培训内容、培训周期和培训方式,以提高员工的技能水平和职业素养。
工作环境:明确药物合成工的工作环境要求,包括实验室、生产车间、设备仪器等。
职业健康与安全:制定药物合成工的职业健康与安全标准,包括防护措施、应急处理、危险品管理等,确保员工的安全与健康。
考核与认证:建立药物合成工的考核与认证制度,通过专业考试和实际操作评估员工的技能水平,并颁发相应的资格证书。
职业发展路径:规划药物合成工的职业发展路径,包括晋升渠道、职业转型等方面,以激励员工不断成长和发展。
行业标准与规范:参考国内外行业标准与规范,制定药物合成工的职业标准,确保员工遵循行业规范和法律法规。
继续教育:规定药物合成工在职业生涯中应接受继续教育的要求,以保持其技能和知识的更新和提高。
职业道德与行为规范:强调药物合成工应具备的职业道德与行为规范,包括诚实守信、尊重知识产权、遵守企业规章制度等。
这些方面的考虑将有助于制定全面而有效的药物合成工职业标准。
合成工区岗位标准目录合成安全考核员岗位标准.............................................. 错误!未定义书签。
合成工区技术员岗位标准.............................................. 错误!未定义书签。
合成运行班长岗位标准.................................................. 错误!未定义书签。
合成主值岗位标准.......................................................... 错误!未定义书签。
精馏主值岗位标准 (25)二甲醚主值岗位标准...................................................... 错误!未定义书签。
罐区主值岗位标准.......................................................... 错误!未定义书签。
合成巡检工岗位标准...................................................... 错误!未定义书签。
火炬巡检工岗位标准...................................................... 错误!未定义书签。
精馏巡检工岗位标准...................................................... 错误!未定义书签。
二甲醚巡检工岗位标准.................................................. 错误!未定义书签。
罐区巡检工岗位标准...................................................... 错误!未定义书签。
2020年职业标准开发药物合成工1.引言2020年,随着科技的不断发展和创新,药物合成工作岗位的职业标准也在不断完善和发展。
作为药物合成工,需要具备怎样的能力和技能呢?本文将从深度和广度两方面探讨2020年药物合成工职业标准的发展和要求,以期帮助大家更全面地了解这一职业领域。
2.2020年药物合成工职业标准的深度要求2.1 化学基础知识要求在2020年,药物合成工作岗位需要具备扎实的化学基础知识,包括有机化学、无机化学、分析化学等方面的知识。
这些知识为药物合成工进行药物合成过程中的化学反应提供了基础支持。
2.2 药物合成技能要求药物合成工需要掌握各种药物合成的技能,包括常规的合成方法、反应条件的控制、溶剂的选择等。
在药物合成过程中,技能的熟练运用是保证药物合成效率和质量的关键。
2.3 设备操作能力要求在2020年,随着药物合成工作岗位的自动化和智能化发展,药物合成工需要具备相应的设备操作能力,熟练操作各类合成设备和分析仪器,确保药物合成过程的安全和准确。
3.2020年药物合成工职业标准的广度要求3.1 药物合成工作岗位的跨领域要求在2020年,药物合成工作岗位需要具备跨领域的知识和能力,包括生物化学、药物代谢动力学、药物分析等方面的知识,以应对复杂多变的药物合成工作需求。
3.2 职业素养和团队合作能力要求除了专业技能外,药物合成工还需要具备较高的职业素养和团队合作能力,能够与其他职能部门进行密切合作,共同推进药物合成项目的顺利进行。
3.3 创新意识和解决问题能力要求2020年的药物合成工需要具备创新意识和解决问题的能力,能够针对合成过程中出现的各种问题进行及时有效的分析和解决,保证药物合成工作的顺利进行。
4.总结与回顾2020年的药物合成工职业标准已经不再局限于专业技能的要求,而是更加注重跨领域知识和能力的要求。
作为药物合成工,需要不断学习和提升自身的能力,以适应这一职业领域的发展需求。
5.个人观点和理解作为本文的作者,我认为2020年的药物合成工职业标准的发展正是顺应了当下药物合成领域的变化和发展趋势。
有机合成工国家职业标准汇总有机合成工国家职业标准1.职业概况1.1 职业名称有机合成工。
1.2 职业定义使用相关的原材料和化工生产设备,按指定的操作规程,合成有机化学品的人员。
1.3 职业等级本职业共设五个等级,分别为:初级(国家职业资格五级)、中级(国家职业资格四级)、高级(国家职业资格三级)、技师(国家职业资格二级)、高级技师(国家职业资格一级)。
1.4 职业环境室内、外及高处作业,部分在高温下作业,工作场所存在一定的有毒有害、易燃易爆介质,粉尘,常温,烟尘和噪声。
1.5 职业能力特征具有一定的学习、理解和表达能力,观察和判断能力,数学计算能力,听觉、视觉正常,嗅觉较灵敏,四肢灵活,动作协调。
1.6 基本文化程度高中毕业(或同等学历)。
培训要求7.1.1.7.1培训期限全日制职业学校教育,根据其培养目标和教学计划确定。
晋级培训期限:初级不少于450标准学时;中级不少于400标准学时;高级不少于350标准学时;技师不少于300标准学时;高级技师不少于200标准学时。
1.7.2培训教师培训初、中级、高级人员的教师应具有本职业技师及以上职业资格证书或相关专业中级及以上专业技术职务任职资格;培训技师的教师应具有本职业高级技师职业资格证或相关专业高级专业技术职务任职资格;培训高级技师的教师应具有本职业高级技师职业资格证书2年以上或相关专业高级专业技术职务任职资格。
1.7.3培训场地设备理论培训场地应具有可容纳20名以上学员的标准教室,并配备投影仪、电视机或多媒体,有必要的教学设施和教具。
技能操作培训场所应具有相应的设备(包括辅助设备),安全设施完善。
1.8 鉴定要求1.8.1 适用对象从事或准备从事本职业的人员。
1.8.2申报条件——初级(具备以下条件之一者)(1)经本职业初级正规培训达规定标准学时数,并取得结业证书。
(2)在本职业连续见习工作2年以上。
(3)本职业学徒期满。
——中级(具备以下条件之一者)(1)取得本职业初级职业资格证书后,连续从事本职业工作3年以上,经本职业中级正规培训达规定标准学时数,并取得结业证书。
(2)取得本职业初级职业资格证书后,连续从事本职业工作5年以上。
年以上。
7)连续从事本职业工作3(.(4)取得经劳动和社会保障行政部门审核认定的、以中级技能为培养目标的中等以上职业学校本职业(专业)毕业证书。
——高级(具备以下条件之一者)(1)取得本职业中级职业资格证书后,连续从事本职业工作4年以上,经本职业高级正规培训达规定标准学时数,并取得结业证书。
(2)取得本职业中级职业资格证书后,连续从事本职业工作6年以上。
(3)取得高级技工学校或经劳动和社会保障行政部门审核认定的、以高级技能为培养目标的高等职业学校本职业(专业)毕业证书。
(4)取得本职业中级职业资格证书的大专以上本专业或相关专业毕业生,连续从事本职业工作2年以上。
——技师(具备以下条件之一者)(1)取得本职业高级职业资格证书后,连续从事本职业工作5年以上,经本职业技师正规培训达规定标准学时数,并取得结业证书。
(2)取得本职业高级职业资格证书后,连续从事本职业工作7年以上。
(3)取得本职业高级职业资格证书的高级技工学校本职业(专业)毕业生和大专以上本专业或相关专业的毕业生,连续从事本职业工作2年以上。
——高级技师(具备以下条件之一者)(1)取得本职业技师职业资格证书后,连续从事本职业工作3年以上,经本职业高级技师正规培训达规定标准学时数,并取得结业证书。
(2)取得本职业技师职业资格证书后,连续从事本职业工作5年以上。
1.8.3鉴定方式分为理论知识考试和技能操作考核。
理论知识考试采用闭卷笔试等方式,技能操作考核采用现场实际操作、模拟等方式。
理论知识考试和技能操作考核均实行百分制,成绩皆达到60分及以上者为合格。
技师、高级技师还须进行综合评审。
1.8.4考评人员与考生配比理论知识考试考评人员与考生配比为1:20,每个标准教室不少于2名考评人员;技能操作考核考评员与考生配比为1:5,且不少于3名考评员;综合评人。
5审委员不少于1.8.5鉴定时间理论知识考试时间为120分钟;技能操作考核时间:初级不少于40分钟,中级不少于50分钟,高级不少于40分钟,技师不少于30分钟,高级技师不少于30分钟;综合评审时间不少于30分钟。
1.8.6鉴定场所设备理论知识考试在标准教师进行。
技能操作训练场所应具有相应的设备(包括辅助设备),安全设施完善。
2.基本要求2.1 职业道德2.1.1 职业道德基本知识2.1.2 职业守则(1) 爱岗敬业,忠于职守;(2) 按章操作,确保安全;(3) 认真负责,诚实守信;(4) 遵章守纪,着装规范;(5) 团结协作,相互尊重;(6) 节约成本,降耗增效;(7) 保护环境,文明生产;(8) 不断学习,致力创新。
2. 2 基础知识2.2.1 化学和化工基础知识(1) 无机化学基础知识;(2) 有机化学基础知识;(3) 化工单元操作基础知识。
2.2.2 化工机械与设备知识(1) 主要设备工作原理;(2) 设备维护保养基本知识;(3) 设备安全使用常识。
2.2.3 电工学基础知识(1) 简单电路知识;常用电器的性能及使用;(2)(3) 常用电工仪表及电工测量。
2.2.4 仪表基础知识(1) 仪表基本概念;(2) 常用测量仪表及基本原理;(3) 常规仪表、智能仪表、集散控制系统(DCS 、FCS) 使用知识。
2.2.5 安全环保知识(1) 常用易燃易爆、有毒有害物质的人身防护知识;(2) 高空作业、容器内作业的安全操作知识;(3) 工作现场的电气设备、照明及消防器材的使用知识;工作现场的急救设施及药品的使用知识;(4)处理常识。
三废(5) 环保及 6 质量管理体系和环境管理体系基础知识2.2.法律常识2.7 .2《中华人民共和国劳动法》的相关知识;(1)(2) 《中华人民共和国安全生产法》的相关知识;《中华人民共和国环境保护法》的相关知识。
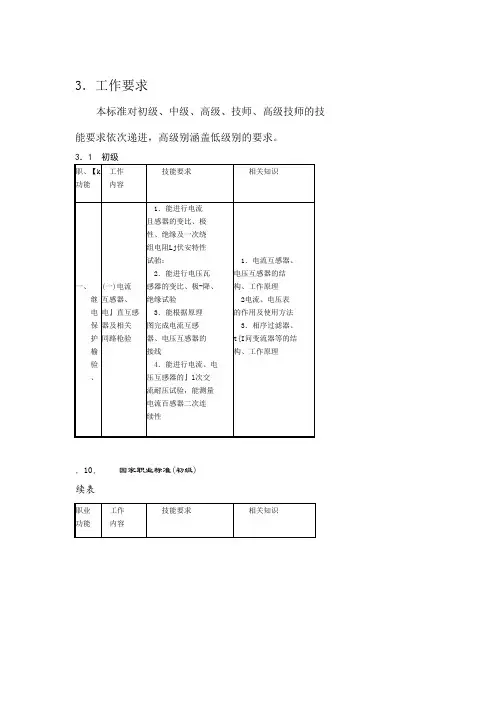
(3)3.工作要求本标准对初级、中级、高级、技师和高级技师的技能要求依次递进,高级别涵盖低级别的要求。
初级3.职工作内技能要相关知功1化工工艺流程图知2工艺操作规1能识读本装置工艺流程3本岗位主要设备的结工艺文2能识读本岗位工艺操作规4本岗位安全操作规准3能识读本岗位主要设备结5本岗位工器具使用知简6常用计量仪表和计量单知1操作现场管理制1能检查原、辅材料是否到位2岗位配备的工具、器具原材料岗位配备的工器具是否齐用性能和使用方设备动力准2能检查设备润滑、阀门灵活3所需原辅材料使用规格连接点无泄检验合格1能进行开、停车操2能按照作业指导书的要求1岗位作业指导定量的原辅材料按顺序投2物料的计算知识及方开停车工艺设3安全防护知作二3.能在反应结束出料后,按工艺4.开、停产步骤及方法,主、规程清洗工艺设备要工艺指标产品制备1.本岗位基本生产原理及主1.能按工艺规程的要求控制反要化学反应应条件并记录 2.本岗位原料、中间体和产(二)反应控制 2.能按工艺规程的要求抽取中品的物化性质间体及产品并送检验 3.生产记录填写要求主要分析项目及取样点 4.职业相关知识技能要求工作内容功能产品包装、防护要求1.能按工艺规程的要求进行产1. 产品包装操作规程2.品的分离、纯化及溶剂回收产品送检、入库记录要求3.能按要求进行产品计量包装,后处理及2.(三) 4.产品分离、纯化相关知识包装标识符合要保证无泄漏,包装常用溶剂物化性质及回5和储存方能填写产品送检、入库记3环保及“三废”处理知6本岗位工艺参数的意1能发现工艺参数偏离并及1本岗位主要设备结构知报2事故判能发现设备的异常情2事故紧急预能使用灭火器112能按紧急预案要求处理本2各类灭火器材的使用方位异常现3有毒有害化学品的物化事故处3能对有毒有害化学品造成质及毒人身伤害进行紧急处4可能造成伤害的处理方1能完成日常的巡回检1设备保养要设备保2能保证岗位设备完好、清2设备维护要与维3能完成设备的润3润滑油及其使用知3.2中级职工作内技能要相关知功能1.工艺控制相关知识 1.能识读本岗位带控制点工艺2.设备基础知识流程图 3.控制仪表、计量仪表的能识读本岗位设备说明书和2.)工艺文一( 结构和功能一设备简图件准备设备操作规程4. 、能识读质量管理体系的相关 3.质量管理体系的相关文 5. 生文件件产准设备、管路、电器、仪能判断原料检测报告是否符1.1.备表的检查方法和管理制合要求材料 )(二原能按要求检查物料管线是否度动力准和设备、2.岗位原、辅材料理化性 2.通畅备质标能确认控制仪表是否检定, 3.职业工作内容技能要求相关知识功能识是否正确 3.设备试车程序4.能检查消防、安全设施是否符4.所需原辅材料的检验标合要求准1能完成本岗位的单机试车1物料平衡计算方设备规格性能确认设备符合特殊工艺2开停2操3主要设备及一次仪表工作原能调整设备仪表符合工艺3辅材料投能按要求调整原1原材料折算知1能平稳控制反应条件完成2管理图表填写要2艺过能填写本岗位管理图31能判断反应状况是否符合1反应条件偏离可能产艺参的影事故判2能对中间体样品检测结果2反应条件对产品的影行分析和判能按工艺规程处理设备、管路生产工艺过程中的主要事故处仪表出现的异常现响因1设备润滑管理要设 1.能执行设备润滑及保养规定 2.设备密封管理要求及方备 2.能对岗位待用设备及部件进法设备保养与维保行养护 3.设备、仪表管理维修要护养3.能进行设备维修前的清洗工求与作 4.设备清洗知识及动火作维业条件护高级.33职业工作内容技能要求相关知识功能1.能识读工艺配管图、设备装配图1.化工设备安装基础知识 (一)工艺文和仪表连接图 2.分析检验方法—件准备2能识读中间体和产品检验规3工艺规程及其原1能确认原、辅材料的数量和质1设备及管路的检查方原材是否符合工艺要和管理制和设备、2能按要求确认设备能2操作现场管理制力准3能判断设备、仪表、动力是否合要求并按工艺要求进行调1能确认各类管理图表是否符合开、1工艺管理规车操2能确认开、停车准备是否符合2设备、仪表的工作原1能巡回检查设备、仪表的工作态并处理异常现反应1设备、仪表的管理要2能对工艺过程进行初步分析并2物料衡算方出改进意3能完成本岗位的物料平衡计1能分析设备、管理及仪表出现事故常现象的原稳定工艺参数的关键知2能分析产品质量事故的原1各类化学品对环境产1能及时处理各类事故及其引起的影事故环境污染和人员伤2各类化学品引起伤害2能进行事故的初步分析并提出救治方进意3紧急停车条件及紧急车操作方四、设 1.设备、仪表养护要求备 1.能执行本岗位设备保养方案 2.防腐蚀涂料、保温材料性设备保养与保 2.能落实维修前各项安全措施并检能及使用方法维护养查是否符合要求 3.设备维修、动火条件及人与身防护要求维护3.4技师职业工作内容技能要求相关知识功能(一)工艺文1.装置开、停车方案编写1能对装置的开、停车方案提出件准知进意2工艺操作规程及作业2能对设备及工艺操作规程提出导书编写知进意3物料平衡原理及统计3能绘制带控制点工艺流程草知原材1能确认开、停车前的各项准备1设备结构及设备调试和设备、力准验收要2能按要求对新安装设备进行调2管道材质及流体力学3能确认常用管道是否符合工艺础知(一)开1能确认设备符合工艺要停车操设备管理规能组织设备的初次开2(二)反能提出调整工艺参数的意3控产品工艺原4能提出提高生产率和产品质量措施和建事故1能分析导致设备部件损坏的原确定设备工艺参数的基2能分析严重偏离工艺参数的原知判 (二)事故处断1.各类突发事故的应急预3.能分析可能引起事故的各类隐患理与案 4.按照应急预案处理各类突发事故处 2.设备选型、仪表配置及理管路布置的基本知识(一)质量管1.质量管理体系和环境管1.能按质量管理体系和环境管理体理理体系要求系要求进行工作四工艺参数与产品质量关2.能分析产品不合格的原因2.、系管生产管)(二撰写总结及工作报告知1.理 1.能撰写生产技术和产品质量总结理识及方法能进行产品的原料成本分析 2. 统计学相关知识2.职业相关知识工作内容技能要求功能设备(三) 1.能组织检修项目的确认和验收维修施工队伍的组织和保养与维护能组织执行设备、管道的维修计 2.管理知识划(一)培训五能对初、中、高级操作人员进技能知识培训方知识培指各种化工单元操作及能对初级、中级、高级操作人导方进行现场操作指导3.5 高级技职相关知技能要工作内功1装置开工艺停车方案编知件准1能编制装置的开车、停车方工艺操作规程及作22能编制设备及工艺操作规指导书编写知3能绘制带控制点工艺流程物料平衡原理及统3学知原材能组织对新安装装置进行调试、1和设备、装置联动试车知1力准管道材质及流体力2能按工艺要求选择常用管2基础知(一)开二停车操作试车方案编写知识能编写开、停车方案、产(二)工艺品1.能调整设备工作参数 1.设备结构及机械原理控制制2.化工原理相关知识2.能提出改进工艺参数的建议备(一)事故判三1.能判断导致设备部件损坏的原因 1.材料力学相关知识断、2.能判断严重偏离工艺参数的原因 2.热力学相关知识事故(二)事故处1.能协助编制各类突发事故的处理判理预案各类突发事故应急预断案的编制知识 2.能组织现场事故应急处理与能对可能引起事故的各类隐患提 3.职业工作内容技能要求相关知识功能处出整改意见理质量1能参与制定质量管理体系和环1制定管理体系文件管理体系文规定和方2能判断产品不合格的原因并提2不合格品的处理方持续改进的意见和措生产1能提出提高生产技术的建议和1化工工程及自动控知2能进行技术经济分2技术经济学相关知设备3能参与设备管理部门制定设备、养与维表的养护制4能参与编制检修项目的确认和收方5能参与编制设备、管道的维修、养计理能对技师进行知识培1培训材料的编写知能对技师进行现场操作指指和方2讲课及培训方4.比重表 1理论知识4.高级技高技中初职业道基本要12231基础知252225生产准211353030产品制21事故判断与处12设备保养与维1051011管105培训与指1010 1010104.2技能操作初中高技高级技5352生产准2440产品制45540 技能25202510事故判断与处理15要求—15 15 —20 设备保养与维护—15—管理—15培训与指导——10— 5计合100100100100100。