半成品仓库管理制度,自制件、外协加工半成品出入库流程
- 格式:doc
- 大小:69.50 KB
- 文档页数:9
原辅料,半成品,成品仓库管理制度及流程下载温馨提示:该文档是我店铺精心编制而成,希望大家下载以后,能够帮助大家解决实际的问题。
文档下载后可定制随意修改,请根据实际需要进行相应的调整和使用,谢谢!并且,本店铺为大家提供各种各样类型的实用资料,如教育随笔、日记赏析、句子摘抄、古诗大全、经典美文、话题作文、工作总结、词语解析、文案摘录、其他资料等等,如想了解不同资料格式和写法,敬请关注!Download tips: This document is carefully compiled by theeditor.I hope that after you download them,they can help yousolve practical problems. The document can be customized andmodified after downloading,please adjust and use it according toactual needs, thank you!In addition, our shop provides you with various types ofpractical materials,such as educational essays, diaryappreciation,sentence excerpts,ancient poems,classic articles,topic composition,work summary,word parsing,copy excerpts,other materials and so on,want to know different data formats andwriting methods,please pay attention!原辅料、半成品与成品仓库的管理制度及流程一、引言在任何生产型企业中,原辅料、半成品和成品的仓储管理是确保生产效率和产品质量的关键环节。
半成品及外协件管理制度一、目的及范围:为了管理公司的半成品及外协件,保证产品质量和生产流程的顺利进行,制定本管理制度。
二、半成品及外协件定义:1.半成品:指公司生产过程中,未完成最终产品的中间产品或部件。
2.外协件:指公司从外部供应商购买的用于生产的零部件。
三、管理流程:1.采购:a.公司将根据生产计划和物料需求计划编制采购订单,并发送给合格的供应商。
b.供应商将按照订单要求进行生产和供应。
c.公司采购部门将定期核对订单进度,并与供应商进行沟通和协调。
2.入库:a.非直接材料的入库:由仓库人员根据采购订单和送货单进行核对,并将半成品或外协件存放在指定区域。
b.直接材料的入库:由生产部门负责人在生产过程中根据需要向仓库领取半成品或外协件。
3.记账及标识:a.非直接材料:采购部门将采购记录及相关资料归档,仓库人员在入库时标识半成品或外协件。
b.直接材料:生产部门负责人需记录领取的半成品或外协件数量,并在生产过程中标识使用情况。
4.库存管理:a.仓库人员定期对存放的半成品及外协件进行盘点,并与实际库存进行比对。
b.仓库人员要对过期或变质的半成品及外协件进行淘汰处理。
5.使用:a.半成品:i.生产部门根据生产计划和生产工艺流程使用半成品,确保产品质量。
ii. 使用过程中,如发现半成品存在质量问题,生产部门需及时上报质量部门,并停止使用该半成品。
b.外协件:i.生产部门根据生产计划和生产工艺流程使用外协件,确保产品质量。
ii. 使用过程中如发现外协件存在质量问题,生产部门需及时上报采购部门,并停止使用该外协件。
6.报废及退货:a.报废:i.半成品或外协件发生质量问题或超过保质期,需及时进行报废处理。
ii. 报废由质量部门负责进行处理,并填写相关记录。
b.退货:i.如发现半成品或外协件存在质量问题,生产部门需及时上报采购部门,申请退货。
ii. 采购部门根据退货申请进行处理,并与供应商进行协商。
四、相关责任:1.采购部门负责:a.进行供应商的评估和管理。
半成品仓库管理制度一、制度目的为了规范半成品仓库的管理,提高仓库效率,保证生产顺当进行,订立本制度。
二、适用范围本制度适用于企业的半成品仓库管理。
三、仓库管理标准1. 仓库布局1.1 仓库应依据物品种类合理划分区域,明确不同区域的用途和存放物品的要求。
1.2 每个区域应标明分类和存放物品的编号,以便查找和归还。
2. 入库管理2.1 全部的半成品入库都必需有相应的入库记录,包括物品名称、数量、负责人等信息。
2.2 每个入库物品都要经过质量检查,确保符合公司的质量要求,有质量问题的物品应适时退回生产部门。
2.3 入库物品的分类应与仓库区域一致,并放置在相应的位置,以便查找和管理。
3. 出库管理3.1 出库前必需填写出库申请单,包括物品名称、数量、领用人等信息,并由仓库管理员审核。
3.2 出库申请单必需得到负责人的批准后才能进行出库操作。
3.3 出库时应依照先进先出的原则,确保半成品的使用时间合理,避开过期或闲置。
4. 盘点管理4.1 仓库应定期进行盘点,至少每月一次。
4.2 盘点前,仓库管理员应核对仓库库存信息与实际存货进行比对,记录盘点结果。
4.3 盘点结果应适时报告给相关部门,以便适时调整生产计划和采购计划。
5. 卫生和安全管理5.1 仓库内应保持干燥、乾净,确保环境适合存放物品,防止损坏和变质。
5.2 仓库必需配备相应的消防设施,并保持消防通道畅通。
5.3 不安全品必需依照相关规定分类存放,并标明警示标志。
6. 文档管理6.1 仓库管理人员必需保存好入库、出库、盘点等相关记录,确保记录完整、精准。
6.2 全部的仓库单据都必需依照公司规定的时间进行归档,便利随时查阅。
四、考核标准1. 仓库管理效率1.1 出入库操作是否适时、精准,是否依照规定流程完成。
1.2 盘点是否适时、精准,是否能适时调整生产计划和采购计划。
1.3 仓库布局是否合理,分类、编号是否清楚明确。
2. 物品管理精准性2.1 入库物品是否经过质量检查,是否符合公司的质量要求。
半产品入库管理制度1. 前言本规章制度旨在规范企业的半产品入库管理流程,保证半产品入库过程的顺利进行,确保半产品的质量和数量符合要求,以提高生产效率和产品准确性。
2. 适用范围本规章制度适用于全部涉及半产品入库的部门和员工。
3. 定义•半产品:指在生产过程中经过肯定工序加工之后未经最终加工产品的物料。
•入库:指将半产品装运到仓库或存放区域,并进行登记管理的过程。
4. 流程4.1 半产品接收1.收到半产品时,接收人员应核实送货单上的信息,确保半产品的种类、规格和数量与送货单全都。
2.如有疑问或异常情况,应及时与供应商或相关部门联系,协商解决。
4.2 半产品入库登记1.接收人员应将半产品送货单、货物标识等与半产品相关的资料整理妥当,并填写入库登记表。
2.入库登记表中应包含以下信息:半产品名称、规格型号、数量、批号、生产日期、供应商、接收日期、仓库位置等。
3.入库登记表应由接收人员签字确认,并交由仓库管理人员保管。
4.3 半产品检验1.仓库管理人员应对半产品进行外观和质量检验。
2.外观检验包含:检查半产品包装是否完好,有无破损或污染。
3.质量检验包含:检测半产品的物理性质或化学成分是否符合要求。
4.若发现半产品有质量问题或不符合要求,应及时通知相关部门,进行处理。
4.4 半产品调配和存储1.仓库管理人员应依据生产计划和需求,将合格的半产品调配至相应的生产线或存放区域。
2.半产品应依照规定的储存条件进行存储,确保其安全和质量。
3.存放区域应清洁整齐,有清楚的标识和编码,便于查找和管理。
4.5 质量跟踪和追溯1.仓库管理人员应建立半产品质量跟踪和追溯体系,确保半产品的质量可追溯。
2.质量跟踪和追溯应包含半产品的批次号、生产日期、供应商等相关信息。
3.如发生质量问题或安全事故,应及时调查,并追溯到相关半产品的生产和入库信息。
4.6 盘点和库存管理1.仓库管理人员应定期进行半产品盘点,并与系统库存数据进行对比,确保准确性。
半成品库房管理制度为加强库存及半成品管理、明确半成品出、入库手续及流程,提高公司资金、物品使用率,保证库房安全,特制定以下管理制度。
1、半成品入库管理:1.1车间每日所生产的半成品或采购的外购外协件,均应办理入库手续。
1.2车间生产零件入库:车间所生产的半成品,由车间统计人员填写零件加工转移单后送到半成品库房,库管员对入库的半成品核对零件加工转移单上的信息,确认其名称、规格型号、数量等信息一致,且有检验签字盖章。
确认无误后方可办理入库手续,车间转送人员按库管员指定位置摆放整齐。
同时登记半成品收发台账。
1.3车间退回零件入库:生产剩余的零件由车间调度填写领料单(数字以负数表示)统一退回,交由库管员,库管员冲减出库数。
同时登记半成品收发台账。
(是否还需检验确认)1.4外协、外购零件入库:外协、外购的半成品,由厂家填写送货单,随同零件送到公司指定的待检区域,检验人员验收合格后,库管员对入库的半成品合格件确认其名称、规格型号、数量等信息,确认无误后方可办理入库手续,并按库管员指定位置摆放整齐。
同时登记半成品收发台账。
2.、半成品出库管理:2.1车间领用零件出库:由车间主管签发《领料单》后方可领料,库管员审核《领料单》对应的名称、规格型号及数量后办理出库手续,库管员发货应遵循先进先出的原则。
工人按库管员的指示提货,不可随便领取。
库管员根据《领料单》登记半成品台账。
每月26日前根据一、二车间实际领用的零件数量在公司物流系统下账。
2.2外协加工零件出库:3、半成品台账管理:3.1所有半成品均需单独建立台账,保证实物和账面数据的准确性和一致性。
3.2半成品收发台账的登记及时性,如遇忙时登记时间不得晚于第二天上午。
4、库房管理:4.1按现有库房面积,分别按不同零件次序摆放,并将各零件用标签纸列示于零件前。
4.2库房内零件摆放要整齐有序,保持清洁干净。
4.3库房内严禁烟火,不得使用过分发热而可能造成火灾、危险的电器。
半成品仓库管理制度一、制度目的1. 为了规范半成品仓库的管理,确保半成品仓库内物资的安全、有序、高效管理,提高半成品仓库物资的利用率和出入库效率。
二、管理机构1. 半成品仓库管理由仓库管理员负责,需要相关领导的指导和督促。
2. 仓库管理员应当具备一定的仓库管理专业知识和相关工作经验。
三、半成品仓库管理制度1. 入库管理(1)半成品入库前,必须进行验收、登记、上架。
(2)验收时,对半成品的数量、质量、规格等进行核对,确保半成品符合要求且无损坏。
(3)验收合格后,需填写入库单据,指定责任人进行上架。
(4)入库单据包括半成品名称、数量、质量等信息,需保存备查。
2. 出库管理(1)半成品出库需填写出库单据,并由相关部门审核签字。
(2)出库单据包括半成品名称、数量、用途等信息,需保存备查。
(3)出库时需核对半成品的数量、规格等信息,确保半成品无误。
3. 盘点管理(1)定期对半成品仓库进行盘点,检查半成品的库存量与实际出入库记录是否一致。
(2)盘点后需填写盘点报告,指明盈亏情况和原因。
4. 安全管理(1)严格执行仓库安全管理制度,如保障半成品仓库周围无易燃易爆品,保持通风良好等。
(2)定期检查仓库设施设备,确保其正常运转,无安全隐患。
5. 效率管理(1)制定合理的半成品存放方案,确保半成品的容易取用、有序排列。
(2)合理安排半成品的出入库时间,确保出入库效率。
6. 交接管理(1)交接班时,需填写交接班记录,包括当班情况、库存量、出入库记录等。
(2)接班人需认真核对交接班记录,确保工作的连续性。
7. 违规处理(1)发现半成品仓库管理违规行为,需及时进行整改,记录并通报相关部门。
(2)对于严重违规行为,要追究相关人员责任,确保类似事件不再发生。
四、总结半成品仓库管理制度的建立,是保障半成品仓库内物资安全、有效管理的重要举措。
只有健全的制度体系和严格的执行,才能确保半成品仓库管理的顺利进行,提升企业的生产效率和经济效益。
成品仓库出入管理制度一、总则为了规范成品仓库出入管理,确保成品安全、减少损失,提高仓库管理效率,特制定本制度。
二、适用范围本制度适用于公司内所有成品仓库的出入管理,包括但不限于原材料、半成品、成品等。
三、仓库出入管理权限1. 仓库管理部门负责制定仓库出入管理权限,包括开立、修改和注销操作权限。
2. 职工在申请使用新设备或项目时,须向仓库管理部门提交书面申请,经过审核并符合条件后,才可获得相应的仓库出入权限。
四、仓库出入管理流程1. 申请:职工在需要进入成品仓库时,须提前向仓库管理员提交申请,包括物品名称、规格型号、数量等相关信息。
2. 审批:仓库管理员接收申请后,责任审批人进行审核,确保申请合规。
3. 出入库登记:经过批准的出入库,仓库管理员根据实际情况进行记录,包括入库时间、出库时间、操作人员等信息。
4. 状态更新:根据实际情况对物品状态进行更新,包括存放位置、数量、质量等。
五、出入库管理措施1. 出库:出库前,仓库管理部门要对申请进行审核,确保所有出库物品都是符合相关规定的。
并且对出库条目进行记录,确保物品数量及时准确。
2. 入库:入库时,负责的人员要对入库物品进行检验、登记。
对于问题物品,要及时反馈给申请者,并未入库。
六、盘存管理1. 定期盘存:成品仓库的存货定期进行盘点,确保真实数量与账面数量一致。
2. 异常差异处理:对于盘点中发现的异常差异,要及时核实并进行记录,找到差异的原因并及时纠正。
七、审计和检查1. 安监部门要对成品仓库的出入管理流程进行定期检查,并做好相应记录。
2. 物资管理部门也应对成品仓库的出入进行审计,并及时发现并纠正问题。
八、安全管理1. 成品仓库对于危险品的存储要按照相关规定进行管理,并加强安全宣传教育。
2. 对于重要物品的存储要采取相应的安全防范措施,确保物品的安全。
九、废品管理1. 对于过期、报废、损坏等物品,要及时清理处理,并做好相应的记录和报废手续。
2. 对于破损、报废的物品要进行分类统计,为申请报废和安全管理提供依据。
美智电子仓库管理规定文件编号:MZ-QB-10版本:A编制/日期:张谷平 2018年5月20日审核/日期:批准/日期:生效日期:文件更改记录第一次更改第二次更改第三次更改物料出入库流程成品(半成品)出入库流程1目的为规范仓库的业务操作及做好仓库的物料管理工作。
2 范围适用于公司各仓库。
2职责生产部负责出入库物资、产品的管理工作;对仓库日常工作进行管理,负责库存物料的标识和物料的保管、防护工作。
4 管理内容4.1 物料的出入库管理4.1.1 供应商送交的物料,由仓管员根据“采购订单”的数量、规格、型号等与交付的物料一一核实后在“送货、检测通知单”上签收,若数量不符则按实数签收。
4.1.2 仓管员根据“送货、检测通知单”内容报检,如果生产急用物料,在“送货、检测通知单”物料编码处标识“急“字,进货检验组检验时可优先检验。
4.1.3 经检验合格的物料,在系统移入合格库位,将实物移入合格品区,并按物料的特性、类别、进行防护存放,并标识。
4.1.4检验不合格物料,由仓管员在不合格物料(每箱)外箱标识上加盖不合格印章,并将不良物料移到退货区。
4.1.5 车间物料员根据车间生产作业计划和生产订单打印“领料单”,经车间主任审批后,到仓库领取原材料。
4.1.6 仓管员根据生产计划排产单,按“领料单”的定额配料给车间。
配料时执行先进先出制度。
将发出物料数量登入“存卡”,车间物料员签名确认。
4.1.7 车间超定额领料,由车间物料员填写手工“车间超定额领料单”,经车间负责人签名,经计划签名后,仓库予以发料。
4.1.8 各非生产部门到仓库领料,由领料部门填写手工“物料申领单”经部门负责人签名,财务部成本会计签名确认后,仓库予以发料。
美智电子公司程序性文件文件编号:MZ-QP-10 仓库管理规定4.1.9 物料出库时应遵循“先进先出”原则。
4.2 半成品、成品入出库管理4.2.1 成品仓仓管员根据车间“入仓申请单”和“成品标签”检验合格印章确认该批货合格,并核对产品型号、数量对入库无误后在“入仓申请单”上签名确认。
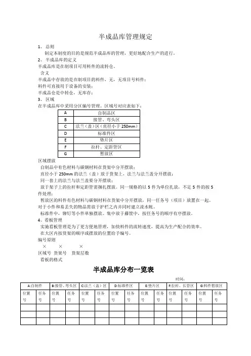
半成品库管理规定1、总则制定本制度的目的是规范半成品库的管理,更好地配合生产的进行。
2、半成品库的定义半成品库是在制项目可用料件的流转仓。
含义半成品中存放的是在制项目的料件,无,无项目号料件;料件可直接用于设备的安装;半成品仓是中转仓,无库存;3、区域区域摆放自制品中有色材料与碳钢材料在货架中分开摆放;直径小于250mm的法兰(盖)放于货架上,法兰与法兰盖分开摆放;同一套上的法兰与法兰盖要分开摆放;放于架子上的拉杆和定距管需捆扎摆放。
同一规格的以5件为单位扎放,不足5件的按5件处理;暂放区的料件有色材料与碳钢材料在货架中分开摆放,同一任务号(项目)放置在一起。
对于小件和易丢失的物品需放于护栏之内并同时建立流水帐。
标准件中,铆钉等小件单独摆放。
集中放于藤筐中,按任务号的顺序有序摆放。
4、看板管理实施看板管理是为了更方便地管理,加快料件的流转速度,提高为生产配合的效率。
在大区内按货架的顺序或摆放的位置给予编号。
编号原则×××区域号货架号货架层数看板的格式半成品库分布一览表时间:看板的维护依据看板中的格式将库中的信息上架;在库中的信息有变动时,需立即在看板上将相应的数据变更;5、管理入库管理料件入库时按综合用料表计划表入库。
外购件,在检验合格后,半成品库开具领料单,入半成品库;自制件,经检验合格后,制造部开具入库单,入半成品库,同时将制造过程卡交予半成品库。
材料到厂时,仓库管理人员需与半成品库管理人员共同清点数量。
需在料件上标记移植号的,由库房管理人员负责标记。
外协料件到厂,经检验合格后由库房管理人员开具来料清单。
半成品库按清单开具领料单,入半成品库。
对于过程卡上有多件料件的并需多次入库的,未完成全部工序的半成品,在半成品库中建立流水帐。
当全部料件完成时,办理入库和过程卡的流转程序(含外协件)。
流水帐中半成品库对数量负责,而不对质量负责。
料件入库时,若发现与料表不一致情况时,需立即反馈到该生管办该项目负责人,由其负责跟踪解决。
半成品仓库管理流程(草案)一、自制件入库流程金加工车间(制造部)加工完成后不需要后续外协处理的自制零件(A类零件),由金加工车间(制造部)填写自制件加工入库单,并负责将检验员和车间主任(制造部部长)签字认可的自制件加工入库单连同零件一起送至仓库,双方相互确认无误后,由仓库管理员和转运零件人员签字交接入库。
入库单必须写明通知书号(项目)、零件名称、图号、数量、时间等,入库单一式4份,一联交仓库作为登记实物帐的依据,一联交生产管理部作为统计产量依据,一联交财务部作为核算成本和产成品核算依据,一联车间(制造部)留存。
金加工车间(制造部)加工完成后最后一道工序需要继续进行委外加工的自制零件(B类零件),金加工车间(制造部)在自制件加工入库单备注上要表明委外加工类型,包括发黑、镀硬铬、镀亮铬、喷塑、线切割、滚齿等,仓库登记实物帐后存放于专门划分的委外加工区域等待外协。
金加工车间(制造部)中间工序需要委外加工后再进行自制加工的零件以及提供原材料的金加工、钣金、折弯、锻打、结构件等(C类零件),金加工车间(制造部)需以工序流转单或零件调度单的形式送至半成品库委外加工区域等待外协,工序流转单上要写明委外加工类型,包括调质、淬火、钣金、折弯、锻打、焊接、车、铣等。
半成品库不办理入库手续,半成品仓库也不登记实物帐。
因特殊原因不能送入半成品库房的自制件,办理入库或工序流转手续后,由半成品库和金加工车间(制造部)共同负责保管。
因生产需要直接进入装配现场的自制件,应同时办理入库和出库手续。
入库单上数字与实物不符,入库单字迹不清,有涂改等现象保管员可以拒绝入库。
自制件入库流程图如下:A型C型金加工零件加工或工序完成仓库、车间双方确定后签字入库不登记实物帐,存放委外加工区域检验员、车间领导签字,随工件一起入库B型登记实物帐,调整实物卡后上货架登记实物帐,调整实物卡后存放委外加工区域根据零件类型分类一式四份:车间、仓库、生产、财务区别零件类型填写自制件入库单B型要注明委外加工类型填写工序流转单A、B型零件C型零件二、自制件出库流程装配部门领取零件时,领取部门开具出库单,表明通知书号(项目)、零件名称、图号、数量、时间等。
半成品仓库管理制度半成品仓库管理制度1. 引言半成品仓库是企业生产过程中重要的环节,半成品的管理对于产品质量的保障和生产效率的提高具有重要意义。
本文档旨在确立半成品仓库的管理制度,规范半成品的入库、出库和库存管理流程,确保半成品的安全、准确、高效管理。
2. 半成品仓库管理职责半成品仓库管理职责由以下人员承担:- 仓库管理员:负责具体的仓库管理工作,包括入库、出库、库存管理、仓库设备维护等。
- 生产部门负责人:负责协调生产计划与半成品仓库的供应和需求,并监督仓库管理工作。
- 质量部门负责人:负责对半成品进行质检,并对不合格品进行处理。
- 物流部门负责人:负责协调半成品的运输和配送工作。
3. 半成品入库管理3.1 入库申请半成品入库前,生产部门负责人需提交入库申请,包括半成品名称、规格、数量、质量要求等信息,并由质量部门负责人进行审核。
3.2 入库检验半成品入库前,质量部门负责人对半成品进行检验,包括外观检查、尺寸检测、性能等。
检验合格后,方可入库。
如发现不合格品,应及时通知生产部门负责人,并协商处理措施。
3.3 入库记录入库后,仓库管理员需及时将入库信息记录在半成品仓库管理系统中,包括半成品名称、规格、数量、入库时间、入库人员等。
4. 半成品出库管理4.1 出库申请生产部门负责人需提前向仓库管理员提出半成品出库申请,包括出库原因、目的地、数量等。
仓库管理员需对出库申请进行审核,并与生产部门负责人确认后方可出库。
4.2 出库操作出库时,仓库管理员需核对半成品名称、规格、数量是否与出库申请一致,并记录出库信息,包括出库时间、出库人员等。
4.3 出库记录出库后,仓库管理员需及时将出库信息记录在半成品仓库管理系统中,包括半成品名称、规格、数量、出库时间、出库人员、目的地等。
5. 半成品库存管理5.1 库存盘点定期进行半成品库存盘点,以确保库存数量准确无误。
仓库管理员需与财务部门协调,进行全面盘点,并及时更新库存记录。
半成品仓库管理制度一、目的半成品仓库管理制度的目的是确保半成品仓库的有效管理,包括入库、出库、库存监控等各个环节,以提高仓库运作的效率和准确性,确保生产流程的顺畅进行。
二、适用范围本制度适用于公司内部所有半成品仓库的管理和操作。
三、责任与职责1. 仓库管理员- 负责半成品仓库日常管理工作,包括半成品入库、出库、盘点等;- 定期检查半成品的存放状况,确保仓库整洁有序;- 对半成品的质量进行抽检,确保合格率达标;- 维护半成品仓库的安全,保证货物和人员的安全;- 对半成品的入库、出库记录进行清点和整理,保证数据的准确性。
2. 生产部门- 提供准确的半成品需求计划,确保及时补充半成品库存;- 在半成品需要供应到生产线时,及时提交出库申请;- 对已发放使用的半成品进行追踪和记录,确保使用量的准确统计;- 协助仓库管理员进行半成品的盘点工作。
3. 质检部门- 对半成品进行质量抽查,并提供合格证明;- 对半成品质量问题进行及时处理和反馈。
四、半成品入库管理1. 入库申请- 生产部门提出半成品入库申请,包括半成品名称、数量、规格等; - 生产部门必须提供合格的质检报告,并将报告附在入库申请上。
2. 入库操作- 仓库管理员按照入库申请进行半成品入库操作;- 入库时需记录半成品的数量、日期、供应商信息等。
3. 质检抽检- 质检部门对入库的半成品进行抽检;- 抽检合格后,方可入库。
4. 存放- 半成品需要按照规定的分类和标签进行区分和存放;- 不同种类的半成品要分开存放,避免混淆。
五、半成品出库管理1. 出库申请- 生产部门提出半成品出库申请,包括半成品名称、数量、用途等;- 出库申请需经过领导审批并签字。
2. 出库操作- 仓库管理员按照出库申请进行半成品出库操作;- 出库时需记录半成品的出库数量、日期等。
3. 库存监控- 仓库管理员必须定期检查半成品的库存情况,确保库存充足;- 如发现库存不足或异常情况,需及时上报生产部门。
半成品是指已经过一定生产过程,并已检验合格,但尚未最终制造成为产成品的中间产品,半成品分为自制半成品和外协半成品两种。
自制半成品为企业自己生产加工,已经检验合格,交付半成品仓库,并须生产车间继续加工的部件;外协半成品为从由外部供应商/外发加工企业生产,交付给仓库,再由仓库发放给生产部门的部件。
第一部分:半成品仓库管理员工作职责
1、负责公司半成品零件的收发管理、做账和出库备料工作
2、负责委外加工零件的收发管理、做账工作
3、负责仓库安全、防火和卫生工作,负责仓库零件擦锈上油等日常防护工
作
4、对仓库零件的数量和质量负责并根据生产计划做好预警工作
5、仓库盘点工作的具体执行和配合,对盘点的最终数字负责
6、入库单、出库单等相关单据的分类整理和保管存档
7、半成品仓库呆滞物料的管理
8、半成品仓库“6S”管理工作
9、领导交付的其他任务
第二部分:半成品仓库管理流程
一、自制件入库流程
金加工车间(制造部)加工完成后不需要后续外协处理的自制零件(A类零件),由金加工车间(制造部)填写自制件加工入库单,并负责将检验员和车间主任(制造部部长)签字认可的自制件加工入库单连同零件一起送至仓库,双方相互确认无误后,由仓库管理员和转运零件人员签字交接入库。
入库单必须写明通知书号(项目)、零件名称、图号、数量、时间等,入库单一式4份,一联交仓库作为登记实物帐的依据,一联交生产管理部作为统计产量依据,一联交财务部作为核算成本和产成品核算依据,一联车间(制造部)留存。
金加工车间(制造部)加工完成后最后一道工序需要继续进行委外加工的自制零件(B类零件),金加工车间(制造部)在自制件加工入库单备注上要表明委外加工类型,包括发黑、镀硬铬、镀亮铬、喷塑、线切割、滚齿等,仓库登记实物帐后存放于专门划分的委外加工区域等待外协。
金加工车间(制造部)中间工序需要委外加工后再进行自制加工的零件以及提供原材料的金加工、钣金、折弯、锻打、结构件等(C类零件),金加工车间(制造部)需以工序流转单或零件调度单的形式送至半成品库委外加工区域等待外协,工序流转单上要写明委外加工类型,包括调质、淬火、钣金、折弯、锻打、焊接、车、铣等。
半成品库不办理入库手续,半成品仓库也不登记实物帐。
因特殊原因不能送入半成品库房的自制件,办理入库或工序流转手续后,由半成品库和金加工车间(制造部)共同负责保管。
因生产需要直接进入装配现场的自制件,应同时办理入库和出库手续。
入库单上数字与实物不符,入库单字迹不清,有涂改等现象保管员可以拒绝入库。
自制件入库流程图如下:
二、自制件出库流程
装配部门领取零件时,领取部门开具出库单,表明通知书号(项目)、零件名称、图号、数量、时间等。
定额以内领料保管员根据装配车间主任(制造部部长)的签字,保管员和领料人双方确认无误后签字后发放。
定额以外领料,须经生产管理部长签字同意后才能发放。
出库单一式4份,一联交仓库作为登记实物帐的依据,,一联交财务部作为核算成本和产成品核算依据,一联交生产管理部作为统计进度依据,一联车间(制造部)留存。
对于已经登记在实物帐上的半成品零件,如果应特殊原因还需要进入金加工车间加工的,以工序流转单的形式办理出入库。
原则上领料人不得进入半成品内部领料,由保管员按照出库单上明细备料,放置指定区域领取。
自制件出库流程图如下:
三、委托外加工出入库流程
1、外协加工出入库:指已登记入半成品库房实物帐的B类零件外协加工出入库。
生产管理部负责委外加工的进度控制,生产管理部负责填写外协加工计划单,须经生产管理部部长、生产副总、总经理签字同意后才能生效。
外协加工计划单一式3份,半成品库一份作为填写委托加工出库单的依据,外协部门一份作为委外加工业务的依据,生产管理部一份统计进度依据。
半成品库接到外协加工计划单后填写委托加工出库单,委托加工出库单先由检验员签字确认,经保管员和经办人相互核查后签字交接,最后由半成品仓库主管领导签批放行。
委托加工出库单一式4份,一联仓库作为登记委外加工登记簿的依据,一联被委托加工单位,一联出门证,一份交财务作为成本核算依据。
外协加工零件完成后由外协部门填写到货送检单,到货送检单应包含通知书号(项目)、零件名称、图号、数量、时间等。
到货送检单应有检验员、经办人和外协部门领导签字确认,一式3份,一联作为仓库填写委托加工入库单的依据,一联付检验部门留底,一联外协部门留存。
仓库依据到货送检单填写委托加工入库单,经检验员、保管员、经办人和仓库主管领导签批后办理入库。
委托加工入库单一式4份,一联作为半成品库登记委外加工登记簿依据,一联交被委托加工单位,一联交财务部作为核算成本和产成品核算依据,一联交生产管理部作为统计进度依据。
2、工序委外出入库:指未登记入半成品库房实物帐的C类外协加工出入库,包含提供原材料的金加工件、钣金、折弯、锻件、结构件等。
工序委外零件出入库流程同外协加工零件出入库流程基本相同,不同是外协加工零件直接进半成品上货架而工序委外零件在办理委托加工入库手续以后以工序流转单的形式转入金加工车间,其中如果有不需要在公司内部继续加工零件、钣金件等,由金加工车间(制造部)按自制件A类或B类零件入库。
外协加工入库和工序外协入库流程图如下:
外协加工出库和工序外协出库流程图如下:
3、委外采购入库:指不提供材料,只提供图纸采购的零件、钣金件、锻件、铸造件、结构件等。
采购部门根据生产计划采购到位后,由采购部门填写到货送检单,到货送检单应包含通知书号(项目)、零件名称、图号、数量、时间等。
到货送检单应有检验员、经办人和采购部门领导签字确认,一式3份,一联作为仓库填写入库单的依据,一联付检验部门留底,一联采购部门留存。
仓库依据到货送检单填写入库单,经检验员、保管员、经办人和仓库主管领导签批后办理入库,根据类型不同分别入半成品库和毛坯库。
入库单一式4份,一联作为半成品库登记实物帐(加工件、钣金件等)或者毛坯实物帐(锻件、铸造件等)依据,一联交供应商,一联交财务部作为核算成本和产成品核算依据,一联交生产管理部作为统计进度依据。
委外采购入库流程图如下:
四、毛坯库出库管理
金加工车间(制造部)领取锻件、铸造毛坯时,领取部门开具出库单,表明通知书号(项目)、零件名称、图号、数量、时间等。
定额以内保管员根据金加工车间(制造部部长)的签字,保管员和领料人双方确认无误后签字后发放。
等额以外,须经生产管理部长签字同意后才能发放。
出库单一式4份,一联交仓库作为登记毛坯实物帐的依据,一联交财务部作为核算成本和产成品核算依据,一联交生产管理部作为统计进度依据,一联车间(制造部)留存。
毛坯出库流程图如下:
因生产需要直接进入金加工现场的毛坯件,应同时办理入库和出库手续。
毛坯在加工过程中因料废和工废需要补料的,由金加工车间填写补料申请单(付不合格品记录单),经车间领导、检验员、生产管理部长签字后仓库领料,领料时将废料退回。
补料申请单一式2份,一联车间(制造部)留存,一联交仓库作为开具出库单依据。
仓库接到补料申请单后,开具出库单,完成出库流程后,对于工废毛坯入废品库,对于料废毛坯则放置在毛坯库专门划分区域,等待供应部门退货或更换。
五、半成品仓库其他管理规定:
1、仓库所有半成品货架必须摆放整齐,场地打扫、整洁,通道宽敞,创造和维护良好的仓储环境。
2、半成品零件入库后,保管员必须将油污清理干净,涂抹防锈油后按产品类别摆放,出库时按先入先出法发放,入库和出库完成后及时调整实物登记卡。
3、保管员要严格根据本规定做好出库和入库的管理工作,做好物资的保管工作,如实登记仓库的实物帐,经常盘点、清查仓库物资,做的帐、卡、物相符。
仓库实物帐按产品类别、品名、规格进行销存核算,只记数量,不计金额,
4、保管员要按时完成月尾、年中、年尾盘点工作,清查盘点中发现的问题和差错,应及时查明原因并上报相关部门和领导,经领导签字审批后才能处理,严禁仓库
私自调整处理。
2017年12月27日。