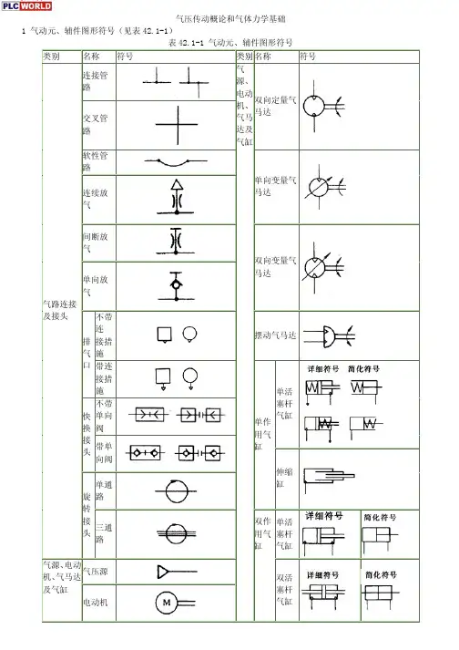
气动基础知识-气动元件符号与功能
- 格式:ppt
- 大小:178.50 KB
- 文档页数:5
气动元件符号大全气动元件符号是指在气动系统中使用的各种元件所对应的标志符号。
这些符号的使用可以帮助工程师和技术人员更好地理解和设计气动系统,提高工作效率,减少错误发生。
下面将介绍一些常见的气动元件符号,以便大家在工程设计和使用过程中能够更加便捷地进行相关操作。
1. 气缸符号,气缸是气动系统中常见的执行元件,用于产生直线运动。
气缸符号通常由一个长方形表示,上下分别有两条平行线代表气缸的活塞杆。
在平行线的左右两侧还会有箭头指示气缸的运动方向。
2. 阀门符号,阀门在气动系统中用于控制气流的通断和方向。
阀门符号通常由一个长方形和其内部的图形组成,图形的形状表示阀门的类型,如直通阀、三通阀、换向阀等。
3. 气源处理元件符号,气源处理元件用于对气源进行处理,如过滤、减压、润滑等。
气源处理元件符号通常由一个长方形和内部的图标组成,图标表示元件的功能,如过滤器、减压阀、润滑器等。
4. 连接件符号,连接件用于连接气动系统中的各个元件,如管接头、快速接头等。
连接件符号通常由一个长方形和内部的图标组成,图标表示连接件的类型和连接方式。
5. 气压表符号,气压表用于测量气动系统中的压力,其符号通常由一个圆形和内部的刻度线组成,刻度线表示压力的大小范围。
6. 气动马达符号,气动马达用于将气动能转化为机械能,用于驱动机械设备。
气动马达符号通常由一个长方形和内部的图标组成,图标表示马达的类型和工作方式。
以上是一些常见的气动元件符号,它们在气动系统中起着至关重要的作用。
通过了解和掌握这些符号,工程师和技术人员能够更加准确地设计和使用气动系统,提高工作效率,减少错误发生。
希望大家能够在工程实践中充分利用这些符号,为工作的顺利进行贡献自己的力量。
气动元件符号大全气动元件符号是指在气动系统中使用的各种元件的图形符号,它们是气动系统中不可或缺的一部分。
了解和掌握气动元件符号对于工程师和技术人员来说非常重要,因此本文将为大家介绍气动元件符号的相关知识,希望能对大家有所帮助。
1. 气源处理元件符号。
气源处理元件是气动系统中的重要组成部分,它包括空气过滤器、减压阀、油雾器等。
在气源处理元件符号中,空气过滤器的符号为一个矩形,上面有一个三角形,代表过滤器的进气口,而下面有一个矩形,代表过滤器的出气口。
减压阀的符号为一个矩形,上面有一个箭头,代表进气口,下面有一个带压力表的矩形,代表出气口。
油雾器的符号为一个矩形,上面有一个箭头,代表进气口,下面有一个带油滴的矩形,代表出气口。
2. 执行元件符号。
执行元件是气动系统中的另一个重要组成部分,它包括气缸、气动阀等。
气缸的符号为一个长方形,上面有一个三角形,代表气缸的进气口,下面有一个带斜线的长方形,代表气缸的出气口。
气动阀的符号有多种,常见的是一个长方形,上面有一个箭头,代表进气口,下面有两个带斜线的长方形,代表两个出气口。
3. 控制元件符号。
控制元件是气动系统中的控制部分,它包括手动阀、电磁阀等。
手动阀的符号为一个长方形,上面有一个手柄,代表手动操作,下面有一个带箭头的长方形,代表出气口。
电磁阀的符号为一个长方形,上面有一个带斜线的长方形,代表进气口,下面有一个带线圈的长方形,代表电磁操控。
4. 连接元件符号。
连接元件是气动系统中的连接部分,它包括接头、管件等。
接头的符号为一个圆形,上面有一个带箭头的短线,代表进气口,下面有一个带箭头的短线,代表出气口。
管件的符号为一个矩形,上面有一个带箭头的短线,代表进气口,下面有一个带箭头的短线,代表出气口。
5. 辅助元件符号。
辅助元件是气动系统中的辅助部分,它包括压力表、流量控制阀等。
压力表的符号为一个圆形,上面有一个带刻度的指针,代表压力测量,下面有一个带箭头的短线,代表进气口。
气动元件符号大全本文档将为您介绍气动元件的符号及含义,帮助您更好地理解气动系统的组成和工作原理。
一、气源组件1. 空气压缩机:表示空气压缩机的符号,通常由一个圆圈和一条垂直线组成,圆圈内标有字母“A”。
2. 空气干燥器:表示空气干燥器的符号,通常由一个矩形方框和一条斜线组成,方框内标有字母“B”。
3. 过滤器:表示过滤器的符号,通常由一个圆圈和若干条放射状的线条组成,圆圈内标有字母“C”。
4. 储气罐:表示储气罐的符号,通常由一个矩形方框和一条水平线组成,方框内标有字母“D”。
二、控制元件1. 气动开关:表示气动开关的符号,通常由一个矩形方框和一条水平线组成,方框内标有字母“K”。
2. 气动三通阀:表示气动三通阀的符号,通常由一个T形交叉符号和若干条线条组成,交叉符号的一侧标有字母“V”。
3. 气动减压阀:表示气动减压阀的符号,通常由一个类似水龙头的符号和若干条线条组成,水龙头一侧标有字母“Y”。
4. 气动继动器:表示气动继动器的符号,通常由一个矩形方框和若干条放射状的线条组成,方框内标有字母“J”。
三、执行元件1. 气缸:表示气缸的符号,通常由一个矩形方框和若干条线条组成,方框内标有字母“Q”。
2. 气动马达:表示气动马达的符号,通常由一个类似风扇的图形和若干条线条组成,风扇一侧标有字母“M”。
3. 气动手指:表示气动手指的符号,通常由一个矩形方框和若干条线条组成,方框内标有字母“F”。
四、辅助元件1. 消声器:表示消声器的符号,通常由一个矩形方框和若干条放射状的线条组成,方框内标有字母“X”。
2. 管道连接件:表示管道连接件的符号,通常由一个圆圈和若干条线条组成,圆圈内标有字母“L”。
3. 密封件:表示密封件的符号,通常由一个矩形方框和若干条线条组成,方框内标有字母“S”。
4. 润滑器:表示润滑器的符号,通常由一个类似油滴的图形和若干条线条组成,油滴一侧标有字母“L”。
五、调节与控制元件1. 调压阀:表示调压阀的符号,通常由一个类似水龙头的图形和若干条线条组成,水龙头一侧标有字母“T”。
气动元件符号讲解一、气动符号概述气动符号是用于描述气动系统中各种元件和组件的图形符号。
这些符号通常由国家标准或行业标准规定,并被广泛接受和使用。
了解气动符号对于理解气动系统的构成、设计、安装和维护都非常重要。
二、气源装置符号气源装置是气动系统的能源来源,其主要作用是将空气进行压缩和净化,以供给气动设备使用。
以下是一些常见的气源装置符号:空气压缩机:表示空气经过压缩后供给气动设备使用的装置。
空气干燥器:用于降低空气中的湿度,以避免水蒸气在气动设备中形成水滴或结冰。
空气过滤器:用于去除空气中的尘埃和其他杂质,以保护气动设备和管道系统。
三、气动辅助元件符号气动辅助元件是指为气动系统提供辅助功能的元件,包括管道、接头、消声器等。
以下是一些常见的气动辅助元件符号:管道:用于连接气动设备,以使空气能够流通。
接头:用于连接管道,以使管道能够灵活地连接和拆卸。
消声器:用于降低气动设备产生的噪音,以保护环境和人员。
四、气动控制阀符号气动控制阀是用于控制气动系统中空气流通的元件。
以下是一些常见的气动控制阀符号:减压阀:用于降低气源的压力,以适应不同的气动设备需求。
方向阀:用于控制空气的流动方向,以实现气动设备的不同动作。
流量阀:用于控制空气的流量,以调节气动设备的速度和力量。
五、气动执行元件符号气动执行元件是用于执行特定动作的元件,包括气缸、摆动马达等。
以下是一些常见的气动执行元件符号:气缸:用于执行直线运动的元件,其运动速度和力量可以通过流量阀进行调节。
摆动马达:用于执行旋转运动的元件,其运动速度和力量可以通过流量阀进行调节。
六、气动传感器符号气动传感器是用于检测气动系统中各种参数的元件,包括压力传感器、温度传感器等。
以下是一些常见的气动传感器符号:压力传感器:用于检测气源或管道中的压力变化,以实现压力控制或报警。
温度传感器:用于检测气源或管道中的温度变化,以保护设备和环境的安全。
七、气动指示元件符号气动指示元件是用于显示或指示气动系统状态的元件,包括压力表、温度计等。
气动元件符号大全气动元件是指以气体为动力源的机械元件,广泛应用于各种工业自动化控制系统中。
在气动系统中,各种气动元件都有其特定的符号表示,这些符号对于工程师和技术人员来说非常重要。
本文将为大家介绍气动元件的符号大全,帮助大家更好地理解和应用气动元件。
1. 阀门符号。
在气动系统中,阀门是控制气体流动的重要元件。
不同类型的阀门有着不同的符号表示。
常见的阀门符号包括,单向阀、电磁阀、手动阀、比例阀等。
通过这些符号,工程师可以清晰地了解阀门的类型和工作原理,从而进行系统设计和维护。
2. 气缸符号。
气缸是气动系统中常用的执行元件,用于产生直线运动。
气缸的符号表示通常包括气缸的类型、工作方式和控制方式等信息。
掌握气缸符号对于设计和调试气动系统至关重要,可以帮助工程师快速准确地理解气缸的工作原理和控制方法。
3. 压力表符号。
压力表是用于测量气动系统中气体压力的重要设备,其符号表示通常包括压力范围、测量方式和接口类型等信息。
了解压力表符号可以帮助工程师正确选择和安装压力表,确保气动系统的正常运行和安全性能。
4. 过滤器符号。
过滤器是用于清除气体中杂质和颗粒物的设备,其符号表示通常包括过滤精度、材质和接口类型等信息。
掌握过滤器符号可以帮助工程师正确选择和安装过滤器,保护气动系统中的其他元件,延长设备的使用寿命。
5. 接头符号。
气动系统中的接头用于连接管路和元件,其符号表示通常包括接头类型、尺寸和材质等信息。
了解接头符号可以帮助工程师正确选择和安装接头,确保气动系统的密封性和连接可靠性。
6. 气源处理符号。
气源处理设备用于对气源进行净化和调节,其符号表示通常包括净化方式、调节范围和接口类型等信息。
掌握气源处理符号可以帮助工程师正确选择和安装气源处理设备,确保气动系统的气源质量和稳定性。
7. 控制元件符号。
控制元件包括按钮、指示灯、传感器等设备,用于实现气动系统的控制和监测。
其符号表示通常包括功能、工作方式和接口类型等信息。
气动元件分类和符号大全及使用方法气动元件分类和符号大全及使用方法双作用气缸(带磁电开关)使用方法:通过调节节流阀来调节气缸的运行速度,左边节流阀通气气缸缩回,右边节流阀通气气缸伸出。
磁电开关(近视位开关)用来检测气缸位置,气缸缩回时右边磁电开关导通,反之左边导通。
在磁电开关使用时两端不可直接加电源,需串入负载(靠红色小灯处为+端)。
单作用气缸使用方法:通过调节节流阀来调节气缸的运行速度,当节流阀中有气通过时气缸伸出,反之没气时气缸缩回(通过弹簧自动复位)。
二位五通单电控电磁阀3个直接头为连接气管端,分别为P进气端,A:A 位出气端,B:B位出气端。
当P有气后A位出气(即电磁阀初位),当电磁阀线圈得电(DC24V小灯处为正极),电磁阀换向,B位出气。
当电磁阀线圈失电,通过弹簧恢复到初始位。
二位五通双电控电磁阀3个直接头为连接气管端,分别为P进气端,A:A 位出气端,B:B位出气端。
当P口有气后,前次出气端有气的仍旧出气(即保留上次电磁阀得电的位置),当电磁阀线圈1Y1得电(DC24V小灯处为正),电磁阀换向,A口出气。
当电磁阀线圈1Y2得电(DC24V小灯处为正),电磁阀换向,B口出气。
电磁线圈失电后保留此次位置。
三位五通双电控电磁阀3个直接头为连接气管端,分别为P进气端,A:A位出气端,B:B位出气端。
当P口有气且电磁阀线圈无得电的状态下,在两侧弹簧的作用下复位,A、B 口均无气出,该阀保持在中位。
当电磁阀线圈1Y1得电(DC24V小灯处为正),电磁阀换向,A口出气。
当电磁阀线圈1Y2得电(DC24V小灯处为正),电磁阀换向,B口出气。
电磁阀线圈失电后,在两侧弹簧的作用下阀体自动复位,A、B口均无气出,该阀又保持在中位状态。
电信号行程开关该元件用于检测气缸位置,分别放在气缸的缩回与伸出位,使其接触气缸探头进行动作。
当白色滚轮端弹起时,COM端与NC通,NO断开。
当白色滚轮端被气缸探头压下后,COM与NO通,NC断开。