气动元件图形符号
- 格式:ppt
- 大小:199.00 KB
- 文档页数:15
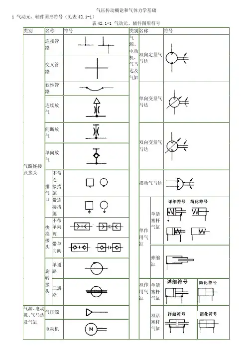
气动元件符号大全气动元件符号是指在气动系统中使用的各种元件所对应的标志符号。
这些符号的使用可以帮助工程师和技术人员更好地理解和设计气动系统,提高工作效率,减少错误发生。
下面将介绍一些常见的气动元件符号,以便大家在工程设计和使用过程中能够更加便捷地进行相关操作。
1. 气缸符号,气缸是气动系统中常见的执行元件,用于产生直线运动。
气缸符号通常由一个长方形表示,上下分别有两条平行线代表气缸的活塞杆。
在平行线的左右两侧还会有箭头指示气缸的运动方向。
2. 阀门符号,阀门在气动系统中用于控制气流的通断和方向。
阀门符号通常由一个长方形和其内部的图形组成,图形的形状表示阀门的类型,如直通阀、三通阀、换向阀等。
3. 气源处理元件符号,气源处理元件用于对气源进行处理,如过滤、减压、润滑等。
气源处理元件符号通常由一个长方形和内部的图标组成,图标表示元件的功能,如过滤器、减压阀、润滑器等。
4. 连接件符号,连接件用于连接气动系统中的各个元件,如管接头、快速接头等。
连接件符号通常由一个长方形和内部的图标组成,图标表示连接件的类型和连接方式。
5. 气压表符号,气压表用于测量气动系统中的压力,其符号通常由一个圆形和内部的刻度线组成,刻度线表示压力的大小范围。
6. 气动马达符号,气动马达用于将气动能转化为机械能,用于驱动机械设备。
气动马达符号通常由一个长方形和内部的图标组成,图标表示马达的类型和工作方式。
以上是一些常见的气动元件符号,它们在气动系统中起着至关重要的作用。
通过了解和掌握这些符号,工程师和技术人员能够更加准确地设计和使用气动系统,提高工作效率,减少错误发生。
希望大家能够在工程实践中充分利用这些符号,为工作的顺利进行贡献自己的力量。
气动元件符号大全本文档将为您介绍气动元件的符号及含义,帮助您更好地理解气动系统的组成和工作原理。
一、气源组件1. 空气压缩机:表示空气压缩机的符号,通常由一个圆圈和一条垂直线组成,圆圈内标有字母“A”。
2. 空气干燥器:表示空气干燥器的符号,通常由一个矩形方框和一条斜线组成,方框内标有字母“B”。
3. 过滤器:表示过滤器的符号,通常由一个圆圈和若干条放射状的线条组成,圆圈内标有字母“C”。
4. 储气罐:表示储气罐的符号,通常由一个矩形方框和一条水平线组成,方框内标有字母“D”。
二、控制元件1. 气动开关:表示气动开关的符号,通常由一个矩形方框和一条水平线组成,方框内标有字母“K”。
2. 气动三通阀:表示气动三通阀的符号,通常由一个T形交叉符号和若干条线条组成,交叉符号的一侧标有字母“V”。
3. 气动减压阀:表示气动减压阀的符号,通常由一个类似水龙头的符号和若干条线条组成,水龙头一侧标有字母“Y”。
4. 气动继动器:表示气动继动器的符号,通常由一个矩形方框和若干条放射状的线条组成,方框内标有字母“J”。
三、执行元件1. 气缸:表示气缸的符号,通常由一个矩形方框和若干条线条组成,方框内标有字母“Q”。
2. 气动马达:表示气动马达的符号,通常由一个类似风扇的图形和若干条线条组成,风扇一侧标有字母“M”。
3. 气动手指:表示气动手指的符号,通常由一个矩形方框和若干条线条组成,方框内标有字母“F”。
四、辅助元件1. 消声器:表示消声器的符号,通常由一个矩形方框和若干条放射状的线条组成,方框内标有字母“X”。
2. 管道连接件:表示管道连接件的符号,通常由一个圆圈和若干条线条组成,圆圈内标有字母“L”。
3. 密封件:表示密封件的符号,通常由一个矩形方框和若干条线条组成,方框内标有字母“S”。
4. 润滑器:表示润滑器的符号,通常由一个类似油滴的图形和若干条线条组成,油滴一侧标有字母“L”。
五、调节与控制元件1. 调压阀:表示调压阀的符号,通常由一个类似水龙头的图形和若干条线条组成,水龙头一侧标有字母“T”。
气动元件符号讲解一、气动符号概述气动符号是用于描述气动系统中各种元件和组件的图形符号。
这些符号通常由国家标准或行业标准规定,并被广泛接受和使用。
了解气动符号对于理解气动系统的构成、设计、安装和维护都非常重要。
二、气源装置符号气源装置是气动系统的能源来源,其主要作用是将空气进行压缩和净化,以供给气动设备使用。
以下是一些常见的气源装置符号:空气压缩机:表示空气经过压缩后供给气动设备使用的装置。
空气干燥器:用于降低空气中的湿度,以避免水蒸气在气动设备中形成水滴或结冰。
空气过滤器:用于去除空气中的尘埃和其他杂质,以保护气动设备和管道系统。
三、气动辅助元件符号气动辅助元件是指为气动系统提供辅助功能的元件,包括管道、接头、消声器等。
以下是一些常见的气动辅助元件符号:管道:用于连接气动设备,以使空气能够流通。
接头:用于连接管道,以使管道能够灵活地连接和拆卸。
消声器:用于降低气动设备产生的噪音,以保护环境和人员。
四、气动控制阀符号气动控制阀是用于控制气动系统中空气流通的元件。
以下是一些常见的气动控制阀符号:减压阀:用于降低气源的压力,以适应不同的气动设备需求。
方向阀:用于控制空气的流动方向,以实现气动设备的不同动作。
流量阀:用于控制空气的流量,以调节气动设备的速度和力量。
五、气动执行元件符号气动执行元件是用于执行特定动作的元件,包括气缸、摆动马达等。
以下是一些常见的气动执行元件符号:气缸:用于执行直线运动的元件,其运动速度和力量可以通过流量阀进行调节。
摆动马达:用于执行旋转运动的元件,其运动速度和力量可以通过流量阀进行调节。
六、气动传感器符号气动传感器是用于检测气动系统中各种参数的元件,包括压力传感器、温度传感器等。
以下是一些常见的气动传感器符号:压力传感器:用于检测气源或管道中的压力变化,以实现压力控制或报警。
温度传感器:用于检测气源或管道中的温度变化,以保护设备和环境的安全。
七、气动指示元件符号气动指示元件是用于显示或指示气动系统状态的元件,包括压力表、温度计等。