土钉墙支护计算书9米深
- 格式:doc
- 大小:145.50 KB
- 文档页数:12
X x x x 地下室基坑围护设计(论证修改稿)审核:设计:计算:制图:校对:资质证书:地址:联系电话:传真:二零一零年五月目录一、设计依据二、工程概况三、设计原则四、工程地质条件五、基坑围护方案六、基坑排水和防渗措施七、基坑施工及开挖要求八、其他施工要求九、基坑监测十、应急措施十一、降水对周边地面、建筑物的影响分析及后备处理措施附录:1.计算书2.工程地质资料第一部分基坑围护设计说明一、方案设计依据1. xx勘察测绘院提供的《xx岩土工程勘察报告》;2.《建筑基坑支护技术规程》(JGJ120-99);3.《建筑地基基础设计规范》(GB50007-2002);4.《混凝土结构设计规范》(GB50010-2002);5.《建筑桩基技术规范》(JGJ94-94);6.《基坑土钉支护技术规程》(CECS96:97);7.《锚杆喷射混凝土支护技术规程》(GB50086-2001);8.《建筑基坑工程监测规范》(GB50497-2009);9. 浙江省标准《建筑基坑工程技术规程》(DB33/T1008-2000J10032-2000);10. 设计院提供的本工程基础平面图和总平面布置图;11.其它相关的设计及施工验收的规范、规程和我院现场踏勘的资料。
二、工程概况1、地理位置拟建项目位于xx县环城西路和环城北路交叉口西北侧,现为绿地。
2、主体概况拟建工程由4幢10~13层住宅用房和临街商业店铺及附属设施组成,设两层地下室。
面积约2853.8m2,基础采用人工挖孔桩和筏板基础。
3、基坑周边环境基坑南侧距离环城北路约10m;东侧距离环城西路约8.0m;西侧距离水泥路约8m,隔水泥路为xx公司,距离其办公楼35.9m,该房为浅基础。
道路人行道缘下均有市政、雨水管线,管线埋深1.5m左右。
4、基坑概况设计±0.00相当于黄海高程65.8 m,自然地坪现状标为65.4~66.4m,相对标高-0.40~0.60m。
土钉墙支护计算计算书本计算书参照《建筑基坑支护技术规程》JGJ120-99 中国建筑工业出版社出版《建筑施工计算手册》江正荣编著中国建筑工业出版社、《实用土木工程手册》第三版杨文渊编著人民教同出版社、《地基与基础》第三版中国建筑工业出版社、《土力学》等相关文献进行编制。
土钉墙需要计算其土钉的抗拉承载力和土钉墙的整体稳定性。
一、参数信息:1、基本参数:侧壁安全级别:二级基坑开挖深度h(m):7.430;土钉墙计算宽度b'(m):100;土体的滑动摩擦系数按照tanφ计算,φ为坡角水平面所在土层内的内摩擦角;条分块数:/;不考虑地下水位影响;2、荷载参数:序号类型面荷载q(kPa) 基坑边线距离b0(m) 宽度b1(m)1 局布20.00 4.86 53、地质勘探数据如下::序号土名称土厚度坑壁土的重度γ 坑壁土的内摩擦角φ 内聚力C 极限摩擦阻力(m) (kN/m3) (°) (kPa) (kPa)1 填土 1.30 18.00 18.00 12.00 80.002 粘性土 1.30 18.00 20.00 25.00 100.003 粉土 3.10 19.00 25.00 18.00 110.004 粘性土 1.20 18.00 20.00 25.00 100.005 粉砂 4.10 19.00 35.00 18.00 115.004、土钉墙布置数据:放坡参数:序号放坡高度(m) 放坡宽度(m) 平台宽度(m)1 7.43 3.00 100.00土钉数据:序号直径(mm) 长度(m) 入射角(度) 竖向间距(m) 水平间距(m)1 150 6.00 15.00 1.50 1.50二、土钉(含锚杆)抗拉承载力的计算:单根土钉受拉承载力计算,根据《建筑基坑支护技术规程》JGJ 120-99,R=1.25γ0T jk1、其中土钉受拉承载力标准值T jk按以下公式计算:T jk=ζe ajk s xj s zj/cosαj其中ζ--荷载折减系数e ajk --土钉的水平荷载s xj、s zj--土钉之间的水平与垂直距离αj--土钉与水平面的夹角ζ按下式计算:ζ=tan[(β-φk)/2](1/(tan((β+φk)/2))-1/tanβ)/tan2(45°-φ/2)其中β--土钉墙坡面与水平面的夹角。
土钉墙支护计算计算书本计算书参照《建筑基坑支护技术规程》JGJ120-99 中国建筑工业出版《建筑施工计算手册》江正荣编著中国建筑工业、《实用土木工程手册》第三版文渊编著人民教同、《地基与基础》第三版中国建筑工业、《土力学》等相关文献进行编制。
土钉墙需要计算其土钉的抗拉承载力和土钉墙的整体稳定性。
一、参数信息:1、基本参数:侧壁安全级别:二级基坑开挖深度h(m):7.430;土钉墙计算宽度b'(m):100;土体的滑动摩擦系数按照tanφ计算,φ为坡角水平面所在土层的摩擦角;条分块数:/;不考虑地下水位影响;2、荷载参数:序号类型面荷载q(kPa) 基坑边线距离b0(m) 宽度b1(m)1 局布20.00 4.86 53、地质勘探数据如下::序号土名称土厚度坑壁土的重度γ 坑壁土的摩擦角φ 聚力C 极限摩擦阻力(m) (kN/m3) (°) (kPa) (kPa)1 填土 1.30 18.00 18.00 12.00 80.002 粘性土 1.30 18.00 20.00 25.00 100.003 粉土 3.10 19.00 25.00 18.00 110.004 粘性土 1.20 18.00 20.00 25.00 100.005 粉砂 4.10 19.00 35.00 18.00 115.004、土钉墙布置数据:放坡参数:序号放坡高度(m) 放坡宽度(m) 平台宽度(m)1 7.43 3.00 100.00土钉数据:序号直径(mm) 长度(m) 入射角(度) 竖向间距(m) 水平间距(m)1 150 6.00 15.00 1.50 1.50二、土钉(含锚杆)抗拉承载力的计算:单根土钉受拉承载力计算,根据《建筑基坑支护技术规程》JGJ 120-99,R=1.25γ0T jk1、其中土钉受拉承载力标准值T jk按以下公式计算:T jk=ζe ajk s xj s zj/cosαj其中ζ--荷载折减系数e ajk --土钉的水平荷载s xj、s zj--土钉之间的水平与垂直距离αj--土钉与水平面的夹角ζ按下式计算:ζ=tan[(β-φk)/2](1/(tan((β+φk)/2))-1/tanβ)/tan2(45°-φ/2)其中β--土钉墙坡面与水平面的夹角。
土钉墙支护计算计算书本计算书参照《建筑基坑支护技术规程》JGJ120-99 中国建筑工业出版社出版《建筑施工计算手册》江正荣编著中国建筑工业出版社、《实用土木工程手册》第三版杨文渊编著人民教同出版社、《地基与基础》第三版中国建筑工业出版社、《土力学》等相关文献进行编制。
土钉墙需要计算其土钉的抗拉承载力和土钉墙的整体稳定性。
一、参数信息:1、基本参数:侧壁安全级别:二级基坑开挖深度h(m):7.430;土钉墙计算宽度b'(m):100;土体的滑动摩擦系数按照tanφ计算,φ为坡角水平面所在土层内的内摩擦角;条分块数:/;不考虑地下水位影响;2、荷载参数:序号类型面荷载q(kPa) 基坑边线距离b0(m) 宽度b1(m)1 局布20.00 4.86 53、地质勘探数据如下::序号土名称土厚度坑壁土的重度γ 坑壁土的内摩擦角φ 内聚力C 极限摩擦阻力(m) (kN/m3) (°) (kPa) (kPa)1 填土 1.30 18.00 18.00 12.00 80.002 粘性土 1.30 18.00 20.00 25.00 100.003 粉土 3.10 19.00 25.00 18.00 110.004 粘性土 1.20 18.00 20.00 25.00 100.005 粉砂 4.10 19.00 35.00 18.00 115.004、土钉墙布置数据:放坡参数:序号放坡高度(m) 放坡宽度(m) 平台宽度(m)1 7.43 3.00 100.00土钉数据:序号直径(mm) 长度(m) 入射角(度) 竖向间距(m) 水平间距(m)1 150 6.00 15.00 1.50 1.50二、土钉(含锚杆)抗拉承载力的计算:单根土钉受拉承载力计算,根据《建筑基坑支护技术规程》JGJ 120-99,R=1.25γ0T jk1、其中土钉受拉承载力标准值T jk按以下公式计算:T jk=ζe ajk s xj s zj/cosαj其中ζ--荷载折减系数e ajk --土钉的水平荷载s xj、s zj--土钉之间的水平与垂直距离αj--土钉与水平面的夹角ζ按下式计算:ζ=tan[(β-φk)/2](1/(tan((β+φk)/2))-1/tanβ)/tan2(45°-φ/2)其中β--土钉墙坡面与水平面的夹角。
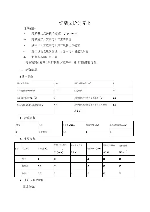
土钉墙支护计算书计算依据:1、《建筑基坑支护技术规程》JGJ120-20122、《建筑施工计算手册》江正荣编著3、《实用土木工程手册》第三版杨文渊编著4、《施工现场设施安全设计计算手册》谢建民编著5、《地基与基础》第三版土钉墙需要计算其土钉的抗拉承载力和土钉墙的整体稳定性。
一、参数信息1、基本参数侧壁安全级别 二级 基坑开挖深度h(m) 9 土体的滑动摩擦系数 1.3 条分块数10 土钉墙计算宽度B'(m)15 基坑外侧水位到坑顶的距离(m)1.2 基坑内侧水位到坑顶的距离(m)9.5基坑地面至抗隆起计算平面之间的距离D(m)0.52、荷载参数3、土层参数序号 土名称土厚度(m)坑壁土的重度γ(kN/m 3)坑壁土的内摩擦角φ(°) 粘聚力C (kPa)极限摩擦阻力(kPa) 饱和重度(kN/m 3) 1 填土 3 18 18 12 20 20 2 粘性土 3.5 19 14 10 60 19 3粘性土3.519201860224、土钉墙布置数据 放坡参数:序号放坡高度L(m) 放坡宽度W(m) 平台宽度B(m) 1 9 6 2土钉参数:序号孔径d(mm) 长度l(m) 入射角α(°)竖向间距Sz(m) 土钉杆体材料杆体截面积As(mm2)抗拉强度标准值fyk(N/mm2)抗拉强度设计值fy(N/mm2)1 120 6 15 1.5 钢筋314 400 3602 120 7 15 1.5 钢筋314 400 3603 120 7 15 1.5 钢筋314 400 3604 120 7 15 1.5 钢筋314 400 3605 120 7 15 1.5 钢筋314 400 3605、计算系数结构重要性系数γ0 1 综合分项系数γF 1.25 土钉抗拔安全系数K t 1.6 圆弧滑动稳定安全系数K s 1.3抗滑移安全系数K sl 1.2 抗倾覆安全系数K ov 1.3抗隆起安全系数K he 1.6 经验系数ηb0.6二、土钉承载力计算K a1=tan2(45°- φ1/2)= tan2(45-18/2)=0.528;K a2=tan2(45°- φ2/2)= tan2(45-18/2)=0.528;K a3=tan2(45°- φ3/2)= tan2(45-14/2)=0.61;K a4=tan2(45°- φ4/2)= tan2(45-14/2)=0.61;K a5=tan2(45°- φ5/2)= tan2(45-20/2)=0.49;第1层土:0-1.2m(+0)H1'=[∑γ0h0]/γi=[0]/18=0m]/18=0mP ak1上=γ1H1'K a1-2c1K a10.5=18×0×0.528-2×12×0.5280.5=-17.439kN/m2P ak1下=γ1(h1+H1')K a1-2c1K a10.5=18×(1.2+0)×0.528-2×12×0.5280.5=-6.034kN/m2第2层土:1.2-3m(+0)H2'=[∑γ1h1]/γsati=[21.6]/20=1.08m]/20=1.08mP ak2上=[γsat2H2'-γw(∑h1-h a)]K a2-2c2K a20.5+γw(∑h1-h a)=[20×1.08-10×(1.2-1.2)]×0.528-2×12×0.5280.5 +10×(1.2-1.2)=-6.034kN/m2P ak2下=[γsat2(H2'+h2)-γw(∑h1-h a)]K a2-2c2K a20.5+γw(∑h1-h a)=[20×(1.08+1.8)-10×(3-1.2)]×0.528-2×12×0.5280.5+10×(3-1.2)=21.47kN/m2第3层土:3-4m(+0)H3'=[∑γ2h2]/γsati=[57.6]/19=3.032m]/19=3.032mP ak3上=[γsat3H3'-γw(∑h2-h a)]K a3-2c3K a30.5+γw(∑h2-h a)=[19×3.032-10×(3-1.2)]×0.61-2×10×0.610.5+10×(3-1.2)=26.54kN/m2P ak3下=[γsat3(H3'+h3)-γw(∑h2-h a)]K a3-2c3K a30.5+γw(∑h2-h a)=[19×(3.032+1)-10×(4-1.2)]×0.61-2×10×0.610.5+10×(4-1.2)=42.03kN/m2第4层土:4-6.5m(+0)H4'=[∑γ3h3]/γsati=[76.6]/19=4.032m]/19=4.032mP ak4上=[γsat4H4'-γw(∑h3-h a)]K a4-2c4K a40.5+γw(∑h3-h a)=[19×4.032-10×(4-1.2)]×0.61-2×10×0.610.5+10×(4-1.2)=42.03kN/m2P ak4下=[γsat4(H4'+h4)-γw(∑h3-h a)]K a4-2c4K a40.5+γw(∑h3-h a)=[19×(4.032+2.5)-10×(6.5-1.2)]×0.61-2×1 0×0.610.5+10×(6.5-1.2)=80.755kN/m2第5层土:6.5-9m(+0)H5'=[∑γ4h4]/γsati=[124.1]/22=5.641m]/22=5.641mP ak5上=[γsat5H5'-γw(∑h4-h a)]K a5-2c5K a50.5+γw(∑h4-h a)=[22×5.641-10×(6.5-1.2)]×0.49-2×18×0.490.5+ 10×(6.5-1.2)=62.64kN/m2P ak5下=[γsat5(H5'+h5)-γw(∑h4-h a)]K a5-2c5K a50.5+γw(∑h4-h a)=[22×(5.641+2.5)-10×(9-1.2)]×0.49-2×18×0.490.5+10×(9-1.2)=102.34kN/m21)水平荷载临界深度:Z0=P ak2下h2/(P ak2上+ P ak2下)=21.47×1.8/(6.034+21.47)=1.405m;第1层土E ak1=0kN;第2层土E ak2=0.5P ak2下Z0b a=0.5×21.47×1.405×1=15.083kN;a a2=Z0/3+∑h3=1.405/3+6=6.468m;第3层土E ak3=h3(P a3上+P a3下)b a/2=1×(26.54+42.03)×1/2=34.285kN;a a3=h3(2P a3上+P a3下)/(3P a3上+3P a3)+∑h4=1×(2×26.54+42.03)/(3×26.54+3×42.03)+5=5.462m;下第4层土E ak4=h4(P a4上+P a4下)b a/2=2.5×(42.03+80.755)×1/2=153.481kN;a a4=h4(2P a4上+P a4下)/(3P a4上+3P a4)+∑h5=2.5×(2×42.03+80.755)/(3×42.03+3×80.755)+2.5=3.619m;下第5层土E ak5=h5(P a5上+P a5下)b a/2=2.5×(62.64+102.34)×1/2=206.225kN;a a5=h5(2P a5上+P a5下)/(3P a5上+3P a5下)=2.5×(2×62.64+102.34)/(3×62.64+3×102.34)=1.15m;土压力合力:E ak=ΣE aki=0+15.083+34.285+153.481+206.225=409.074kN;合力作用点:a a=Σ(a ai E aki)/E ak=(0×0+6.468×15.083+5.462×34.285+3.619×153.481+1.15×206.225)/409.074=2. 634m;1、单根土钉的轴向拉力标准值N k,j:N k,j=ζηj P ak,j S xj S zj/cosαj其中ζ--荷载折减系数ηj--第j层土钉轴向拉力调整系数P ak,j--第j层土钉处的主动土压力强度标准值S xj、S zj--土钉之间的水平与垂直距离αj--土钉与水平面的夹角N j=γ0γF N k,j=1×1.25×1.962=2.452kN≤f y A s=400×314=125.6kN满足要求!R k,j/N k,j=19.201/1.962=9.786≥K t=1.6满足要求!三、土钉墙整体稳定性的计算根据《建筑基坑支护技术规程》JGJ120-2012要求,土钉墙应根据施工期间不同开挖深度及基坑底面以下可能滑动面采用圆弧滑动简单条分法如下图,按照下式进行整体稳定性验算:圆弧滑动法示意图公式中:c j、φj──第j土条滑弧面处土的粘聚力(kPa)、内摩擦角(°);b j──第j土条的宽度(m);θj──第j土条滑弧面中点处的法线与垂直面的夹角(°);l j──第j土条的滑弧段长度(m),取l j=b j/cosθj;q j──作用在第j土条上的附加分布荷载标准值(kPa) ;ΔG j──第j土条的自重(kN),按天然重度计算;u j──第j土条在滑弧面上的孔隙水压力(kPa),采用落底式截水帷幕时,对地下水位以下的砂土、碎石土、粉土,在基坑外侧,可取u j=γw h waj,在基坑内侧,可取u j=γw h wpj;滑弧面在地下水位以上或对地下水位以下的粘性土,取u j=0;γw──地下水重度(kN/m3);h waj──基坑外侧第j土条滑弧面中点的压力水头(m);h wpj──基坑内侧第j土条滑弧面中点的压力水头(m);Rˊk,k──第k根土钉在圆弧滑动面以外的锚固段的极限抗拔承载力标准值与杆体受拉承载力标准值的较小值;αk──表示第k层土钉的倾角;θk──圆弧面在第k层土钉处的法线与垂直面的夹角;ψv──计算系数,取ψv=0.5sin(αk+θk)tanφ, φ表示的是第k层土钉与滑弧交点处土的内摩擦角。
钉墙支护计算书计算依据:1、《建筑基坑支护技术规程》JGJ120-20122、《建筑施工计算手册》江正荣编著3、《实用土木工程手册》第三版杨文渊编著4、《施工现场设施安全设计计算手册》谢建民编著5、《地基与基础》第三版土钉墙需要计算其土钉的抗拉承载力和土钉墙的整体稳定性。
一、参数信息1基本参数2、荷载参数3、土层参数4、土钉墙布置数据放坡参数:土钉参数:5、计算系数二、土钉承载力计算第 1 层土: 0-1.2m(+0) H i '=[ Z 0Y]/ i =[0]/18=0m]/18=0mP aki 上 = Y 1 H 1'K a1-2c 1K a10.5=18X) X).528-2 >2><0.5280.5=-17.439kN/m 2P ak1T =Y 1(h 什H 1')K a1-2c 1K a10.5=18X1.2+0) 0528-2 XX).5280.5=-6.034kN/m 2K a1=tan 2(45 ° 奶/2)K a2=tan (45 ° 粋2)2K a3=tan (45 ° 艇/2)2=tan(45-18/2)=0.528;2=tan (45-18/2)=0.528; =tan 2(45-14/2)=0.61;2=tan(45-14/2)=0.61; 2第 2 层土: 1.2-3m(+0)H2'=[ HY]/ sYi=[21.6]/20=1.08m]/20=1.08mP ak2 上=[sat2H2'- Y w( Xhh a)]K a2-2c2K a20.5+佩E h-h a)=[20 *08-10 (1.2-1.2)] 0.528-2 t2X).5280.5 +10X(1.2-1.2)=-6.034kN/m2P ak2 下=[$at2(H2'+h2)- Y w( E h-h a)]K a2-2c2K a20.5+ Y w( Xhh a)=[20 *1.08+1.8)-10 (3-X.2)] 0.528-2 xx0.5280.5+10x(3-1.2)=21.47kN/m2第3层土:3-4m(+0)H3'=[Z2Y]/ Y ti=[57.6]/19=3.032m]/19=3.032mP ak3 上=[$at3H3'-泌Xh-h a)]K a3-2c3K a30.5+泌Eh-h a)=[19 X.032-10 X-1.2)] 0X1-2 X)X).61O.5+1O2X(3-1.2)=26.54kN/m2P ak3下0.5=[sat3(H3'+h3)- Y w( Eh-h a)]K a3-2C3K a3. + 旳(E2-h a)=[19 23.032+1)-10 (4X1.2)] 021-2 wx0.610.5+1 0x(4-1 .2)=42.03kN/m2第4层土:4-6.5m(+0)H4'=[ Eh s]/ sati=[76.6]/19=4.032m]/19=4.032mP ak4上=[sat4H4'- Y w( Eh-h a)]K a4-2c4K a40.5+ >( Eh-h a)=[19 X.032-10 *-1.2)] 0X1-2 X)X0.610.5+102X(4-1 .2)=42.03kN/m2P ak4下=[$at4(H4'+h4)- Y w( Xh-h a)]K a4-2c4K a40.5+泌Xhh a)=[19 X4.032+2.5)-10 (6X-1.2)] 0.X-2 x0x0.610.5+10x(6.5-1.2)=80.755kN/m2第5层土: 6.5-9m(+0)H5'=[ Z4Y]/ Y ti=[124.1]/22=5.641m]/22=5.641mP ak5上=[sat5H5'-佩Eh-h a)]K a5-2c5K a50.5+ 佩Eh-h a)=[22 X.641-10 X.5-1.2)] O.X-2 X3X).490.5+210X(6.5-1.2)=62.64kN/m2P ak5 下=[Y at5(H5'+h5)- Y( Xhh a)]K a&2c5K a50.5+Y( Eh-h a)=[22 &.641+2.5)-10 (9-1.2)] 0.49-2 18(0.490.5+10((9-1.2)=102.34kN/m21)水平荷载临界深度:Z o=P ak2下h2/(P ak2上+ P ak2下)=21.47 X8/(6.034+21.47)=1.405m;第1层土E ak1=0kN;第2层土E ak2=0.5P ak2下Z o b a=O.5 21.47 1.405 1=15.083kN;a a2=Z o/3+ E3=1.405/3+6=6.468m;第3层土E ak3=h3(P a3上+P a3 下)b a/2=1 )(26.54+42.03) 1/2=34.285kN;a a3=h 3(2P a3上+ P a3 下)/(3P a3 上+3 P a3下)+ Xh=1((2(26.54+42.03)/(3 2654+3 42.03)+5=5.462m;第4层土E ak4=h4(P a4上+P a4下)b a/2=2.5 (42.03+80.755) 1Z2=153.481kN;a a4=h4(2P a4上+ P a4 下)/(3P a4 上+3 P a4下)+ Xh=2.5 €(42.03+80.755)/(3 42.03+3 80.755)+2.5=3.619m;第5层土E ak5=h5(P a5上+P a5下)b a/2=2.5 (62.64+102.34) 1Z2=206.225kN;a a5=h5(2P a5上+P a5下)/(3P a5上+3P a5T)=2.5 ( (2.64+102.34)/(3 62(4+3 (02.34)=1.15m;土压力合力:E ak= 2E ki=0+15.083+34.285+153.481+206.225=409.074kN合力作用点:a a=2 @E aki)/E ak=(0(0+6.468 15.083+5.462 34.285+3.619 153.481+1.15 206.225)/409.074=2.634m;1、单根土钉的轴向拉力标准值N k,j :N k,j = Z j P ak,j S xj S zj/COS j a其中z-荷载折减系数n--第j层土钉轴向拉力调整系数P ak,j--第j层土钉处的主动土压力强度标准值S xj、S zj--土钉之间的水平与垂直距离a--土钉与水平面的夹角N j=Y fN k,j=lx 1.25 X 1.962=2.452kNA s=400>314=125.6kN满足要求!R k,j/N k,j=19.201/1.962=9.786 X1.6满足要求!三、土钉墙整体稳定性的计算根据《建筑基坑支护技术规程》JGJ120-2012要求,土钉墙应根据施工期间不同开挖深度及基坑底面以下可能滑动面采用圆弧滑动简单条分法如下图,按照下式进行整体稳定性验算:公式中:j 雨一第j 土条滑弧面处土的粘聚力(kPa )、内摩擦角(); b j —第j 土条的宽度(m );0—第j 土条滑弧面中点处的法线与垂直面的夹角(); I j —第j 土条的滑弧段长度(m ),取l j = b j /cos j 0 qT 作用在第j 土条上的附加分布荷载标准值(kPa );△ Gj —第j 土条的自重(kN ),按天然重度计算;u j —第j 土条在滑弧面上的孔隙水压力(kP a ),采用落底式截水帷幕时,对地下水位 以下的砂土、碎石土、粉土,在基坑外侧,可取U j = Yh waj ,在基坑内侧,可取U j = Y w h wpj ; 滑弧面在地下水位以上或对地下水位以下的粘性土,取U j = 0;Y — 下水重度(kN/m 3);h waj — 坑外侧第j 土条滑弧面中点的压力水头(m ); h wpj — 坑内侧第j 土条滑弧面中点的压力水头(m );Rk k —第k 根土钉在圆弧滑动面以外的锚固段的极限抗拔承载力标准值与杆体受拉K 訐=(Z (UFqjb 厂丄Gj )®Bj 屮曲tan 诃片YR kk©矗厂佻尸蚯j S3)②虫叶厶用血色)承载力标准值的较小值;a 示第k 层土钉的倾角;乐一弧面在第k 层土钉处的法线与垂直面的夹角;3— 算系数,取B=0.5sin( k aeotan ©表示的是第k 层土钉与滑弧交点处土的内 摩擦角。
土钉墙支护计算书----------------------------------------------------------------------验算项目:----------------------------------------------------------------------[ 验算简图 ]----------------------------------------------------------------------[ 验算条件 ]----------------------------------------------------------------------[ 基本参数 ]所依据的规程或方法:《建筑基坑支护技术规程》JGJ 120-2012基坑深度: 3.960(m)基坑内地下水深度: 25.000(m)基坑外地下水深度: 25.000(m)支护结构重要性系数: 0.900土钉荷载分项系数: 1.250土钉抗拔安全系数: 1.400整体滑动稳定安全系数: 1.250土钉墙底面支锚轴向拉力经验系数ηb: 0.850[ 坡线参数 ]坡线段数 1序号水平投影(m) 竖向投影(m) 倾角(°)1 0.987 3.960 76.0[ 土层参数 ]土层层数 3层号土类名称层厚重度浮重度粘聚力内摩擦角与锚固体摩阻力与土钉摩阻力水土(m) (kN/m^3) (kN/m^3) (kPa) (度) (kPa) (kPa)1 杂填土 1.400 18.0 --- 10.0 10.0 30.0 30.0 ---2 粉土 2.100 19.0 --- 15.0 15.0 60.0 70.0 ---3 细砂 2.440 19.0 --- 10.0 25.0 65.0 70.0 ---[ 超载参数 ]超载数 1序号超载类型超载值(kN/m) 作用深度(m) 作用宽度(m) 距坑边线距离(m) 形式长度(m)1 局部均布 25.000 0.000 5.000 2.000 条形[ 土钉参数 ]土钉道数 3序号水平间距(m) 垂直间距(m) 入射角度(度) 钻孔直径(mm) 长度(m) 配筋1 1.500 1.200 10.0 100 3.000 1E162 1.500 1.200 10.0 100 4.000 1E163 1.500 1.200 10.0 100 2.000 1E16钢筋类型对应关系:d-HPB300,D-HRB335,E-HRB400,F-RRB400,G-HRB500,P-HRBF335,Q-HRBF400,R-HRBF500[ 花管参数 ]基坑内侧花管排数 0基坑外侧花管排数 0[ 锚杆参数 ]锚杆道数 0[ 坑内土不加固 ]*******************************************************************[ 验算结果 ]*******************************************************************[ 抗拔承载力验算结果 ]工况开挖深度破裂角支锚号支锚长度受拉荷载标准值抗拔承载力标准值抗拉承载力标准值安全系数(m) (度) (m) Nkj(kN) Rkj(kN) Rkj(kN) 抗拔抗拉1 1.560 43.3 02 2.760 44.2 1土钉 3.000 18.7 41.7 80.4 2.232 4.3083 2.760 44.2 1土钉 3.000 3.7 41.7 80.4 11.167 21.5542土钉 4.000 12.8 82.7 80.4 6.482 6.3064 3.960 45.2 1土钉 3.000 3.7 27.0 80.4 7.324 21.8452土钉 4.000 42.5 65.9 80.4 1.552 1.8945 3.960 45.2 1土钉 3.000 3.7 27.0 80.4 7.324 21.8452土钉 4.000 17.6 65.9 80.4 3.742 4.5663土钉 2.000 20.6 38.9 80.4 1.889 3.905[ 整体稳定验算结果 ]工况号安全系数圆心坐标x(m) 圆心坐标y(m) 半径(m)1 1.261 -0.656 6.537 4.1822 1.256 -4.294 9.203 9.2283 1.833 -4.294 9.203 9.2284 1.259 -5.173 10.258 11.7215 1.306 -7.146 11.218 13.301[ 喷射混凝土面层计算 ][ 计算参数 ]厚度: 80(mm)混凝土强度等级: C20配筋计算as: 30(mm)水平配筋: d6@200竖向配筋: d6@200配筋计算as: 30荷载分项系数: 1.200[ 计算结果 ]编号深度范围荷载值(kPa) 轴向 M(kN.m) As(mm^2) 实配As(mm^2) 1 0.00 1.20 0.0 x 0.000 135.0(构造) 141.4y 0.000 135.0(构造) 141.42 1.20 2.40 7.3 x 0.349 135.0(构造) 141.4y 0.585 135.0(构造) 141.43 2.40 3.60 21.6 x 1.038 135.0(构造) 141.4y 1.741 135.0(构造) 141.44 3.60 3.96 25.8 x 0.000 135.0(构造) 141.4y 0.419 135.0(构造) 141.4钢管桩支护计算书---------------------------------------------------------------------- 验算项目:---------------------------------------------------------------------- [ 验算简图 ]---------------------------------------------------------------------- [ 验算条件 ]---------------------------------------------------------------------- [ 基本参数 ]所依据的规程或方法:《建筑基坑支护技术规程》JGJ 120-2012基坑深度: 3.960(m)基坑内地下水深度: 25.000(m)基坑外地下水深度: 25.000(m)支护结构重要性系数: 0.900土钉荷载分项系数: 1.250土钉抗拔安全系数: 1.400整体滑动稳定安全系数: 1.250土钉墙底面支锚轴向拉力经验系数ηb: 0.850[ 坡线参数 ]坡线段数 1序号水平投影(m) 竖向投影(m) 倾角(°)1 -0.000 3.960 90.0[ 土层参数 ]土层层数 3层号土类名称层厚重度浮重度粘聚力内摩擦角与锚固体摩阻力与土钉摩阻力水土(m) (kN/m^3) (kN/m^3) (kPa) (度) (kPa) (kPa)1 杂填土 1.400 18.0 --- 10.0 10.0 30.0 30.0 ---2 粉土 2.100 19.0 --- 15.0 15.0 60.0 70.0 ---3 细砂 2.440 19.0 --- 10.0 25.0 65.0 70.0 ---[ 超载参数 ]超载数 1序号超载类型超载值(kN/m) 作用深度(m) 作用宽度(m) 距坑边线距离(m) 形式长度(m)1 局部均布 25.000 0.000 5.000 2.000 条形[ 土钉参数 ]土钉道数 3序号水平间距(m) 垂直间距(m) 入射角度(度) 钻孔直径(mm) 长度(m) 配筋1 1.500 1.200 10.0 100 3.000 1E162 1.500 1.200 10.0 100 5.000 1E163 1.500 1.200 10.0 100 3.000 1E16钢筋类型对应关系:d-HPB300,D-HRB335,E-HRB400,F-RRB400,G-HRB500,P-HRBF335,Q-HRBF400,R-HRBF500[ 花管参数 ]基坑内侧花管排数 0基坑外侧花管排数 1序号横向间距(m) 纵向间距(m) 入射角度(度) 钻孔直径(mm) 长度(m) 发挥系数抗拉力(kN)1 0.150 0.600 90.0 130 6.000 1.000 100.0[ 锚杆参数 ]锚杆道数 1序号水平间距(m) 竖向间距(m) 入射角度(度) 锚固体直径(mm) 锚杆长度(m) 锚杆锚固长度(m) 抗拉力(kN)1 1.500 2.400 10.0 130 12.000 7.000 100.0[ 坑内土不加固 ]*******************************************************************[ 验算结果 ]*******************************************************************[ 抗拔承载力验算结果 ]工况开挖深度破裂角支锚号支锚长度受拉荷载标准值抗拔承载力标准值抗拉承载力标准值安全系数(m) (度) (m) Nkj(kN) Rkj(kN) Rkj(kN) 抗拔抗拉1 1.560 50.3 02 2.760 51.2 1土钉 3.000 17.3 41.0 80.4 2.374 4.6583 2.760 51.2 1土钉 3.000 0.1 41.0 80.4 606.495 1189.7632土钉 5.000 14.4 104.3 80.4 7.238 5.5812锚杆 12.000 14.4 183.1 100.0 12.707 6.9404 3.960 52.2 1土钉 3.000 0.1 23.9 80.4 353.783 1189.7632土钉 5.000 56.0 86.2 80.4 1.540 1.4372锚杆 12.000 56.0 183.1 100.0 3.272 1.7875 3.960 52.2 1土钉 3.000 0.1 23.9 80.4 353.783 1189.7632土钉 5.000 21.3 86.2 80.4 4.050 3.7792锚杆 12.000 21.3 183.1 100.0 8.603 4.6993土钉 3.000 28.0 60.5 80.4 2.163 2.875[ 整体稳定验算结果 ]工况号安全系数圆心坐标x(m) 圆心坐标y(m) 半径(m)1 2.089 -2.652 11.165 9.1572 1.436 -6.625 11.411 12.1723 2.716 -6.625 11.411 12.1724 1.642 -10.456 11.038 15.2045 1.907 -10.456 11.038 15.204[ 喷射混凝土面层计算 ][ 计算参数 ]厚度: 80(mm)混凝土强度等级: C20配筋计算as: 30(mm)水平配筋: d6@200竖向配筋: d6@200配筋计算as: 30荷载分项系数: 1.200[ 计算结果 ]编号深度范围荷载值(kPa) 轴向 M(kN.m) As(mm^2) 实配As(mm^2)1 0.00 1.20 0.0 x 0.000 135.0(构造) 141.4y 0.000 135.0(构造) 141.42 1.20 2.40 3.6 x 0.174 135.0(构造) 141.4y 0.291 135.0(构造) 141.4 3 2.40 3.60 21.0 x 1.012 135.0(构造) 141.4 y 1.697 135.0(构造) 141.4 4 3.60 3.96 25.8 x 0.000 135.0(构造) 141.4 y 0.417 135.0(构造) 141.4。
土钉墙支护计算书计算依据:1、《建筑基坑支护技术规程》JGJ120-20122、《建筑施工计算手册》江正荣编著3、《实用土木工程手册》第三版文渊编著4、《施工现场设施安全设计计算手册》建民编著5、《地基与基础》第三版土钉墙需要计算其土钉的抗拉承载力和土钉墙的整体稳定性。
一、参数信息1、基本参数2、荷载参数3、土层参数4、土钉墙布置数据放坡参数:土钉参数:5、计算系数二、土钉承载力计算K a1=tan2(45°- φ1/2)= tan2(45-18/2)=0.528;K a2=tan2(45°- φ2/2)= tan2(45-18/2)=0.528;K a3=tan2(45°- φ3/2)= tan2(45-14/2)=0.61;K a4=tan2(45°- φ4/2)= tan2(45-14/2)=0.61;K a5=tan2(45°- φ5/2)= tan2(45-20/2)=0.49;第1层土:0-1.2m(+0)H1'=[∑γ0h0]/γi=[0]/18=0m]/18=0mP ak1上=γ1H1'K a1-2c1K a10.5=18×0×0.528-2×12×0.5280.5=-17.439kN/m2P ak1下=γ1(h1+H1')K a1-2c1K a10.5=18×(1.2+0)×0.528-2×12×0.5280.5=-6.034kN/m2第2层土:1.2-3m(+0)H2'=[∑γ1h1]/γsati=[21.6]/20=1.08m]/20=1.08mP ak2上=[γsat2H2'-γw(∑h1-h a)]K a2-2c2K a20.5+γw(∑h1-h a)=[20×1.08-10×(1.2-1.2)]×0.528-2×12×0.5280.5 +10×(1.2-1.2)=-6.034kN/m2P ak2下=[γsat2(H2'+h2)-γw(∑h1-h a)]K a2-2c2K a20.5+γw(∑h1-h a)=[20×(1.08+1.8)-10×(3-1.2)]×0.528-2×12×0.5280.5+10×(3-1.2)=21.47kN/m2第3层土:3-4m(+0)H3'=[∑γ2h2]/γsati=[57.6]/19=3.032m]/19=3.032mP ak3上=[γsat3H3'-γw(∑h2-h a)]K a3-2c3K a30.5+γw(∑h2-h a)=[19×3.032-10×(3-1.2)]×0.61-2×10×0.610.5+10×(3-1.2)=26.54kN/m2P ak3下=[γsat3(H3'+h3)-γw(∑h2-h a)]K a3-2c3K a30.5+γw(∑h2-h a)=[19×(3.032+1)-10×(4-1.2)]×0.61-2×10×0.610.5+10×(4-1.2)=42.03kN/m2第4层土:4-6.5m(+0)H4'=[∑γ3h3]/γsati=[76.6]/19=4.032m]/19=4.032mP ak4上=[γsat4H4'-γw(∑h3-h a)]K a4-2c4K a40.5+γw(∑h3-h a)=[19×4.032-10×(4-1.2)]×0.61-2×10×0.610.5+10×(4-1.2)=42.03kN/m2P ak4下=[γsat4(H4'+h4)-γw(∑h3-h a)]K a4-2c4K a40.5+γw(∑h3-h a)=[19×(4.032+2.5)-10×(6.5-1.2)]×0.61-2×10×0.610.5+10×(6.5-1.2)=80.755kN/m2第5层土:6.5-9m(+0)H5'=[∑γ4h4]/γsati=[124.1]/22=5.641m]/22=5.641mP ak5上=[γsat5H5'-γw(∑h4-h a)]K a5-2c5K a50.5+γw(∑h4-h a)=[22×5.641-10×(6.5-1.2)]×0.49-2×18×0.490.5+ 10×(6.5-1.2)=62.64kN/m2P ak5下=[γsat5(H5'+h5)-γw(∑h4-h a)]K a5-2c5K a50.5+γw(∑h4-h a)=[22×(5.641+2.5)-10×(9-1.2)]×0.49-2×18×0.490.5+10×(9-1.2)=102.34kN/m21)水平荷载临界深度:Z0=P ak2下h2/(P ak2上+ P ak2下)=21.47×1.8/(6.034+21.47)=1.405m;第1层土E ak1=0kN;第2层土E ak2=0.5P ak2下Z0b a=0.5×21.47×1.405×1=15.083kN;a a2=Z0/3+∑h3=1.405/3+6=6.468m;第3层土E ak3=h3(P a3上+P a3下)b a/2=1×(26.54+42.03)×1/2=34.285kN;a a3=h3(2P a3上+P a3下)/(3P a3上+3P a3下)+∑h4=1×(2×26.54+42.03)/(3×26.54+3×42.03)+5=5.462m;第4层土E ak4=h4(P a4上+P a4下)b a/2=2.5×(42.03+80.755)×1/2=153.481kN;a a4=h4(2P a4上+P a4下)/(3P a4上+3P a4下)+∑h5=2.5×(2×42.03+80.755)/(3×42.03+3×80.755)+2.5=3.619m;第5层土E ak5=h5(P a5上+P a5下)b a/2=2.5×(62.64+102.34)×1/2=206.225kN;a a5=h5(2P a5上+P a5下)/(3P a5上+3P a5下)=2.5×(2×62.64+102.34)/(3×62.64+3×102.34)=1.15m;土压力合力:E ak=ΣE aki=0+15.083+34.285+153.481+206.225=409.074kN;合力作用点:a a=Σ(a ai E aki)/E ak=(0×0+6.468×15.083+5.462×34.285+3.619×153.481+1.15×206.225)/409.074 =2.634m;1、单根土钉的轴向拉力标准值N k,j:N k,j=ζηj P ak,j S xj S zj/cosαj其中ζ--荷载折减系数ηj--第j层土钉轴向拉力调整系数P ak,j--第j层土钉处的主动土压力强度标准值S xj、S zj--土钉之间的水平与垂直距离αj--土钉与水平面的夹角N j=γ0γF N k,j=1×1.25×1.962=2.452kN≤f y A s=400×314=125.6kN满足要求!R k,j/N k,j=19.201/1.962=9.786≥K t=1.6满足要求!三、土钉墙整体稳定性的计算根据《建筑基坑支护技术规程》JGJ120-2012要求,土钉墙应根据施工期间不同开挖深度及基坑底面以下可能滑动面采用圆弧滑动简单条分法如下图,按照下式进行整体稳定性验算:圆弧滑动法示意图公式中:c j、φj──第j土条滑弧面处土的粘聚力(kPa)、摩擦角(°);b j──第j土条的宽度(m);θj──第j土条滑弧面中点处的法线与垂直面的夹角(°);l j──第j土条的滑弧段长度(m),取l j=b j/cosθj;q j──作用在第j土条上的附加分布荷载标准值(kPa) ;ΔG j──第j土条的自重(kN),按天然重度计算;u j──第j土条在滑弧面上的孔隙水压力(kPa),采用落底式截水帷幕时,对地下水位以下的砂土、碎石土、粉土,在基坑外侧,可取u j=γw h waj,在基坑侧,可取u j=γw h wpj;滑弧面在地下水位以上或对地下水位以下的粘性土,取u j=0;γw──地下水重度(kN/m3);h waj──基坑外侧第j土条滑弧面中点的压力水头(m);h wpj──基坑侧第j土条滑弧面中点的压力水头(m);Rˊk,k──第k根土钉在圆弧滑动面以外的锚固段的极限抗拔承载力标准值与杆体受拉承载力标准值的较小值;αk──表示第k层土钉的倾角;θk──圆弧面在第k层土钉处的法线与垂直面的夹角;ψv──计算系数,取ψv=0.5sin(αk+θk)tanφ, φ表示的是第k层土钉与滑弧交点处土的摩擦角。
土钉墙支护计算计算书本计算书参照《建筑基坑支护技术规程》JGJ120-99 中国建筑工业出版《建筑施工计算手册》江正荣编著中国建筑工业、《实用土木工程手册》第三版文渊编著人民教同、《地基与基础》第三版中国建筑工业、《土力学》等相关文献进行编制。
土钉墙需要计算其土钉的抗拉承载力和土钉墙的整体稳定性。
一、参数信息:1、基本参数:侧壁安全级别:二级基坑开挖深度h(m):7.430;土钉墙计算宽度b'(m):100;土体的滑动摩擦系数按照tanφ计算,φ为坡角水平面所在土层的摩擦角;条分块数:/;不考虑地下水位影响;2、荷载参数:序号类型面荷载q(kPa) 基坑边线距离b0(m) 宽度b1(m)1 局布20.00 4.86 53、地质勘探数据如下::序号土名称土厚度坑壁土的重度γ 坑壁土的摩擦角φ 聚力C 极限摩擦阻力(m) (kN/m3) (°) (kPa) (kPa)1 填土 1.30 18.00 18.00 12.0080.002 粘性土 1.30 18.00 20.00 25.00100.003 粉土 3.10 19.00 25.00 18.00110.004 粘性土 1.20 18.00 20.00 25.00 100.005 粉砂 4.10 19.00 35.00 18.00 115.004、土钉墙布置数据:放坡参数:序号放坡高度(m) 放坡宽度(m) 平台宽度(m)1 7.43 3.00 100.00土钉数据:序号直径(mm) 长度(m) 入射角(度) 竖向间距(m) 水平间距(m)1 150 6.00 15.00 1.50 1.50二、土钉(含锚杆)抗拉承载力的计算:单根土钉受拉承载力计算,根据《建筑基坑支护技术规程》JGJ 120-99,R=1.25γ0T jk1、其中土钉受拉承载力标准值T jk按以下公式计算:T jk=ζe ajk s xj s zj/cosαj其中ζ--荷载折减系数e ajk--土钉的水平荷载s xj、s zj --土钉之间的水平与垂直距离αj--土钉与水平面的夹角ζ按下式计算:ζ=tan[(β-φk)/2](1/(tan((β+φk)/2))-1/tanβ)/tan2(45°-φ/2)其中β--土钉墙坡面与水平面的夹角。
土钉墙支护计算书一、计算依据1、《建筑基坑支护技术规程》JGJ120-20122、《建筑施工计算手册》江正荣编著3、《实用土木工程手册》第三版文渊编著4、《施工现场设施安全设计计算手册》建民编著二、计算参数序号 直径d(mm) 长度l(m)入射角α(°)横向间距Sx(m)竖向间距Sz(m) 土钉杆体材料 杆体截面积As(mm 2) 抗拉强度标准值fyk(N/mm 2) 抗拉强度设计值fy(N/mm 2)1 2 120 1206 715 151 11.5 3钢筋 钢管314 314400 400360 360三、土钉承载力计算1、主动土压力计算剖面图1)主动土压力系数Kai=tan 2(45°- φi/2)第1层土:Ka1=tan2(45°-18/2)=0.527864 第2层土:Ka2=tan2(45°-12/2)=0.65575 第3层土:Ka3=tan2(45°-20/2)=0.490291 2)土压力、地下水产生的水平荷载各层土所受的土压力:(1)地表处:Pak1上=qKa1-2c1Ka10.5=10*0.527864-2*12*0.5278640.5=-12.1584kN/m2(2)第2层土:Pak2上=(q+γ1*h1)Ka1-2c1Ka10.5=46*0.527864-2*12*0.5278640.5=6.84473kN/m2Pak2下=(q+γ1*h1)Ka2-2c2Ka20.5=46*0.65575-2*10*0.655750.5=13.9688kN/m2(3)第3层土:P ak3=(q+γ1*h1+γ2*h2)Ka2-2c2Ka20.5=112*0.65575-2*10*0.655750.5=57.2483kN/m23)水平荷载(1)第1层土:E ak1=h1Pak1ba/1=2*-12.1584*1/1=-24.3168kN(2)第2层土:E ak2=h2(Pak2上+Pak2下)ba/2=2*(6.84473+13.9688)*1/2=20.8136kN(3)第3层土:E ak3=h3Pak3ba/3=3*57.2483*1/3=57.2483kN土压力合力:E ak =ΣEaki=53.7451kN2、单根土钉的轴向拉力标准值Nk,j:由公式JGJ120-2012 5.2.2公式得:Nk,j=ζηjPak,jSxjSzj/cosαjφak =(φ1h1+φ2h1+...+φihi)/h=24ζ=tan((β-φak )/2)(1/tan((β+φak)/2))-1/tan(β))/tan2(45°-φak/2)=0.199964ΝΑ¶¤1:S x1=1 Sz1=1.5N k1=ζη1Pak1Sx1Sz1/cos(α1)=4.62022N 1=γγFNk,1=5.77527N 1=5.77527≤fy*As=113.04kNΒϊΧγΗσΝΑ¶¤2:S x2=1 Sz2=3N k2=¦Ζ¦Η2Pak2Sx2Sz2/cos(α2)=28.4169N 2=γγFNk,2=35.5211N 2=35.5211≤fy*As=113.04kNΒϊΧγΗσ3、单根土钉的极限抗拔承载力计算:如图计算可知:——根据建筑基坑支护技术规程JGJ120-2012,表5.2.5取值故Rk,j=πdji故极限抗拔承载力为Rk,j/Nk,j土钉1:L1=2.43867Rk,1=110323土钉2:L2=1.39353Rk,2=173365序号Rk,j /Nk,jNj(kN) fyAs(kN) 抗拔安全性抗拉安全性1 2 23878.36100.765.7752735.5211113.04113.04满足要求满足要求满足要求满足要求四、抗滑动与抗倾覆稳定性验算1)抗滑动稳定性验算δ=φ/3=5.55556B=0.6H-0.8H,取B=0.7H=0.7*5=3.5W=γHB=350kNσ=(W+qB)/A=385f=τ=σtanφ+c=116.261由公式,抗滑移安全系数计算得:γ=(qB+W+Ea sinδ)f/Eacosδ=487.062≥1.3满足要求2)抗倾覆稳定性验算抗倾覆安全系数按以下公式计算,由下式确定γt =3B(qB+W+2Easinδ)/2*H*Eacosδ=4.50097≥1.3满足要求。
土钉墙支护计算计算(准确)土钉墙支护计算计算书本计算书参照《建筑基坑支护技术规程》 JGJ120-99 中国建筑工业出版社出版《建筑施工计算手册》江正荣编著中国建筑工业出版社、《实用土木工程手册》第三版杨文渊编著人民教同出版社、《地基与基础》第三版中国建筑工业出版社、《土力学》等相关文献进行编制。
土钉墙需要计算其土钉的抗拉承载力和土钉墙的整体稳定性。
一、参数信息:1、基本参数:侧壁安全级别:二级基坑开挖深度h(m):7.430;土钉墙计算宽度b'(m):100;土体的滑动摩擦系数按照tanφ计算,φ为坡角水平面所在土层内的内摩擦角;条分块数:/;不考虑地下水位影响;2、荷载参数:序号类型面荷载q(kPa) 基坑边线距离b0(m) 宽度b1(m)1 局布 20.00 4.86 53、地质勘探数据如下::序号土名称土厚度坑壁土的重度γ 坑壁土的内摩擦角φ 内聚力C 极限摩擦阻力 (m) (kN/m3) (°) (kPa) (kPa)1 填土 1.30 18.00 18.00 12.00 80.002 粘性土 1.30 18.00 20.00 25.00 100.003 粉土 3.10 19.00 25.00 18.00 110.004 粘性土 1.20 18.00 20.00 25.00 100.005 粉砂 4.10 19.00 35.00 18.00 115.004、土钉墙布置数据:放坡参数:序号放坡高度(m) 放坡宽度(m) 平台宽度(m)1 7.43 3.00 100.00土钉数据:序号直径(mm) 长度(m) 入射角(度) 竖向间距(m) 水平间距(m)1 150 6.00 15.00 1.50 1.50二、土钉(含锚杆)抗拉承载力的计算:单根土钉受拉承载力计算,根据《建筑基坑支护技术规程》JGJ 120-99,R=1.25γ0T jk1、其中土钉受拉承载力标准值T jk按以下公式计算:T jk=ζe ajk s xj s zj/cosαj其中ζ--荷载折减系数e ajk--土钉的水平荷载s xj、s zj--土钉之间的水平与垂直距离αj--土钉与水平面的夹角ζ按下式计算:ζ=tan[(β-φk)/2](1/(tan((β+φk)/2))-1/tanβ)/tan2(45°-φ/2)其中β--土钉墙坡面与水平面的夹角。
土钉墙支护计算书永昌县同人商贸影视城工程;属于框架;地上5层;地下1层;建筑高度:32m;标准层层高:4.5m ;总建筑面积:17590平方米;总工期:500天;施工单位:金昌市隆凯建筑安装工程有限公司本工程由永昌县万安房地产开发有限公司投资建设,华诚博远(北京)建筑规划设计有限公司设计,兰州岩土华夏有限公司勘察,金昌恒业建设工程监理有限公司监理,金昌市隆凯建筑安装工程有限公司组织施工;由李玉龙担任项目经理,张得文担任技术负责人。
本计算书参照《建筑基坑支护技术规程》JGJ120-2012 中国建筑工业出版社出版《建筑施工计算手册》江正荣编著中国建筑工业出版社、《实用土木工程手册》第三版杨文渊编著人民教同出版社、《地基与基础》第三版中国建筑工业出版社、《土力学》等相关文献进行编制。
土钉墙需要计算其土钉的抗拉承载力和土钉墙的整体稳定性。
一、参数信息:1、基本参数:侧壁安全级别:一级基坑开挖深度h(m):10.000;土钉墙计算宽度b'(m):30.00;土体的滑动摩擦系数按照tanφ计算,φ为坡角水平面所在土层内的内摩擦角;条分块数:20;不考虑地下水位影响;2、荷载参数:序号类型面荷载q(kPa) 基坑边线距离b0(m) 宽度b1(m)1 满布15.00 -- --3、地质勘探数据如下::序号土名称土厚度坑壁土的重度γ 坑壁土的内摩擦角φ 内聚力C 极限摩擦阻力饱和重度(m) (kN/m3) (°) (kPa) (kPa) (kN/m3)1 杂填土 1.60 18.00 30.00 15.00 112.00 1.002 角砾层 2.6 19.00 30.00 5.50 112.00 1.003 粉砂 2.30 19.50 30.50 30.00 112.00 20.004 角砾 1.40 21.50 37.50 12.50 112.00 1.00放坡参数:序号放坡高度(m) 放坡宽度(m) 平台宽度(m)1 9.00 4.00 30.00土钉数据:序号孔径(mm) 长度(m) 入射角(度) 竖向间距(m) 水平间距(m)1 50.00 9.00 15.00 1.40 1.502 50.00 9.00 15.00 1.40 1.503 50.00 7.00 15.00 1.40 1.504 50.00 7.00 15.00 1.40 1.505 50.00 7.00 15.00 1.40 1.506 50.00 7.00 15.00 1.40 1.507 50.00 7.00 15.00 1.40 1.50二、土钉(含锚杆)抗拉承载力的计算:单根土钉受拉承载力计算,根据《建筑基坑支护技术规程》JGJ 120-2012,R=1.25γ0T jk1、其中土钉受拉承载力标准值T jk按以下公式计算:T jk=ζe ajk s xj s zj/cosαj其中ζ--荷载折减系数e ajk --土钉的水平荷载s xj、s zj--土钉之间的水平与垂直距离αj--土钉与水平面的夹角ζ按下式计算:ζ=tan[(β-φk)/2](1/(tan((β+φk)/2))-1/tanβ)/tan2(45°-φ/2)其中β--土钉墙坡面与水平面的夹角。
错误!未定义书签。
目录1.工程概况 (1)2.求土钉所受土体侧压力p (1)3.求土钉所受的拉力N (2)4。
求土钉长度L (2)5.求土钉钢筋直径d (3)6.边坡喷混凝土面层计算 (4)7。
边坡稳定性验算 (6)7.1外部整体稳定性验算 (6)7.2内部整体稳定性验算 (7)8。
基坑分层开挖高度计算 (9)1。
工程概况[例]基坑开挖深度H=7.4m ,土钉孔径d 0=0.1m ,土质为一般粘性土,呈坚硬状态,土的内摩擦角ψ=25°,土的粘聚力c=18 kPa 土钉与土体之间的界面粘结强度г=50 kPa ,土的重度γ=19 kN/m 3,地面超荷载q=20 kN/m 2,试求土钉所受的拉力,土钉长度、直径、边坡喷混凝土厚度及配筋并进行边坡稳定性验算.2。
求土钉所受土体侧压力p公式:c 18==0.130.05197.4H γ⨯> 对于c0.05Hγ≤的砂土和粉土 即: P=0。
55 Ka γH 对于c0.05Hγ>的一般黏性土 即: P 1=0.552c- a 1a K H H K Ka H ⎛ ≤⎝γγγ黏性土P 1 的取值不小于0.2γH已知式中,2a=tan 45-=2K ϕ⎛⎫︒ ⎪⎝⎭0.4060.637侧 压P 1=21810.4061-7.47.40.637=⨯⎛⎫⨯⨯⨯⨯ ⎪⨯⎝⎭191934.14 kN/㎡侧 压P q =Ka ∙q=0.406×20=8。
12 kN/㎡ 侧压力P= P 1+P q =34.14+8.12=42。
26 kN/㎡ 3。
求土钉所受的拉力N 公式: 1=pS S cos X Y N θΘ为土钉的倾角,取10°;S X 为土钉水平间距,取1.0m ;S Y 为土钉水竖向距,取1。
4m.1-41=42.26 1.0 1.4=cos10N ⨯⨯⨯60。
08 kN51=42.26 1.0 1.1=cos10N ⨯⨯⨯47。
16 kN4.求土钉长度L 公式: L=L 1+La土钉支护布置如图,取土钉的局部稳定性安全系数Fsd =1。
土钉墙构造土钉墙基坑开外为9m,土钉墙墙面坡度为1∶0.75;选择土钉的间距为1.2m×1.2m,与水平面夹角为15°;钢筋为Ⅱ级(335),土钉为7层, 经计算土钉选择如下表所示:土强度等级为C25,面层厚度为100mm。
土钉墙计算书:计算模型基本参数:所依据的规程或方法:《建筑基坑支护技术规程》JGJ 120-99基坑深度: 9.000(m)基坑内地下水深度: 9.500(m)基坑外地下水深度: 9.500(m)基坑侧壁重要性系数: 1.000土钉荷载分项系数: 1.250土钉抗拉抗力分项系数: 1.300整体滑动分项系数: 1.300坡线参数坡线段数 1序号水平投影(m) 竖向投影(m) 倾角(°)1 5.196 9.000 60.0土层参数土层层数 3序号土类型土层厚容重饱和容重粘聚力内摩擦角钉土摩阻力锚杆土摩阻力水土(m) (kN/m^3) (kN/m^3) (kPa) (度) (kPa) (kPa)1 杂填土 5.500 17.5 20.1 0.0 0.0 60.0 20.0 合算2 卵石 1.500 20.0 20.0 0.0 28.0 60.0 100.0 分算3 碎石 7.000 21.5 20.5 10.0 15.0 80.0 200.0 分算超载参数超载数 1序号超载类型超载值(kN/m) 作用深度(m) 作用宽度(m) 距坑边线距离(m) 形式长度(m)1 满布均布 10.000土钉参数土钉道数 7序号水平间距(m) 垂直间距(m) 入射角度(度) 钻孔直径(mm)1 1.200 1.200 15.0 1002 1.200 1.200 15.0 1003 1.200 1.200 15.0 1004 1.200 1.200 15.0 1005 1.200 1.200 15.0 1006 1.200 1.200 15.0 1007 1.200 1.200 15.0 100设计结果局部抗拉设计结果工况开挖深度破裂角土钉号设计长度最大长度(工况) 拉力标准值拉力设计值(m) (度) (m) (m) Tjk(kN)Tj(kN)1 1.700 30.0 02 2.900 30.0 1 8.713 8.713( 2) 85.03 4.100 30.0 1 5.677 8.713( 2) 38.4 48.02 5.843 5.843( 3) 51.7 64.64 5.300 30.0 1 6.657 8.713( 2) 38.4 48.02 6.823 6.823( 4) 51.7 64.63 7.643 7.643( 4) 72.6 90.75 6.500 32.2 1 6.988 8.713( 2) 35.8 44.82 7.175 7.175( 5) 48.2 60.33 7.972 7.972( 5) 67.7 84.74 8.702 8.702( 5) 87.2 109.06 7.700 33.4 1 7.453 8.713( 2) 34.3 42.92 7.649 7.649( 6) 46.2 57.83 8.430 8.430( 6) 64.9 81.14 9.033 9.033( 6) 83.6 104.55 4.583 4.583( 6) 42.37 8.900 34.0 1 8.079 8.713( 2) 33.7 42.12 8.278 8.278( 7) 45.4 56.73 9.051 9.051( 7) 63.7 79.64 9.493 9.493( 7) 82.0 102.55 5.111 5.111( 7) 41.5 51.96 4.670 4.670( 7) 54.6 68.28 9.000 34.0 1 8.132 8.713( 2) 33.6 42.12 8.331 8.331( 8) 45.3 56.63 9.103 9.103( 8) 63.6 79.54 9.532 9.532( 8) 81.9 102.35 5.155 5.155( 8) 41.4 51.86 4.729 4.729( 8) 54.5 68.17 5.054 5.054( 8) 71.9 89.9内部稳定设计结果工况号安全系数圆心坐标x(m) 圆心坐标y(m) 半径(m) 土钉号土钉长度1 0.000 -265.115 969.315 999.0052 1.318 -269.724 967.019 999.0141 10.7133 1.329 -253.069 970.601 999.0301 11.2132 11.3314 1.315 -256.785 968.614 999.0491 12.7132 12.3313 12.6035 1.605 -252.871 969.491 999.0541 12.7132 12.3313 12.6034 9.5326 4.462 -57.375 49.093 75.1231 12.7132 12.3313 12.6034 9.5325 5.1557 1.742 -25.691 31.290 40.4451 12.7132 12.3313 12.6034 9.5325 5.1556 4.7298 1.991 -25.149 30.410 39.4621 12.7132 12.3313 12.6034 9.5325 5.1556 4.7297 5.054土钉选筋计算结果土钉号土钉拉力(抗拉) 土钉拉力(稳定) 计算钢筋面积配筋配筋面积1 106.2 225.1 750.2 1Φ32 804.22 64.6 219.8 732.8 1Φ32 804.23 90.7 227.5 758.2 1Φ32 804.24 109.0 172.6 575.4 1Φ28 615.85 52.9 101.8 339.4 1Φ22 380.16 68.2 99.7 332.3 1Φ22 380.17 89.9 119.8 399.4 1Φ25 490.9喷射混凝土面层计算计算参数厚度: 100(mm)混凝土强度等级: C25配筋计算as: 15(mm)水平配筋: φ10@200竖向配筋: φ10@200配筋计算as: 15荷载分项系数: 1.200计算结果编号深度范围荷载值(kPa) 轴向 M(kN.m) As(mm^2) 实配As(mm^2) 1 0.00~ 1.20 24.6 x 1.304 272.1(构造) 392.7y 1.304 272.1(构造) 392.72 1.20~ 2.40 49.8 x 2.639 272.1(构造) 392.7y 2.639 272.1(构造) 392.73 2.40~ 3.60 75.0 x 3.974 272.1(构造) 392.7y 3.974 272.1(构造) 392.74 3.60~ 4.80 100.2 x 5.310 307.3 392.7y 5.310 307.3 392.75 4.80~ 6.00 90.2 x 4.778 275.6 392.7y 4.778 275.6 392.76 6.00~ 7.20 58.8 x 3.116 272.1(构造) 392.7y 3.116 272.1(构造) 392.77 7.20~ 8.40 90.0 x 4.769 275.1 392.7y 4.769 275.1 392.78 8.40~ 9.00 103.7 x 0.649 272.1(构造) 392.7y 3.602 272.1(构造) 392.7外部稳定计算参数所依据的规程:《建筑地基基础设计规范》GB50007-2002土钉墙计算宽度: 10.000(m)墙后地面的倾角: 0.0(度)墙背倾角: 90.0(度)土与墙背的摩擦角: 6.0(度)土与墙底的摩擦系数: 0.550墙趾距坡脚的距离: 0.000(m)墙底地基承载力: 400.0(kPa) 抗水平滑动安全系数: 1.300抗倾覆安全系数: 1.600外部稳定计算结果重力: 1272.7(kN)重心坐标: ( 6.087, 3.766)超载: 48.0(kN)超载作用点x坐标: 7.598(m)土压力: 565.7(kN)土压力作用点y坐标: 3.060(m)基底平均压力设计值 138.0(kPa) < 400.0基底边缘最大压力设计值 142.9(kPa) < 1.2*400.0 抗滑安全系数: 1.349 > 1.300抗倾覆安全系数: 5.055 > 1.600。
土钉墙支护计算书计算依据:1、《建筑基坑支护技术规程》JGJ120-20122、《建筑施工计算手册》江正荣编著3、《实用土木工程手册》第三版杨文渊编著4、《施工现场设施安全设计计算手册》谢建民编著5、《地基与基础》第三版土钉墙需要计算其土钉的抗拉承载力和土钉墙的整体稳定性。
一、参数信息1、基本参数2、荷载参数3、土层参数4、土钉墙布置数据放坡参数:土钉参数:5、计算系数二、土钉承载力计算K a1=tan2(45°- φ1/2)= tan2(45-18/2)=0.528;K a2=tan2(45°- φ2/2)= tan2(45-18/2)=0.528;K a3=tan2(45°- φ3/2)= tan2(45-14/2)=0.61;K a4=tan2(45°- φ4/2)= tan2(45-14/2)=0.61;K a5=tan2(45°- φ5/2)= tan2(45-20/2)=0.49;第1层土:0-1.2m(+0)H1'=[∑γ0h0]/γi=[0]/18=0m]/18=0mP ak1上=γ1H1'K a1-2c1K a10.5=18×0×0.528-2×12×0.5280.5=-17.439kN/m2P ak1下=γ1(h1+H1')K a1-2c1K a10.5=18×(1.2+0)×0.528-2×12×0.5280.5=-6.034kN/m2第2层土:1.2-3m(+0)H2'=[∑γ1h1]/γsati=[21.6]/20=1.08m]/20=1.08mP ak2上=[γsat2H2'-γw(∑h1-h a)]K a2-2c2K a20.5+γw(∑h1-h a)=[20×1.08-10×(1.2-1.2)]×0.528-2×12×0.5280.5 +10×(1.2-1.2)=-6.034kN/m2P ak2下=[γsat2(H2'+h2)-γw(∑h1-h a)]K a2-2c2K a20.5+γw(∑h1-h a)=[20×(1.08+1.8)-10×(3-1.2)]×0.528-2×12×0.5280.5+10×(3-1.2)=21.47kN/m2第3层土:3-4m(+0)H3'=[∑γ2h2]/γsati=[57.6]/19=3.032m]/19=3.032mP ak3上=[γsat3H3'-γw(∑h2-h a)]K a3-2c3K a30.5+γw(∑h2-h a)=[19×3.032-10×(3-1.2)]×0.61-2×10×0.610.5+10×(3-1.2)=26.54kN/m2P ak3下=[γsat3(H3'+h3)-γw(∑h2-h a)]K a3-2c3K a30.5+γw(∑h2-h a)=[19×(3.032+1)-10×(4-1.2)]×0.61-2×10×0.610.5+10×(4-1.2)=42.03kN/m2第4层土:4-6.5m(+0)H4'=[∑γ3h3]/γsati=[76.6]/19=4.032m]/19=4.032mP ak4上=[γsat4H4'-γw(∑h3-h a)]K a4-2c4K a40.5+γw(∑h3-h a)=[19×4.032-10×(4-1.2)]×0.61-2×10×0.610.5+10×(4-1.2)=42.03kN/m2P ak4下=[γsat4(H4'+h4)-γw(∑h3-h a)]K a4-2c4K a40.5+γw(∑h3-h a)=[19×(4.032+2.5)-10×(6.5-1.2)]×0.61-2×1 0×0.610.5+10×(6.5-1.2)=80.755kN/m2第5层土:6.5-9m(+0)H5'=[∑γ4h4]/γsati=[124.1]/22=5.641m]/22=5.641mP ak5上=[γsat5H5'-γw(∑h4-h a)]K a5-2c5K a50.5+γw(∑h4-h a)=[22×5.641-10×(6.5-1.2)]×0.49-2×18×0.490.5+ 10×(6.5-1.2)=62.64kN/m2P ak5下=[γsat5(H5'+h5)-γw(∑h4-h a)]K a5-2c5K a50.5+γw(∑h4-h a)=[22×(5.641+2.5)-10×(9-1.2)]×0.49-2×18×0.490.5+10×(9-1.2)=102.34kN/m21)水平荷载临界深度:Z0=P ak2下h2/(P ak2上+ P ak2下)=21.47×1.8/(6.034+21.47)=1.405m;第1层土E ak1=0kN;第2层土E ak2=0.5P ak2下Z0b a=0.5×21.47×1.405×1=15.083kN;a a2=Z0/3+∑h3=1.405/3+6=6.468m;第3层土E ak3=h3(P a3上+P a3下)b a/2=1×(26.54+42.03)×1/2=34.285kN;a a3=h3(2P a3上+P a3下)/(3P a3上+3P a3)+∑h4=1×(2×26.54+42.03)/(3×26.54+3×42.03)+5=5.462m;下第4层土E ak4=h4(P a4上+P a4下)b a/2=2.5×(42.03+80.755)×1/2=153.481kN;a a4=h4(2P a4上+P a4下)/(3P a4上+3P a4)+∑h5=2.5×(2×42.03+80.755)/(3×42.03+3×80.755)+2.5=3.619m;下第5层土E ak5=h5(P a5上+P a5下)b a/2=2.5×(62.64+102.34)×1/2=206.225kN;a a5=h5(2P a5上+P a5下)/(3P a5上+3P a5下)=2.5×(2×62.64+102.34)/(3×62.64+3×102.34)=1.15m;土压力合力:E ak=ΣE aki=0+15.083+34.285+153.481+206.225=409.074kN;合力作用点:a a=Σ(a ai E aki)/E ak=(0×0+6.468×15.083+5.462×34.285+3.619×153.481+1.15×206.225)/409.074=2. 634m;1、单根土钉的轴向拉力标准值N k,j:N k,j=ζηj P ak,j S xj S zj/cosαj其中ζ--荷载折减系数ηj--第j层土钉轴向拉力调整系数P ak,j--第j层土钉处的主动土压力强度标准值S xj、S zj--土钉之间的水平与垂直距离αj--土钉与水平面的夹角N j=γ0γF N k,j=1×1.25×1.962=2.452kN≤f y A s=400×314=125.6kN满足要求!R k,j/N k,j=19.201/1.962=9.786≥K t=1.6满足要求!三、土钉墙整体稳定性的计算根据《建筑基坑支护技术规程》JGJ120-2012要求,土钉墙应根据施工期间不同开挖深度及基坑底面以下可能滑动面采用圆弧滑动简单条分法如下图,按照下式进行整体稳定性验算:圆弧滑动法示意图公式中:c j、φj──第j土条滑弧面处土的粘聚力(kPa)、内摩擦角(°);b j──第j土条的宽度(m);θj──第j土条滑弧面中点处的法线与垂直面的夹角(°);l j──第j土条的滑弧段长度(m),取l j=b j/cosθj;q j──作用在第j土条上的附加分布荷载标准值(kPa) ;ΔG j──第j土条的自重(kN),按天然重度计算;u j──第j土条在滑弧面上的孔隙水压力(kPa),采用落底式截水帷幕时,对地下水位以下的砂土、碎石土、粉土,在基坑外侧,可取u j=γw h waj,在基坑内侧,可取u j=γw h wpj;滑弧面在地下水位以上或对地下水位以下的粘性土,取u j=0;γw──地下水重度(kN/m3);h waj──基坑外侧第j土条滑弧面中点的压力水头(m);h wpj──基坑内侧第j土条滑弧面中点的压力水头(m);Rˊk,k──第k根土钉在圆弧滑动面以外的锚固段的极限抗拔承载力标准值与杆体受拉承载力标准值的较小值;αk──表示第k层土钉的倾角;θk──圆弧面在第k层土钉处的法线与垂直面的夹角;ψv──计算系数,取ψv=0.5sin(αk+θk)tanφ, φ表示的是第k层土钉与滑弧交点处土的内摩擦角。
把各参数代入上面的公式,进行计算可得到如下结果:---------------------------------------------------------------------------------计算步数安全系数滑裂角(度) 圆心X(m) 圆心Y(m) 半径R(m) 第1步 1.341 33.653 0.001 2.228 2.228示意图如下:计算步数安全系数滑裂角(度) 圆心X(m) 圆心Y(m) 半径R(m) 第2步 1.345 33.653 0.003 4.457 4.457示意图如下:计算步数安全系数滑裂角(度) 圆心X(m) 圆心Y(m) 半径R(m) 第3步 1.306 33.653 0.004 6.685 6.685示意图如下:计算步数安全系数滑裂角(度) 圆心X(m) 圆心Y(m) 半径R(m) 第4步 1.457 33.653 0.006 8.914 8.914示意图如下:计算步数安全系数滑裂角(度) 圆心X(m) 圆心Y(m) 半径R(m) 第5步 1.599 33.653 0.007 11.142 11.142示意图如下:计算步数安全系数滑裂角(度) 圆心X(m) 圆心Y(m) 半径R(m) 第6步 1.491 33.653 0.009 13.371 13.371示意图如下:--------------------------------------------------------------------------------------计算结论如下:第1 步开挖内部整体稳定性安全系数γk= 1.341>=1.300 满足要求! [标高-1.500 m]第2 步开挖内部整体稳定性安全系数γk= 1.345>=1.300 满足要求! [标高-3.000 m]第3 步开挖内部整体稳定性安全系数γk= 1.306>=1.300 满足要求! [标高-4.500 m]第4 步开挖内部整体稳定性安全系数γk= 1.457>=1.300 满足要求! [标高-6.000 m]第5 步开挖内部整体稳定性安全系数γk= 1.599>=1.300 满足要求! [标高-7.500 m]第6 步开挖内部整体稳定性安全系数γk= 1.491> 1.300 满足要求! [标高-9.000 m]四、抗滑动及抗倾覆稳定性验算1)抗滑动稳定性验算抗滑动安全系数按下式计算:f'/E ah≥1.2式中,E ah为主动土压力的水平分量(kN);f'为墙底的抗滑阻力(kN),由下式计算求得:f'=μ(W+qB a S v)μ为土体的滑动摩擦系数;W为所计算土体自重(kN)q为坡顶面荷载(kN/m2);B a为荷载长度;S v为计算墙体的厚度,取土钉的一个水平间距进行计算1级坡:f'/E ah=1.511>1.200,满足要求!2)抗倾覆稳定性验算抗倾覆安全系数按以下公式计算:M G/M Q式中,M G--由墙体自重和地面荷载产生的抗倾覆力矩,由下式确定M G=W×B C×qB a×(B'-B+b×B a/2)其中,W为所计算土体自重(kN)其中,q为坡顶面荷载(kN/m2)B c为土体重心至o点的水平距离;B a为荷载在B范围内长度;b为荷载距基坑边线长度;B'为土钉墙计算宽度;M k--由主动土压力产生的倾覆力矩,由下式确定M k=E ah×l h其中,E ah为主动土压力的水平分量(kN);l h为主动土压力水平分量的合力点至通过墙趾O水平面的垂直距离。