最新变压器绕组变形检测仪说明书
- 格式:doc
- 大小:87.00 KB
- 文档页数:24
ZX-BRY变压器绕组变形测试仪使用说明书武汉国电中星电力设备有限公司重要提示1.使用之前,操作人员必须认真阅读本说明书。
2.本设备仅能用于变压器绕组变形频响法的测试。
3.与本设备无关的其他设备不得与本设备共用电源供电端子。
4.为防止发生电击危险,系统电源需提供可靠接地。
5.产品使用过程中,操作人员不得离开试验场地。
6.变压器铁心必须与外壳可靠接地。
测试仪外壳、测量阻抗外壳必须与变压器外壳可靠接地。
7.测试仪的“接地”没有连接正确前,请不要开始绕组变形测试。
8.试验前应将被试变压器线端充分放电。
9.使用前,请先检查测试仪的外观,检查电源开关位置是否在“关”的位置、各接线端子是否正常。
10.绕组变形测试应在解开变压器所有引线(包括架空线、封闭母线和电缆)的前提下进行,并使这些引线尽可能的远离变压器套管(周围接地体和金属悬浮物需离开变压器套20cm以上),尤其是与封闭母线连接的变压器。
11.测试时必须正确记录分接开关的位置。
应尽可能将被试变压器的分接开关放置在第1分接,特别对有载调压变压器,以获取较全面的绕组信息。
对于无载调压变压器,应保证每次测量在同一分接位置,便于比较。
12.应保证测量阻抗的接线钳与套管线夹紧密接触。
如果套管线夹上有导电膏或锈迹,必须使用砂布或干燥的棉布擦拭干净。
13.产品使用过程中,不得打开与测量无关的其他软件。
14.本产品采用通用操作系统,有系统中毒和崩溃的可能。
15.一旦发生系统异常,一般可以通过重新启动软件排除。
16.本产品不具有防水功能,不得在雨天露天使用。
17.仪器不用时放入包装箱,包装箱平时至于平放状态。
18.本产品报废后的处置需符合国家相关法律法规的要求处置。
19.用户如在阅读本说明书后仍有疑惑,请直接与本公司售后服务部门联系。
目录一、产品简介................................................... - 5 -二、产品特点................................................... - 5 -三、技术指标................................................... - 6 -四、测试分析软件主要特色....................................... - 6 -五、使用说明................................................... - 7 -六、试验接线................................................... - 7 -1. 面板介绍.................................................. - 7 -2. 绕组的接线方式............................................ - 8 -七、系统测试.................................................. - 11 -1. 启动“绕组变形测试系统”程序 ............................. - 11 -2. 频响法测试............................................... - 13 -3. 相关性分析............................................... - 13 -4. 报告导出................................................. - 13 -5. 报告打印................................................. - 14 -6. 远程连接................................................. - 14 -八、设备维护.................................................. - 14 -九、售后服务.................................................. - 14 -一、产品简介ZX-BRY变压器绕组变形测试仪用于测试6kV及以上电压等级电力变压器及其它特殊用途的变压器,电力变压器在运行或者运输过程中不可避免地要遭受各种故障短路电流的冲击或者物理撞击,在短路电流产生的强大电动力作用下,变压器绕组可能失去稳定性,导致局部扭曲、鼓包或移位等永久变形现象,这样将严重影响变压器的安全运行。
产品技术规范书设备名称:电力变压器绕组变形测试仪(频响法)型号:CYDT-20生产厂家:产品编码:品牌:一、概述:电力变压器绕组变形测试仪(频响法)根据对变压器内部绕组特征参数的测量,采用目前世界发达国家正在开发完善的内部故障频率响应分析(FRA)方法,能对变压器内部故障作出准确判断。
变压器设计制造完成后,其线圈和内部结构就确定下来,因此对一台多绕组的变压器线圈而言,如果电压等级相同、绕制方法相同,则每个线圈对应参数(Ci、Li)就应该是确定的。
因此每个线圈的频域特征响应也随之确定,对应的三相线圈之间其频率图谱具有一定可比性。
变压器在试验过程中发生匝间、相间短路,或在运输过程中发生冲撞,造成线圈相对位移,以及运行过程中在短路和故障状态下因电磁拉力造成线圈变形,就会使变压器绕组的分布参数发生变化。
进而影响并改变变压器原有的频域特征,即频率响应发生幅度变化和谐振频点偏移等。
并根据响应分析方法研制开发的变压器绕组测试仪,就是这样一种新颖的变压器内部故障无损检测设备。
它适用于63kV~500kV电力变压器的内部结构故障检测。
变压器绕组变形测试仪是将变压器内部绕组参数在不同频域的响应变化经量化处理后,根据其变化量值的大小、频响变化的幅度、区域和频响变化的趋势,来确定变压器内部绕组的变化程度,进而可以根据测量结果判断变压器是否已经受到严重破坏、是否需要进行大修。
对于运行中的变压器而言,无论过去是否保存有频域特征图,通过比较故障变压器线圈间特征图谱的差异,也可以对故障程度进行判断。
当然,如果保存有一套变压器原有的绕组特征图,更易对变压器的运行状况、事故后分析和维护检修提供更为精确有力的依据。
变压器绕组变形测试仪由笔记本电脑及单片机构成高精度测量系统,结构紧,操作简单,具有较完备的测试分析功能,对照使用说明书或经过短期培训即可自行操作使用。
二、主要技术特点1、采集控制采用高速、高集成化微处理器。
2、笔记本电脑与仪器之间通信USB接口。
DCBX-H变压器绕组变形测试仪使用说明书摘要产品型号:DAXZ系列产品名称:变压器绕组变形测试仪参考标准:DL/T911-2004生产厂家:武汉鼎升电力自动化有限责任公司参考阅读:/301/仪器概述:DCBX-H变压器绕组变形测试仪属于电力变压器的内部结构故障检测的必备工具1.该变压器绕组变形测试仪具有高分辨dB值测量2.该绕组变形测试仪具有高速、高集成化微处理器3.DDS专用数字高速扫频技术(美国)关键词电力变压器绕组变形测试仪、变压器绕组变形检测仪、变压器绕组变形测量仪、变压器绕组变形分析仪、绕组变形测试声明版权所有© 2014武汉鼎升电力自动化有限责任公司本使用说明书所提及的商标与名称,均属于其合法注册公司所有。
本使用说明书受著作权保护,所撰写的内容均为公司所有。
本使用说明书所提及的产品规格或相关信息,未经许可,任何单位或个人不得擅自仿制、复制、修改、传播或出版。
本使用说明书所提到的产品规格和资讯仅供参考,如有内容更新,恕不另行通知。
可随时查阅我公司官网:本使用说明书仅作为产品使用指导,所有陈述、信息等均不构成任何形式的担保。
服务承诺感谢您使用鼎升电力公司的产品。
在您初次使用该仪器前,请您详细地阅读此使用说明书,以便正确使用仪器,充分发挥其功能,并确保安全。
我们深信优质、系统、全面、快捷的服务是事业发展的基础。
经过多年的不断探索和进取,我们形成了“重客户、重质量"的服务理念。
以更好的产品质量,更完善的售后服务,全力打造技术领先、质量领先、服务领先的电力试验产品品牌企业。
构建良好的市场服务体系,为客户提供满意的售前、售后服务!安全要求为了避免可能发生的危险,请阅读下列安全注意事项。
本产品请使用我公司标配的附件。
防止火灾或电击危险,确保人生安全。
在使用本产品进行试验之前,请务必详细阅读产品使用说明书,按照产品规定试验环境和参数标准进行试验。
使用产品配套的保险丝。
只可使用符合本产品规定类型和额定值的保险丝。
DYBX-F变压器绕组变形测试仪产品使用说明书武汉得亚电力科技有限公司目录重要提示 (3)一系统简介 (3)系统简明操作流程 (5)二准备工作 (6)三试验接线 (6)3.1面板介绍 (6)3.2绕组的接线方式 (7)四系统测试 (9)4.1启动“绕组变形测试系统”程序 (9)4.2频响法测试 (10)4.3 相关性分析 (13)4.4数据回显 (13)4.5数据保存位置 (14)4.6报告保存位置 (14)五设备维护 (14)5.1基本维护 (14)5.2高级维护 (14)六订购与服务 (15)附录:变压器绕组变形测试仪软件安装作业指导书 (16)重要提示本说明书是变压器绕组变形测试仪的说明书,请认真阅读!使用之前,操作人员必须认真阅读本说明书。
本设备仅能用于变压器绕组变形频响法的测试。
与本设备无关的其他设备不得与本设备共用电源供电端子。
为防止发生电击危险,系统电源需提供可靠接地。
本设备使用过程中,操作人员不得离开试验场地。
变压器铁心必须与外壳可靠接地。
测试仪外壳、测量阻抗外壳必须与变压器外壳可靠接地。
本设备的“接地”没有连接正确前,请不要开始测试。
试验前应将被试变压器线端充分放电。
使用前,请先检查测试仪的外观,检查电源开关位置是否在“关”的位置、各接线端子是否正常。
绕组变形测试应在解开变压器所有引线(包括架空线、封闭母线和电缆)的前提下进行,并使这些引线尽可能的远离变压器套管(周围接地体和金属悬浮物需离开变压器套20cm 以上),尤其是与封闭母线连接的变压器。
测试时必须正确记录分接开关的位置。
应尽可能将被试变压器的分接开关放置在第1分接,特别对有载调压变压器,以获取较全面的绕组信息。
对于无载调压变压器,应保证每次测量在同一分接位置,便于比较。
应保证测量阻抗的接线钳与套管线夹紧密接触。
如果套管线夹上有导电膏或锈迹,必须使用砂布或干燥的棉布擦拭干净。
本设备使用过程中,不得打开与测量无关的其他软件。
变压器绕组变形综合测试仪低压电抗法部分操作说明HZBX-V变压器绕组变形综合测试仪由测量部分及分析软件部分组成,测量部分是由信号生成及信号测量组成,分析部分由笔记本电脑安装专用软件完成,测量部分通过网线(或USB线)与笔记本电脑连接。
仪器的用途及特点本仪器可进行电抗法绕组变形测试即低进行电压的短路阻抗测试;仪器也可用于变压器空载损耗以及负载损耗等参数测试。
在变压器出厂前及大修期间,变压器的空载、负载实验是变压器厂商及供电、用电部门检测变压器质量,降低供电损耗的重要实验项目。
根据客户实际需求及现场实验条件,由我公司自主研制的变压器参数测试仪,具有测试数据准确、可靠,人机界面对话直观,操作简便,携带方便等性能特点,是变压器特性测试的更新换代产品,更是电力部门及变压器厂家的理想检测设备。
仪器内部采用先进的多路A/D同步交流采样及数字信号处理技术,成功的解决了多路信号在市电条件下同步测量和计算的难题;可完全取代传统仪表使用,从而大大提高工作效率,减轻劳动强度。
本仪器通过计算机接口操控测量,采集数据。
2、性能概述2.1该仪器可通过计算机控制测试及显示数据。
2.2空载或负载测试数据在屏幕上一次全部显示;负载损耗数据不需人为换算,屏幕上直接显示根据绝缘的耐热等级需校正到的参考温度条件下负载损耗值;空载测试时,具有三相平均电压大于400V(二次电压)自动锁存功能,且能随时锁存、解锁数据。
2.3当测试电流≤200A,测试电压≤250V(相电压)时,该仪器可直接测试。
允许短时超载不大于量程的20%。
如需更大测试电流或电压,可外接CT或PT。
2.4数字同步跟踪锁定,全部数据均在同一周期内同步测量,保证在市电条件下测量结果的准确性和合理性。
2.5在仪器允许的测量范围内可直接测量,超出测量范围时可外接一次电压互感器或电流互感器。
3、面板及各键功能介绍l 输入A(黄色接线柱)、B(绿色接线柱)、C(红色接线柱):连接三相功率调压器输出端。
以下是SX系列变压器绕组变形测试仪(频响法)使用详解:电力行业标准:DL/T911-2016(代替DL/T911-2004)变压器绕组变形测试仪别称:电力变压器绕组变形测试仪、变压器绕组变形检测仪、变压器绕组变形测量仪、变压器绕组变形分析仪一、试验目的:检测变压器绕组是否发生扭曲,鼓包或位移等变形。
绕组变形一般指电力变压器绕组在短路电流冲击或在运输过程中遭受冲撞时,在电动力或机械力作用下发生的轴向或径向尺寸变化。
二、被试品:66kV—500kV电压等级变压器三、接线:1、红色钳的红绿色航插接设备“激励”和“参考”,为操作的“注入”端,2、黄色钳的黄色航插接设备“响应”,为操作的“测量”端;3、黑色钳接变压器地排;4、设备本体接地;5、红色钳接变压器注入,黄色钳接变压器测量;6、红色钳和黄色钳接变压器哪一端在操作时设备有提示。
(详情点击进入官网或来电咨询)四、操作说明:1、接好线后,进入响应测试,新建一次实验用来保存和分析实验数据,进入“新建”后,开始设置实验参数。
(白色框内设置项请依据被试品与现场环境填写)2、“接线套管”设置切换点选右侧按钮,一般根据被试变压器的实际情况来选择,以下图变压器为例,变压器联结组别为YND11,可以看出高压侧有中性点,低压侧没有中性点,接线套管我们选用高压侧“ABCO”,低压侧“abc”来进行测试。
3、“测试频段”默认为1K~1 MHZ_1.0 即测试频段为1KHZ 到1000KHZ 每1KHZ 记录一次,“输出电压”一般选20.0Vpp 输出电压越高,准确度越高。
4、点击确定进入实验操作界面按界面下方第一项接线,红色钳注入,黄色钳测试,点击“测量”,设备开始采集,结束后根据设备提示更换测量绕组继续测量。
5、结束后点击“保存”并返回,进入“数据分析”6、点选“数据组一”或“数据组二”一次最多打开两组保存的数据,然后点击“线性”或“对数”,以不同方式观察测量结果,点击“分析”设备自动分析所测数据是否合格,即变压器绕组三相一致性是否良好,以做出变压器绕组是否变形的结论。
HR1000变压器绕组变形测试仪使用说明书武汉机电仪表成套工程有限公司目录一、系统简介................................................................................................................................................- 1 -二、安全工作准则........................................................................................................................................- 2 -三、准备工作................................................................................................................................................- 3 -3.1采集仪器USB驱动安装 (3)3.2采集程序安装 (5)3.3USB通讯线 (5)3.4网络设置 (5)3.5被试变压器的准备 (6)四、试验接线................................................................................................................................................- 6 -4.1绕组的接线方式 (7)4.2试验的注意事项 (9)五、采集分析................................................................................................................................................- 9 -5.1启动“采集分析”程序 (9)5.2连接主机 (10)5.3采集分析 (11)5.3.1选择被试变压器......................................................................................................................- 11 -5.3.2选择数据采集模式..................................................................................................................- 13 -5.3.3采集数据.................................................................................................................................- 14 -5.3.4数据文件.................................................................................................................................- 16 -5.3.5打开数据文件..........................................................................................................................- 17 -5.3.6波形操作.................................................................................................................................- 19 -5.3.7清除曲线.................................................................................................................................- 20 -5.3.8修改曲线的显示颜色..............................................................................................................- 20 -5.3.9数据存储格式设置..................................................................................................................- 20 -5.3.10数据导入.................................................................................................................................- 21 -5.3.11数据库功能..............................................................................................................................- 21 -六、报告输出..............................................................................................................................................- 22 -6.1报告预览和报告打印 (22)6.2WORD报告文档 (22)七、修改和查看..........................................................................................................................................- 23 -7.1修改和查看铭牌数据文件 (23)7.2修改和查看测试设置数据文件 (24)八、设备维护..............................................................................................................................................- 24 -8.1基本维护 (24)8.2高级维护 (24)一、 系统简介变压器绕组变形测试仪(频响法)用于测试6KV及以上电压等级电力变压器及其它特殊用途的变压器,电力变压器在运行或者运输过程中不可避免地要遭受各种故障短路电流的冲击或者物理撞击,在短路电流产生的强大电动力作用下,变压器绕组可能失去稳定性,导致局部扭曲、鼓包或移位等永久变形现象,这样将严重影响变压器的安全运行。
尊敬的用户:感谢您购买本公司GDRB-B电力变压器绕组变形测试仪(频响法)。
在您初次使用该产品前,请您详细地阅读本使用说明书,将可帮助您熟练地使用本仪器。
我们的宗旨是不断地改进和完善公司的产品,如果您有不清楚之处,请与公司售后服务部联络,我们会尽快给您答复。
注意事项1、使用前,请先检查测试仪的外观,检查电源开关位置是否在“关”的位置、各接线端子是否正常。
2、变压器的测量接地没有连接正确前,请不要开始绕组变形测试。
3、试验前应将被试变压器线端充分放电。
4、绕组变形测试应在解开变压器所有引线(包括架空线、封闭母线和电缆)的前提下进行,并使这些引线尽可能的远离变压器套管(周围接地体和金属悬浮物需离开变压器套20cm以上),尤其是与封闭母线连接的变压器。
5、测试时必须正确记录分接开关的位置。
应尽可能将被试变压器的分接开关放置在第1分接,特别对有载调压变压器,以获取较全面的绕组信息。
对于无载调压变压器,应保证每次测量在同一分接位置,便于比较。
6、变压器铁芯必须与外壳可靠接地。
7、应保证测量接线钳与套管线夹紧密接触。
如果套管线夹上有导电膏或锈迹,必须使用砂布或干燥的棉布擦拭干净。
8、测量线正确使用:放线时应展开不要卷曲、收线时应平直绕成环形存放,测量夹子在测量结束时应与测量线脱开,避免在变压器上挂住,有损测量线。
9、测试使用过程中,不得打开与测试无关的其他软件。
10、测试仪不具有防水功能,不得在雨天露天使用。
11、测试仪及测试配件不用时放入包装箱,包装箱平时至于平放状态。
12、图片仅供参考,请以实物为准。
本手册内容如有更改,恕不通告。
没有国电西高的书面许可,本手册任何部分都不许以任何(电子的或机械的)形式、方法或以任何目的而进行传播。
目录一、仪器概述 (4)二、主要技术特点 (5)三、主要技术参数 (7)四、使用特点 (8)五、仪器使用方法 (9)六、三相Yn形测量接线 (12)七、三相Y形测量接线 (14)八、三相△形测量接线 (16)九、单相X、Y、Z测量接线 (18)十、PC测试软件的安装 (20)十一、PC测试软件的使用界面 (23)十二、PC测试软件使用流程 (29)十三、无线WIFI使用(选配件) (34)十四、无线蓝牙驱动安装(选配件) (38)十五、无线蓝牙测试软件使用(可选) (40)十六、试验程序及注意事项 (41)十七、生命周期 (42)GDRB-B电力变压器绕组变形测试仪(频响法)一、仪器概述变压器绕组变形测试仪根据对变压器内部绕组特征参数的测量,采用目前世界发达国家正在开发完善的内部故障频率响应分析(FRA)方法,能对变压器内部故障作出准确判断。
变压器绕组变形测试仪技术规范书一、总则1.本技术协议仅适用于变压器频响法和短路阻抗法绕组变形测试仪订货提出的功能、性能指标等方面的技术要求。
2.本变压器绕组变形测试仪技术条件提出的是最低限度的技术要求,并未对一切技术细节做出规定,也未充分引述有关标准和规范的条文,供方应提供符合本条件和相关标准的优质产品。
3.本变压器绕组变形测试仪技术条件所使用的标准如遇与供方所执行的标准不一致时,按较高标准执行。
二、变压器绕组变形测试仪设计、制造及试验所应遵循的国家和行业标准及规范除非另作特别规定,所有合同设备的设计、制造、检查、试验及特性都必须遵照版本的IEC标准、中国国家标准(GB)及电力行业(DL)标准。
如果这些标准内容矛盾时,应按最高标准的条款执行或按双方商定的标准执行。
GB1094.5-2003和IEC60076-5:2000DL/T1093-2022《电力变压器绕组变形的电抗法检测判断导则》三、主要功能要求:四、技术参数表1 技术参数响应表五、货物其他服务需求投标人所供货物必须提供出厂检测报告,若该货物在《中华人民共和国强制检定的工作计量器具检定管理办法》规定范围内,投标人需在供货前提供货物强检报告,以及提供在质保期内的强检服务。
六、供货日期合同签订后15日内到达用户指定地点落地交货。
如验收不合格,则由供方在7天内提供合格品更换。
特别说明:如因疫情防控期间,受人员、生产及物流等因素影响,供货期可相应延长至20个工作日。
七、安装与调试八、售后服务及质保1.供方负责对需方进行免费现场技术,学会为止。
培训包括设备性能与特点、使用、简单故障判断、排除方法等。
2.质保期为货物验收合格现场安装运行后12个月内,质保期内供方负责免费维修或更换。
4.售后服务:当需方发现故障自通知之日起3日内供方应派人到现场负责维修,终生保修。
5.供方应向需方提供必要的备品、备件,在执行后,供方也应向需方优惠提供备品、备件及服务。
TRB-2000变压器绕组变形测试系统使用说明厦门中唐电气有限公司目录一.使用安全须知 (1)二.前言 (2)三.变压器绕组变形测试系统的工作原理 (3)四.测试系统软件操作指南 (5)五.测试系统的硬件联接 (12)六.绕组变形测试注意事项 (14)七.绕组变形测试结果的分析判断 (14)八.故障处理及预防 (16)九.频响测试器与专用测试电缆线的使用 (19)十.各项技术指标 (20)一.使用安全须知1.测试系统应使用220V交流电源;2.测试系统在运输过程中应避免剧烈振动、冲撞或挤压;3.测试系统的维修应与制造商联系,由制造商解决。
用户不可自行拆卸;4.测试系统应在无强光直射、无强电磁场干扰、清洁干燥的环境下使用和保存;5.测试系统用于变压器绕组变形现场使用时,应确保处于与电网完全隔离状态;6.测试系统在现场运行过程中,联接或拆卸测量引线时,应确保测试系统测量引线中的接地线至少有一条良好接地,还应确认信号输出端已拔下;7.测试系统在现场使用时,应注意被试变压器本身的静电电压或感应电压;8.打印完成后,应保证喷墨打印机喷头退回原位后,方可断电;喷墨打印机不能长时间停用;9.测试完成后,应对测试结果进行安全备份,以防不测。
二.前言在电力变压器运行过程中,变压器出口短路故障对变压器的危害很大,常常造成变压器绕组的各种变形,影响变压器的正常运行,严重的还会导致变压器突发性损坏事故。
绕组变形以后的变压器有的立即发生损坏性事故,有的仍可安全运行一段时间,但留下的隐患不容忽视。
从变压器运行的实际情况看,变压器承受短路电流冲击以后,有时用常规的电气试验项目和绝缘油分析均在预防性试验规程所规定的范围内,但吊罩检查却发现绕组已明显变形,故电气、油化试验项目还不能有效地发现变压器绕组变形缺陷。
而吊罩整体检查,则停电时间长,耗费大量的人力、物力,并且受变压器绕组布臵方式的限制,一般只能看到高压绕组的情况,而位于高压绕组内部的中、低压绕组的变形情况却无法用目测确定,往往难以检测。
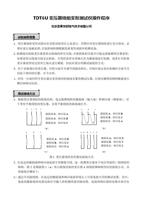
TDT6U 变压器绕组变形测试仪操作程序北京圣泰实时电气技术有限公司1、变压器绕组变形试验应在直阻试验项目之前进行,否则应对变压器绕组进行充分放电,必要时进行退磁处理,以免影响检测数据的重复性或损坏检测设备;2、检测前应拆除变压器套管出线端的所有引线,并使拆除的引线尽可能远离被测变压器套管;如果套管出线端引线无法拆除,可利用套管末屏抽头作为测量端进行检测,或者打开距离变压器套管较近的其它端头进行测量,但此时需注明测试接线的方式;3、对于有载调压的变压器,应把分接开关调节到最高档位,否则应保证每次检测时分接开关均处于相同的位置,并予注明。
4、对同一台或同型号变压器宜采用相同的接线布置和测试仪器,以便对测得的频响数据进行横向和纵向比较。
1、根据变压器绕组的联接结构,选定被测绕组的激励端(输入端)和响应端(测量端)。
对于带有平衡绕组的变压器,宜将平衡绕组的接地端打开。
A B C OA B C(a )(b ) A B C C B A ZY X (c ) (d )图1 变压器绕组变形测试接线方式2、在选定的激励端和响应端连接专用测量引线,逐一检测变压器各个电压等级的三相绕组的频响。
图2是测量图1(a )所示联接结构的变压器A 相绕组频响特性时的接线方式,具体接线步骤如下:1)通过专用接线钳,在选定的激励端和响应端套管端头上可靠连接专用的测试电缆,其中,连接到激励端的电缆包括信号输入和检测两条同轴电缆,连接到响应端的电缆内部含有激励端O ,响应端A激励端O ,响应端B激励端O ,响应端C 激励端A ,响应端B 激励端B ,响应端C 激励端C ,响应端A 激励端A ,响应端B 激励端B ,响应端C 激励端C ,响应端A 激励端A ,响应端X 激励端B ,响应端Y 激励端C ,响应端Z50欧姆电阻;2)通过专用的接地装置,把激励端和响应端测试电缆的屏蔽层就近联接到套管根部的金属法兰上,保证与变压器外壳可靠联接,且接地线不应缠绕;3)把连接到激励端的两条电缆对应连接到测试仪器的Vs和V1接口,把连接到响应端的电缆连接到测试仪的V2端口;图2:测量变压器A相绕组频响特性的接线1、变压器绕组变形检测须在直阻试验项目之前或者在变压器绕组得到充分放电(10小时以上)以后进行,否则将会影响检测数据的重复性甚至导致检测仪器损坏。
目录试验程序及注意事项 (5)第一章产品介绍 (6)1.1概述 (6)1.2仪器功能 (6)1.3执行标准 (7)1.4仪器特征 (7)1.5技术参数 (8)1.6面板结构 (9)第二章仪器接线方法 (10)1.接线方式概述 (10)2.三相 Yn形测量接线 (10)3.三相 Y形测量接线 (12)4.三相△形测量接线 (13)5.单相 X、Y、Z测量接线 (15)第三章配套工具软件使用说明 (18)1.配套工具软件使用环境和光盘文件介绍 (18)B驱动安装 (18)3无线蓝牙驱动安装(平板电脑配件) (20)第四章PC 测试软件使用界面介绍 (26)1菜单栏 (26)2浏览 (29)3测量 (30)第五章PC 测试软件的使用流程 (32)1设备连接 (32)2测量 (32)3调入数据文件 (33)4分析数据报告 (33)5无线蓝牙测试软件使用 (35)附录一、装箱清单 (37)试验程序及注意事项1.首先检查变压器接地状况是否良好,套管引线应全部解开。
2.详细记录被试品的铭牌数据及原始工况有否异常,以及被试品变压器当前测试状况下的分接开关位置,并仔细输入被试品情况登记窗。
3.根据被试品的情况建立被试品数据文件的子目录;测试完成后应将测量的数据备份至该目录下,并注意进行整理工作。
4.数据存放格式:文件是以 ASCII 码的形式存放,用户可用各种文字编辑软件进行阅读和修改。
5.对刚退出运行的变压器进行测量,测量前应尽量让其散热降温;但在整个测量过程中应停止对其所施的降温手段,保持温度,以免测量过程中温度变化过大而影响测量结果的一致性。
第一章产品介绍1.1 概述变压器绕组变形测试仪根据对变压器内部绕组特征参数的测量,采用目前世界发达国家正在开发完善的内部故障频率响应分析(FRA)方法,对变压器内部故障作出准确判断。
变压器设计制造完成后,其线圈和内部结构就确定下来,因此对一台多绕组的变压器线圈而言,如果电压等级相同、绕制方法相同,则每个线圈对应参数(Ci、Li)就应该是确定的。
变压器绕组变形检测仪说明书变压器绕组变形检测仪说明书质量保证本公司生产的产品,在发货之日起三个月内,如产品出现缺陷,实行包换。
一年(包括一年)内如产品出现缺陷,实行免费维修。
一年以上如产品出现缺陷,实行有偿终身维修。
安全事项非专业人员请勿拆开维修,以免触电及扩大故障范围!请勿拆下仪器的盖板:以免产生电击危险警告!为避免伤害人身及设备,使用测试仪前请先阅读“安全须知”和“警告”以及“注意”等相关资料的内容。
安全须知请遵循本手册的说明使用本测试仪,否则测试仪所提供的保护可能会受到损坏。
本手册中,警告是指对使用者构成危险的情况或操作。
小心是指对测试仪或被试变压器可能造成损坏的情况或操作。
注意是指对测试结果可能造成误差的情况或操作。
安全工作准则请参阅安全须知资料,并遵循下列说明的安全工作准则。
警告、小心和注意!为了避免人身伤害,同时为避免测试仪或被试变压器受到损坏,请遵循以下准则进行操作:使用前,请先检查测试仪的外观,检查电源开关位置是否在“关”的位置、各接线端子是否正常。
测试仪的“接地”没有连接正确前,请不要开始绕组变形测试。
试验前应将被试变压器线端充分放电。
绕组变形测试应在解开变压器所有引线(包括架空线、封闭母线和电缆)的前提下进行,并使这些引线尽可能的远离变压器套管(周围接地体和金属悬浮物需离开变压器套20cm以上),尤其是与封闭母线连接的变压器。
测试时必须正确记录分接开关的位置。
应尽可能将被试变压器的分接开关放置在第1分接,特别对有载调压变压器,以获取较全面的绕组信息。
对于无载调压变压器,应保证每次测量在同一分接位置,便于比较。
变压器铁心必须与外壳可靠接地。
测试仪外壳、测量阻抗外壳必须与变压器外壳可靠接地。
应保证测量阻抗的接线钳与套管线夹紧密接触。
如果套管线夹上有导电膏或锈迹,必须使用砂布或干燥的棉布擦拭干净。
目录一、仪器概述 (3)二、主要技术特点 (4)三、主要技术参数 (5)3.1 扫描方式 (5)3.2 其他技术参数 (5)四、使用特点 (6)五、仪器使用方法 (7)5.1仪器面板介绍 (7)5.1变压器的几种常用检测接线方式 (7)六、三相Yn形测量接线 (8)七、三相Y形测量接线 (9)八、三相△形测量接线 (11)九、单相X、Y、Z测量接线 (12)十、测试软件界面介绍 (14)十一、测试软件使用流程 (16)十二、试验程序及注意事项 (17)十三、变压器绕组变形试验作业指导书 (17)一、仪器概述变压器绕组变形频率响应测试仪根据对变压器内部绕组特征参数的测量,采用目前世界发达国家正在开发完善的内部故障频率响应分析(FRA)方法,能对变压器内部故障作出准确判断。
变压器设计制造完成后,其线圈和内部结构就确定下来,因此对一台多绕组的变压器线圈而言,如果电压等级相同、绕制方法相同,则每个线圈对应参数(Ci、Li)就应该是确定的。
因此每个线圈的频域特征响应也随之确定,对应的三相线圈之间其频率图谱具有一定可比性。
变压器在试验过程中发生匝间、相间短路,或在运输过程中发生冲撞,造成线圈相对位移,以及运行过程中在短路和故障状态下因电磁拉力造成线圈变形,就会使变压器绕组的分布参数发生变化。
进而影响并改变变压器原有的频域特征,即频率响应发生幅度变化和谐振频点偏移等。
并根据响应分析方法研制开发的HX021变压器绕组频率响应测试仪,就是这样一种新颖的变压器内部故障无损检测设备。
它适用于63kV~500kV电力变压器的内部结构故障检测。
变压器绕组变形频率响应测试仪是将变压器内部绕组参数在不同频域的响应变化经量化处理后,根据其变化量值的大小、频响变化的幅度、区域和频响变化的趋势,来确定变压器内部绕组的变化程度,进而可以根据测量结果判断变压器是否已经受到严重破坏、是否需要进行大修。
对于运行中的变压器而言,无论过去是否保存有频域特征图,通过比较故障变压器线圈间特征图谱的差异,也可以对故障程度进行判断。
当然,如果保存有一套变压器原有的绕组特征图,更易对变压器的运行状况、事故后分析和维护检修提供更为精确有力的依据。
变压器绕组变形频率响应测试仪由笔记本电脑及单片机构成高精度测量系统,结构紧凑,操作简单,具有较完备的测试分析功能,对照使用说明书或经过短期培训即可自行操作使用。
二、主要技术特点☆采集控制采用高速、高集成化微处理器。
☆ PC机与仪器之间USB通信接口。
☆硬件机芯采用DDS专用数字高速扫频技术(美国),通过测试可以准确诊断出绕组发生扭曲、鼓包、移位、倾斜、匝间短路变形及相间接触短路等故障。
☆高分辨dB值测量,双通道16位A/D(现场试验改变分接开关,即有明显输出变化)。
☆信号输出幅度可以软件调节,最大幅度峰值±10V。
☆计算机将检测结果生成电子文档(WORD)☆选用精密、高稳定元器件,对同一相重复试验,测量重复率在99.5%以上。
☆成品电路板,表面有特殊处理,具有抗水和有害气体污染。
☆笔记本电脑和测量仪器采用隔离电源供电,排除外界干扰。
☆仪器具有线性扫频测量和分段扫频测量双测量系统功能,兼容当前国内两种技术流派的测量模式☆幅频特性符合国家关于幅频特性测试仪的技术指标。
横坐标(频率)具有线性分度及对数分度两种,因此打印出的曲线可以是线性分度曲线也可以是对数分度曲线,用户可根据实际需要选用。
☆检测数据自动分析系统,横向比较A、B 、C三相之间进行绕组相似性比较,其结果为:①一致性很好②一致性较好③一致性较差④一致性很差,纵向比较A-A、B-B、C-C调取原数据与当前数据同相之间进行绕组变形比较,其结果为:①正常绕组②轻度变形③中度变形④严重变形。
☆自动生成Word电子文档,供保存和打印。
☆完全满足电力标准DL/T911-2004《电力变压器绕组变形的频率响应分析法》的技术条件。
三、主要技术参数3.1 扫描方式:(仪器具备线性扫频测量和分段扫频测量双测量系统)(1)线性扫描分布扫频测量范围:(1kHz)-(2MHz)、2000扫频点、分辨率为1kHz(2)分段扫频测量分布扫频测量范围:(0.5kHz)-(1MHz)、2000扫频点;(0.5kHz)-(10kHz)、分辨率为0.02kHz(10kHz)-(100kHz)、分辨率为0.2kHz(100kHz)-(500kHz)、分辨率为1kHz(500kHz)-(1000kHz)、分辨率为1kHz3.2 其他技术参数:◇幅度测量范围: (-100dB)–(+20dB)◇幅度测量精度: 0.1dB◇扫描频率精度: 小于0.01%◇信号输入阻抗: 1MΩ◇信号输出阻抗: 50Ω◇同相测试重复率:99.5%◇测量仪器尺寸(长宽高)345X250X120(mm)◇仪器铝合金包装箱尺寸(长宽高)425X335X215(mm)◇仪器附件铝合金箱尺寸(长宽高)425X335X150(mm)◇总体重量:10Kg四、使用特点4.1 变压器绕组变形频率响应测试仪仪由测量部分及分析软件部分组成,测量部分是高速单片机控制,由信号生成及信号测量组成,分析部分由笔记本电脑完成,测量部分由USB通用接口与笔记本电脑连接,即插即用,使用方便。
4.2 在测试过程中仅需要拆除变压器的连接母线,不需要对变压器进行吊罩、拆装的情况下就完成所有测试。
4.3仪器具备线形扫频测量和分段扫频测量双系统测量功能,兼容当前国内两种技术流派的测量模式。
其中线形扫频测量扫描频率高达2MHz,对变压器变形情况提供更多的分析。
4.4仪器智能化程度高,使用方便,具有自动量程调节,自动采样频率调节等多种功能。
4.5软件采用windows平台,兼容windows98/2000/winXP。
4.6提供历史曲线对比分析,可同时加载多条历史曲线观察,能具体选择任意频段放大进行横向和纵向分析。
配有专家智能分析诊断系统,可以自动诊断变压器绕组的状态,同时加载6条曲线,各条曲线相关参数自动计算,自动诊断绕组的变形情况,给出诊断的参考结论。
4.7软件管理功能强大,充分考虑现场使用的需要,自动保存环境条件参数,以便作变压器绕组变形诊断时提供依据。
测量数据自动存盘、具有彩色打印功能,方便用户出测试报告。
4.8软件人性化特点明显,测量的各种条件多为选择项,变压器详细参数可保存用做诊断参考,并且不用在现场输入,可以以后再添加修改信息,使用起来更加方便。
4.9 软件智能化程度高,在输入、输出信号连接好之后,设置好条件参数,就可以完成所有的测量工作,并且随时能在测量中打开历史波形曲线进行比较观察和停止测量。
4.10 每相测量所需时间小于60秒,对一台高、中、低绕组的电力变压器(容量、电压等级不限)进行绕组变形测量,总需时间不超过10分钟。
4.11 测量变压器时,接线人员可任意布放信号输入输出引线,对测量结果无影响,接线人员可停留在变压器油箱上面,不必下来,减轻劳动强度。
五、仪器使用方法5.1仪器面板◇仪器面板上安装有电源自锁开关, 按下时电源打开,指示灯点亮,关闭时按下松开, 指示灯熄灭.◇上方印有仪器型号和名称.◇下方印有仪器生产厂名◇仪器背板上安装有电源插座◇ USB通信端口连接笔记本电脑◇测量信号端口:K9插座外标颜色与测量电缆外标颜色一致,请对色连接.5.2变压器的几种常用检测接线方式变压器绕组变形频率响应测试仪主要是由主测量单元和笔记本电脑构成,并行三根专用测量电缆以及测量夹子和接地线组成。
主测量单元系统与试品之间采用50 高频同轴电缆联接,扫频信号经输出端口(激励),通过连接电缆将信号夹子(橙色)向被试品注入信号;由信号测量夹子(绿色)从被试品获取信号,经电缆传输到响应端口;由信号测量从被试品注入点获取同步参考信号,经电缆传输到输入参考端口。
被试品外壳与测试电缆的屏蔽层必须可靠连接并接地,大型变压器一般以铁芯接地套管引出线与油箱的连接点,作为公共接地点,变压器外壳点接地六、三相Yn形测量接线◇测量系统共一点接地,取变压器铁芯接地。
◇黄夹子为输入,钳在Yn的‘O’点、绿夹子为测量,钳在A相上。
◇地线连接网依次由绿夹子地线孔插入接地线至黄夹子地线孔,再由一根地线转接到铁芯接地。
将黑夹子连接至铁芯接地,钳在低压侧A相上。
◇接地导线为10米、5米、3米可根据变压器的大小选用不同长度。
◇仪器的接地由测量线导入。
◇测量系统共一点接地,取变压器铁芯接地。
◇黄夹子为输入,钳在Yn的‘O’点、绿夹子为测量,钳在B相上。
◇地线连接网依次由绿夹子地线孔插入接地线至黄夹子地线孔,再由一根地线转接到铁芯接地。
将黑夹子连接至铁芯接地,钳在低压侧B相上。
◇接地导线为10米、5米、3米可根据变压器的大小选用不同长度。
◇仪器的接地由测量线导入。
◇测量系统共一点接地,取变压器铁芯接地。
◇黄夹子为输入,钳在Yn的‘O’点、绿夹子为测量,钳在C相上。