环刚度计算表
- 格式:xls
- 大小:29.50 KB
- 文档页数:2
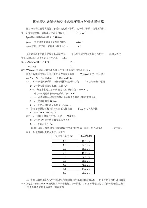
埋地聚乙烯塑钢缠绕排水管环刚度等级选择计算根据塑钢缠绕管管道工程技术规程规定:埋地塑钢缠绕管在外压力作用下,其竖向直径的变形率应小于管道直径允许变形率5%。
即:%1001max ,´=D W d e (1)ε< 5% (2)式中式中 W W d,max ——管道在荷载准永久组合作用下的最大竖向变形量(m )。
管道在荷载准永久组合作用下的最大竖向变形量W d,max 可按下式计算:可按下式计算:dp vk q k sv d Ld E S D q F K D W 061.08)(1,max,++=f ((3) 式中式中 K K d ——管道变形系数,根据管道敷设基础中心角2α按附录表1选用;选用;D L ——变形滞后效应系数,取值1.4 F SV SV,,k ——每延米管道上管顶的竖向土压力标准值(KN/m KN/m)); φq ,——可变荷载准永久值系数,取0.5;vk q ——单个轮压传递到管顶处的竖向压力与地面堆积载荷的大值; S p ——管材环刚度(kN/m 2); E d ——管侧土的综合变形模量(kN/m 2)。
一、作用在管道每延米上的竖向土压力标准值F SV ,k ,可按下式计算:1D H r Fs s KSV ××=,=18* H s * D 1式中式中 r r s ——回填土的重力密度,可取18KN/m 3;H s ——管顶至设计地面的覆土高度(——管顶至设计地面的覆土高度(m m );D 1——管道的外径(——管道的外径(m m )。
根据上式可计算不同覆土高度情况下的作用在管道上竖向土压力标准值(见下表):表1:作用在管道上竖向土压力标准值管顶覆土厚度H s (m) F SV SV,,k (KN/m)1.0 18.0 D 1 1.5 27.0 D 12.0 36.0 D 1 2.5 45.0 D 13.0 54.0 D 1 3.5 63.0 D 1 4.0 72.0 D 1 4.5 81.0 D 15.090.0 D 1二、作用在管道上的可变作用取地面车辆荷载与地面堆积载荷的大值,地面车辆荷载标准值按城-B 级考虑(参照04S520,埋地塑料排水管道施工标准图集),作用在管道上的可变作用标准值见表2:表2:作用在管道上的可变作用标准值H s (m) 城-AΦq *q vk*D1(KN/m) 城-BΦq *q vk*D1(KN/m) 地面堆载Φq *q vk*D1(KN/m)1.0 18.37 D 1 12.76 D 1 5 D 1 1.5 11.20D 1 8.90 D 1 5 D 1 2.0 7.90D 1 6.81 D 1 5 D 1 2.5 5.93D 1 5.39D 1 5 D 13.04.64 D 14.38 D 15 D 1 3.5 5 D 1 4.0 5 D 1 4.5 5 D 1 5.05 D 1三、计算管侧土的综合变形模量E d21a ar B 565.0435.0附表1 管道变形系数Kd 附表2 2 计算参数α计算参数α1及α21D B r 1.5 2.0 2.5 3.0 4.0 5.0 α1 0.252 0.435 0.572 0.680 0.838 0.948 α20.748 0.565 0.428 0.320 0.162 0.052 附表3 3 管侧回填土和槽侧原状土变形模量(管侧回填土和槽侧原状土变形模量(管侧回填土和槽侧原状土变形模量(MPa MPa MPa))回填土压实回填土压实系数(系数(%%)原装土标准贯原装土标准贯 入锤击数N 63.5土的类别土的类别859095100 4<N 4<N≤≤1414<N 14<N≤≤2424<N 24<N≤≤50>50砂砾、砂卵石砂砾、砂卵石5 7 10 20 砂砾、砂卵石砂砾、砂卵石 细粒土含量不大于12%35714砂砾、砂卵石砂砾、砂卵石 细粒土含量大于12% 13510黏性土或粉土(黏性土或粉土(W W L <50%<50%))砂粒含量大于25% 1 3 5 10 黏性土或粉土(黏性土或粉土(W W L <50%<50%))砂粒含量小于25%137注:注:1 1 1 表中数值适用于表中数值适用于10m 以内覆土;当覆土超过10m 时,表中数值偏低;时,表中数值偏低;敷设基础中心角2α20º 45º 60º 90º 120º 150º 变形系数变形系数0.109 0.105 0.102 0.096 0.089 0.083 。
湖塘路HDPE^刚度的计算、计算依据:《埋地聚乙烯排水管管道工程技术规范》CECS 164;2004二、环刚度概念:管道抵抗环向变形的能力。
三、计算公式:W/max=D(K D(F sV,K+ © q Q k Dl)/(8S p+0.061E d))式中Wmax ------------- 管道在荷载准永久组合作用下的最大竖向变形量( m) K D――管道变形系数,取0.109.D L――变形滞后效应系数,根据管道胸腔回填密实度取 1.5.F SV,K――每延米管道管顶的竖向压力标准值。
(F SV,K=YHD=回填土密度X覆土厚度X管道外径=18X4X0.716=51.55(KN/m))© q ---------- 可变荷载永久值系数,取0.5。
E d――管侧土的综合变形模量(KN/m),四、判定条件£ = W.max/ D 1X100%<5%五、计算过程:( 1)计算管侧土的综合变形模量E d:根据附录C, B r/D1=(0.4+0.4+0.716 )/0.716=2.1173,曰 &=7/2.5=2.8 , E =0.52 则E d= E E e=0.52X7=3.64(2)计算竖向变形量2(1) 环刚度=8 KN/m2W d.max=D L(K D(F sV,K+© q Q vk D1)/(8s p+0.061E d))=1.5(0.109(51.55+0.5X10X0.60)/ (8X8+0.061X3.64X1000))=0.03118 (m)£= W d.max/ D 1X100%=0.03118/0.6=0.52>5%,不满足要求。
( 2) (1) 环刚度=12.5KN/m2W d.max=D L(K D(F sV,K+© q Q vk D1)/(8s p+0.061E d))=1.5(0.109(51.55+0.5X10X0.6)/ (8X12.5+0.061X3.64X1000))=0.0277(m)£ = W d.max/ D 1X100%=0.0277/0.6=4.6>5%,满足要求。
埋地聚乙烯塑钢缠绕排水管环刚度等级选择计算根据埋地聚乙烯(PE )排水管道工程技术规程规定:埋地塑钢缠绕管在外 压力作用下,其竖向直径的变形率应小于管道直径允许变形率 5%。
即:;=汪^ 100%( i )D 1s< 5%式中W d,max --------- 管道在荷载准永久组合作用下的最大竖向变形量 (m )。
管道在荷载准永久组合作用下的最大竖向变形量W d,max 可按下式计算:F SV , K = r s H s D 1=18* H s * D 1式中r s ――回填土的重力密度,可取18KN/m 3; H s ――管顶至设计地面的覆土高度 (m ); D 1——管道的外径(m )。
根据上式可计算不同覆土高度情况下的作用在管道上竖向土压力标准值((2)W d,max皿"8S p 0.061E d(3)式中 K d ――管道变形系数,根据管道敷设基础中心角2 a 按附录表i 选用;D L ――变形滞后效应系数,取值1.4F sv, k ---------- 每延米管道上管顶的竖向土压力标准值(KN/m );Q vk可变荷载准永久值系数,取0.5;单个轮压传递到管顶处的竖向压力与地面堆积载荷的大值 ;S p ――管材环刚度(kN/m 2);E d ――管侧土的综合变形模量(kN/m 2 )。
、作用在管道每延米上的竖向土压力标准值F sv , k ,可按下式计算:见表1 :作用在管道上竖向土压力标准值二、作用在管道上的可变作用取地面车辆荷载与地面堆积载荷的大值,地面车辆荷载标准值按城-B级考虑(参照04S520 ,埋地塑料排水管道施工标准图集),作用在管道上的可变作用标准值见表2:表2 :作用在管道上的可变作用标准值H s (m)城-A ① q *q vk*D1(KN/m) 城-B ① q *q vk*D1(KN/m) 地面堆载① q *q vk*D1(KN/m)1.0 18.37 D 1 12.76 D 1 5 D 1 1.5 11.20D 1 8.90 D 1 5 D 1 2.0 7.90D 1 6.81 D 1 5 D 1 2.5 5.93D 1 5.39D 1 5 D 13.04.64 D 14.38 D 15 D 1 3.55 D 14.05 D 1 4.55 D 15.05 D 1三、计算管侧土的综合变形模量E d管侧土的综合变形模量E d ,可按下列公式计算:式中 E e ――管侧回填土在要求压实密度时相应的变形模量 (MPa );E n ――沟槽两侧原状土的变形模量 (MPa ); Z —合修正系数;a i 、a 2 与B r (管中心处沟槽宽度)和D i (管外径)的比值有关的计算参数,可按附录表2确定E dE e:1Ee现考虑岂=2时的综合变形模量E d :D iEe当回填土选用中粗砂,密实度达到90%以上时,艮取值5 MPa ; 根据地勘资料,以及设计情况,对E n 取一保守值7 MPa ;可得:E d =5.96 MPa四、计算管道变形根据设计图,管道埋深在1.3m 〜3.0m 之间,覆土高度在1.0m 〜2.7m 之 间,所以H s 按最不利工况考虑取值2.7m ; K d 按2 a 取90°寸取值0.096; F sv , k 取值 81D1,①q *q vk*D1 取值 5D1。
湖塘路HDPE 环刚度的计算一、计算依据:《埋地聚乙烯排水管管道工程技术规范》CECS 164;2004二、环刚度概念:管道抵抗环向变形的能力。
三、计算公式:W d.max =D L (K D (F SV,K +φq Q vk D 1)/(8S p +0.061E d ))式中W d.max ——管道在荷载准永久组合作用下的最大竖向变形量(m )。
K D ——管道变形系数,取0.109.D L ——变形滞后效应系数,根据管道胸腔回填密实度取1.5.F SV,K ——每延米管道管顶的竖向压力标准值。
(F SV,K =Y s H s D 1=回填土密度X 覆土厚度X 管道外径=18X4X0.716=51.55(KN/m ))φq ——可变荷载永久值系数,取0.5。
E d ——管侧土的综合变形模量(KN/m 2),四、判定条件ε= W d.max / D 1X100%<5%五、计算过程:(1)计算管侧土的综合变形模量E d :根据附录C ,B r /D 1=(0.4+0.4+0.716)/0.716=2.1173,E e / E n =7/2.5=2.8,ξ=0.52则E d =ξE e =0.52X7=3.64(2)计算竖向变形量(1)环刚度=8 KN/m 2W d.max =D L (K D (F SV,K +φq Q vk D 1)/(8S p +0.061E d ))=1.5(0.109(51.55+0.5X10X0.60)/(8X 8+0.061X3.64X1000))=0.03118(m )ε= W d.max / D 1X100%=0.03118/0.6=0.52>5%,不满足要求。
(2)(1)环刚度=12.5KN/m 2W d.max =D L (K D (F SV,K +φq Q vk D 1)/(8S p +0.061E d ))=1.5(0.109(51.55+0.5X10X0.6)/(8X 12.5+0.061X3.64X1000))=0.0277(m )ε= W d.max / D 1X100%=0.0277/0.6=4.6>5%,满足要求。
埋地聚乙烯塑钢缠绕排水管环刚度等级选择计算根据埋地聚乙烯(P 日排水管道工程技术规程规定:埋地塑钢缠绕管在外压 力作用下,其竖向直径的变形率应小于管道直径允许变形率5%。
£ < 5%式中W d,max ――管道在荷载准永久组合作用下的最大竖向变形量(管道在荷载准永久组合作用下的最大竖向变形量 W d,max 可按下式计算:式中 K d ――管道变形系数,根据管道敷设基础中心角 2a 按附录表1选用;D L ――变形滞后效应系数,取值F SV k ――每延米管道上管顶的竖向土压力标准值(KN/m );单个轮压传递到管顶处的竖向压力与地面堆积载荷的大值;Sp -- 管材环刚度(kN/m 2);E d ----- 管侧土的综合变形模量(kN/m 2)。
、作用在管道每延米上的竖向土压力 标准值F SV , k ,可按下式计算:Hs ――管顶至设计地面的覆土高度(m );D1——管道的外径(m )。
根据上式可计算不同覆土高度情况下的作用在管道上竖向土压力标准值 (见下表):即:,maxD 1100%(1) (2)K d (FWd,maxD Lsv,k q q vkDJ 8S—© q ,可变荷载准永久值系数,取;qvkSV, Kr s H s D 1=18* H s * D i式中 r s 回填土的重力密度,可取18KN/m 3;表1:作用在管道上竖向土压力标准值、作用在管道上的可变作用取地面车辆荷载与地面堆积载荷的大值,地面车辆荷载标准值按城-B级考虑(参照04S52Q埋地塑料排水管道施工标准图集) 作用在管道上的可变作用标准值见表2:表2:作用在管道上的可变作用标准值三、计算管侧土的综合变形模量E d管侧土的综合变形模量E d,可按下列公式计算:E d E e1E71 2 ---------E n式中E e――管侧回填土在要求压实密度时相应的变形模量(MPa);E n――沟槽两侧原状土的变形模量(MPa);Z —综合修正系数;a 1、a 2——与B r (管中心处沟槽宽度)和D1 (管外径)的比值有关的计算参数,可按附录表2确定。
埋地聚乙烯塑钢缠绕排水管环刚度等级选择计算根据塑钢缠绕管管道工程技术规程规定:埋地塑钢缠绕管在外压力作用下,其竖向直径的变形率应小于管道直径允许变形率5%。
即:%1001max ,⨯=D W d ε (1)ε< 5% (2)式中 W d,max ——管道在荷载准永久组合作用下的最大竖向变形量(m )。
管道在荷载准永久组合作用下的最大竖向变形量W d,max 可按下式计算:dp vk q k sv d Ld E S D q F K D W 061.08)(1,max ,++=φ (3)式中 K d ——管道变形系数,根据管道敷设基础中心角2α按附录表1选用;D L ——变形滞后效应系数,取值1.4F SV ,k ——每延米管道上管顶的竖向土压力标准值(KN/m );φq ,——可变荷载准永久值系数,取0.5;vk q ——单个轮压传递到管顶处的竖向压力与地面堆积载荷的大值;S p ——管材环刚度(kN/m 2);E d ——管侧土的综合变形模量(kN/m 2)。
一、作用在管道每延米上的竖向土压力标准值F SV ,k ,可按下式计算:1D H r F s s K SV ⋅⋅=,=18* H s * D 1式中 r s ——回填土的重力密度,可取18KN/m 3; H s ——管顶至设计地面的覆土高度(m );D 1——管道的外径(m )。
根据上式可计算不同覆土高度情况下的作用在管道上竖向土压力标准值(见下表):表1:作用在管道上竖向土压力标准值二、作用在管道上的可变作用取地面车辆荷载与地面堆积载荷的大值,地面车辆荷载标准值按城-B级考虑(参照04S520,埋地塑料排水管道施工标准图集),作用在管道上的可变作用标准值见表2:表2:作用在管道上的可变作用标准值三、计算管侧土的综合变形模量E d管侧土的综合变形模量E d ,可按下列公式计算:e d E E ⋅=ζneE E211ααζ+=式中 E e ——管侧回填土在要求压实密度时相应的变形模量(MPa );E n ——沟槽两侧原状土的变形模量(MPa );ζ——综合修正系数;α1、α2——与B r (管中心处沟槽宽度)和D 1(管外径)的比值有关的计算参数,可按附录表2确定。
湖塘路HDPE 环刚度的计算一、计算依据:《埋地聚乙烯排水管管道工程技术规范》CECS 164;2004二、环刚度概念:管道抵抗环向变形的能力。
三、计算公式:W d.max =D L (K D (F SV,K +φq Q vk D 1)/(8S p +0.061E d ))式中W d.max ——管道在荷载准永久组合作用下的最大竖向变形量(m )。
K D ——管道变形系数,取0.109.D L ——变形滞后效应系数,根据管道胸腔回填密实度取1.5.F SV,K ——每延米管道管顶的竖向压力标准值。
(F SV,K =Y s H s D 1=回填土密度X 覆土厚度X 管道外径=18X4X0.716=51.55(KN/m ))φq ——可变荷载永久值系数,取0.5。
E d ——管侧土的综合变形模量(KN/m 2),四、判定条件ε= W d.max / D 1X100%<5%五、计算过程:(1)计算管侧土的综合变形模量E d :根据附录C ,B r /D 1=(0.4+0.4+0.716)/0.716=2.1173,E e / E n =7/2.5=2.8,ξ=0.52则E d =ξE e =0.52X7=3.64(2)计算竖向变形量(1)环刚度=8 KN/m 2W d.max =D L (K D (F SV,K +φq Q vk D 1)/(8S p +0.061E d ))=1.5(0.109(51.55+0.5X10X0.60)/(8X 8+0.061X3.64X1000))=0.03118(m )ε= W d.max / D 1X100%=0.03118/0.6=0.52>5%,不满足要求。
(2)(1)环刚度=12.5KN/m 2W d.max =D L (K D (F SV,K +φq Q vk D 1)/(8S p +0.061E d ))=1.5(0.109(51.55+0.5X10X0.6)/(8X 12.5+0.061X3.64X1000))=0.0277(m )ε= W d.max / D 1X100%=0.0277/0.6=4.6>5%,满足要求。
埋地聚乙烯塑钢缠绕排水管环刚度等级选择计算根据塑钢缠绕管管道工程技术规程规定:埋地塑钢缠绕管在外压力作用下,其竖向直径的变形率应小于管道直径允许变形率5%。
即:%1001max ,⨯=D W d ε 〔1〕ε< 5% 〔2〕式中 W d,max ——管道在荷载准永久组合作用下的最大竖向变形量〔m 〕。
管道在荷载准永久组合作用下的最大竖向变形量W d,max 可按下式计算:dp vk q k sv d Ld E S D q F K D W 061.08)(1,max ,++=φ 〔3〕式中 K d ——管道变形系数,根据管道敷设根底中心角2α按附录表1选用;D L ——变形滞后效应系数,F SV ,k ——每延米管道上管顶的竖向土压力标准值〔KN/m 〕;φq ,——可变荷载准永久值系数,取0.5;vk q ——单个轮压传递到管顶处的竖向压力与地面堆积载荷的大值;S p ——管材环刚度〔kN/m 2〕;E d ——管侧土的综合变形模量〔kN/m 2〕。
一、作用在管道每延米上的竖向土压力标准值F SV ,k ,可按下式计算:1D H r F s s K SV ⋅⋅=,=18* H s * D 1式中 r s ——回填土的重力密度,可取18KN/m 3; H s ——管顶至设计地面的覆土高度〔m 〕;D 1——管道的外径〔m 〕。
根据上式可计算不同覆土高度情况下的作用在管道上竖向土压力标准值(见下表):表1:作用在管道上竖向土压力标准值二、作用在管道上的可变作用取地面车辆荷载与地面堆积载荷的大值,地面车辆荷载标准值按城-B级考虑〔参照04S520,埋地塑料排水管道施工标准图集〕,作用在管道上的可变作用标准值见表2:表2:作用在管道上的可变作用标准值三、计算管侧土的综合变形模量E d管侧土的综合变形模量E d ,可按以下公式计算:e d E E ⋅=ζneE E211ααζ+=式中 E e ——管侧回填土在要求压实密度时相应的变形模量〔MPa 〕;E n ——沟槽两侧原状土的变形模量〔MPa 〕;ζ——综合修正系数;α1、α2——与B r 〔管中心处沟槽宽度〕和D 1〔管外径〕的比值有关的计算参数,可按附录表2确定。
埋地聚乙烯塑钢缠绕排水管环刚度等级选择计算根据埋地聚乙烯(PE )排水管道工程技术规程规定:埋地塑钢缠绕管在外压力作用下,其竖向直径的变形率应小于管道直径允许变形率5%。
即:%1001max ,⨯=D W d ε (1)ε< 5% (2)式中 W d,max ——管道在荷载准永久组合作用下的最大竖向变形量(m )。
管道在荷载准永久组合作用下的最大竖向变形量W d,max 可按下式计算:dp vk q k sv d Ld E S D q F K D W 061.08)(1,max ,++=φ (3)式中 K d ——管道变形系数,根据管道敷设基础中心角2α按附录表1选用;D L ——变形滞后效应系数,取值1.4F SV ,k ——每延米管道上管顶的竖向土压力标准值(KN/m );φq ,——可变荷载准永久值系数,取0.5;vk q ——单个轮压传递到管顶处的竖向压力与地面堆积载荷的大值; S p ——管材环刚度(kN/m 2);E d ——管侧土的综合变形模量(kN/m 2)。
一、作用在管道每延米上的竖向土压力标准值F SV ,k ,可按下式计算:1D H r F s s K SV ⋅⋅=,=18* H s * D 1式中 r s ——回填土的重力密度,可取18KN/m 3; H s ——管顶至设计地面的覆土高度(m );D 1——管道的外径(m )。
根据上式可计算不同覆土高度情况下的作用在管道上竖向土压力标准值(见下表):表1:作用在管道上竖向土压力标准值二、作用在管道上的可变作用取地面车辆荷载与地面堆积载荷的大值,地面车辆荷载标准值按城-B级考虑(参照04S520,埋地塑料排水管道施工标准图集),作用在管道上的可变作用标准值见表2:表2:作用在管道上的可变作用标准值三、计算管侧土的综合变形模量E d管侧土的综合变形模量E d ,可按下列公式计算:e d E E ⋅=ζneE E211ααζ+=式中 E e ——管侧回填土在要求压实密度时相应的变形模量(MPa );E n ——沟槽两侧原状土的变形模量(MPa );ζ——综合修正系数;α1、α2——与B r (管中心处沟槽宽度)和D 1(管外径)的比值有关的计算参数,可按附录表2确定。
埋地聚乙烯塑钢缠绕排水管环刚度等级选择计算管材的结构性能是决定能否承受负载的重要参数。
这个管材参数(抗外压负载)由三个由管材材料、结构和尺寸决定的因素(Ep Ip ro ):Ep---管材短期的弹性模量(kN/m)Ip---- 管道纵截面每延米管壁的惯性矩(m4/m)ro---- 管道计算半径(管壁中性轴半径)(m)根据塑钢缠绕管管道工程技术规程规定:埋地塑钢缠绕管在外压力作用下,其竖向直径的变形率应小于管道直径允许变形率5%。
即:£ =Wd,max/D 1 x 100% (1)& V 5% (2)式中Wd,max -管道在荷载准永久组合作用下的最大竖向变形量( m .管道在荷载准永久组合作用下的最大竖向变形量Wd,max可按下式计算:Wmax = Q〔K d (F sv,k +① q q vkD)〕/ ( 8S p + 0.061E d)式中:K d一管道变形系数,根据管道敷设基础中心角 2 a按附录表1选用;D L一变形滞后效应系数,取值1.4F sv,k一每延米管道上管顶的竖向土压力标准值(Kn/m);中q一可变荷载准永久值系数,取0.5;q vk 一单个轮压传递到管顶处的竖向压力与地面堆积载荷的大值;S p一管材环刚度(Kn/m2);E d一管侧土的综合变形模量(Kn/m2)。
一、作用在管道每延米上的竖向土压力标准值F sv,k ,可按下式计算:F sv,k=r s*H s*D1=18*H s*D1式中:r s一回填土的重力密度,可取18Kn/m3H s一管顶至设计地面的覆土高度(m)D1—管道的外径(m根据上式可计算不同覆土高度情况下的作用在管道上竖向土压力标准值(见下表)表1 :作用在管道上竖向土压力标准值二、作用在管道上的可变作用取地面车辆荷载与地面堆积载荷的大值,地面车辆荷载标准值按城一B级考虑(参照04S520,埋地塑料排水管道施工标准图集),作用在管道上的可变作用标准值见表2:表2:作用在管道上的可变作用标准值三、计算管侧土的综合变形模量E d管侧土的综合变形模量Ed,可按下列公式计算:E d=l *E eV =1/ (a 1 + a 2E e/E n)式中:E e一管侧回填土在要求压实密度时相应的变形模量( MPa)E n一沟槽两侧原状土的变形模量(MPa)I一综合修正系数a 1、a 2—与B r (管中心处沟槽宽度)和D〔(管外径)的比值有关的计算参数,可按附录表2确定。
12345平均值长度(m )0.3040.2940.2920.2980.3000.298内径(m )0.0710.0690.0710.0690.0700.070变形量(m )0.002120.002080.002130.002080.002110.00210力值(kN )0.230.260.220.190.230.23环刚度(kN/m 2)7.048
8.081
6.745
6.090
7.177
7.03
备注
12345平均值长度(m )0.3080.2980.3000.3050.2970.302内径(m )0.0880.0900.0920.0880.0880.089变形量(m )0.002640.002700.002750.002650.002640.00268力值(kN )0.30
0.31
0.30
0.29
0.25
0.29
环刚度(kN/m 2)7.2087.5747.064 6.873 6.2827.00备注
项目名称试样
环刚度=(0.0186+0.025×变形量/内径)×力值/(试样长度×变形量)
内径为70mm的波纹管计算表格
内径为90mm的波纹管计算表格
项目名称试样
环刚度=(0.0186+0.025×变形量/内径)×力值/(试样长度×变形量)
12345平均值长度(m )0.2920.2910.2920.2970.3080.296内径(m )0.0800.0810.0790.0810.0810.080变形量(m )0.002390.002420.002370.002430.002430.00241力值(kN )0.30
0.29
0.25
0.24
0.30
0.28
环刚度(kN/m 2)8.4568.080 6.887 6.5057.8347.55备注
12345平均值长度(m )0.3000.2940.2990.3000.3090.300内径(m )0.1010.1010.0980.0980.1010.100变形量(m )0.003040.003020.002940.002940.003030.00300力值(kN )0.42
0.28
0.28
0.34
0.39
0.34
环刚度(kN/m 2)8.824 6.132 6.2057.3888.0887.33备注
内径为80mm的波纹管计算表格
项目名称试样
环刚度=(0.0186+0.025×变形量/内径)×力值/(试样长度×变形
量)
内径为100mm的波纹管计算表格
项目名称试样
环刚度=(0.0186+0.025×变形量/内径)×力值/(试样长度×变形
量)。