室内装饰装修工程检验批质量验收记录表
- 格式:doc
- 大小:626.50 KB
- 文档页数:28
骨架隔墙工程检验记录34注:建筑装饰装修工程所使用的材料应按设计要求进行防火、防腐和防虫处理。
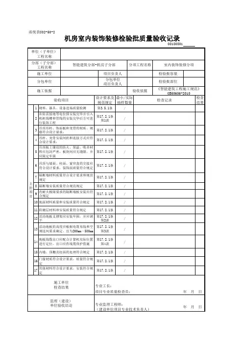
饰面板安装工程检验记录工程名称分项工程名称施工单位验收部位检验明细要求检验方法合格主1 材料要求•饰面板的品种、规格、颜色和性能应符合设计要求,木龙骨、木饰面板和•观察;•检查产品合格证书、进场验收记录和性控项2 孔、槽设置饰面板孔、槽的数量、位置和尺寸应符合设计要求。
•手扳检查;•尺量检查;检查隐蔽目3预埋件、连接件(或后置埋件)•骨架隔墙中龙骨间距和构造连接方法应符合设计要求。
•检查隐蔽工程验收记录。
—一1 表面质量•骨架隔设备表线的安整光滑、色泽一致、洁净、无裂缝,接缝应均匀、顺直。
•观察;•手摸检查。
般2 嵌缝•骨架隔墙上的孔洞、槽、盒应位置正确、套割吻合、•观察。
3湿作业石材施工防碱背涂处理••项 4 孔洞套割•骨架隔墙内的填充材料应干燥,填充应密实、均匀、•轻敲检查;•检查隐蔽工程验收目饰面板安装(2.2.8条)无下坠。
允许偏差mm)记录。
检验方法实测值5 立石材2项目经理主控项目2.2.1饰面板的品种、规格、颜色和性能应符合设计要求,木龙骨、木饰面板和塑料面板的燃烧性能等级应符合设计要求。
检验方法:观察;检查产品合格证书、进场验收记录和性能检测报告。
2.2.2饰面板孔、槽的数量、位置和尺寸应符合设计要求。
检验方法:检查进场验收记录和施工记录。
不锈钢紧固件、连接件应按同一种类构件的5%进行抽样检查,且每种构件不少于5件。
现场可使用吸铁石进行检查。
2.2.3饰面板安装工程预埋件(或后置埋件)、连接件的数量、规格、位置、连接方法和防腐处理必须符合设计要求。
后置埋件的现场拉拔强度必须符合设计要求。
饰面板安装必须牢固。
碳钢配件需做防锈、防腐处理。
焊接点应作防腐处理。
检验方法:手板检查;检查进场验收记录、现场拉拔检测报告、隐蔽工程验收记录和施工记录。
一般项目2.2.4饰面板表面应平整、洁净、拼花正确、纹理清晰能耐色泽一致,无裂痕和缺损。
分部工程质量验收记录(建筑装饰装修)质控(建)表4.1.9-38 03□□分部工程质量验收记录(建筑给水、排水及采暖)质控(水)表4。
2.9-8 05□□分部工程质量验收记录(建筑电气)质控(电)表4.3.7-7 06□□子分部工程质量验收记录(地面)子分部工程质量验收记录(抹灰)质控(建)表4。
1。
9-22 0302□□子分部工程质量验收记录(门窗)质控(建)表4.1.9-23 0303□□子分部工程质量验收记录(吊顶)质控(建)表4。
1。
9-24 0304□□子分部工程质量验收记录(轻质隔墙)质控(建)表4.1.9-25 0305□□子分部工程质量验收记录(饰面板(砖))质控(建)表4.1.9-26 0306□□子分部工程质量验收记录(涂饰)质控(建)表4。
1。
9-28 0308□□子分部工程质量验收记录(细部)质控(建)表4。
1。
9-30 0310□□子分部工程质量验收记录(室内给水系统)质控(水)表4。
2。
9-1 0501□□子分部工程质量验收记录(室内排水系统)质控(水)表4。
2.9-2 0502□□子分部工程质量验收记录(卫生器具安装)质控(水)表4。
2.9-4 0504□□子分部工程质量验收记录(电气照明安装)质控(电)表4.3.7-4 0604□□子分部工程质量验收记录(备用和不间断电源安装)质控(电)表4.3.7-5 0605□□。
装饰抹灰工程检验批质量验收记录一、项目基本情况工程名称:装饰抹灰工程工程地点:XXX工程编号:XXXXX施工单位:XXX公司监理单位:XXX公司建设单位:XXX公司验收时间:XXXX年XX月XX日二、工程概况本次检验批涉及的装饰抹灰工程主要包括墙面抹灰、顶面抹灰、地面抹灰等。
三、检验批内容本次检验批的内容包括墙面抹灰、顶面抹灰、地面抹灰等,涉及面积为XXX平方米。
四、验收标准1.墙面抹灰验收标准1.墙面抹灰层应平整、垂直、无麻面、开裂、脱落等缺陷。
2.抹灰层表面光洁度应满足设计要求。
3.抹灰厚度应符合设计要求。
2.顶面抹灰验收标准1.顶面抹灰应平整、垂直、无麻面、开裂、脱落等缺陷。
2.抹灰层表面光洁度应满足设计要求。
3.抹灰厚度应符合设计要求。
3.地面抹灰验收标准1.地面抹灰应平整、无麻面、开裂、脱落等缺陷。
2.抹灰层表面光洁度应满足设计要求。
3.抹灰厚度应符合设计要求。
五、现场检验过程与结果1.墙面抹灰检验结果经现场检验,墙面抹灰层平整度良好,无麻面、开裂、脱落等缺陷。
抹灰厚度均符合设计要求。
墙面抹灰验收合格。
2.顶面抹灰检验结果经现场检验,顶面抹灰层平整度良好,无麻面、开裂、脱落等缺陷。
抹灰厚度均符合设计要求。
顶面抹灰验收合格。
3.地面抹灰检验结果经现场检验,地面抹灰层平整度良好,无麻面、开裂、脱落等缺陷。
抹灰厚度均符合设计要求。
地面抹灰验收合格。
六、监理意见经现场检验,本次装饰抹灰工程各项指标均符合设计和验收标准要求,抹灰层质量良好,应予以验收合格。
七、建设单位意见经现场检验和监理意见,本次装饰抹灰工程质量达到预期标准,予以验收合格。
八、总结本次装饰抹灰工程的外墙、顶面和地面抹灰层质量良好,均符合设计和验收标准要求。
各方应加强对工程质量的管理和控制,确保施工工艺规范,提高工程质量。
九、附件十、记录人姓名:XXX十一、其他(此栏根据需要填写)以上是装饰抹灰工程检验批质量验收记录的内容,详细记录了工程的基本情况、概况、验收标准、现场检验过程与结果、监理意见、建设单位意见、总结等内容。
装饰装修-工程竣工验收表格大全(总204页)-CAL-FENGHAI.-(YICAI)-Company One1-CAL-本页仅作为文档封面,使用请直接删除目录目录........................................... 错误!未指定书签。
工程概况表..................................... 错误!未指定书签。
施工现场管理检查记录............................... 错误!未指定书签。
装修部分........................................ 错误!未指定书签。
砖砌体报验申请表................................... 错误!未指定书签。
砖砌体工程检验批质量验收记录表..................... 错误!未指定书签。
一般抹灰报验申请表................................. 错误!未指定书签。
一般抹灰工程检验批质量验收记录表................... 错误!未指定书签。
防锈漆喷涂报验申请表............................... 错误!未指定书签。
防锈涂料涂装工程检验批质量验收记录表............... 错误!未指定书签。
钢结构桁架制作(安装)焊接报验申请表............... 错误!未指定书签。
钢结构制作(安装)焊接工程检验批质量验收记录表 ..... 错误!未指定书签。
钢结构桁架零件、部件加工报验申请表................. 错误!未指定书签。
钢结构零、部件加工工程检验批质量验收记录表......... 错误!未指定书签。
骨架隔墙报验申请表................................ 错误!未指定书签。
隐蔽工程验收记录表................................. 错误!未指定书签。
附录A:全装修住宅室内装饰装修工程分部分项工程划分
附录B:全装修住宅室内装饰装修工程检验批质量验收记录表
附录C:全装修住宅室内装饰装修工程分户检验表
附录C-1:室内净高、净距尺寸检验记录
建设单位:
注:1 每个房间净高抽测五点,开间、进深尺寸各抽测两处,测点位置详见附图。
2偏差为实测值与标准值之间的绝对差;极差为实测中最大值与最小值之差,极差不应大于垂直长度的0.5%(且最大不应超过20mm),不合格点数在表内用
红笔圈出。
3室内每户为一个检验单元,每个检验单元填写本表一张。
附录D:全装修住宅室内装饰装修工程分户检验汇总表
附录E:全装修住宅室内装饰装修工程质量验收记录
精心打造
本规范用词用语说明
1为了便于在执行本规范条文时区别对待,对要求严格程度不同的用词说明如下:
1)表示很严格,非这样做不可的用词;
正面词采用“必须”,反面词采用“严禁”;
2)表示严格,在正常情况下均应这样做的用词;
正面词采用“应”,反面词采用“不应”或“不得”;
3)表示允许稍有选择,在条件许可时首先应这样
做的用词;正面词采用“宜”,反面词采用
“不宜”;
表示有选择,在一定条件下可以这样做,采用“可”。
2规范中指定应按其他有关标准、规范执行时,采用“可”、”应符合…… 的规定”或“应按……执行”。
未来11
精心打造未来12。
一般抹灰工程检验批质量验收记录表GB50210-2001装饰抹灰工程检验批质量验收记录表GB50210—2001030202□□水泥混凝土垫层检验批质量验收记录表GB50209-2002(Ⅶ)隔离层检验批质量验收记录表GB50209-2002(Ⅸ)水泥砂浆面层工程检验批质量验收记录表GB50209—2002030118□□砖面层检验批质量验收记录表GB50209-2002木门窗制作工程检验批质量验收记录表GB50210-2001(Ⅰ)木门窗安装工程检验批质量验收记录表GB50210-2001(Ⅱ)金属门窗安装工程检验批质量验收记录表(钢门窗)GB50210-2001(Ⅰ)金属门窗安装工程检验批质量验收记录表(铝合金门窗)GB50210-2001(Ⅱ)金属门窗安装工程检验批质量验收记录表(涂色镀锌钢板门窗)GB50210-2001(Ⅲ)塑料门窗安装工程检验批质量验收记录表GB50210—2001030303□□门窗玻璃安装工程检验批质量验收记录表GB50210-2001水性涂料涂饰工程检验批质量验收记录表GB50210-2001溶剂型涂料涂饰工程检验批质量验收记录表GB50210-2001饰面砖粘贴工程检验批质量验收记录表GB50210-2001护栏和扶手制作与安装工程检验批质量验收记录表GB50210-2001分项工程质量验收记录分部(子分部)工程质量验收记录屋面保温层检验批质量验收记录表GB50207-2002040101□□□040201□□□屋面找平层检验批质量验收记录表GB50207-2002040102□□□040202□□□卷材防水层检验批质量验收记录表GB50207-2002040103□□□密封材料嵌缝检验批质量验收记录表GB50207-2002040302□□□平瓦屋面检验批质量验收记录表GB50207-2002040401□□□细部构造检验批质量验收记录表GB50207-2002040104□□□040204□□□040303□□□040404□□□架空屋面检验批质量验收记录表GB50207-2002040501□□□蓄水、种植屋面检验批质量验收记录表GB50207-2002040502□□□040503□□□高考是我们人生中重要的阶段,我们要学会给高三的自己加油打气。
《装饰抹灰检验批质量验收记录》表格示例及填写说明【规范名称及编号】《建筑装饰装修工程质量验收规范》(GB 50210-2001)【条文摘录】摘录一:4.1.5各分项工程的检验批应按下列规定划分:1相同材料、工艺和施工条件的室外抹灰工程每500~1000 m2应划为一个检验批,不足500 m2也应划为一个检验批。
2相同材料、工艺和施工条件的室内抹灰工程每50个自然间(大面积房间和走廊按抹灰面积30 m2为一间)应划分为一个检验批,不足50间也应划分为一个检验批。
4.1.6检查数量应符合下列规定:1室内每个检验批应至少抽查10%,并不得少于3间;不足3间时应全数检查。
2室外每个检验批每100m2应至少抽查一处,每处不得小于10 m2。
摘录二:4.3装饰抹灰工程4.3.1本节适用于水刷石、斩假石、干粘石、假面砖等装饰抹灰工程的质量验收。
主控项目4.3.2抹灰前基层表面的尘土、污垢、油渍等应清除干净,并应洒水润湿。
检验方法:检查施工记录。
4.3.3装饰抹灰工程所用材料的品种和性能应符合设计要求。
水泥的凝结时间和安定性复验应合格。
砂浆的配合比应符合设计要求。
检验方法:检查产品合格证书、进场验收记录、复验报告和施工记录。
4.3.4抹灰工程应分层进行。
当抹灰总厚度大于或等于35 mm时,应采取加强措施。
不同材料基体交接处表面的抹灰,应采取防止开裂的加强措施,当采用加强网时,加强网与各基体的搭接宽度不应小于100 mm。
检验方法:检查隐蔽工程验收记录和施工记录。
4.3.5各抹灰层之间及抹灰层与基体之间必须粘接牢固,抹灰层应无脱层、空鼓和裂缝。
检验方法:观察;用小锤轻击检查;检查施工记录。
一般项目4.3.6装饰抹灰工程的表面质量应符合下列规定:1水刷石表面应石粒清晰、分布均匀、紧密平整、色泽一致,应无掉粒和接槎痕迹。
2斩假石表面剁纹应均匀顺直、深浅一致,应无漏剁处;阳角处应横剁并留出宽窄一致的不剁边条,棱角应无损坏。
一般抹灰工程检验批质量验收记录表
GB50210-2001
装饰抹灰工程检验批质量验收记录表
GB50210—2001
水泥混凝土垫层检验批质量验收记录表
GB50209-2002
(Ⅶ)
隔离层检验批质量验收记录表
GB50209-2002
(Ⅸ)
水泥砂浆面层工程检验批质量验收记录表
GB50209—2002
砖面层检验批质量验收记录表
GB50209-2002
(Ⅰ)
GB50210-2001(Ⅱ)
(钢门窗) GB50210-2001
(Ⅰ)
(铝合金门窗) GB50210-2001(Ⅱ)
金属门窗安装工程检验批质量验收记录表
(涂色镀锌钢板门窗)
GB50210-2001
(Ⅲ)
塑料门窗安装工程检验批质量验收记录表
GB50210—2001
GB50210-2001
水性涂料涂饰工程检验批质量验收记录表
GB50210-2001
溶剂型涂料涂饰工程检验批质量验收记录表
GB50210-2001
GB50210-2001
护栏和扶手制作与安装工程检验批质量验收记录表
GB50210-2001
分项工程质量验收记录
分部(子分部)工程质量验收记录
屋面保温层检验批质量验收记录表
GB50207-2002
040101□□□
040201□□□
GB50207-2002
040102□□□
040202□□□
卷材防水层检验批质量验收记录表
GB50207-2002
040103□□□
密封材料嵌缝检验批质量验收记录表
GB50207-2002
040302□□□
平瓦屋面检验批质量验收记录表
GB50207-2002
040401□□□
细部构造检验批质量验收记录表
GB50207-2002
040104□□□
040204□□□
040303□□□
040404□□□
GB50207-2002
040501□□□
GB50207-2002
040502□□□。