吊车立杆作业指导书
- 格式:doc
- 大小:143.50 KB
- 文档页数:10
钢管杆吊装作业指导书(施工方案)XXX向工程监理项目部提交一份施工方案(措施)报审表,请求审查。
附件为钢管杆吊装作业指导书。
本表一式3份,由施工项目部填报,监理项目部、施工项目部各存1份。
以下为工程概况及适用范围:1.1 工程概况该工程的概况包括其名称、编号、地点、规模、建设单位、设计单位、施工单位等信息。
1.2 地质、地形地貌及水文状况该工程的地质、地形地貌及水文状况是施工方案的重要考虑因素。
本部分应包括工程所在地的地质构造、地形地貌特征、水文地质情况等。
1.3 交通运输情况该工程的交通运输情况也是施工方案需要考虑的因素之一。
本部分应包括工程所在地的道路、铁路、水路等交通运输情况。
1.4 自然环境该项目位于山区,周围环境较为复杂,存在着较多的自然风险因素,如山体滑坡、泥石流等。
因此,在施工前,必须对周围环境进行全面的调查和评估,采取相应的防范措施,确保施工安全。
1.5 铁塔配置该项目的铁塔配置主要包括角钢塔、混凝土塔和钢管塔。
不同类型的铁塔应根据实际情况进行选择,并根据设计要求进行布置。
二、编制依据本项目的编制依据主要包括国家有关法律法规、行业标准和相关技术规范。
在编制过程中,应严格遵守这些规定,并根据实际情况进行调整和优化。
三、作业流程本项目的作业流程主要包括施工前准备、基础施工、铁塔安装、线路架设和调试等环节。
在每个环节中,应按照严格的程序和要求进行操作,确保施工质量和安全。
四、工艺流程及主要质量控制点4.1 作业准备作业准备是整个施工过程中的重要环节,它涉及到施工的各个方面,包括材料准备、设备调试、人员培训等。
在作业准备阶段,应认真检查各项准备工作,确保施工的顺利进行。
9.1 质量控制措施本工程的质量控制措施包括但不限于以下措施:1.严格按照设计文件进行施工;2.严格执行施工方案,确保施工质量;3.定期进行质量检查,及时发现并纠正问题;4.保证施工人员持证上岗,并进行相关培训;5.保证施工现场的安全和环境卫生。
京广线(北京局)松林店(不含)~局界电气化改造工程立杆整正作业指导书文件编号:004编制单位:中铁五局(集团)有限公司京广铁路电化工程项目经理部1 目的规范现场作业,控制工程质量,确保安全、文明施工。
2 施工准备2.1劳力组织序号项目单位数量职能1 轨道车司助人员人2 司机、助手各1人2 吊车人员人 1 司机3 司索人员人 1 兼现场负责人4 立杆整正人员人5 立杆、整正、回填、带工5 防护人员人 2 驻站1人,现场1人2.2主要工机具序号名称规格单位数量备注1 轨道车台 12 轨道吊台 13 平板个 14 支柱整正器套 25 斜率测量仪1m 个 16 丁字尺 3.5-4.2 把 17 带工人员工具套 1 带工人员随身携带8 对讲机台 49 钢钎 1.5m 把 210 捣固锤把 111 铁锹长把把 412 安全帽顶若干每人1顶13 防护员其它工具套 2 防护员随身携带2.3主要材料设备 序号 名 称 规 格 单位 数量 备 注1 支柱 混凝土柱根 1 支柱型号依照设计图2 底板 块 1数量及规格依照设计图和土质情况定3 横卧板 块 若干 数量及规格依照设计图和土质情况定4 棕绳 Φ12~14 米 105 铁线 Φ4.0 kg 若干6 垫木300×200×200mm 块 2 数量根据有无底板来定 7圆木矫正器2m根23 工艺流程3.1安放底板将坑内的杂物清理干净,用棕绳将底板系好,缓慢放入坑底。
3.2立杆立杆车就位,司机操作吊车将杆吊起后对准坑位,支柱对准坑位后,徐徐下落,落至坑口时扶杆人员将支柱方向扭正,让杆缓缓落入坑底。
待支柱倚住坑壁稳定后,进行摘钩,取下钢丝套子、吊臂复原、安装列车撤离。
安放底板整正立杆安装上部 横卧板回填安装下部横卧板拆除 整正器填写隐蔽工程记录图23.3整正3.3.1将整正器的框架安装在支柱上(安装高度一般为轨面上方400mm左右),整正器一端四角固定于支柱四周适当位置上(确保不侵入限界),另一端连接到支柱框架上,摇动整正器手柄,用其丝杠长度的变化调整支柱限界。
本文部分内容来自网络整理,本司不为其真实性负责,如有异议或侵权请及时联系,本司将立即删除!== 本文为word格式,下载后可方便编辑和修改! ==吊车立杆作业指导书篇一:吊车保养作业指导书吊车保养作业指导书一、维护类别和职责:1 日常维护,每班工作中或工作后,操作人员进行。
1 一级技术保养,每月进行一次,由维修人员进行。
1. 二级技术保养,每年进行一次,由维修人员进行保养。
二、维护项目1 日常维护桥(门)式起重机:1空载试验时各机构能运转是否正常,有无异常响声。
2检查大、小车两端行程开关齐全、可靠,缓冲装置是否完好,特别注意上升限位是否可靠。
3制动器是否制动可靠;制动时闸瓦与制动轮接触良好、平稳;松开闸瓦时制动器的闸瓦间隙均匀;制动轮无裂纹无破损,无磨擦垫片固定铆钉引起的划痕。
4检查卷筒和滑轮上的钢丝绳缠绕是否正常,有无脱槽、串槽、打结、扭曲等现象,钢丝绳压板螺栓是否紧固,是否有双螺母防松装置。
5检查钢丝绳的磨损情况,是否有断丝等现象,检查钢丝绳的润滑状况。
6检查轨道上是否有阻碍运行的异物。
7吊钩固定可靠、转动部位灵活、无裂纹、无剥离,吊钩螺母的防松装置是否完整,吊钩危险断面磨损不大于原高度的5%。
8滑轮有防止钢丝绳子脱槽装置、罩壳完好无损坏,滑轮无裂纹、轮缘无缺损。
9检查金属结构及传动部分连接件的紧固。
10集电器托架及软线有无挂卡碰饶现象。
11行车上外露的有伤人可能的活动部件均有防护罩12驾驶室上大车平台舱口、端梁门、驾驶室平台栏杆门联锁开关正常有效13锚锭、夹轨器是否良好14行车上无悬浮物15驾驶室内无积灰、无烟头,玻璃无损坏16每班清扫起重机灰尘,每周对起重机进行全面清扫,清除其上污垢一次。
电动单梁(或半门)起重机:1空载试验时各机构能运转是否正常,有无异常响声。
2检查大车制动是否良好,两端行程开关齐全、可靠,缓冲装置是否完好,特别注意上升限位是否可靠。
3运行中检查主勾有无溜勾现象,及时报修调整。
一、组塔的准备工作(1)组织全体参加组塔人员,熟悉设计资料和有关质量检验及安全操作规定。
(2)按照施工组织设计的要求,对参加组塔人员进行明确分工。
根据不同分工,进行组塔所用工器具的准备及质量检查。
(3)组织有关人员,对铁塔基础进行质量检查。
若为现场浇制基础,其混凝土强度应达到设计强度的70%以上;基础顶面应经操平找正;基础各部分尺寸的误差应在有关规定允许误差范围以内。
(4)根据设计图纸中所列材料表,对运到现场的塔料进行一次全面检查:①检查塔料的规格、数量及质量情况。
塔料上所标型号、号码是否与该塔塔型相符,有无遗缺和损坏,如发现有锈蚀,要除掉铁锈涂以防腐油漆;②对检查出的弯曲或折伤塔料,应进行适当修理或更换;③检查各种螺栓和垫圈的规格、数量及质量情况。
所有经检查合格的塔料应按顺序、分规格堆放于塔位附近位置。
(5)按施工设计要求挖地锚坑、埋设地锚,并采取措施防止金属基础或其他预制式基础发生变化。
地锚的埋深,应根据不同土质条件,经过计算选定。
(6)地面整理。
在塔位附近的场地,应清除障碍物、积雪,垫平泥泞场地等。
二、地面组装1、构件布置首先,要根据抱杆能提升的高度、抱杆的承载能力等来划定构件,分段、分片及应带附铁的多少;其次,要根据施工场地的实际情况、构件本身有无方向限制及地面组装与构件吊装是否同时进行等,来确定构件的布置位置。
在一般情况下,不受安装方向限制的构件,如腿部、身部等,可以将构件布置在塔位的前后或左右。
受安装方向限制的构件,如铁塔横担、酒杯型及猫头型铁塔的颈部等,则应按安装方向要求进行布置,即横担构件布置在塔位前后侧,颈部构件布置在塔位的左右侧。
构件的分段,原则上按铁塔主材的分段进行组装。
当抱杆提升高度及承载能力允许时,也可将铁塔每侧主材的两段组成一片进行吊装,以减少吊装次数,加快安装速度。
无论安装构件是否受方向限制以及构件的分段如何,对每段两片构件的组装位置都要求尽可能对称。
当由于某些条件如地形,难于清除的障碍物等限制,确实无法使构件对称时,应在吊装操作上采取相应措施,以保持构件吊离地面时的平稳。
起重机作业指导书1. 背景介绍起重机作业是一项重要的工程作业,涉及到大型设备和重物的搬运和安装。
为了确保作业的安全和高效进行,制定起重机作业指导书是必要的。
本文将详细介绍起重机作业的标准格式的文本,包括作业计划、安全措施、操作步骤、风险评估等内容。
2. 作业计划2.1 作业目的本次起重机作业的目的是将一个重量为X吨的设备从地面上升至Y米高度并安装在指定位置。
2.2 作业时间起重机作业将于20XX年X月X日X时开始,预计作业持续时间为X小时。
2.3 作业地点作业地点位于XX工地,具体地址为XX省XX市XX区XX街道XX号。
3. 安全措施3.1 作业人员安全3.1.1 所有参与起重机作业的人员必须经过专业培训,并持有相应的操作证书。
3.1.2 作业人员必须佩戴符合标准的安全帽、安全鞋和其他个人防护装备。
3.1.3 作业人员在作业过程中必须保持专注,不得饮酒或受到其他影响。
3.2 设备安全3.2.1 起重机必须经过定期检查和维护,确保其良好的工作状态。
3.2.2 起重机必须符合国家相关标准,并经过合格的检测机构的认证。
3.2.3 起重机作业前必须进行功能检查,确保所有控制装置和安全装置正常工作。
3.3 环境安全3.3.1 作业现场必须进行周边环境的评估,确保没有危险物品或障碍物。
3.3.2 作业现场必须进行地面平整度检查,以确保起重机的稳定性。
3.3.3 作业现场必须设置明显的安全警示标志,指示作业区域和禁止入内区域。
4. 操作步骤4.1 准备工作4.1.1 检查起重机的工作记录和维护记录,确保其可靠性。
4.1.2 检查起重机的吊钩、钢丝绳等部件,确保其完好无损。
4.1.3 检查起重机的液压系统、电气系统等,确保其正常工作。
4.2 装载和卸载4.2.1 将起重机移动到装载区域,并进行安全固定。
4.2.2 使用起重机将设备从地面吊起,确保吊钩牢固地固定在设备上。
4.2.3 将设备小心地移动到指定的安装位置,并进行安全固定。
吊车立杆施工方案1. 引言吊车立杆施工是指利用吊车来完成立杆工作的一种施工方法。
立杆是指将杆件垂直安装在地面或其他基础上的工序,通常用于搭建电线杆、灯杆等结构。
本文将介绍吊车立杆施工的方案和步骤,以及注意事项。
2. 施工方案吊车立杆施工主要分为以下几个步骤:2.1 准备工作在进行吊车立杆施工前,需要进行充分的准备工作。
首先,需要对施工现场进行清理,确保没有障碍物。
其次,需要确定立杆位置,并进行标记。
最后,需要准备好施工所需的吊车和工具。
2.2 吊装杆件在吊杆施工中,吊车起到关键作用。
首先,需要将吊车稳定地停放在离立杆位置合适的地方。
然后,根据立杆的高度和重量选择合适的起重机械和吊具。
在吊装过程中,需要严格按照操作规程进行操作,以确保施工的安全性和顺利性。
2.3 安装立杆在吊装杆件到位后,需要进行立杆安装工作。
首先,要确保立杆底部与地面或基础接触平稳。
然后,根据设计要求进行立杆的固定和连接。
常用的固定方法包括焊接、螺栓连接等。
在进行固定和连接时,需要使用合适的工具和材料,严格按照施工图和规范进行操作。
2.4 检验和验收在立杆施工完成后,需要进行检验和验收工作。
检验主要包括立杆垂直度、立杆底部与地面或基础的接触情况等。
验收工作主要由专业人员进行,确保立杆安装符合设计要求和相关规范。
3. 注意事项在进行吊车立杆施工时,需要注意以下几个方面:3.1 安全施工吊车立杆施工是一项高风险的作业,安全是第一要务。
施工人员需要佩戴合适的安全防护装备,并严格按照施工规程进行操作。
同时,需要注意施工现场的安全管理,确保施工过程中没有人员和设备进入禁止区域。
3.2 吊车操作吊车的操作人员需要具备一定的经验和技术,熟练掌握起重机械的操作规程和吊杆的吊装方法。
在吊装杆件过程中,需要保持稳定并确保杆件垂直,防止发生意外事故。
3.3 杆件固定在进行杆件固定时,需要使用合适的工具和材料,严格按照设计要求进行固定和连接。
同时,需要对固定部位进行检查,确保固定牢固和稳定。
立杆整正作业指导书立杆、整正作业指导书一、施工组织1.1 基础交桩测量与检查确认1.2支柱安装与整正二、主要工机具2.1测量检查工具2.2支柱安装整正工机具3.1工艺流程:基础质量检查→支柱装车计划→材料运输→支柱外观质量检查→支柱吊装→支柱整正→测量检查→填写记录。
3.2基础质量检查:进行支柱吊装前,必须对支柱基础进行全面的质量检查,主要检查的内容:跨距检查、侧面限界检查、螺栓外漏长度与防腐质量、螺栓间距检查、基础接地端子预埋质量检查、基础顶面的高程偏差、基础的方位(垂直于线路中心、允许误差2o)。
对存在问题的基础,及时与站前施工单位联系,落实整改和处理结果(螺栓间距离检查如下图)。
对无法整改整改不到位的基础在交接时做好记录。
3.2支柱装车计划:按设计图纸结合现场基础施工情况,排列支柱类型、数量、卸车地点等计划,发到供货厂家按计划装车。
3.3材料运输:派人引导运货车,按计划尽量将支柱运到基础旁,减少二次倒运。
因地形、道路限制运不到基础旁的,就近运送到卸杆点附近的桥下、道口等汽吊能从路基上起吊的位置,便于二次倒运。
3.4支柱外观质量检查:安装产品规格书和技术标准要求,主要检查合格证、检验报告、型号、标识、外观尺寸、预留孔位、挠度与平直度、防腐和表面等质量情况。
3.5螺母预调整:在进行支柱吊装前,按垫片上表面至基础面距离5cm预安装下部螺母、垫片,用自制水平尺(按2‰设置)看平水平尺,调整螺母、垫片位置。
以减少支柱安装后的整正工作量。
3.6支柱安装:支柱安装前应核对基础型号及支柱型号,作业负责人引导汽车吊到合适位置,打上支腿。
支柱吊装应采用高强度尼龙吊装带或钢丝绳,防止损伤支柱表面漆层及镀锌,支柱吊装对位时防止碰撞基础螺栓,下落时要缓缓下落,防止刮伤螺纹,对角紧固2个以上螺母后,方可收吊臂。
3.7 支柱整正:先对支柱的纵线路方向和横线路方向斜率进行检查,对不达要求的进行调整。
调整时,先松动主螺母,用撬棍抬动支柱,根据斜率,有目的的调整柱底螺母。
起重机作业指导书标题:起重机作业指导书引言概述:起重机作业是一项涉及到重大安全风险的工作,正确的操作和管理对于保障人员安全和设备完好至关重要。
因此,制定一份起重机作业指导书是非常必要的,可以规范作业流程,提高作业效率,降低事故风险。
一、作业前准备1.1 确认作业需求:在进行起重机作业之前,必须明确作业的具体需求,包括起吊物体的重量、形状、尺寸等信息。
1.2 检查起重机设备:在作业前应仔细检查起重机设备的各项部件是否完好,确保设备能够正常运行。
1.3 确认作业环境:检查作业现场的地面情况、周围环境以及天气情况,确保作业环境安全。
二、作业操作流程2.1 吊装计划编制:根据作业需求和现场情况制定吊装计划,包括起吊点的选择、起吊方式、起吊高度等。
2.2 安全警示标识:在作业现场设置明显的安全警示标识,提醒人员注意安全,确保作业过程中不发生意外。
2.3 操作规范执行:操作人员必须按照规范的操作流程进行作业,严禁超载、超速等违规操作。
三、事故应急处理3.1 事故预案制定:在起重机作业指导书中应包含事故应急处理的流程和步骤,以应对突发情况。
3.2 事故报告程序:一旦发生事故,应立即上报相关部门,并按照规定程序进行报告和处理。
3.3 事故调查分析:对事故进行详细的调查分析,找出事故原因并采取措施避免再次发生。
四、作业结束及设备维护4.1 作业结束确认:作业结束后,应进行设备的检查确认,确保设备完好无损。
4.2 设备维护保养:定期对起重机设备进行保养和维护,延长设备使用寿命,提高设备性能。
4.3 作业报告归档:对作业过程进行记录和归档,以便日后查阅和总结经验教训。
五、人员培训和考核5.1 岗前培训:对起重机操作人员进行专业培训,确保其具备操作技能和安全意识。
5.2 定期考核评估:定期对操作人员进行考核评估,发现问题及时进行纠正和培训。
5.3 经验分享和总结:定期组织经验分享会议,总结作业中的经验和教训,不断提高作业水平和安全意识。
一、立杆(一)准备工作⒈人员:10~28人。
⒉工具:工程列车组、钢丝绳套、人字杆、滑轮组(或手板葫芦)、撬棍、铁锹、皮尺、钢管、大锤、手锤、450㎜活口扳手、安全带、安全绳、梯子、安全防护工具等。
⒊材料:垫木、方木、晃绳、土蓝、小绳、滑板、钢丝绳、地锚角钢等。
⒋资料:接触网平面布置图。
(二)作业方法、步骤⒈支柱的装卸支柱的吊装方法一般采用平吊。
平吊又分为单面两点平吊和一点平吊,前者适应于钢筋混凝土支柱,后者适用于钢柱。
钢筋混凝土支柱吊装时,将两个长度相等并套有橡皮的钢丝套子分别套在钢筋混凝土支柱根部的第一个腹孔和顶部的第二个腹孔处,杆子小面朝上,两侧绑好晃绳,然后起吊,如图2.1所示。
为了方便立杆,在吊装混凝土软横跨支柱时,一般将主筋少的一侧放在上面。
钢柱起吊时,可用一个短钢丝套子直接套在支柱重心处的主角钢上,如图2.2所示。
图2.1 钢筋混凝土支柱的吊装图2.2 钢柱的吊装往工程列车上装杆时,应按立杆顺序进行,即先立的后装,后立的先装。
起吊过程中,必须拉好晃绳。
支柱起落及左右回转速度应均匀,动作要平稳,不准紧急制动。
左右回转时,未停稳前不得做反向动作。
司机要密切注视吊钩的上升高度,防止升到顶点由于限位器失灵而造成事故。
当支柱被吊至码放点或平板车上方,且离地面或车板0.2~0.3m时,扶杆人员用撬棍接近被吊支柱,并与吊车司机配合,使支柱慢慢落至预先布置好的垫木上。
当钢丝绳松弛时,即可摘钩⒉钢筋混凝土支柱的堆放由于钢筋混凝土支柱易于损坏,在装卸杆作业过程中,要特别小心;堆放时,应用150×200㎜的方木垫起,根部应朝向一边,梢部统一在另一边;堆放不得超过三层,且层与层之间用方木垫在结点处,不得垫在腹孔中间,放置方式应是无腹孔侧(即杆子小面)朝上。
其堆放方法见图2.3。
⒊立杆图2.3 钢筋混凝土支柱的堆放⑴底板的安装底板必须在立杆之前安装。
安装前,先清除坑内杂物,并对坑底抄平夯实。
然后用绳子将底板系住,缓慢放入坑中。
起重吊装安全作业指导书1、桁片:必须符合设计要求,有检验报告单。
2、钢丝绳:选用的钢丝绳必须符合GB110274标准。
3、限位保险安装置:必须有出厂合格证。
4、轨道:应选用38KG/M或43KG/M,接头应错开1.5m以上,两轨高差+40mm。
5、主要机具:卷扬机、吊具、钢丝绳、轨道、滑轮组等。
二、作业条件:1、起重机吊装人员必须经培训考核合格并持特种作业证上岗作业。
2、电源应符合要求。
3、作业现场要有安全防坠设施,防止触电、高坠、起重伤害等事故。
三、安全措施:1、作业人员在作业前必须对工作现场环境、架空电线以及构件重量和分布情况进行全面了解。
2、作业人员必须穿戴个人防护用品,佩戴安全帽。
3、必须遵守十不吊等有关安全技术规定。
4、起重吊装安装后,必须按规定验收通过后方可使用。
5、夜间作业必须有充足的照明。
6、起重机行驶轨道不得有障碍物或下沉现象,轨道压板螺栓完整有效,轨道末端应有上档装置和限位器撞杆。
7、工作前应检查转动部位润滑油量,钢丝绳磨损情况及各种限位和保险装置等,如不符合要求,应及时修整,经试运转正常后方可正式施工。
8、操作人员必须得到指挥信号后,方可进行操作,操作前操作人员按电铃发信号。
9、工作休息或下班时,不得将重物悬挂在空中。
10、作业前,应进行空载运行实验,严禁任何人从吊物下方通过。
11、工作完毕,应用夹轨钳把设备夹紧在轨道上,切断电源。
12、当遇到六级以上大风时,应停止作业。
起重吊装安全作业指导书(2)一、引言起重吊装是一项危险性较高的作业,需要严格遵守相关的安全规范和操作规程,以确保作业人员的人身安全和设备的正常运行。
本指导书旨在向起重吊装作业人员提供全面的安全作业指导,规范其操作行为,降低事故发生的风险,确保安全高效地完成作业任务。
二、起重吊装的安全风险及预防措施1. 现场安全风险:(1)起重吊装场地周围的环境及地基条件是否适合吊装作业,如有明显的地质构造或设施障碍物,应进行必要的处理和评估。
新建铁路西安至宝鸡客运专线咸阳西立交特大桥跨西宝高速(64.15+136+64.15)m连续梁吊杆施工作业指导书西宝客运专线XBZQ-1标工程二0一二年十月·西安目录1 工程概况 (3)2 目的 (3)3 适用范围 (3)4 编制依据 (3)5 技术标准及要求 (4)6 施工程序与工艺流程 (4)7 施工方法 (4)8 劳力、机具设备配置 (7)9 材料要求 (8)10 施工技术措施 (9)11质量通病及特殊情况处理方法 (9)12质量控制及检验 (9)13安全质量、文明施工 (10)1 工程概况西宝铁路客运专线咸阳西立交特大桥采用(64.15+136+64.15)m连续梁-拱结构上跨西宝高速公路。
全梁共设14对吊杆,第一根吊杆距离支点16m,其余吊杆中心间距800cm,采用109丝φ7mm低应力环氧喷涂高强钢丝成品吊杆。
为防止人为破坏,在距梁顶4m范围内,于吊杆PE护套外,加设1m厚的不锈钢管予以防护。
吊杆锚具采用配套LZM7-109型冷铸镦头锚具,张拉端位于拱肋上端。
2 目的2.1使现场人员有章可循,使施工中安全风险评估和过程控制规范化,保证全过程的安全和质量;2.2对内、对外提供文件化的证据;2.3作为持续改进质量、环境和职业安全健康管理体系的基础和依据;2.4用作学习与培训教材,以提高人员素质和技术水平。
3 适用范围本作业指导书适用西宝客运专线(64.15+136+64.15)m连续梁—拱组合结构吊杆施工。
4 编制依据《新建铁路西安至宝鸡客运专线咸阳西立交特大桥DIK515+148.93~DIK515+413.48段(64.15+136+64.15)m预应力混凝土连续梁》、《西宝客专桥施(特)10-10-11》设计图纸。
《铁路混凝土工程施工质量验收标准》(TB10424-2010)《高速铁路桥涵工程施工质量验收标准》(TB10752-2010 J1148-2011)《预应力用锚具、夹片和连接器》(GB/T14370-2000)《斜拉桥热挤聚乙烯高强钢丝拉索技术条例》GB/T18365-20015 技术标准及要求5.1吊杆及配件的品种、规格、质量应符合设计要求和国家相关标准的规定。
吊车立杆施工方案吊车立杆施工方案一、施工前准备1.1 施工人员:根据具体情况确定施工人员数量,确保施工工作能够顺利进行。
1.2 施工材料:准备好所需的吊车立杆材料,包括立杆、连接件、锁紧螺栓等。
1.3 施工设备:准备好需要使用的吊车,并检查其是否正常运行。
1.4 施工区域:确定好施工区域,并做好标志和隔离措施,以确保施工安全。
二、施工步骤2.1 安装立杆基础:根据设计要求,在施工区域挖掘好立杆基础洞口,并清理干净。
2.2 安装立杆:根据设计要求,使用吊车将立杆吊起,并放入立杆基础洞口中,然后用螺栓进行固定。
2.3 连接立杆:根据设计要求,将各个立杆之间进行连接。
使用连接件和锁紧螺栓进行固定。
2.4 调整立杆:使用调整螺栓对立杆进行调整,使其垂直度和水平度达到要求。
2.5 加固立杆:根据设计要求,对立杆进行加固,如添加一些支撑件等,以增加立杆的稳定性。
2.6 安装吊装设备:根据具体需求,安装吊装设备,确保能够满足施工需求。
2.7 施工验收:完成立杆施工后,进行施工验收,并做好相关记录。
三、安全措施3.1 操作规范:施工人员必须按照操作规范进行施工,严禁违章操作。
3.2 安全防护:施工人员必须佩戴好安全帽、安全鞋等个人防护用品,并做好周围的安全防护措施。
3.3 吊车安全:吊车必须经过检查,确保其正常运行,并严禁在施工过程中超负荷操作。
3.4 施工区域隔离:施工区域必须做好标志和隔离措施,确保施工过程中没有无关人员进入。
3.5 施工现场整洁:施工现场必须保持整洁,杂物和垃圾必须及时清理,以防发生意外。
四、施工质量检查4.1 施工尺寸:对立杆的尺寸进行检查,确保其符合设计要求。
4.2 立杆安装稳定性:对立杆进行稳定性检查,确保施工后不易发生倾斜和脱离的情况。
4.3 连接件和螺栓:对连接件和螺栓进行检查,确保其固定牢固。
4.4 吊装设备安装:对吊装设备的安装进行检查,确保其正常运行。
4.5 施工记录:做好施工记录,记录施工过程中的重要事项和发现的问题,并及时处理。
铁岭柴河水库15MW渔光、农光互补光伏发电项目地面及大棚部分(7。
5438MW)安装工程钢管杆作业指导书沈阳汇广信电力工程有限公司铁岭柴河水库15MW渔光、农光互补光伏发电项目项目部二〇一七年六月铁岭柴河水库15MW渔光、农光互补光伏发电项目地面及大棚部分(7.5438MW)安装工程钢管杆作业指导书批准:审核:编制:一、工程概况1.本工程光伏电站地面及大棚部分7。
5438MWP,光伏电站出1回10kV导线型号为JKLYJ —240,导线长度为420m,钢管杆4基,交叉跨越情况:跨越水渠1处。
全线采用吊装钢管杆,共有新建杆塔4基。
二、作业流程吊车吊装钢管杆作业(工序)流程图三、施工准备1.材料准备对进入现场的杆材应进行清点和检验,保证进场材料质量符合相关要求。
2.技术准备(1)钢管杆基础必须经中间检查验收合格,基础混凝土的抗压强度不允许低于设计强度的70%。
(2)钢管杆接地装置施工完毕,具备与杆身可靠连接的条件.(3)熟悉设计文件和图纸,根据施工条件选择吊车吊装或者座地抱杆吊装的施工方案,及时进行技术交底。
(4) 组立前要对运输道路进行踏勘,吊车司机必须参加,特别是使用较大型的吊车,必须事先对道路、桥梁及涵洞的承载能力进行调查,满足要求后方可进行吊装方案设计。
(5)对施工场地进行平整,对影响吊车吊装施工范围内的障碍物事先采取措施进行清理或避让。
3。
工器具准备(1)根据塔重、塔高、吊车的起吊负荷等选用合适吨位的吊车。
吊车应具备安检合格证,司机应持吊车上岗操作证,起吊前应对吊车进行全面检查.(2)对进入施工现场的机具、工器具进行清点、检验或现场试验,确保施工工器具完好并符合相关要求.(3)根据安全文明施工的要求和铁塔结构,配备相应的安全设施。
四、安全注意事项1、吊车组立钢管杆前施工人员必须做到三个明确:明确钢管杆吊装顺序,明确每次吊装质量,明确吊点位置。
2、施工现场周围必须设置围栏,禁止非施工人员入内,并做好现场安全的宣传与监督工作。
吊车立杆作业指导书编写:年月日审核:年月日批准:年月日作业负责:作业日期年月日时至年月日时湖北省电力公司武汉供电公司第1页共9页1、范围本作业指导书针对吊车工作,仅适用于该项工作。
2、引用文件2.1国家电网安监[2005]83号《国家电网公司电业安全工作规程(电力线路部分)》(试行)2.2……机械设备2.3GB/T19001-2000质量管理体系要求2.4汉供电安字[1998]008号《工作票、操作票制度实施细则》2.5原武汉供电局手册《配电线路工程施工危险点分析与控制措施手册》(试行)3、工作前准备3.1、准备工作安排第2页共9页3.2、人员要求3.3、工器具3.4、材料3.5、危险点分析3.6、安全措施第4页共9页第5页共9页3.7、作业分工4、作业程序4.1、开工4.2、作业内容及标准第6页共9页员下杆,向工作负责人报告注意下杆安全,不抛物吊车位置确定系吊点选择合适的位置停好吊车应便于施工为防止吊车支撑脚下沉,应在支承退下装设垫物。
软地基使用枕木吊车支承应平稳牢固。
注意检查吊点的选择:吊点距杆顶的距离见参考数值。
防止严重不平衡系3根临时控制拉绳(晃绳)于吊点上部。
起吊时应有专人控制根据吊车立杆的施工技术措施,按起吊现场的布置,检查各项起吊前准备指挥起吊电杆调整电杆回填土夯实措施及工器具是否合乎要求立杆过程中,杆坑内及附近严禁有人员工作除工作负责人及指定人员外,其他人员必须在远离杆下1.2倍杆高的距离以外现场统一信号,专人指挥当电杆离开地面0.5米—1米时,应暂时停止起吊,相关人员对电杆各受力点进行检查,确无问题后方可继续起吊在电杆起吊时,检查人员要注意整个起吊过程的工作情况,如发现有异常情况,应及时汇报并予以处理电杆立好后,调整电杆垂直至符合要求直线杆的横向位移不大于50mm直线杆倾斜:10KV以下线路杆梢的位移不应大于杆梢直径的1/2基坑每回填500mm应夯实一次,适当对电杆予以调整。
松软土质的基坑,回填土时应增加夯实次数或采取加固措施基坑回填土土块应打碎1检查吊车受力情况2检查电杆受力后的情况1、禁止多人乱指挥2、起吊是各负其责3、及时发现异常情况注意防止工器具伤人回填土后的电杆基坑宜设防沉土层。
篇一:吊车作业指导书吊车作业指导书吊车驾驶员岗位作业指导书本作业指导书主要描述吊车驾驶员岗位所从事的主要工作及工作过程中涉及的主要风险、可能导致的事故和应急措施,以及涉及的其它应知应会知识等。
1主要作业内容听从指挥的指挥,控制起重机,通过吊、索具完成物资的装卸作业 2 本岗位的基本要求2.1吊车驾驶员必须取得公安交通管理部门核发的驾驶证、集团公司颁发的内部准驾证和三明市质量技术监督局颁发的特种设备操作证、交通部核发的从业资格证、技术等级初级证书后方可上岗。
2.2吊车驾驶员必须按照设备巡回检查图对所驾设备进行每日“一日三检”,岗位的“巡回检查”。
2.3基本要求:2.3.1上岗前参加班前安全讲话。
服从班长工作安排,对本岗位工作的风险进行识别并制定相应的控制措施。
2.3.2 每周按时参加周一安全例会,认真开展自学活动,做好学习记录。
2.3.3 每季度参加一次应急演练。
2.4 正确穿戴劳保上岗作业。
2.5作业许可2.5.1双机以上联合作业应办理二级作业许可证2.5.2一般吊装作业应由本队或本班组批准。
2.6 有关违章处罚的要求:违反本作业指导书规定要求,将遵照《物资供销公司hse奖惩管理办法》执行,每发现一起一般违章行为视情节轻重处责任者300-500元罚款;每发现一起严重违章行为视情节轻重处责任者500-1000元罚款;每发现一起特别严重违章行为视情节轻重处责任者1000-2000元罚款。
违章年积分达到4分的,给予批评教育和口头警告;违章年积分达到5-8分的,给予1-3个月的待岗培训处理;违章年积分达到9-14分的,给予3-6个月待岗培训处理;违章年积分达到16分记以上的,给予免职或解除劳动合同处理。
同时视违章情况给予取消技能鉴定资格、先进评比资格、取消年终安全奖等处罚。
2.7实施“两卡”的有关规定作业时随身携带“两卡”(三违行为登记卡,危害识别与隐患登记卡),发现问题及时登记并上报。
3 作业过程中的风险控制3.1作业过程描述1)明确任务和要求,班前会由班长分派任务,本人确定并签字后,把证件携带齐全,并加好油料。
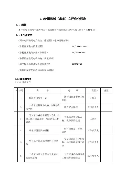
吊车立杆作业指导书
编写:年月日
审核:年月日
批准:年月日
作业负责:
作业日期年月日时至年月日时湖北省电力公司武汉供电公司
1、范围
本作业指导书针对吊车工作,仅适用于该项工作。
2、引用文件
2.1 国家电网安监[2005]83号《国家电网公司电业安全工作规程(电力线路部分)》(试行)2.2 ……机械设备
2.3 GB/T19001-2000 质量管理体系要求
2.4汉供电安字[1998]008号《工作票、操作票制度实施细则》
2.5 原武汉供电局手册《配电线路工程施工危险点分析与控制措施手册》(试行)
3、工作前准备
3.1、准备工作安排
3.2、人员要求
3.3、工器具
3.4、材料
3.5、危险点分析
3.6、安全措施
3.7、作业分工
4、作业程序
4.1、开工
4.2、作业内容及标准
4.3、竣工
5、消缺记录
6、验收总结
7、指导书执行情况评估。