1主要工程数量表
- 格式:doc
- 大小:49.00 KB
- 文档页数:7
附件主要工程数量表主要工程数量表附件资格条件(资质最低条件)注:投标人施工资质必须在交易系统(交通平台)中进行备案登记,数据应与系统中一致。
附件资格条件(业绩最低要求)注:投标人施工业绩必须在交易系统(交通平台)中进行备案登记,数据应与系统中一致。
附件资格条件(信誉最低要求)附件资格条件(项目经理、施工负责人和设计负责人最低要求)致。
附件联合体协议书联合体协议书(格式)____ (所有成员单位名称)自愿组成联合体,共同参加抚州东外环高速公路新建工程设计施工总承包投标。
现就联合体投标事宜订立如下协议。
. ______ (某成员单位名称)为联合体牵头人, _____ (某成员单位名称)为联合体成员。
.联合体牵头人合法代表联合体各成员负责本招标项目投标文件编制和合同谈判活动,代表联合体提交和接收相关的资料、信息及指示,处理与之有关的一切事务,并负责合同实施阶段的主办、组织和协调工作。
.联合体将严格按照招标文件的各项要求,递交投标文件,履行合同,并对外承担连带责任。
.联合体牵头人代表联合体签署投标文件,联合体牵头人的所有承诺均认为代表了联合体各成员。
.联合体各成员单位内部的职责分工如下:(牵头人名称)承担项目工程施工工作;(成员名称)承担项目施工图设计工作。
.投标工作和联合体在中标后工程实施过程中的有关费用按各自承担的工作分摊。
.本协议书自签署之日起生效,合同履行完毕后自动失效。
.本协议书一式份,联合体各成员和招标人各执一份。
注:本协议书由委托代理人签字的,应附法定代表人签字的授权委托书。
牵头人名称:________________________________________ (盖单位章)法定代表人或其委托代理人:_______________________________ (签字)成员一名称:(盖单位章)法定代表人或其委托代理人:_______________________________ (签字)注:① 此格式为最低要求,内容不限于此;② 联合体在购买招标文件时须提交此表。
分部、分项工程开工报告编写内容及用表第一部分分部、分项工程开工报告编写内容及用表填写说明:1、分部工程开工报告,由承包人提出后报驻地办初审,报总监办审查,符合要求后经总监办同意后才能正式施工。
分项工程开工报告由承包人提出后,经驻地办审查,符合要求后由驻地同意后才能正式施工。
分部(分项)工程开工报告表前面要有红头文件的申请报告,驻地办在批准分项工程开工的同时附加工序质量检查程序和分管该项目的专业监理工程师和现场监理名单。
2、分部(分项)工程开工报告主要内容有施工组织设计报审表、施工放样检验表、建筑材料报验单、进场设备报验单。
依据技术规范列明本项工程的质量控制指标检验频率和方法。
拟使用的施工原始记录表,现场质量检验报告单。
3、施工放样检验表由高级驻地测量工程师签认,测量成果由测量监理员签认。
4、建筑材料报验单须附分部(分项)工程所用的各种原材料、成品、半成品、混合料配合比使用许可证及施工、监理单位所做的原材料试验、标准试验、混合料配合比试验报告,使用许可证须经高级驻地办和总监办材料工程师签认后方能使用。
5、对原材料试验、标准试验、混合料配合比试验,驻地办试验室与施工单位做平行试验,总监办可做符合性试验;重要技术指标如:C30以上砼配合比试验、沥青马歇尔试验、面层(基层、底基层)混合料配合比试验,总监办必须做符合性试验批复。
6、试验报告中应说明对试验结果的意见,需要计算的列出计算式。
试验报告和试验记录必须盖有试验室专用章才能生效。
7、试验记录中的使用部位、取样地点等填写要明确,签字齐全。
8、监理抽检资料要真实,杜绝他人代填现象。
各分部(分项)工程所附表格如下:路基工程1、路基土石方工程分部(分项)工程开工申请批复单Kxxx+xxx—kxxx+xxx段路基土石方工程分部(分项)工程开工报告施工组织设计报审表○1工程概况及主要工程数量表○2详细的施工进度计划(网络图/横道图)○3项目管理组织机构及人员进场计划○4材料、设备、人员进场计划○5重点工程施工技术方案○6质量控制措施○7文明施工及安全生产控制措施(1)施工放样报验单○1高程测量成果表○2中线测量成果表(2)施工材料报验单○1标准试验(标准击实)许可证○2含水量试验记录○3颗粒分析试验记录表(筛分法)○4土的界限含水量试验记录表(液塑限联合测定)○5粗粒、巨粒土最大干密度试验记录表(振动台法)○6土的击实试验记录表(重型)○7土的承载比试验(CBR密度记录)○8土的承载比试验(CBR贯入记录)○9土的承载比试验10膨胀量试验记录表○11承载比(CBR)试验成果报表○12承载比(CBR)试验成果报表○13土工试验成果报审表○14土工试验成果表进场设备报验单○路基排水工程分部(分项)工程开工申请批复单Kxxx+xxx—kxxx+xxx段路基排水工程分部(分项)工程开工报告(1)施工组织设计报审表○1工程概况及主要工程数量表○2详细的施工进度计划(网络图/横道图)○3项目管理组织机构及人员进场计划○4材料、设备、人员进场计划○5重点工程施工技术方案○6质量控制措施○7文明施工及安全生产控制措施(2)施工放样报验单○1高程测量成果表(3)○2中线测量成果表施工材料报验单(4)○1水泥使用许可证(5)a、水泥出厂合格证b、水泥试验分析表c、水泥细度试验记录表d、水泥标准稠度用水量、凝结时间、安定性试验记录表e、水泥胶砂强度试验记录表○2砂(砾)石使用许可证a、细集料筛分试验记录表b、细集料含泥量、泥块含量试验记录表c、细集料堆积密度试验记录表d、细集料表观密度试验记录表(容量瓶法)e、集料坚固性试验记录表○3片(块)石使用许可证a、石料单轴抗压强度试验记录表b、石料冻融试验记录表○4标准试验(水泥砂浆配合比设计)许可证a、水泥砼(砂浆)配合比设计报告b、水泥砼抗压强度试验记录表水泥砂浆抗压强度试验记录表○5钢筋使用许可证a、钢筋出厂合格证b、金属拉力试验记录表c、金属接头试验报告○6碎(砾)石使用许可证a、粗集料筛分试验记录表b、粗集料针片状颗粒含量记录表c、粗集料含泥量、泥块含量试验记录表d、粗集料压碎指标值试验记录表e、粗集料表观密度试验记录表(网篮法)f、粗集料表观密度试验记录表(容量瓶法)g、粗集料堆积密度试验记录表h、粗集料坚固性试验记录表(6)进场设备报验单2、小桥、符合小桥标准的通道分部(分项)工程开工申请批复单Kxxx+xxx小桥、符合小桥标准的通道分部(分项)工程开工报告(1)施工组织设计报审表○1工程概况及主要工程数量表○2详细的施工进度计划(网络图/横道图)○3项目管理组织机构及人员进场计划○4材料、设备、人员进场计划○5重点工程施工技术方案○6质量控制措施○7文明施工及安全生产控制措施(7)施工放样报验单○1高程测量成果表○2中线测量成果表(8)施工材料报验单○1钢筋使用许可证a、钢筋出厂合格证b、金属拉力试验记录表c、金属接头试验报告○2水泥使用许可证a、水泥出厂合格证b、水泥试验分析表c、水泥细度试验记录表d、水泥标准稠度用水量、凝结时间、安定性试验记录表e、水泥胶砂强度试验记录表○3碎(砾)石使用许可证a、粗集料筛分试验记录表b、粗集料针片状颗粒含量记录表c、粗集料含泥量、泥块含量试验记录表d、粗集料压碎指标值试验记录表e、粗集料表观密度试验记录表(网篮法)f、粗集料表观密度试验记录表(容量瓶法)g、粗集料堆积密度试验记录表h、粗集料坚固性试验记录表○4砂(砾)石使用许可证a、细集料筛分试验记录表b、细集料含泥量、泥块含量试验记录表c、细集料堆积密度试验记录表d、细集料表观密度试验记录表(容量瓶法)e、集料坚固性试验记录表○5片(块)石使用许可证a、石料单轴抗压强度试验记录表b、石料冻融试验记录表○6标准试验(水泥砂浆配合比设计)许可证a、水泥砼(砂浆)配合比设计报告b、水泥砼抗压强度试验记录表水泥砂浆抗压强度试验记录表○7钢铰线、支座的试验需附:出厂合格证、委托试验使用许可证外委试验报告(分项工程开工报告用)(9)进场设备报验单3、涵洞、通道分部(分项)工程开工申请批复单Kxxx+xxx涵洞、通道分部(分项)工程开工报告(1)施工组织设计报审表○1工程概况及主要工程数量表○2详细的施工进度计划(网络图/横道图)○3项目管理组织机构及人员进场计划○4材料、设备、人员进场计划○5重点工程施工技术方案○6质量控制措施○7文明施工及安全生产控制措施(10)施工放样报验单○1高程测量成果表○2中线测量成果表(11)施工材料报验单○1钢筋使用许可证a、钢筋出厂合格证b、金属拉力试验记录表c、金属接头试验报告○2水泥使用许可证a、水泥出厂合格证b、水泥试验分析表c、水泥细度试验记录表d、水泥标准稠度用水量、凝结时间、安定性试验记录表e、水泥胶砂强度试验记录表○3碎(砾)石使用许可证a、粗集料筛分试验记录表b、粗集料针片状颗粒含量记录表c、粗集料含泥量、泥块含量试验记录表d、粗集料压碎指标值试验记录表e、粗集料表观密度试验记录表(网篮法)f、粗集料表观密度试验记录表(容量瓶法)g、粗集料堆积密度试验记录表h、粗集料坚固性试验记录表○4砂(砾)石使用许可证a、细集料筛分试验记录表b、细集料含泥量、泥块含量试验记录表c、细集料堆积密度试验记录表d、细集料表观密度试验记录表(容量瓶法)e、集料坚固性试验记录表○5片(块)石使用许可证a、石料单轴抗压强度试验记录表b、石料冻融试验记录表○6标准试验(水泥砂浆配合比设计)许可证或标准试验(水泥砼配合比设计)许可证a、水泥砼(砂浆)配合比设计报告b、水泥砼抗压强度试验记录表水泥砂浆抗压强度试验记录表(10)进场设备报验单:4、砌筑防护分部(分项)工程开工申请批复单Kxxx+xxx—kxxx+xxx段砌筑防护分部(分项)工程开工报告(1)施工组织设计报审表○1工程概况及主要工程数量表○2详细的施工进度计划(网络图/横道图)○3项目管理组织机构及人员进场计划○4材料、设备、人员进场计划○5重点工程施工技术方案○6质量控制措施○7文明施工及安全生产控制措施(2)施工放样报验单○1高程测量成果表○2中线测量成果表○1水泥使用许可证a、水泥出厂合格证b、水泥试验分析表c、水泥细度试验记录表d、水泥标准稠度用水量、凝结时间、安定性试验记录表e、水泥胶砂强度试验记录表○2碎(砾)石使用许可证a、粗集料筛分试验记录表b、粗集料针片状颗粒含量记录表c、粗集料含泥量、泥块含量试验记录表d、粗集料压碎指标值试验记录表e、粗集料表观密度试验记录表(网篮法)f、粗集料表观密度试验记录表(容量瓶法)g、粗集料堆积密度试验记录表h、粗集料坚固性试验记录表○3砂使用许可证a、细集料筛分试验记录表b、细集料含泥量、泥块含量试验记录表c、细集料堆积密度试验记录表d、细集料表观密度试验记录表(容量瓶法)e、集料坚固性试验记录表○4片(块)石使用许可证a、石料单轴抗压强度试验记录表b、石料冻融试验记录表○5标准试验(水泥砂浆配合比设计)许可证或标准试验(水泥砼配合比设计)许可证a、水泥砼(砂浆)配合比设计报告b、水泥砼抗压强度试验记录表:水泥砂浆抗压强度试验记录表5、大型挡土墙分部(分项)工程开工申请批复单Kxxx+xxx—kxxx+xxx段大型挡土墙分部(分项)工程开工报告(1)施工组织设计报审表○1工程概况及主要工程数量表○2详细的施工进度计划(网络图/横道图)○3项目管理组织机构及人员进场计划○4材料、设备、人员进场计划○5重点工程施工技术方案○6质量控制措施○7文明施工及安全生产控制措施(2)施工放样报验单○1高程测量成果表○2中线测量成果表(3)施工材料报验单○1钢筋使用许可证a、钢筋出厂合格证b、金属拉力试验记录表c、金属接头试验报告○2水泥使用许可证a、水泥出厂合格证b、水泥试验分析表c、水泥细度试验记录表d、水泥标准稠度用水量、凝结时间、安定性试验记录表e、水泥胶砂强度试验记录表○3碎(砾)石使用许可证a、粗集料筛分试验记录表b、粗集料针片状颗粒含量记录表c、粗集料含泥量、泥块含量试验记录表d、粗集料压碎指标值试验记录表e、粗集料表观密度试验记录表(网篮法)f、粗集料表观密度试验记录表(容量瓶法)g、粗集料堆积密度试验记录表h、粗集料坚固性试验记录表○4砂(砾)石使用许可证a、细集料筛分试验记录表b、细集料含泥量、泥块含量试验记录表c、细集料堆积密度试验记录表d、细集料表观密度试验记录表(容量瓶法)e、集料坚固性试验记录表○5片(块)石使用许可证a、石料单轴抗压强度试验记录表:b、石料冻融试验记录表○6标准试验(水泥砂浆配合比设计)许可证或标准试验(水泥砼配合比设计)许可证a、水泥砼(砂浆)配合比设计报告b、水泥砼抗压强度试验记录表水泥砂浆抗压强度试验记录表(4)进场设备报验单路面工程6、路面垫层分部(分项)工程开工申请批复单Kxxx+xxx—kxxx+xxx段路面垫层工程分部(分项)工程开工报告(1)施工组织设计报审表○1工程概况及主要工程数量表○2详细的施工进度计划(网络图/横道图)○3项目管理组织机构及人员进场计划○4材料、设备、人员进场计划○5重点工程施工技术方案○6质量控制措施○7文明施工及安全生产控制措施(2)施工放样报验单○1高程测量成果表○2中线测量成果表(3)施工材料报验单○1砂(砾)石使用许可证a、细集料筛分试验记录表b、细集料含泥量、泥块含量试验记录表c、细集料堆积密度试验记录表d、细集料表观密度试验记录表(容量瓶法)e、集料坚固性试验记录表○2标准试验(标准击实)许可证a、粗粒、巨粒土最大干密度试验记录表(振动台法)b、土的击实试验记录表(重型)○3碎(砾)石使用许可证a、粗集料筛分试验记录表b、粗集料针片状颗粒含量记录表c、粗集料含泥量、泥块含量试验记录表d、粗集料压碎指标值试验记录表e、粗集料表观密度试验记录表(网篮法)f、粗集料表观密度试验记录表(容量瓶法)g、粗集料堆积密度试验记录表(4)进场设备报验单7、路面基层、底基层分部(分项)工程开工申请批复单Kxxx+xxx—kxxx+xxx段路面基层、底基层工程分部(分项)工程开工报告(1)施工组织设计报审表○1工程概况及主要工程数量表○2详细的施工进度计划(网络图/横道图)○3项目管理组织机构及人员进场计划○4材料、设备、人员进场计划○5重点工程施工技术方案○6质量控制措施○7文明施工及安全生产控制措施(2)施工放样报验单○1高程测量成果表○2中线测量成果表(3)施工材料报验单○1碎(砾)石使用许可证a、粗集料筛分试验记录表b、粗集料针片状颗粒含量记录表c、粗集料含泥量、泥块含量试验记录表d、粗集料压碎指标值试验记录表e、粗集料表观密度试验记录表(网篮法)f、粗集料表观密度试验记录表(容量瓶法)g、粗集料堆积密度试验记录表h、粗集料坚固性试验记录表○2砂(砾)石使用许可证a、细集料筛分试验记录表b、细集料含泥量、泥块含量试验记录表c、细集料堆积密度试验记录表d、细集料表观密度试验记录表(容量瓶法)e、集料坚固性试验记录表○3水泥使用许可证a、水泥出厂合格证b、水泥试验分析表c、水泥细度试验记录表d、水泥标准稠度用水量、凝结时间、安定性试验记录表e、水泥胶砂强度试验记录表○4标准试验(稳定粒料(土)配合比)许可证a、基层、底基层材料配合比设计报告b、无机结合料稳定土无侧限抗压记录表○4标准试验(标准击实)许可证a、粗粒、巨粒土最大干密度试验记录表(振动台法)b、土的击实试验记录表(重型)(4)进场设备报验单8、路面面层分部(分项)工程开工申请批复单Kxxx+xxx—kxxx+xxx段路面面层工程分部(分项)工程开工报告(1)施工组织设计报审表○1工程概况及主要工程数量表○2详细的施工进度计划(网络图/横道图)○3项目管理组织机构及人员进场计划○4材料、设备、人员进场计划○5重点工程施工技术方案○6质量控制措施○7文明施工及安全生产控制措施(2)施工放样报验单○1高程测量成果表○2中线测量成果表(3)施工材料报验单○1碎(砾)石使用许可证a、粗集料筛分试验记录表b、粗集料针片状颗粒含量记录表c、粗集料含泥量、泥块含量试验记录表d、粗集料压碎指标值试验记录表e、粗集料表观密度试验记录表(网篮法)f、粗集料表观密度试验记录表(容量瓶法)g、粗集料堆积密度试验记录表h、粗集料坚固性试验记录表○2沥青使用许可证a、沥青密度与相对密度试验记录表b、沥青蜡含量试验记录表c、沥青溶解度试验记录表d、沥青针入度、延度、软化点试验记录表○3矿粉使用许可证a、矿粉试验分析表b、矿粉筛分试验记录表c、矿粉密度试验记录表(李式比重瓶法)d、矿粉含水量试验记录表e、矿粉亲水系数试验记录表○4标准试验(沥青混合料配合比设计)许可证a、沥青砼配合比设计报告b、沥青混合料的矿料级配设计试验记录表c、沥青混合料的矿料级配检验试验记录表d、压实沥青混合料试件的密度试验记录表(蜡封法)e、压实沥青混合料试件的密度试验记录表(表干法)f、沥青混合料马歇尔稳定度试验记录表g、矿料各项技术指标、配比设计汇总表(4)进场设备报验单桥梁工程9、基础及下部构造分部(分项)工程开工申请批复单Kxxx+xxx大(中)桥基础及下部构造工程分部(分项)工程开工报告(1)施工组织设计报审表○1工程概况及主要工程数量表○2详细的施工进度计划(网络图/横道图)○3项目管理组织机构及人员进场计划○4材料、设备、人员进场计划○5重点工程施工技术方案○6质量控制措施○7文明施工及安全生产控制措施(2)施工放样报验单○1高程测量成果表○2中线测量成果表○3大、中桥控制测量成果表(3)施工材料报验单○1钢筋使用许可证a、钢筋出厂合格证b、金属拉力试验记录表c、金属接头试验报告○2水泥使用许可证a、水泥出厂合格证b、水泥试验分析表c、水泥细度试验记录表d、水泥标准稠度用水量、凝结时间、安定性试验记录表e、水泥胶砂强度试验记录表○3碎(砾)石使用许可证a、粗集料筛分试验记录表b、粗集料针片状颗粒含量记录表c、粗集料含泥量、泥块含量试验记录表d、粗集料压碎指标值试验记录表e、粗集料表观密度试验记录表(网篮法)f、粗集料表观密度试验记录表(容量瓶法)g、粗集料堆积密度试验记录表h、粗集料坚固性试验记录表○4砂(砾)石使用许可证a、细集料筛分试验记录表b、细集料含泥量、泥块含量试验记录表c、细集料堆积密度试验记录表d、细集料表观密度试验记录表(容量瓶法)e、集料坚固性试验记录表○5片(块)石使用许可证a、石料单轴抗压强度试验记录表b、石料冻融试验记录表○6标准试验(水泥砂浆配合比设计)许可证或标准试验(水泥砼配合比设计)许可证a、水泥砼(砂浆)配合比设计报告b、水泥砼抗压强度试验记录表水泥砂浆抗压强度试验记录表(4)进场设备报验单10、上部构造预制和安装分部(分项)工程开工申请批复单Kxxx+xxx大(中)桥上部构造预制和安装工程分部(分项)工程开工报告(1)施工组织设计报审表○1工程概况及主要工程数量表○2详细的施工进度计划(网络图/横道图)○3项目管理组织机构及人员进场计划○4材料、设备、人员进场计划○5重点工程施工技术方案○6质量控制措施○7文明施工及安全生产控制措施(2)施工材料报验单○1钢筋使用许可证a、钢筋出厂合格证b、金属拉力试验记录表c、金属接头试验报告○2水泥使用许可证a、水泥出厂合格证b、水泥试验分析表c、水泥细度试验记录表d、水泥标准稠度用水量、凝结时间、安定性试验记录表e、水泥胶砂强度试验记录表○3碎(砾)石使用许可证a、粗集料筛分试验记录表b、粗集料针片状颗粒含量记录表c、粗集料含泥量、泥块含量试验记录表d、粗集料压碎指标值试验记录表e、粗集料表观密度试验记录表(网篮法)f、粗集料表观密度试验记录表(容量瓶法)g、粗集料堆积密度试验记录表h、粗集料坚固性试验记录表○4砂(砾)石使用许可证a、细集料筛分试验记录表b、细集料含泥量、泥块含量试验记录表c、细集料堆积密度试验记录表9d、细集料表观密度试验记录表(容量瓶法)e、集料坚固性试验记录表○5标准试验(水泥砂浆配合比设计)许可证或标准试验(水泥砼配合比设计)许可证a、水泥砼(砂浆)配合比设计报告b、水泥砼抗压强度试验记录表水泥砂浆抗压强度试验记录表(4)进场设备报验单11、上部构造现场浇筑分部(分项)工程开工申请批复单Kxxx+xxx大(中)桥上部构造现场浇筑工程分部(分项)工程开工报告(1)施工组织设计报审表○1工程概况及主要工程数量表○2详细的施工进度计划(网络图/横道图)○3项目管理组织机构及人员进场计划○4材料、设备、人员进场计划○5重点工程施工技术方案○6质量控制措施○7文明施工及安全生产控制措施(2)施工放样报验单○1高程测量成果表○2中线测量成果表○3大、中桥控制测量成果表(3)施工材料报验单○1钢筋使用许可证a、钢筋出厂合格证b、金属拉力试验记录表c、金属接头试验报告○2水泥使用许可证a、水泥出厂合格证b、水泥试验分析表c、水泥细度试验记录表d、水泥标准稠度用水量、凝结时间、安定性试验记录表e、水泥胶砂强度试验记录表○3碎(砾)石使用许可证a、粗集料筛分试验记录表b、粗集料针片状颗粒含量记录表c、粗集料含泥量、泥块含量试验记录表d、粗集料压碎指标值试验记录表e、粗集料表观密度试验记录表(网篮法)f、粗集料表观密度试验记录表(容量瓶法)g、粗集料堆积密度试验记录表h、粗集料坚固性试验记录表○4砂(砾)石使用许可证a、细集料筛分试验记录表b、细集料含泥量、泥块含量试验记录表c、细集料堆积密度试验记录表d、细集料表观密度试验记录表(容量瓶法)e、集料坚固性试验记录表(4)进场设备报验单12、总体、桥面系和附属工程分部(分项)工程开工申请批复单Kxxx+xxx大(中)桥总体、桥面系和附属工程分部(分项)工程开工报告(1)施工组织设计报审表○1工程概况及主要工程数量表○2详细的施工进度计划(网络图/横道图)○3项目管理组织机构及人员进场计划○4材料、设备、人员进场计划○5重点工程施工技术方案○6质量控制措施○7文明施工及安全生产控制措施(2)施工放样报验单○1高程测量成果表○2中线测量成果表○3大、中桥控制测量成果表(3)施工材料报验单○1钢筋使用许可证a、钢筋出厂合格证b、金属拉力试验记录表c、金属接头试验报告○2水泥使用许可证a、水泥出厂合格证b、水泥试验分析表c、水泥细度试验记录表d、水泥标准稠度用水量、凝结时间、安定性试验记录表e、水泥胶砂强度试验记录表○3碎(砾)石使用许可证a、粗集料筛分试验记录表b、粗集料针片状颗粒含量记录表c、粗集料含泥量、泥块含量试验记录表d、粗集料压碎指标值试验记录表e、粗集料表观密度试验记录表(网篮法)f、粗集料表观密度试验记录表(容量瓶法)g、粗集料堆积密度试验记录表h、粗集料坚固性试验记录表○4砂(砾)石使用许可证a、细集料筛分试验记录表b、细集料含泥量、泥块含量试验记录表c、细集料堆积密度试验记录表d、细集料表观密度试验记录表(容量瓶法)e、集料坚固性试验记录表○5标准试验(水泥砂浆配合比设计)许可证或标准试验(水泥砼配合比设计)许可证a、水泥砼(砂浆)配合比设计报告b、水泥砼抗压强度试验记录表水泥砂浆抗压强度试验记录表(4)进场设备报验单13、防护工程分部(分项)工程开工申请批复单Kxxx+xxx大(中)桥防护工程分部(分项)工程开工报告(1)施工组织设计报审表○1工程概况及主要工程数量表○2详细的施工进度计划(网络图/横道图)○3项目管理组织机构及人员进场计划○4材料、设备、人员进场计划○5重点工程施工技术方案○6质量控制措施○7文明施工及安全生产控制措施(2)施工放样报验单○1高程测量成果表○2中线测量成果表○3大、中桥控制测量成果表。
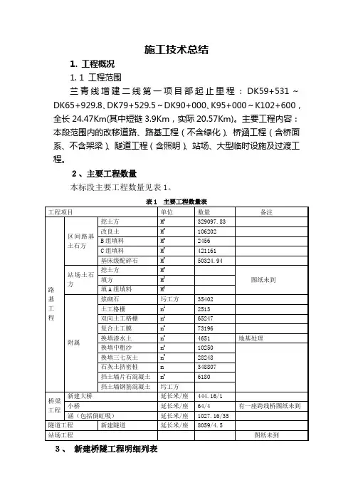
施工技术总结1. 工程概况1. 1 工程范围兰青线增建二线第一项目部起止里程:DK59+531~DK65+929.8、DK79+529.5~DK90+000、K95+000~K102+600,全长24.47Km(其中短链3.9Km,实际20.57Km)。
主要工程内容:本段范围内的改移道路、路基工程(不含绿化)、桥涵工程(含桥面系、不含架梁)、隧道工程(含照明)、站场、大型临时设施及过渡工程。
2、主要工程数量本标段主要工程数量见表1。
表1 主要工程数量表3、新建桥隧工程明细列表本标段的大、中小桥概况详见表2,新建隧道工程概况详见表3。
表2 新建大、中、小桥桥梁工程表表3 新建隧道工程概况表4. 与既有线相关工程4.1 路基工程本工程与既有线相关的路基工程主要有:并肩增建二线地段、改建既有线地段和利用既有线地段。
4.2 桥涵工程K98+608小桥为拆除重建,与既有线施工有关的倒虹吸、框架涵、盖板涵有:DK97+683、DK98+731、DK100+000盖板涵;DK97+964、DK98+094、DK98+273、DK98+448倒虹吸;DK99+989框架涵。
5 主要设计技术标准铁路等级:Ⅰ级。
正线数目:双线。
限制坡度:6‰。
设计速度:既有线140km/h,个别地段限速110km/h;增建第二线及既有线改线地段160km/h预留200km/h条件,个别地段160km/h。
最小曲线半径:160km/h预留200km/h条件一般3500m,困难2800m;160km/h地段一般2000m,困难1600m;140km/h地段一般1600m,困难1200m;120km/h地段一般1200m,困难800m;110km/h地段一般800m,困难550m。
牵引种类:电力。
机车类型:客运特快SS7E、动力车组、其它SS7C;货运SS7。
牵引质量:4000t。
到发线有效长度:850m。
闭塞类型:自动闭塞。
6 工程特点6.1 项目规模大、工期紧、重难点工程突出。
附件一:
工程量清单表格
一、工程量清单封面:封-1
二、总说明:表1-1
三、分部分项工程量清单与计价表:表1-2
四、措施项目清单表:
(一)措施项目清单与计价表(一):表1-3
安全防护、文明施工措施清单与费用明细表1-3-1 (二)措施项目清单与计价表(二):表1-4
五、其他项目清单与计价汇总表:表1-5
(一)暂列金额明细表:表1-5-1
(二)材料暂估单价表:表1-5-2
(三)专业工程暂估价表:表1-5-3
(四)计日工表:表1-5-4
(五)总承包服务费计价表:表1-5-5
六、规费、税金项目清单与计价表:表1-6
七、主要综合单价分析项目汇总表:表1-7
八、主要材料(设备)数量与计价表:表1-8
九、不竞争性费用汇总表表1-9
工程报建号:
工程
工程量清单
工程造价咨询企业
招标人:招标代理机构
(单位盖章)(单位盖章)
法定代表人法定代表人
或其授权人:或其授权人:
(签字或盖章)(签字或盖章)
编制人:复核人:
(造价人员签字盖专用章)(造价工程师签字盖专用章)
编制时间:年月日复核时间:年月日
封—1。
附件1标段划分及主要工程数量表
附件2 强制性资格条件─业绩要求表
注:1、过去三年完成项目指2003年10月1日以来,已完工程交(竣)工验收项目,均需附所完工程的交(竣)工证书或出具省级以上质量监督部门的证明文件复印件,原件备查,以提供的原件为准)。
强制性资格条件─主要人员资历要求表
注:1.以上人员必须填写表3;
2.上述人员需附清晰可辩的身份证、职称证书、岗位证书、毕业证书等证明材
料的复印件,证明原件备查。
强制性资格条件─财务能力承诺书
本投标人承诺,如果我们经投标获得中标,将在杭州至上海浦东高速公路(浙江段)项目交通安全设施工程的实施期间,我们将投入总金额为人民币万元的运营资金,以保证项目的顺利进行。
投标人(盖章):
法定代表人或
其授权代理人签字:
日期:年月日注:本项目投标人承诺的运营资金应不少于300万元(含)人民币。
附件主要工程数量表
主要工程数量表
附件资格条件(资质最低条件)
附件资格条件(业绩最低要求)
附件资格条件(信誉最低要求)
附件资格条件(项目经理、施工负责人和设计负责人最低要求)
一致。
附件联合体协议书
联合体协议书(格式)
(所有成员单位名称)自愿组成联合体,共同参加抚州东外环高速公路新建工程设计施工总承包投标。
现就联合体投标事宜订立如下协议。
. (某成员单位名称)为联合体牵头人,(某成员单位名称)为联合体成员。
.联合体牵头人合法代表联合体各成员负责本招标项目投标文件编制和合同谈判活动,代表联合体提交和接收相关的资料、信息及指示,处理与之有关的一切事务,并负责合同实施阶段的主办、组织和协调工作。
.联合体将严格按照招标文件的各项要求,递交投标文件,履行合同,并对外承担连带责任。
.联合体牵头人代表联合体签署投标文件,联合体牵头人的所有承诺均认为代表了联合体各成员。
.联合体各成员单位内部的职责分工如下:(牵头人名称)承担项目工程施工工作;(成员名称)承担项目施工图设计工作。
.投标工作和联合体在中标后工程实施过程中的有关费用按各自承担的工作分摊。
.本协议书自签署之日起生效,合同履行完毕后自动失效。
.本协议书一式份,联合体各成员和招标人各执一份。
注:本协议书由委托代理人签字的,应附法定代表人签字的授权委托书。
牵头人名称:(盖单位章)
法定代表人或其委托代理人:(签字)
成员一名称:(盖单位章)
法定代表人或其委托代理人:(签字)
注:①此格式为最低要求,内容不限于此;
②联合体在购买招标文件时须提交此表。
投标报名后,联合体不得进行调整或更换。