天车司机实际操作考试评判标准
- 格式:xlsx
- 大小:12.19 KB
- 文档页数:1
天车实际操作演练评比方案一、活动安排1、活动时间:2、活动地点:3、主持人:4、评委:5、考评对象:6、工作人员:二、活动目的:为了了解和考评新进天车工实际操作能力,保证独立上岗操作后,能安全顺利的完成各项天车作业,为二期顺利投产做好准备,特进行本次考评。
三、活动规则:1、开始先用主钩吊物,从起点走斜线到中间点,要求不出两边边线。
2、到中间定点落物,要求落物到中间点的中间圆。
有两次机会落物,如此能一次落到点,一次后就可以继续吊物。
3、定点落物后,起吊物件,再开始绕杆走S线,将物品吊运到终点。
4、落物到要求的地点,结束操作,打铃示意。
五、吊运线路:六、评分标准:天车工评分项说明:1、劳保品穿戴项——根据天车工穿戴本岗位劳保用品情况进行扣分。
2、动车及吊物必须打铃——明白(服从指挥):一短声;重复(请求重新发出信号):两短声;注意:长声。
3、稳钩项——根据吊物的摇摆来进行扣分。
4、碰线项——在斜线的吊运过程中,根据吊桶碰边线的程度和次数进行扣分。
5、放桶准确度项——吊桶过程中设有三个同心环的放桶位置,天车工若放置在最里面的第一环为满分10分,第二环为7分,第三环为4分。
6、碰杆项——根据吊运工程中的吊桶绕杆项中,桶碰击立杆的程度和次数进行扣分。
7、用时项——用时标准为所有天车工用时的平均值,根据天车工在整个吊运过程中的用时离标准用时的差值进行加扣分。
附:1、天车工操作评分项天车工劳保品穿戴打铃稳钩碰线放桶准确度碰杆误操作用时共计满分10 15 15 10 15 15 10 10 100 扣分四、安全防护:1、对考试区、与观众区进行划分,用警戒线进行隔离。
2、观众和其他人员不得随意进入考试区。
3、天车不得开到观众区上方。
评分表天车工操作评分表姓名:天车工劳保品穿戴打铃稳钩碰线放桶准确度碰杆误操作用时共计满分10 15 15 10 15 15 10 10 100 扣分天车工操作评分表姓名:天车工劳保品穿戴打铃稳钩碰线放桶准确度碰杆误操作用时共计满分10 15 15 10 15 15 10 10 100 扣分天车工操作评分表姓名:天车工劳保品穿戴打铃稳钩碰线放桶准确度碰杆误操作用时共计满分10 15 15 10 15 15 10 10 100 扣分天车工操作评分表姓名:天车工劳保品穿戴打铃稳钩碰线放桶准确度碰杆误操作用时共计满分10 15 15 10 15 15 10 10 100 扣分天车工操作评分表姓名:天车工劳保品穿戴打铃稳钩碰线放桶准确度碰杆误操作用时共计满分10 15 15 10 15 15 10 10 100 扣分天车工操作评分表姓名:天车工劳保品穿戴打铃稳钩碰线放桶准确度碰杆误操作用时共计满分10 15 15 10 15 15 10 10 100 扣分。
职业技能鉴定实际操作考试试题工种:天车工级别:初级姓名:单位:成绩:评分标1分分,碰倒分5-1分2-分分1分分分,碰倒5-1分2-分,出外圈4-1分2-分分分分分分分分分分 考试日期:年 月 日 评分人:职业技能鉴定实际操作考试试题工种:天车工 级别:中级 姓名: 单位: 成评分标1分分,碰倒分5-1分2-分分1分分,碰倒分5-1分2-分,出外圈4-1分2-分分分1、工作前未检查安全装置扣2分。
、操作工在工作前应检查天车安全装置。
12、天车行进前未鸣铃或发出信号扣2分。
2、在天车行进前,应鸣铃或发出信号。
3、操作完毕后未按规定将小车停放在操纵室侧端部扣1分。
3、操作完毕后应将小车停放在操纵室侧端部,吊钩提升到适当高度。
安全4、吊钩未提升到适当高度扣1分。
3生产5、操纵手柄未回归零位扣1分。
4、吊车停放后应把操纵手柄回归零位,拉下保护柜开关。
6、未按规定拉下保护柜开关扣1分。
5、其它安全要求按岗位规范进行。
7、每超时一分钟扣5分。
考试日期:年月日评分人::附图(示意图)职业技能鉴定实际操作考试试题评分标准1分分,碰倒分分5-12-分分1分分,碰倒分5-1分2-分,出外圈4-1分2-分分分分分分分分分分职业技能鉴定实际操作考试试题工种:周转工级别:初级姓名:单位:考试日期:年月日监考人:评分人:职业技能鉴定实际操作考试试题工种:周转工级别:中级姓名:单位:1、生产记录填写不准确、不清洁或不齐全每一小项扣5分。
、正确填写本工种要求的各种生产记录,1记录填写、简2、每超时1分钟扣3分。
要求准确、清洁、齐全。
述本工种工作30410分。
~3、不能清晰叙述本工种工作程序及工作内容视具体情况扣515、要清楚本工种的工作程序及工作内容。
程序2日监考人:月年考试日期:评分人:。
吊车专业《技术比武实际操作考核内容和评判标准》全文共四篇示例,供读者参考第一篇示例:为了提高吊车操作人员的技术水平和安全意识,同时确保吊车的安全运行,吊车专业技术比武实际操作考核是必不可少的环节。
通过这样的考核,可以评估吊车操作人员的技术能力和操作水平,发现存在的问题,及时进行纠正和改进。
下面将详细介绍吊车专业技术比武实际操作考核的内容和评判标准。
一、考核内容1. 吊车操作技术:考核吊车操作人员的基本技术,包括吊钩的起升、下降和左右移动,以及吊钩的升降速度、平稳性等方面的操作技能。
2. 负载管理:考核吊车操作人员的负载管理能力,包括正确判断和控制吊钩的起重量,保证吊车的安全运行。
3. 安全意识:考核吊车操作人员的安全意识,包括操作前的检查和准备工作,操作中的安全措施和紧急处理能力,以及对突发情况的处理能力。
4. 工地环境:考核吊车操作人员在不同工地环境下的操作能力,包括狭窄空间、复杂地形等环境下的吊车操作技巧和应对能力。
5. 基础知识:考核吊车操作人员的基础知识水平,包括吊车结构原理、操作规程、安全标准等相关知识。
二、评判标准1. 吊车操作技术:根据吊钩的起升、下降和左右移动的准确性和平稳性来评判吊车操作人员的技术水平。
操作过程中是否出现抖动、晃动、静止不稳等情况都会影响评分。
2. 负载管理:根据吊钩的起重量是否符合要求来评判吊车操作人员的负载管理能力。
过重或过轻的情况都会扣分,甚至可能导致考核不合格。
3. 安全意识:根据操作中的安全措施是否到位、是否遵守操作规程、是否具备处理突发情况的能力来评判吊车操作人员的安全意识。
操作中出现的安全隐患或操作不当的情况都会受到惩罚。
第二篇示例:在吊车专业领域,技术比武实际操作考核是评定吊车操作员技能水平的重要方式之一。
通过这种比武形式,不仅能够检验吊车操作员的操作技术和实际应用能力,还可以促进各个单位之间技术交流和进步。
本文将介绍吊车专业技术比武实际操作考核的内容和评判标准。
吊车实操考试标准
吊车实操考试的评分标准可能因地区和具体规定而有所不同。
以下是一般的评分标准,仅供参考:
1. 操作规范:在操作过程中,应严格按照安全操作规程进行,遵守工作流程,不得有违规操作。
若出现违规情况,将会被扣分。
2. 稳定性:在吊装过程中,应保持吊车的稳定性,不得出现大幅度晃动或倾斜。
若出现不稳定的情况,将会被扣分。
3. 准确性:在吊装过程中,应保证被吊物体的位置准确,不得有明显的偏差。
若出现偏差情况,将会被扣分。
4. 速度:在完成操作任务的过程中,应保持适当的速度,不得过快或过慢。
若出现速度不当的情况,将会被扣分。
5. 安全性:在整个操作过程中,应保证人员和设备的安全。
若出现威胁安全的情况,将会被扣分。
具体的评分标准可能因考试机构、地区和具体规定而有所不同。
在参加吊车实操考试前,应详细了解相关的评分标准、安全操作规程和工作流程。
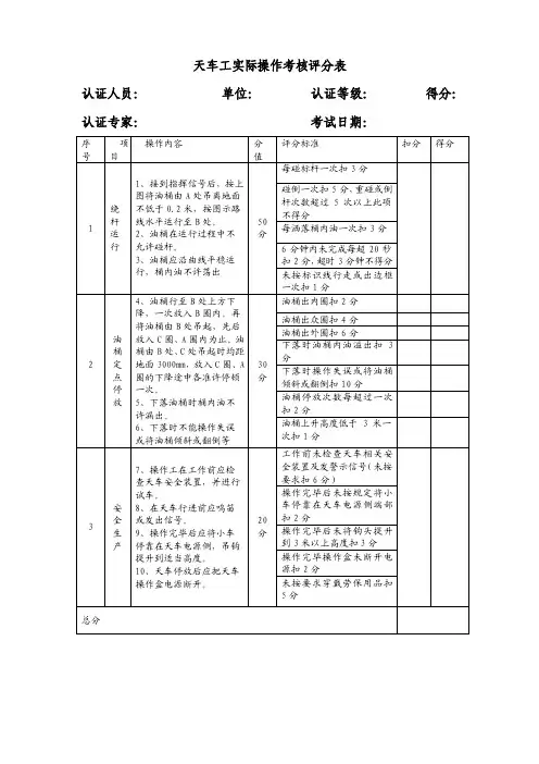
天车工实际操作考核评分表
认证人员:单位:认证等级:得分:认证专家:考试日期:
天车工技能实际操作要求、试题及评分标准
一、要求
1、根据图示准备油桶一个及标杆12根。
2、考试人员应准时到达考试现场,并应穿戴好必要的劳保防护用品
3、各位考试人员不得大声喧哗,必须遵守劳动纪律
4、考试无关人员不得进入赛场,干扰或提醒其他考试人员
二、试题
1、考试方法:接指挥信号后,按图示将油桶由A处吊离地面不低于0.2米,按图示路线运行,行至B处上方下降,一次放入B圈内,再将油桶由B处吊起,先后放入C圈、A圈内为止。
油桶由B处、C处吊起时均距地面3米,放入C圈、A圈的下降途中各准许停顿一次。
2、考试时限,在6分钟内完成上述操作,否则,每超时20秒扣2分,超时3分钟,不得分。
3、重碰或倒杆次数超过5次以上此项不得分。
起重机械现场考核评分标准
1、仪器设备准备:5分
2、检验前准备:5分
3、现场检验操作:80分
4、检验工作意见通知书:5分
5、检验报告书:5分
1、检验仪器设备(总分5分,未计量的计量仪器不得分,状况不好酌情扣分)
2、检验前准备(总分5分,个体防护用品、检验安全措施及检验安全警示标志等,酌情扣分。
)
4、特种设备监督检验工作意见通知书(5分,填写规范,技术术语用词恰当准确,阐述清晰,酌情扣分。
)
5、检验报告填写(5分,填写规范,结论准确,酌情扣分。
)
3、现场操作评分标准(80分,分值见下表)。
起重机械作业人员安全操作评估办法一、为贯彻执行《国务院办公厅关于进一步开展安全生产隐患排查治理工作的通知》(国办发明电〔2008〕15号),为规范企业特种设备安全生产行为,切实加强企业的特种设备安全管理,落实治本之策,全面提高作业人员素质,制定本评估办法二、本考评办法适用于特种设备使用单位。
三、评估的内容。
依据《起重机械操作规程》等相关技术法规,对企业的作业人员的安全意识、机械设备感知、操作技能方面进行综合考评。
四、考评的程序。
1、企业自评。
企业按照相关规定进行自评。
并将初评结果告诉测评机构2、特种设备检测机构测评。
特种设备检测机构组织相应专家,依照本方案对作业人员进行评估打分,并依照一定的分值统计评估结果,向企业做出反馈和整改意见。
3、评估结果仅作企业用工参考,不具备法律效力或其他用途。
4、评估记分及分级。
起重机械作业人员评估得分以100分为满分。
其中企业自评占20%,特种设备检测机构测评占80%。
起重机械作业人员评估考评结果分为四个等级:考评得分60分以下为不合格考评得分60-80分以上为合格;考评得分80-90分以上为良好考评得分90-100分以上为优秀五、评估办法:主要采用面谈、用桥式起重机吊起水箱定点停放实际操作进行评估,主要指标包括:安全态度,注意力集中,对光、声信号的反应能力,物体空间、水平距离判断能力等。
(1)场地要求:1、场地光线良好,保证工作面的照度不小于100勒。
2、场地应干净整洁,空气新鲜,无环境干扰。
3、场地内应设有三相电源并装有漏电保护器。
(3)起重作业人员操作评估记录表要求:1、接指挥信号后,将水箱由A处吊起,先后放入B圆、C圆内,再将水箱由C处吊起,返回放入B圆、A圆内,最后将水箱由A处吊起,直接放入C圆,水箱由各处吊起时,均距地面4000mm。
2、每次下降途中准许各停顿二次。
3、水面距箱口200mm。
4、吊运过程中不能洒水。
5、按规定路线稳定运行,不制动停车;不倒车;不擦碰。
2009年职业技能鉴定操作技能考核项目天车工初级中国石油辽河油田职业技能鉴定中心天车工初级试题目录试题一、吊物左右游摆稳钩操作(100%)试题二、吊物通过框架运行(100%)试题三、吊桶绕杆运行(100%)考试试题以当天为准试题一:吊物左右游摆稳钩操作1、准备要求2、操作考核规定及说明(附图1-1)(1)操作程序1)发信号;2)稳钩操作。
(2)考核规定说明1)如操作违章,将停止考核。
2)考核采用百分制,考核项目得分按鉴定比重进行折算。
(3)考核方式说明:该项目为实际操作题,全过程按操作标准过程进行评分。
(4)考核技能说明:本项目主要测量考生对吊物左右游摆稳钩的操作技能掌握的熟练程度。
3、考核时限(1)准备时间:2min(不计入考核时间)(2)操作时间:4min。
(3)从正式操作开始计时。
(4)考核时,提前完成操作不加分,超过规定时间按规定标准评分。
4、评分记录表天车工初级操作技能考核评分记录表现场号工位性别考评员: 核分员: 年月日图1-1试题二:吊物通过框架运行1、准备要求2、操作考核规定及说明(附图1-2)(1)操作程序1)发信号;2)吊重块依次通过各框架;3)重块落入B处圆内;4)吊重块按原路返回;5)将重块落入A处圆内;6)运行。
(2)考核规定说明1)如操作违章,将停止考核。
2)考核采用百分制,考核项目得分按鉴定比重进行折算。
(3)考核方式说明:该项目为实际操作题,全过程按操作标准过程进行评分。
(4)考核技能说明:本项目主要测量考生对吊物通过框架运行的操作技能掌握的熟练程度。
3、考核时限(1)准备时间:2min(不计入考核时间)(2)操作时间:5min。
(3)从正式操作开始计时。
(4)考核时,提前完成操作不加分,超过规定时间按规定标准评分。
4、评分记录表天车工初级操作技能考核评分记录表现场号工位性别考评员: 核分员: 年月日图1-2试题三:吊桶绕杆运行1、准备要求2、操作考核规定及说明(附图1-3)(1)操作程序1)发信号;2)吊桶吊离地面;3)按规定运行路线作水平运动;(2)考核规定说明1)如操作违章,将停止考核。
驾驶员考试的操作评分标准1. 背景信息驾驶员考试的操作评分标准是为了评估驾驶员在驾驶过程中的技能和表现而制定的。
它是确保驾驶员具备足够的驾驶能力和安全意识,从而保障道路交通的安全。
2. 评分标准2.1 车辆控制- 起步阶段:评估驾驶员的起步技巧、离合操作、油门控制等。
- 转向和转弯:评估驾驶员的转向动作、转弯角度合理性、转弯平稳性等。
- 刹车和减速:评估驾驶员的刹车操作、制动力控制、减速平稳性等。
- 换挡操作:评估驾驶员的换挡时机、换档动作、离合操作等。
- 车辆停放:评估驾驶员的停车技巧、停车位置准确性、停车平稳性等。
2.2 交通规则和信号- 交通信号的遵守:评估驾驶员是否遵守红绿灯、路口指示牌等交通信号。
- 转弯和变道:评估驾驶员的转弯和变道时是否注意观察、使用转向灯、给予其他车辆的足够空间等。
- 合理超车:评估驾驶员的超车技巧、超车是否符合交通规则和道路情况等。
2.3 安全意识和应急反应- 安全驾驶意识:评估驾驶员对于安全驾驶的重视程度、对危险情况的警觉性等。
- 应急反应:评估驾驶员在紧急情况下的反应速度、判断能力和正确应对措施等。
3. 评分方法驾驶员的操作评分采用综合评分的方法,将各项评估内容综合考虑,根据驾驶员的技能表现给予相应的评分。
评分等级可分为优秀、良好、合格和不合格等级。
评分标准的制定应建立在科学、客观、公正的基础上,评分人员应熟悉评分标准并具备相应的专业知识和经验。
4. 结论驾驶员考试的操作评分标准是确保驾驶员具备良好驾驶技能和安全意识的重要工具。
评分标准应包括车辆控制、交通规则和信号以及安全意识和应急反应等方面的内容。
评分方法应综合考虑各项评估内容并给予相应的评分等级。
评分标准的制定和评分人员的培训都是确保评分结果科学、客观、公正的关键因素。
2016年驾驶员技能竞赛实际操作项目及评分标准(公司) 试题一:直角倒库、定点停车1、准备要求(1)场地准备①安全设施齐全。
②场地不小于2000平方米。
③直角倒库、定点停车如图所示。
参赛使用野驼牌DQG5250TPB平板运输车:比赛场地库宽为3.5米、库长为24米、4号杆和6号杆距离7号与8号杆直线垂直距离为18米、7号与8号杆距离为48米,○为标杆。
(2)设备准备(1)操作程序说明:①起动发动机;②汽车起步;③右转弯直角倒库、定位倒车、左转出库、定点停车④左转弯直角倒库、定位倒车、右转出库、定点停车(2)考核规定说明:①考核采用野驼牌DQG5250TPB平板运输车,车辆技术状况良好。
②如操作违章,将停止考核。
③考核采用百分制,考核项目得分按组卷比重进行折算。
(3)考核方式说明:该项目为实际操作题;以操作过程与操作标准结果进行评分。
(4)测量技能说明:本项目主要测驾驶员直角倒库驾驶的熟练程度。
3、考核时限:①操作时间:3min。
②计时从鸣号示意起步至完成驾驶操作结束。
③考核时,提前完成操作不加分,超过规定时间按规定标准评分。
4、评分记录表井下汽车驾驶员操作技能竞赛评分记录表单位姓名月日试题二:直角调头1、准备要求(1)场地准备1)安全设施齐全。
2)场地不小于750平方米。
3)直角调头如图所示。
A(B) = 车宽 + 1m D = 2倍的轴距备注:出入口宽为3.5米、D为15米2)设备准备(3)工具准备(1)操作程序说明:①起动发动机;②汽车起步;③直角调头;④停车熄火。
(2)考核规定说明:①考核采用野驼牌DQG5250TPB平板运输车。
②如违规操作该项目终止考核。
③考核采用百分制,考核项目得分按组卷比重进行折算。
(3)考核方式说明:该项目为实际操作题;以操作过程与操作标准结果进行评分。
(4)测量技能说明:本项目主要测量驾驶员直角调头的熟练程度。
3、考核时限:(1)正式操作时间:2min。
(2)计时从鸣号示意起步至完成驾驶操作结束。
天车工考核标准范文一、技能操作。
1.1 起吊操作。
天车工在起吊时,那操作得讲究个稳准狠。
起吊速度要均匀,就像老司机开车一样平稳,可不能忽快忽慢的,像个没头的苍蝇乱撞。
要是起吊速度不均匀,货物晃来晃去的,就像醉汉走路,这可危险得很。
而且起吊的位置得精准,误差不能太大,不然货物放不到该放的地方,就像射箭偏离了靶心,整个工作就乱套了。
1.2 运行操作。
在运行过程中,天车工得对大车和小车的操控熟练得像自己的手脚一样。
大车和小车的移动要顺畅,不能有卡顿现象。
就好比走路,得一步一步稳稳当当的。
行驶的路线也得按照规定来,不能像脱缰的野马到处乱跑。
如果偏离了规定路线,那可能会撞到其他设备或者货物,这可就是捅娄子了。
二、安全意识。
2.1 设备检查。
天车工每天上班前对设备的检查那可是重中之重,要像啄木鸟找虫子一样仔细。
看看钢丝绳有没有磨损,就像检查自己的鞋带系得牢不牢一样。
还有吊钩、制动器这些关键部件,要是有一点问题,就像在自己身边埋了颗定时炸弹,随时可能出大事儿。
安全无小事,绝不能敷衍了事,不能做表面文章。
2.2 安全规范。
在操作过程中,必须严格遵守安全规范。
安全帽得戴着,安全带也不能少,这就像战士上战场要带好武器装备一样。
不能违规操作,例如不能在起吊物下站人,这是天车工最基本的常识,要是违反了,那就是在拿自己和别人的生命开玩笑,简直是不知死活。
三、职业素养。
3.1 责任心。
天车工要有很强的责任心,要把每一次起吊任务都当成自己的大事儿。
不能因为货物小或者简单就掉以轻心,得一视同仁。
就像农民对待每一株庄稼一样,用心去呵护。
要是没有责任心,工作马马虎虎的,那出问题是迟早的事儿。
3.2 团队协作。
天车工也不是一个人在战斗,要和地面工作人员配合好。
要听指挥,就像交响乐团里的乐手听从指挥一样。
如果各干各的,互不配合,那就像一盘散沙,什么工作都干不好。
序号项目操作内容分值评分标准得分
1部件识别分别指示出天车的主要部件及作业现场安全标志:1、天
车遥控器上的按钮的各个功能2、小车3、起升机构4、吊
钩5、限位开关6、最大吊载能力
30
共5道小题,每道小题各6分,错答或漏答均
不得分
4天车司机实际操作考核评判标准
2基本操作能力一:空载运行
1、将起升机构从最小起升高度到最大起升高度
2、小车运行整个行程
3、大车机构运行整个行程
4 、将天车平稳运行到起始位置
二:带载运行并定点停放
1、将所吊物件起升到一定的高度
2、将所吊的物件起吊到固定的位置(东西方向)
3、将所吊的物件起吊到固定的位置 (南北方向)
4、将所吊的物件放在固定的圆圈内
5、将所吊物件平稳地放在起始位置,并将天车开回原处
6、将天车吊钩、遥控器放在合理位置
50
共两道大题,10道小题,每题五分,在实际
操作中出现失误或不平稳、违章操作等则该
小题不得分
总得分
3应急情况处理当出现紧急情况时应如何处理至少做出两种方案20做一种方案得10分,不处理紧急情况或紧急
情况处理错误不得分。
桥式起重机司机实际操作技能考试方案及评分表附件1:桥式起重机司机实际操作技能考试方案及评分表桥式起重机司机实际操作技能考试基本要求:该考试实行百分制,70分为合格。
考试内容分为三部分,现场作业识别能力(部件识别)占30%,基本操作能力占50%,应急处置能力占20%。
现场作业识别能力(部件识别)采用配备部件、安全标识等部件实物或图片进行识别的方法,基本操作能力采用操作实物的考试方法,应急处置能力以口试答辩的方式进行。
一、现场作业识别能力(部件识别)(30分)配备起重机部件、安全标识等部件实物或图片,让考生抽取5种进行识别,每种6分。
1.主要零部件的识别指出主要结构、机构(件)的名称及作用,包括主梁、端梁、小车、起升机构、运行机构、起升钢丝绳、卷筒、吊钩、滑轮、联轴器、工作制动器等,从上述结构、机构(件)随机抽取2种进行识别。
指出各安全保护装置的名称、作用和安装位置,包括起重量限制器、起升高度(下降深度)限制器、运行行程限位器、缓冲器及端部止档、安全制动器等,从上述安全保护装置中随机抽取2种进行识别。
指出电气保护各动作后的反应情况和所处的位置,主要有零压保护、零位保护、各电动机的过载和过流保护、各机构的限位保护、紧急断电保护、各种安全门开关联锁保护、超载保护等,从上述电气保护中随机抽取1种进行识别。
2.作业现场安全标志的识别从下图中随机抽取1种。
二、基本操作能力(50分)1.机构空载运行操作(20分)起升机构(10分),从最小起升高度到最大起升高度,全程操作;扣分要求:未按规定从最小到最大起升高度进行全程操作(如未鸣号、触碰起升高度限制器、吊钩摆幅明显过大等),每次扣2分。
运行机构(10分),大车和小车机构,全程操作;扣分要求:未按规定进行全行程操作,(如未鸣号、触碰行程限位器、速度变换时变换顺序错误或出现明显失稳振动、吊钩摆幅明显过大等),每次扣2分。
2.机构带载运行操作(30分)采用吊水桶曲线运行和定点落物的方式进行,操作时间为8分钟,操作步骤如下图:桶:直径500mm,高度700mm。
序号项目操作内容分值评分标准得分
1部件识别分别指示出天车的主要部件及作业现场安全标志:1、天
车遥控器上的按钮的各个功能2、小车3、起升机构4、吊
钩5、限位开关6、最大吊载能力
30
共5道小题,每道小题各6分,错答或漏答均
不得分
4天车司机实际操作考核评判标准
2基本操作能力一:空载运行
1、将起升机构从最小起升高度到最大起升高度
2、小车运行整个行程
3、大车机构运行整个行程
4 、将天车平稳运行到起始位置
二:带载运行并定点停放
1、将所吊物件起升到一定的高度
2、将所吊的物件起吊到固定的位置(东西方向)
3、将所吊的物件起吊到固定的位置 (南北方向)
4、将所吊的物件放在固定的圆圈内
5、将所吊物件平稳地放在起始位置,并将天车开回原处
6、将天车吊钩、遥控器放在合理位置
50
共两道大题,10道小题,每题五分,在实际
操作中出现失误或不平稳、违章操作等则该
小题不得分
总得分
3应急情况处理当出现紧急情况时应如何处理至少做出两种方案20做一种方案得10分,不处理紧急情况或紧急
情况处理错误不得分。