【CN209231855U】一种笔记本电脑散热器【专利】
- 格式:pdf
- 大小:943.35 KB
- 文档页数:9
专利名称:一种笔记本电脑散热器
专利类型:发明专利
发明人:雷根平,丁汀,黄伟亮,程春,刘洋,李俊霞,田勇申请号:CN201610248061.9
申请日:20160419
公开号:CN105955431A
公开日:
20160921
专利内容由知识产权出版社提供
摘要:本发明涉及一种计算机散热装置,更具体的说是一种笔记本电脑散热器,包括笔记本电脑放置板、笔纸放置板和桌腿,装置既可以用作电脑桌,又可以用作书桌,便于放置在床上供使用者使用,并且可以在不平的面上水平放置。
笔记本电脑放置板与笔纸放置板相连接,桌腿放置在笔记本电脑放置板和笔纸放置板的中间。
申请人:雷根平
地址:450000 河南省郑州市郑东新区马庄街北大花园6号楼2单元4楼东户
国籍:CN
更多信息请下载全文后查看。
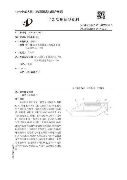
(19)中华人民共和国国家知识产权局(12)实用新型专利(10)授权公告号 (45)授权公告日 (21)申请号 201920578598.0(22)申请日 2019.04.25(73)专利权人 肖玲平地址 417700 湖南省娄底市双峰县永丰镇毛塘村早禾村民组(72)发明人 肖玲平 (74)专利代理机构 郑州华夏天下知识产权代理事务所(普通合伙) 41168代理人 雷磊(51)Int.Cl.G06F 1/20(2006.01)(54)实用新型名称一种笔记本散热器(57)摘要本实用新型公开了一种笔记本散热器,包括柜体,所述柜体下部后侧设有制冷室,所述制冷室内固定制冷装置;所述柜体包括底部柜体、顶盖、前柜体、后柜体、左柜体、右柜体以及上述五者围成的冷室,所述后柜体内壁的上部设有送风口,所述前柜体下部设有出风口,所述送风口处设有送风风扇,所述出风口处设有抽风风扇;所述制冷装置包括微型压缩机和涡流管,所述微型压缩机的进气口通过导管与所述出风口连通,所述微型压缩机的出气口通过导管与所述涡流管的进气口连通,所述涡流管的冷空气出气端通过导管与所述送风口连通;本实用新型提供一种笔记本散热器,通过涡流管阀门快速调节气体的流量和冷气端温度的高低,产冷气迅速且制冷效果好。
权利要求书1页 说明书3页 附图2页CN 209859085 U 2019.12.27C N 209859085U权 利 要 求 书1/1页CN 209859085 U1.一种笔记本散热器,其特征在于,包括柜体,所述柜体下部后侧设有制冷室,所述制冷室内固定制冷装置;所述柜体包括底部柜体、顶盖、前柜体、后柜体、左柜体、右柜体以及上述六者围成的冷室,所述后柜体内壁的上部设有送风口,所述前柜体下部设有出风口,所述送风口处设有送风风扇,所述出风口处设有抽风风扇;所述制冷装置包括微型压缩机和涡流管,所述微型压缩机的进气口通过导管与所述出风口连通,所述微型压缩机的出气口通过导管与所述涡流管的进气口连通,所述涡流管的冷空气出气端通过导管与所述送风口连通,所述涡流管的热空气出气端产生的热空气通过设在所述制冷室后侧的散热孔排出所述柜体外。
专利名称:一种笔记本电脑散热器专利类型:实用新型专利
发明人:朱文龙,杨双双,李大辉
申请号:CN201921095799.1申请日:20190712
公开号:CN209803729U
公开日:
20191217
专利内容由知识产权出版社提供
摘要:本实用新型涉及散热设备领域,特别是涉及一种笔记本电脑散热器,包括放置架和底架,该一种笔记本电脑散热器还包括支撑架和挡架,所述的放置架包括放置板、散热风扇、转动侧板、放置槽、挡架销、转动轴、支撑销和锁定安装销,所述的底架包括前横板、支撑侧板、锁定槽、后横板和锁定销,所述的支撑架包括支撑板和支撑杆,所述的挡架包括挡架侧板和挡板,所述的一种笔记本电脑散热器还包括锁板,本实用新型能够帮助笔记本电脑散热,增强笔记本散热性能。
申请人:齐齐哈尔大学
地址:161006 黑龙江省齐齐哈尔市建华区文化大街42号
国籍:CN
代理机构:哈尔滨市阳光惠远知识产权代理有限公司
代理人:刘景祥
更多信息请下载全文后查看。
(19)中华人民共和国国家知识产权局(12)实用新型专利(10)授权公告号 (45)授权公告日 (21)申请号 202021523431.3(22)申请日 2020.07.29(66)本国优先权数据201922194851.5 2019.12.10 CN(73)专利权人 无锡职业技术学院地址 214121 江苏省无锡市滨湖区高浪西路1600号(72)发明人 胡小勇 袁茂辉 云永康 (74)专利代理机构 南京品智知识产权代理事务所(普通合伙) 32310代理人 奚晓宁 杨陈庆(51)Int.Cl.G06F 1/20(2006.01)F16B 1/02(2006.01)(54)实用新型名称一种笔记本电脑的散热器(57)摘要本实用新型公开了一种笔记本电脑的散热器,包括主体框架,所述主体框架的表面中部嵌合有散热风扇,且散热风扇的表面中部嵌合有温度传感器,所述主体框架的端部垂直表面一侧设有供电接口,且主体框架的端部垂直表面均匀直线阵列有进气通孔,所述主体框架的两端同一侧底部垂直设有固定支点,所述主体框架的底部边缘铰接有旋转支点,所述旋转支点和主体框架之间嵌合有旋转销轴,使用时,可快速拼装,组合成一个整体,并配合左边部分散热器两边的强磁铁吸附右边部分散热器,并加强散热器整体的固定性,使之成为一个牢固的整体,使用强磁铁来吸附左右两块散热器相比使用连杆或使用折叠铰接器,在使用前后能更加快速地拆卸与组合使用。
权利要求书1页 说明书3页 附图3页CN 212302421 U 2021.01.05C N 212302421U1.一种笔记本电脑的散热器,包括主体框架(1),其特征在于:所述主体框架(1)的表面中部嵌合有散热风扇(2),且散热风扇(2)的表面中部嵌合有温度传感器(12),所述主体框架(1)的端部垂直表面一侧设有供电接口(9),且主体框架(1)的端部垂直表面均匀直线阵列有进气通孔(5),所述主体框架(1)的两端同一侧底部垂直设有固定支点(7),所述主体框架(1)的底部边缘铰接有旋转支点(8),所述旋转支点(8)和主体框架(1)之间嵌合有旋转销轴(6)。
(19)中华人民共和国国家知识产权局(12)实用新型专利(10)授权公告号 (45)授权公告日 (21)申请号 201920238420.1(22)申请日 2019.02.26(73)专利权人 漯河职业技术学院地址 462300 河南省漯河市源汇区大学路123号(72)发明人 吴雪毅 赵永乐 吴坤芳 (74)专利代理机构 北京华仲龙腾专利代理事务所(普通合伙) 11548代理人 李静(51)Int.Cl.G06F 1/20(2006.01)(54)实用新型名称一种可调节角度的笔记本电脑用散热器(57)摘要本实用新型公开了一种可调节角度的笔记本电脑用散热器,包括散热器壳体,所述散热器壳体顶部外壁设置有第一滑筒,且第一滑筒内部插接有第二滑杆,所述第二滑杆一侧外壁设置有第二压杆,且第二压杆外壁套接有软套,所述软套的规格与第二压杆的规格相适配,所述散热器壳体顶部外壁设置有连接板,所述连接板顶部外壁开有矩形槽,且矩形槽四周内壁均设置有滑轨,所述滑轨底部内壁滑动连接有滑块。
本实用新型可以对散热器的角度可调功能,满足了人们在使用笔记本电脑时可以将笔记本调节到舒适的倾斜角度,且对笔记本进行紧固固定,避免了其从笔记本电脑上滑落的情况发生,同时对笔记本电脑起到了很好的保护效果。
权利要求书1页 说明书3页 附图4页CN 209231852 U 2019.08.09C N 209231852U权 利 要 求 书1/1页CN 209231852 U1.一种可调节角度的笔记本电脑用散热器包括散热器壳体(1),其特征在于,所述散热器壳体(1)顶部外壁设置有第一滑筒(22),且第一滑筒(22)内部插接有第二滑杆(7),所述第二滑杆(7)一侧外壁设置有第二压杆(9),且第二压杆(9)外壁套接有软套(8),所述软套(8)的规格与第二压杆(9)的规格相适配,所述散热器壳体(1)顶部外壁设置有连接板(6),所述连接板(6)顶部外壁开有矩形槽,且矩形槽四周内壁均设置有滑轨(5),所述滑轨(5)底部内壁滑动连接有滑块,所述滑块顶部外壁设置有第二滑筒,且第二滑筒顶部内壁插接有第一滑杆(4),所述第一滑杆(4)一侧外壁设置有第一压杆(2),且第一压杆(2)底部外壁粘接有软垫(3),所述散热器壳体(1)底部外壁设置有后壳体(10),且后壳体(10)底部内壁设置有保护壳(20)。
(19)中华人民共和国国家知识产权局
(12)实用新型专利
(10)授权公告号 (45)授权公告日 (21)申请号 201920261787.5
(22)申请日 2019.03.01
(73)专利权人 首都经济贸易大学
地址 100070 北京市丰台区首都经济贸易
大学信息学院
(72)发明人 卢山 高迎
(74)专利代理机构 北京君恒知识产权代理事务
所(普通合伙) 11466
代理人 张强
(51)Int.Cl.
G06F 1/20(2006.01)
(54)实用新型名称
一种笔记本电脑散热器
(57)摘要
本实用新型涉及散热装置领域,特别是涉及
一种笔记本电脑散热器,包括散热架,所述的散
热架包括承接板、通风孔、风扇、栅格板、转动板、
支撑板、支撑轴、挡板和转动轴,所述的一种笔记
本电脑散热器还包括活动架,所述的活动架包括
螺纹丝杆、滑块、连接轴、连动板和转动块,所述
的一种笔记本电脑散热器还包括底架,所述的底
架包括底板、顶板、支腿、连接板和固定板,所述
的风扇包括电机、扇叶和电机座,本实用新型能
够有效的帮助笔记本电脑散热,
散热效率高。
权利要求书1页 说明书4页 附图3页CN 209231855 U 2019.08.09
C N 209231855
U
权 利 要 求 书1/1页CN 209231855 U
1.一种笔记本电脑散热器,包括散热架(1),其特征在于:所述的散热架(1)包括承接板(1-1)、通风孔(1-2)、风扇(1-3)、栅格板(1-4)、转动板(1-5)、支撑板(1-6)、支撑轴(1-7)、挡板(1-8)和转动轴(1-9),通风孔(1-2)设置在承接板(1-1)上,风扇(1-3)固定连接在通风孔(1-2)内,栅格板(1-4)设有多个,多个栅格板(1-4)均匀固定连接在承接板(1-1)上端面,转动板(1-5)设有两个,两个转动板(1-5)均固定连接在承接板(1-1)下端面,支撑板(1-6)设有两个,两个支撑板(1-6)均固定连接在承接板(1-1)下端面,支撑轴(1-7)的两端分别与两个支撑板(1-6)转动连接,挡板(1-8)固定连接在承接板(1-1)上端面,转动轴(1-9)设有两个,两个转动轴(1-9)分别固定连接在两个转动板(1-5)上。
2.根据权利要求1所述的一种笔记本电脑散热器,其特征在于:所述的一种笔记本电脑散热器还包括活动架(2),所述的活动架(2)包括螺纹丝杆(2-1)、滑块(2-2)、连接轴(2-3)、连动板(2-4)和转动块(2-5),转动块(2-5)固定连接在螺纹丝杆(2-1)的一端,滑块(2-2)通过螺纹连接在螺纹丝杆(2-1)上,连接轴(2-3)设有两个,两个连接轴(2-3)分别固定连接在滑块(2-2)的左右两端,连动板(2-4)设有两个,两个连动板(2-4)的下端分别转动连接在两个连接轴(2-3)上,两个连动板(2-4)的上端分别转动连接在两个转动轴(1-9)上。
3.根据权利要求2所述的一种笔记本电脑散热器,其特征在于:所述的一种笔记本电脑散热器还包括底架(3),所述的底架(3)包括底板(3-1)、顶板(3-2)、支腿(3-3)、连接板(3-4)和固定板(3-5),顶板(3-2)固定连接在底板(3-1)上端面,支腿(3-3)设有四个,四个支腿(3-3)均固定连接在底板(3-1)下端面,连接板(3-4)设有两个,两个连接板(3-4)均固定连接在底板(3-1)上端面,固定板(3-5)固定连接在底板(3-1)上端面,支撑轴(1-7)的两端分别与两个连接板(3-4)转动连接,两个支撑板(1-6)分别与两个连接板(3-4)贴合,螺纹丝杆(2-1)的一端转动连接在顶板(3-2)上,螺纹丝杆(2-1)的另一端转动连接在固定板(3-5)上。
4.根据权利要求3所述的一种笔记本电脑散热器,其特征在于:所述的挡板(1-8)高于栅格板(1-4)。
5.根据权利要求4所述的一种笔记本电脑散热器,其特征在于:所述的栅格板(1-4)顶端设置有防滑海绵。
6.根据权利要求5所述的一种笔记本电脑散热器,其特征在于:所述的支腿(3-3)下端设置有防滑海绵。
7.根据权利要求6所述的一种笔记本电脑散热器,其特征在于:所述的风扇(1-3)包括电机(1-3-1)、扇叶(1-3-2)和电机座(1-3-3),电机座(1-3-3)固定连接在通风孔(1-2)内,电机(1-3-1)固定连接在电机座(1-3-3)内,扇叶(1-3-2)固定连接在电机(1-3-1)输出轴上,扇叶(1-3-2)转动连接在电机座(1-3-3)内。
2。