大众01M自动变速器拆装部分-精选文档精选文档PPT课件
- 格式:ppt
- 大小:2.36 MB
- 文档页数:59
大众01M型自动变速器的结构组成及工作原理10交通al 郭光银1048183901大众01M型自动变速器内部总体结构大众01M自动变速器由三部分组成。
(图1)(1)液力元件:包括液力变扭器及油泵等,用于动力传递及提供液压元件(如各离合器和制动器)的动力源。
6 5^3 2(图1)01M自动变速器结构图由(图1)可知变速器内部有两个分隔的箱体,上部是变速器,内装ATF油;下部是差速器,内装齿轮油。
在小齿轮轴3上有一个油封,把两种油分离开。
a.液力变扭器液力变扭器由壳体、锁止离合器、涡轮、导轮和泵轮组成,分解图见(2)。
泵轮与壳体焊接为一体,由发动机飞轮驱动,工作时其内充满自动变速器油(ATF 油),其动力传递路线是:发动机飞轮→变扭器壳体→泵轮→涡轮→变速器输入轴,导轮的作用是增大低转速时的输出扭矩。
涡轮和泵轮之间是靠液压油传递动力的,两者之间有一定的转速差,不但使油温升高,还降低了传动效率,锁止离合器可以把涡轮和泵轮连接为一体,形成刚性连接。
锁止离合器由电控单元控制,电控单元通过电磁阀控制A、B、C 3个油道的油压交替变化,按要求在锁止离合器的前、后面产生压力或卸压,控制锁止离合器接合或断开。
锁止离合器接合时,因油压作用,其带有摩擦片的一面与变扭器壳体接合,另一面通过齿牙与涡轮连接为一体。
(图2) 液力变扭器结构图b.油泵油泵位于变扭器和变速器之间,由变扭器壳体驱动,其作用是建立油压,并 通过滑阀箱控制各离合器和制动器的动作。
它采用转子齿轮泵,其结构见(图3)。
(2)控制机构:采用电子、液压混合控制,电控部分包括电子控制单元 J217及其相应的传感器和执行元件;液压控制部分包括滑阀箱等。
(3)变速机构:采用拉维那式行星齿轮变速机构,2个太阳轮独立运动,齿圈输出动力,通过对大、小太阳轮及行星架的不同驱动、制动组合,实现 4个前进档及一个倒档。
表1不.≡r:血二昱玄科n构各部卡妁枚芒拦i 位驱动部件 固定部件 输出部件 J小太阳轮单向制动行•星架齿圈1「麦扭器壳体2-锁止离合器(带扭转减振器)3-涡轮4-导轮页-泵轮图3转子齿轮泵2小太阳轮大太阳轮齿圈3小太阳轮*行星架无齿圈4大太阳轮齿圈K大衣阳轮行星架齿圈01M 型自动变速器采用拉维娜式行星轮式变速机构,基本的行星轮机构包括太阳轮、星轮、行星架和齿圈,其中星轮是惰轮,不能输入、输出动力。
01M型自动变速器拆装流程
实践目的:通过实践,让学员能够掌握变速器的正确拆装及故障检测
拆装流程:
第一步
先用10mm的丁字形扳手将油底壳上的固定螺栓拆下
第二步
用10mm的丁字形扳手拆下变速器油的滤清器
第三步
用10mm的丁字形扳手拆下阀体上的电磁阀线束总成
第四步
用T30套筒扳手从内向外对角拧松所有阀体固定螺栓一
第五步
第六步
用一字型小螺丝刀轻撬B1制动器塑料供油阀,
并将其取出放于指定位置。
注意在撬B1制动器塑料供油阀时不能伤到阀体油道。
第一步第二步
第三步
第四步
B2制动器间隙的调整。
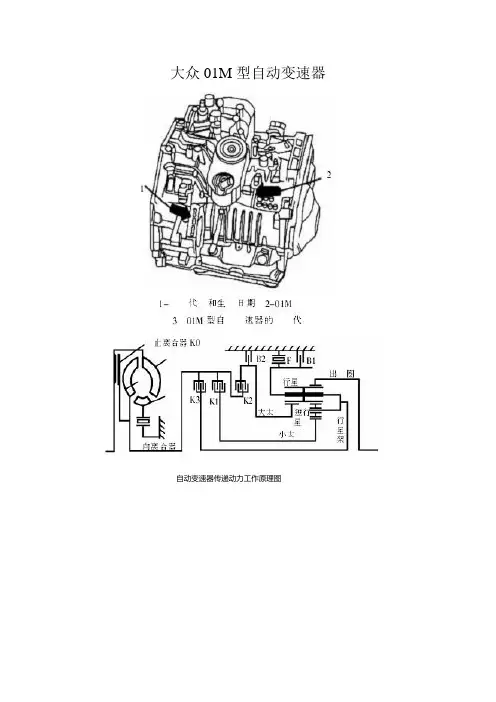
大众01M型自动变速器自动变速器传递动力工作原理图工作名称顺序自动变速器拆装步骤首先,拆下油油泵----用手抓着变速器轴输入轴将二、四挡制动器和三个离合器取出----拆卸单向离合器和低、倒档制动器先应拆下变速器后盖---卸下输入轴固定螺栓取出输入轴---花键毂和太阳毂(一起)---分别拆下二、四挡制动器支撑管和低倒档制动器油缸的定位卡环---取出低档单向离合器----低、倒档制动器和行星齿轮机构(齿圈通常不用拆出)1、拆下二、四挡制动器的波浪形缓冲片---取下第一片钢片和弹簧帽----依次拆下二、四挡制动器摩擦片和钢片和下二、四挡制动器支撑管拆下的直、倒档离合器---一、三档离合器和高档离合器---输入轴---大太阳轮和小太阳轮(一起)然后从后端拆下的低、倒档制动器和行星齿轮机构2、直、倒档离合器拆卸:拆下固定卡环取出所有离合器片----第一片为压盘(平面朝里,花面朝外)---第二片为传动钢片----第三片为摩擦片然后拆下----最后片为波浪形缓冲盘。
3、一、三档离合器拆卸:从内花键毂里拆出四个塑料支撑环变可顺利的分解一、三档离合器-----取下内花键毂-----拆下卡环即可取下全部离合器片---第一片为压盘(平面朝里,花面朝外)--第二为摩擦片—然后为钢片顺着取出--最后片为缓冲盘(花面朝里)5、高档离合器拆卸:拆下卡环即可取出全部离合器片---第一片为压盘(平面朝里,台阶面朝外)----第二为摩擦片—然后为钢片顺着取出--最后片为缓冲盘(花面朝里)6、低、倒档制动器拆卸:靠行星架最里端为压盘---第二为摩擦片-----然后为钢片顺着取出—碍得油缸的碟型缓冲弹簧和钢片锥角都朝向油缸7、二、四挡制动器拆卸:拆下第一片是紧碍的油泵波浪型缓冲盘---第二片钢片拆下弹簧和弹簧帽后依次为摩擦片,钢片—最后是钢片的三个弹簧帽8、单向离合器拆卸安装:一、三档离合器---直、倒档离合器---高档离合器----高档齿圈更换----行星齿轮。
01M自动变速器拆装实训指导书(四)班级组别组长成员01M 自动变速器拆装、调整实训指导书【目的】通过本次内容,熟悉01M 外观及内部结构;学会拆装;会分析传动路线以及零部件及总成的调整。
【内容】1. 01M 外观认识2. 01M 拆卸3. 内部零部件认识4. 连接关系5. 动力传动路线6. 调整及组装 【注意事项】⏹ 现场5S ⏹ 工具的使用 ⏹ 拆装方法【完成作业】 画出01M 结构示意图,并分析动力传递路线。
一、01M 外观认识参照实物找到对应的零部件,并标注名称二、01M分解三、01M 内部结构认识参照实物找到图中的零部件并标注 ⏹ 自动变速器油泵到隔离套部分⏹ 倒挡离合器K2到大太阳轮部分⏹ 单向离合器和倒挡制动器B1⏹ 行星齿轮架及变速器壳体四、分析动力传递路线画出01M结构简图,结合实物分析动力传递路线五、01M组装及调整注意事项:(1)所有已分解零件应彻底清洗,任何一个液体通道和孔都应该用压缩空气吹干净。
(2)选用合适的清洗剂。
阅读需要清洗的零件材料数据单,选用推荐自动变速器油、煤油作清洁剂。
(3)在指定的零件清洗机上进行清洗。
(4)除油剂、清洁剂不应混合汽油或其他易燃液体,增加其易燃性,而导致火灾。
(5)工作时必须佩带合适的个人防护用品,如面罩、呼吸保护器、围裙及手套等。
以防伤到皮肤,吸入有害蒸汽。
(6)保持工作场所空气流通。
(7)清洗零件后的处理方法。
用压缩空气吹干所有零件,决不能使用抹布擦干。
(8)清洗后零件应该按照正确的顺序排列,以便可以有效的检查、修理和重装。
(9)使用凡士林保存零件。
(10)拆卸清洗一个阀体时,应确保每一个阀与相应的弹簧保存在一起(11)要更换的制动器和离合器的摩擦片,必须洁净的自动变速器油中浸泡。
新摩擦片要浸泡2h,旧摩擦片要浸泡15~30min。
(12)所有的油封还、离合器从动盘、离合器压盘、转动零件和滑动表面先用ATF涂抹后重装。
(13)所有的衬垫和橡胶O型圈应更换。
大众01M型自动变速器的结构组成及工作原理10交通a1 郭光银 1048183901 大众01M型自动变速器内部总体结构大众01M自动变速器由三部分组成。
(图1)(1)液力元件:包括液力变扭器及油泵等,用于动力传递及提供液压元件(如各离合器和制动器)的动力源。
(图1)01M自动变速器结构图由(图1)可知变速器内部有两个分隔的箱体,上部是变速器,内装ATF油;下部是差速器,内装齿轮油。
在小齿轮轴3上有一个油封,把两种油分离开。
a. 液力变扭器液力变扭器由壳体、锁止离合器、涡轮、导轮和泵轮组成,分解图见(2)。
泵轮与壳体焊接为一体,由发动机飞轮驱动,工作时其内充满自动变速器油(ATF 油),其动力传递路线是:发动机飞轮→变扭器壳体→泵轮→涡轮→变速器输入轴,导轮的作用是增大低转速时的输出扭矩。
涡轮和泵轮之间是靠液压油传递动力的,两者之间有一定的转速差,不但使油温升高,还降低了传动效率,锁止离合器可以把涡轮和泵轮连接为一体,形成刚性连接。
锁止离合器由电控单元控制,电控单元通过电磁阀控制A、B、C 3个油道的油压交替变化,按要求在锁止离合器的前、后面产生压力或卸压,控制锁止离合器接合或断开。
锁止离合器接合时,因油压作用,其带有摩擦片的一面与变扭器壳体接合,另一面通过齿牙与涡轮连接为一体。
(图2) 液力变扭器结构图b. 油泵油泵位于变扭器和变速器之间,由变扭器壳体驱动,其作用是建立油压,并通过滑阀箱控制各离合器和制动器的动作。
它采用转子齿轮泵,其结构见(图3)。
(2)控制机构:采用电子、液压混合控制,电控部分包括电子控制单元J217及其相应的传感器和执行元件;液压控制部分包括滑阀箱等。
(3)变速机构:采用拉维那式行星齿轮变速机构,2个太阳轮独立运动,齿圈输出动力,通过对大、小太阳轮及行星架的不同驱动、制动组合,实现4个前进档及一个倒档。
01M 型自动变速器采用拉维娜式行星轮式变速机构,基本的行星轮机构包括太阳轮、星轮、行星架和齿圈,其中星轮是惰轮,不能输入、输出动力。
汽车自动变速器的检修经典课件第一节一般维修数据一、变速器标记4档自动变速器01M与4缸和6缸发动机的高尔夫及捷达轿车相匹配。
自动变速器01M和变速器代码在变速器上标记的位置如图5-1所示。
图5-2和图5-3为标记的局部放大图。
另外汽车数据铭牌上也有变速器代码。
图5-1 01M自动变速器标记位置图5-2 自动变速速器01M标记局部放大图图5-3 自动变速器代码局部放大图二、自动变速器01M结构说明1、变速器4档自动变速器01M有4个液压控制的前进档。
在锁止离合器接合后,可避免液力变矩器打滑,从而实现刚性转动。
2、液力变矩器液力变矩器中装有锁止离合器。
该离合器根据车辆车载荷和速度接合,从而实现1、2、3、4档的刚性传动。
3、控制单元J217可根据行驶状况换档(模糊逻辑)根据行驶状况和行驶阻力大小,可自动选择换档时刻。
其优点有:①可根据油耗换档。
②总可保证发动机发出最大功率。
③各种行驶状况均可获得最佳换档时刻。
④任意变化的换档时刻。
4、上坡和下坡时的换档时刻变化通过附加换档特性曲线,按油门踏板位置和车速变化,在上坡和下坡时可实现自动换档。
换档特性曲线在汽车上极陡的坡时适应发动机功率的要求,在汽车下极陡的坡时适应发动机制动作用的要求。
5、汽车自动变速器油(VW A TF)大众自动变速器油染成黄色,变速器中主传动器和行星齿轮系内应充注大众专用自动变速器油。
由于改变了自动变速器油检查装置,从而省去了油尺。
检查自动变速器油位或更换自动变速器油应在检查维护时进行。
只许添加大众自动变速器油。
大众汽车专用自动变速器油作为配件供应的有两种;一种是油桶容量为0.5L,零件号为G 052 162 A1;另一种是油桶容量为1.0L,零件号G 052 162 A2的。
三、润滑油量01M型自动变速器行星齿轮系和主传动润滑油加注量见表5-1。
表5-1 01M自动变速器润滑油加注量四、维修说明1、变速器的维修更换自动变速器时,应检查行星齿轮系的自动变速器油和主传动内自动变速器油。
大众01M自动变速器——人员拆装顺序部分分配(试)视频拆装顺序如下:一,控制阀的拆卸1,油底壳螺栓10mm2,,油滤3,电磁阀线束4,阀体螺栓,用内六星扳手TX30,共13个,由里向外,对角拆二,油泵拆卸1,泵体与壳体之间的螺栓,TX45, 共7个三,施力装置和行星齿轮的拆卸1,取下B2,K2,K1,K32,拆下后端盖及输出轴固定螺栓3,取出输出轴,花键毂,太阳毂4,取出定位卡环5,单向离合器6,行星齿轮机构7,倒档制动器四,离合器部分的分解1,K2——倒档离合器2,K1——1~3档离合器3,K3——高档离合器五,控制阀的检修与装配拆:1,将控制阀阀体反面向上2,用内六星扳手,TX20,取下隔板上的螺栓,共2个,并取下隔板3,记下单向节流球阀的位置,取出钢球3个,2个定位环4,将控制阀阀体正面向上5,内六星扳手取出2个螺栓,TX206,取出中间隔板,并取下2个钢球,带弹簧(负责工作压力的调节)7,取下滑阀的定位销,滑阀应进出自如(8,主调压阀,可通过调节孔,重新调节主油压,过低:会造成离合器制动器打滑过高:会造成换档冲击) 装:1,装滑阀上盖2,拧紧固定螺栓,TX20,共2个3,将控制阀阀体反面向上4,装3个阀球+2个定位环,(3个单向节流球阀)5,装上隔板6,拧紧螺栓,TX20,共2个至此完成控制阀的检修六,装油底壳1,更换密封圈2,固定螺栓,10mm,共4个,七,离合器的装配1,K2——倒档离合器2,K1——1~3档离合器3,K3——高档离合器-----离合器进油孔两侧密封环负责油路的密封,无论是铸铁环还是聚四氟乙烯环,大修时都应更换4,组装K2, K1, K3八,油泵装配前应更换密封圈和密封垫九,装输出轴固定螺栓,13mm,共1个十,更换后端盖密封圈,并对角紧固好螺栓,10mm,共7个至此完成自动变速器的全部装配文案编辑词条B 添加义项?文案,原指放书的桌子,后来指在桌子上写字的人。
现在指的是公司或企业中从事文字工作的职位,就是以文字来表现已经制定的创意策略。
大众01M型自动变速器的结构组成及工作原理10交通a1 郭光银 1048183901 大众01M型自动变速器内部总体结构大众01M自动变速器由三部分组成。
(图1)(1)液力元件:包括液力变扭器及油泵等,用于动力传递及提供液压元件(如各离合器和制动器)的动力源。
(图1)01M自动变速器结构图由(图1)可知变速器内部有两个分隔的箱体,上部是变速器,内装ATF油;下部是差速器,内装齿轮油。
在小齿轮轴3上有一个油封,把两种油分离开。
a. 液力变扭器液力变扭器由壳体、锁止离合器、涡轮、导轮和泵轮组成,分解图见(2)。
泵轮与壳体焊接为一体,由发动机飞轮驱动,工作时其内充满自动变速器油(ATF油),其动力传递路线是:发动机飞轮→变扭器壳体→泵轮→涡轮→变速器输入轴,导轮的作用是增大低转速时的输出扭矩。
涡轮和泵轮之间是靠液压油传递动力的,两者之间有一定的转速差,不但使油温升高,还降低了传动效率,锁止离合器可以把涡轮和泵轮连接为一体,形成刚性连接。
锁止离合器由电控单元控制,电控单元通过电磁阀控制A、B、C 3个油道的油压交替变化,按要求在锁止离合器的前、后面产生压力或卸压,控制锁止离合器接合或断开。
锁止离合器接合时,因油压作用,其带有摩擦片的一面与变扭器壳体接合,另一面通过齿牙与涡轮连接为一体。
(图2)液力变扭器结构图b. 油泵油泵位于变扭器和变速器之间,由变扭器壳体驱动,其作用是建立油压,并通过滑阀箱控制各离合器和制动器的动作。
它采用转子齿轮泵,其结构见(图3)。
(2)控制机构:采用电子、液压混合控制,电控部分包括电子控制单元J217及其相应的传感器和执行元件;液压控制部分包括滑阀箱等。
(3)变速机构:采用拉维那式行星齿轮变速机构,2个太阳轮独立运动,齿圈输出动力,通过对大、小太阳轮及行星架的不同驱动、制动组合,实现4个前进档及一个倒档。
01M 型自动变速器采用拉维娜式行星轮式变速机构,基本的行星轮机构包括太阳轮、星轮、行星架和齿圈,其中星轮是惰轮,不能输入、输出动力。