雅宝温度保险丝系列产品规格书
- 格式:pdf
- 大小:329.72 KB
- 文档页数:5
本规格书适用于公司按照IEC 60691、UL 60691、GB 9816安全认证标准生产的HOLLY®商标TH系列温度保险丝。
This specification defines the technical requirements of TH series thermal-link with HOLLY® brand that are produced according to IEC 60691, UL 60691,GB 9816.2. 相关标准/APPLICABLE STANDARDSIEC 60691、UL 60691、GB 9816、METI ordinance appendix 3 section 34. 尺寸与结构/DIMENSION & STRUCTURE4.1 尺寸/DEMENSION4.2 壳体/Metal Case壳体无破裂、缺损或污染等现象。
Metal case shall have no defects such as crack, injury and contamination.4.3 引线/Lead Wire引线可焊性符合中华人民共和国电子行业标准SJ/T 10669。
The solder ability of the lead Wire shall be in accordance with the standard of SJ/T 10669.4.4 封口胶/Sealing Resin封口胶无破裂、脱落等现象。
Sealing resin shall have no defects such as crack, breaking off.5.机械特性/MECHANICAL PERFORMANCES温度保险丝应能承受下列试验。
Thermal-links shall withstand the below experiments.5.1 拉力试验/Tensile T est为了防止温度保险丝管损坏,应固定好温度保险丝管,然后在引线端施加16N的拉力1分钟。
温度保险丝原理及使用1 溫度保險絲的使用講座 R&D Toney 第 1 頁,共 9 頁温度保险丝原理及使用讲座一、温度保险丝的概念温度过热保险管(SEFUSE) 是具有检测出温度异常并及时切断电路功能的小型电器组件。
它可以起到防止火灾等事故于未然的作用。
二、种类及使用规格目前我们公司使用的温度保险丝主要有两种:(1)热熔断体(SF型) (2) 热断路器(SM型)衡量保险丝的重要参数:额定动作温度,额定工作电压,额定工作电流。
热熔断体使用热敏颗粒(有机化学物质) 为感热材料,热断路器使用低熔点合金。
型号热熔断体(SF型) 热断路器(SM型)项目动作温度范围 73~240? 70~187?10A~15A 0.5A~2A 额定工作电流三、温度保险丝的构造及功能原理:1:热熔断体(SF型)将热敏颗粒装入金属壳中进行热切断。
可切断10A~15A大电流。
版次(Version) :修訂歷史記錄:2 溫度保險絲的使用講座 R&D Toney 第 2 頁,共 9 頁构造如图所示:原理:动作前:在SF型温度过热保险管的金属外壳内封入有可动电极,弹簧和热敏颗粒。
弹簧B是在被压缩状态下装入的,借助弹簧弹力使引线A, 可动电极,金属外壳和引线B导通。
动作后:在环境温度超过保险管动作温度时,经金属外壳传导入的热量使热敏颗粒熔化,弹簧A,弹簧B均伸长,但A方向弹力大,迫使弹簧B压向B侧,从而使使引线A,可动电极断开切断电路。
2:热断路器(SM型)将低熔点合金作为感热材料装入陶瓷外壳中。
其切断电流为0.5A, 1A, 2A。
具有可直接装在温度检测处的特长。
构造如图所示:版次(Version) :修訂歷史記錄:3 溫度保險絲的使用講座 R&D Toney 第 3 頁,共 9 頁原理:动作前:将引线A,引线B与可熔体一起导通电路。
可荣体外包有助熔济。
动作后:可熔体温度随着环境温度上升而上升,不久即熔化,在助熔济和可熔体表面张力作用下,瞬间形成球状,从而切断电路。
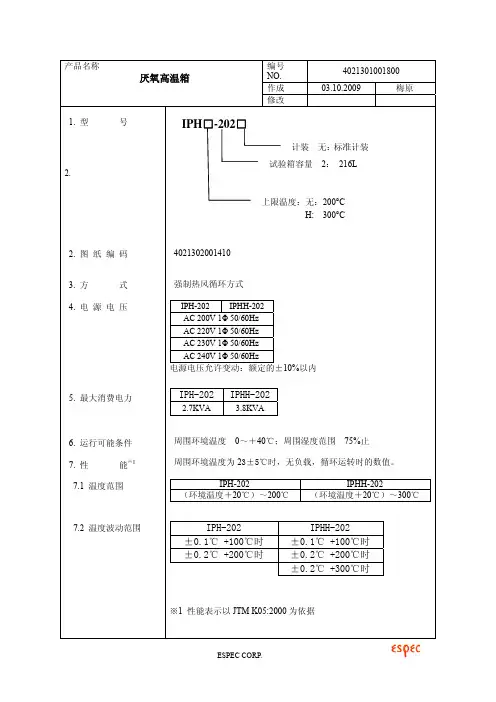
11.3 设定指示分解能11.4 显示11.5 程序功能11.6 传感器11.7 控制动作11.8 通信功能11.9 附属功能12.温度指示调节器12.1 运转模式12.2 设定指示范围 12.3 设定指示分解能 12.4 显示温度1℃时间1分钟4位数字分7块显示16个字母×2行会LCD屏幕(黑白显示/片假名、英文数字)2步骤程序1种模式登陆斜率设定、试验中断、自动启动、自动停止、终了模式、重复循环最大999次K型热电偶(JIS C1602)PID控制RS-485(可选),RS-232C(可选),GPIB(可选)输入热电偶断线烧坏检测功能、上・下限温度报警功能、上限温度偏差报警功能、蜂鸣器报警功能、自动温度过升防止功能、异常显示功能、报警编码显示功能、自我诊断功能、曝露时间控制功能(曝露保证)、停电复位动作选择功能、停电保护功能、快速计时功能、快速操作功能、时间累计功能(可选) ,日历定时器功能(可选) 、自动风门控制功能(可选) 、风速可变调节功能(可选)M计装时定值运转、程序运转、远程通信运转模式IPH-202IPHH-202温度0~+210℃时间0~9999小时59分钟温度0~+310℃时间0~9999小时59分钟温度1℃时间1分钟4位数字分7块显示16个字母×2行会LCD屏幕(黑白显示/片假名、英文数字)NO.12.5 程序功能12.6 传感器12.7 控制动作12.8 通信功能12.9 附属功能13.安全装置13.1 安全装置列表13.2 动作内容20步骤程序 10种模式登陆斜率设定、试验中断、自动启动、自动停止、终了模式、重复循环最大999次K型热电偶(JIS C1602)PID控制RS-485(可选)、RS-232C(可选)、GPIB(可选)输入热电偶断线烧坏检出功能、上·下限温度报警功能、上限温度偏差报警功能、蜂鸣器报警功能、自动温度过升防止功能、异常显示功能、报警编码显示功能、曝露时间控制功能(曝露保证)、停电复位动作选择功能、自我诊断功能、停电保护功能、快速计时功能、快速运行功能、时间累计功能(可选) 、日历定时器功能(可选) 、自动风门控制功能(可选) 、风速可变调节功能(可选)装置 目的 动作内容(1)漏电开关 保护人、设备 (a)(2)配电室保护板开关 保护人 (a)(3)温度保险丝 保护设备 (b)(4)上下限温度报警器(内置设备)保护试验样品 (b)(5)独立温度过升防止装置 保护试验样品 (b)(6)送风机用温度开关 保护设备 (b)(7)加热器用回路中断装置 保护设备 (b)(8)玻璃管保险丝 保护设备 (c)(9)试样电源控制端子 保护试验样品 (d)(a) 切断全部电源(b) 警报器持续发出报警声高温箱停止运行(c) 设备停止运行(d) 当高温箱停止运行或出现问题时停止对试样的供电编号NO. 4021301001800 4/7编号NO.4021301001800 5/713.3 温度过升防止器13.4 漏电开关14. 装备品14.1 电源线14.2 试料电源(带端子插座)15. 气体导入装置15.1 气体15.2 气体压力15.3 流量15.4 试验箱内最低氧气浓度15.5 氧气浓度下降时间15.6 试验箱内压力15.7 阀门15.8 压力计电子式无指示温度调节器设定范围 IPH-202:0~+220℃IPHH-202:0~+320℃主电源开关、漏电断路及短路、过负荷断路用定额感度电流:30mA IPH-202 IPHH-20220A 30A3芯(其中1芯为接地线)箱体外约2m运行停止时以及试验箱内发生异常时,继电器的接点“开启”通电容量 AC250V 3A二氧化碳和氮气(常温·干燥气体)允许通过最大气压: 2.0 MPa (以通过一级阀门时的数据为准)通过二级阀门时调整为0.05 MPa最大流量: 20 L/min (气压为0.05 MPa,温度为20°C)0.5%从21%降至0.5% 100分钟之内(环境条件)试验箱温度: 周围温度~+200℃(IPH-202)周围温度~+300℃(IPHH-202)导入气体纯度: 99.99%或更高的氮气导入气体压力: 0.20 MPa29 Pa或更高(最大流量时)1/4”黄铜制针形阀门(用于打开关闭回路和调节气压。
文档* * 电器制造有限公司产品规格书型号:*****芳香器2007 年 4 月28 日制定[变更履历]本规格书适用于****电器制造有限公司针对出口销售于日本国内100V制造的专用产品芳香器。
2.仕样标准仕样3.外观1)颜色各部件颜色符合表面处理表及限度样板。
2)丝印①不能有批伤、印空、脱落等现象。
②印刷色要符合限度样板。
3)标识①标识内容要明确。
符合图纸。
②在指定位置印刷及贴付。
4)制品批号、个・外装箱批号指定位置要正确、明确地标示出。
5)不能有伤、汚、破裂等。
6)电源线有效长度2.5m±2%4.构造,部品1)组装各部品的组装不能强行压入、接合处、间隙等要根据图面要求。
2)部品各部的部品根据图面或部品承认图。
3)空间距离、沿面距离导电体与其它导电体之间的距离 2.5mm以上导电体非导电体之间的距离 2.0mm以上4)内部配线不能触及可动部、高温部、配线装入时不要过分用力。
5)电装部品①、风扇/马达DFB802024L DC 无刷马达24V 1.9W②、恒温器SS1-L AC 125V 2A 78℃±4℃ (OFF)③、云母发热器100V 20W④、门开关SS-01GL-E欧姆龙微型开关DC 30V 0.1A⑤、齿轮马达开关SS-01-E欧姆龙微型开关DC 30V 0.1A⑥、齿轮马达MT8-4 AC100V 50/60Hz 3/2.5W 2.5/3rpm⑦、热敏电阻150-503-7616 R(25℃)=50KΩ B(25℃/50℃)3,590KΩ(3950 KΩ)⑥、电源线线:PVC线VFF 2×0.75㎟(0.18/30芯)灰色3.1M(有效长)±30mm, JET 2220-12009-1001插头:PP成形插头 JET 0883-43001-1001⑦、主基板环氧树脂CEM-1 电流保险丝AC 125V 1A装倾倒开关⑧、操作基板・遥控基板环氧树脂CEM-1 红外线频率38kHz6)包装符合包装仕样书要求。
Feature (特性)•Ideal circuit opening controller,disconnecting units from overload rating specified .理想的电流过负荷保护组件•Too low or too high ohmic value can be supplied on a case to case to case basis.超高或超低阻值也能特别生产•UL items available (File NO:E306074、E245468)产品UL 安规认证(认证号:E306074、E245468)Dimension(尺寸)mm Derating Curve (降功率曲线)Ambient termperature 环境温度(°C)P e r c e n t r a t e d l o a d (%)负载比率(%)Fusible Resistors保险丝电阻器Specification(性能)Part No 料号Type 类型Power Rating 功率70°CDimension (尺寸)(mm)Dielectric WithstandingVoltage 绝缘耐压Resistance Range阻值范围D L d ±0.05H±3PT FRN0W4FRN-251/4W 2.2±0.5 6.5±1.00.602852300V 0.22Ω~10KΩFRN0S2FRN-50-S 1/2W-S 2.2±0.5 6.5±1.00.602852300V 0.22Ω~10KΩFRN004FRN-400.4W 2.2±0.5 6.5±1.00.602852300V 0.22Ω~10KΩFRN0W2FRN-501/2W 3.0±0.59.0±1.00.602852350V 0.22Ω~10KΩFRN075FRN-753/4W 3.5±0.69.5±1.00.542852350V 0.22Ω~10KΩFRN01W FRN-1001W 3.5±0.69.5±1.00.542852350V 0.22Ω~10KΩFRN01A FRN-150 1.5W 4.5±0.611.5±1.00.702852600V 0.22Ω~10KΩFRN02W FRN-2002W 4.5±0.611.5±1.00.702852600V 0.22Ω~10KΩFRN03WFRN-3003W5.0±0.615.5±1.00.802864600V0.22Ω~10KΩResistance ValueTest Wattage Fusing Time (阻值)(测试功率)(熔断时间) ≤2.2Ω 32 X Power Rating (额定功率) ≤ 60 seconds (秒)>2.2Ω16 X Power Ratring (额定功率)≤ 60 seconds (秒)Fusing Characteristics (熔断特性)The fusing test current or voltage should be stable, change within 5%. (测试电流或电压必须稳定变化率不超过5%)ØdFusible Resistors保险丝电阻器Performance Specification(性能)Temperature coefficient温度系数±350PPM/℃Short-time Overload短时间过负荷ΔR/R ≤ ±(2%+0.05 Ω),with no evidence of mechanical damage (无可见机械损伤)Dielectric withstanding voltage 绝缘耐压With no evidence of flashover,mechanical damage,arcing or insulation breakdown ( 无击穿·飞弧及可可见机械损伤)Terminal strength端子强度No evidence of mechanical damage ( 无可见机械损伤)Soldering heat耐焊接热ΔR/R ≤ ±(1%+0.05 Ω) with no evidence of mechanical damage (无可见机械损伤)Solderability可焊性Min.95% coverage (最少95%覆盖率)Temperature cycling温度循环ΔR/R ≤ ±(2%+0.05 Ω)with no evidence of mechanical damage (无可见机械损伤)Load life in humidity 湿度寿命ΔR/R ≤ ±(5%+0.05 Ω)with no evidence of mechanical damage (无可见机械损伤)Load life负载寿命ΔR/R ≤ ±(5%+0.05 Ω)with no evidence of mechanical damage (无可见机械损伤)Flame retardant阻燃Resistor insulation is self-extinguishing within 10 seconds after externally applied flame is removed (火焰移开后10S内,电阻自动绝燃,无可见火焰)。
技术规格书一、说明1、除采购文件明确的品牌外,欢迎其他能满足本项目技术需求且性能与所明确品牌相当的产品参加,同时填写技术规格偏离表。
2、其中打“▲”的条款为实质性条款。
3、招标范围:设备的技术规格和要求表中的所有设备供应、安装、调试、验收、技术培训、售后服务。
4、本项目所有设备必须一起投,否则将视作未响应招标文件实质性要求,从而导致该投标人投标无效。
5、设备交货及安装调试完毕时间:合同签订后 30 日历天。
6、除技术规格书中标明允许进口产品外,其他均不允许进口产品参加,进口产品的认定按财办库〔2008〕248号文件及相关文件规定。
二.设备的技术规格和要求表数据采集仪要达到的主要功能如下:1)实时数据采集功能系统可采集模拟量和开关量形式的各类参数。
2)历史数据存储功能采集到数据,以设定的时间间隔存储,时间间隔可根据需要任意设定。
数据保存的时间≥6个月。
3)数据通讯功能通过有线/无线形式与环境监控中心进行数据通讯。
4)具有报警功能当获取的数据超过设定的报警值时,主动向环境监控中心传输相关的报警信息。
5)实时数据、历史数据的通过曲线或数据列表的形式显示。
根据需要可进行图表的打印。
6)各种监测参数的量程、报警值、相关换算系数及其他设置内容(如下位机的系列号,用于通讯的相关设置等)。
7)反向控制在现场仪器仪表提供相应功能和协议的条件下,可实现对仪器仪表的反向控制,如自动清洗,量程校正、分瓶采样、视频控制等。
8)数采仪要求视频接入模块(支持电信“全球眼”视频叠加技术)。
9)企业端2路视频数据可保留一周以上,支持智能存储/删除。
10)支持浙江省污染源在线监控系统使用。
11)提供多种通讯接口(4-20Ma、RS232、RS485等)。
12)支持间歇性排放标准的企业的监控控制,实现通过流量来控制仪器的做样。
13)数采仪要求视频接入模块。
(二)PH分析仪pH测量范围0.00 to 14.00 pH分辨率0.01 pH准确度± 0.01 pH温度测量范围- 9.9 to + 125.0 °C分辨率0.1 °C相对准确度± 0.5 °C传感器Pt 100 /Pt 1000 (连线端子选择)温度补偿方式自动/ 手动 (参照 25.0 °C)设定点和控制器功能功能(可转换的) 设定点控制器控制器特性极限控制器加速 /减慢继电器0 to 2000 秒.pH 迟滞宽度0.1 to 1 pH工作电压最大 250 VAC工作电流最大. 3A功耗最大 600 VA电参数和连接电源110 / 220 VAC (短路子选择)频率48 to 62 Hz输出信号 4 to 20 mA, 电隔离负载最大. 500 WpH 输入方式BNC接线端5脚/17脚,接插式电源保险丝/ 细丝保险丝slow-blow 250 V / 100 mAEMC 指标电磁辐射符合EN 50081-1磁化率符合 EN 50082-1环境条件环境温度0 to +50 °C相对湿度10 to 95%, 无冷凝水(三) 总有机碳(TOC)在线分析仪测定原理:催化氧化燃烧+非分散红外吸收法测定TOC,并折算成COD。
WSH413Hall Effect Sensor IC with Thermal Lock Protectionand Auto Restart FunctionFeatures:Operate from 2.8V to 36V supply voltage. On-chip Hall sensor.Internal bandgap regulator allows temperature compensated operations and a wide operating voltage range.High output sinking capability up to 500mA for driving large load.Lower current change rate reduces the peak output voltages during switching. Available in rugged low profile SOT-25 , SIP-4L packages. Built-in PWM Speed Control function .Built-in protection diode for reverse power supply fault. Built-in thermal lock protection and auto-restart function.General Description:WSH413 is designed to integrate Hall sensor with complementary output drivers and frequency generator together on the same chip, it is suitable for speed measurement,revolution counting, positioning, and DC brushless motors. It includes a temperature compensated voltage regulator, a differential amplifier, a Hysteresis controller, two Darlington output drivers capable of sinking 500mA current load and an PWM signal input pin capable of doing speed control. An on-chip protection diode is implemented to prevent reverse power fault. And built-in thermal lock protection and auto-restart function is suitable for super high speed fan. It can replace the function of lock protection and auto restart function. The power will be shutdown automatically at 125°C to prevent the coils be damaged and auto-restart after cooling down 5~10°C when thermal protected was activated .The temperature-dependent bias increases the supply voltage of the hall plates and adjusts the switching points to the decreasing induction of magnets at highertemperatures. Subsequently, the open collector output switches to the appropriate state.WSH413 are rated for operation over temperature range from –20˚ C to 100˚C and voltage ranges from 2.8V to 36V .查询WSH413供应商捷多邦,专业PCB打样工厂,24小时加急出货WSH413 Vcc=24VWSH413N NWSH413WSH413WSH413 SIP-4LWSH413 Figure 1.Figure 2.。
(a) RoHS Compliant & Halogen Free(b) Applications: All high-density boards(c) Product Features: Small surface mountable, Solid state, Faster time to trip thanstandard SMD devices, Lower resistance than standard SMD devices(d) Operation Current: 0.01A~0.20A(e) Maximum Voltage: 9V~60V DC(f) Temperature Range : -40℃to 85℃2. Agency RecognitionUL: File No. E211981TÜV: File No. R500905563. Electrical Characteristics (23℃)HI T=Trip current-minimum current at which the device will always trip at 23℃still air.V MAX=Maximum voltage device can withstand without damage at it rated current.(I MAX)I MAX= Maximum fault current device can withstand without damage at rated voltage (V MAX).Pd=Typical power dissipated-type amount of power dissipated by the device when in the tripped state in 23℃still air environment. R MIN=Minimum device resistance at 23℃prior to tripping.R1MAX=Maximum device resistance at 23℃measured 1 hour after tripping or reflow soldering of 260℃for 20 seconds. Termination pad characteristicsTermination pad materials:Pure Tin4. SMD Product Dimensions (Millimeters)5. Thermal Derating Curve6. Typical Time-To-Trip at 23℃7. Material SpecificationTerminal pad material: Pure TinSoldering characteristics: Meets EIA specification RS 186-9E, ANSI/J-std-002 Category 38. Part Numbering and Marking SystemPart Numbering System Part Marking SystemS M D □ □ □ – 0603Current RatingExampleWarning: -Operation beyond the specified maximum ratings or improper use may result in damage and possibleelectrical arcing and/or flame.-PPTC device are intended for occasional overcurrent protection. Application for repeated overcurrent condition and/or prolonged trip are not anticipated. 甲、 -Avoid contact of PPTC device with chemical solvent. Prolonged contact will damage the deviceperformance.AB=C=D=E=F=G=H=I= X=Y=Z=A=B=F=G==SMD001-0603SMD002-0603SMD003-0603SMD004-0603SMD005-0603SMD010-0603SMD012-0603SMD016-0603SMD020-0603SMD001-0603SMD002-0603SMD003-0603SMD004-0603SMD005-0603SMD010-0603SMD012-0603SMD016-0603SMD020-06039. Pad Layouts 、Solder Reflow and Rework RecommendationsThe dimension in the table below provide the recommended pad layout for each SMD 0603 deviceNote 1: All temperatures refer to of the package,measured on the package body surface.Reflow Profile。
AUPO温度保险丝BF113BF121BF133BF142BF157 2020年12月17日 11:03 星期四鼠年庚子年冬月初三
加工定制否品牌雅宝AUPO温度保险丝型号BF113 BF121 BF133
种类保险丝
BF142 BF157
体积小型
用途电吹风、电熨斗、电饭
锅、电炉、变压器、电动机、
饮水机、咖啡壶、马达、电机
等
电压特性安全电压形状金属外壳电阻式
熔断速度F/快速执行标准国标
自动复位功能无最大电压250(V) V
最大电流10(A) A保持电流10(A) A
认证:UL,CSA,VDE,CQC,,SGS认证
特点:对温度感应灵敏,动作精度高.
用途:温度保险丝能感应电器电子产品非正常运作中产生的过热,从而切断回路以避免火灾的发生。
常用于:电吹风、电熨斗、电饭锅、电炉、变压器、电动机、饮水机、咖啡壶、马达、电机等
2020年12月17日 11:03 星期三四鼠年庚子年冬月初三。