第七章粘结、锚固
- 格式:ppt
- 大小:1.77 MB
- 文档页数:24
锚杆锚固体与土体粘结强度特征浅析引言在土体工程中,锚杆锚固技术是一种常见且重要的加固措施。
通过锚杆将土体与结构安全牢固地连接在一起,以增强土体的抗拉承载力和抗折承载力。
而土体与锚杆之间的粘结强度是保证锚杆锚固效果的重要因素之一。
本文旨在对锚杆锚固体与土体的粘结强度特征进行浅析,以期为相关工程实践提供一定的参考。
1. 土体本身性质土体的类型、颗粒大小、排列密度、含水量等因素都会对土体与锚杆的粘结强度产生影响。
一般来讲,细颗粒土体与锚杆的粘结强度较高,而粗颗粒土体与锚杆的粘结强度较低。
土体的含水量对粘结强度也有一定的影响,适当的含水量有利于提高土体与锚杆的粘结强度。
2. 锚杆材质与形式3. 锚杆锚固体的结构形式二、锚杆锚固体与土体粘结强度的测试方法1. 剪切试验剪切试验是一种常用的测试土体与锚杆之间粘结强度的方法。
实验时,首先将锚杆粘结于土体上,然后以剪切力的形式施加在锚杆上,通过测定力的大小和土体的位移来评价锚杆与土体的粘结强度。
2. 拉拔试验1. 破坏形态土体与锚杆的破坏形态通常可以分为黏结破坏和摩块破坏两种形式。
黏结破坏意味着土体与锚杆的粘结强度较高,破坏主要发生在土体内部;而摩块破坏意味着土体与锚杆的粘结强度较低,破坏主要发生在土体与锚杆之间。
2. 粘结强度分布土体与锚杆的粘结强度通常呈现不均匀分布的特点,不同部位的粘结强度差异较大。
一般而言,土体较密实处的粘结强度较高,而土体较疏松处的粘结强度较低。
3. 粘结强度随时间的变化土体与锚杆的粘结强度通常随时间的推移而发生变化。
一般而言,初期土体与锚杆的粘结强度较低,随着时间的增加,粘结强度逐渐增加,最终趋于稳定。
四、结语通过对锚杆锚固体与土体的粘结强度特征进行浅析,我们可以得出如下结论:土体本身性质、锚杆材质与形式、锚杆锚固体的结构形式等因素会对锚杆与土体的粘结强度产生影响;剪切试验、拉拔试验、抗拔试验是常用的测试土体与锚杆之间粘结强度的方法;土体与锚杆的破坏形态、粘结强度分布、粘结强度随时间的变化是其典型特征。
混凝土钢筋的锚固原理与计算一、引言混凝土钢筋的锚固是指将钢筋固定在混凝土中,以保证钢筋与混凝土之间的牢固连接。
混凝土钢筋的锚固在混凝土结构中起着至关重要的作用,它能够有效地保证混凝土结构的安全性和稳定性,因此,混凝土钢筋的锚固问题一直是混凝土结构设计和施工中的重要问题之一。
二、混凝土钢筋的锚固原理钢筋的锚固原理是在混凝土结构中,通过摩擦力、粘结力和侧向限制力等作用,使得钢筋能够保持在混凝土中的固定位置,以承受荷载的作用。
混凝土结构中,钢筋的锚固主要通过以下三种方式实现:1. 摩擦力锚固在混凝土中,当钢筋表面与混凝土接触时,由于钢筋表面的粗糙程度,会产生一定的摩擦力,从而使得钢筋能够保持在混凝土中的稳定位置。
通常情况下,摩擦力锚固的作用范围较小,不足以保证钢筋的牢固连接。
2. 粘结力锚固混凝土中的水泥浆料与钢筋表面的氧化物反应,形成一层粘结力,这种力可以使得钢筋与混凝土之间产生牢固的连接。
粘结力锚固是混凝土钢筋锚固中最重要的一种方式,通常情况下,通过加粗钢筋的表面或喷涂特殊的粘合剂可以增加钢筋表面的粗糙度,从而增加粘结力锚固的作用效果。
3. 侧向限制力锚固在混凝土结构中,由于钢筋的存在,混凝土中的荷载不会完全沿着钢筋方向传递,这会导致钢筋所在位置的混凝土产生侧向压缩力,从而形成侧向限制力锚固。
侧向限制力锚固通常是在钢筋的两侧设置锚固钩,通过钩子的弯曲形成侧向限制力,从而保证钢筋在混凝土中的牢固连接。
三、混凝土钢筋的锚固计算混凝土钢筋的锚固计算是混凝土结构设计和施工中非常重要的一环,它需要考虑到钢筋的强度、混凝土的强度、锚固长度、荷载等多个因素。
在进行混凝土钢筋锚固计算时,需要注意以下几个方面:1. 锚固长度的确定混凝土钢筋的锚固长度是指钢筋在混凝土中的固定长度,它的长度需要根据混凝土的强度、钢筋的强度和荷载大小来确定。
一般情况下,钢筋的锚固长度应该不小于25倍钢筋的直径,同时也不应该超过混凝土的有效深度。
简述钢筋锚固的概念及钢筋锚固的形式
钢筋锚固是指将钢筋(通常是钢筋筋材)牢固地固定在混凝土或其他建筑材料中,以增加结构的稳定性和承载能力。
钢筋锚固是建筑和工程领域中常见的工艺,用于将钢筋与混凝土或其他建筑材料连接在一起,以提供一定的张力和抗剪强度。
钢筋锚固的形式主要有以下几种:
1. 粘结锚固:将钢筋通过加热或使用专用的粘结剂粘结到混凝土中。
这种方法通常适用于小型建筑或短期使用的结构。
2. 机械锚固:使用机械连接件(如螺纹套筒、夹具、搭接板等)将钢筋固定到混凝土中。
这种方法通常适用于大型建筑和长期使用的结构。
3. 锚具锚固:使用专用的锚具将钢筋锚固到混凝土中。
这种方法通常应用于需要经常调整和更换的结构。
4. 预埋锚固:在混凝土浇筑之前将钢筋预埋到混凝土中,以便后期固定使用。
这种方法通常用于需要提前安装和调整的特殊结构。
钢筋锚固的形式选择取决于具体的工程需求和设计要求。
无论哪种形式,钢筋锚固都是确保建筑和结构的稳定性、耐久性和安全性的重要工艺。
混凝土钢筋锚固技术及应用实例一、混凝土钢筋锚固技术概述混凝土钢筋锚固技术是指在混凝土结构中,通过一定的方法将钢筋固定在混凝土中,以达到承受荷载的目的。
该技术在建筑、桥梁、隧道等工程中广泛应用,是保证混凝土结构安全稳定的重要措施。
二、混凝土钢筋锚固技术的分类1.机械锚固法机械锚固法是指通过机械锚具将钢筋牢固地固定在混凝土中。
常用的机械锚具有桩式锚具、膨胀式锚具、扭剪式锚具等。
2.粘结锚固法粘结锚固法是指通过化学胶粘剂将钢筋牢固地固定在混凝土中。
常用的化学胶粘剂有环氧树脂、聚酯树脂、丙烯酸酯等。
3.混合锚固法混合锚固法是指将机械锚具和化学胶粘剂相结合,将钢筋固定在混凝土中。
该方法结合了机械锚固法和粘结锚固法的优点,使钢筋的锚固效果更加牢固可靠。
三、混凝土钢筋锚固技术的应用实例1.建筑工程中的应用在建筑工程中,混凝土钢筋锚固技术主要用于连接混凝土构件和钢结构构件,以及连接混凝土构件和混凝土构件。
例如,在高层建筑中,需要将混凝土柱和钢梁连接在一起,采用机械锚固法将钢筋牢固地固定在混凝土中,可实现结构的稳定和安全。
2.桥梁工程中的应用在桥梁工程中,混凝土钢筋锚固技术主要用于连接桥墩和桥梁,以及连接桥梁梁板和梁柱。
例如,在斜拉桥的桥塔中,需要将斜拉索与桥塔钢筋连接在一起,采用粘结锚固法将钢筋牢固地固定在混凝土中,可实现桥梁的稳定和安全。
3.隧道工程中的应用在隧道工程中,混凝土钢筋锚固技术主要用于连接隧道衬砌和隧道内壁,以及连接隧道内壁和隧道顶板。
例如,在地铁隧道施工中,需要将隧道衬砌与隧道内壁连接在一起,采用混合锚固法将钢筋牢固地固定在混凝土中,可实现隧道的稳定和安全。
四、混凝土钢筋锚固技术的注意事项1.选用合适的锚具和胶粘剂,根据工程要求选择不同的锚固方式。
2.锚具安装前应进行充分的试验和检验,确保其质量和性能符合要求。
3.在锚具安装前,应对混凝土进行充分的清理和处理,以保证锚固效果。
4.锚具安装时应注意力的均匀分配,以避免产生局部应力过高。
第七章钢筋与混凝土之间的粘结§7.1 概述钢筋与混凝土的粘结是钢筋与其周围一定影响范围内混凝土的一种相互作用,它是这两种材料共同工作的前提之一,也是对钢筋混凝土构件的承载力、刚度以及裂缝控制起重要影响的因素之一。
粘结的退化和失效必然导致钢筋混凝土结构力学性能的降低和破坏。
随着有限元法在钢筋混凝土结构非线性中的应用,钢筋与混凝土之间粘结和滑移的研究更显重要。
7.1.1 粘结应力及其分类1.粘结应力的定义粘结应力是指沿钢筋与混凝土接触面上的剪应力。
它并非真正的钢筋表面上某点剪应力值, 而是一个名义值( 对于变形钢筋而言) ,是指在某个计算范围( 变形钢筋的一个肋的区段) 内剪应力的平均值,且对于变形钢筋来说,钢筋的直径本身就是名义值。
2.粘结应力分类·弯曲粘结应力由构件的弯曲引起钢筋与混凝土接触面上的剪应力。
可近似地按材料力学方法求得。
由于在混凝土开裂前,截面上的应力不会太大,所以一般不会引起粘结破坏,对结构构件的力学性能影响不大。
该粘结主要体现混凝土截面开裂前钢筋与混凝土的协同工作机理。
其大小与弯曲粘结应力及截面的剪力分布有关,即对于未开裂截面,弯曲粘结应力的分布规律与剪力分布相同。
·锚固粘结应力钢筋的应力差较大,粘结应力值高,分布变化大,如果锚固不足则会发生滑动,导致构件开裂和承载力下降。
粘结破坏是一种脆性破坏。
·裂缝间粘结应力开裂截面的钢筋应力,通过裂缝两侧的粘结应力部分地向混凝土传递,使未开裂截面的混凝土受拉,也使得混凝土内的钢筋平均应变或总变形小于钢筋单独受力时的相应变形,有利于减小裂缝宽度和增大构件的刚度,此即“受拉刚化效应”。
裂缝间粘结应力属于局部粘结应力范围。
该粘结应力数值的大小反映了受拉区混凝土参与工作的程度。
局部粘结应力应变分布复杂,存在着混凝土的局部裂缝和两者之间的相对滑移,平截面假定不再符合,且影响因素较多,如剪切破坏、塑性铰的转动能力以及结构中的弹塑性分析等。
混凝土梁预应力锚固方法一、概述预应力混凝土结构是一种高强度、高刚度、高耐久性的建筑结构,其基础是预应力混凝土梁。
预应力混凝土梁是一种采用预应力技术制作的梁,能够承受更大的荷载,具有更好的抗震能力,经济效益更高。
预应力混凝土梁的预应力锚固方法是确保预应力混凝土梁安全性能的关键。
二、预应力锚固方法分类预应力锚固方法一般可以分为粘结式锚固和板端式锚固两种。
1.粘结式锚固粘结式锚固是将预应力钢筋用预应力套筒或预应力板固定在混凝土内,使其与混凝土粘结成一体,形成预应力混凝土梁。
粘结式锚固分为单端粘结和双端粘结两种。
2.板端式锚固板端式锚固是在预应力钢筋两端设置板端,在板端上通过锚固件将预应力钢筋固定,使其与混凝土板端形成一个整体,从而达到锚固的效果。
三、预应力锚固方法具体操作步骤1.确定锚固长度首先需要确定预应力锚固长度,这个长度一般是根据混凝土梁的长度和负载情况来确定的。
2.预应力钢筋的加工根据预应力锚固长度,将预应力钢筋加工成所需长度,并加工预应力锚固头和锚固尾。
3.锚固件的选型根据预应力钢筋的直径和预应力锚固长度,选择适合的锚固件,确定锚固件的型号和数量。
4.混凝土梁模板的制作根据设计要求制作混凝土梁模板,模板应该具有足够的强度和刚度,以确保混凝土浇筑后能够保持预设的形状和尺寸。
5.钢筋的布置根据设计图纸要求,在混凝土梁模板上铺设预应力钢筋,并根据锚固长度确定预应力钢筋的锚固位置。
6.锚固件的安装安装锚固件,将其固定在预应力钢筋的锚固位置上。
7.混凝土的浇筑在预应力钢筋和锚固件的位置上浇筑混凝土,确保混凝土充实和密实。
8.养护混凝土浇筑完成后,进行养护,保证混凝土的强度和密实性。
四、注意事项1.预应力钢筋的加工和锚固件的选型必须符合设计要求。
2.混凝土的浇筑和养护必须按照规定的程序进行。
3.锚固件的安装必须牢固可靠,避免出现安装不当或者松动的情况。
4.在进行预应力锚固之前,必须对混凝土梁的模板进行检查,确保其符合设计要求。
钢筋混凝土结构粘结锚固技术规程一、引言钢筋混凝土结构中,粘结锚固技术是一种重要的结构连接方式。
其作用是将钢筋混凝土结构中的钢筋与混凝土紧密连接,并承受结构荷载。
本技术规程旨在规范钢筋混凝土结构中粘结锚固技术的施工和验收要求,确保结构的安全可靠。
二、材料准备1. 粘结剂:应选用符合国家标准或相关行业标准的粘结剂,如环氧树脂、聚氨酯等。
应按照生产厂家提供的说明书进行使用,严禁超过保质期使用。
2. 粘结锚具:应选用符合国家标准或相关行业标准的粘结锚具,如粘钢筋套筒、齿形管、锚具板等。
应按照生产厂家提供的说明书进行使用,严禁使用外观有明显损伤或变形的锚具。
3. 钢筋:应选用符合国家标准或相关行业标准的钢筋,应满足结构设计和施工要求。
在粘结锚固前应对钢筋进行清洁处理,确保表面无油污、锈蚀等杂质。
4. 混凝土:应选用符合国家标准或相关行业标准的混凝土,应满足结构设计和施工要求。
在粘结锚固前应对混凝土表面进行清理和处理,确保表面无粉化、起砂等现象。
三、工艺流程1. 钢筋加工:钢筋应按照结构设计要求进行加工,应在粘结锚固前对钢筋进行清洁处理。
2. 粘结剂制备:按照生产厂家提供的说明书将粘结剂进行配制。
3. 锚具安装:根据结构设计要求,在混凝土中安装锚具,确保锚具与混凝土紧密粘结。
4. 粘结操作:将粘结剂涂刷在钢筋表面,使其均匀覆盖,然后插入锚具内,使其与混凝土紧密粘结。
5. 固化时间:按照生产厂家提供的说明书,对粘结剂进行固化处理,使其达到规定的强度。
6. 验收:对粘结锚固后的结构进行检查和验收,确保其符合设计和施工要求。
四、施工要求1. 粘结剂:应按照生产厂家提供的说明书进行配制和使用,严禁超过保质期使用。
在施工中,应搅拌均匀,避免出现气泡和凝块。
2. 钢筋:在锚固前应对钢筋进行清洁处理,确保表面无油污、锈蚀等杂质。
在粘结后应保持钢筋的位置和方向不变。
3. 混凝土:在锚具安装前应对混凝土表面进行清理和处理,确保表面无粉化、起砂等现象。
钢筋锚固形式
钢筋锚固是指将钢筋牢固地固定在混凝土结构中,以增强结构的承载能力和抗震性能。
钢筋锚固形式可以根据具体的工程要求和设计规范选择,常见的形式包括机械锚固、粘结锚固和摩擦锚固。
机械锚固是通过机械装置将钢筋与混凝土结构连接在一起。
常见的机械锚固形式包括锚杆、锚具和锚板等。
锚杆是将钢筋通过螺纹连接装置固定在混凝土中,具有较高的承载能力和可靠性。
锚具是一种将钢筋用夹具固定在混凝土中的装置,适用于较小的荷载。
锚板是一种将钢筋通过锚具连接在混凝土中的装置,常用于连接大型钢筋和混凝土结构。
粘结锚固是通过粘结材料将钢筋与混凝土结构粘合在一起。
常见的粘结锚固形式包括粘结剂、砂浆和胶黏剂。
粘结剂是一种将钢筋与混凝土结构粘合在一起的材料,常用于大型结构的锚固。
砂浆是一种将钢筋与混凝土结构粘合在一起的混凝土材料,常用于小型结构的锚固。
胶黏剂是一种将钢筋与混凝土结构粘合在一起的胶粘剂,适用于特殊工程要求和高强度要求。
摩擦锚固是通过钢筋与混凝土结构之间的摩擦力将其固定在一起。
常见的摩擦锚固形式包括拉拔锚固和槽形锚固。
拉拔锚固是通过将钢筋拉拔至一定的应力状态,使其与混凝土结构之间产生摩擦力而固定在
一起。
槽形锚固是通过将钢筋嵌入混凝土槽中,使其与混凝土结构之间产生摩擦力而固定在一起。
总之,选择适当的钢筋锚固形式对于确保混凝土结构的稳定性和安全性至关重要。
在实际工程中,需要根据工程要求、设计规范和具体情况综合考虑,选择最合适的钢筋锚固形式。
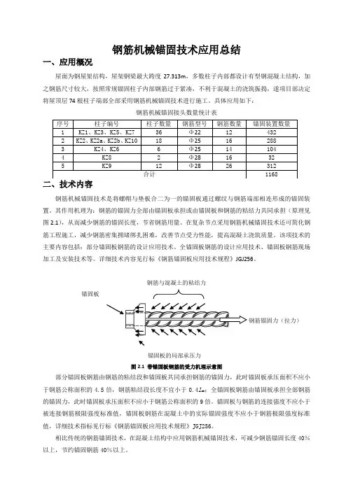
钢筋机械锚固技术应用总结一、应用概况屋面为钢屋架结构,屋架钢梁最大跨度27.313m,多数柱子内部都设计有型钢混凝土结构,加之钢筋尺寸较大,按照常规锚固柱子内部钢筋过于紧凑,不利于混凝土的浇筑振捣,遂项目部决定将屋顶层74根柱子端部全部采用钢筋机械锚固技术进行施工。
具体应用如下:钢筋机械锚固接头数量统计表序号柱子编号柱子数量钢筋型号钢筋数量锚固装置数量1 KZ1、KZ3、KZ5、KZ7 36 Φ2212 4322 KZ2、KZ2a、KZ2b、KZ10 18 Φ2516 2883 KZ4、KZ6 6 Φ2514 1044 KZ8 2 Φ2816 325 KZ9 12 Φ2826 312合计1168钢筋机械锚固技术是将螺帽与垫板合二为一的锚固板通过螺纹与钢筋端部相连形成的锚固装置。
其作用机理为:钢筋的锚固力全部由锚固板承担或由锚固板和钢筋的粘结力共同承担(原理见图2.1),从而减少钢筋的锚固长度,节省钢筋用量。
在复杂节点采用钢筋机械锚固技术还可简化钢筋工程施工,减少钢筋密集拥堵绑扎困难,改善节点受力性能,提高混凝土浇筑质量。
该项技术的主要内容包括:部分锚固板钢筋的设计应用技术、全锚固板钢筋的设计应用技术、锚固板钢筋现场加工及安装技术等。
详细技术内容见行标《钢筋锚固板应用技术规程》JGJ256。
钢筋与混凝土的粘结力锚固板钢筋锚固力(拉力)锚固板的局部承压力图2.1 带锚固板钢筋的受力机理示意图部分锚固板钢筋由钢筋的粘结段和锚固板共同承担钢筋的锚固力,此时锚固板承压面积不应小于钢筋公称面积的4.5倍,钢筋粘结段长度不宜小于0.4l ab;全锚固板钢筋由锚固板承担全部钢筋的锚固力,此时锚固板承压面积不应小于钢筋公称面积的9倍。
锚固板与钢筋的连接强度不应小于被连接钢筋极限强度标准值,锚固板钢筋在混凝土中的实际锚固强度不应小于钢筋极限强度标准值,详细技术指标见行标《钢筋锚固板应用技术规程》JGJ256。
相比传统的钢筋锚固技术,在混凝土结构中应用钢筋机械锚固技术,可减少钢筋锚固长度40%以上,节约锚固钢筋40%以上。
混凝土钢筋的锚固原理与计算一、前言混凝土结构中,经常需要将钢筋固定在混凝土中,这就需要进行钢筋的锚固。
钢筋的锚固是混凝土结构中非常重要的一环,它能够保证混凝土结构的安全性和稳定性。
本文将详细讲解混凝土钢筋的锚固原理与计算。
二、锚固原理钢筋的锚固是指将一段钢筋固定在混凝土中,以便将来的受力作用能够得到传递。
一般来说,钢筋的锚固可以分为两种类型:粘结锚固和机械锚固。
1. 粘结锚固粘结锚固是指将一定长度的钢筋通过其表面和混凝土产生的摩擦力和粘结力来实现的。
这种类型的锚固是最常见的一种。
其锚固的原理是:当钢筋通过混凝土时,由于混凝土的强度是比较大的,所以钢筋表面就会产生一定的压力,这样就会使钢筋表面的混凝土产生一定的变形。
由于混凝土的强度比较大,所以这种变形是比较小的。
但是,由于钢筋的表面是比较粗糙的,所以它能够和混凝土产生一定的摩擦力和粘结力。
这样,就可以将钢筋牢固地锚固在混凝土中。
2. 机械锚固机械锚固是指通过一定的机械装置来将钢筋锚固在混凝土中的一种方式。
这种类型的锚固一般是应用在一些特殊的情况下,比如在混凝土结构中需要锚固的钢筋数量较大或者需要承受较大的拉力时。
机械锚固的原理是:将钢筋通过一定的机械装置固定在混凝土中,这样就可以承受较大的拉力。
三、锚固长度计算钢筋的锚固长度计算是非常重要的。
一般来说,钢筋的锚固长度应该足够长,以保证钢筋在受到力的作用下能够牢固地锚固在混凝土中。
在进行锚固长度计算时,需要考虑到以下几个因素:1. 钢筋的直径钢筋的直径是影响钢筋锚固长度的一个重要因素。
一般来说,钢筋的锚固长度应该是钢筋直径的6倍。
2. 混凝土的强度等级混凝土的强度等级也是影响钢筋锚固长度的一个因素。
一般来说,混凝土的强度等级越高,钢筋的锚固长度也应该越长。
3. 环境温度环境温度也是影响钢筋锚固长度的一个因素。
一般来说,环境温度越高,钢筋的锚固长度也应该越长。
4. 锚固方式不同的锚固方式对钢筋锚固长度的要求也是不同的。
CHAPTER1Plain Concrete素混凝土,Reinforced Concrete钢筋混凝土,Prestressed Concrete预应力混凝土,reinforcement steel bar钢筋(也有人直接用bar,fiber),Portland cement波特兰水泥Light-weight concrete轻质混凝土,high-strength concrete高强混凝土,Fiber reinforced concrete(FRC)纤维混凝土load荷载,span跨径,strain应变,stress应力,compression压力,tension拉力,moment弯矩,torsion扭矩,扭转thermal expansion coefficients热膨胀系数,corrosion protection防腐蚀,Fire resistance 耐火,hollow floor空心楼板,wall墙面,girder主梁,beam横梁,column柱,footing基础allowable stress design method允许应力法,ultimate strength design method极限强度设计法,limit state design method极限状态设计法,composite structure混合结构CHAPTER2smooth bar光圆钢筋,deformed bar螺纹钢筋,hot rolled bar热轧钢筋,cold drawn bar 冷拉钢筋,steel wires钢绞线,heat treated steel bar热处理钢筋stress-strain curve应力应变曲线,yield plateau屈服平台deformation变形,deflection挠度,yield strength屈服强度,ultimate strength极限强度,ductility韧性,hardening强化,cold drawn冷拉,tempering treatment回火,quenching treatment淬火fatigue疲劳,shrinkage收缩,creep徐变,crack开裂,crush压溃water-cement ratio水灰比cubic compressive strength立方体抗压强度,prismatic compressive strength棱柱体抗压强度elasticity modulus弹性模量(杨氏模量),secant modulus割线模量,tangent modulus切线模量,shear modulus剪切模量,poisson’s ratio泊松比uniaxial tension单轴拉伸,biaxial loading双轴加载,triaxial loading三轴加载CHAPTER3bond粘结,anchorage锚固,bar splicing钢筋搭接,splitting撕裂,crush压溃,pull-out failure刮出式破坏splice length搭接长度,embedded length埋置长度,development length锚固长度shape coefficient外形系数ribs钢筋肋CHAPTER4axial load轴向加载,axial tension轴向拉伸,axial compression轴向压力elasticity弹性,plasticity塑性longitudinal bars主筋(纵向钢筋),stirrup箍筋,hanger bar架立筋,bent bar弯起钢筋brittle failure脆性破坏,load carrying capacity承载能力short column短柱,slender column长柱,stability coefficient稳定系数cross section截面,cross-sectional dimension截面尺寸spiral stirrup螺旋箍筋CHAPTER5box section箱形截面,hollow slab空心板,T-section T形截面over-reinforced beam超筋梁,under-reinforced beam少筋梁,balanced-reinforced beam 适筋梁brittle failure脆性破坏concrete cover混凝土保护层minimum reinforcement ratio最小配筋率flexure theory弯曲理论,plane section assumption平截面假定neutral axis中性轴,coefficient系数,parameter参数,constant常数stress distribution应力分布,shear span ratio剪跨比stress block depth应力区高度(受压区高度),relative stress block depth相对应力区高度(相对受压区高度),nominal stress block depth名义应力区高度(名义受压区高度),flexural capacity抗弯承载能力symmetry reinforcement对称配筋effective flange width有效翼缘宽度,flange翼缘,web腹板shear-lag effect剪力滞效应simple-supported beam简支梁,continuous beam连续梁deep-bending member深受弯构件,deep beam深梁,transfer girder转换梁,tie-reinforcement拉结筋,horizontal distributing reinforcement水平分布钢筋spacing间距CHAPTER6eccentricity偏心率,second-order effect二阶效应ultimate limit state使用极限状态additional eccentricity附加偏心距eccentricity magnifying coefficient偏心距放大系数tensile failure受拉破坏,compressive failure受压破坏larger eccentricity大偏心,small eccentricity小偏心out-plane strength片面外强度geometric central axis几何中心轴CHAPTER7shear failure剪切破坏diagonal tension斜向拉应力shear flow剪力流diagonal cracks斜裂缝,flexural crack弯曲裂缝,compression strut受压杆web reinforcement腹筋(抗剪钢筋)truss model桁架模型slope angle倾角upper end of the crack裂缝上端maximum spacing of stirrup箍筋最大间距concentrated load集中荷载,uniform load均布荷载detailing requirement构造要求moment envelope弯矩包络图,moment diagram弯矩图embedded length锚固长度points of bend弯起点CHAPTER8equilibrium torsion均衡扭转,compatibility torsion协调扭转static equilibrium静力平衡principal stress主应力cracking torque开裂弯曲transverse reinforcement横向钢筋elasto-plastic mode弹塑性模型Plastic space truss design method塑性空间桁架设计方法,Skew bending design method 斜弯设计方法hollow section空心截面perimeter周长hook弯钩minimum stirrup ratio最小配箍率distribution of reinforcement钢筋分布CHAPTER9punching shear冲切,local compression局部受压two way shear双向剪切slab-column joint板柱交接点column cap柱帽,drop panel托板linear interpolation线形内插effective depth有效高度critical width临界宽度punching shear cone冲压椎体polar moment of inertia极惯性矩net area净面积spiral stirrup螺旋箍筋,mat reinforcement钢筋网splitting劈裂,chipping崩裂CHAPTER10prestressed concrete预应力混凝土pretensioning system先张法,post-tensioning system后张法wire钢丝,strand钢绞线,tendon钢束bottom台座,casting-yard预制场duct孔道,jack张拉,grout灌浆,bond粘结,unbond无粘结friction摩擦full prestressing全预应力,partial prestressing部分预应力creep徐变,shrinkage收缩stress loss应力损失grippers夹具,anchorage锚具permissible stress容许应力,stretching stress拉伸应力,effective prestress有效预应力loss of prestress预应力损失,loss due to friction摩擦损失,anchorage-sections锚具滑移,elastic shortening of concrete混凝土塑性回缩,steel stress relaxation钢筋应力松弛,creep loss徐变损失,shrinkageloss收缩损失tendon profile钢束形状,deviation force偏向力,curvature effect曲率效应,wobble effect抖动效应fixed end固定端,tension end张拉端overstretching超张拉curvature friction coefficient曲率摩擦系数transfer length传递长度,bond stress粘结应力concrete depositing混凝土浇注service stage使用阶段,construction stage施工阶段Transformed area换算面积,moment of inertia惯性矩hoisting吊装,transporting运输dynamic factor动力系数ordinary reinforced steel普通钢筋normal section正截面,oblique section斜截面CHAPTER11serviceability使用性能reliability可靠性:safety安全,applicability实用,durability耐久deflection挠度,crack width裂缝宽度transverse crack横向裂缝,plastic crack塑性裂缝,temperature crack温度裂缝,shrinkage crack收缩裂缝,cracks due to rust锈蚀引起的裂缝,cracks due to differential settlement不均匀沉降引起的裂缝,load-induced crack荷载引起的裂缝freezing-thawing冻容,alkali-aggregate reaction碱骨料反应standard value标准值,frequent value频遇值,quasi-permanent value准永久值maximum crack width最大裂缝宽度crack control开裂控制bond-slip theory粘结滑移理论,non-slipping theory无滑移理论flexural stiffness弯曲刚度。
钢筋锚固总结1. 引言钢筋锚固是工程施工中常见的一项工作,用于将钢筋固定在混凝土结构中,以实现结构的稳定和承载能力。
本文将对钢筋锚固的一些基本知识和常见方法进行总结和介绍。
2. 钢筋锚固的重要性钢筋是混凝土结构中的主要承载元件,其锚固质量和性能直接影响到整个结构的安全性和稳定性。
良好的钢筋锚固能够有效地传递荷载,并保证结构在使用寿命内不发生滑移或脱落现象。
3. 钢筋锚固的基本原理钢筋锚固的基本原理是利用混凝土的粘附力和摩擦力来固定钢筋。
当钢筋嵌入混凝土时,混凝土会在钢筋表面形成一层坚固的“锚固帽”,通过这层“帽”与钢筋产生摩擦力和粘附力,从而将钢筋牢固地固定在混凝土中。
4. 钢筋锚固的常见方法4.1 捆扎锚筋捆扎锚固是一种简便常用的锚固方法,适用于直径较小的钢筋和较低的锚固要求。
将钢筋用金属线或钢丝绳捆扎在构件内部,利用捆扎的紧密度和摩擦力来实现钢筋的锚固。
4.2 焊接锚筋焊接锚固是一种常用的钢筋锚固方法,适用于锚固要求较高的场合。
通过将钢筋焊接在构件表面或其他焊接件上,使之与混凝土结构形成牢固的结合。
4.3 筋套锚筋筋套锚固是一种通过筋套将钢筋固定在混凝土中的方法。
筋套是一种金属套筒,通过在混凝土中预留孔洞,并将钢筋穿过筋套进行固定,实现钢筋的锚固。
4.4 粘结锚筋粘结锚固是一种通过粘结材料将钢筋固定在混凝土中的方法。
常见的粘结材料包括环氧树脂、水玻璃等,通过粘结材料填充在钢筋与混凝土之间,实现了钢筋的锚固。
5. 钢筋锚固的施工要求无论采用何种钢筋锚固方法,在施工过程中都需要满足一些基本要求,以确保锚固效果和结构的安全性。
5.1 钢筋几何位置的控制钢筋在混凝土中的几何位置对于锚固效果至关重要,需要保证钢筋与构件的设计几何位置一致,并且没有突出或过深的现象。
5.2 锚固部位的清洁在进行钢筋锚固前,需要对锚固部位进行彻底的清洁,确保没有杂物和污物,以保证锚固材料与混凝土的良好粘结。
5.3 锚固材料的质量控制无论采用何种钢筋锚固方法,都需要对锚固材料的质量进行严格控制,确保其符合相关的标准和要求。
第七章钢筋与混凝土之间的粘结§7.1 概述钢筋与混凝土的粘结是钢筋与其周围一定影响围混凝土的一种相互作用,它是这两种材料共同工作的前提之一,也是对钢筋混凝土构件的承载力、刚度以及裂缝控制起重要影响的因素之一。
粘结的退化和失效必然导致钢筋混凝土结构力学性能的降低和破坏。
随着有限元法在钢筋混凝土结构非线性中的应用,钢筋与混凝土之间粘结和滑移的研究更显重要。
7.1.1 粘结应力及其分类1.粘结应力的定义粘结应力是指沿钢筋与混凝土接触面上的剪应力。
它并非真正的钢筋表面上某点剪应力值,而是一个名义值(对于变形钢筋而言),是指在某个计算围(变形钢筋的一个肋的区段)剪应力的平均值,且对于变形钢筋来说,钢筋的直径本身就是名义值。
2.粘结应力分类·弯曲粘结应力由构件的弯曲引起钢筋与混凝土接触面上的剪应力。
可近似地按材料力学方法求得。
由于在混凝土开裂前,截面上的应力不会太大,所以一般不会引起粘结破坏,对结构构件的力学性能影响不大。
该粘结主要体现混凝土截面开裂前钢筋与混凝土的协同工作机理。
其大小与弯曲粘结应力及截面的剪力分布有关,即对于未开裂截面,弯曲粘结应力的分布规律与剪力分布相同。
·锚固粘结应力钢筋的应力差较大,粘结应力值高,分布变化大,如果锚固不足则会发生滑动,导致构件开裂和承载力下降。
粘结破坏是一种脆性破坏。
·裂缝间粘结应力开裂截面的钢筋应力,通过裂缝两侧的粘结应力部分地向混凝土传递,使未开裂截面的混凝土受拉,也使得混凝土的钢筋平均应变或总变形小于钢筋单独受力时的相应变形,有利于减小裂缝宽度和增大构件的刚度,此即“受拉刚化效应”。
裂缝间粘结应力属于局部粘结应力围。
该粘结应力数值的大小反映了受拉区混凝土参与工作的程度。
局部粘结应力应变分布复杂,存在着混凝土的局部裂缝和两者之间的相对滑移,平截面假定不再符合,且影响因素较多,如剪切破坏、塑性铰的转动能力以及结构中的弹塑性分析等。
受力钢筋的锚固方式引言在建筑结构中,钢筋是一种常用的增强材料,用于增加混凝土的承载能力和抗拉强度。
然而,在使用钢筋时,如何正确锚固钢筋以保证其力学性能至关重要。
本文将探讨受力钢筋的锚固方式,包括机械锚固、粘结锚固和锚板锚固等。
机械锚固机械锚固是通过使用机械装置将钢筋与周围的构件牢固连接在一起。
常见的机械锚固方式包括螺栓锚固和锚具锚固。
螺栓锚固螺栓锚固是使用螺栓将钢筋与构件连接在一起的一种常见机械锚固方式。
其步骤如下:1.确定螺栓的位置和数量。
根据设计要求和构件的受力情况,确定螺栓的位置和数量,并进行标记。
2.预埋螺栓孔。
在混凝土浇筑之前,预先在构件上钻孔,并安装螺栓。
3.固定钢筋。
将钢筋放入螺栓孔中,并使用螺母和垫圈将其牢固固定。
锚具锚固锚具锚固是通过使用专门设计的锚具将钢筋与构件连接在一起的一种机械锚固方式。
其步骤如下:1.选择适合的锚具。
根据设计要求和钢筋的受力情况,选择适当的锚具型号和规格。
2.预埋锚具孔。
在混凝土浇筑之前,预先在构件上钻孔,并安装锚具。
3.固定钢筋。
将钢筋放入锚具孔中,并根据锚具的设计要求进行固定。
粘结锚固粘结锚固是通过使用粘结材料将钢筋固定在构件中的一种锚固方式。
常见的粘结材料包括环氧树脂、瓦楞管、水泥砂浆等。
环氧树脂锚固环氧树脂锚固是使用环氧树脂将钢筋粘结在构件中的一种粘结锚固方式。
其步骤如下:1.准备工作。
清洁构件表面,并确保其光滑和无油污。
2.混合环氧树脂。
按照产品说明书的要求,将环氧树脂和固化剂按比例混合均匀。
3.施工。
将混合好的环氧树脂涂抹在钢筋和构件接触面上,并确保其均匀覆盖。
4.等待固化。
根据环氧树脂的固化时间,等待一定时间使其充分硬化。
瓦楞管锚固瓦楞管锚固是使用瓦楞管将钢筋粘结在构件中的一种粘结锚固方式。
其步骤如下:1.准备工作。
清洁构件表面,并确保其光滑和无油污。
2.安装瓦楞管。
在构件上开设适当大小的孔,将瓦楞管插入孔内。
3.粘结钢筋。
将钢筋插入瓦楞管内,并使用粘结材料填充瓦楞管。
层状地层全长粘结型锚杆锚固力学效应分析随着工程技术的不断发展和进步,建筑物的高度也在不断地提高,而随之而来的就是对建筑物的支撑力以及保护力的越来越高的要求。
而在这一过程中,锚杆锚固技术被广泛地应用于建筑物的施工中,从而保证了建筑物的稳定和安全。
而层状地层全长粘结型锚杆锚固力学效应分析成为了研究的重点。
一、层状地层全长粘结型锚杆锚固技术的概念层状地层全长粘结型锚杆锚固技术是一种较新的锚固技术,其原理是将锚杆埋入岩土层中,通过锚杆与岩土地层的全长粘结力,实现岩土层的稳定和支撑。
这种锚杆的特点是在其整个长度上都存在着较高的锚固力,从而保证了与锚杆相连的建筑物的安全。
二、层状地层全长粘结型锚杆锚固技术的适用范围层状地层全长粘结型锚杆锚固技术适用于很多不同的工程领域,比如井筒锚杆、隧道支护、挡土墙固结、高边坡等。
在这些工程中,锚杆的功能就是通过层状地层全长粘结力,保证整个工程的安全和稳定。
三、层状地层全长粘结型锚杆锚固技术的锚固力学效应分析1.锚杆的贯入深度对锚固力的影响贯入深度是指锚杆被锚固在那里的深度,这个深度会对锚固力产生很大的影响。
一般来说,锚杆的贯入深度越大,其锚固力也就越高。
而且,在一定的贯入深度范围内,锚杆的锚固力和深度呈线性关系。
2.锚杆的直径对锚固力的影响锚杆的直径也是一个影响锚固力的因素,一般情况下,在相同的锚杆贯入深度和相同的岩土地层特性条件下,锚杆的直径越大,其锚固力也就越高。
3.锚杆的倾斜角度对锚固力的影响在实际的施工过程中,锚杆的倾斜角度也是一个十分重要的因素。
一般情况下,锚杆的倾斜角度越大,其锚固力就越小。
因此,在实际施工中,应该尽量减小锚杆的倾斜角度,并且保证其正常的垂直性。
总的来说,层状地层全长粘结型锚杆锚固技术具有很高的应用价值,它可以保证工程的安全和稳定,并且锚杆的锚固力受到多种因素的影响,锚固力学效应分析十分重要,只有这样才能更好地保证工程的安全和稳定。