钢板挠度计算公式.docx
- 格式:docx
- 大小:21.69 KB
- 文档页数:2
挠度是指物体在受力或载荷作用下发生弯曲或变形后,其弯曲程度或位移量的度量。
在工程学和物理学中,挠度是一个重要的参数,用于衡量材料或结构在受力时的弯曲性能。
挠度通常用字母δ表示,单位可以是米(m)或毫米(mm),取决于所使用的单位制。
举例计算挠度:
假设有一根长度为L的横截面积为A的梁,位于两个支点之间,受到均布载荷q。
我们要计算在中点处的挠度。
1. 载荷作用下的挠度公式:
对于均布载荷作用下的梁,中点处的挠度可以用以下公式计算:
其中:
- δ是中点处的挠度;
- q是均布载荷的大小;
- L是梁的长度;
- E是梁的材料弹性模量;
- I是梁截面的惯性矩。
2. 示例:
假设有一根长度为3米的梁,截面积为0.01平方米,梁的材料具有弹性模量为200 GPa(2 × 10^11 N/m²),并且受到均布载荷为5000 N。
我们来计算中点处的挠度。
首先,计算梁截面的惯性矩I:
由于这是一根简单矩形截面的梁,其截面的惯性矩可以表示为:
其中b是矩形截面的宽度,h是矩形截面的高度。
假设该矩形梁的宽度b为0.1米,高度h为0.1米,则:
现在,代入挠度公式进行计算:
所以,在受到5000 N均布载荷的情况下,这根梁在中点处的挠度约为0.000153米,也可以
表示为约0.153毫米。
挠度计算公式挠度计划公式简支梁在百般荷载作用下跨中最大挠度计划公式:均布荷载下的最大挠度在梁的跨中,其计划公式:Ymax = 5ql^4/(384EI).式中: Ymax 为梁跨中的最大挠度(mm).q 为均布线荷载准绳值(kn/m).E 为钢的弹性模量,对付工程用机关钢,E = 2100000 N/mm^2.I 为钢的截面惯矩,可在型钢表中查得(mm^4).跨中一个齐集荷载下的最大挠度在梁的跨中,其计划公式:Ymax = 8pl^3/(384EI)=1pl^3/(48EI).式中: Ymax 为梁跨中的最大挠度(mm).p 为各个齐集荷载准绳值之和(kn).E 为钢的弹性模量,对付工程用机关钢,E = 2100000 N/mm^2.I 为钢的截面惯矩,可在型钢表中查得(mm^4).跨间等间距安排两个十分的齐集荷载下的最大挠度在梁的跨中,其计划公式: Ymax = 6.81pl^3/(384EI).式中: Ymax 为梁跨中的最大挠度(mm).p 为各个齐集荷载准绳值之和(kn).E 为钢的弹性模量,对付工程用机关钢,E = 2100000 N/mm^2.I 为钢的截面惯矩,可在型钢表中查得(mm^4).跨间等间距安排三个十分的齐集荷载下的最大挠度,其计划公式:Ymax = 6.33pl^3/(384EI).式中: Ymax 为梁跨中的最大挠度(mm).p 为各个齐集荷载准绳值之和(kn).E 为钢的弹性模量,对付工程用机关钢,E = 2100000 N/mm^2.I 为钢的截面惯矩,可在型钢表中查得(mm^4).悬臂梁受均布荷载或自由端受齐集荷载作用时,自由端最大挠度分别为的,其计划公式:Ymax =1ql^4/(8EI). ;Ymax =1pl^3/(3EI).q 为均布线荷载准绳值(kn/m). ;p 为各个齐集荷载准绳值之和(kn).你可以凭据最大挠度控制1/400,荷载条件25kn/m以及一些其他荷载条件实行反算,看能餍足的上部荷载要求!。
简支梁在各种荷载作用下跨中最大挠度计算公式:均布荷载下的最大挠度在梁的跨中,其计算公式:Ymax = 5ql^4/(384EI).式中: Ymax 为梁跨中的最大挠度(mm).q 为均布线荷载标准值(kn/m).E 为钢的弹性模量,对于工程用结构钢,E = 210000 N/mm^2.I 为钢的截面惯矩,可在型钢表中查得(mm^4).跨中一个集中荷载下的最大挠度在梁的跨中,其计算公式:Ymax = 8pl^3/(384EI)=1pl^3/(48EI).式中: Ymax 为梁跨中的最大挠度(mm).p 为各个集中荷载标准值之和(kn).E 为钢的弹性模量,对于工程用结构钢,E = 210000 N/mm^2.I 为钢的截面惯矩,可在型钢表中查得(mm^4).跨间等间距布置两个相等的集中荷载下的最大挠度在梁的跨中,其计算公式: Ymax = 6.81pl^3/(384EI).式中: Ymax 为梁跨中的最大挠度(mm).p 为各个集中荷载标准值之和(kn).E 为钢的弹性模量,对于工程用结构钢,E = 210000 N/mm^2.I 为钢的截面惯矩,可在型钢表中查得(mm^4).跨间等间距布置三个相等的集中荷载下的最大挠度,其计算公式:Ymax = 6.33pl^3/(384EI).式中: Ymax 为梁跨中的最大挠度(mm).p 为各个集中荷载标准值之和(kn).E 为钢的弹性模量,对于工程用结构钢,E = 210000 N/mm^2.I 为钢的截面惯矩,可在型钢表中查得(mm^4).悬臂梁受均布荷载或自由端受集中荷载作用时,自由端最大挠度分别为的,其计算公式:Ymax =1ql^4/(8EI). ;Ymax =1pl^3/(3EI).q 为均布线荷载标准值(kn/m). ;p 为各个集中荷载标准值之和(kn).。
型钢挠度计算公式
型钢挠度计算公式是工程计算中常用的一种公式,其计算方法如下:
1. 首先需要知道型钢截面的惯性矩I和弹性模量E,这些参数可以通过型钢的标准参数表或者实验数据得到。
2. 根据型钢的长度L、支撑方式以及施加的载荷P,确定型钢的边界条件。
一般情况下,将型钢固定在一端,另一端受到施加的载荷。
3. 使用欧拉梁理论计算型钢在施加载荷情况下的挠度δ。
欧拉梁理论认为,在弹性区内,型钢在受到轴向压力的作用下,其挠度δ满足以下方程:
δ = (P * L^2)/(π^2 * E * I)
其中,P为施加的载荷,L为型钢的长度,E为型钢的弹性模量,I为型钢的惯性矩。
4. 根据实际情况,可以对计算结果进行修正。
例如,考虑型钢的材料强度、几何形状、温度等因素对挠度的影响,可以通过引入修正系数进行修正。
综上所述,型钢挠度计算公式是一种基于欧拉梁理论的公式,可以用于计算型钢在施加载荷情况下的挠度。
在实际应用中,需要根据具体情况确定边界条件和修正系数,以得到更准确的计算结果。
- 1 -。
工程力学挠度计算公式
一、工程力学挠度计算公式
1、简单结构挠度计算公式
(1)悬臂梁挠度公式:
挠度D=4FL/3π^2EI
其中:F——悬臂梁上作用的竖向力;L——悬臂梁的长度;E——材料的本构模量;I——悬臂梁截面惯性矩
(2)桁架挠度公式:
挠度D=4FL^3/3π^2EI
其中:F——桁架上拉桥上端受力;L——桁架支撑长度;E——材料的本构模量;I——桁架截面惯性矩
2、复杂结构挠度计算公式
(1)连接桁架和悬臂梁的挠度公式:
挠度D=4F(L_1^3+L_2^3)/3π^2EI
其中:F——桁架和悬臂梁上拉桥上端受力;L_1,L_2——桁架和悬臂梁支撑长度;E——材料的本构模量;I——桁架和悬臂梁截面惯性矩
(2)弯矩桁架的挠度公式:
挠度D=4M(L_1^2+L_2^2)/3π^2EI
其中:M——弯矩桁架上拉桥上端受力;L_1,L_2——弯矩桁架支撑长度;E——材料的本构模量;I——弯矩桁架截面惯性矩。
- 1 -。
挠度计算公式默认分类 2009-08-20 12:46 阅读2447 评论1字号:大中小简支梁在各种荷载作用下跨中最大挠度计算公式:均布荷载下的最大挠度在梁的跨中,其计算公式:Ymax = 5ql^4/(384EI).式中: Ymax 为梁跨中的最大挠度(mm).q 为均布线荷载标准值(kn/m).E 为钢的弹性模量,对于工程用结构钢,E = 2100000 N/mm^2.I 为钢的截面惯矩,可在型钢表中查得(mm^4).跨中一个集中荷载下的最大挠度在梁的跨中,其计算公式:Ymax = 8pl^3/(384EI)=1pl^3/(48EI).式中: Ymax 为梁跨中的最大挠度(mm).p 为各个集中荷载标准值之和(kn).E 为钢的弹性模量,对于工程用结构钢,E = 2100000 N/mm^2.I 为钢的截面惯矩,可在型钢表中查得(mm^4).跨间等间距布置两个相等的集中荷载下的最大挠度在梁的跨中,其计算公式:Ymax = 6.81pl^3/(384EI).式中: Ymax 为梁跨中的最大挠度(mm).p 为各个集中荷载标准值之和(kn).E 为钢的弹性模量,对于工程用结构钢,E = 2100000 N/mm^2.I 为钢的截面惯矩,可在型钢表中查得(mm^4).跨间等间距布置三个相等的集中荷载下的最大挠度,其计算公式:Ymax = 6.33pl^3/(384EI).式中: Ymax 为梁跨中的最大挠度(mm).p 为各个集中荷载标准值之和(kn).E 为钢的弹性模量,对于工程用结构钢,E = 2100000 N/mm^2.I 为钢的截面惯矩,可在型钢表中查得(mm^4).悬臂梁受均布荷载或自由端受集中荷载作用时,自由端最大挠度分别为的,其计算公式:Ymax =1ql^4/(8EI). ;Ymax =1pl^3/(3EI).q 为均布线荷载标准值(kn/m). ;p 为各个集中荷载标准值之和(kn).你可以根据最大挠度控制1/400,荷载条件25kn/m以及一些其他荷载条件进行反算,看能满足的上部荷载要求!。
简支梁在各种荷载作用下跨中最大挠度计算公式均布荷载下的最大挠度在梁的跨中,其计算公式 :Ymax = 5ql^4/(384EI).式中 : Ymax 为梁跨中的最大挠度 (mm).q 为均布线荷载标准值 (kn/m).E为钢的弹性模量 ,对于工程用结构钢 ,E = 2100000 N/mm^2.I 为钢的截面惯矩 ,可在型钢表中查得 (mm^4).跨中一个集中荷载下的最大挠度在梁的跨中,其计算公式 :Ymax = 8pl^3/(384EI)=1pl^3/(48EI).式中 : Ymax 为梁跨中的最大挠度 (mm).p 为各个集中荷载标准值之和(kn).E为钢的弹性模量 ,对于工程用结构钢 ,E = 2100000 N/mm^2.I 为钢的截面惯矩 ,可在型钢表中查得 (mm^4).跨间等间距布置两个相等的集中荷载下的最大挠度在梁的跨中,其计算公式 : Ymax = 6.81pl^3/(384EI).式中 : Ymax 为梁跨中的最大挠度 (mm).p 为各个集中荷载标准值之和(kn).E为钢的弹性模量 ,对于工程用结构钢 ,E = 2100000 N/mm^2.I 为钢的截面惯矩 ,可在型钢表中查得 (mm^4).跨间等间距布置三个相等的集中荷载下的最大挠度,其计算公式 :Ymax = 6.33pl^3/(384EI).式中 : Ymax 为梁跨中的最大挠度 (mm).p 为各个集中荷载标准值之和(kn).E 为钢的弹性模量 ,对于工程用结构钢 ,E = 2100000 N/mm^2.I 为钢的截面惯矩 ,可在型钢表中查得 (mm^4).悬臂梁受均布荷载或自由端受集中荷载作用时,自由端最大挠度分别为的,其计算公式 :Ymax =1ql^4/(8EI). ;Ymax =1pl^3/(3EI).q 为均布线荷载标准值 (kn/m). ;p 为各个集中荷载标准值之和(kn).你可以根据最大挠度控制1/400,荷载条件 25kn/m 以及一些其他荷载条件进行反算,看能满足的上部荷载要求!。
方管钢梁挠度计算公式方管钢梁挠度的计算公式1. 弹性挠度计算公式在计算方管钢梁挠度时,首先需要使用弹性挠度计算公式。
方管钢梁的弹性挠度可以使用以下公式进行计算:δ=5384⋅qL4EI其中: - δ表示方管钢梁的弹性挠度; - q表示作用于钢梁上的集中荷载; - L表示方管钢梁的长度; - E表示方管钢梁的杨氏模量; - I表示方管钢梁的惯性矩。
2. 被集中荷载均匀分布时的挠度计算公式当方管钢梁上的荷载均匀分布时,需要使用另一种计算公式来求解挠度。
被集中荷载均匀分布时,方管钢梁的挠度计算公式如下:δ=wL4 185EI其中: - w表示单位长度的荷载(N/m); - 其他符号含义与弹性挠度计算公式中相同。
3. 挠度计算公式的举例解释假设我们有一根长为5米的方管钢梁,横截面的惯性矩为500cm4,材料的杨氏模量为200000MPa。
现在在方管钢梁上施加集中荷载,荷载大小为1000N。
我们可以使用弹性挠度计算公式来计算方管钢梁的挠度。
根据弹性挠度计算公式,代入相应的数值计算:δ=5384⋅1000⋅54200000⋅500经过计算可以得到方管钢梁的挠度为$ mm$。
这个计算结果表示,在给定的荷载作用下,方管钢梁在5米长度上会产生毫米的挠度。
需要注意的是,上述计算仅针对方管钢梁在弹性范围内的挠度进行了计算。
对于超出弹性范围的情况,可以采用其他计算方法进行求解。
结论方管钢梁的挠度可以通过弹性挠度计算公式或被集中荷载均匀分布时的挠度计算公式进行求解。
根据具体的荷载情况和梁的参数,可以灵活选择适用的计算公式来计算方管钢梁的挠度。
薄板弯曲挠度计算公式
δ = (5 w l^4) / (384 E t^3)。
在这个公式中,δ代表薄板的弯曲挠度,w代表加载在薄板上的集中力或均布载荷,l代表薄板的长度,E代表薄板的杨氏模量,t代表薄板的厚度。
另外,如果考虑薄板的边界条件和受力情况,还可以使用其他公式来计算薄板的弯曲挠度。
例如,对于简支边界条件下的均布载荷作用的薄板,可以使用以下公式:
δ = (5 w l^4) / (384 D)。
在这个公式中,D代表薄板的弯曲刚度,可以通过薄板的几何形状和材料性质来计算。
需要注意的是,薄板的弯曲挠度计算涉及到复杂的数学推导和力学理论,因此在实际工程中,通常会借助于专业的有限元分析软件来进行准确的计算。
总之,薄板的弯曲挠度计算公式可以通过梁的弯曲理论或者考虑边界条件和受力情况来进行推导,但在实际应用中需要综合考虑薄板的几何形状、材料性质和受力情况来选择合适的计算方法。
挠度计算公式推导
挠度是一种量度材料弹性变形的单位,是指材料在受到外力时所产生的弹性变形量。
它可以用来衡量材料的弹性性能,也可以用来检查材料结构的稳定性。
挠度计算公式是计算材料挠度的基础,它能够更好地衡量材料的弹性变形量。
挠度计算公式是以下形式:挠度(δ)=载荷(F)/材料断
面积(A)/材料模量(E)其中,载荷(F)表示外力,材料
断面积(A)表示材料断面积,材料模量(E)表示材料模量。
可以看出,挠度计算公式需要三个参数:载荷(F)、材
料断面积(A)和材料模量(E)。
载荷(F)表示外力,也就是说,当材料受到外力作用时,载荷(F)就会变化,也就是
材料的弹性变形量会变化,从而改变挠度。
材料断面积(A)
是材料断面积,即要测量挠度所使用的材料的断面积,不同材料的断面积不同,也就意味着挠度也会有所不同。
最后,材料模量(E)是材料模量,也就是说,材料的弹性变形受到材料
模量的影响。
该参数受材料的性质而定,不同的材料会有不同的模量,从而影响挠度。
从上面可以看出,挠度计算公式是一个简单而又重要的公式,它将外力、材料断面积和材料模量这三个参数综合起来,可以更好地衡量材料的弹性变形量。
此外,挠度计算公式还可以用来检查材料结构的稳定性,从而保证材料的质量和使用寿命。
总而言之,挠度计算公式是一个非常重要的公式,它能够有效地衡量材料的弹性变形量,从而检查材料结构的稳定性,保证材料的质量和使用寿命。
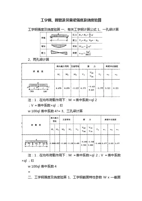
工字钢、圆管及贝雷梁强度及挠度验算
工字钢强度及挠度验算一、有关工字钢计算公式 1、一孔梁计算
2、两孔梁计算
注:1.在均布荷载作用下:M =表中系数×ql 2
;V =表中系数×ql ;EI
w 100ql 表中系数4?= 3、三孔梁计算
注:1.在均布荷载作用下:M =表中系数×ql 2;V =表中系数×ql ;EI
w 100ql 表中系数4
=
二、工字钢强度及挠度验算 1、工字钢截面特性参数 W x —截面
抵抗矩(cm3) I x —截面惯性矩(cm4) 2、强度验算σ=M/W (N/mm2)
计算结果与f=215 N/mm2 (钢材强度设计值)比较
3、挠度验算
F max=挠度公式计算
与L/400比较
钢材的弹性模量E=206×103
圆管稳定性验算
1、查圆管截面特性表
查的圆管的回转半径ix及截面面积A
2、确定圆管长度L
3、计算圆管长细比λ=L/ix
4、查《钢结构设计规范》表C—2,确定圆管折减系数ψ
5、钢材容许应力[σ]=180MPa(轴向力)
6、圆管稳定条件
σ=F/A<ψ[σ]
贝雷梁受力计算1、321贝雷梁特性
321贝雷梁弹性模量E=2.1×105 MPa 单排单层(不加强)A=5.1×103
mm
2
,
单排单层(加强)A=10.2×103 mm
2
[σ]=210MPa
挠度计算式为
计算值要小于L/400。
深入了解材料力学挠度公式材料力学是研究物质的各种力学性质及变形规律的学科。
挠度公式是材料力学中一个非常重要的概念。
本文将从相关定义、公式的推导以及实际应用等方面,深入了解材料力学挠度公式。
一、挠度的定义挠度是指受力后产生的物体变形程度。
常用的挠度定义公式为:δ=(F*L^3)/(3*E*I)其中,δ为挠度;F为作用力;L为杆件长度;E为弹性模量;I 为杆件截面面积。
二、挠度的意义挠度在材料力学中起着重要作用。
挠度大小直接反映了杆件在受到作用力后的强度和刚性。
挠度越大,代表杆件的刚度越小,材料的强度越小。
三、常用的挠度公式1. 杨氏模量挠度公式杨氏模量指的是材料受力后的弹性特性。
杨氏模量挠度公式为:δ=(F*L)/(2*A*E)其中,δ为挠度;F为作用力;L为杆件长度;A为杆件的横截面积;E为材料的杨氏模量。
2. 圆柱挠度公式圆柱挠度公式是预测圆柱的挠度和弯曲刚度的重要公式。
圆柱挠度公式为:δ=(5*F*L^4)/(384*E*I)其中,δ为挠度;F为作用力;L为杆件长度;E为弹性模量;I 为圆柱截面的惯性矩。
四、实际应用挠度公式在实际工程中有着广泛的应用。
例如,在桥梁设计中,桥梁的挠度必须满足一定的标准。
如果挠度过大,会导致桥梁失去稳定性,影响桥梁的使用寿命。
因此,桥梁设计时必须根据材料的强度和刚性,合理选择挠度公式,在满足设计需求的同时,确保桥梁的安全。
总之,挠度公式在材料力学中占有重要地位。
熟练使用挠度公式能够帮助我们更好地理解材料性质和变形规律,更好地应用于实际工程中。
H型钢挠度的计算H型钢生产线的不同,所以H型钢产品也就具有了不同的挠度。
在各种荷载作用下跨中最大挠度计算公式:H型钢生产线均布荷载下的最大挠度在梁的跨中,其计算公式: Ymax = 5ql^4/(384EI). 式中: Ymax 为梁跨中的最大挠度(mm). q 为均布线荷载标准值(kn/m). E 为钢的弹性模量,对于工程用结构钢,E = 2100000 N/mm^2. I 为钢的截面惯矩,可在型钢表中查得(mm^4).跨中一个集中荷载下的最大挠度在梁的跨中,其计算公式: Ymax =8pl^3/(384EI)=1pl^3/(48EI). 式中: Ymax 为梁跨中的最大挠度(mm). p 为各个集中荷载标准值之和(kn). E 为钢的弹性模量,对于工程用结构钢,E = 2100000 N/mm^2. I 为钢的截面惯矩,可在型钢表中查得(mm^4).跨间等间距布置两个相等的集中荷载下的最大挠度在梁的跨中,其计算公式: Ymax = 6.81pl^3/(384EI). 式中: Ymax 为梁跨中的最大挠度(mm). p 为各个集中荷载标准值之和(kn). E 为钢的弹性模量,对于工程用结构钢,E = 2100000 N/mm^2. I 为钢的截面惯矩,可在型钢表中查得(mm^4).H型钢生产线跨间等间距布置三个相等的集中荷载下的最大挠度,其计算公式: Ymax = 6.33pl^3/(384EI). 式中: Ymax 为梁跨中的最大挠度(mm). p 为各个集中荷载标准值之和(kn). E 为钢的弹性模量,对于工程用结构钢,E = 2100000 N/mm^2. I 为钢的截面惯矩,可在型钢表中查得(mm^4).悬臂梁受均布荷载或自由端受集中荷载作用时,自由端最大挠度分别为的,其计算公式: Ymax =1ql^4/(8EI). ;Ymax =1pl^3/(3EI). q 为均布线荷载标准值(kn/m). ;p 为各个集中荷载标准值之和(kn).你可以根据最大挠度控制1/400,荷载条件25kn/m以及一些其他荷载条件进行反算,看能满足的上部荷载要求!。
简支梁在各种荷载作用下跨中最大挠度计算公式均布荷载下的最大挠度在梁的跨中,其计算公式:Ymax = 5ql^4/(384EI).式中: Ymax 为梁跨中的最大挠度(mm).q 为均布线荷载标准值(kn/m).E 为钢的弹性模量,对于工程用结构钢,E = 2100000 N/mm^2.I 为钢的截面惯矩,可在型钢表中查得(mm^4).跨中一个集中荷载下的最大挠度在梁的跨中,其计算公式:Ymax = 8pl^3/(384EI)=1pl^3/(48EI).式中: Ymax 为梁跨中的最大挠度(mm).p 为各个集中荷载标准值之和(kn).E 为钢的弹性模量,对于工程用结构钢,E = 2100000 N/mm^2.I 为钢的截面惯矩,可在型钢表中查得(mm^4).跨间等间距布置两个相等的集中荷载下的最大挠度在梁的跨中,其计算公式: Ymax = 6.81pl^3/(384EI).式中: Ymax 为梁跨中的最大挠度(mm).p 为各个集中荷载标准值之和(kn).E 为钢的弹性模量,对于工程用结构钢,E = 2100000 N/mm^2.I 为钢的截面惯矩,可在型钢表中查得(mm^4).跨间等间距布置三个相等的集中荷载下的最大挠度,其计算公式:Ymax = 6.33pl^3/(384EI).式中: Ymax 为梁跨中的最大挠度(mm).p 为各个集中荷载标准值之和(kn).E 为钢的弹性模量,对于工程用结构钢,E = 2100000 N/mm^2.I 为钢的截面惯矩,可在型钢表中查得(mm^4).悬臂梁受均布荷载或自由端受集中荷载作用时,自由端最大挠度分别为的,其计算公式:Ymax =1ql^4/(8EI). ;Ymax =1pl^3/(3EI).q 为均布线荷载标准值(kn/m). ;p 为各个集中荷载标准值之和(kn).你可以根据最大挠度控制1/400,荷载条件25kn/m以及一些其他荷载条件进行反算,看能满足的上部荷载要求!。