矿物绝缘电缆及其敷设简介
- 格式:doc
- 大小:361.86 KB
- 文档页数:32
矿物绝缘电缆的主要特性简介和施工工艺难点及解决方案解析摘要:随着社会的发展与进步,重视矿物绝缘电缆的安装对于城市生活具有重要的意义。
本文主要介绍矿物绝缘电缆安装的难点及解决方案、经济性有关内容。
关键词:矿物绝缘电缆;安装难点;解决方案;经济性;引言:随着现代化建筑的不断发展, 对建筑物内使用的电气设备要求越来越高。
矿物绝缘电力电缆具有耐火、防爆、防水、耐蚀、耐机械损伤、载流大、寿命长等特点, 在现代化的大型建筑及一类、二类建筑物内的使用也越来越广泛。
泉州阳光国际广场位于泉州洛江区,建筑面积为152860㎡,地下两层,1#楼地上38层,2-6#楼地上32层,因为该工程1#楼为超高层,属一类建筑,设计人员将其中应急回路电缆采用了矿物绝缘电缆。
1、矿物绝缘电缆主要特性简介矿物绝缘电缆国内习惯称作氧化镁电缆或防火电缆,是以高导电铜线作为导体,无缝铜管作护套,氧化镁粉作绝缘体的一种耐高温耐火电缆,它具有载流量大、耐过载、防水、防爆、耐腐蚀、耐机械损伤、无烟、无卤、无毒、环保等特点。
但在施工过程中发现有一些施工难点,笔者在此总结了施工过程中的难点和解决方案。
2、矿物绝缘电力电缆安装时的几点难点及解决方案2.1接头处易受潮绝缘电阻值降低及解决方案电缆的绝缘层由矿物氧化镁组成,它极易与空气中的水分发生化学反应,而生成能导电的氢氧化镁。
在电缆头施工中,电缆端头剥开后导体裸露时,电缆的绝缘电阻一般在100 MΩ以上,但如在1 h内未完成电缆头的制作,绝缘电阻可下降到10 MΩ以下,甚至会出现降到0.5 MΩ以下的情况,所以电缆头剥开后或电缆不小心划破后不可使接头及跛损处长期暴露在外,应及时密封及防潮处理,特别是在地下室等施工环境湿气较重的地方,如电缆头及破损处未及时作密封防潮处理,绝缘值会很快下降并会逐步下降到零,这样电缆就无法使用,造成施工中的浪费。
针对“电缆断面长时间暴露在外”问题。
造成“电缆断面长时间暴露在空气中”有两个原因:一是在电缆截断时,应立即对所有断开的电缆接头进行包头,并现场分派技术人进行监控,以确保每一个电缆断头都已包头,若未及时包头,电缆头暴露在潮湿空气中必然造成电缆绝缘层氧化镁受潮而无法达到绝缘电阻标准要求。
浅谈矿物绝缘电缆的特性及施工注意事项强冠军车群转(陕建集团第十一建筑工程公司 712000 咸阳)矿物绝缘电缆简称MI电缆,是近年来推广使用的一种新型的绝缘电缆,由于其独特的结构和使用材料的无机绝缘本性,使得矿物绝缘电缆具有防火、防油、防爆、防水、无烟、无卤、无毒、耐高温、耐腐蚀、耐辐射、防电磁干扰、载流量大、过载能力强、机械强度高、体积小、重量轻、寿命长、接地性能好、安装方便,综合成本低等优于其他品种电缆的特性。
现根据有关资料、结合工程施工实践经验,谈谈矿物绝缘电缆的特性及施工注意事项。
1 矿物绝缘电缆的结构及其附件矿物绝缘电缆是采用高导电率的铜作导体,无机物氧化镁作绝缘,无缝铜管作护套,经特殊工艺制作而成的现代建筑用电缆。
对供电安全有特殊要求的场所、必须穿金属管的线路、和铜有强烈腐蚀作用的化学环境、环境温度较高及有防爆或防辐射要求的场所在金属铜护套外面挤包一层塑料外护层;特殊要求无烟无卤场合可以在铜护套外面加一层低烟无卤护套。
电缆结构示意见图1所示。
矿物绝缘电缆的附件是由生产厂家配套供应。
一般有:终端(安装在矿物绝缘电缆末端的一个完整端部,包括一个封端和一个封套或者一个组合的封端/封套)、中间连接器(它是将两种相同规格的电缆连接起来成为一根电缆的装置,包括中接封套、中间连接铜管、两套终端密封罐、热缩套管、中间连接端子)、接线端子(用于连接导体和控制柜接线柱或电源)、接地片(当电缆铜护套用作接地时或与电缆铜护套连接的其它电气设备的接地,需要采用接地片)等。
2 矿物绝缘电缆的特性2.1 防火、耐高温:由于组成电缆的材料都是无机物(铜和氧化镁),无任何可助燃介质。
电缆在接近铜的熔点温度仍能保持短时正常通电,连续工作温度可达250℃,短期工作温度可达1083℃;耐火性极佳,火灾后电缆可重复使用。
2.2 防油、防爆:无缝铜管护套及与其密封连接的电缆终端可阻止可燃性油蒸汽、可燃性气体和火焰通过电缆进入与电缆连接的电器设备而起防爆作用。
矿物绝缘电缆敷设施工方案1)特点近几年,矿物绝缘电缆以其优越的耐火性能被广泛应用在高层建筑、隧道,以及人员密集的体育场馆、剧院、车站、机场等在安全条件要求较高的重要部门和使用环境恶劣的场所。
矿物绝缘电缆是将铜导体(熔点1083℃)嵌置在以充分干燥的,紧密质实的氧化镁粉末(熔点2800℃)做为绝缘材料的无缝铜管(熔点1083℃)中做成的电缆,在火灾环境(高温、水淋、重物坠落)下能保障消防线路供电的可靠性。
整个电缆全部由无机材料构成,它与使用有机绝缘材料的电缆相比,具有突出的耐火、耐高温、耐辐照的特性。
其长期使用温度可达250℃。
其外径被压扁至三分之一时,绝缘也不损坏,仍可正常使用;其铜护套本身又是一根很好的接地线,可提供良好的低接地电阻等等优点。
此外矿物绝缘电缆还具有无烟无毒、载流量大、防爆、耐腐蚀、使用寿命长、机械强度高等优点。
但矿物电缆用做绝缘的氧化镁粉末极易吸收潮气。
尽管矿物电缆的绝缘电阻值可做到100MΩ以上,一旦受潮,就会使绝缘电阻值大幅度降低,甚至降到0.5M Ω以下。
因而矿物电缆终端密封和中间接头密封就成为矿物电缆施工的关键。
2 )矿物绝缘电缆选用技术要点(1) 矿物电缆生产长度有限,在电缆敷设长度不够时,需要中间连接器。
但电缆接头越多,则封端越多,电缆绝缘电阻值难以保证。
而且中间连接器价格很高。
因此矿物电缆订货时,应根据设计图纸和现场情况,明确要求厂家提供一定长度的矿物电缆,以尽量减少中间接头。
(2) 在下列情况应选择采用塑料护套的矿物电缆:①明敷在建筑物有美观要求的场所②有氨及氨气或其他对铜有强烈腐蚀作用的化学环境③电缆最高使用温度超过70℃但低于90℃,同其他塑料电缆敷设在同一电缆桥架、电缆沟时,或人可能触及的场所。
3) 矿物电缆终端头制作(详见下图)⑴施工时应做好防潮措施,先将矿物电缆截掉一段(0.1m~0.2m),然后将矿物电缆铜外套剥切,使其露出芯线长度符合要求,接着用力将密封罐的阴螺纹其拧到矿物绝缘电缆上,使其连接牢固,然后再用喷灯驱潮(大约1m 长一段),驱潮时间凭经验掌握,停止驱潮后,当矿物电缆被驱潮段的温度到手可以触摸但又有较高温度时,测试矿物电缆的绝缘电阻达到200MΩ以上时即将封端口朝上,注入密封胶,装好罐盖,对外露(裸)芯线加套热收缩绝缘套管。
矿物绝缘电缆安装施工工艺一、引言矿物绝缘电缆是一种以氧化镁为绝缘材料,以铜或铝为导体的新型电缆。
由于其具有优良的防火、防爆、耐腐蚀性能,广泛用于石油、化工、电力、冶金、煤炭、纺织等领域。
本文将详细介绍矿物绝缘电缆的安装施工工艺,以确保其安全、可靠地应用于工程中。
二、准备工作1、熟悉图纸:安装前,应熟悉图纸,了解电缆的走向、终端位置、型号规格等信息。
2、检查电缆:检查电缆的外观,确保无破损、老化等现象。
同时,检查电缆的型号、规格是否符合设计要求。
3、准备工具:准备好安装过程中所需的工具,如电缆剥线钳、压接钳、螺丝刀等。
4、确定安装位置:根据图纸要求,确定电缆的安装位置,并在安装位置上做好标记。
三、安装施工工艺根据设计图纸要求,确定电缆支架的形式和规格,按照要求进行加工和安装。
确保支架牢固、稳定,安装位置准确。
2、电缆敷设敷设前,应先检查电缆的弯曲半径是否符合要求,并确保电缆在运输过程中无损伤。
敷设时,应按照电缆的走向顺序进行,避免交叉重叠。
同时,应注意以下几点:(1)避免在潮湿、高温、腐蚀性环境中敷设电缆;(2)在敷设过程中,应避免电缆受到机械损伤;(3)对于较长电缆,应采取分段敷设,以减少弯曲半径的影响;(4)在电缆穿越墙壁或楼板时,应采取保护套管等措施。
3、电缆终端制作与安装根据设计要求,制作电缆终端。
制作过程中,应确保终端的绝缘部分无裂纹、破损等现象。
同时,应按照要求将终端安装在指定位置,确保连接牢固、密封良好。
在电缆的终端处,应安装接地线,以确保电缆的安全运行。
接地线应选用符合要求的材料和规格,并确保接地线与终端连接牢固、密封良好。
四、注意事项1、在安装过程中,应严格遵守相关规范和标准,确保安装质量。
2、对于较长电缆,应采取分段敷设,以减少弯曲半径的影响。
同时,应注意避免电缆受到机械损伤。
3、在制作电缆终端时,应确保绝缘部分无裂纹、破损等现象。
同时,应按照要求将终端安装在指定位置,确保连接牢固、密封良好。
矿物绝缘电缆及其敷设简介(前言:标准、规范、规程)一、矿物绝缘电缆的概念1、概念或定义国家标准GB/T13033—2007《额定电压750V及以下矿物绝缘电缆及终端》(第一部分)中没有给出定义。
2、住房和城乡建设部的标准JG/T313—2011《额定电压750V及以下矿物绝缘电缆及终端》(中华人民共和国建筑工业行业标准) 给出定义不适合BTTZ矿物绝缘电缆。
具体到今天的介绍主要以国家标准GB/T13033—2007《额定电压750V及以下矿物绝缘电缆及终端》为基础。
说的更具体点主要介绍铜芯铜护套氧化镁绝缘防火电缆,因为《矿物质电缆敷设技术工程》——JGJ232__2011中主要内容就是铜芯铜护套氧化镁绝缘防火电缆的敷设规定。
它的定义如下:采用高导电率的铜作导体,无机物氧化镁作绝缘,无缝铜管作护套,必要时在金属铜护套外面挤包一层塑料外护套。
例如:铜芯铜护套氧化镁绝缘防火电缆(以下简称BTTZ 电缆),是一种外层采用无缝铜管护套、中间充填氧化镁晶体粉作绝缘材料,导体是单股铜棒组成的新型电缆。
这个定义与上一个定义相比显得更狭义。
3、矿物绝缘电缆的发展矿物绝缘电缆(Mineral Insulated Cable)简称MI电缆。
目前按结构特性可以分为刚性和柔性两种。
刚性矿物绝缘电缆(BTTZ)发明较早,19世纪末瑞士工程师Arnold Francois Borel就提出矿物绝缘电缆的设想,并于1896年获得专利权,1934-1936年法、英投入生产以后发展很快。
我国也于上世纪六十年代研制,开始用于军事、冶金等领域,80年代中期开始工业化生产,并逐步被建筑领域全面接受。
在1991年我国颁布了GB13033《额定电压750V及以下矿物绝缘电缆及终端》国家标准,但相应的设计标准和规范的制订、修订工作未能跟上,导致该矿物质电缆的使用和推广在我国一直发展缓慢,在应用方面严重滞后于发达国家。
近几年,为了提高电气线路的安全等级,减少电气火灾事故的发生及损失,国家建设部、公安部以及一些地方政府相继出台了电气设计规范,并明确规定在一些重要的电气线路或场所宜采用矿物绝缘电缆,进一步拓宽了矿物绝缘电缆的应用范围。
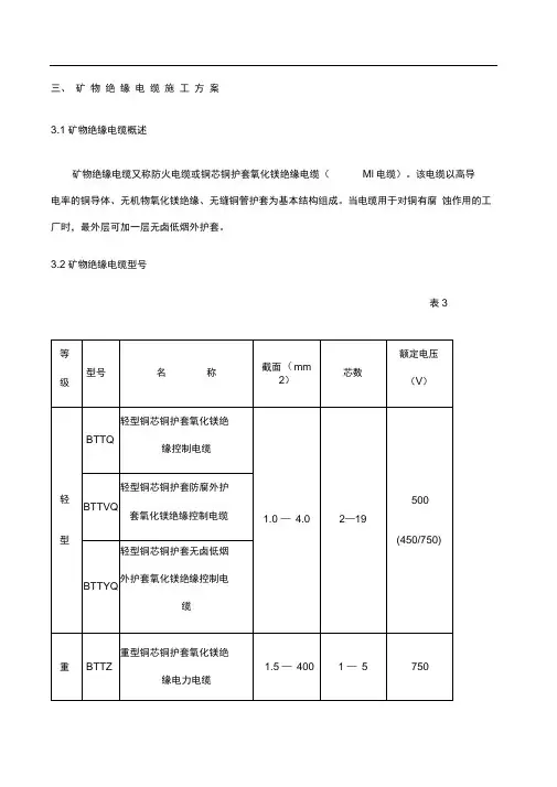
三、矿物绝缘电缆施工方案3.1矿物绝缘电缆概述矿物绝缘电缆又称防火电缆或铜芯铜护套氧化镁绝缘电缆(Ml电缆)。
该电缆以高导电率的铜导体、无机物氧化镁绝缘、无缝铜管护套为基本结构组成。
当电缆用于对铜有腐蚀作用的工厂时,最外层可加一层无卤低烟外护套。
3.2矿物绝缘电缆型号表33.3主要应用场所及敷设方式矿物绝缘电缆主要适用于:防爆及火灾危险区:石化工业、医药、造纸、军事工业、核电站。
高温场合:冶金工业、焦炭、玻璃工业、船舶工业公共建筑:娱乐场所、国家纪念馆、历史性建筑、银行、图书馆、博物馆、宾馆等。
地下场所:地铁、地下隧道、地下广场、仓库等。
3.4敷设方式敷设方式主要有:电缆桥架敷设、电缆隧道和电缆沟内敷设、墙面或屋顶明敷、钢索架空敷设等。
3.5施工器具施工的主要工具有:管子割刀、强力机械压钳、斜口钳、管丝钳等3.6矿物绝缘电缆敷设施工方法3.6.1电缆终端施工方法1. 开安装孔:确定电缆在支架或配电箱、柜、盒上的安装固定位置,并参照封套本体大端的螺纹直径钻好安装固定孔。
2. 定位:首先核对每根电缆的相位,并做好记号,确定电缆的安装顺序。
然后根据电缆的接线位置,量好电缆铜护套应剥切的长度,锯断多余电缆。
3. 固定电缆:依次套入终端封套的封套螺母、压缩环及封套本体,而后将电缆穿进已钻孔的支架或配电箱、柜、盒,再套进接地铜片和束紧螺母。
用扳手旋紧束紧螺母和封套螺母。
使电缆紧紧固定于电气设备上。
4. 金属护套切除:1)确定需剥除的铜护层的长度,在所需长度位置切出一个深约0.1~0.5m m的环形切口切口的具体深度应视铜护套厚度而定,切口不能太深也不能太浅,太深会使铜护套向内弯边,减少切口处的绝缘厚度,甚至使铜护套与线芯接触造成短路;太浅则剥除铜护套后,会使铜皮口向外张开而无法安装附件。
切口深度可通过铜皮切割器手柄上的调整螺杆进行调整。
2)切口切好后,用斜口钳在铜护套端头掰卷出一个长约5mm勺三角斜条。
3)将斜口钳钳住掰出的斜条,沿铜护套成45°斜角旋转使铜皮成螺旋形逐段剥出,在剥除过程中不要将剥出的铜皮沿根部剪断4)即将剥至于环形切口时,应慢慢转动斜口钳,使铜皮缓慢剥出以保证切口的圆整、平齐、光洁。
矿物绝缘电缆安装特点及施工控制要点随着现代化建筑的不断发展,对建筑物内使用的电气设备要求越来越高。
矿物绝缘电缆简称MI电缆,国内习惯称为氧化镁电缆或防火电缆,它是由矿物材料氧化镁粉作为绝缘的铜芯铜护套电缆,矿物绝缘电缆由铜导体、氧化镁、铜护套两种无机材料组成。
矿物绝缘电力电缆具有耐火、防爆、防水、耐蚀、耐机械损伤、载流大、寿命长等特点,在现代化的大型建筑及一类、二类建筑物内的使用也越来越广泛。
矿物绝缘电力电缆主要适用于消防电源、不间断电源、应急照明电源等供电线路上。
1 矿物绝缘电力电缆安装特点1.1 接头处易受潮电缆的绝缘层由矿物氧化镁组成,在电缆头施工中,电缆端头剥开后导体裸露时,容易与空气中的水分发生化学反应,而生成能导电的氢氧化镁。
电缆的绝缘电阻一般在100 MΩ以上,但如在1 h内未完成电缆头的制作,绝缘电阻可下降到10 MΩ以下,甚至会出现降到0.5 MΩ以下的情况。
这样电缆运用在工程中,必然带来电气隐患。
1.2 施工难度大矿物电缆硬度与一般电缆相比较高,重量约为一般电缆的两倍,敷设时不易达到平行整洁的观感效果,且线路长、接头多,查找故障点困难,因此施工难度较大,在进出配线箱处和桥架内弯曲成型也较困难。
2 针对上述特点,进行的施工质量控制就显得尤为重要,以下阐述了几点注意事项.。
2.1 敷设时应注意的事项矿物绝缘电缆硬度较大,所以敷设中应尽量避免交叉。
施工前应根据设计图纸绘制“电缆敷设走向图”,认真核对电缆的根数、规格、长度、走向、中间连接头位置及与其他管道交叉的间距等。
敷设时应在专用的电缆放线架上进行,拆除包装时必须格外小心,不得让小刀划穿包装层,以免损伤铜护套,在处理中间连接头和终端时要将电缆长度留余一定的裕量,以供施工的操作。
2.2 电缆回路应编号并粘贴标志在每个回路终、始点,每个中间连接头处,穿墙,洞等处要悬挂志牌或粘贴永久性标志,标明各回路编号及相序,以免由于回路多、接头过多而无法分辨,出现回路、相序连接的错误。
详细解读矿物绝缘电缆种类、性能、差异及安装敷设方法柔性矿物绝缘电缆和刚性矿物绝缘电缆的比较其实就是BTLY电缆与BTTZ电缆对比。
刚性还是柔性主要还是看电缆的结构,刚性矿物电缆除了电缆本身比较僵硬外,起抗撞击能力也是非常强的,代表型号有BTTZ电缆。
反正柔性矿物电缆柔韧性比较强,但它的抗撞击能力相对较差。
怎么区分矿物电缆是刚性还是柔性主要还是看型号,每根电缆上都有喷码上型号的,只要记住BTTZ类别下的都是刚性矿物电缆,其他都是柔性的(YTTW、NG-A,BTLY、BBTRZ)。
1、型号命名的区别:NG-A(BTLY)隔离型柔性矿物绝缘电缆型号说明:B----布线用矿物绝缘电缆T----铜导体L----铝金属套Y----聚氯乙烯外护套电缆型号结构说明:BBTRZ型号结构说明:BTTZ刚性矿物绝缘电缆型号明说:B----布线用固定安装电力电缆T----铜护套T----铜导体Z----,耐电压等级重型750V2、防火性能对比:NG-A(BTLY)柔性矿物绝缘电缆耐火性能通过bs6387标准最高级别C、W、Z试验考核:(C)燃烧950℃,燃烧180min(W)喷淋650℃燃烧15min,再继续燃烧的同时喷淋15min.(Z)撞击950℃,燃烧15min/30次YTTW和BBTRZ柔性矿物绝缘电缆防火等级也是同上BS 6387 CWZ。
BTTZ矿物绝缘电缆性能:(1)950℃火焰下持续通电180min不击穿;(2)950℃火焰下180min后浸水60min不击穿;(3)950℃火焰下承受180min的敲击振动而不击穿;共同性:无机矿物绝缘可靠,防水,防鼠蚁,机械强度高,耐腐蚀,节能环保,防辐射、寿命长等。
3、芯数规格及截面积对比:NG-A/BTLY:1芯10~300 mm²;2, 3, 4, 5芯2.5~300 mm²;3+1, 3+2, 4+1芯4~300 mm²。
YTTW:1芯10~630mm²;2,3,4芯2.5~120mm²;3+1芯16~120 mm²。
矿物绝缘电缆及其敷设简介(前言:标准、规范、规程)一、矿物绝缘电缆的概念1、概念或定义国家标准GB/T13033—2007《额定电压750V及以下矿物绝缘电缆及终端》(第一部分)中没有给出定义。
2、住房和城乡建设部的标准JG/T313 —2011《额定电压750V及以下矿物绝缘电缆及终端》(中华人民共和国建筑工业行业标准)给出定义不适合BTTZ矿物绝缘电缆。
具体到今天的介绍主要以国家标准GB/T13033—2007 《额定电压750V及以下矿物绝缘电缆及终端》为基础。
说的更具体点主要介绍铜芯铜护套氧化镁绝缘防火电缆,因为《矿物质电缆敷设技术工程》——JGJ232__2011 中主要内容就是铜芯铜护套氧化镁绝缘防火电缆的敷设规定。
它的定义如下:采用高导电率的铜作导体,无机物氧化镁作绝缘,无缝铜管作护套,必要时在金属铜护套外面挤包一层塑料外护套。
例如:铜芯铜护套氧化镁绝缘防火电缆(以下简称BTTZ 电缆),是一种外层采用无缝铜管护套、中间充填氧化镁晶体粉作绝缘材料,导体是单股铜棒组成的新型电缆。
这个定义与上一个定义相比显得更狭义。
3、矿物绝缘电缆的发展矿物绝缘电缆(Mineral Insulated Cable) 简称MI 电缆。
目前按结构特性可以分为刚性和柔性两种。
刚性矿物绝缘电缆(BTTZ)发明较早,19世纪末瑞士工程师Arnold Francois Borel 就提出矿物绝缘电缆的设想,并于1896 年获得专利权,1934-1936 年法、英投入生产以后发展很快。
我国也于上世纪六十年代研制,开始用于军事、冶金等领域,80 年代中期开始工业化生产,并逐步被建筑领域全面接受。
在1991年我国颁布了GB13033《额定电压750V及以下矿物绝缘电缆及终端》国家标准,但相应的设计标准和规范的制订、修订工作未能跟上,导致该矿物质电缆的使用和推广在我国一直发展缓慢,在应用方面严重滞后于发达国家。
近几年,为了提高电气线路的安全等级,减少电气火灾事故的发生及损失,国家建设部、公安部以及一些地方政府相继出台了电气设计规范,并明确规定在一些重要的电气线路或场所宜采用矿物绝缘电缆,进一步拓宽了矿物绝缘电缆的应用范围。
浅谈矿物绝缘电缆特性及其施工技术摘要:矿物绝缘电缆是由铜芯、铜护套及氧化镁等无机材料组成的一种新型电缆,其具有其他有机电缆无可比拟的特点,如耐火、防水、防爆、耐蚀、耐机械损伤、寿命长、载流量大、安全性能好等。
本文从多方面阐述工程中采用矿物绝缘电缆的依据及其优势所在,并介绍了矿物绝缘电缆的选用、安装敷设、电缆终端头及中间连接器制作等方面的安装制作工艺急需要注意的事项。
关键词:矿物绝缘电缆、特性、终端头、电缆中间头、中间连接器1、矿物绝缘电缆结构矿物绝缘电缆(Mineral Insulated Cables)简称MI电缆,国内也有人称之为氧化镁绝缘电缆或防火电缆。
是一种全部由无机材料组成的电缆,电缆外层是由无缝金属管构成的金属护套,在金属护套和金属线芯之间是一层经紧密压实的氧化镁绝缘层。
一些国际性组织和国家的标准、规范、法规等也规定或推荐在某些场所和部位需要使用矿物绝缘电缆,尤其对安全要求特别高和环境条件特别恶劣的场所。
2、矿物绝缘电缆主要特性2.1耐火性由于矿物绝缘电缆的全部材料仅由铜和氧化镁所构成,氧化镁实际上是一种优良的耐火材料,高温的绝缘性能也很好,因此矿物绝缘电缆也可在接近铜的熔点温度下继续运行,实验证明在950—1000℃可持续3个小时不损坏。
国外的很多实际火灾现场也充分证明火灾后,所有的电缆中仅有矿物绝缘电缆还完好无损。
2.2耐高温、不老化、寿命长矿物绝缘电缆可在250℃高温环境下连续长时间使用,寿命达数百年,由于它全部由无机材料构成,不会老化,更不会引发和传播火种,实际上它是一种真正“安全型”的电缆,可作为高温环境下长期使用的首选品种。
2.3不会释放任何有害气体和烟雾在过载和火烧的情况下,矿物绝缘电缆不会放出任何有害气体和烟雾,这对火灾条件下确保人员(包括消防人员)安全至关重要。
对确保仪器、设备及房屋不受酸气的侵害也是很重要的2.4载流量大、耐过载能力强对于相同截面的电缆而言,矿物绝缘电缆由于本身结构特点和允许更高的使用温度,使它比其他类型的电缆能传送更大的电流。
矿物绝缘(MI)电缆及电缆桥架布线要求矿物绝缘(MI)电缆布线要求矿物绝缘电缆(Mineral insulated cable),一种以铜护套包裹铜导体芯线,并以氧化镁粉末为无机绝缘材料隔离导体与护套的电缆,最外层可按需选择适当保护套。
通称MICC或MI电缆。
有一种类似的电缆以金属代替铜护套包裹芯线和绝缘材料,称为矿物绝缘金属护套电缆(Mineral insulatedmetal sheathed cable (MIMS Cable)。
8.9.1矿物绝缘(MI)电缆布线宜用于民用建筑中高温或有耐火要求的场所。
解释说明:由于矿物绝缘(MI)电缆采用无机物氧化镁作为芯线绝缘材料,无缝铜管外套和铜质线芯,宜用于高温或有耐火要求的场所。
8.9.2矿物绝缘电缆应根据使用要求和敷设条件,选择电缆沿电缆桥架敷设、电缆在电缆沟或隧道内敷设、电缆沿支架敷设或电缆穿导管敷设等方式。
8.9.3下列情况应采用带塑料护套的矿物绝缘电缆:1. 电缆明敷在有美观要求的场所;2. 穿金属导管敷设的多芯电缆;3. 对铜有强腐蚀作用的化学环境;4. 电缆最高温度超过70℃但低于90℃,同其他塑料护套电缆敷设在同一桥架、电缆沟、电缆隧道时,或人可能触及的场所。
8.9.4矿物绝缘电缆应根据电缆敷设环境,确定电缆最高使用温度,合理选择相应的电缆载流量,确定电缆规格。
解释说明:矿物绝缘电缆,在不同线芯最高使用温度下,相同截面的电缆可具有不同的载流量。
使用温度愈高,载流量愈大。
因此,在选择电缆规格时,应根据环境温度、性质、电缆用途合理确定线芯最高使用温度。
在确定合适的线芯最高使用温度后,根据不同使用温度下的电缆允许载流量,合理选择相应的电缆规格。
8.9.5应根据线路实际长度及电缆交货长度,合理确定矿物绝缘电缆规格,宜避免中间接头。
解释说明:矿物绝缘电缆中间接头是线路运行和耐火性能的薄弱环节,应设法避免。
由于受原材料的限制,矿物绝缘电缆,特别是大截面单芯电缆其成品交货长度都较短。
矿物绝缘电缆(氧化镁绝缘防火电缆)1 产品名称宝胜牌矿物绝缘电缆(氧化镁绝缘防火电缆)2 适用范围防爆系统和设备,即火灾危险区;钢厂、铜厂、铝厂等冶金场所;安全性要求高的公共建筑物;地下场所。
3 产品结构和特点矿物绝缘电缆,它是采用高导电率的铜作导体,无机物氧化镁作绝缘,无缝铜管作护套,经特殊工艺制作而成的。
由于其用材和结构的特殊性,决定了该产品具有有机电缆(塑料电缆)所无法比拟的电气性能、机械性能、耐环境性能和环保性能。
具有防火、防爆、防水、无烟、无卤、无毒、耐高温、耐腐蚀性强、耐辐射、防电磁干扰、载流量大、过载能力强、机械强度高、体积小、重量轻、寿命长、良好的接地性等特性。
裸电缆长期使用温度为250℃,在950~1000℃时可持续供电3h(国家标准规定90min),短时间或非常时期可接近铜的熔点1083℃工作(氧化镁绝缘熔点为2800℃)。
矿物绝缘电缆与无卤低烟塑料电缆相比,不但在电性能及机械性能方面有较大提高,而且真正实现了无卤、无烟、无毒,彻底消除了无卤低烟塑料电缆中残留的毒素,并完全克服了无卤低烟塑料电缆在多根敷设时火焰燃烧中所产生的烟雾和毒性。
该产品由于其优越的性能价格比而成为替代无卤低烟电缆、耐火电缆、阻燃电缆、母线槽(容量为1500A 及以下)等产品的发展方向。
4 产品型号4.1 控制电缆:BTTQ轻型铜芯铜护套矿物绝缘电缆;BTTVQ 轻型铜芯铜护套聚氯乙烯外护套矿物绝缘电缆;L S F - BTTQ 轻型铜芯铜护套低烟无卤外护套矿物绝缘电缆。
表示方法:例1:截面为1.5mm2 3芯轻型铜芯铜护套氧化镁绝缘控制电缆表示为:BTTQ 3 ×1.5例2:截面为300mm2 5芯重型铜芯铜护套氧化镁绝缘电力电缆表示为:BTTZ 5 ×1 ×300例3:截面为16mm2 5 芯重型铜芯铜护套无卤低烟外护套氧化镁绝缘电力电缆表示为(共三种):LSF-BTTZ 5×1×16或4×16+16或3×16+2×165 执行标准GB13033 —1991;BS6207 —1995;IEC60702 —2002 6 设计选用要点6.1 该产品主要用于下列线路:不能断电的供电线路、消防电气线路、双电源控制线路、火灾报警控制线路、计算机房主控线路、应急照明线路、发电机房输电线路、公共场所的主动力及照明线路。
矿物绝缘电缆安装第一节矿物绝缘电缆的敷设1、矿物绝缘电缆敷设方式:与塑料绝缘电缆一样,矿物绝缘电缆的敷设方式有多种,根据建设部2009年颁发的《矿物绝缘电缆敷设》标准设计图集(09D101-6),列举的敷设方式有:1)沿电缆桥架敷设:电缆沿桥架敷设分水平敷设(如图1所示)和垂直敷设(如图2所示)两种。
电缆敷设要求横平竖直,无交错、重叠。
敷设时,若桥架内全部是矿物绝缘电缆,则不必考虑电缆本身的防火、阻火措施,桥架及其配件根据现场使用条件,由设计考虑确定。
电缆沿桥架垂直敷设可采用铜线绑扎固定,也可采用电缆卡子固定。
钢制电缆卡子只能用于单芯电缆三相一起固定,不能用于单根单芯电缆的固定,单侧固定的卡子除外。
1-矿物绝缘电缆;2-电缆桥架;3-桥架托架;4-开脚螺栓或膨胀螺栓;5-镀锌垫片;6-弹簧垫片;7-螺母;8-托架支架图1 电缆沿电缆桥架水平敷设示意图1-角架支架;2-电缆桥架(梯形);3-螺栓、螺母、垫片;4-矿物绝缘电缆;5-绑扎线;6-电缆卡子;7-镀锌螺栓;8-膨胀螺栓图2 电缆沿电缆桥架水平敷设示意图2)在电缆隧道和电缆沟内敷设:当电缆隧道(如图3所示)或电缆沟(如图4所示)内有多种电缆一起敷设时,应该分别放臵,矿物绝缘电缆应单独放臵于一层或几层支架上,单芯矿物绝缘电缆放臵于角钢支架上可平行敷设,也可成束敷设,矿物绝缘电缆应敷设在控制电缆的上层,但支架的接地由工程设计确定。
1-预埋件;2-角钢支架;3-矿物绝缘电缆;4-绑扎线图3 电缆在电缆隧道内敷设图4 电缆在电缆沟内敷设3)沿支架卡设:电缆在支架上卡设(如图5所示)时,要求每一个支架处都有电缆卡子将其固定。
固定用的角钢支架在某些场合需考虑耐火等级。
方案2方案1 方案3方案4 方案5方案6 方案71-矿物绝缘电缆;2-电缆卡子;3-镀锌螺栓、螺母、垫圈;4-膨胀螺栓;5-角钢支架;6-垫块;7-单侧电缆卡子;8-扁钢挂钩图5 电缆沿支架卡设示意图方案1-方案3为电缆沿墙支架卡设,方案4-方案7为电缆沿顶支架卡设。
浅谈建筑矿物绝缘电缆(BTTZ)特性及安装工艺摘要:随着社会的发展,高层建筑设计施工要求,矿物绝缘电缆在高层民用建筑中越来越多的被使用,其特性及安装敷设方式也被相关设计施工人员关注。
本文介绍了矿物绝缘电缆及其特性,并对BTTZ电缆的安装工艺做了详细的说明。
以期为相关技术与施工人员提供参考学习。
关键词:矿物绝缘电缆;高层建筑;防火;安装工艺;BTTZ;敷设方式;电缆头制作安装在高层建筑设计施工中,由于矿物绝缘电缆的特殊性能,被越来越多高层建筑采用,普通聚氯乙烯、低烟无卤电缆逐渐遭到淘汰。
矿物绝缘电缆是采用高导电率的铜作导体,无机物氧化镁作绝缘,无缝铜管作护套,必要时在金属铜护套外面挤包一层塑料外护套。
例如:铜芯铜护套氧化镁绝缘防火电缆(以下简称BTTZ电缆),是一种外层采用无缝铜管护套、中间充填氧化镁晶体粉作绝缘材料,导体是单股铜棒组成的新型电缆。
矿物绝缘电缆的发展:矿物绝缘电缆(Mineral Insulated Cable)简称MI电缆。
目前按结构特性可以分为刚性和柔性两种,刚性矿物绝缘电缆(BTTZ)发明较早,19世纪末瑞士工程师Arnold Francois Borel就提出矿物绝缘电缆的设想,并于1896年获得专利权,1934-1936年法、英投入生产以后发展很快。
我国也于上世纪六十年代研制,开始用于军事、冶金等领域,80年代中期开始工业化生产,并逐步被建筑领域全面接受。
在1991年我国颁布了GB13033《额定电压750V及以下矿物绝缘电缆及终端》国家标准,但相应的设计标准和规范的制订、修订工作未能跟上,导致该矿物质电缆的使用和推广在我国一直发展缓慢,在应用方面严重滞后于发达国家。
近几年,为了提高电气线路的安全等级,减少电气火灾事故的发生及损失,国家建设部、公安部以及一些地方政府相继出台了电气设计规范,并明确规定在一些重要的电气线路或场所宜采用矿物绝缘电缆,进一步拓宽了矿物绝缘电缆的应用范围。
矿物绝缘电缆及其敷设简介(前言:标准、规范、规程)一、矿物绝缘电缆的概念1、概念或定义国家标准GB/T13033—2007《额定电压750V及以下矿物绝缘电缆及终端》(第一部分)中没有给出定义。
2、住房和城乡建设部的标准JG/T313—2011《额定电压750V及以下矿物绝缘电缆及终端》(中华人民共和国建筑工业行业标准) 给出定义不适合BTTZ矿物绝缘电缆。
具体到今天的介绍主要以国家标准GB/T13033—2007《额定电压750V及以下矿物绝缘电缆及终端》为基础。
说的更具体点主要介绍铜芯铜护套氧化镁绝缘防火电缆,因为《矿物质电缆敷设技术工程》——JGJ232__2011中主要内容就是铜芯铜护套氧化镁绝缘防火电缆的敷设规定。
它的定义如下:采用高导电率的铜作导体,无机物氧化镁作绝缘,无缝铜管作护套,必要时在金属铜护套外面挤包一层塑料外护套。
例如:铜芯铜护套氧化镁绝缘防火电缆(以下简称BTTZ 电缆),是一种外层采用无缝铜管护套、中间充填氧化镁晶体粉作绝缘材料,导体是单股铜棒组成的新型电缆。
这个定义与上一个定义相比显得更狭义。
3、矿物绝缘电缆的发展矿物绝缘电缆(Mineral Insulated Cable)简称MI电缆。
目前按结构特性可以分为刚性和柔性两种。
刚性矿物绝缘电缆(BTTZ)发明较早,19世纪末瑞士工程师Arnold Francois Borel就提出矿物绝缘电缆的设想,并于1896年获得专利权,1934-1936年法、英投入生产以后发展很快。
我国也于上世纪六十年代研制,开始用于军事、冶金等领域,80年代中期开始工业化生产,并逐步被建筑领域全面接受。
在1991年我国颁布了GB13033《额定电压750V及以下矿物绝缘电缆及终端》国家标准,但相应的设计标准和规范的制订、修订工作未能跟上,导致该矿物质电缆的使用和推广在我国一直发展缓慢,在应用方面严重滞后于发达国家。
近几年,为了提高电气线路的安全等级,减少电气火灾事故的发生及损失,国家建设部、公安部以及一些地方政府相继出台了电气设计规范,并明确规定在一些重要的电气线路或场所宜采用矿物绝缘电缆,进一步拓宽了矿物绝缘电缆的应用范围。
4、现行标准及规范GB/T13033—2007《额定电压750V及以下矿物绝缘电缆及终端》国家标准。
代替1991年我国颁布了GB13033《额定电压750V及以下矿物绝缘电缆及终端》;标准图《09D101-6_矿物绝缘电缆敷设》代替《99D101_6》;《矿物质电缆敷设技术工程》——JGJ232__2011;JG/T313—2011《额定电压750V及以下矿物绝缘电缆及终端》。
二、常用刚性矿物绝缘电缆的种类标准规定:刚性矿物绝缘电缆分为轻型和重型划分标准:以电压来划分。
交流电压不超过500伏(有效值或直流电压500伏)及其以下的为轻型;交流电压不超过750伏(有效值或直流电压750伏)及其以下的为重型型;一)电力电缆1)BTTZ重型铜芯铜护套矿物绝缘电缆;2)BTTVZ重型铜芯铜护套聚氯乙烯外护套矿物绝缘电缆;3)LSF-BTTZ重型铜芯铜护套低烟无卤外护套矿物绝缘电缆;二)控制电缆1)BTTQ 轻型铜芯铜护套矿物绝缘电缆;2)BTTVQ轻型铜芯铜护套聚氯乙烯外护套矿物绝缘电缆;3)LSF-BTTQ 轻型铜芯铜护套低烟无卤外护套矿物绝缘电缆;三、刚性矿物绝缘电缆结构组成:矿物绝缘电缆以高导电率的铜导体、无机氧化镁绝缘、无缝铜管护套为基本结构组成。
(1)导电线芯(2)绝缘材料(氧化镁)(3)铜护套BTTZ 矿物绝缘电缆结构示意图多芯电缆封罐型终端头制作示意图四、刚性矿物绝缘电缆的产品型号及表示方法(GB/T13033—2007《额定电压750V及以下矿物绝缘电缆及终端》)一)、代号1、系列代号:B(第一位)2、导体代号:T(第二位)3、护套代号:(第三位)3.1铜护套:T3.2铜合金护套:TH4、外套代号:(第四位)4.1聚氯乙烯外套:V4.2聚烯烃外套:Y5、结构特征代号:(第五位)5.1轻型:Q5.2重型:Z6、阻燃特性代号:无卤低烟WD二)产品的表示方法产品用型号、额定电压、规格及标准编号组成。
产品型号组成产品型的号组成和排列顺序如下(见附页)三) 产品的标志每根电缆应标明额定电压和制造方标志。
标志应符合国家标准规定,电缆无外套时,标记在标签上并系在每根电缆上。
五、刚性矿物绝缘电缆特点1、刚性矿物绝缘电缆主要优点1)完全防火刚性矿物绝缘电缆自身完全不燃烧,同时也不会引发火源。
即使在有火焰烧烤的情况下,只要火焰温度低于铜的熔点温度,火焰消除后电缆无需更换仍可继续使用。
在被火焰烧烤的情况下不会产生有毒的烟雾和气体。
2)过载保护能力强线路过载时,只要发热达不到铜的熔点温度,电缆不会受损。
即使瞬间击穿,击穿处氧化镁晶体也不会形成碳化物,过载消除后,电缆性能不会产生变化,仍可继续正常使用。
3)工作温度高由于绝缘层氧化镁晶体的熔点温度远高于铜的熔点温度,因而电缆最高正常工作温度可达250℃,短期内可在接近铜的熔点温度1083℃下继续运行。
4)防腐、防爆性能好由于采用无缝铜管作护套,所以矿物绝缘电缆具有防水、潮气、油和一些化学物质侵害的性能,铜管具有相当的机械强度故有较好的防爆性能。
5)使用寿命长刚性矿物绝缘电缆全部由无机材料构成,因而不存在绝缘老化,使用寿命可达到普通电缆的3倍以上。
6)敷设灵活性较大刚性矿物绝缘电缆可以与普通电缆敷设在桥架上,同时也可以采用专用支架明敷,比普通电缆敷设更具灵活性,也节省了电缆桥架的投入,可以降低工程整体造价。
2、刚性矿物绝缘电缆的主要缺点1)投资成本高由于刚性矿物绝缘电缆外护套是由无缝铜管构成,整体含铜量远多于普通电缆,同时刚性矿物绝缘电缆的施工工艺对设备要求高于普通电缆,造成刚性矿物绝缘电缆价格与普通电缆相比高出30%左右。
2)接头处易受潮绝缘层由矿物氧化镁组成,它极易与空气中的水分发生化学反应,而生成能导电的氢氧化镁。
在电缆头施工中,电缆端头剥开裸露导体时,电缆的绝缘电阻一般在10MΩ以上,但如在1小时内未完成电缆头制作,绝缘电阻可下降到10M Ω以下,甚至会出现降到0.5MΩ以下的情况,如不注意划破外层,又未及时发现并作密封防潮处理,绝缘值会很快下降并会逐步下降到0,这样就会造成该电缆无法使用。
3)施工难度大刚性矿物绝缘电缆硬度与一般电缆相比较高,重量约为一般电缆的2倍,敷设时不易达到平行整洁的观感效果,且线路长、接头多,查找故障点困难,因此施工难度较大,在进出配线箱处和桥架内弯曲成型困难。
4)施工工作量较大刚性矿物绝缘电缆凡规格超过35mm2的均为单芯电缆,如1根70mm2的电缆,普通电缆只需3×70+2×35五根导体在同一外护套内即可,而BTTZ要达到同等规格须由3根70mm2加1根35mm2的单芯电缆拼合而成。
单芯电缆的交货长度较短,例如240mm2的电缆交货长度为69米,若敷设距离较长则会增加大量中间接头的制作,使得施工工作量成倍增加。
5)耐电压等级仅为750V;6) 重量大,重量约为一般电缆的2倍。
7)制作长度受限,铜管拉拔工艺使得单根连续长度有限。
(线路长时接头多,接头处氧化镁极易与空气中的水分发生化学反应易吸潮而发生故障,且查找故障点困难)。
8)中间接头及终端头的制作质量有待提高。
9)钢硬大,敷设时不易达到平行整洁的观感效果,在进出配线箱处和桥架内弯曲成型困难。
10)氧化镁粉末充当绝缘层,易产生厚薄不均现象,工艺稍有差池便会击穿,额定电压最高为450/750V。
3、施工中易出现的问题1)电缆绝缘阻值达不到要求;2)在试运行过程中,发生短路跳闸事故(接头多、电缆受弯曲挤压绝缘值下降等);3)只要返工,就会造成了敷设好的电缆失去了原有的整齐与美观。
(下面以BTTZ电缆为例介绍一下刚性矿物绝缘电缆的施工主要事项。
)六、刚性矿物绝缘电缆注意事项1、全面了解矿物绝缘电缆的结构、性能和特点,了解电缆的型号、规格、种类及其适应场所。
2、要熟练掌握矿物绝缘电缆的敷设、安装的方式、方法及其技能,明白敷施工中的注意事项,诸如电缆的弯曲半径、敷设的排列,如何进出配电箱、柜,如何注意消除涡流。
3、熟悉矿物绝缘电缆的配套附件,以及每一附件的安装、使用方法。
4、了解矿物绝缘电缆安装施工时所需要的专用工具并熟练掌握其使用方法。
5、熟悉施工图纸以及现场情况,制定好详细的施工方案。
6、在电缆敷设过程中,或是敷设安装好之后,一定要严格禁止带电的电焊龙头线在电缆上拖动或碰撞,因为带电的电焊龙头会与矿物绝缘电缆的铜护层(相当于接地线)产生碰焊火花,以致于熔化铜护层,导致电缆铜护层产生孔洞,引起空气中的潮气被氧化镁绝缘吸收,电缆绝缘阻值降低。
有时因找不到产生孔洞的故障段,误以为是电缆制造厂的产品有问题,这一点一定要引起重视。
7、在敷设安装过程中应勤测电缆的绝缘,发现问题及时处理。
在电缆敷设前后以及终端、中间接头的制作前后均应多次测量电缆的绝缘阻值,并进行前后比较,以保证每一个安装工序电缆质量都是完好的。
同时,无论电缆的截断或暂停施工,还是要放置一段时间后再施工,一定要及时做好电缆的封端,以免氧化镁绝缘受潮。
8、电缆的终端头和中间头制作好之后,立即进行一次绝缘测试,经过24小时之后再测一次,如果电缆头没有受潮,护层也没有任何损伤,在实际测试中,兆欧表的指针应指向“∝”,这时说明电缆绝缘性能良好。
如果第二次测试时,发现绝缘阻值下降,应找出故障点,一般来说,故障点都在终端或是中间接头处,寻找时可以用喷灯火焰在终端的下部,中间接头的两端加热,同时再测量电缆的绝缘阻值,在加热的几秒钟后,绝缘阻值急剧下降,说明该终端或是中间头有问题,此时应拆除,重做直至合格。
如果绝缘阻值没有变化,则应检查线路上其它终端或中间头,直到找出故障点,并按上述方法修复。
9、在电缆敷设完后,如果没有中间接头,则可直接做终端头,如果有中间接头,那么应该先做中间接头,否则将增加核对相位等麻烦工作。
10、矿物绝缘电缆的铜护层可作接地使用,且必须接地。
七、其他类型的矿物绝缘电缆我们了解一下工程中应用的其他类型的矿物绝缘电缆一)YTTW矿物绝缘电缆:1、YTTW矿物绝缘电缆简介有人将YTTW电缆称为柔性矿物绝缘电缆,国家标准并未定义。
按JG/T313—2011《额定电压750V及以下矿物绝缘电缆及终端》中规定:将之称为金属护套无机矿物绝缘电缆。
(定义:在同一金属护套内,有无机矿物带、纤维和纤维带作绝缘层的单根或多根绞合的软铜线组成的电缆),如YTTW——铜芯轧纹铜护套无机矿物绝缘电缆。
具体系列代号如下:Y——代表布线用金属护套无机矿物绝缘电缆W——代表无机矿物ZW——代表轧纹(一般省略不标注)G——代表光面YTTW--跟洗衣机的管子一样,但其柔韧性比BTTZ电缆要好,与柔性矿物绝缘电缆(BBTRZ)比较还是较硬,具有一定的刚性。