计量岗位作业指导书
- 格式:doc
- 大小:39.50 KB
- 文档页数:11
计量岗位作业指导书一、工作职责岗位名称:计量员所属部门:质量技术部 /副经理直接上级:质量技术部经理工作职责:在部门经理的直接领导下,负责各车间、部门的计量保证工作。
包括车间生产用设备,计量 1.器具、实验室用仪器仪表等,并做好校准情况记录。
做好计量记录台帐、标准的整理及质量记录的保管工作。
2.做好计量标准文件的保管,现场设备的及时计量校准工作,并做好记录。
3.编写年度周检计划、内校计划、外校计划等,根据校准计划实施校准工作。
4. 5.负责证书及记录的保存及归档,负责在第三方机构或内部验厂时出具设备校准证明。
负责定期的设备校准工作,并及时组织调动相关部门在不影响正常生产的情况下进行计量准6.备工作。
做好设备定期校准计划、以及内校(三个月)可根据各部门车间实际使用情况及计量器具周7.)适当调整周期、外校(半年、一年)台账,能够保证在校准合格周期内实90%检合格率(大于等于施计量校准工作。
负责公司计量精细化的改制工作,学习外界精细化校准方案。
为公司节省校准费用。
8. 9. 完成领导交给的其他任务。
页10 共页1 第.二、工作任务1 概况依照《中华人民共和国计量实施细则》,参考有关工作计量器具检定规程,结合我公司工作计量器具的使用情况,实施计量校准工作。
2 文件编写撰写计量器具检定(校准)作业指导书。
监视测量设备管理规定监视测量设备校对规程注:本作业指导书适用于公司内工作计量器具非强制性检定(校准)的操作过程。
3 器具使用对标准计量器具(企业标准计量器具)实施依据性的使用。
(1).建立标准计量器具档案、台账、计量计划表。
(2).标准计量器具以及其标准可溯源至国家标准计量器具。
(3).标准计量器具集中存放于科技部计量检定室(一般只在检定室内使用)。
4 计量过程细则(1)规范建立公司工作计量台账、档案。
(2)依据检定(校准)周期,向各部门、车间单位按时下达检定(校准)计划,相关单位负责把被检器具送至检定室,由计量检定人员按编排计划及时完成周期检定(校准)任务。
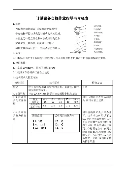
计量设备自校作业指导书内径表
1.概述
内径表是由指示表(百分表或千分表)和 带有核杠杆传动或线传动机构的表架组成, 将测量无件的直线位移转换成指针角位移 或数值的计量器具.主要用于比较法 测量工件的内径尺寸. 其结构如右图所示: 2.范围:
2.1本标准仅适用于新购百分表的检定,及在外校合格期内而进行内部辅助校验的指导.
3.校正条件:
3.1室温20︒C ±10︒C, 湿度不超过85%RH 3.2校准工作稳固的工作台上进行.
4.技术要求及检定方法
1-制动器;
2-指示表; 3-锁紧装置; 4-手柄; 5-直管; 6-可换测头; 7-主体; 8-定位护桥; 9-活动测头。
计量作业指导书计量学作业指导书为了帮助同学们更好地完成计量学作业,本文提供了一份详细的指导书。
以下是具体步骤:Step 1: 阅读并理解作业题目在开始作业之前,首先需要认真阅读并理解作业题目的要求。
如果有任何疑惑,可以向老师或助教提出问题以确保明确作业要求。
Step 2: 收集数据和文献根据作业要求,收集相关的数据和文献。
数据可以来自公共数据集或者是自己搜集的数据,而文献则可以来自课本、论文以及其它相关资料。
确保数据和文献的准确性和可靠性。
Step 3: 数据预处理对于收集到的数据,可能存在一些误差或者异常值,需要对其进行预处理,来保证数据质量。
常见的数据预处理方法包括删除异常值、缺失值填补、数据标准化等。
Step 4: 模型构建根据作业要求和收集到的数据,确定所需的模型类型并进行构建。
例如,可以使用回归分析、时间序列分析或者是协整分析等方法来建立模型。
Step 5: 模型评价在建立模型之后,需要对其进行评价。
评价方法包括残差分析、模型符合度检验、预测精度检验等。
Step 6: 结果分析基于模型评价的结果,对模型的结果进行分析。
可以通过图表、文字等方式来呈现分析结果。
Step 7: 结论撰写最后,将模型的结果和结论进行撰写。
结论应该清晰、简练,突出本次研究的重点和所得到的结论。
以上就是计量学作业的具体步骤,希望对同学们在完成作业时有所帮助。
需要注意的是,完成计量学作业需要耐心和细致,同时也需要灵活的思维和分析能力。
如果在完成作业过程中遇到困难,可以随时向老师、助教或同学寻求帮助。
1.目的:
为了统一规范电子秤的操作,提高准确度,避免因操作不当而引起的计量问题,特制定本作业指导书。
2.适用范围:
适用本公司所有的电子秤
3.定义:无
4.引用标准:无
5.操作步聚:
5.1请将电子称放于稳固、平坦的平面上,并用干布将称盘擦拭干净;
5.2将天平插座电源打开,并打开天平按纽开关,此时天平进行自检,当显示屏显示“0.0或0.00”进入称量模式.
5.3校准:在秤盘上不加任何物体情况下,按住“CAL校准”键不松手,约过3秒后显示“—CAL
—”时即刻松手,稍候,显示闪耀“标准砝码值”的砝码置于秤盘上,显示“——”等待状态,稍候,显示“0.0或0.00”,校准结束.如校准后称量还是不准确,则按上述过程重复校准几次。
5.5称量:将置容器于秤盘上,天平显示容器质量,按住“TAR去皮键”后,显示屏显示“0.0或
0.00”,即已去皮重,此时可加需称量物品。
5.6天平使用完毕,如不再使用则将天平开关按纽和电源开关关闭。
6.电子称的维护和保养:
6.1严禁将电子称放在高温、高湿、阳光直射或空气流动剧烈的场所使用;
6.2在使用过程中,若有药液溅在称盘上,立即用干布擦拭干净,防止药液渗入仪器内部;每
次用完后,最好能用酒精或甲醇来擦拭一边,以免被化学药品腐蚀;
6.3在使用过程中要轻拿轻放,严禁撞击、重压(勿超过其最大称重);
6.4所有电子称,必须经品管部校正并贴上合格证标签后方可使用,每半年校正一次,严禁使
用校正已过期或未经校正的电子称;
6.5合格与不合格的电子称必须分开存放,以免混淆。
1目的 为使计量检定工作有所依循,保证实验的准确性和稳定性。
2范围凡本公司使用计量、卡具的检定作业,均适用。
3作业内容● 热工仪表3.1技术标准:3.1.1 UJ33A 型直流电位差计使用说明。
3.1.2 ZX25A 直流电阻器使用说明。
3.1.3双路可跟踪直流稳定电源使用说明。
3.1.4 SFX-4000校验信号发生器使用说明。
3.1.5数字温度指示调节仪执行JJG617-1996标准。
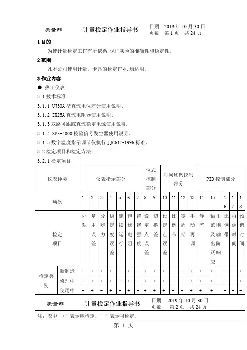
3.2检定项目和检定方法:3.2.1检定项目质量部计量检定作业指导书 日期 2019年10月30日 页数 第1页 共24页质量部 计量检定作业指导书 日期 2019年10月30日3.2.2仪表指示部分的检定3.2.2.1外观检查,用目力观察,在基本误差和设定点误差的检定过程中观察。
3.2.2.2绝缘电阻的检定仪表电源开关处于接通位置,将各电路本身端钮短路,对于供电电源为 (50~500)V 范围内的仪表,必须采用额定直流电压为500V 的绝缘电阻表(供电电源小于50V 的仪表采用额定直流电压为100V 的绝缘电阻表)按规定的部位进行测量。
测量时,应稳定5 s,读取绝缘电阻值。
3.2.2.3绝缘强度的检定仪表电源开关处于接通位置,将各电路本身端钮短路,按规定的部位在耐电压仪上进行测量。
测量时实验电压应从零开始增加,在(5~10) s 内平滑均匀地升至试验电压规定值(误差不大于10%),保持1 min 后,平滑均匀地降低电压至零,切断试验电源。
注:为保护仪表在试验时不被击穿损坏,可使用具有报警电流设定的耐电压试验仪,设定值一般为10mA 。
使用该仪器时,以是否报警作为判断绝缘强度合格与否的依据。
3.2.2.4基本误差的检定a)按规定接线具有热电偶参考端温度自动补偿的仪表,检定时所用的标准器和接线如图1所示图1b)不具有热电偶参考温度自动补偿的仪表(包括直流电压输入的仪表),检定时所用 的标准器和接线图如2图所示:图2c)输入为直流电流信号的仪表,检定时所用的标准器和接线如图3所示:质量部计量检定作业指导书 日期 2019年10月30日 页数 第3页 共24页图3d)与热电阻配合使用的仪表,包括与电阻型传感器配合使用的仪表,检定时所用的标准器和接线如图4所示:(R 为连接导线的阻值)3.2.2.5通电预热和调整接通电源后,按生产厂家规定的时间预热,如果没有明确规定,一般预热15min 。
标准化与计量检测作业指导书第1章引言 (3)1.1 范围 (3)1.2 参考文献 (4)1.3 定义与术语 (4)第2章标准化基础知识 (4)2.1 标准化概念 (4)2.1.1 定义与内涵 (4)2.1.2 标准化分类 (5)2.2 标准化体系 (5)2.2.1 标准化体系概念 (5)2.2.2 标准化体系结构 (5)2.3 标准化制定与实施 (5)2.3.1 标准制定 (5)2.3.2 标准实施 (6)第3章计量检测基本原理 (6)3.1 计量概念 (6)3.2 计量单位制 (6)3.3 计量检测方法 (7)第4章计量检测设备管理 (7)4.1 设备选型与采购 (7)4.1.1 设备选型原则 (7)4.1.2 设备选型流程 (7)4.1.3 设备采购 (7)4.2 设备校准与验证 (7)4.2.1 校准概述 (7)4.2.2 校准周期 (7)4.2.3 校准方法 (8)4.2.4 校准结果判定 (8)4.2.5 设备验证 (8)4.3 设备维护与保养 (8)4.3.1 设备维护 (8)4.3.2 设备保养 (8)4.3.3 设备故障处理 (8)4.3.4 备品备件管理 (8)第5章计量检测误差分析 (8)5.1 误差来源与分类 (8)5.1.1 误差来源 (8)5.1.2 误差分类 (8)5.2 误差评价与处理 (9)5.2.1 误差评价 (9)5.2.2 误差处理 (9)5.3 提高检测准确性的措施 (9)5.3.1 选用高精度设备 (9)5.3.2 改善检测环境 (9)5.3.3 提高操作者技能 (9)5.3.4 优化检测方法 (9)5.3.5 严格质量控制 (9)第6章计量检测数据处理 (9)6.1 数据收集与记录 (10)6.1.1 数据收集 (10)6.1.2 数据记录 (10)6.2 数据分析与处理 (10)6.2.1 数据分析 (10)6.2.2 数据处理 (10)6.3 数据报告与存储 (11)6.3.1 数据报告 (11)6.3.2 数据存储 (11)第7章计量检测质量保证 (11)7.1 质量控制体系 (11)7.1.1 质量控制原则 (11)7.1.2 质量控制组织结构 (11)7.1.3 质量控制流程 (11)7.1.4 质量控制文件 (11)7.2 质量控制方法 (11)7.2.1 检测设备校准 (11)7.2.2 检测方法验证 (12)7.2.3 检测过程监控 (12)7.2.4 数据分析与处理 (12)7.3 质量改进措施 (12)7.3.1 不合格品控制 (12)7.3.2 内部审核与纠正措施 (12)7.3.3 持续改进 (12)7.3.4 培训与技能提升 (12)第8章计量检测实验室管理 (12)8.1 实验室组织与人员 (12)8.1.1 组织结构 (12)8.1.2 人员配置 (12)8.1.3 岗位职责 (12)8.2 实验室环境与设施 (13)8.2.1 实验室环境 (13)8.2.2 设施与设备 (13)8.2.3 检测方法与标准 (13)8.3 实验室安全管理 (13)8.3.1 安全制度 (13)8.3.2 危险源识别与评估 (13)8.3.3 安全防护 (13)8.3.4 消防安全 (13)8.3.5 药品与试剂管理 (13)第9章计量检测标准方法 (13)9.1 标准制定与修订 (13)9.1.1 标准制定 (13)9.1.2 标准修订 (14)9.2 标准内容与结构 (14)9.2.1 标准内容 (14)9.2.2 标准结构 (14)9.3 标准应用与实施 (14)9.3.1 标准应用 (14)9.3.2 标准实施 (14)第10章计量检测发展趋势与展望 (14)10.1 国际计量检测发展趋势 (14)10.1.1 国际计量体系演变 (14)10.1.2 新型计量技术发展动态 (15)10.1.3 国际计量检测标准化进程 (15)10.1.4 国际计量检测行业政策环境分析 (15)10.2 我国计量检测现状与挑战 (15)10.2.1 我国计量检测体系概述 (15)10.2.2 我国计量检测行业现状分析 (15)10.2.3 我国计量检测面临的挑战与问题 (15)10.2.4 提高我国计量检测能力的策略与措施 (15)10.3 计量检测技术展望与应用前景 (15)10.3.1 计量检测技术发展趋势 (15)10.3.1.1 量子计量技术 (15)10.3.1.2 非接触式测量技术 (15)10.3.1.3 大数据与人工智能在计量检测中的应用 (15)10.3.2 计量检测技术在行业中的应用前景 (15)10.3.2.1 高精度测量技术在精密制造领域的应用 (15)10.3.2.2 在能源、环保等领域的计量检测应用 (15)10.3.2.3 新兴领域计量检测技术需求与发展方向 (15)10.3.3 计量检测技术在国家战略中的地位与作用 (15)10.3.3.1 国家质量基础设施的支撑作用 (15)10.3.3.2 服务国家重大科技专项的计量检测需求 (15)10.3.3.3 计量检测在国家安全、贸易、民生等方面的应用 (15)第1章引言1.1 范围本章主要阐述标题标准化与计量检测作业指导书的目的、适用范围以及内容概述。
计量作业指导书集团企业公司编码:(LL3698-KKI1269-TM2483-LUI12689-ITT289-计量作业指导书(1)储油罐液位高度测量(人工测量)a.停止使用与油罐相连的加油机,抄写停机时累计泵码数。
b.卸油后,待稳油15min后方可计量。
c.将量油尺尺带用棉纱擦净。
d.从固定测量点将量油尺垂直徐徐放入油罐,尺铊接触油面时应缓慢,以免破坏静止的油面。
e.当量油尺铊接近罐底时(约20cm)应放慢速度,不得冲击罐底。
f.手感尺铊触底,就迅速将尺垂直向上提起,避免倾斜摆动,使液面发生波动。
g.卷尺提起后,应迅速观察油面浸湿线高度,读出油面高度;先读小数,后读大数,读数时尺带不应平放或倒放,以防油面变化。
h.测量结果应精确到毫米,每次测量至少两次,两次相差不大于1mm,取小的读数,超过时应重测。
i.每次测量的最后结果应记入测量记量表中。
(2)油罐车液面高度测量(人工测量)a.用于人工计量的停车场地,必须坚实平整,坡不大于0.5度。
b.油面平稳后再进行计量。
c.具体计量程序同储油缺罐液面高度测量。
(3)储油罐罐底水高测量a.水的高度不超过300mm时应使用检水尺;水的高度超过300mm时应使用量油尺。
b.测量时,在量油尺或检水尺上涂抹一层薄的试水膏。
c.从固定测量点将量油尺垂直徐徐放入油罐,尺铊接触油面时应缓慢,以免破坏静止的油面。
d.尺铊或检水尺触底时,应静置3~5s后提尺。
e.卷尺提起后,应迅速读取试水膏变色处的毫米读数;读取时检水尺不应平放或侧置。
f.遇水、油界面不清晰、不平直,应重新按程序测量。
g.水高超出50mm,应及时报告站长,分析原因并进行处理。
h.每次测量的最后结果应记入测量记录表中。
(4)油品温度测量a.温度测量应在油品高度测量之后进行。
b.测量时将温度计装入保温盒。
c.将温度计置于油面高度的1/2处测量油温,浸没时间不少于5min。
d.提取温度计时要迅速,温度计离开油点到读数时的时间不应超过10s;读数时应使温度计垂直,不让盒内液体洒出,视线应垂直于温度计,先读大数。
计量工作业指导书计量工作是指根据法定计量单位和计量法规进行各类物理量的测量、检测和校准工作,以提供准确可靠的计量结果,保障产品质量和贸易公平,促进科学技术进步和社会经济发展的一项重要工作。
计量工作涉及的范围广泛,包括工业生产、科学研究、医疗卫生、环境保护、食品安全等各个领域。
为了保证计量工作的准确性和可靠性,制定一份详细的工作指导书对计量工作进行规范是非常必要的。
一、工作目标和原则1. 目标:准确、可靠、规范地完成计量工作,为各个领域提供准确的计量结果,保障产品质量和贸易公平。
2. 原则:依法进行计量工作,遵守计量法规,保证计量工作的准确性和可靠性;采取合理的计量方法和仪器设备,确保计量结果的准确性;严格遵守计量工作的操作规程,不得随意篡改数据和记录;保障计量仪器设备的有效性和准确性,定期进行校准和维护保养。
二、工作流程和内容1. 计划与准备:确定计量工作的目标和任务,制定详细的工作计划,包括工作内容、工作流程、工作时间和工作人员等。
根据工作计划准备所需的计量仪器设备和标准样品,确保工作的顺利进行。
2. 采样与准备:根据计量要求进行采样,并对样品进行相关处理和准备工作,确保样品的代表性和可测性。
3. 测量与检测:根据计量要求和标准方法,采用合适的仪器设备对样品进行测量和检测工作。
注意操作规程和方法的准确性,确保测量结果的准确性和可靠性。
4. 数据处理和分析:对测量结果进行数据处理和分析,包括数据的整理和记录,计量结果的统计和分析,判断测量结果的准确性和可靠性。
5. 结果报告和评估:根据测量结果,编制详细的测量报告,包括测量方法、测量结果和评估结论等,确保报告的准确、可靠和透明。
对测量结果进行评估和审核,确保结果的科学性和可信度。
三、质量控制和风险管理1. 质量控制:建立完善的质量控制体系,包括设立计量工作的质量目标和指标,制定质量控制的方法和措施,对计量工作进行评估和审核,及时纠正和改进计量工作中存在的问题,确保计量工作的质量和可靠性。
山东电力集团公司变电站(发电厂)智能电能表现场施工工艺标准(作业指导书)山东电力集团公司二〇一二年六月目录1编制目的 (5)2总则 (5)2.1适用范围 (5)2.2依据 (5)3人员组织 (5)4现场核查 (7)4.1核查目的 (7)4.2核查工作流程 (7)4.3核查内容 (7)4.3.1核查现场安全与施工条件 (7)4.3.2核查现场安装地址与待换装设备信息...... 错误!未定义书签。
4.3.3核查智能表与变电站(发电厂)【计量屏(箱)、用电采集设备】的对应关系 .................................. 错误!未定义书签。
4.3.4核查方法 (7)5施工方案 (7)6填写工作单 (8)7施工前交底 (8)8施工前准备...................................... 错误!未定义书签。
9施工沟通 (8)10工程施工 (8)10.1停电、验电、做好安全措施 (8)10.2核对旧表信息,抄录旧表示数。
(8)10.3拆除旧表。
(9)10.4安装新表 (9)10.5恢复送电 (9)山东电力集团公司智能电能表现场安装作业指导书10.6带电检查 (9)10.7表计加封,计量屏(箱)加封锁 (10)10.8计量屏(箱)内表间485连线 (10)10.8.1开计量屏(箱)计量屏(箱拆表盖 (10)10.8.2表间485连线1010.8.3表间连线的固定1010.8.4关闭计量屏(箱)、门 (11)10.9计量屏(箱)间485连线 (11)10.9.1施工准备1110.9.2墙面配管走线1110.9.3计量屏(箱)内外485线连接 (11)10.9.4关闭计量屏(箱)、单元门 (12)10.10上下楼层穿管走线 (12)10.10.1配管布线 (12)10.10.2配管固定 (12)10.10.3计量屏(箱)内外485线连接 (12)10.10.4关闭计量屏(箱)、单元门 (12)10.11钢索配线 (12)10.11.1钢索穿线 (13)10.11.2配管穿线固定 (13)10.11.3计量屏(箱)内外485线连接 (13)10.11.4关闭计量屏(箱)、单元门 (13)10.12地沟配线 (13)10.12.1地沟穿线 (13)10.12.2计量屏(箱)内外485线连接 (14)10.12.3关闭计量屏(箱)、单元门 (14)10.13地面、墙面开挖配管 (14)10.13.1地面、墙面开挖 (14)10.13.2配管穿线固定 (14)10.13.3计量屏(箱)内外485线连接 (14)10.13.4关闭计量屏(箱)、单元门 (14)10.14管道井、桥架走线 (15)10.14.1管道井穿线 (15)10.14.2穿线固定 (15)10.14.3计量屏(箱)内外485线连接 (15)10.14.4关闭计量屏(箱)、配电间、单元门 (15)1编制目的为了规范山东电力集团公司变电站(发电厂)智能电能表现场安装,统一变电站(发电厂)智能电能表安装标准,特制定本标准(作业指导书)。
计量工作业指导书一、引言计量工作是企业管理过程中的重要组成部分,通过对产品和过程的测量和评估,可以提高产品质量、消除缺陷、减少浪费,从而提高企业的竞争力和市场份额。
本指导书旨在为企业的计量工作提供基本指导原则和操作流程。
二、计量工作的原则和目标1. 准确性:计量工作要保证测量结果的准确性,不能产生显著误差。
2. 可追溯性:测量结果应该可以追溯到国际或国家标准,确保测量的可靠性。
3. 及时性:计量工作应该及时进行,及时发现和纠正问题。
4. 经济性:计量工作应该尽量减少成本和资源消耗。
5. 公平性:计量工作应该公平、公正、透明。
三、计量工作的流程与环节计量工作一般包括以下流程和环节:1. 计量需求确认:明确需要进行计量的对象、要求和目的。
2. 计量方案设计:设计合适的计量方案,包括选择适当的测量方法、仪器设备,确定测量频次和样品数量等。
3. 仪器设备采购和管理:根据计量方案的需求选择合适的仪器设备,并进行采购、验收和管理。
4. 样品采集和准备:根据计量方案的要求,进行样品的采集和准备工作。
5. 测量操作:按照计量方案的要求,进行测量操作,注意仪器设备的使用方法和操作规程。
6. 数据处理和分析:对测量结果进行数据处理和分析,得出相应的结论和建议。
7. 结果报告和记录:编写测量结果的报告和记录,包括测量结果、所用方法和设备、操作过程和结果分析等。
8. 计量结果的应用:根据测量结果,进行相应的决策、改进措施和管理控制。
四、计量工作的关键点和注意事项1. 选择合适的测量方法和仪器设备:根据计量目的和需要,选择适合的测量方法和仪器设备,确保测量结果的准确性和可靠性。
2. 定期进行仪器设备的校准和维护:定期对仪器设备进行校准和维护,确保其准确性和可靠性。
3. 样品的代表性和准备:确保采集的样品具有代表性,并按照计量方案的要求进行样品的准备工作。
4. 操作人员的培训和资质认证:对参与计量工作的操作人员进行培训,提高其操作技能和质量意识,并进行相应的资质认证。
电能计量装置现场检验作业指导书国家电网公司生产运营部目录一、总则 ·········································································1. 适应范围······································································2。
电能计量标准操作作业指导书第1章电能计量基础概念 (3)1.1 电能计量原理概述 (3)1.2 电能计量装置及其分类 (3)1.3 电能计量准确度与误差 (4)第2章电能计量装置的选择与配置 (4)2.1 电能计量装置的选择依据 (4)2.2 电能计量装置的配置要求 (5)2.3 电能计量装置的验收与检验 (5)第3章电能计量标准设备 (6)3.1 电能计量标准设备概述 (6)3.1.1 定义与分类 (6)3.1.2 主要功能指标 (6)3.1.3 常用电能计量标准设备 (6)3.2 电能计量标准设备的管理与维护 (6)3.2.1 管理制度 (6)3.2.2 使用与维护 (6)3.2.3 维修与更换 (6)3.3 电能计量标准设备的检定与校准 (6)3.3.1 检定 (6)3.3.2 校准 (7)3.3.3 检定与校准记录 (7)第4章电能计量操作流程 (7)4.1 电能计量操作基本要求 (7)4.1.1 操作人员资质:操作人员应具备相应的职业技能资质,熟悉电能计量设备的工作原理、操作规程及安全知识。
(7)4.1.2 操作环境要求:操作现场应保持干净、整洁,避免强电磁场、高温、高湿等环境对电能计量设备的影响。
(7)4.1.3 设备准备:检查电能计量设备是否完好,确认设备在检定有效期内,设备外观无损坏,功能正常。
(7)4.2 电能表安装与接线 (7)4.2.1 电能表安装: (7)4.2.2 电能表接线: (7)4.3 电能数据读取与处理 (7)4.3.1 读取电能数据: (7)4.3.2 处理电能数据: (8)第5章电能计量装置的运行维护 (8)5.1 电能计量装置的日常检查 (8)5.1.1 检查目的 (8)5.1.2 检查内容 (8)5.1.3 检查周期 (8)5.2 电能计量装置的故障处理 (8)5.2.2 故障处理 (8)5.3 电能计量装置的预防性维护 (9)5.3.1 维护内容 (9)5.3.2 维护周期 (9)5.3.3 注意事项 (9)第6章电能计量数据管理 (9)6.1 电能数据采集与传输 (9)6.1.1 数据采集 (9)6.1.2 数据传输 (9)6.2 电能数据存储与处理 (10)6.2.1 数据存储 (10)6.2.2 数据处理 (10)6.3 电能数据质量管理与评价 (10)6.3.1 数据质量管理 (10)6.3.2 数据评价 (10)第7章电能计量不确定度评定 (10)7.1 电能计量不确定度基本概念 (10)7.1.1 不确定度的定义 (10)7.1.2 电能计量不确定度的组成 (10)7.2 电能计量不确定度评定方法 (11)7.2.1 统计分析法 (11)7.2.2 A类评定方法 (11)7.2.3 B类评定方法 (11)7.3 电能计量不确定度应用实例 (11)7.3.1 随机不确定度评定 (11)7.3.2 系统不确定度评定 (12)7.3.3 非统计性不确定度评定 (12)第8章电能计量装置的校准与检测 (12)8.1 电能计量装置校准概述 (12)8.1.1 校准的目的 (12)8.1.2 校准的基本原则 (12)8.1.3 校准的基本步骤 (12)8.2 电能计量装置检测方法 (12)8.2.1 直接检测法 (13)8.2.2 间接检测法 (13)8.3 电能计量装置校准与检测的实施 (13)8.3.1 校准与检测前的准备工作 (13)8.3.2 校准与检测的实施 (13)8.3.3 校准与检测结果的记录与保存 (13)第9章电能计量技术在现场的应用 (14)9.1 现场电能计量操作流程 (14)9.1.1 操作准备 (14)9.1.2 现场操作 (14)9.2 现场电能计量装置的检查与维护 (14)9.2.1 定期检查 (14)9.2.2 维护与保养 (14)9.3 现场电能计量数据的处理与分析 (15)9.3.1 数据处理 (15)9.3.2 数据分析 (15)第10章电能计量质量保障与监督 (15)10.1 电能计量质量保障措施 (15)10.1.1 建立健全电能计量质量管理体系 (15)10.1.2 强化电能计量设备检定与校准 (15)10.1.3 提高电能计量人员素质 (15)10.1.4 加强电能计量设备维护与管理 (15)10.2 电能计量监督与检查 (15)10.2.1 电能计量现场监督 (15)10.2.2 电能计量数据审核与分析 (16)10.2.3 定期开展电能计量比对活动 (16)10.3 电能计量不良事件的处理与预防策略 (16)10.3.1 不良事件的处理 (16)10.3.2 预防策略 (16)10.3.3 信息反馈与沟通 (16)第1章电能计量基础概念1.1 电能计量原理概述电能计量是指对电路中电能的消耗进行测量和计算的过程。
电能计量及电测仪表作业指导书山西鑫众和电力贸易有限公司110kV变电站-工程名称:宁武东寨张家沟煤业有限公司35kV变电站工程资料名称:电能计量及电测仪表作业指导书批准:审核:编制:单位名称:山西鑫众和电力贸易有限公司项目部名称:山西和祥建通工程项目管理有限公司忻州电网工程项目监理部目录1 范围引用标准2工程概况3主要工程量4职责56 作业程序和方法作业结果的检查和验收7文明施工要求81 范围本作业指导书适用于宁武东寨110kV变电站-张家沟煤业有限公司35kV变电站工程,我公司承担施工范围的电能计量及电测仪表调试。
2引用标准《电能计量及电测仪表装置检验、检定、管理及设施》3 工程概况新建35kV变电站一座,主变容量5000kVA。
4 主要工程量安装35kV户外变电站进出线间隔、PT间隔,主接线部分为单母线,主变容量为5000kVA一台,二次设备屏柜共7面,10kV高压柜15面,10kV电容器成套装置一套以及调试、试验项目。
5 职责施工班长技术员负责本指导书在本施工班组内正确有效地实施。
6 作业程序和方法6.1施工准备6.1.1检验用仪器、仪表准备:6.1.1.1根据被试表的准确级和量程选择符合检验规程要求的标准表及电流、电压、相位调整设备。
6.1.2对试验电源的要求:检验作的电源和检验装置应满足水利电力部《直流仪表检验装置的检定方法》和《交流仪表检验装置的检定方法》的有关规定。
6.2外部检验:检查电能计量及电测仪表的实际构成情况是否与设计相符6.2.1.合。
6.2.2检查屏上的樗应正确完整清晰6.2.3检查所有端子的标号应正确完整,质量应良好,应与图纸和运行规程符合。
并检查电缆终端和沿电敷设路线上的电缆与是否正确完整,质量是否良好,是否与相应的电缆编号相符合。
6.2.4检查屏上的设备及端子排上内部、外部连接线的标志是否齐全与图纸是否相符。
6.3各回路的检验:6.3.1电流、电压互感器及其回路的检验6.3.1.1检查电流、电压互感器的铬牌参数是否完整,出厂合格证用试验资料是否齐全。
计量与标准化作业指导书第1章引言 (3)1.1 范围 (3)1.2 目的 (3)1.3 适用对象 (4)第2章计量基础知识 (4)2.1 计量概念 (4)2.2 计量单位制 (4)2.3 计量器具与设备 (5)第3章标准化基本概念 (5)3.1 标准化定义 (5)3.2 标准化分类 (5)3.3 标准化过程 (6)第4章计量管理体系 (6)4.1 计量管理体系概述 (6)4.1.1 计量管理体系的概念 (6)4.1.2 计量管理体系的目的与作用 (6)4.1.3 计量管理体系的基本要素 (6)4.2 计量管理体系建立 (6)4.2.1 制定计量政策 (6)4.2.2 建立计量组织结构 (7)4.2.3 制定计量程序 (7)4.2.4 配置计量设备 (7)4.2.5 培训与能力提升 (7)4.2.6 计量管理体系文件化 (7)4.3 计量管理体系运行与维护 (7)4.3.1 计量设备管理 (7)4.3.2 计量过程控制 (7)4.3.3 计量结果追溯 (7)4.3.4 内部审核与管理评审 (7)4.3.5 持续改进 (7)4.3.6 外部沟通与交流 (8)第5章计量检测设备管理 (8)5.1 计量检测设备选择 (8)5.1.1 设备选型原则 (8)5.1.2 设备选型流程 (8)5.2 计量检测设备校准 (8)5.2.1 校准目的 (8)5.2.2 校准周期 (8)5.2.3 校准方法 (8)5.2.4 校准实施 (9)5.3 计量检测设备期间核查 (9)5.3.2 核查周期 (9)5.3.3 核查方法 (9)5.3.4 核查实施 (9)第6章计量数据处理 (9)6.1 数据采集与记录 (9)6.1.1 采集方法 (9)6.1.2 采集设备 (9)6.1.3 记录要求 (10)6.2 数据处理与分析 (10)6.2.1 数据整理 (10)6.2.2 数据分析 (10)6.2.3 数据可视化 (10)6.3 数据有效性判断 (10)6.3.1 数据准确性判断 (10)6.3.2 数据一致性判断 (10)6.3.3 数据完整性判断 (10)6.3.4 数据合理性判断 (10)第7章计量不确定度评定 (10)7.1 不确定度基本概念 (10)7.1.1 不确定度的定义 (10)7.1.2 不确定度的分类 (11)7.1.3 不确定度的表示方法 (11)7.2 计量不确定度评定方法 (11)7.2.1 A类评定方法 (11)7.2.2 B类评定方法 (11)7.2.3 合成不确定度 (11)7.3 计量不确定度报告 (12)7.3.1 报告内容 (12)7.3.2 报告格式 (12)7.3.3 报告编制要求 (12)第8章标准化文件编制 (12)8.1 标准化文件概述 (12)8.2 编制程序与要求 (13)8.2.1 编制程序 (13)8.2.2 编制要求 (13)8.3 标准化文件审查与发布 (13)8.3.1 审查 (13)8.3.2 发布 (13)第9章标准化实施与监督 (14)9.1 标准化实施 (14)9.1.1 标准化实施原则 (14)9.1.2 标准化实施流程 (14)9.1.3 标准化实施要点 (14)9.2.1 监督检查机制 (14)9.2.2 监督检查内容 (14)9.2.3 监督检查方法 (14)9.2.4 监督检查结果处理 (14)9.3 标准化改进 (14)9.3.1 改进原则 (14)9.3.2 改进流程 (15)9.3.3 改进措施 (15)9.3.4 改进效果评价 (15)第10章计量与标准化持续改进 (15)10.1 改进策略与目标 (15)10.1.1 确立改进方向:依据现有计量与标准化管理体系,识别存在的问题与不足,明确持续改进的方向。
电子秤检定作业指导书1 目的为了规范钩头秤、抓斗秤、吊钩秤、装载机秤、汽车衡、轨道衡等电子秤检定操作程序,保证检定结果准确可靠,特制定作业指导书。
2适用范围适用于计量检定员对电子秤的首次检定、随后检定。
3技术依据JJG 539- 1997《数字指示秤检定规程》(以下称《规程》)。
4检定环境环境温度:- 10℃~40℃,最大温差≤5℃;电源电压220 V(- 15%~+10%),频率50Hz(±2%);避免振动和风力(≤4级)的干扰;雷雨天应停止检定。
5检定程序5.1 检定前的准备(1)收录其技术参数、信息:最大秤量、最小秤量、准确度等级、检定分度值、厂名,了解有关检定信息(是否首次检定、随后检定)。
(2)组织计量设备①组织计量标准设备: Max≤1t的秤,组织等于Max的M1级砝码;(建议Max<10t全部用砝码检定)Max>1t的秤,一般组织50% Max的M1级砝码。
应能组合成Min、500e(或50e)、2000e(或200e)、50% Max、Max的砝码组合。
组织m≥2e的M1级附加砝码(应有15个0.1e的小砝码)。
确认砝码经检定合格,在有效期内才可使用;②搬运、装卸砝码时应轻拿轻放,保护砝码不受损坏和注意搬运人员安全;装载设备吊装大砝码时,检定人员应将安全注意事项与装载人员进行勾通,并遵守有关安全规则,确保砝码不受损坏和人身安全,防止意外事件发生。
③一定数量的替代物(固定的块状物体);④合格的计量检定人员、辅助人员及装载工具。
5.2 首次检定外观检查:(1)检定前要检查制造许可证标志和编号、强制必备标志等内容,把有关的信息、参数及环境温度填写在原始记录中;(2)目测检查秤台板和限位装置的间隙是否符合要求、机械构件安装是否合理、电气线路安装是否安全可靠;(3)新安装的电子秤,应了解原有基础工程有关情况,如完工日期、通载情况等;例如汽车衡、轨道衡还应目测检查秤台通风、排水、两侧引道长度和坡度、轨道水平及弯曲度、附近有无强震源、磅房的窗户对司秤员的视觉影响等。
一、工作职责岗位名称:计量员所属部门:质量技术部直接上级:质量技术部经理/副经理工作职责:1. 在部门经理的直接领导下,负责各车间、部门的计量保证工作。
包括车间生产用设备,计量器具、实验室用仪器仪表等,并做好校准情况记录。
2. 做好计量记录台帐、标准的整理及质量记录的保管工作。
3. 做好计量标准文件的保管,现场设备的及时计量校准工作,并做好记录。
4.编写年度周检计划、内校计划、外校计划等,根据校准计划实施校准工作。
5.负责证书及记录的保存及归档,负责在第三方机构或内部验厂时出具设备校准证明。
6. 负责定期的设备校准工作,并及时组织调动相关部门在不影响正常生产的情况下进行计量准备工作。
7. 做好设备定期校准计划、以及内校(三个月)可根据各部门车间实际使用情况及计量器具周检合格率(大于等于90%)适当调整周期、外校(半年、一年)台账,能够保证在校准合格周期内实施计量校准工作。
8.负责公司计量精细化的改制工作,学习外界精细化校准方案。
为公司节省校准费用。
9. 完成领导交给的其他任务。
二、工作任务1 概况依照《中华人民共和国计量实施细则》,参考有关工作计量器具检定规程,结合我公司工作计量器具的使用情况,实施计量校准工作。
2 文件编写撰写计量器具检定(校准)作业指导书。
监视测量设备管理规定监视测量设备校对规程注:本作业指导书适用于公司内工作计量器具非强制性检定(校准)的操作过程。
3 器具使用对标准计量器具(企业标准计量器具)实施依据性的使用。
(1).建立标准计量器具档案、台账、计量计划表。
(2).标准计量器具以及其标准可溯源至国家标准计量器具。
(3).标准计量器具集中存放于科技部计量检定室(一般只在检定室内使用)。
4 计量过程细则(1)规范建立公司工作计量台账、档案。
(2)依据检定(校准)周期,向各部门、车间单位按时下达检定(校准)计划,相关单位负责把被检器具送至检定室,由计量检定人员按编排计划及时完成周期检定(校准)任务。
(3)按周期检定要求应做检定的工作计量器具,因正常生产等客观原因不能拆卸的,应根据情况及时进行现场检定。
5 注意事项(1).工作计量器具检定(校准),必须由合格检定员实施。
(2).工作计量器具检定(校准)方法,应首选本公司制定的《计量器具检定校准方法》。
(3).检定(校准)过程中必须使用法定计量单位,检定(校准)记录应字体公正、清晰、准确,书写规范。
(4).被检工作计量器具进入检定场所(检定室),在新的环境中应停放30分钟后才能进行操作。
(5).确认被检工作计量器具的名称、规格,熟知其工作性能和相关技术要求。
(6).按照公司《计量器具检定校准方法》,参考对应的产品使用说明书接线,检查无误后方能送电,预热15分钟后再进行下一步操作。
(7).检定(校准)项目应根据公司所编《计量器具检定校准方法》逐一进行。
(8).检定(校准)结果处理:填写校验记录、校准结果、或以文件的形式通知各部门、车间,并对检定校准合格的器具粘贴合格证。
(9).校准结束后,要把标准器具放置回原处,并认真填写校准计记录表,做好校准收尾工作。
三、监视测量设备校对规程1 游标卡尺校对规程用干净软纸或毛巾把待检游标卡尺擦拭干净;检查卡尺外观和各零部件配合是否灵活;不灵活的采取相应措施,使其灵活;调整后仍不符合要求的应立即停用,进行降级或报废处理;检查卡尺零位是否对齐;零位不对齐的,调整刻度标尺使其对齐;调整后仍不符合要求的应立即停用,进行降级或报废处理;取出标准量块,放在校准平台上;从小规格到大规格,依次取出标准量块,并分别用待检卡尺依次对量块进行测量比对;测量误差要求:最大公差:±0.2mm;不符合公差要求的游标卡尺应调整其刻度标尺,调整后仍不符合要求的应立即停用,进行降级或报废处理;环境要求:温度:常温湿度:小于85%2 电子台秤校准规程目的:确保电子台秤测量结果准确、可靠;适用范围:XK3100-B2+系列电子台秤;校准步骤:打开上盖,在JP1处插好短路环;开机自检;自检结束后显示"d=xx",开始标定;测量误差要求:最大公差:2‰按“↑”可修改分度值,不需修改的直接按“确认”键,并自动进入小数点设定;按“↑”可修改小数点位数,不需修改的直接按“确认”键,自动进入零位范围的设置;按“↑”可修改零位跟踪范围,不需修改的直接按“确认”键自动进入满量程设置;按“↑”可修改数值,不需修改的直接按“确认”键进入重量标定,显示“load”;加载砝码;显示“load”时,在秤台上放好砝码,按“↑”和“确认”键输入砝码的重量值,如果当前是最后一位数值,按“确认”键时去皮标志亮将直接结束标定,去皮标志不亮结束数值输入;去皮标志亮后按“确认”键结束标定。
(1)拔下短路环,盖好上盖。
(2)重新开机使用。
3 电子天平校对规程目的:确保公司所有电子天平的称量结果准确可靠;范围:公司所有电子天平内容:1、校对周期:三个月/台次2、校对依据:标准砝码测量误差要求:最大公差:2‰3、操作步骤:a)将电子天平平稳放置在稳定的平台之上,调节水平;b)开机并按住“校准”键,待天平出现校准信息后,加载标准砝码,约半分钟后,校准自动完成;c)BS系列天平,开机并双手按住“标定和设定”键,待天平指示出现“FFFFFF”后,连续按三次“确认”键,直到显示出现加载砝码信息,然后加载相应的标准砝码,其显示值会自动更新,操作者应及时更新加载砝码,直到天平的最大量程,然后按“确认”键,校准完成;d)开机重新启动进行正常称量;e)高精度天平应在每次使用前进行开机预热,然后进行校正,才可使用。
4 少子寿命测试仪对比规定目的:取得作为测试结果可靠性评价的参考依据适用范围:公司所有在用少子寿命测试仪对比要求:对每台少子寿命测试仪要用标准参照硅块或硅片进行定期对比,要求每天至少一次;对比结果无较大差异可视为正常;对比结果如在寿命分布趋势上有较大差异或测量值偏差大于2μs可视为异常结果,应立刻上报交由技术人员分析原因,如果分析确定不是设备原因方可继续使用;5 红外扫描测试仪自检规程目的:为硅块杂质分析的准确性提供参考适用范围:公司所有红外扫描测试仪方法:选取参考样块,定期对比;内容:由质量技术部选取含有杂质的参考样块,做好标记,并留存其标准图谱;每周对其进行红外扫描,观察扫描结果,判断其杂质分布是否发生改变;如果没有变化,则该仪器可继续使用;如果发生改变,则说明该红外扫描测试仪需要调整;通过调整焦距和仪器最终使该样块的杂质分布和标准图谱一致视为自检合格;否则需要继续停止使用进行调整或维修,待正常以后方可继续使用。
每次对比结束应做好相关纪录.6 四探针电阻率测试仪自检规程目的:使四探针电阻率测试仪的测试结果稳定可靠适用范围:公司所有四探针电阻率测试仪内容:1、每台四探针测试仪应至少每三个月用经计量院校准合格的标准硅块进行一次校准测试仪;2、校准方法:用四探针电阻率测试仪对标准规块的中心点进行10次正向测量,取平均值与标准硅块标称值进行对比,偏差在3%以内为合格,偏差超出3%则该仪器需要送厂家进行维修,维修合格方可继续使用。
7 导电型号测试仪自检规程目的:判断该仪器测试结果的准确性适用范围:适用于所有导电类型测试仪自检依据:经鉴定合格的标准样块(N型)内容:1、打开测试仪预热10分钟;2、用该测试仪对标准样块进行测试;3、判断测试结果是否与该标准样块的导电类型一致;4、如果测试结果一致,判定该仪器合格;若测试结果不一致,应立即停止使用,检查相关线路及该仪器其它部件性能是否可靠,进行维修,直到测试结果与标准样块标称一致才可判定合格,继续使用。
8 万用表自检规程目的:保证万用表在使用过程中的可靠性适用范围:用于挑选硅料的万用表内容:1、每次使用万用表之前,首先检查万用表的电量是否充足,如电量不足,应立即更换电池;2、检查万用表二极管档位的报警功能是否正常;使正负两只表笔短接,如果出现报警声则为正常;反之则为异常,应对万用表进行更换;3、每月应用标准硅块和标准电阻对万用表测试结果进行比对;测试结果与平均值偏差较大的应停止使用。
4、测量误差要求:最大公差:2‰9 张力计自检规程目的:保证张力计的测量示值准确;范围:仅适用于TETKO丝网张力计;内容:1、TETKO丝网张力计出厂前已经校正零位,操作人员不得再自行调整;2、在使用张力计之前,应把张力计放置平在玻璃上,观察指针是否在零位上,如果在零位上,则可继续使用;反之需要返厂维修。
10 测厚仪自检规程TT230测厚仪在每次开机使用前均应先进行自校准方可使用;开机先检查电量是否充足;电量充足才可继续使用,电量不足以引起测量结果不准确;校准步骤:1、零点校准在基体上进行一次测量,仪器显示〈x。
xum〉。
按一下“ON/C”屏显〈0.00um〉即完成零点校准。
要准确地校准零点,需重复上述a,b以获得基体测量值小于1um,这样有利于提高测量精度。
零点校准完成以后即可进行测量。
2、二点校准:a.先校零点,在厚度大致等于预计的待测覆盖层厚度的标准片上进行一次测量,屏幕显示〈xxxum〉。
b.用▲或▼键修正读数,使其达到标准片上的标称值。
校准完成,可以测量了基体最小面积的直径大于5mm,基体临界厚度大于0.3mm。
应使用与试件基体金属具有相同性质的标准片对仪器进行校准。
11 方块电阻测试仪自检规程目的:保证方块电阻测量准确性适用范围:M280方块电阻测试仪内容:1、自检周期:三个月2、自检依据:设备自带标准片和标准电阻3、判定:如果测量结果与标称值偏差在3%以内,视为合格;如果超出3%,则该仪器应立即停止使用,返厂维修,修复以后再经过测试合格,方可使用。
12 反射仪自检规程开机以后应先观察氙灯是否点亮,氙灯点亮以后才可以进行下一步的自检功能;开机预热30分钟;把载物台移动到留有孔洞的位置,使积分球开口正对孔洞,点击测试界面"Back ground"按键进行背景光测量;把标准片打开放入载物台的孔洞上,移动载物台使积分球开口正对标准片中心,点击“Reference”按键进行标准片校准测量;13 拉力计对比自检规程目的:确保现场所用拉力计合格有效范围:公司各部门所用的拉力计自检依据:经检定合格的拉力计对比环境:温度:25±5℃湿度:60±20% RH无震动和噪声干扰对比方法:选择恒温恒湿的环境,并且无震动和噪声干扰,使用恒定质量的参考物质作为拉力标的;用被检拉力计和合格拉力计分别吊起参考物质,并保持一分钟稳定,查看示值并做好记录;合格要求:±0.5N对比周期:三个月14 红外测温仪比对规程目的:确保公司所用红外测温仪量值统一,测量值准确可靠;范围:适用于公司所有红外测温仪器;比对依据:经权威机构检定合格的红外测温仪参考物质:在较长时间内能够保持恒温状态的表面平整的物质;比对环境:温度波动小于±1℃;比对方法:使用被检红外测温仪器和经检定合格的测温仪同时测量参考物质表面温度并保持一分钟,查看两台仪器的示值并记录;合格要求:温度误差≤±2℃比对周期:三个月15 模拟器均匀性校对规程目的:确保公司所用太阳能模拟器均匀性保持在≤2%(A级)。