北京市交通运输企业安全生产标准化考评员业绩认定表
- 格式:doc
- 大小:37.00 KB
- 文档页数:2
道路交通普通货运企业安全生产达标考评表考评考评要点分值评分标准考评得内容评价分1. 未组织制定符合国家相关法律法规要求、并结合企业实际的安全生产方针、①制定企业安全生产目标和安全控制指标的,每缺少1项扣5分;方针、目标和不低于上52.安全生产方针、目标、控制指标未满足级下达的安全控制指★★★标准要求的, 1项不符合的扣 1 分;标;3.未文件化的,扣 2 分;从业人员不了1. 安解的,每人次扣1分;全工 4.未对指标进行量化的,扣 2分。
作方针与1 .未制订安全工作方针与目标保障措施目标的,扣 5 分;2 .保障措施不符合本企业实际和法律法②制定实现安全工作5规等要求的,每缺少1项扣1分;方针与目标的措施。
3 .保障措施不具体、责任不明确的,扣3 分;一、 4.从业人员不了解保障措施的,每人次扣安全 1 分;不落实的,每人次扣 2 分。
目标351 .未制定中长期规划或跨年度专项工作分方案的,扣 5 分;2 .规划或方案内容不符合要求的,扣22. 中①制订和实施企业安分;规划或方案操作性不强的,扣2分;5 3.部门或岗位人员不了解的,每人次扣 1长期全生产中长期规划和★★分;规划跨年度专项工作方案。
4.规划或方案未印发到基层部门的,扣 2分;5. 未实施安全生产标准化建设等跨年度工作方案的,扣3分。
1.未制定年度计划或年度专项活动方案①根据中长期规划,制的,扣 5 分;3 .2 .年度计划或活动方案不具体的,扣2定年度计划和年度专年度53 分;项活动方案,并严格执分;未严格执行的,扣计划3.未层层分解落实到相关部门和岗位的,行。
扣2分。
考评 考评要点分值评分标准考评 得内容评价分1. 未制订安全生产管理指标或阶段性安全生产控制指标的,扣 5 分;不符合要求的,扣 2 分;①将安全生产管理指2. 未细化和分解安全生产管理指标的,扣标进行细化和分解, 制 53 分;定阶段性的安全生产 3. 未制定和分解阶段性安全生产控制指控制指标;标的,扣 2 分;4. 未对各单位、 各部门和个人安全生产目 标进度的完成情况,进行月度或季度跟踪控制的,每缺少 1 项扣 2分。
北京市交通运输企业安全生产标准化达标考评自评报告企业名称:申请类别:申请等级:申请时间:填写说明1、本报告模板适用于北京市交通运输企业按《北京市交通运输企业安全生产标准化考评管理办法》的要求向北京市交通委员会安全督查事务中心递交的自评报告。
2、本报告对交通运输企业安全生产标准化自评报告的基本格式及内容提出了具体要求,*为选择填写项目。
3、该报告要求语言精练,数据真实、可靠。
4、所有相关注册信息(如:企业名称、法人代表人、注册地址、经营地址经营类别、注册资金等)按主管机关核发的资质证书内容填写。
5、正文部分括号内文字为该项填写要求的指导,但不限于此要求。
6、范文内容仅供参考,提供了编制报告的基本思路,其中和企业相关的具体的或量化的内容应根据企业特点及实际情况进行调整。
自评人员情况表自评组姓名职务签字组长成员*外聘专家目录XXX 第一章企业简介....... ......................................................第二章企业组织机构及职责 (XXX)第三章企业安全生产标准化创建概述 (XXX)第四章企业安全生产标准化自评综述 (XXX)第五章存在问题和整改措施 (XXX)XXX第六章自评结论………………………………………………XXX 附:自评表………………………………………………………第一章企业简介一、企业基本情况(描述企业地址、法人、注册资金、成立日期、经济类型、经营类别等内容;描述企业规模、生产能力、经营范围等内容,如:服务对象、区域范围;其他需要描述的内容,如:获得的荣誉,企业的行业地位等。
)二、企业安全生产现状介绍企业安全生产总体状况。
三、主要车辆、设备设施、安全设备及机具简介,包括型号、数量、安全性能及状况等,列表说明。
四、公司安全生产规章制度,以清单的形式体现。
*五、企业现有体系情况第二章组织机构及职责描述企业组织机构及职责权限分配情况等信息。
北京市道路货物运输场站安全生产标准化达标考评指标实施细则(试行)“★”为一级达标企业必备条件,“★★”为二级达标企业必备条件,“★★★”为三级达标企业必备条件。
本标准共计1000分。
评为一级达标企业的考评分数不低于900分且完全满足所有达标企业必备条件,评为二级达标企业的考评分数不低于700分且完全满足二、三级达标企业必备条件,评为三级达标企业的考评分数不低于600分且完全满足三级达标企业必备条件。
二、考评方式考评组实施考评可采取提问、交谈、查阅文件和记录、现场检查与抽查等方式。
若有必要,可以进行现场检测与测量。
抽样数量根据企业规模大小决定,最低抽样数为3个,最大抽样数为被考评样本具有同类样本的基数开方。
三、扣分原则1.各项扣分均以本项分值为扣分上限。
不同考评员在几个部门考评,同一考评扣分项扣分不迭加,在考评组内部沟通时,以本项考评指标分值为上限扣分。
2.法律法规要求的、国家强制性规定的,发现不符合一次扣全分。
3.标为“★★★”的项目,发现不符合,申报一、二、三级达标的企业考评不达标;对存在的问题必须在一个月内整改完毕并申请考评组验证合格,视同达标。
标为“★★”的项目,发现不符合,申报一级、二级达标的企业考评不达标;对存在的问题必须在一个月内整改完毕并申请考评组验证合格,视同达标。
申报三级达标的企业,酌情扣分。
标为“★”的项目,发现不符合,申报一级达标的企业考评不达标;对存在的问题必须在一个月内整改完毕并申请考评组验证合格,视同达标。
申报二级、三级达标的企业,视情况酌情扣分。
道路货物运输场站安全生产标准化达标考评指标实施细则考评组长(签名):考评员(签名):年月日自评通过与上述标准化各项条款进行比照自评,总体得分是772分。
本单位基本符合申报三级企业。
但同时我们也发现还存在着不少问题。
主要扣分是账册记录存在缺项。
我们将及时弥补、迅速整改。
在本月底前完善各项扣分项目。
完成整改工作。
早日成为达标运输企业。
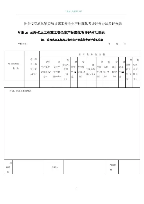
附件2.交通运输类项目施工安全生产标准化考评评分办法及评分表
附录A 公路水运工程施工安全生产标准化考评评分汇总表
表A 公路水运工程施工安全生产标准化考评评分汇总表
单位名称:年月日
附录B公路水运工程施工安全生产标准化考评实施细则
表B.1 安全生产条件评分表(50分)
表B.2 安全生产管理制度(100分)
表B.3安全技术管理(100分)
表B.4 档案管理(20分)
表B.5 安全专项活动(30分)
表B.6 施工现场布设(100分)
表B.7 安全防护(100分)
表B.8 施工作业(100分)
表B.9 桥梁工程(100分)
表B.10 隧道工程(200分)
表B.11路基工程(50分)
表B.12路面工程(50分)
表B.13 施工用电检查评分表(100分)。
北京市道路运输企业主要负责人和安全生产管理人员安全考核成绩1. 考核目的北京市道路运输企业主要负责人和安全生产管理人员的安全考核是为了评估他们在道路运输行业中的工作表现和安全管理能力。
通过对他们的考核,可以及时发现问题、解决问题,提高道路运输行业的安全水平,保障广大市民的出行安全。
2. 考核内容2.1 主要负责人考核内容主要负责人是道路运输企业的决策者和领导者,其工作表现直接影响到企业的发展和运营情况。
因此,在主要负责人的考核中,需要重点关注以下几个方面:•领导能力:主要负责人是否具备良好的领导能力,能否有效地组织、指导和激励团队成员,推动企业健康发展。
•经营管理:主要负责人是否具备良好的经营管理能力,能否合理规划、组织和控制企业运营活动,提高经济效益。
•安全意识:主要负责人是否重视安全生产,是否具备较强的安全意识和风险防范能力,能否有效地推动企业安全管理工作。
•法律遵守:主要负责人是否遵守相关法律法规,是否具备合规经营的意识和能力,能否保证企业合法经营。
2.2 安全生产管理人员考核内容安全生产管理人员是道路运输企业中负责安全管理工作的重要岗位,他们的工作直接关系到道路运输行业的安全水平。
因此,在安全生产管理人员的考核中,需要重点关注以下几个方面:•安全管理制度:安全生产管理人员是否熟悉并有效执行企业的安全管理制度,能否及时修订和完善相关制度。
•安全培训与教育:安全生产管理人员是否组织开展安全培训与教育活动,是否提供必要的培训资源和设施。
•安全检查与监督:安全生产管理人员是否定期进行安全检查与监督,及时发现隐患并采取相应措施进行整改。
•应急响应能力:安全生产管理人员是否具备较强的应急响应能力,能否在突发事件发生时迅速反应并采取有效措施进行处置。
3. 考核方法3.1 主要负责人考核方法主要负责人的考核可以采用多种方法,包括但不限于:•面谈:通过与主要负责人进行面对面的交流,了解其对企业发展、安全管理等方面的认识和思考。
北京市道路危险货物运输企业安全生产标准化达标考评指标实施细则(试行)“★”为一级达标企业必备条件,“★★”为二级达标企业必备条件,“★★★”为三级达标企业必备条件。
本标准共计1000分。
评为一级达标企业的考评分数不低于900分且完全满足所有达标企业必备条件,评为二级达标企业的考评分数不低于700分且完全满足二、三级达标企业必备条件,评为三级达标企业的考评分数不低于600分且完全满足三级达标企业必备条件。
二、考评方式考评组实施考评可采取提问、交谈、查阅文件和记录、现场检查与抽查等方式。
若有必要,可以进行现场检测与测量。
抽样数量根据企业规模大小决定,最低抽样数为3个,最大抽样数为被考评样本具有同类样本的基数开方。
三、扣分原则1.各项扣分均以本项分值为扣分上限。
不同考评员在几个部门考评,同一考评扣分项扣分不迭加,在考评组内部沟通时,以本项考评指标分值为上限扣分。
2.法律法规要求的、国家强制性规定的,发现不符合一次扣全分。
3.标为“★★★”的项目,发现不符合,申报一、二、三级达标的企业考评不达标,对存在的问题在一个月内整改完毕并申请考评组验证合格,可视同达标。
标为“★★”的项目,发现不符合,申报一级、二级达标的企业考评不达标,对存在的问题在一个月内整改完毕并申请考评组验证合格,可视同达标;申报三级达标的企业,酌情扣分。
标为“★”的项目,发现不符合,申报一级达标的企业考评不达标,对存在的问题在一个月内整改完毕并申请考评组验证合格,可视同达标;申报二级、三级达标的企业,视情况酌情扣分。
道路危险货物运输企业安全生产标准化达标考评指标考评组长(签名):考评员(签名):年月日说明:DB11/415-2007 《道路危险货物运输安全技术要求》对安全评价要求:(1)从事道路危险货物运输的企业或单位应进行安全评价。
(2)运输剧毒化学品、爆炸品的企业或单位,应对其运输车辆、经营场地、自备停车场、设备设施等至少每年进行一次安全评价。
附件3:交通运输企业安全生产标准化评价样表评价工作表格目录表01企业评价申请表企业达标等级证书申请表申请日期:年月日02:企业申请材料登记表交通运输企业安全生产标准化建设评价申请材料登记表注:选择、满足使用□√表示,不适用、不选择使用□×表示。
表03:申请材料评审表湖北省交通运输企业安全生产标准化注:选择、满足使用□√表示,不适用、不选择使用□×表示。
表04:评价组长任命书安全生产标准化评价组长任命书任务号:AP-HBJT-01-2018-001 根据本机构与贵单位充分沟通协商后,拟定于______年___月___日至_____年___月___日对申请评价单位____________进行安全生产标准化现场评价。
本次评价形式:初次评价换证评价本次评价类别:______________专业:______________本次评价级别:一级二级三级接受评价企业的基本信息:企业地址:联系人:联系人职务:企业电话:传真:邮编:备注:策划人员:批准:(机构负责人签字)日期:日期:注:选择、满足使用□√表示,不适用、不选择使用□×表示。
表05:评价计划安全生产标准化评价计划通知书单位:任务号:AP-HBJT-01-2018-0011、由(申请单位的全称)的主动申请,经前期沟通协商,本机构将于年月日至年月日对贵单位进行安全生产标准化现场评价。
2、此次评价由先生(或女士)为本次评价组组长,评价组由人组成。
3、评价依据:国务院关于进一步加强企业安全生产工作的通知(国发〔2010〕23号)国务院安委会关于深入开展企业安全生产标准化建设的指导意见(安委〔2011〕4号)省人民政府办公厅关于深化企业安全生产标准化建设的指导意见(鄂政办发〔2013〕3号)交通运输部关于印发交通运输企业安全生产标准化建设评价管理办法的通知(交安监发〔2016〕133号)4、评价形式:初次评价换证评价评价类别与专业:级别:一级、二级、三级5、评价组成员:6、评价时间安排:详见《评价日程安排》7、其它:此次评价需请贵方为每个评价小组指定一名熟悉情况的人员,在评价期间陪同评价组成员,起到向导、联络、见证人的作用。
道路旅客运输企业安全生产标准化达标考评表
企业名称:申报等级:
考评员(签名):考评时间:年月日
注:1.“★”为一级必备条件;“★★”为二级必备条件;“★★★”为三级必备条件。
必备条件为考评指标中申请相应达标级别的企业必须完全满足的指标项。
2.评为一级达标企业的考评分数不低于900分(满分1000分,下同)且满足所有必备条件,评为二级达标企业的考评分数不低于700分且满足二、三级必备条件,评为三级达标企业的考评分数不低于600分且满足三级必备条件。
3、考核要严格对照标准,该扣分的要严格扣分,并提出整改要求,以利企业及时整改,并为以后抓提升晋级时改进。
相应等级中带“★”、“★★”、“★★★”的项目未落实,应责成限期整改;限期整改不到位的属于不达标,不予发证,直至停业整顿。
未扣分的项目可视为得分。
扣分以该项总分为限,扣完为止。
对可量化的指标在抽查和项目考核中均不合格的,应严格按规定全面扣分。
4、考评表中的“查文件”为企业正式颁发的文件。
附件 交通运输类项目施工安全生产标准化考评评分办法及评分表
附录✌ 公路水运工程施工安全生产标准化考评评分汇总表
表A 公路水运工程施工安全生产标准化考评评分汇总表
单位名称:年月日
附录 公路水运工程施工安全生产标准化考评实施细则
表 安全生产条件评分表( 分)
表 安全生产管理制度☎分✆
表 安全技术管理( 分)
表 档案管理( 分)
表 安全专项活动( 分)
表 施工现场布设( 分)
表 安全防护( 分)
表 施工作业( 分)
表 桥梁工程☎分✆
表 隧道工程( 分)
表 路基工程( 分)
表 路面工程( 分)。