工装常用标准件手册
- 格式:doc
- 大小:1.57 MB
- 文档页数:42
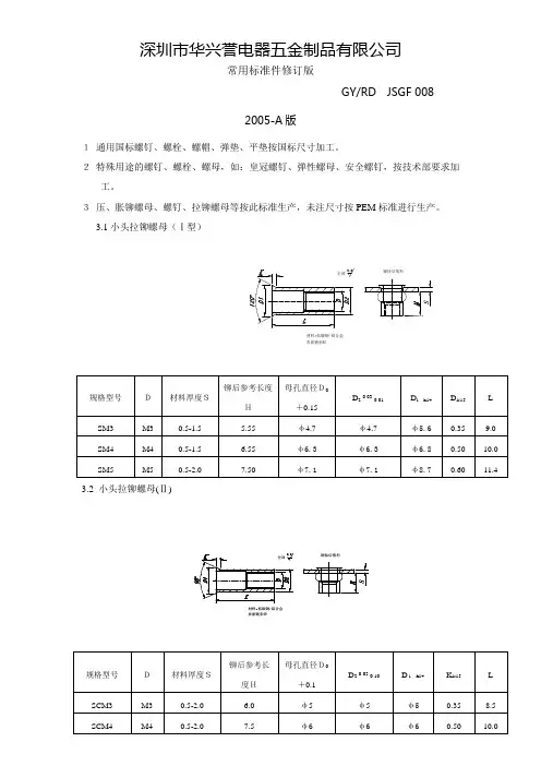
深圳市华兴誉电器五金制品有限公司常用标准件修订版GY/RD JSGF 008 2005-A版1通用国标螺钉、螺栓、螺帽、弹垫、平垫按国标尺寸加工。
2特殊用途的螺钉、螺栓、螺母,如:皇冠螺钉、弹性螺母、安全螺钉,按技术部要求加工。
3压、胀铆螺母、螺钉、拉铆螺母等按此标准生产,未注尺寸按PEM标准进行生产。
3.1小头拉铆螺母(Ⅰ型)3.2 小头拉铆螺母(Ⅱ)3.3沉头拉铆螺母3.4六角平头拉铆螺母3.6压铆螺母柱(SO)压铆螺母(通孔和盲孔)补充说明:外协加工厂家请注意加工时按我司的订单要求生产,若我司订单中未注明要求的尺寸按此列表中加工,注明特殊要求的按非标准加工。
盲孔压铆螺母C部要求说明:L长度为6~7mm的C部长度为4.5mm以上,L长度8~10mm 的C部长度为6.5mm以上,L长度为11~14mm的C部长度为8.0mm以上,L长度为14mm的C部长度为10.0mm以上,请各供应商按此要求加工。
3.8六角头压铆螺钉(NFH型)3.9压铆式六角头铆装螺母(螺柱)3.9.1厚六角头通孔(NY102) (适用板厚2)3. 10方螺母(NY300)1)、普通型(A型)2)、槽型带橡胶圈(B3)、与弹簧夹组合活动型4)、C-1型(安装孔8.5×8.5)5)、C-2型(安装孔9.6×9.6)3.11、压铆式铆装螺钉1)、圆头(NY4.1)3.12、压铆式松不脱螺钉(NY450) 公制3.132)、螺母螺柱(NY601)(铜)编制:深圳市华兴誉电器五金制品有限公司编制日期:一九九九年三月十三日实施日期:一九九九年三月十三日修订日期:二零零五年九月二十日本标准解释权归华兴誉公司技术部。
带肩六角螺母 JB/T 8004.1-1999标记示例:d =M 16的带肩六角螺母: 螺母 M 16 JB/T 8004.1 d =M 16×1.5的带肩六角螺母:螺母 M 16×1.5 JB/T 8004.1-1999单位为毫米1 材 料:45钢,按GB/T 699的规定。
2 热 处 理:35~40 HRC 。
3 技术条件:按JB/T 8044的规定。
其余12.5标记示例:d=M12的连接螺母螺母M12 JB/T 8004.3-19992 热处理:35~40HRC。
3 其他技术条件:按JB/T 8044的规定。
调节—1999标记示例:d=M16的调节螺母螺母M16 JB/T 8004.4-19992 热处理:35~40HRC。
3 其他技术条件:按JB/T 8044的规定。
标记示例:d =M5的A 型带孔滚花螺母螺母 AM5 JB/T 8004.5-1999单位为毫米 1 材 料:45钢,按GB699的规定。
2 热 处 理:A 型35~40HRC 。
3 其他技术条件:按JB/T 8044的规定。
A 型B 型内六角螺母JB/T 8004.7—1999螺母AM12 JB/T 8004.7-1999单位为毫米2 热处理:35~40HRC。
3 其他技术条件:按JB/T 8044的规定。
手柄 螺 母 JB/T 8004.8-1999标记示例:d =M 10、H =45 mm 的A 型手柄螺母:手柄螺母 AM 16×45 JB/T 8004.8-1999回转手柄螺母 JB/T 8004.9-1999标记示例:d =M 手柄螺母 M 10 JB/T 8004.9-1999A型B型压入式螺纹衬套 JB/T 8005.1-1999标记示例:d =M 16、H =32 mm 的压入式螺纹衬套: 衬套 M 16×32 JB/T 8005.1-1999d =Tr 16×4左、H =32 mm 的压入式螺纹衬套:衬套 Tr 16×4左×32 JB/T 8005.1-1999单位为毫米1 材 料:45钢,按GB/T 699的规定。
快卸止动销HB1-704-83*长度L由设计确定,方法按L=L1+L2+B(B为夹层厚度),尾数取0、2、4、6、8。
技术条件HB1-708-83。
110扩口式直通管接头HB4-4-2002材料、热处理、表面处理及公称尺寸为10mm时的标记示例见表1。
表1111表1 单位为毫米112扩口式A型直通管接头HB4-5-2002材料、热处理、表面处理及公称尺寸为10mm时的标记示例见表1。
113表2单位为毫米114表2(续)单位为毫米115116扩口式B 型弯管接头 HB 4-10-2002表1 单位为毫米117表1(续)材料、热处理、表面处理及公称尺寸为10mm时的标记示例见表2。
118119扩口式C 型弯管接头 HB4-11-2002表1 单位为毫米120表1(续)单位为毫米材料、热处理、表面处理及公称尺寸为10mm时的标记示例见表2表2121122扩口式直角管接头 HB4-13-2002材料、热处理、表面处理及公称尺寸为10mm 时的标记示例见表1。
表1表2 单位为毫米123124扩口式B 型直角管接头HB 4-14-2002材料、热处理、表面处理及么称尺寸为10mm 时的标记示例见表1。
表1表2 单位为毫米125表2 (续)单位为毫米126127扩口式A 型直角管接头 HB 4-15-2002图1 第1尺寸系列结构图128注:未注尺寸按图1。
图2 第2尺寸系列结构单位为毫米129单位为毫米材料、热处理、表面处理及公称尺寸为10mm时的标记示例见表2。
表2130131扩口式三通管接头 HB4-17-2002材料、热处理、表面处理及公称尺寸为10mm 时的标记示例见表1。
表2 单位为毫米132133扩口式D 型三通管接头 HB4-18-2002D N >D N1时,接头的构型可从下述两种方案中任选材料、热处理、表面处理及公称尺寸为D N (d 0)=6mm 和D N1(d 01)=10mm 时的标记示例见表1表2 第1尺寸系列参数表单位为毫米单位为毫米134135136137138扩口式E 型三通管接头 HB 4-19-2002表1 单位为毫米材料、热处理、表面处理及公称尺寸为10mm时的标记示例见表2。
常用标准件修订版1 通用国标螺钉、螺栓、螺帽、弹垫、平垫按国标尺寸加工。
2 特殊用途的螺钉、螺栓、螺母,如:皇冠螺钉、弹性螺母、安全螺钉,按技术部要求加工。
3 压、胀铆螺母、螺钉、拉铆螺母等按此标准生产,未注尺寸按PEM 标准进行生产。
3.1小头拉铆螺母(Ⅰ型)3.2 小头拉铆螺母(Ⅱ)3.3沉头拉铆螺母3.4六角平头拉铆螺母 3.5平头拉铆螺母3.6 六角拉铆螺母(AEHS )六角拉铆螺母3.7通孔压铆螺母柱(SO)4.25.35.06.07.08.0备注:此标准适用于艾默生及其它公司标准,当华为技术产品图纸中标注3.5M3-XX压铆螺母柱时,所有尺寸与该标准中SO-M3-XX完全相同,当华为技术产品图纸中标注M3-XX压铆螺母柱时,则图示中D值尺寸为4.2mm,F值尺寸为4.8mm,其它尺寸不变。
3.8盲孔压铆螺母柱(BSO)4.24.25.36.07.08.0求的尺寸按此列表中加工,注明特殊要求的按非标准加工。
盲孔压铆螺母C部要求说明:L长度为6~7mm的C部长度为4.5mm以上,L长度8~10mm的C部长度为6.5mm以上,L长度为11~14mm的C部长度为8.0mm以上,L长度为14mm的C部长度为10.0mm以上,请各供应商按此要求加工。
备注:此标准适用于艾默生及其它公司标准,当华为技术产品图纸中标注3.5M3-XX压铆螺母柱时,所有尺寸与该标准中SO-M3-XX完全相同,当华为技术产品图纸中标注M3-XX压铆螺母柱时,则图示中D值尺寸为4.2mm,F值尺寸为4.8mm,其它尺寸不变。
3.9六角头压铆螺钉(NFH型)4.84.86.07.0说明:当C值值大于所加工板厚时,若非面板类所用压铆时六角头允许高于板厚:3.10圆头压铆螺钉(FH型-S)1 材料:根据订单要求而定,未注要求均为易车铁2 表面淬火,硬度要求HRC32-35°3 若表面没有作特殊说明均为镀彩锌4 螺纹为国标公制螺纹说明:当C 值值大于所加工板厚时,若非面板类所用压铆时头部允许高于板厚:3.11.1厚六角头通孔(NY102) (适用板厚2)3.12方螺母(NY300) 1)、普通型(A 型)2)、槽型带橡胶圈(B3)4)、C-1型(安装孔8.5×8.5)5)、C-2型(安装孔9.6×9.6)3.13、压铆式松不脱螺钉PF31- M3- 30型号螺纹码螺纹长度代码说明:当实际需求规格不在本标准范围内时,表中H值不变,则螺纹长度根据实际需求而变动。
(11A)标准件(11B)标准件说明本《标准件手册》为《标准手册》的一个重要组成部分。
目前,标准件清单尚不完善,我们会不懈努力,使之处于不断完善之中,包括优选清单。
希望工程师们在以后的设计中尽可能选用清单中已有的标准件,特别是已注明为优选的标准件。
对采用新的标准件或不是优选的标准件标准化中心将会进行严格审查,并给出建议。
本《标准件手册》为动态文件(包括目录),将会有专人进行维护,并定期更新发布,同时所有文件均有电子文档,准确的信息以电子文档为准,可随时向标准化中心(或各部门标准化专员)查询。
标准化中心2002年2月(11C)目录(11) 标准件总清单 (4)(1101) 螺钉类清单 (4)(110101) 十字槽盘头螺钉清单 (4)(110102) 十字槽盘头自攻螺钉清单 (4)(110103) 十字槽沉头自攻螺钉清单 (6)(110104) 圆头类螺钉清单 (6)(110105) 六角类螺钉清单 (7)(110106) 非标类及其他螺钉清单 .......................................... 错误!未定义书签。
(1102) 螺栓类清单(压缩机安装螺钉除外)................................ 错误!未定义书签。
(1103) 螺母类清单 (7)(1104) 垫圈类清单 (8)(1105) 其它类标准件清单 (9)(1106) 常用标准件优选表 (9)(11)标准件总清单(1101)螺钉类清单(110101)十字槽盘头螺钉清单(110102)十字槽盘头自攻螺钉清单(110103)十字槽沉头自攻螺钉清单(110104)圆头类螺钉清单(110105)六角类螺钉清单(1102)螺母类清单(1103)垫圈类清单(1104)其它类标准件清单(1105)常用标准件优选表。
前言随着我公司的不断发展壮大,能力不断提高,产品种类的不断增多,对工装夹具、检具、刀具的设计提出了更高的要求。
工装设计的规范化、标准化已迫在眉睫。
为此,在公司各级领导和同事们的帮助和努力下,特此制定了本手册。
工装夹具、检具、刀具的标准化旨在统一并规范其设计标准,进而提升设计速度与质量,提高工作效率,降低设计成本,进行集成化、模块化设计并充分优化组合,方便日后的维修、维护,使设计完全符合国家标准和企业内部标准,并为以后的改造创新奠定坚实的基础,促进工装夹具、检具、刀具的设计能力不断的可持续发展。
本手册根据我公司的实际情况,结合个人的经验总结以及领导同事们的帮助和指教而编制出来的,因此只适用于本公司内部使用。
在编制过程中,通过大量的表格与示图将常用资料和标准分类并集中进行归纳、总结,对设计进行统一、标准化,方便日后的查询和使用,并使本手册更有条理和层次感。
最后通过几个常用夹具、检具具体工装进行标准化的例子来规范设计要求、统一设计标准。
由于本人经验、知识有限,其中难免瑕疵,希望大家能予以谅解和批评指正。
设计基础标准1 图框:根据现实工装夹具设计的实际情况,可将图框分为以下7类,具体尺寸见表1-1。
表1-1图纸幅面尺寸2 图线:零部件视图经常采用不同颜色、类型和粗细的图线来表示,其中图线的颜色可以根据设计者自身的喜好选择,而不同类型的图线其粗细则有了明确的规定,现规定如下:见表1-2。
表1-2图线的类型与应用3 比例:为了在图纸上清晰表达机件的形状,结构及标注尺寸和技术要求,并使图纸幅面得到合理使用,图纸上的结构尺寸可选用1-3表中列出的比例表示,也便于图样交流和统一比例尺,提高绘图效率。
1-34 标注样式:不同的图框,其标注样式也相应对应着不同的参数,以便更合理地使用图框空间并使标注样式与图纸幅面相应称,使人们看图更方便和舒适。
现将不同图框的标注样式的关键尺寸规定如下,请见表1-4。
表1-4标注样式5 视图表示方法:工装夹具设计图纸中,一律采用第一视角表示法。
标准件选用手册(2015版)标准件选用手册度 (6)3.1.4 螺栓、螺钉和螺柱的机械和物理性能 (7)3.1.5 粗牙螺纹最小拉力载荷 (8)3.1.6 粗牙螺纹保证载荷 (9)3.1.7 细牙螺纹最小拉力载荷 (10)3.1.8 细牙螺纹保证载荷 (11)3.2螺母(粗牙、细牙)的机械性能 (12)3.2.1 适用范围 (12)3.2.2 螺母粗牙螺纹的性能等级 (12)3.2.3 螺母细牙螺纹的性能等级 (17)3.3 自攻螺钉…………………………………………………………… (20)3.3.1金相与硬度 (20)3.3.2机械性能 (21)3.4抽芯铆钉 (21)3.4.1机械性能等级 (21)3.4.2机械性能 (22)3.5 蝶形螺母保证扭矩 (22)4 紧固件的连接方式选用 (22)4.1紧固件的连接特性及基本要求 (22)4.1.1紧固件连接的受力和传力方式 (22)4.1.2紧固件连接的失效形式 (23)4.1.3紧固件连接设计的基本要求 (23)4.2螺栓连接的预紧 (23)4.2.1预紧的目的 (23)4.2.2预紧力的确定 (23)4.2.3拧紧力矩 (24)4.2.3.1拧紧力矩的计算 (24)4.2.3.2紧固件的拧紧扭矩 (24)4.2.4预紧力的控制方法 (27)4.3螺纹连接的防松 (27)5紧固件的选用原则 (27)5.1正确选择紧固件的外形 (27)5.2选用适合的精度等级 (28)5.3选择适用的紧固件材料 (28)5.4选用合适的表面处理方法 (29)6标准件选用范围及标注 (29)6.1标准件分类 (29)6.2标准件明细 (29)6.3标准件的选用范围 (29)前言2009版“紧固件选用手册”,自发布实施以来,规范了要求,减少了品种规格,为公司产品质量的提高和降低成本起到积极的推动作用。
随着公司产品平台的扩大以及标准件标准的更新,原手册已不能满足目前设计及开发的需要,特对《紧固件选用手册》进行了修订。
fa标准件样册全文共四篇示例,供读者参考第一篇示例:fa标准件是一种常用的机械连接件,它们通常用于工业领域的装配、生产和维修工作中。
fa标准件包括螺母、螺栓、螺钉、垫圈等,它们在机械设备的安装和拆卸过程中扮演着重要的角色。
为了方便用户选择和使用fa标准件,一些生产厂家推出了fa标准件样册。
这些样册通常包括各种型号和规格的fa标准件,以及它们的性能参数、材质、表面处理方式等详细信息。
通过参考这些样册,用户可以清晰地了解每种fa标准件的特点,从而选择最适合自己需求的产品。
在fa标准件样册中,不仅包括常见的螺母、螺栓等基本连接件,还会涵盖一些特殊形状或功能的标准件,比如U形螺栓、T形螺栓等。
这些特殊形状的标准件通常用于特定的工程项目或特殊的机械设备上,具有更高的装配精度和可靠性。
在fa标准件样册中还会介绍一些专业的工具和设备,比如扭矩扳手、螺纹规等。
这些工具和设备可以帮助用户更方便地进行标准件的安装和拆卸工作,提高工作效率并确保装配质量。
除了产品信息,fa标准件样册还会介绍一些常见的连接技术和安装方法。
比如如何正确选择螺栓与螺母的组合,如何正确使用扭矩扳手进行拧紧等。
这些技术知识对于用户正确选择和使用fa标准件至关重要,可以帮助他们避免安装过程中出现的问题和事故。
fa标准件样册是用户选择和使用fa标准件的重要参考资料。
通过参考样册中的详细信息和技术知识,用户可以更好地了解各种fa标准件的特点和用途,从而选择最适合自己需求的产品,确保机械设备的安装和维修工作顺利进行。
希望未来的fa标准件样册能够更加全面、详细,为用户提供更好的帮助和支持。
【字数不足,继续添加补充内容】。
随着工业技术的不断发展和进步,fa标准件的品种和规格也在不断增加和完善。
未来的fa标准件样册可能会更加丰富多样,包括更多新型的标准件和连接技术,以适应不同行业和领域的需求。
在使用fa标准件样册时,用户应该注意以下几点:要仔细阅读样册中的产品信息和技术知识,确保了解每种fa标准件的特点和用途;要正确选择和组合fa标准件,避免因配件不匹配而导致安装质量问题;要注意安全问题,在使用fa标准件时要遵守相关安装规范和操作指导,确保工作安全。
标准件手册电子版摘要本文档旨在为读者提供标准件手册电子版的详细信息和使用指南。
标准件是工程和制造领域中常用的零件和元件,其符合特定的行业标准和规范。
通过提供电子版标准件手册,可以方便工程师和制造商快速查找和使用适当的标准件,从而提高生产效率和产品质量。
本文档将介绍标准件手册电子版的特点和优势,以及如何使用它来选择和应用标准件。
1. 引言标准件在工程和制造领域起着至关重要的作用。
它们是根据特定的标准和规范设计和制造的,具有统一的尺寸、形状和材料。
标准件的存在简化了工程设计和制造过程,使得不同的产品和部件能够互换使用,提高了生产的效率和一致性。
传统上,标准件手册以印刷版的形式提供给工程师和制造商使用。
然而,随着技术的不断发展,电子版标准件手册逐渐取代了传统的印刷版手册。
电子版手册具有许多优势,如易于更新和维护、便于搜索和导航、可与其他工具和软件集成等。
2. 特点和优势2.1 易于更新和维护电子版标准件手册可以通过在线平台或本地应用程序进行更新。
与印刷版手册相比,电子版手册可以及时反映最新的标准和规范的变化,并添加新的标准件信息。
此外,电子版手册还可以通过云存储和自动同步功能,在不同设备之间进行数据同步,确保用户始终使用最新版本的手册。
2.2 便于搜索和导航电子版标准件手册通过关键字搜索和目录导航功能,使得用户可以快速查找所需的标准件。
用户可以根据标准件的类别、型号、尺寸等关键属性进行搜索,从而大大节省时间和精力。
此外,电子版手册还可以提供交叉引用和相关部件推荐等功能,帮助用户更好地了解和选择标准件。
2.3 与其他工具和软件集成电子版标准件手册可以与其他工程设计和制造工具进行集成,如CAD软件、PLM系统等。
通过集成,用户可以直接从设计环境中访问标准件手册,并将选定的标准件直接导入到设计文件中。
这种集成能够提高工作效率,减少错误和重复劳动。
3. 如何使用标准件手册电子版使用标准件手册电子版可以遵循以下步骤:3.1 下载和安装从标准件手册提供的官方网站或应用商店下载并安装电子版手册的应用程序。
带肩六角螺母 JB/T 8004.1-1999标记示例:d =M 16的带肩六角螺母: 螺母 M 16 JB/T 8004.1 d =M 16×1.5的带肩六角螺母:螺母 M 16×1.5 JB/T 8004.1-1999单位为毫米1 材 料:45钢,按GB/T 699的规定。
2 热 处 理:35~40 HRC 。
3 技术条件:按JB/T 8044的规定。
其余12.5标记示例:d=M12的连接螺母螺母M12 JB/T 8004.3-19992 热处理:35~40HRC。
3 其他技术条件:按JB/T 8044的规定。
调节—1999标记示例:d=M16的调节螺母螺母M16 JB/T 8004.4-19992 热处理:35~40HRC。
3 其他技术条件:按JB/T 8044的规定。
标记示例:d =M5的A 型带孔滚花螺母螺母 AM5 JB/T 8004.5-1999单位为毫米 1 材 料:45钢,按GB699的规定。
2 热 处 理:A 型35~40HRC 。
3 其他技术条件:按JB/T 8044的规定。
A 型B 型内六角螺母JB/T 8004.7—1999螺母AM12 JB/T 8004.7-1999单位为毫米2 热处理:35~40HRC。
3 其他技术条件:按JB/T 8044的规定。
手柄 螺 母 JB/T 8004.8-1999标记示例:d =M 10、H =45 mm 的A 型手柄螺母:手柄螺母 AM 16×45 JB/T 8004.8-1999回转手柄螺母 JB/T 8004.9-1999标记示例:d =M 手柄螺母 M 10 JB/T 8004.9-1999A型B型压入式螺纹衬套 JB/T 8005.1-1999标记示例:d =M 16、H =32 mm 的压入式螺纹衬套: 衬套 M 16×32 JB/T 8005.1-1999d =Tr 16×4左、H =32 mm 的压入式螺纹衬套:衬套 Tr 16×4左×32 JB/T 8005.1-1999单位为毫米1 材 料:45钢,按GB/T 699的规定。
工装名称泥浆分离循环应用系统使用部位冲击钻施工
使用说明:
泥浆池、沉淀池采用定制泥浆箱,配套1台泥沙分离机及2台泥浆泵循环泥浆,既保证了泥浆指标满足要求,又提高了钻孔工效。
(自行设计、加工)。
工装名称钢筋笼防浮笼、定位卡具使用部位钻孔桩施工
使用说明:
该卡具即可将钢筋笼水平精确定位,又可将钢筋笼固定,防止钢筋骨架上浮或下沉,吊筋可循环利用,可节省一定的项目成本。
(自行设计、加工)。
工装名称承台预埋墩柱插筋定位胎具使用部位承台施工
使用说明:
在预埋墩柱竖向主筋前,根据测量放样点位,精确安装定位胎具,在已开好的槽口内绑扎墩柱主筋(自行设计、加工)。
工装名称墩帽开洞预埋U型螺栓定位卡具使用部位墩帽施工
使用说明:
采用U型螺栓定位卡具精确定位螺栓水平、竖向位置,控制螺栓预留长度,减少后期吊篮角钢安装偏差,保证吊篮平顺美观。
(自行设计、加工)。
带肩六角螺母 JB/T 8004.1-1999标记示例:d =M 16的带肩六角螺母: 螺母 M 16 JB/T 8004.1 d =M 16×1.5的带肩六角螺母:螺母 M 16×1.5 JB/T 8004.1-1999单位为毫米1 材 料:45钢,按GB/T 699的规定。
2 热 处 理:35~40 HRC 。
3 技术条件:按JB/T 8044的规定。
其余12.5标记示例:d=M12的连接螺母螺母M12 JB/T 8004.3-19992 热处理:35~40HRC。
3 其他技术条件:按JB/T 8044的规定。
调节—1999标记示例:d=M16的调节螺母螺母M16 JB/T 8004.4-19992 热处理:35~40HRC。
3 其他技术条件:按JB/T 8044的规定。
标记示例:d =M5的A 型带孔滚花螺母螺母 AM5 JB/T 8004.5-1999单位为毫米 1 材 料:45钢,按GB699的规定。
2 热 处 理:A 型35~40HRC 。
3 其他技术条件:按JB/T 8044的规定。
A 型B 型内六角螺母JB/T 8004.7—1999螺母AM12 JB/T 8004.7-1999单位为毫米2 热处理:35~40HRC。
3 其他技术条件:按JB/T 8044的规定。
手柄 螺 母 JB/T 8004.8-1999标记示例:d =M 10、H =45 mm 的A 型手柄螺母:手柄螺母 AM 16×45 JB/T 8004.8-1999回转手柄螺母 JB/T 8004.9-1999标记示例:d =M 手柄螺母 M 10 JB/T 8004.9-1999A型B型压入式螺纹衬套 JB/T 8005.1-1999标记示例:d =M 16、H =32 mm 的压入式螺纹衬套: 衬套 M 16×32 JB/T 8005.1-1999d =Tr 16×4左、H =32 mm 的压入式螺纹衬套:衬套 Tr 16×4左×32 JB/T 8005.1-1999单位为毫米1 材 料:45钢,按GB/T 699的规定。
2 热 处 理:35~40 HRC 。
3 技术条件:按JB/T 8044的规定。
旋入式螺纹衬套 JB/T 8005.2-1999标记示例:d =M 16、H =32 mm 的旋入式螺纹衬套: 衬套 M 16×32 JB/T 8005.2-1999d =Tr 16×4左、H =32 mm 的旋入式螺纹衬套:衬套 Tr 16×4左×32 JB/T 8005.2-1999表1 尺寸 单位为毫米1 材 料:45钢,按GB/T 699的规定。
2 热 处 理:35~40 HRC 。
3 技术条件:按JB/T 8044的规定。
12.5其余压 紧 螺 钉 JB/T 8006.1-1999标记示例:d =M 16、L =60 mm 的A 型压紧螺钉: 螺钉 AM 16×60 JB/T 8006.1-1999表1 尺寸 单位为毫米1 材 料:45钢,按GB/T 699的规定。
2 热 处理:30~35 HRC 。
3 技术条件:按JB/T 8044的规定。
A型C型B型其余六角头压紧螺钉 JB/T 8006.2-1999标记示例:d =M 16、L =60 mm 的A 型六角头压紧螺钉: 螺钉 AM 16×60 JB/T 8006.2-1999表1 尺寸 单位为毫米1 材 料:45钢,按GB/T 699的规定。
2 热 处 理:35~40 HRC 。
3 技术条件:按JB/T 8044的规定。
12.5其余固定手柄压紧螺钉 JB/T 8006.3-1999标记示例:d =M 10、L =80 mm 的A 型固定手柄压紧螺钉: 螺钉 AM 10×80 JB/T 8006.3-1999表1 尺寸 单位为毫米活动手柄压紧螺钉 JB/T 8006.4-1999标记示例:d =M 12、L =60 mm 的A 型活动手柄压紧螺钉: 螺钉 AM 12×60 JB/T 8006.4-1999单位为毫米C型B型A型C型B型钩 形 螺 栓 JB/T 8007.3-1999标记示例:d =M 6、A =12 mm 、L =30 mm 的A 型钩形螺栓: 螺栓 AM 6×12×30 JB/T 8007.3-1999 d =M 6、A 1=15 mm 、L =30 mm 的B 型钩形螺栓: 螺栓 BM 6×15×30 JB/T 8007.3-1999单位为毫米1 材 料:45钢,按GB/T 699的规定。
2 热 处 理:35~40 HRC 。
3 技术条件:按JB/T 8044的规定。
B型十字垫圈用垫圈JB/T 8008.3—1999标记示例:公称直径=16的十字垫圈用垫圈垫圈16 JB/T 8008.3-1999表1 尺寸单位为毫米1 材料:45钢,按GB699的规定。
2 热处理:40~45HRC。
3 其他技术条件:按JB/T 8044的规定。
转 动 垫 圈 JB/T 8008.4-1999标记示例:公称直径=8 mm 、r =22 mm 的A 型转动垫圈: 垫圈 A 8×22 JB/T 8008.4-1999表1 尺寸 单位为毫米1 材 料:45钢,按GB/T 699的规定。
2 热 处 理:35~40 HRC 。
3 技术条件:按JB/T 8044的规定。
A型B型其余12.5光面 压 块 JB/T 8009.1-1999标记示例:公称直径=12 mm 的A 型光面压块: 压块 A 12 JB/T 8009.1-1999表1 尺寸 单位为毫米1 材 料:45钢,按GB/T 699的规定。
2 热 处 理:35~40 HRC。
3 技术条件:按JB/T 8044的规定。
其余B型A型12.5槽 面 压 块 JB/T 8009.2-1999标记示例:公称直径=12 mm 的A 型槽面压块: 压块 A 12 JB/T 8009.2-1999表1 尺寸 单位为毫米1 材 料:45钢,按GB/T 699的规定。
2 热 处 理:35~40 HRC 。
3 技术条件:按JB/T 8044的规定。
12.5A型B型其余回 转 压 板 JB/T 8010.15-1999标记示例:d =M 10 mm 、r =50 mm 的A 型回转压板: 压板 AM 10×50 JB/T 8010.15-1999表1 尺寸 单位为毫米1 材 料:45钢,按GB/T 699的规定。
2 热 处 理:35~40 HRC 。
3 技术条件:按JB/T 8044的规定。
B型其余12.5钩 形 压 板 JB/T 8012.1-1999标记示例:公称直径=13 mm 、A =35 mm 的A 型钩形压板: 压板 A 13×35 JB/T 8012.1-1999d =M 12、A =35 mm 的B 型钩形压板:压板 BM 12×35 JB/T 8012.1-1999表1 尺寸 单位为毫米2 热 处 理:35~40 HRC 。
3 技术条件:按JB/T 8044的规定。
A型12.5其余B型钩 形 压 板(组合) JB/T 8012.2-1999标记示例:d =M 12、K =14 mm 的A 型钩形压板: 压板 AM 12×14 JB/T 8012.2-1999表1 尺寸 单位为毫米C型B型立式钩形压板(组合)JB/T 8012.3-1999标记示例:d=M8、K=14 mm的立式钩形压板:压板M8×14 JB/T 8012.3-1999表1 尺寸单位为毫米端面钩形压板(组合)JB/T 8012.4-1999标记示例:d=M8、K=15 mm的端面钩形压板:压板M8×15 JB/T 8012.4-1999表1 尺寸单位为毫米侧面钩形压板(组合)JB/T 8012.5-1999标记示例:d=压板M6×13 JB/T 8012.5-1999表1 尺寸单位为毫米小定 位 销 JB/T 8014.1-1999标记示例:D =2.5 mm 、公差带为f 7的A 型小定位销: 定位销 A 2.5 f 7 JB/T 8014.1-1999单位为毫米A型B型其余12.5标记示例:D =11.5 mm 、公差带为f 7、H =14 mm定位销 A 11.5 f 7×14 JB/T 8014.2-1999D>3~10 mm D>3~10 mmD>18 mm A型其余12.5标记示例:D =12.5 mm 、公差带为f 7、H =14 mm 的A 型可换定位销: 定位销 A 12.5 f 7×14 JB/T 8014.3-1999D>3~10 mmD>18 mmA型其余12.5标记示例:N =24 mm 的V 形块:V 形块 24 JB/T 8018.1-1999表1 尺寸 单位为毫米1 材 料:20钢,按GB/T 699的规定。
2 热 处 理:渗碳深度0.8~1.2 mm ,58~64 HRC 。
3 技术条件:按JB/T 8044的规定。
其余12.5标记示例:N =18 mm 的A 型固定V 形块:V 形块 A 18 JB/T 8018.2-1999表1 尺寸 单位为毫米1 材 料:20钢,按GB/T 699的规定。
2 热 处 理:渗碳深度0.8~1.2 mm ,58~64 HRC 。
3 技术条件:按JB/T 8044的规定。
A-A 旋转其余B型调整V 形块 JB/T 8018.3-1999标记示例:N =18 mm 的A 型调整V 形块:V 形块 A 18 JB/T 8018.3-1999单位为毫米1 材 料:20钢,按GB/T 699的规定。
2 热 处 理:渗碳深度0.8~1.2 mm ,58~64 HRC 。
3 技术条件:按JB/T 8044的规定。
A-AB-B12.5其余B型活动V 形块 JB/T 8018.4-1999标记示例:N =18 mm 的A 型活动V 形块:V 形块 A 18 JB/T 8018.4-1999表1 尺寸 单位为毫米1 材 料:20钢,按GB/T 699的规定。
2 热 处 理:渗碳深度0.8~1.2 mm ,58~64 HRC 。
3 技术条件:按JB/T 8044的规定。
其余B型B-B12.5导 板 JB/T 8019-1999标记示例:b =20 mm 的A 型导板:导板 A 20 JB/T 8019-1999表1 尺寸 单位为毫米1 材 料:20钢,按GB/T 699的规定。