混凝土施工检验批质量验收记录表
- 格式:doc
- 大小:199.00 KB
- 文档页数:10
预制混凝土地基及安装检验批质量验收记
录表
1. 项目信息
- 项目名称:
- 施工单位:
- 检验批编号:
- 检验日期:
2. 检验人员
- 主检:
- 协检:
3. 施工情况
- 施工地点:
- 施工日期:
- 施工人员:
5. 验收结论
本次预制混凝土地基及安装检验批质量验收结果符合/不符合要求。
6. 备注
(写明具体问题、存在的质量问题及整改点等)
7. 图片附件
(可添加相关图片附件,以便详细记录)
8. 验收人员
- 验收人员:
- 验收日期:
注意:以上检验结果仅针对本次检验批,不代表全部产品验收结果。
---
以上为预制混凝土地基及安装检验批质量验收记录表的草稿,具体内容根据实际情况填写。
TA8 工程报验申请表
工程项目名称:施工合同段:B标编号:
注:本表一式4份,承包单位2份,监理单位、建设单位各1份。
中间隔离层及弹性垫层检验批质量验收记录表
TA8 工程报验申请表
工程项目名称:施工合同段:B标编号:
轨道板铺设检验批质量验收记录表
TA8 工程报验申请表
工程项目名称:施工合同段:B标编号:
隐蔽工程验收记录
自密实混凝土钢筋检验批质量验收记录表
TA8 工程报验申请表
工程项目名称:施工合同段:B标编号:
自密实混凝土检验批质量验收记录表
TA8 工程报验申请表
工程项目名称:施工合同段:B标编号:
注:本表一式4份,承包单位2份,监理单位、建设单位各1份。
板缝及观察孔检验批质量验收记录表。
水泥混凝土面层检验批质量验收记录表1. 基本信息1.工程名称:2.工程地点:3.工程编号:4.检验批号:5.验收日期:2. 材料与设备检查2.1 水泥•规格:•等级:•制造厂家:•检验报告编号:2.2 砂•规格:•等级:•制造厂家:•检验报告编号:2.3 石料•规格:•等级:•制造厂家:•检验报告编号:2.4 骨料•规格:•等级:•制造厂家:•检验报告编号:2.5 添加剂•规格:•等级:•制造厂家:•检验报告编号:2.6 配合比•水泥:•砂:•石料:•骨料:•添加剂:2.7 设备•搅拌机:•水泥罐:•砂罐:•石料罐:•骨料罐:3. 浇注检查3.1 模板•材质:•规格:•安装情况:•钢筋骨架:3.2 浇注•管理员:•工艺操作是否规范:•浇注厚度检查:•浇注密实度检查:3.3 抹光•管理员:•工艺操作是否规范:•抹光是否平整:•抹光是否光滑:3.4 能见度•管理员:•检查位置:•能见度是否达标:4. 强度检测4.1 试块制作•管理员:•试块数量:•试块尺寸:•所采取的试块数量是否足够:4.2 试块养护•管理员:•养护方法:•养护时间:•试块编号:4.3 试块检测•检测单位:•检测时间:•检测方法:•报告编号:5.本次检验批混凝土面层的质量验收结果为合格。
6. 备注1.检验员签名:2.监理签名:3.施工单位签名:。
混凝土施工工程检验批质量验收记录二、建设单位:________三、工程名称:________四、施工单位:________五、工程地点:________六、工程规模及内容:________七、施工周期:____年___月___日至____年___月___日八、检验期:____年___月___日至____年___月___日一、检验批编号:_____二、本批施工工程主要项目:1.工程进度按照合同约定进行。
2.工程质量按照国家相关标准进行控制。
3.构筑物的混凝土强度等级为____。
4.施工现场安全管理符合国家相关要求。
5.相关材料符合国家相关标准。
三、检验结果1.检验人员及资格:_______;_______;_______。
2.检验方法:符合相关国家标准。
3.检验地点:_______。
4.检验日期:____年___月___日。
四、检验项目及结论1.混凝土原材料:1)水泥项目:外观、硫酸盐含量、标号、包装、生产厂家等。
结论:______。
2)砂项目:颗粒分析、含水率、杂质含量等。
结论:______。
3)石子项目:颗粒分析、强度、杂质含量等。
结论:______。
4)水项目:外观、浊度、酸碱度等。
结论:______。
2.混凝土配合比:项目:水灰比、砂率、粗细配合、坍落度等。
结论:______。
3.施工工艺:1)浇注前准备项目:模板安装、钢筋绑扎、通风、浇注前的清场等。
结论:______。
2)浇注过程项目:泵送机设备状况、混凝土浇注方式、掺合料的使用等。
结论:______。
3)浇注后处理项目:养护期、养护温度、养护湿度等。
结论:______。
4.混凝土强度:项目:试块制作、试块养护、试块试验等。
结论:______。
五、质检工程师意见:_______。
六、结论:经检验,本批施工工程质量符合相关标准和要求。
七、备注:_______。
附:检测报告、试验原始记录、试验设备校准证书、质量证明文件等。
注:本记录一式两份,建设单位、施工单位各保存一份。
水泥混凝土面层工程检验批质量验收记录表
GB50209—2002
说明
030102
主控项目:
1、水泥混凝土采用的粗骨料,其最大粒径不应大于面层厚度的2/3,细石混凝土面层采用的石子粒径不应大于15mm。
观察检查和检查产品合格证明文件及检测报告。
2、面层的强度等级应符合设计要求,且水泥混凝土面层强度等级不应小于C20;水泥混凝土垫层兼面层强度等级不应小于C15。
检查配合比通知单及检测报告。
3、面层与下一层应结合牢固,无空鼓、裂纹。
用小锤轻击检查。
注:空鼓面积不应大于400cm2,且每自然间(标准间)不多于2处可不计。
一般项目
1、面层表面不应有裂纹、脱皮、麻面、起砂等缺陷。
观察检查。
2、面层表面的坡度,符合设计要求,不得有倒泛水和积水现象。
观察和采用泼水或用坡度尺检查。
3、水泥砂浆踢脚线与墙面应紧密结合,高度一致,出墙厚度均匀。
用小锤轻击、尺量检查和观察检查。
注:局部空鼓长度不应大于300mm,且每自然间(标准间)不多于2处可不计。
4、楼梯踏步的宽度、高度应符合设计要求。
楼层梯段相邻踏步高度差不应大于10mm,每踏步两端宽度差不应大于10mm;旋转楼梯梯段的每踏步两端宽度的允许偏差为5mm。
楼梯踏步的齿角应整齐,防滑条应顺直。
观察和尺量检查。
5、水泥混凝土面层的允许偏差,按本规范表5.1.7中的检验方法检验。
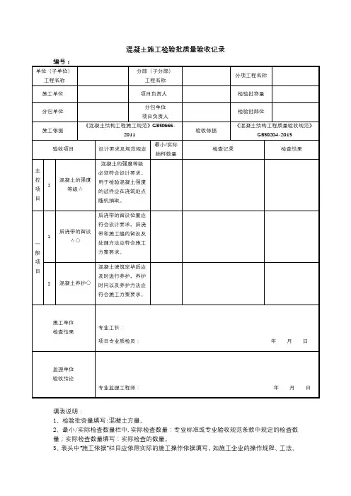
混凝土施工检验批质量验收记录表.doc
混凝土施工检验批质量验收记录表
工程名称:(填写具体工程名称)
施工单位:(填写具体施工单位名称)
监理单位:(填写具体监理单位名称)
项目经理:(填写具体项目经理名称)
施工执行标准名称及编号:(填写具体施工执行标准名称及编号)
验收部位:(填写具体验收部位)
验收记录:
1.混凝土强度等级及试件的取样和留置
2.混凝土抗渗及试件取样和留置
3.原材料每盘称量的偏差
4.初凝时间控制
5.施工缝的位置和处理
6.后浇带的位置和浇筑
7.混凝土养护
施工单位检查评定记录:
1.施工单位检查评定结果
2.专业工长(施工员)
监理(建设)单位验收结论:
1.项目专业质量检查员:年月日
2.专业监理工程师:(建设单位项目专业技术负责人):年月日
美文欣赏
1.秋天虽然没有春天的花海,但是有秋菊的淡雅和硕果累累的收获。
秋天是甘美的酒,是壮丽的诗,也是动人的歌。
2.聪明的人懂得储蓄每一个闪光的瞬间,将它们酿成美好的回忆,珍藏一生。
3.春天来了,让我们将心灵放回远方,让梦想沐浴阳光,长出枝蔓,结出真爱的果实。
4.好好享受生活吧,只要心是温润的,再遥远的路也会走得安然。
愿阳光时时明媚,愿生活处处晴好。
现浇结构外观及尺寸偏差检验批质量验收记录表钢筋安装工程检验批质量验收记录表混凝土原材料及配合比设计检验批质量验收记录表安全技术交底表C2—1编号工程名称交底日期年月日施工单位分项工程名称钢筋作业交底提要交底内容:1.进入施工现场人员必须正确戴好合格的安全帽,系好下颚带,锁好带扣;2.作业时必须按规定正确使用个人防护用品,着装要整齐,严禁赤脚和穿拖鞋、高跟鞋进入施工现场;3.在没有可靠安全防护设施的高处(2米以上含2米)和陡坡施工时,必须系好合格的安全带,安全带要系挂牢固,高挂低用,同时高处作业不得穿硬底和带钉易滑的鞋,穿防滑胶鞋;4.新进场的作业人员,必须首先参加入场安全教育培训,经考试合格后方可上岗,未经教育培训或考试不合格者,不得上岗作业;5.从事特种作业的人员,必须持证上岗,严禁无证操作,禁止操作与自己无关的机械设备;6.施工现场禁止吸烟,禁止追逐打闹,禁止酒后作业;7.施工现场的各种安全防护设施、安全标志等,未经领导及安全员批准严禁随意拆除和挪动。
一、钢筋绑扎:1.绑扎基础钢筋,应按规定安放钢筋支架、马橙,铺设走道板(脚手板);2.在高处(2米以上含2米)绑扎立柱和墙体钢筋时,不得站在钢筋骨架上或攀登骨架上下,必须搭设脚手架或操作平台和马道。
脚手架应搭设牢固,作业面脚手板要满铺、绑牢,不得有探头板、非跳板,临边应搭设防护栏杆和支挂安全网;3.绑扎圈梁、挑梁、挑檐、外墙和边柱等钢筋时,应站在脚手架或操作平台上作业;4.脚手架或操作平台上不得集中码放钢筋,应随使用随运送,不得将工具、箍筋或短钢筋随意放在脚手架上;5.严禁从高处向下方抛扔或从低处向高处投掷物料;6.在高处楼层上拉钢筋或钢筋调向时,必须事先观察运行上方或周围附近是否有高压线,严防碰触;7.绑扎钢筋的绑丝头,应弯回至骨架内侧,暂停绑扎时,应检查所绑扎的钢筋或骨架,确认连接牢固后方可离开现场;8.六级以上强风和大雨、大雪、大雾天气必须停止露天高处作业。
混凝土施工检验批质量验收记录表GB50204-2002试件留置应符合下列规定:每拌制100盘且不超过100m3的同配合比的混凝土,取样不得少于一次;每工作班拌制的同一配合比的混凝土不足100盘时,取样不得少于一次;当一次连续浇筑超过100m3时,同一配合比的混凝土每200m3的取样不得少于一次;每一楼、同一配合比的混凝土取样不得少于一次;每次取样应至少留置一组标准养护试件,同条件养护试件的留置组数应根据实际需要确定。
检查施工记录及试件强度试验报告。
②对有抗渗要求的混凝土结构,其混凝土试件应在浇筑地点随机取样。
同一工程、同一配合比的混凝土取样不得少于一次,留置组数可根据实际需要确定。
检查试件抗渗试验报告。
③混凝土原材料每盘称量的偏差应符合水泥、掺料+2%,粗细管料+3%,水、外加剂+2%。
每工作班抽查不少于一次,检查后形成记录。
④混凝土运输、浇筑及间歇的全部时间不应超过混凝土的初凝时间。
同一施工段的混凝土应连续浇筑,并应在底层混凝土初凝之前将上一层混凝土浇筑完毕。
当底层混凝土初凝后浇筑上一层混凝土时,应按施工技术方案中对施工缝的要求进行处理。
观察及检查施工记录。
2.一般项目:①施工缝的位置应在混凝土浇筑前按设计要求和施工方案确定。
施工缝的处理应按施工技术方案执行。
观察及检查施工记录。
②后浇带的留置按设计要求和施工方案确定。
后浇带混凝土浇筑应按施工技术方案进行。
观察及检查记录。
③混凝土浇筑完毕后,应按施工技术方案及时采取以下有效的养护措施:应在浇筑完毕后的12h以内对混凝土加以覆盖并保湿养护;混凝土浇水养护的时间:对采用硅酸盐水泥、普通硅酸盐水泥或矿渣硅酸盐水泥拌制的混凝土,不得少于7 d;对掺用缓凝型外加剂或有抗渗要求的混凝土,不得少于14d,日平均气温低于5℃混凝土施工检验批质量验收记录表GB50204-2002试件留置应符合下列规定:每拌制100盘且不超过100m3的同配合比的混凝土,取样不得少于一次;每工作班拌制的同一配合比的混凝土不足100盘时,取样不得少于一次;当一次连续浇筑超过100m3时,同一配合比的混凝土每200m3的取样不得少于一次;每一楼、同一配合比的混凝土取样不得少于一次;每次取样应至少留置一组标准养护试件,同条件养护试件的留置组数应根据实际需要确定。
检查施工记录及试件强度试验报告。
②对有抗渗要求的混凝土结构,其混凝土试件应在浇筑地点随机取样。
同一工程、同一配合比的混凝土取样不得少于一次,留置组数可根据实际需要确定。
检查试件抗渗试验报告。
③混凝土原材料每盘称量的偏差应符合水泥、掺料+2%,粗细管料+3%,水、外加剂+2%。
每工作班抽查不少于一次,检查后形成记录。
④混凝土运输、浇筑及间歇的全部时间不应超过混凝土的初凝时间。
同一施工段的混凝土应连续浇筑,并应在底层混凝土初凝之前将上一层混凝土浇筑完毕。
当底层混凝土初凝后浇筑上一层混凝土时,应按施工技术方案中对施工缝的要求进行处理。
观察及检查施工记录。
2.一般项目:①施工缝的位置应在混凝土浇筑前按设计要求和施工方案确定。
施工缝的处理应按施工技术方案执行。
观察及检查施工记录。
②后浇带的留置按设计要求和施工方案确定。
后浇带混凝土浇筑应按施工技术方案进行。
观察及检查记录。
③混凝土浇筑完毕后,应按施工技术方案及时采取以下有效的养护措施:应在浇筑完毕后的12h以内对混凝土加以覆盖并保湿养护;混凝土浇水养护的时间:对采用硅酸盐水泥、普通硅酸盐水泥或矿渣硅酸盐水泥拌制的混凝土,不得少于7 d;对掺用缓凝型外加剂或有抗渗要求的混凝土,不得少于14d,日平均气温低于5℃时,不得浇水,大体积混凝土应有控温措施;浇水次数应能保持混凝土处于湿润状态;混凝土养护用水应与拌制用水相同;采用塑料布覆盖养护的混凝土施工检验批质量验收记录表GB50204-2002试件留置应符合下列规定:每拌制100盘且不超过100m3的同配合比的混凝土,取样不得少于一次;每工作班拌制的同一配合比的混凝土不足100盘时,取样不得少于一次;当一次连续浇筑超过100m3时,同一配合比的混凝土每200m3的取样不得少于一次;每一楼、同一配合比的混凝土取样不得少于一次;每次取样应至少留置一组标准养护试件,同条件养护试件的留置组数应根据实际需要确定。
检查施工记录及试件强度试验报告。
②对有抗渗要求的混凝土结构,其混凝土试件应在浇筑地点随机取样。
同一工程、同一配合比的混凝土取样不得少于一次,留置组数可根据实际需要确定。
检查试件抗渗试验报告。
③混凝土原材料每盘称量的偏差应符合水泥、掺料+2%,粗细管料+3%,水、外加剂+2%。
每工作班抽查不少于一次,检查后形成记录。
④混凝土运输、浇筑及间歇的全部时间不应超过混凝土的初凝时间。
同一施工段的混凝土应连续浇筑,并应在底层混凝土初凝之前将上一层混凝土浇筑完毕。
当底层混凝土初凝后浇筑上一层混凝土时,应按施工技术方案中对施工缝的要求进行处理。
观察及检查施工记录。
2.一般项目:①施工缝的位置应在混凝土浇筑前按设计要求和施工方案确定。
施工缝的处理应按施工技术方案执行。
观察及检查施工记录。
②后浇带的留置按设计要求和施工方案确定。
后浇带混凝土浇筑应按施工技术方案进行。
观察及检查记录。
③混凝土浇筑完毕后,应按施工技术方案及时采取以下有效的养护措施:应在浇筑完毕后的12h以内对混凝土加以覆盖并保湿养护;混凝土浇水养护的时间:对采用硅酸盐水泥、普通硅酸盐水泥或矿渣硅酸盐水泥拌制的混凝土,不得少于7 d;对掺用缓凝型外加剂或有抗渗要求的混凝土,不得少于14d,日平均气温低于5℃混凝土施工检验批质量验收记录表GB50204-2002试件留置应符合下列规定:每拌制100盘且不超过100m3的同配合比的混凝土,取样不得少于一次;每工作班拌制的同一配合比的混凝土不足100盘时,取样不得少于一次;当一次连续浇筑超过100m3时,同一配合比的混凝土每200m3的取样不得少于一次;每一楼、同一配合比的混凝土取样不得少于一次;每次取样应至少留置一组标准养护试件,同条件养护试件的留置组数应根据实际需要确定。
检查施工记录及试件强度试验报告。
②对有抗渗要求的混凝土结构,其混凝土试件应在浇筑地点随机取样。
同一工程、同一配合比的混凝土取样不得少于一次,留置组数可根据实际需要确定。
检查试件抗渗试验报告。
③混凝土原材料每盘称量的偏差应符合水泥、掺料+2%,粗细管料+3%,水、外加剂+2%。
每工作班抽查不少于一次,检查后形成记录。
④混凝土运输、浇筑及间歇的全部时间不应超过混凝土的初凝时间。
同一施工段的混凝土应连续浇筑,并应在底层混凝土初凝之前将上一层混凝土浇筑完毕。
当底层混凝土初凝后浇筑上一层混凝土时,应按施工技术方案中对施工缝的要求进行处理。
观察及检查施工记录。
2.一般项目:①施工缝的位置应在混凝土浇筑前按设计要求和施工方案确定。
施工缝的处理应按施工技术方案执行。
观察及检查施工记录。
②后浇带的留置按设计要求和施工方案确定。
后浇带混凝土浇筑应按施工技术方案进行。
观察及检查记录。
③混凝土浇筑完毕后,应按施工技术方案及时采取以下有效的养护措施:应在浇筑完毕后的12h以内对混凝土加以覆盖并保湿养护;混凝土浇水养护的时间:对采用硅酸盐水泥、试件留置应符合下列规定:每拌制100盘且不超过100m3的同配合比的混凝土,取样不得少于一次;每工作班拌制的同一配合比的混凝土不足100盘时,取样不得少于一次;当一次连续浇筑超过100m3时,同一配合比的混凝土每200m3的取样不得少于一次;每一楼、同一配合比的混凝土取样不得少于一次;每次取样应至少留置一组标准养护试件,同条件养护试件的留置组数应根据实际需要确定。
检查施工记录及试件强度试验报告。
②对有抗渗要求的混凝土结构,其混凝土试件应在浇筑地点随机取样。
同一工程、同一配合比的混凝土取样不得少于一次,留置组数可根据实际需要确定。
检查试件抗渗试验报告。
③混凝土原材料每盘称量的偏差应符合水泥、掺料+2%,粗细管料+3%,水、外加剂+2%。
每工作班抽查不少于一次,检查后形成记录。
④混凝土运输、浇筑及间歇的全部时间不应超过混凝土的初凝时间。
同一施工段的混凝土应连续浇筑,并应在底层混凝土初凝之前将上一层混凝土浇筑完毕。
当底层混凝土初凝后浇筑上一层混凝土时,应按施工技术方案中对施工缝的要求进行处理。
观察及检查施工记录。
2.一般项目:①施工缝的位置应在混凝土浇筑前按设计要求和施工方案确定。
施工缝的处理应按施工技术方案执行。
观察及检查施工记录。
②后浇带的留置按设计要求和施工方案确定。
后浇带混凝土浇筑应按施工技术方案进行。
观察及检查记录。
③混凝土浇筑完毕后,应按施工技术方案及时采取以下有效的养护措施:应在浇筑完毕后的12h以内对混凝土加以覆盖并保湿养护;混凝土浇水养护的时间:对采用硅酸盐水泥、普通硅酸盐水泥或矿渣硅酸盐水泥拌制的混凝土,不得少于7 d;对掺用缓凝型外加剂或有抗渗要求的混凝土,不得少于14d,日平均气温低于5℃试件留置应符合下列规定:每拌制100盘且不超过100m3的同配合比的混凝土,取样不得少于一次;每工作班拌制的同一配合比的混凝土不足100盘时,取样不得少于一次;当一次连续浇筑超过100m3时,同一配合比的混凝土每200m3的取样不得少于一次;每一楼、同一配合比的混凝土取样不得少于一次;每次取样应至少留置一组标准养护试件,同条件养护试件的留置组数应根据实际需要确定。
检查施工记录及试件强度试验报告。
②对有抗渗要求的混凝土结构,其混凝土试件应在浇筑地点随机取样。
同一工程、同一配合比的混凝土取样不得少于一次,留置组数可根据实际需要确定。
检查试件抗渗试验报告。
③混凝土原材料每盘称量的偏差应符合水泥、掺料+2%,粗细管料+3%,水、外加剂+2%。
每工作班抽查不少于一次,检查后形成记录。
④混凝土运输、浇筑及间歇的全部时间不应超过混凝土的初凝时间。
同一施工段的混凝土应连续浇筑,并应在底层混凝土初凝之前将上一层混凝土浇筑完毕。
当底层混凝土初凝后浇筑上一层混凝土时,应按施工技术方案中对施工缝的要求进行处理。
观察及检查施工记录。
2.一般项目:①施工缝的位置应在混凝土浇筑前按设计要求和施工方案确定。
施工缝的处理应按施工技术方案执行。
观察及检查施工记录。
②后浇带的留置按设计要求和施工方案确定。
后浇带混凝土浇筑应按施工技术方案进行。
观察及检查记录。
③混凝土浇筑完毕后,应按施工技术方案及时采取以下有效的养护措施:应在浇筑完毕后的12h以内对混凝土加以覆盖并保湿养护;混凝土浇水养护的时间:对采用硅酸盐水泥、普通硅酸盐水泥或矿渣硅酸盐水泥拌制的混凝土,不得少于7 d;对掺用缓凝型外加剂或有抗渗要求的混凝土,不得少于14d,日平均气温低于5℃试件留置应符合下列规定:每拌制100盘且不超过100m3的同配合比的混凝土,取样不得少于一次;每工作班拌制的同一配合比的混凝土不足100盘时,取样不得少于一次;当一次连续浇筑超过100m3时,同一配合比的混凝土每200m3的取样不得少于一次;每一楼、同一配合比的混凝土取样不得少于一次;每次取样应至少留置一组标准养护试件,同条件养护试件的留置组数应根据实际需要确定。