公路桥梁桩基检测与质量评定
- 格式:doc
- 大小:25.50 KB
- 文档页数:3
公路工程质量查验评定标准4路基土石方工程4.1 一般规定4.1.1 土方路基和石方路基的实测项目技术指标的规定值或同意误差按高速公路、一级公路和其余公路 ( 指二级及以下公路 ) 两档设定,此中土方路基压实度按高速公路和一级公路、二级公路、三四级公路三档设定。
4.1.2 本章规定的实测项目的检查频次,假如检查路段以延米计时,则为双车道公路每一检查段内的最低检查频次:多车道公路一定按车道数与双车道之比,相应增添检查数目。
4.1.3 路基压实度须分层检测,并切合附录 B 规定。
路基其余检查项目均在路基项面进行检查测定。
4.1.4 路肩工程可作为路面工程的一个分项工程进行检查评定。
4.1.5 服务区泊车场、收费广场的土方工程压实标准可按土方路基要求进行监控。
4.2 土方路基4.2.1 基本要求1)在路基用地和取土坑范围内,应消除地表植被、杂物、积水、淤泥和表土,办理坑塘,并按规范和设计要求对基底进行压实。
2)路基填料应切合规范和设计的规定,经仔细检查、试验后合理采纳。
3)填方路基须分层填筑压实,每层表面平坦,路拱适合,排水优秀。
4)施工暂时排水系统应与设计排水系统联合,防止冲洗边坡,勿使路基邻近积水。
5)在设定取土区内合理取土,不得滥开滥挖。
竣工后应按要求对取土坑和弃土场进行修整,保持合理的几何外形。
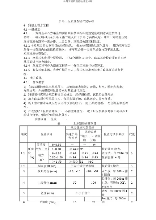
实测项目见表。
表土方路基实测项目规定值或同意误差项次检查项目高速公路其余公路检查方法和频次权值二级公三、四级一级公路路公路零填及0~0.30——94压实挖方( m) 0~0.80≥ 96≥ 95—按附录 B 检查。
1△度填方0~0.80≥ 96≥ 95≥94密度法:每 200m每3(%)0.80~1.50≥ 94≥ 94≥93压实层测 4 处( m)> 1.50≥ 93≥ 92≥902△弯沉 (0.01mm)不大于设计要求值按附录 I 检查3 3纵断高程 (mm)+10,-15+10,-20水平仪 : 每 200m测24 断面经纬仪 : 每 200m测4中线偏位 (mm)50100 4 点,弯道加 HY、2YH两点5宽度 (mm)不小于设计米尺 : 每 200m测 42处6平坦度 (mm)15203m直尺 : 每 200m测22 处× 10 尺7横坡 (%)±0.3± 0.5水平仪 : 每 200m 测 4 1个断面8边坡不陡于设计值尺量 : 每 200m 测 41处注:①表列压实度以重型击实试验法为准,评定路段内的压实度均匀值下置信界线不得小于规定标准, 单个测定值不得小于极值 ( 表列规定值减 5 个百分点 ) 。
桥梁桩基检测管理实施细则一、总则为确保xxxx公路建设稳步推进,及时提供检测数据、科学指导施工、规范桩基检测行为、准确评价桥梁桩基的施工质量,加强xx项目桩基检测管理,根据相关技术规范、xx高速公路桩基检测招标文件和相关文件的要求,认真做好桥梁基桩检测、评定工作,特制定本细则。
二、基本要求(一)桩基检测采用超声波透射法检测,检测频率为100%。
检测目的:1、桩身完整性、均质性;2、检测桩基的缺陷情况;3、判定桩结构的混凝土强度等质量情况,并为验收提供依据。
检测依据:1、《公路工程基桩动测技术规程》JTG/T F81-01-2004;2、《建筑基桩检测技术规范》JGJ106-2003;3、《公路工程质量检验评定标准》JTGF80/1-2004;4、《钻芯法检测混凝土技术规程强度》CECS03:20075、合同执行期间国家颁布的其他相关标准和技术规范、规程6、指挥部下发的有关要求和通知、规定等(二)对桩基进行声测后,按要求进行钻芯取样检测,检测频率为5%,且保证每座大、中桥至少1棵。
三、检测程序桩基检测必须在成桩不少于7天后进行,施工单位必须根据7天混凝土抗压强度作为依据,向监理工程师提交桩基检测申请书(附表1),由驻地办通知检测单位进行检测,同时监理工程师全程参与,必要时通知总监办派人参加。
桩基检测单位必须在施工单位报检的2天内及时到达现场进行检测,检测完成后24小时内向指挥部提交检测报告,并对出具的检测报告全权负责。
(一)准备阶段检测单位进场后应立即与相对应合同段的监理单位联系,掌握工程概况及与检测工作有关的工程数量、工程进度等内容。
(二)检测阶段由指挥部统一安排实施,由驻地办监督,施工单位紧密做好各项配合工作。
(三)结果处理1.检测单位对检测结果的真实性、准确性、客观性负责,检测中间成果提交的报告份数为四份(报告必须直接提交至指挥部,指挥部审查无误后分发,指挥部、驻地办、施工单位、检测单位各一份),同时,指挥部将根据报告结果下发准许下道工序施工的通知,否则施工单位不得进行下道工序的施工和计量。
浅谈路桥基桩检测方法发布时间:2023-04-25T09:16:35.830Z 来源:《中国建设信息化》2023年第28卷第1期作者:李平[导读] 近年来,我国公路交通事业发展迅猛。
以国家提出的《交通强国建设纲要》2035年发展目标李平四川省广元市昭化区元坝镇滨河路102号 628021摘要近年来,我国公路交通事业发展迅猛。
以国家提出的《交通强国建设纲要》2035年发展目标,交通基础设施成为了发展的重点。
交通基础设施建设质量安全工作事关交通运输行业高质量发展,事关人民群众生命财产安全,事关经济社会稳定发展,抓好质量安全工作功在当代、利在千秋。
而我国桥梁采取的是以桩基为基础。
桩基的关键又在于基桩的完整性和承载力。
本文以路桥基桩完整性和承载力为切入点,重点分析基桩检测。
关键词:基桩;承载力;检测方法;完整性引言随着我国综合国力的不断提升,经济水平的不断提高,路桥建设也实现了迅速发展。
由于路桥建设是发展国民经济的重要途径,故而对路桥工程的需求量越来越大,越来越多的路桥工程开始建设。
在路桥应用过程中也会存在许多问题,我国每年都有不少由于桩基承载力不符合要求而导致路桥破损、塌陷继而无法使用的情况发生,造成不可估量的损失。
为了切实避免路桥基桩不完整,造成承载力不符合规定要求的情况发生,除了强化施工之外,还要做好质量检测,基桩完整性和承载力的检测工作就是其中非常重要的一项检测。
本文以此重点讨论单桩基桩完整性及承载力检测方法。
一、名称定义1、单桩承载力定义单桩承载力是指单桩在荷载作用下,地基土和桩本身的强度和稳定性均能得到保证,变形也在容许范围内,以保证结构物的正常使用所能承受的最大荷载。
一般情况下,桩受到轴向力、横轴向力及弯矩作用,因此须分别研究和确定单桩的轴向承载力和横轴向承载力。
桩的承载力是桩与土共同作用的结果。
2、单桩完整性定义单桩桩身完整性是反映桩身截面尺寸相对变化、桩身材料密实性和连续性的综合定性指标。
,影响桩承载力的主要因素是桩身强度和地基土对桩的支承能力(摩擦、端承) 。
现行的质量评定标准将桩的混凝土试块强度等级作为质量检验的保证项目之一,这无疑是必需的。
但是,在工程实践中,往往遇到混凝土试块强度等级与动测推断的结果不尽一致的情况,于是有关方面会各执一词,使得对桩基质量难下定论。
事实上,桩基工程的工况远比上部结构复杂,施工又存在不可预见性,一味强调试块强度等级,会有失公允,对于一般工业与民用建筑的二、三类桩基,只要是委托资质过硬的检测单位测试,依据反射波法推测的桩身强度等级,应该可以作为质量评定的主要依据。
因为,室内实验表明,混凝土强度等级与弹性波速有较好的相关性。
不过,桩的检测数量和部位必须符合设计和现行规范的要求。
混凝土试块强度等级作为现浇混凝土质量控制的必要手段,可以辅助评定和分析。
2.2 桩承载力桩基的质量,说到底是其承载力必须符合设计要求。
然而,如此一项重要内容在现行的质量验评标准中却没有提及。
标准的保证项目中要求:施工的“原材料和混凝土强度必须符合设计要求和施工规范的规定”,“成孔深度必须符合设计要求”等等,是很有必要的,但施工常识表明,这些与保证桩的承载力没有必然的因果联系。
对于二、三类桩基的单桩承载力,现行做法一般不先通过试桩和静载荷试验来确定,而是由设计人员根据地质报告提供的资料进行计算,直接在施工图中明确其标准值,之后便进入试桩和施工阶段。
在这种情况下,经过对工程桩动测所得的单桩承载力,严格而言,是提供对地质资料和设计计算的检验和复核,而不能单纯用来评判施工质量。
当然,凭借可靠的地质勘探和成熟的施工工艺,大量的工程实践已经表明,动测结果与设计计算多数可以基本吻合,现行的国家行业规范也因此肯定这样做。
但是,实践中往往遇到这样的情形;动测反映的单桩承载力与设计值不符,有时甚至差值-5%,或者更小。
尽管经设计人员验算可以不作处理,但是,质检部门却不放行。
所以,桩承载力不仅必须列入质量验评标准,而且还要定一个合理的度量值。
公路桥梁交工验收的常见质量问题与检测方法1、概述1.1交工验收相关规定1)公路工程交工验收工作一般按合同段进行,并应具备以下条件:(一)合同约定的各项内容已全部完成。
各方就合同变更的内容达成书面一致意见。
二)施工单位按《公路工程质量检验评定标准》及相关规定对工程质量自检合格。
三)监理单位对工程质量评定合格。
四)质量监督机构按“公路工程质量鉴定办法”对工程质量进行检测,并出具检测意见。
检测意见中需整改的问题已经处理完毕。
(五)竣工文件按公路工程档案管理的有关要求,完成收集、整理及归档工作。
六)施工单位、监理单位完成本条约段的事情总结报告。
2)组织:交工验收事情由工程法人负责组织。
3)评分:合同段工程质量评分采用所含各单位工程质量评分的加权平均值。
4)合格:工程质量评分大于或即是75分为合格。
5)不合格、缺陷:交工验收不合格的工程应返工整改,直至合格。
交工验收提出的工程质量缺陷等遗留问题,由项目法人责成施工单位限期完成整改。
1.2公路桥梁交工检测根据《细则》,公路桥梁工程的交工验收需要同时满足以下条件:1)总体要求:结构安全稳定,混凝土强度、桩基检测、预应力构件的张拉应力、桥梁承载力等均符合设计要求;2)质量鉴定:工程实体检测、外观检查和内业资料审查。
在现场需要开展的公路桥梁交工检测项目:工程实体检测、外观检查、荷载试验(承载力)。
其他工程首要经由进程资料审查举行评定。
2、桥梁工程实体检测2.1抽检频率1)小桥抽查不少于总数的20%且每种类型抽查不少于1座。
2)特大桥、大桥逐座检查;中桥抽查不少于总数的30%且每种桥型抽查不少于1座。
3)桥梁下部工程抽查不少于墩台总数的20%且不少于5个,墩台数量少于5个时全部检测。
每种结构型式抽查不少于1个。
4)桥梁上部工程抽查不少于总孔数的20%且不少于5个,孔数少于5个时全部检测。
每种结构型式抽查不少于1个。
2.2抽检项目2.3抽查要求1)以上抽查项目均应在合同段交工验收前完成检测。
分项工程实体检测项目一、路基工程1、土方路基表4.2.2 土方路基实测项目外观质量1)路基边线与边坡不应出现单项累计长度超过50m的弯折。
2)路基边坡、护坡道、碎落台不得有滑坡、塌方或深度超过100mm的冲沟。
2、填石路基表4.3.2 填石路基实测项目注:①上下路床填土时压实度标准同土方路基。
②土石混填路基压实度可根据实际可能进行检验。
外观质量1)路基边线与边坡不应出现单项累计长度超过50m的弯折。
2)上边坡不得有危石。
3、软土地基处置表4.4.2-1 砂垫层实测项目基本要求应分层碾压施工;砂垫层宽度应宽出路基边角0.5-1m,两侧端以片石护砌;砂垫层厚度及其上铺设的反滤层应满足设计要求。
4、加筋工程土工合成材料处置层表4.5.2-1 加筋工程土工合成材料处置层实测项目外观质量1)土工合成材料无重叠、皱折。
2)土工合成材料固定处不应松动二、排水工程1、浆砌水沟表5.6.2 浆砌水沟实测项目外观质量1)砌体抹面不得有空鼓。
2)沟内不应有杂物,无排水不畅。
2、盲沟表5.7.2 盲沟实测项目外观质量进出水口不应排水不畅。
三、防护支挡工程1、砌体、片石混凝土挡土墙表6.2.2-1 浆砌挡土墙实测项目表6.2.2-3 片石混凝土挡土墙实测项目砌体、片石混凝土挡土墙外观质量应符合下列规定:1)浆砌缝开裂、勾缝不密实和脱落的累计换算面积不得超过该面面积的1.5%,且单个最大换算面积不应大于0.08m2。
换算面积应按缺陷缝长度乘以0.1m 计算。
2)混凝土表面不应存在本标准附录P 所列限制缺陷。
3)墙体不得出现外鼓变形。
4)泄水孔应无反坡、堵塞。
2、悬臂式和扶壁式挡土墙表6.3.2 悬臂式和扶壁式挡土墙实测项目悬臂式和扶壁式挡土墙外观质量应符合下列规定:1)混凝土表面不应存在本标准附录P所列限制缺陷。
2)墙体不得出现外鼓变形。
3)泄水孔应无反坡、堵塞。
3、边坡锚固防护表6.6.2-1 锚杆、锚索实测项目注:实际工程中未涉及的项目不检查。
桩基质量评定准则
引言
桩基作为土建工程中重要的基础形式,决定着工程的稳定性和安全性。
因此,在工程的建设和施工过程中,如何对桩基的质量进行科学的评定和检测,显得尤为重要。
本文将介绍桩基质量评定的基本原则和标准,以期为工程建设提供指导意义。
基本原则
桩基的质量评定应当遵循以下基本原则:
1. 评定标准应当符合相关法律法规的规定;
2. 评定标准应当具有科学性和实用性,能够反映桩基的实际质量;
3. 评定应当全面、客观、公正、准确。
评定标准
桩基的质量主要包括以下几个方面:
1. 承载力:即桩基的承载能力,应当符合国家和地方的相关标准和规范;
2. 稳定性:即桩基在不同荷载下的稳定性,应当符合国家和地方的相关标准和规范;
3. 基桩直径、深度、弯曲度、坚实程度等技术指标,应当符合国家和地方的相关标准和规范;
4. 桩身的质量:包括桩身的质量、强度、防腐、防锈等技术指标,应当符合国家和地方的相关标准和规范;
5. 验收评定:应当制定严格的验收标准和评定标准,确保评定的客观性、公正性和准确性。
结论
桩基质量评定的准则应当遵循相关法律法规和基本原则,同时考虑到桩基的承载力、稳定性、技术指标等方面的要求。
只有严格遵循评定标准和验收标准,才能够确保桩基的质量,从而保障土建工程的安全性和稳定性。
公路桥梁质量检测与评估方案安徽省徽通路桥工程检测有限公司二0一一年七月目录一、检测目的 (1)二、检测依据 (1)三、桥涵工程试验检测内容、方法、频率 (3)四、桥梁工程技术状况评定 (7)五、养护、维修建议 (18)六、工作安排 (18)七、安全保证措施 (22)八、其他建议 (24)九、桥梁定期检查记录表 (24)公路桥梁质量检测与评估方案一、检测目的为保证桥梁处于完好的技术状态,提高其服务水平,延长其使用年限,对桥梁需进行检测和评定,即通过对桥梁结构与部件的材料质量和工作性质方面所存在的缺损状况进行全面、细致、深入的现场检查,查明缺陷或潜在病害的性质、所在部位、严重程度与发展趋势,弄清缺损产生的原因,尤其对病害较严重的部件的技术状态和安全状态作出特别说明。
对桥梁技术状况和承载能力作出一般评定和适应性评定,为下一步桥梁的维修加固设计提供具体技术资料。
二、检测依据1、《公路桥梁养护技术规范》(JTG H11-2004);2、《公路桥涵施工技术规范》(JTJ 041-2000);3、《回弹法检测砼抗压强度技术规程》(JGJ/T23-2001);4、《公路工程技术标准》(JTG B01-2003);5、《公路交通安全设施设计规范》(JTG D81-2006);6、《公路工程质量检验评定标准》(JTG F80/1-2004);7、《公路桥涵设计通用规范》(JTG D60-2004);8、《公路工程水文勘测设计规范》(JTG C30-2002);9、《公路技术状况评定标准》(JTG H20-2007);10、《公路桥涵养护规范》(JTG H11-2004);11、《公路钢筋砼与预应力砼桥涵设计规范》(JTG D62-2004);12、《公路圬工桥涵设计规范》(JTG D61-2005);13、《公路桥涵地基与基础设计规范》(JTG D63-2007);14、《砼中未涂覆的预应力钢筋的半电池电势的试验方法》;15、公路桥涵试验检测技术;16、批准的工程设计文件、变更设计文件与监理签认的有关文件、施工资料等;17、其它现行的相关设计、施工技术规范与其它有关试验检测规程;18、委托检测合同。
桥梁桩基完整性监理抽检频率要求
1、桥梁桩基应进行桩身完整性和单桩承载力检测。
2、一般情况下,桥梁桩基检测频率须同时按下列三种情况进行:(1)桩身完整性无破损检测(100%):桩基的桩身完整性采用声波透射法或低应变法按100%的频率进行检测,用低应变检测。
具体比例根据桩长、桩周土等情况按项目确定。
(2)指定抽芯:(特)大、中桥按大于2%的比例(同时中桥不少于1根,大桥不少于2根)采用抽芯法检验桩身质量及桩底支承情况。
(3)承载力检测:(特)大桥按大于3%的比例(同时不少于2根)采用高应变法或静载法进行桩基承载力检测试验。
3、对(1)检测桩身质量有疑问的不评定桩或不合格桩,须进一步进行抽芯或承载力验证检测。
对(2)、(3)检测出现不符合设计和规范要求的桥梁,须加大检测频率。
桥梁桩基检测规程道客
桥梁桩基检测规程是指在桥梁建设过程中,对桥梁的桩基进行检测的一系列规定和流程。
桥梁桩基检测的目的是为了确保桥梁的桩基质量达到设计要求,保证桥梁的安全和可靠性。
桥梁桩基检测规程一般包括以下内容:
1. 检测目的和范围:明确桥梁桩基检测的目的和范围,包括检测的具体要求和标准。
2. 检测方法和仪器:列举桥梁桩基检测的常用方法和仪器,如钻孔、静载、动载等方法,以及相应的仪器设备。
3. 检测方案和程序:制定桥梁桩基检测的方案和程序,包括检测前的准备工作、检测过程中的操作要求和注意事项等。
4. 检测数据和报告:规定桥梁桩基检测的数据记录和报告要求,包括检测数据的采集和处理方法,以及报告的格式和内容等。
5. 检测结果评定:确定桥梁桩基检测结果的评定标准,包括合格、不合格等评定标准,并对不合格的情况提出相应的处理措施和建议。
桥梁桩基检测规程对于确保桥梁的安全和可靠性具有重要意义,可以提高桥梁的设计、施工和维护水平,保护人民群众的生命财产安全。
人工挖孔桩施工施工质量检测与验收标准施工质量检测与验收标准人工挖孔桩是一种常用的地基处理方法,广泛应用于建筑、桥梁、高速公路等工程中。
为了确保施工质量,需要对人工挖孔桩的施工过程进行检测与验收。
本文将详细介绍人工挖孔桩施工质量检测与验收的标准。
一、挖孔桩孔径检测人工挖孔桩的孔径是直接影响桩基承载力的重要因素之一。
在施工过程中,应进行孔径的检测。
孔径检测的具体内容包括以下几个方面:1. 挖孔直径的测量:使用测量仪器对挖孔的直径进行准确测量,以确保符合设计要求。
2. 挖孔偏斜的检测:通过使用孔墙等辅助工具,测量挖孔是否存在偏斜现象,确保孔壁垂直度符合标准。
3. 孔底洞冲程的测量:对挖孔桩的孔底进行洞冲处理,测量洞冲的深度,确保洞冲的长度符合要求。
二、挖孔桩钢筋笼检测挖孔桩的钢筋笼是支撑和加固桩身的重要组成部分,其质量直接影响整个桩基的承载力和稳定性。
在施工过程中,应对挖孔桩的钢筋笼进行检测。
具体的检测内容如下:1. 钢筋笼的尺寸检测:测量钢筋笼的长度、直径、栓钉位置等参数,确保符合设计要求。
2. 钢筋笼的纵向间距检测:测量钢筋笼纵向钢筋的间距,确保间距均匀、合理。
3. 锚固长度的检测:测量钢筋笼与桩身的锚固长度,确保锚固效果良好。
4. 钢筋笼的绑扎质量检测:检查钢筋笼的绑扎是否牢固、对齐,确保钢筋笼的整体质量。
三、挖孔桩灌注混凝土质量检测挖孔桩的灌注混凝土是为了固定钢筋笼、达到加固桩身效果而施工的。
在施工过程中,应对灌注混凝土的质量进行检测。
具体的检测内容如下:1. 灌注混凝土的配合比检测:通过取样、试验等方法,检测灌注混凝土是否符合设计配合比。
2. 流动性检测:使用流动度仪器等工具,测量灌注混凝土的流动性,确保施工过程中混凝土的可流动性。
3. 压实度检测:使用压实度仪器等工具,测试灌注混凝土的密实度,确保桩身的均匀致密。
四、挖孔桩负荷试验与验收挖孔桩的承载力是核心指标之一,需要通过负荷试验来验证。
广东省公路工程基桩检测工作实施意见为进一步加强我省公路工程基桩检测工作管理,规范基桩试验检测工作行为,统一基桩检测方法及频率,保证基桩检测结果的有效性和准确性,确保基桩施工质量,根据国家、交通部和我省的有关规定,结合我省公路工程的实际情况,对公路工程的基桩检测工作提出以下实施意见,请认真贯彻执行:1.编制依据1.1 《公路建设市场管理办法》(交通部令2004年第14号)1.2 《公路工程试验检测机构资质管理暂行办法》(交通部公监字[1997]162 号)1.3 《公路桥涵施工技术规范》(JTJ041-2000)1.4 《建筑基桩检测技术规范》(JGJ106-2003 J256-2003)1.5 《公路工程质量检验评定标准》(JTG F80/1-2004)1.6 《公路工程基桩动测技术规程》(JTG/T F81-01-2004)1.7 《公路工程石料试验规程》(JTG E41-2005)1.8 《广东省公路、水运试验检测人员资质管理暂行办法》(粤交基函[2001]957号文)1.9 《关于进一步加强我省交通建设工程桩基抽芯检测工作管理的通知》(粤交基函[2002]733号)1.10 广东省《基桩反射波法检测规程》(DBJ15-27-2000)1.11 广东省《基桩和地下连续墙钻芯检验技术规程》(DBJ15-28-2000)2.试验检测单位基桩检测单位必须同时具备①省级及以上质量技术监督主管部门颁发的计量认证合格证书(即有CMA证章)②省级及以上交通主管部门相应资格认定并具有公路工程基桩检测相应资质。
建设单位应严格执行市场准入管理规定,根据工程实际情况选择具有相应资质的基桩检测单位,并在检测工作开始以前将基桩检测单位资料报备该工程的质量监督部门,质量监督部门依法监督其实施情况。
基桩检测单位应对其检测工作质量及所出具的检测报告负责。
3.试验检测人员基桩检测人员应具有良好的职业道德,高度负责的责任心,具有相应的理论知识和实践经验,并取得与申报专业相应的试验检测执业资格证书、交通部工程试验检测业务培训结业证书或省交通工程质量监督站组织或认可的培训结业证书,持相应试验检测业务范围的证书上岗。
附录A 单位、分部及分项工程的划分注:①表内标注*号者为主要工程,评分时给以2的权值;不带*号者为一般工程,权值为1。
②按路段长度划分的分部工程,高速公路、一级公路宜取低值,二级及二级以下公路可取高值。
③斜拉桥和悬索桥可参照附表A-2进行划分。
④护岸参照挡土墙。
附表A—2 特大斜拉桥和悬索桥为主体建设项目的工程划分注:①表内标注*号者为主要工程,评分时给以2的权值;不带*号者为一般工程,权值为1。
附录B 路基、路面压实度评定B.0.1 路基和路面基层、底基层的压实度以重型击实标准为准。
沥青层压实度以(沥青路面施工技术规范)的规定为准。
对于特殊干旱、潮湿地区或过湿土,以路基设计施工规范规定的压实度标准进行评定。
B.0.2 标准密度应作平行试验,求其平均值作为现场检验的标准值。
对于均匀性差的路基土质和路面结构层材料,应根据实际情况增补标准密度试验,求得相应的标准值,以控制和检验施工质量。
B.0.3 路基、路面压实度以1~3km长的路段为检验评定单元,按本标准各有关章节要求的检测频率进行现场压实度抽样检查,求算每一测点的压实度K。
细粒土现场压实度检查可以采用灌砂法或环刀法;粗粒土及路面结构层压实度检查可以采用灌砂法、水袋法或钻孔取样蜡封法。
应用核子密度仪时,须经对比试验检验,确认其可靠性。
检验评定段的压实度代表值K(算术平均值的下置信界限)为:式中:K=k-ta/√ ̄n*S≥K0式中:K—检验评定段内务测点压实度的平均值;ta—分布表中随测点数和保证率(或置信度a)而变的系数;ta见附表B。
采用的保证率:高速公路、一级公路:基层、底基层为99%,路基、路面面层为95%;其他公路;基层、底基层为95%,路基、路面面层为90%;S—检测值的标准差;n—检测点数;K0—压实度标准值。
路基、基层和底基层:K≥K0,且单点压实度K i全部大于等于规定值减2个百分点时,评定路段的压实度合格率为100%;当K≥K0,且单点压实度全部大于等于规定极值时,按测定值不低于规定值减2个百分点的测点数计算合格率。
公路桥梁桩基检测与质量评定
摘要重点分析当前我国公路桥梁桩基检测的主要方法及桩基质量的控制和分类,通过对桩基检测方法的比较,总结出桩基检测方法的主要对象及一定的评定标准。
关键词桩基;检测;质量;评定
随着公路的大量修建,做为桥梁基础的桩基础亦大量使用。
其桩基础的检测及质量不可避免的被人们越来越关注。
从目前国内情况来看,对钢筋混凝土桩都能做到100%的检测,其它半刚性桩检测达到10%左右。
而桩基的检测对于控制桩基的质量和保证公路建设中桥梁的使用功能及交通安全起到了极其重要的作用。
然而,目前的检测方法和质量评价中存在着一些明显的问题,如检测人员水平参差不齐,对质量评价的标准理解上的差异导致对桩基质量判别的明显偏差,以及一些非技术因素导致的错判和漏判等都会对工程质量造成严重隐患。
当前公路桥梁桩基检测主要的两类方法是钻芯法和动测法。
现在绝大多数桥梁桩基的检测均用动测法,动测法分为二种:一种是低应变法,另一种是声波透射法。
前者是在桩内时域和幅频信号无明显缺欠反映的桩称之为合格;后者则是声学参数无异常和无声速低于低限值异常,没有出现一个剖面的两个测点声学参数异常或没有两个或两个以上剖面在同一深度声学参数异常及声速低于低限值异常的桩称之为合格。
1公路桥梁桩基现行的质量分类
国内各省市在公路建设时,对桥梁桩基础都按100%的比例进行动测法检测,质量分类标准由于规范上没有明确规定,存在着较大的差异。
一般来讲,按质量优劣分为四类:
1.1完整桩
动测波形规则衰减,桩身完好,达到设计桩长,波速正常,混凝土强度达到设计标号。
一般情况下,单纯扩径的桩也列入此类。
1.2基本完整桩
动测波形有小畸变,桩底反射清晰,桩身有小缺陷,如轻度缩径、局部轻度离析等,推测对单桩承载力及横向剪切力没有太大影响,桩身混凝土波速正常,可达到混凝土设计标号。
1.3缺陷桩
动测波形出现较明显的不规则反射,对应桩身缺陷如裂纹、离析、缩径、夹
泥等;桩身混凝土波速偏低从而达不到设计标号,对单桩承载力有一定的影响,该类桩一般要求设计单位复核单桩承载力后提出是否处理意见。
1.4严重缺陷桩
动测波形严重畸变,对应桩身缺陷如裂缝、严重离析、夹泥、严重缩径、断桩等。
该类桩一般不能使用,需进行工程处理。
2对公路桥梁桩基质量控制和分类的分析
2.1质量控制
对于桥梁桩基来讲,由于处在重要的工程部位,有时是一桩一柱的基础,这就要求它必须是100%合格。
桩基质量控制主要在其形成过程中,在成孔和灌注两方面控制好,无疑不会出现不合格桩。
现场监理工程师的监督也是质量保证的一个重要条件。
2.2质量分类
以上四种分类看似比较全面,各类桩基都可对号入座,但我们在实践中发现,有些问题是比较难掌握的。
比如对于桩长的检测,由于混凝土桩基本身因径缩,离析等缺陷往往测出桩长大于设计桩长;也有可能由混凝土灌注桩初灌混凝土没有封好桩底造成短桩。
但这种情况通过取芯验证是不准确的。
另外,对于Ⅱ类及Ⅲ类桩的区别,不同检测,监理单位及不同检测人员有不同的理解。
首先由于导致动测波形出现较明显不规则的因素较多,其次缺陷的严重程度的判定更是因人而异无量化指标依据,再者桩基缺陷的出现深度对桩基质量判别有较大影响。
3动测与钻芯两种检测方法的比较
桩基动测法中低应变反射波检测方法是建立在一系列假设前提条件下的,它首先假设桩是一个等截面、均质(各项同性)的一维直竿且横截面的直径远小于竿的长度,竿侧及竿端物质的密度明显小于竿的密度。
只有这样才可应用弹性直竿中波传播的理论和波动方程解释工程桩的完全性问题。
因此不仅检测人员,建设单位主管及相关监理人员也应当清楚作为低应变主要检测方法的反射波的应用是有前提的,其检测结果对正常桩是有效的。
特殊情况下,现场监理在灌注过程中发现的问题比任何检测方法都及时和准确。
钻芯检测法因其优点突出即直观,而引起人们的广泛重视。
但该方法成本高昂,钻芯需较长时间,使得人们无法在大范围内广泛应用。
另外钻芯法的代表性也受到质疑,特别在确定缩径等缺陷时更是无能为力,一般地说钻芯法在确定桩身质量有较强的说服力,对确定断桩、夹泥、离析也有一定的优势。
芯样取率要达到100%。
它要求技术人员有丰富的实践经验,对钻进过程所遇到的各种情况要有完整,准确的记录。
有时断桩部位在钻芯过程中只反应为几或十几厘米的突然掉钻,如不能准确记录下来,从提取的芯样上很难判断出严重的缺陷。
因此,钻芯检测法主要是对动检测法的一个补充,重点是对混凝土质量有怀疑的合格桩及动测评为不合格缺陷桩进行验证。
深度不大的径缩缺陷采用开挖方法予以验证。
4结束语
实践证明,只要严格按有关操作规程施工,就现有的技术设备条件而论,正常情况下应有95%的桥梁基桩为Ⅰ类桩。
确有问题但又不必进行工程处理的Ⅱ类桩的数量也不应大于5%,地表附近的径缩缺陷桩处理后可按合格桩提交报告。
对于常年地下水位以下(一般为8~10m左右)的缺陷尽管较严重,但只要有桩底反射,一般可不判为不合格桩。
对于常年地下水位以上的缩径缺陷,尽管有桩底反射存在,则应果断判为Ⅲ类桩,须处理后才能使用,因为不仅是桩身完整性受到影响,裸露的钢筋在常年地下水位以上部位时由于受游离氧的氧化若干年后将不复存在,这将明显影响桥梁基础的抗剪切能力,从而影响其安全性。
同样的缺陷若出现在常年地下水位以下,由于没有游离氧的氧化作用,裸露的钢筋始终不会锈蚀,故可判为Ⅱ类桩。
值得提出的是,钻芯检测的主要对象是对混凝土质量有怀疑的合格桩和需要验证的不合格桩。
参考文献
[1]罗骐先.桩基工程检测手册[M].北京:人民交通出版社,2003.
[2]地矿部勘查技术JGJ/13-95.桩基低应变动力检测规程[S].北京:中国建筑工业出版社,1995.
[3]杨燕军,王雪峰.桩基动测分析指南.武汉:武汉岩海工程技术开发公司,1995.
[4]张世洪,刘道方.基桩动测与工程物探经验交流[C].云南:云南省地球物理学会,1998.
[5]朱理生.反射波法的局限性分析及其对策[J].交通科技与经济2004,2.。