钢管落地卸料平台计算书解析
- 格式:doc
- 大小:121.00 KB
- 文档页数:8
钢管落地卸料平台计算书计算依据:1、《建筑施工扣件式钢管脚手架安全技术规范》JGJ130-20112、《建筑施工高处作业安全技术规范》JGJ80-20163、《建筑地基基础设计规范》GB50007-20114、《建筑结构荷载规范》GB50009-20125、《钢结构设计规范》GB50017-2003一、架体参数平台水平支撑钢管布置图卸料平台平面示意图四、板底支撑(纵向)钢管验算1k1kG2k= g2k×l b/5 =0.350×0.50/5=0.035kN/m;Q1k= q1k×l b/5 =30.000×0.50/5=3.000kN/m;Q2k= q2k×l b/5 =2.000×0.50/5=0.200kN/m;1、强度计算板底支撑钢管按均布荷载作用下的三等跨连续梁计算。
q1=1.2 ×(G1k+G2k)= 1.2×(0.033+0.035)=0.082kN/m;q2=1.4×(Q1k+Q2k)= 1.4×(3.000+0.200)=4.480kN/m;板底支撑钢管计算简图M max=(0.100×q1+0.117×q2)×l2=(0.100×0.082+0.117×4.480)×0.502=0.133kN·m;R max=(1.100×q1+1.200×q2)×l=(1.100×0.082+1.200×4.480)×0.50=2.733kN;σ=M max/W=0.133×106/(4.49×103)=29.639N/mm2≤[f]=205.00N/mm2;满足要求!2、挠度计算q'=G1k+G2k=0.033+0.035=0.068kN/mq'=Q1k+Q2k=3.000+0.200=3.200kN/mR'max=(1.100×q'1+1.200×q'2)×l=(1.100×0.068+1.200×3.200)×0.50=1.957kN;ν=(0.677q'1l4+0.990q'2l4)/100EI=(0.677×0.068×(0.50×103)4+0.990×3.200×(0.50×103)4)/( 100×206000.00×10.78×104) =0.090mm≤min{500.00/150,10}mm=3.333mm 满足要求!五、横向支撑钢管验算管为双钢管,因此集中荷载P取板底支撑钢管传递最大支座力的一半。
落地式卸料平台扣件钢管支撑架计算书高支撑架的计算参照《建筑施工扣件式钢管脚手架安全技术规范》(JGJ130-2001)。
支撑高度在4米以上的模板支架被称为扣件式钢管高支撑架,对于高支撑架的计算规范存在重要疏漏,使计算极容易出现不能完全确保安全的计算结果。
本计算书还参照《施工技术》2002.3.《扣件式钢管模板高支撑架设计和使用安全》,供脚手架设计人员参考。
模板支架搭设高度为8.0米,搭设尺寸为:立杆的纵距 b=1.50米,立杆的横距 l=1.50米,立杆的步距h=1.50米。
图落地平台支撑架立面简图图落地平台支撑架立杆稳定性荷载计算单元采用的钢管类型为48×3.5。
一、基本计算参数[同上]二、纵向支撑钢管的计算纵向钢管按照均布荷载下连续梁计算,截面力学参数为截面抵抗矩 W = 5.08cm3;截面惯性矩 I = 12.19cm4;纵向钢管计算简图1.荷载的计算:(1)脚手板与栏杆自重(kN/m):q11 =0.000+0.350×0.500=0.175kN/m(2)堆放材料的自重线荷载(kN/m):q12 = 1.000×0.500=0.500kN/m(3)活荷载为施工荷载标准值(kN/m):经计算得到,活荷载标准值 q2 = 0.200×0.500=0.100kN/m2.抗弯强度计算最大弯矩考虑为三跨连续梁均布荷载作用下的弯矩。
最大弯矩考虑为静荷载与活荷载的计算值最不利分配的弯矩和,计算公式如下:最大弯矩计算公式如下:最大支座力计算公式如下:静荷载 q1 = 1.2×0.175+1.2×0.500=0.810kN/m活荷载 q2 = 1.4×0.100=0.140kN/m最大弯矩 Mmax=(0.10×0.810+0.117×0.140)×1.5002=0.219kN.m最大支座力 N = (1.1×0.810+1.2×0.14)×1.50=1.589kN抗弯计算强度 f=0.219×106/5080.0=43.13N/mm2纵向钢管的抗弯计算强度小于205.0N/mm2,满足要求!3.挠度计算最大挠度考虑为三跨连续梁均布荷载作用下的挠度计算公式如下:静荷载 q1 = 0.175+0.500=0.675kN/m活荷载 q2 = 0.100kN/m三跨连续梁均布荷载作用下的最大挠度V=(0.677×0.675+0.990×0.100)×1500.04/(100×2.06×105×121900.0)=1.121mm纵向钢管的最大挠度小于1500.0/150与10mm,满足要求!三、横向支撑钢管计算横向支撑钢管按照集中荷载作用下的连续梁计算集中荷载P取纵向板底支撑传递力,P=1.59kN1.59kN 1.59kN 1.59kN 1.59kN 1.59kN 1.59kN 1.59kN 1.59kN 1.59kN 1.59kN支撑钢管计算简图0.635支撑钢管弯矩图(kN.m)0.249支撑钢管剪力图(kN)经过连续梁的计算得到最大弯矩 Mmax=0.635kN.m最大变形 vmax=4.086mm最大支座力 Qmax=5.189kN抗弯计算强度 f=0.635×106/5080.0=125.08N/mm2支撑钢管的抗弯计算强度小于205.0N/mm2,满足要求!支撑钢管的最大挠度小于1500.0/150与10mm,满足要求!四、扣件抗滑移的计算纵向或横向水平杆与立杆连接时,扣件的抗滑承载力按照下式计算(规范5.2.5):R ≤ Rc其中 Rc ——扣件抗滑承载力设计值,取8.0kN;R ——纵向或横向水平杆传给立杆的竖向作用力设计值;计算中R取最大支座反力,R=5.19kN单扣件抗滑承载力的设计计算满足要求!当直角扣件的拧紧力矩达40--65N.m时,试验表明:单扣件在12kN的荷载下会滑动,其抗滑承载力可取8.0kN;双扣件在20kN的荷载下会滑动,其抗滑承载力可取12.0kN。
落地式卸料平台扣件钢管支撑架计算书计算依据1《建筑施工扣件式钢管脚手架安全技术规范》(JGJ130-2011)。
计算参数:钢管强度为205.0 N/mm2,钢管强度折减系数取1.00。
模板支架搭设高度为4.1m,立杆的纵距 b=0.50m,立杆的横距 l=0.60m,步距 h=1.50m。
脚手板自重0.30kN/m2,栏杆自重0.15kN/m,材料最大堆放荷载10.00kN/m2,施工活荷载1.00kN/m2。
图落地平台支撑架立面简图图落地平台支撑架立杆稳定性荷载计算单元采用的钢管类型为48×2.8。
一、基本计算参数[同上]二、纵向支撑钢管的计算纵向钢管按照均布荷载下连续梁计算,截面力学参数为截面抵抗矩 W = 4.25cm3;截面惯性矩 I = 10.20cm4;纵向钢管计算简图1.荷载的计算:(1)脚手板与栏杆自重线荷载(kN/m):q1 =0.000+0.300×0.300=0.090kN/m(2)堆放材料的自重线荷载(kN/m):q21 = 10.000×0.300=3.000kN/m(3)施工荷载标准值(kN/m):q22 = 1.000×0.300=0.300kN/m经计算得到,活荷载标准值 q2 = 0.300+3.000=3.300kN/m2.抗弯强度计算最大弯矩考虑为三跨连续梁均布荷载作用下的弯矩。
最大弯矩考虑为静荷载与活荷载的计算值最不利分配的弯矩和,计算公式如下:最大弯矩计算公式如下:最大支座力计算公式如下:静荷载 q1 = 1.20×0.090=0.108kN/m活荷载 q2 = 1.40×0.300+1.40×3.000=4.620kN/m最大弯矩 M max=(0.10×0.108+0.117×4.620)×0.5002=0.138kN.m最大支座力 N = (1.1×0.108+1.2×4.62)×0.50=2.831kN抗弯计算强度 f=0.138×106/4248.0=32.45N/mm2纵向钢管的抗弯计算强度小于205.0N/mm2,满足要求!3.挠度计算最大挠度考虑为三跨连续梁均布荷载作用下的挠度计算公式如下:静荷载 q1 = 0.090kN/m活荷载 q2 = 0.300+3.000=3.300kN/m三跨连续梁均布荷载作用下的最大挠度V=(0.677×0.090+0.990×3.300)×500.04/(100×2.06×105×101950.0)=0.011mm 纵向钢管的最大挠度小于500.0/150与10mm,满足要求!三、横向支撑钢管计算横向支撑钢管按照集中荷载作用下的连续梁计算集中荷载P 取纵向板底支撑传递力,P=2.83kN2.83kN2.83kN 2.83kN 2.83kN 2.83kN A支撑钢管计算简图0.319 支撑钢管弯矩图(kN.m)1.951.95支撑钢管剪力图(kN)变形的计算按照规范要求采用静荷载标准值,受力图与计算结果如下:1.70kN1.70kN 1.70kN 1.70kN 1.70kN A支撑钢管变形计算受力图支撑钢管变形图(mm)经过连续梁的计算得到最大弯矩 M max=0.319kN.m最大变形 v max=0.163mm最大支座力 Q max=6.725kN抗弯计算强度 f=0.319×106/4248.0=74.98N/mm2支撑钢管的抗弯计算强度小于设计强度,满足要求!支撑钢管的最大挠度小于600.0/150与10mm,满足要求!四、扣件抗滑移的计算纵向或横向水平杆与立杆连接时,扣件的抗滑承载力按照下式计算:R ≤ R c其中 R c——扣件抗滑承载力设计值,取8.00kN;R ——纵向或横向水平杆传给立杆的竖向作用力设计值;计算中R取最大支座反力,R=6.73kN单扣件抗滑承载力的设计计算满足要求!五、立杆的稳定性计算荷载标准值作用于模板支架的荷载包括静荷载、活荷载和风荷载。
钢管落地卸料平台计算书计算依据:1、《建筑施工扣件式钢管脚手架安全技术规范》JGJ130-20112、《建筑施工高处作业安全技术规范》JGJ80-913、《建筑地基基础设计规范》GB50007-20114、《建筑结构荷载规范》GB50009-20125、《钢结构设计规范》GB50017-2003一、架体参数平台水平支撑钢管布置图卸料平台平面示意图卸料平台侧立面示意图四、板底支撑(纵向)钢管验算1k1kG2k = g2k×lb/5 =0.350×1.50/5=0.105kN/m;Q1k = q1k×lb/5 =0.600×1.50/5=0.180kN/m;Q2k = q2k×lb/5 =0.200×1.50/5=0.060kN/m;1、强度计算板底支撑钢管按均布荷载作用下的二等跨连续梁计算。
q1=1.2 ×(G1k+G2k)= 1.2×(0.033+0.105)=0.166kN/m;q2=1.4×(Q1k+Q2k)= 1.4×(0.180+0.060)=0.336kN/m;板底支撑钢管计算简图Mmax =0.125×(q1+q2)×l2=0.125×(0.166+0.336)×1.502=0.141kN·m;Rmax =1.25×(q1+q2)×l=1.25×(0.166+0.336)×1.50=0.941kN;σ=Mmax/W=0.141×106/(4.49×103)=31.420N/mm2≤[f]=205.00N/mm2;满足要求!2、挠度计算q'=G1k +G2k=0.033+0.105=0.138kN/mq'=Q1k+Q2k=0.180+0.060=0.240kN/mR'max =1.25×(q'1+q'2)×l=1.25×(0.138+0.240)×1.50=0.709kN;ν=(0.521q'1l4+0.192q'2l4)/100EI=(0.521×0.138×(1.50×103)4+0.192×0.240×(1.50×103)4)/(100×206000.00×10.78×104) =0.269mm≤min{1500.00/150,10}mm=10.000mm 满足要求!五、横向支撑钢管验算横向支撑钢管按照均布荷载和集中荷载下两跨连续梁计算,集中荷载P取板底支撑钢管传递最大支座力。
钢管落地卸料平台计算书计算依据:1、《建筑施工扣件式钢管脚手架安全技术规范》JGJ130-20112、《建筑施工高处作业安全技术规范》JGJ80-20163、《建筑地基基础设计规范》GB50007-20114、《建筑结构荷载规范》GB50009-20125、《钢结构设计标准》GB50017-2017一、架体参数平台水平支撑钢管布置图卸料平台平面示意图卸料平台侧立面示意图四、板底支撑(纵向)钢管验算1k1kG2k= g2k×l b/2 =0.350×1.20/2=0.210kN/m;Q1k= q1k×l b/2 =0.800×1.20/2=0.480kN/m;Q2k= q2k×l b/2 =0.800×1.20/2=0.480kN/m;1、强度计算板底支撑钢管按均布荷载作用下的二等跨连续梁计算。
q1=1.2 ×(G1k+G2k)= 1.2×(0.030+0.210)=0.288kN/m;q2=1.4×(Q1k+Q2k)= 1.4×(0.480+0.480)=1.344kN/m;板底支撑钢管计算简图M max=0.125×(q1+q2)×l2=0.125×(0.288+1.344)×1.352=0.372kN·m;R max=1.25×(q1+q2)×l=1.25×(0.288+1.344)×1.35=2.754kN;σ=M max/W=0.372×106/(4.12×103)=90.240N/mm2≤[f]=205.00N/mm2;满足要求!2、挠度计算q'=G1k+G2k=0.030+0.210=0.240kN/mq'=Q1k+Q2k=0.480+0.480=0.960kN/mR'max=1.25×(q'1+q'2)×l=1.25×(0.240+0.960)×1.35=2.025kN;ν=(0.521q'1l4+0.192q'2l4)/100EI=(0.521×0.240×(1.35×103)4+0.192×0.960×(1.35×103)4)/( 100×206000.00×9.89×104) =0.504mm≤min{1350.00/150,10}mm=9.000mm 满足要求!五、横向支撑钢管验算底支撑钢管传递最大支座力。
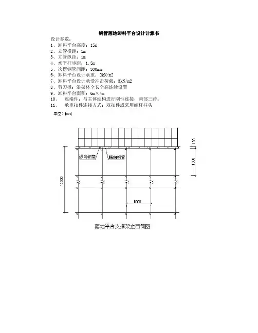
钢管落地卸料平台设计计算书设计参数:1、卸料平台高度:15m2、立管横距:1m3、立管纵距:1m4、水平杆步距:1.5m5、次楞钢管间距:300mm6、卸料平台设计承重:2kN/m27、卸料平台设计承受冲击荷载:3kN/m28、剪刀撑:沿架体全长全高连续设置9、卸料平台面积:6m×4m10、连墙件:与主体结构进行刚性连接,两部三跨。
11、承重扣件连接方式:双扣件或采用螺杆柱头一、参数信息1.基本参数立杆横向间距或排距l a(m):1.00,立杆步距h(m):1.50;立杆纵向间距l b(m):1.00,平台支架计算高度H(m):15.00;立杆上端伸出至支撑点的长度a(m):0.10,平台底钢管间距离(mm):300.00;钢管类型:Φ48×3.25,扣件连接方式:双扣件,取扣件抗滑承载力系数:0.75;2.荷载参数脚手板自重(kN/m2):0.300;栏杆自重(kN/m):0.150;材料堆放最大荷载(kN/m2):2.000;施工均布荷载(kN/m2):3.000;3.地基参数地基土类型:素填土;地基承载力标准值(kPa):120.00;立杆基础底面面积(m2):0.25;地基承载力调整系数:1.00。
二、纵向支撑钢管计算纵向钢管按照均布荷载下连续梁计算,截面几何参数为截面抵抗矩 W = 4.79 cm3;截面惯性矩 I = 11.5cm4;纵向钢管计算简图1.荷载的计算(1)脚手板自重(kN/m):q11 = 0.3×0.3 = 0.09 kN/m;(2)堆放材料的自重线荷载(kN/m):q12 = 2×0.3 = 0.6 kN/m;(3)施工荷载标准值(kN/m):p1 = 3×0.3 = 0.9 kN/m2.强度验算依照《建筑施工扣件式钢管脚手架安全技术规范》(JGJ130-2001)5.2.4规定,纵向支撑钢管按三跨连续梁计算。
最大弯矩考虑为静荷载与活荷载的计算值最不利分配的弯矩和;最大弯矩计算公式如下:M = 0.1q1l2+0.117q2l2最大支座力计算公式如下:N = 1.1q1l + 1.2q2l均布恒载:q1 = 1.2 × q11= 1.2×0.09 = 0.108 kN/m;均布活载:q2 = 1.4×0.9+ 1.4 ×0.6=2.1 kN/m;最大弯距 M max = 0.1×0.108×12 + 0.117 ×2.1×12 = 0.256 kN·m ;最大支座力 N = 1.1×0.108×1 + 1.2×2.1×1 = 2.639 kN;最大应力σ = M max / W = 0.256×106 / (4790) = 53.549 N/mm2;纵向钢管的抗压强度设计值 [f]=205 N/mm2;纵向钢管的计算应力 53.549 N/mm2小于纵向钢管的抗压设计强度 205 N/mm2,满足要求!3.挠度验算最大挠度考虑为三跨连续梁均布荷载作用下的挠度;计算公式如下:ν = 0.667ql4/100EI均布恒载:q k = q ll=0.09 kN/m;ν = 0.677 ×0.09×10004/(100×2.06×105×115000)=0.026 mm;纵向钢管的最大挠度为 0.026 mm 小于纵向钢管的最大容许挠度 1000/150与10 mm,满足要求!三、横向支撑钢管计算支撑钢管按照集中荷载作用下的三跨连续梁计算;集中荷载P取板底纵向支撑钢管传递力,P =2.639 kN;支撑钢管计算简图支撑钢管计算弯矩图(kN·m)支撑钢管计算变形图(mm)支撑钢管计算剪力图(kN)最大弯矩 M max = 0.888 kN·m ;最大变形νmax = 2.407 mm ;最大支座力 Q max = 9.597 kN ;最大应力σ= 185.447 N/mm2;横向钢管的计算应力 185.447 N/mm2小于横向钢管的抗压强度设计值 205 N/mm2,满足要求!支撑钢管的最大挠度为 2.407 mm 小于支撑钢管的最大容许挠度 1000/150与10 mm,满足要求!四、扣件抗滑移的计算按照《建筑施工扣件式钢管脚手架安全技术规范培训讲座》刘群主编,P96页,双扣件承载力设计值取16.00kN,按照扣件抗滑承载力系数0.75,该工程实际的旋转双扣件承载力取值为12.00kN 。
钢管落地卸料平台计算书一、架体参数二、荷载参数三、设计简图平台水平支撑钢管布置图卸料平台平面示意图卸料平台侧立面示意图四、板底支撑(纵向)钢管验算G1k=g1k=0.033kN/m;G2k= g2k×l b/5 =0.350×1.00/5=0.070kN/m;Q1k= q1k×l b/5 =2.000×1.00/5=0.400kN/m;Q2k= q2k×l b/5 =2.000×1.00/5=0.400kN/m;1、强度计算板底支撑钢管按均布荷载作用下的二等跨连续梁计算。
q1=1.2 ×(G1k+G2k)= 1.2×(0.033+0.070)=0.124kN/m;q2=1.4×(Q1k+Q2k)= 1.4×(0.400+0.400)=1.120kN/m;板底支撑钢管计算简图M max =0.125×(q 1+q 2)×l 2=0.125×(0.124+1.120)×1.252=0.243kN·m; R max =1.25×(q 1+q 2)×l=1.25×(0.124+1.120)×1.25=1.943kN;σ=M max /W=0.243×106/(4.49×103)=54.096N/mm 2<[f]=205.00N/mm 2; 满足要求! 2、挠度计算q '=G 1k +G 2k =0.033+0.070=0.103kN/m q '=Q 1k +Q 2k =0.400+0.400=0.800kN/mR 'max =1.25×(q '1+q '2)×l=1.25×(0.103+0.800)×1.25=1.411kN;ν=(0.521q '1l 4+0.192q '2l 4)/100EI=(0.521×0.103×(1.25×103)4+0.192×0.800×(1.25×103)4)/(100×206000.00×10.78×104) =0.228mm<max{1250.00/150,10}mm 。
CDDMFYYZX钢管落地式卸料平台施工方案中国五冶CDDMFYYZX项目部2012年6与30日目录1. 编制依据 (1)1.1. 编制依据 (1)1.2. 编制说明 (1)2. 工程概况 (1)3. 卸料平台的搭设要求 (4)3.1. 搭设前准备 (4)3.2. 地下室卸料平台设计 (4)3.3. 地上结构二层卸料平台设计 (5)3.4. 地上结构三层卸料平台设计 (6)3.5. 落地卸料平台构造要求 (7)4. 卸料平台的拆除 (9)5. 安全技术措施及注意事项 (9)附件一 (11)附件二 (17)附件三 (23)1.编制依据1.1. 编制依据钢管落地施工平台的计算依照下列文件编制:1.1.1.DMFYYZX施工蓝图1.1.2.《建筑施工扣件式钢管脚手架安全技术规范》(JGJ130-2001)1.1.3.《建筑地基基础设计规范》(GB 50007-2002)1.1.4.《建筑结构荷载规范》(GB 50009-2001)1.2. 编制说明本作业设计为DMFYYZX钢管落地式卸料平台作业设计,凡YYZX项目搭设钢管落地式卸料平台均参照此作业设计搭设。
2.工程概况YYZX项目造型特殊,为CD新地标建筑。
地下二层,负一层标高-6.65m,底板顶标高-11.3m。
地上六层,二层结构标高6.7m,三层结构标高11.9m。
地下室施工完成后,地下室中周转材料不方便吊运,需在艺中心大陀螺中B-2b与B-3a区域交界舞台升降井处及C-3a区域设置钢管落地式卸料平台。
大陀螺地上部分二层、三层也需设置钢管落地式卸料平台,用于搬运二层、三层周转材料(注:二层卸料平台使用完毕后,拆除平台上的栏杆、脚手板,板底支撑钢管等,然后接长立杆搭设三层卸料平台)。
YYZX其他材料不方便运输的地方,均可设置钢管落地式卸料平台,其搭设方法按本作业设计执行。
地下室C-3a区域卸料平台搭设平面示意图B-2b与B-3a区域交界舞台升降井处卸料平台搭设平面示意图二层卸料平台搭设平面示意图三层卸料平台搭设平面示意图3.卸料平台的搭设要求3.1. 搭设前准备3.1.1.严格执行安全技术交底制度。
钢管落地卸料平台安全计算书一、计算依据1、《建筑施工扣件式钢管脚手架安全技术规范》JGJ130-20112、《建筑结构荷载规范》GB50009-20123、《钢结构设计规范》GB50017-20034、《建筑施工临时支撑结构技术规范》JGJ300-20135、《建筑施工高处作业安全技术规范》JGJ80-1991二、计算参数风压高度变化系数uz/ 风荷载体型系数us/脚手板自重标准值g1(kN/m2) / 栏杆自重标准值g2(kN/m) / 基础类型混凝土楼板地基土类型/ 地基承载力特征值fak(kPa) / 是否考虑风荷载否地面粗糙度类型/ 架体搭设省份、城市北京(省)北京(市)(图1)平面图(图2)纵向剖面图三、次楞验算、脚手板自重g1,转化为次楞上的线荷载,活荷载包括施恒荷载包括次楞自重gkc工活荷载、材料堆放荷载,转化为次楞上线荷载。
次楞按三跨连续梁计算,恒荷载满布,活荷载按不利布置进行组合;强度及挠度验算时,活荷载按第一跨及第三跨隔跨布置计算;抗剪验算时,活荷载按第一跨及第二跨连续布置计算。
1、强度验算恒荷载为:g1=1.2[g kc+g1k e]=1.2×(0.033+0.35×300/1000)=0.166kN/m活荷载为:q1=1.4(Q1+Q2)e=1.4×(2+2)×300/1000=1.68kN/m计算简图如下:(图3)可变荷载控制的受力简图(图4)次楞弯矩图(kN·m)M max=0.266kN·mσ=M max/W=0.266×106/(1×4.493×103)=59.151N/mm2≤[f]=205N/mm2满足要求2、挠度验算挠度验算荷载统计:q k=g kc+g1k e+(Q1+Q2)e=0.033+0.3×300/1000+(2+2)×300/1000=1.323kN/m(图6)挠度计算受力简图(图7)次楞变形图(mm)νmax=0.85mm≤[ν]=max(1000×0.9/150,10)=10mm满足要求3、支座反力计算承载能力极限状态下支座反力为:R=2.436kN正常使用极限状态下支座反力为:R k=1.746kN五、主楞验算按三跨连续梁计算符合工况,偏于安全,计算简图如下:(图8)简图1、抗弯验算(图9)主楞弯矩图(kN·m)M max=0.588kN·mσ=M max/W=0.588×106/(4.493×103)=130.846N/mm2≤[f]=205N/mm2 满足要求2、挠度验算(图11)简图(图12)主楞变形图(mm)νmax=1.103mm≤[ν]=max(1000×0.9/150,10)=10mm满足要求3、支座反力计算立杆稳定验算要用到承载能力极限状态下的支座反力,故:R max=7.997kN六、扣件抗滑移计算由上知最大扣件滑移力为R max=7.997kNR max=7.997kN≤[R]=8kN满足要求七、立杆验算1、长细比验算验算立杆长细比时取k按JGJ130-2011表5.3.4取用,μ按JGJ130-2011附录C表C-1取用,h为步距l0=kμh=1×2.492×1.2=2.99则长细比为:λ=l0/i=2.99×1000/(1.58×10)=189.266≤[λ]=210满足要求2、立杆稳定性验算λ=l0/i=2.99×1000/(1.58×10)=189.266根据λ查JGJ130-2011附录A.0.6得到φ=0.2N1=R max+1.2×H×g k=7.997+1.2×5×3.84/100=8.228kNf=N1/(φA)=8.228×1000/(0.2×4.89×100)=83.932N/mm2≤[σ]=205N/mm2满足要求八、连墙件验算1、杆件强度验算连墙件的轴向力设计值:N l=N0=2Kn连墙件杆件强度验算:σ=N l/A c=2×1000/(4.89×100)=4.09N/mm2 ≤0.85f=0.85×205=174.25 满足要求2、杆件稳定性验算λ=a0/i=0.3×1000/(1.58×10)=18.987根据λ值查规范JGJ130-2011附录A.O.6得到ϕ连墙件杆件稳定性验算:N l/ϕA=2/(0.949×4.89×100)=0.004N/mm2≤0.85f=0.85×205=174.25 满足要求3、连接强度验算扣件抗滑移:N l=2kN≤R c=8kN满足要求。
扣件钢管落地式卸料平台(双管、双扣件)1.基本计算参数(1)基本参数卸料平台宽度3.00m,长度4.00m,搭设高度13.50m。
采用Φ48×3.5钢管。
内立杆离墙0.20m,中立杆采用双扣件。
立杆步距h=1.50m,立杆纵距b=1.00m,立杆横距L=1.00m。
横向水平杆上设2根纵向水平杆;施工堆载、活荷载5.00kN/m2;平台上满铺竹串片脚手板。
(2)钢管截面特征壁厚t=3.5mm,截面积A=489mm2,惯性矩I=121900mm4;截面模量W=5080mm3,回转半径i=15.8mm,每米长质量0.0376kN/m;钢材抗拉,抗压和抗弯强度设计值f=205N/mm2,弹性模量E=206000N/mm2。
(3)荷载标准值1)永久荷载标准值每米立杆承受的结构自重标准值0.1248kN/m脚手板采用钢筋条栅脚手板,自重标准值为0.35kN/m22)施工均布活荷载标准值施工堆载、活荷载5.00kN/m23)作用于脚手架上的水平风荷载标准值ωk平台搭设高度为13.50m,地面粗糙度按B类;风压高度变化系数μz=1.00(标高+5m)挡风系数=0.868,背靠建筑物按敞开、框架和开洞墙计算,则脚手架风荷载体型系数μs=1.3=1.3×0.868=1.128,工程位于广东广州市,基本风压ω0=0.30kN/m2水平风荷载标准值ωk=μzμsωο=1.00×1.128×0.30=0.34kN/m22.纵向水平杆验算(1)荷载计算钢管自重G K1=0.0376kN/m;脚手板自重G K2=0.35×0.33=0.12kN/m;施工活荷载Q K=5.00×0.33=1.65kN/m作用于纵向水平杆线荷载标准值永久荷载q1=1.2×(0.0376+0.12)=0.19kN/m,施工活荷载q2=1.4×1.65=2.31kN/m(2)纵向水平杆受力验算平台长度4.00m,按4跨连续梁计算L=1.00m1)抗弯强度验算弯矩系数K M1=-0.107,M1=K M1q1L2=-0.107×0.19×10002=-20330N·mm=-0.02kN·m弯矩系数K M2=-0.121,M2=K M2q2L2=-0.121×2.31×10002=-279510N·mm=-0.28kN·mM max=M1+M2=0.02+0.28=0.30kN.mσ=M/W=300000/5080=59.06N/mm2纵向水平杆σ=59.06N/mm2<f=205N/mm2,抗弯强度满足要求。
扣件钢管落地式卸料平台(双管、双扣件)1.基本计算参数(1)基本参数卸料平台宽度3。
00m,长度3.00m,搭设高度4。
50m。
采用Φ48×3。
5钢管。
内立杆离墙0。
20m,中立杆采用双扣件。
立杆步距h=1。
50m,立杆纵距b=1。
00 m,立杆横距L=1。
00m.横向水平杆上设2根纵向水平杆;施工堆载、活荷载5。
00kN/m2;平台上满铺竹串片脚手板。
(2)钢管截面特征壁厚t=3.5mm,截面积A=489mm2,惯性矩I=121900mm4;截面模量W=5080mm3,回转半径i=15.8mm,每米长质量0。
0376kN/m;钢材抗拉,抗压和抗弯强度设计值f=205N/mm2,弹性模量E=206000N/mm2。
(3)荷载标准值1)永久荷载标准值每米立杆承受的结构自重标准值0。
1248kN/m脚手板采用钢筋条栅脚手板,自重标准值为0。
35kN/m22)施工均布活荷载标准值施工堆载、活荷载5.00kN/m23)作用于脚手架上的水平风荷载标准值ωk平台搭设高度为4。
50m,地面粗糙度按B类;风压高度变化系数μz=1。
00(标高+5m)挡风系数=0.868,背靠建筑物按敞开、框架和开洞墙计算,则脚手架风荷载体型系数μs =1.3=1.3×0.868=1。
128,工程位于广东广州市,基本风压ω0=0.30kN/m2;水平风荷载标准值ωk=μzμsωο=1.00×1。
128×0。
30=0.34kN/m22。
纵向水平杆验算(1)荷载计算钢管自重G K1=0。
0376kN/m;脚手板自重G K2=0.35×0。
33=0.12kN/m;施工活荷载Q K=5。
00×0。
33=1。
65kN/m 作用于纵向水平杆线荷载标准值永久荷载q1=1。
2×(0。
0376+0。
12)=0。
19kN/m施工活荷载q2=1。
4×1.65=2.31kN/m(2)纵向水平杆受力验算平台长度3.00m,按3跨连续梁计算L=1。
钢管落地卸料平台计算书扣件式钢管落地平台的计算依照《建筑施工扣件式钢管脚手架安全技术规》(JGJ130-2011)、《建筑地基基础设计规》(GB 50007-2011)、《建筑结构荷载规》(GB 50009-2012)、《钢结构设计规》(GB 50017-2014)等编制。
支撑高度在4米以上的模板支架被称为扣件式钢管高支撑架,对于高支撑架的计算规存在重要疏漏,使计算极容易出现不能完全确保安全的计算结果。
本计算书编写还参考了《施工技术》2002.3.《扣件式钢管模板高支撑架设计和使用安全》一文。
一、参数信息:1.基本参数立杆横向间距或排距l a(m):0.60,立杆步距h(m):1.50;立杆纵向间距l b(m):0.60,平台支架计算高度H(m):10.00;立杆上端伸出至模板支撑点的长度a(m):0.10,平台底钢管间距离(mm):300.00;钢管类型(mm):Φ48Χ3.0,扣件连接方式:单扣件,取扣件抗滑承载力系数:0.80;2.荷载参数脚手板自重(kN/m2):0.300;栏杆自重(kN/m):0.150;材料堆放最大荷载(kN/m2):5.000;施工均布荷载(kN/m2):4.000;3.地基参数地基土类型:;地基承载力标准值(kPa):120.00;立杆基础底面面积(m2):0.20;地基承载力调整系数:1.00。
二、纵向支撑钢管计算:纵向钢管按照均布荷载下连续梁计算,截面几何参数为截面抵抗矩 W = 4.49 cm3;截面惯性矩 I = 10.78cm4;纵向钢管计算简图1.荷载的计算:(1)脚手板与栏杆自重(kN/m):q11 = 0.15 + 0.3×0.3 = 0.24 kN/m;(2)堆放材料的自重线荷载(kN/m):q12 = 5×0.3 = 1.5 kN/m;(3)活荷载为施工荷载标准值(kN/m):p1 = 4×0.3 = 1.2 kN/m2.强度验算:依照《规》5.2.4规定,纵向支撑钢管按三跨连续梁计算。
钢管落地卸料平台计算书扣件式钢管落地平台的计算依照《建筑施工扣件式钢管脚手架安全技术规范》(JGJ130-2011)、《建筑地基基础设计规范》(GB 50007-2011)、《建筑结构荷载规范》(GB 50009-2012)、《钢结构设计规范》(GB 50017-2014)等编制。
支撑高度在4米以上的模板支架被称为扣件式钢管高支撑架,对于高支撑架的计算规范存在重要疏漏,使计算极容易出现不能完全确保安全的计算结果。
本计算书编写还参考了《施工技术》2002.3.《扣件式钢管模板高支撑架设计和使用安全》一文。
一、参数信息:1.基本参数(m):0.60,立杆步距h(m):1.50;立杆横向间距或排距la立杆纵向间距l(m):0.60,平台支架计算高度H(m):10.00;b立杆上端伸出至模板支撑点的长度a(m):0.10,平台底钢管间距离(mm):300.00;钢管类型(mm):Φ48Χ3.0,扣件连接方式:单扣件,取扣件抗滑承载力系数:0.80;2.荷载参数脚手板自重(kN/m2):0.300;栏杆自重(kN/m):0.150;材料堆放最大荷载(kN/m2):5.000;施工均布荷载(kN/m2):4.000;3.地基参数地基土类型:;地基承载力标准值(kPa):120.00;立杆基础底面面积(m2):0.20;地基承载力调整系数:1.00。
二、纵向支撑钢管计算:纵向钢管按照均布荷载下连续梁计算,截面几何参数为截面抵抗矩 W = 4.49 cm3;截面惯性矩 I = 10.78cm4;纵向钢管计算简图1.荷载的计算:(1)脚手板与栏杆自重(kN/m):q11= 0.15 + 0.3×0.3 = 0.24 kN/m;(2)堆放材料的自重线荷载(kN/m):q12= 5×0.3 = 1.5 kN/m;(3)活荷载为施工荷载标准值(kN/m):p1= 4×0.3 = 1.2 kN/m2.强度验算:依照《规范》5.2.4规定,纵向支撑钢管按三跨连续梁计算。
计算依据:一、《建筑施工扣件式钢管脚手架安全技术规范》JGJ130-2011二、《建筑施工高处作业安全技术规范》JGJ80-913、《建筑地基基础设计规范》GB50007-20114、《建筑结构荷载规范》GB50009-2012五、《钢结构设计规范》GB50017-2003一、架体参数卸料平台名称落地卸料平台卸料平台布置方式沿纵向平台长度A(m) 4 平台宽度B(m) 3平台高度H(m) 18 立杆纵距l a(m) 1立杆步距h(m) 立杆横距l b(m) 1板底支撑间距s(m)每米钢管自重g1k(kN/m) 脚手板自重g2k(kN/m2)栏杆、挡脚板自重g3k(kN/m) 安全设施与安全网自重g4k(kN/m)材料堆放最大荷载q1k(kN/m2) 3 施工均布荷载q2k(kN/m2) 2基本风压ω0(kN/m2) 风荷载体型系数μs风压高度变化系数μz(立杆稳定性验算),(连墙件强度验算)四、板底支撑(纵向)钢管验算钢管类型Ф48×钢管截面抵抗矩W(cm3)钢管截面惯性矩I(cm4) 钢管弹性模量E(N/mm2) 206000 钢管抗压强度设计值[f](N/mm2) 2051k1kG2k= g2k×l b/5 =×5=m;Q1k= q1k×l b/5 =×5=m;Q2k= q2k×l b/5 =×5=m;一、强度计算板底支撑钢管按均布荷载作用下的三等跨持续梁计算。
q1= ×(G1k+G2k)= ×+=m;q2=×(Q1k+Q2k)= ×+=m;板底支撑钢管计算简图M max=×q1+×q2)×l2=×+××=·m;R max=×q1+×q2)×l=×+××=;σ=M max/W=×106/×103)=mm2≤[f]=mm2;知足要求!二、挠度计算q'=G1k+G2k=+=mq'=Q1k+Q2k=+=mR'max=×q'1+×q'2)×l=×+××=;ν='1l4+'2l4)/100EI=×××103)4+×××103)4)/(100×××104) =≤min{150,10}mm=知足要求!五、横向支撑钢管验算平台横向支撑钢管类型单钢管钢管类型Ф48×钢管截面抵抗矩W(cm3) 钢管截面惯性矩I(cm4)钢管弹性模量E(N/mm2) 206000 钢管抗压强度设计值[f](N/mm2) 205底支撑钢管传递最大支座力。
落地式卸料平台扣件钢管支撑架计算书一、基本计算参数立杆横向间距和排距,取l=0.8(m);立杆纵向间距,取b=0.8(m);脚手架的步距;取h=1.5(m);脚手架搭设高度;取H=24(m);材料最大堆放荷载;Pmax=2(kN/m2)基础底面面积;A=0.2(m2)钢管型号φ48×3.5扣件类型单扣件二、横向支撑钢管计算横向支撑钢管按均布荷载作用下的连续梁计算1、荷载的计算:脚手板与栏杆自重荷载:ql1=0.14+0.35×0.4=0.28(kN/m)堆放材料的自重荷载:ql2=2×0.4=0.8(kN/m)脚手管自重线荷载:ql3 = 0.03763 kN/m脚手板及堆放材料的自重荷载计算值:q1=1.2×(0.28+0.8+0.03763)=1.34(kN/m)活荷载计算值:q2=1.4×(3×0.4)=1.68(kN/m)2、强度计算三跨连续梁在均布荷载作用下,当某支座相邻两跨满布活荷载,其余每隔一跨满布活荷载时,该支座出现最大弯矩.(1) 最大弯矩计算公式如下:其中: l 立杆的横距l = 0.8 m经计算得到:M=-0.10×1.34×0.8^2-0.117×1.68×0.8^2=-0.21(kN.m)(2) 截面应力计算其中:W 钢管截面抵抗矩W = 5.08 cm3M 最大弯矩M = -0.21 kN.m经过计算:σ=0.21×1000000÷(5.08×1000)=41.34(N/mm2)纵向钢管强度计算结果:钢管截面应力小于钢管强度设计值205 N/mm2,故满足要求3、挠度计算脚手板及堆放材料的自重线荷载标准值:q1=0.28+0.8+0.03763=1.12(kN/m)活荷载标准值:q2=3×0.4=1.2(kN/m)最大挠度其中: l 立杆的横距l = 0.8 mI 钢管截面惯性矩I = 12.19 cm4E 钢管弹性模量E = 206000 N/mm2经计算得到:V=(0.667×1.12×(0.8×1000)^4+0.990×1.2×(0.8×1000)^4)÷(100×206000×12.19×10000))=0.32(mm)横向钢管强度计算结果:最大挠度不大于允许挠度l/150=800/150=5.33mm,并且不大于10mm,故满足要求三、纵向支撑钢管的计算纵向支撑钢管按受集中荷载作用的连续梁计算1、荷载的计算:脚手板与栏杆自重荷载:P11=(0.14+0.35×0.4)×0.8=0.22(kN)堆放材料的自重荷载:P12=2×0.4×0.8=0.64(kN)脚手管自重标准值:P13=0.03763×0.8=0.03 (kN)静荷载标准值:P1=0.22+0.64+0.03=0.89 (kN)活荷载线荷载:P2=3×0.4×0.8=0.96(kN)2、强度计算(1) 弯矩计算l 其中立杆纵向间距l = 0.8 m经过计算: M = 0.175×1.2×0.89×0.8+0.213× 1.4×0.96×0.8 = 0.38 kN.m截面应力计算其中: W 钢管截面抵抗矩W = 5.08 cm3M 最大弯矩M = 0.38 kN.m经过计算:σ=0.38×1000000÷(5.08×1000)=74.8(N/mm2)计算结果:钢管截面应力小于钢管强度设计值205 N/mm2,故满足要求3、挠度计算连续梁在集中荷载作用下的最大挠度计算公式:其中: l 立杆纵向间距l = 0.8 mI 钢管截面惯性矩I = 12.19 cm4E 钢管弹性模量E = 206000 N/mm2P1 静荷载标准值P1 = 0.89 kNP2 活荷载标准值P2 = 0.96 kN经计算得到:V=(1.146×0.89×(0.8×1000)^3+1.615×0.96×(0.8×1000)^3)÷(100×206000×12.19×10000))=0.52(mm)挠度计算结果:最大挠度不大于允许挠度l/150=800/150=5.33mm,并且不大于10mm,故满足要求4、最大支座力计算其中: P1 静荷载计算值P1= 0.89 kNP2 活荷载计算值P2= 0.96 kN经计算得到:R = 1.15×1.2×0.89+1.3×1.4×0.96 = 2.98 kN四、扣件抗滑移的计算纵向或横向水平杆与立杆连接时,扣件的抗滑承载力按照下式计算其中:Rc 扣件抗滑承载力设计值,取Rc = 8 kNR 纵向或横向水平杆传给立杆的竖向作用力设计值,R=2.98 kN扣件抗滑移的计算结果:纵向或横向水平杆传给立杆的竖向作用力设计值小于扣件抗滑承载力设计值,满足要求五、立杆的稳定性计算1、荷载的计算:作用于平台支架的荷载包括静荷载、活荷载和风荷载。
钢管落地卸料平台计算书一、架体参数卸料平台名称办公楼1卸料平台卸料平台布置方式沿纵向平台长度A(m) 3.6 平台宽度B(m) 6平台高度H(m) 6 立杆纵距l a(m) 1.2立杆步距h(m) 1.5 立杆横距l b(m) 1.2板底支撑间距s(m) 0.4二、荷载参数每米钢管自重g1k(kN/m) 0.033 脚手板自重g2k(kN/m2) 0.35 栏杆、挡脚板自重g3k(kN/m) 0.14 安全设施与安全网自重g4k(kN/m) 0.01 材料堆放最大荷载q1k(kN/m2) 2 施工均布荷载q2k(kN/m2) 1.5基本风压ω0(kN/m2) 0.3 风荷载体型系数μs0.8风压高度变化系数μz0.74(立杆稳定性验算),0.74(连墙件强度验算)三、设计简图平台水平支撑钢管布置图卸料平台平面示意图卸料平台侧立面示意图四、板底支撑(纵向)钢管验算钢管类型Ф48×3钢管截面抵抗矩W(cm3) 4.49钢管截面惯性矩I(cm4) 10.78 钢管弹性模量E(N/mm2) 206000 钢管抗压强度设计值[f](N/mm2) 205G1k=g1k=0.033kN/m;G2k= g2k×l b/3 =0.350×1.20/3=0.140kN/m;Q1k= q1k×l b/3 =2.000×1.20/3=0.800kN/m;Q2k= q2k×l b/3 =1.500×1.20/3=0.600kN/m;1、强度计算板底支撑钢管按均布荷载作用下的三等跨连续梁计算。
q1=1.2 ×(G1k+G2k)= 1.2×(0.033+0.140)=0.208kN/m;q2=1.4×(Q1k+Q2k)= 1.4×(0.800+0.600)=1.960kN/m;板底支撑钢管计算简图M max=(0.100×q1+0.117×q2)×l2=(0.100×0.208+0.117×1.960)×1.202=0.360kN·m;R max=(1.100×q1+1.200×q2)×l=(1.100×0.208+1.200×1.960)×1.20=3.096kN;σ=M max/W=0.360×106/(4.49×103)=80.204N/mm2≤[f]=205.00N/mm2;满足要求!2、挠度计算q'=G1k+G2k=0.033+0.140=0.173kN/mq'=Q1k+Q2k=0.800+0.600=1.400kN/mR'max=(1.100×q'1+1.200×q'2)×l=(1.100×0.173+1.200×1.400)×1.20=2.244kN;ν=(0.677q'1l4+0.990q'2l4)/100EI=(0.677×0.173×(1.20×103)4+0.990×1.400×(1.20×103)4)/(100×206000.00×10.78×104) =1.404mm≤min{1200.00/150,10}mm=8.000mm满足要求!五、横向支撑钢管验算平台横向支撑钢管类型双钢管钢管类型Ф48×3钢管截面抵抗矩W(cm3) 4.49 钢管截面惯性矩I(cm4) 10.78钢管弹性模量E(N/mm2) 206000 钢管抗压强度设计值[f](N/mm2) 205 横向支撑钢管按照均布荷载和集中荷载下三等跨连续梁计算,集中荷载P取板底支撑钢管传递最大支座力。
钢管落地卸料平台计算书计算依据:
1、《建筑施工扣件式钢管脚手架安全技术规范》JGJ130-2011
2、《建筑施工高处作业安全技术规范》JGJ80-91
3、《建筑地基基础设计规范》GB50007-2011
4、《建筑结构荷载规范》GB50009-2012
5、《钢结构设计规范》GB50017-2003
一、架体参数
平台水平支撑钢管布置图
卸料平台平面示意图
卸料平台侧立面示意图
四、板底支撑(纵向)钢管验算
钢管类型Φ48×2.7 钢管截面抵抗矩W(cm3) 4.12
钢管截面惯性矩I(cm4) 9.89 钢管弹性模量E(N/mm2) 206000 钢管抗压强度设计值[f](N/mm2) 205
1k1k
G2k= g2k×l b/4 =0.350×1.20/4=0.105kN/m;
Q1k= q1k×l b/4 =3.000×1.20/4=0.900kN/m;
Q2k= q2k×l b/4 =2.000×1.20/4=0.600kN/m;
1、强度计算
板底支撑钢管按均布荷载作用下的三等跨连续梁计算。
q1=1.2 ×(G1k+G2k)= 1.2×(0.030+0.105)=0.162kN/m;
q2=1.4×(Q1k+Q2k)= 1.4×(0.900+0.600)=2.100kN/m;
板底支撑钢管计算简图
M max=(0.100×q1+0.117×q2)×l2=(0.100×0.162+0.117×2.100)×0.902=0.212kN·m;
R max=(1.100×q1+1.200×q2)×l=(1.100×0.162+1.200×2.100)×0.90=2.428kN;
σ=M max/W=0.212×106/(4.12×103)=51.490N/mm2≤[f]=205.00N/mm2;
满足要求!
2、挠度计算
q'=G1k+G2k=0.030+0.105=0.135kN/m
q'=Q1k+Q2k=0.900+0.600=1.500kN/m
R'max=(1.100×q'1+1.200×q'2)×l=(1.100×0.135+1.200×1.500)×0.90=1.754kN;
ν=(0.677q'1l4+0.990q'2l4)/100EI=(0.677×0.135×(0.90×103)4+0.990×1.500×(0.90×103)4)/( 100×206000.00×9.89×104) =0.508mm≤min{900.00/150,10}mm=6.000mm 满足要求!
五、横向支撑钢管验算
平台横向支撑钢管类型双钢管钢管类型Φ48×2.7
钢管截面抵抗矩W(cm3) 4.12 钢管截面惯性矩I(cm4) 9.89
钢管弹性模量E(N/mm2) 206000 钢管抗压强度设计值[f](N/mm2) 205
支撑钢管传递最大支座力。
q'=g1k=0.030kN/m;
q=1.2g1k=0.036kN/m;
p=R max/2=1.214kN;
p'=R'max/2=0.877kN
横向钢管计算简图
横向钢管计算弯矩图M max=0.689kN·m;
横向钢管计算剪力图R max=4.834kN;
横向钢管计算变形图
νmax=1.571mm;
σ=M max/W=0.689×106/(4.12×103)=167.319N/mm2≤[f]=205.00N/mm2;
满足要求!
νmax=1.571mm≤min{1200.00/150,10}=8.00mm;
满足要求!
六、立杆承重连接计算
横杆和立杆连接方式单扣件单扣件抗滑承载力(kN) 8
扣件抗滑移承载力系数0.8
满足要求!
七、立杆的稳定性验算
钢管类型Φ48×2.7 钢管截面回转半径i(cm) 1.6
钢管的净截面A(cm2) 3.84 钢管抗压强度设计值[f](N/mm2) 205
双立杆计算方法不设置双立杆立杆计算长度系数μ 1.5
N G1=(l a+2.00×l b+1.00×h)×g1k/h×H+g1k×l a×3.00/1.00=(0.90+2.00×1.20+1.00×1.50)×0.03 0/1.50×8.700+0.030×0.90×3.00/1.00=0.916kN
N G2=g2k×l a×l b/1.00=0.350×0.90×1.20/1.00=0.378kN;
N Q1=q1k×l a×l b/1.00=3.000×0.90×1.20/1.00=3.240kN;
N Q2=q2k×l a×l b/1.00=2.000×0.90×1.20/1.00=2.160kN;
考虑风荷载时,立杆的轴向压力设计值:
N=1.2(N G1+N G2)+0.9×1.4(N Q1+N Q2)=1.2×(0.916+0.378)+
0.9×1.4×(3.240+2.160)=8.357kN;
支架立杆计算长度:
L0=kμh=1×1.50×1.50=2.250m
长细比λ=L0/i=2.250×103/(1.60×10)=140.625≤[λ]=250
满足要求!
轴心受压构件的稳定系数计算:
L0=kμh=1.155×1.500×1.5=2.599m
长细比λ= L0/i=2.599×103/(1.60×10)=162.422
由λ查表得到立杆的稳定系数φ=0.268
ωk=μzμsωo=0.74×0.80×0.30=0.178kN/m2
M w=0.9×1.4×ωk×l×h2/10=0.9×1.4×0.178×1.20×1.502/10=0.060kN·m;
σ=N/φA+M w/W=8.357×103/(0.268×3.84×102)+0.060×106/(4.12×103)=95.871N/mm2≤[f] =205.00N/mm2
满足要求!
八、立杆支承面承载力验算
g g c
N k=(N G1+N G2)+(N Q1+N Q2)=(0.916+0.378)+ (3.240+2.160)=6.694kN;
p=N k/A=6.694/0.25=26.777kPa≤f g'=140.000kPa
满足要求!。